Содержание
Введение
1. Основные законы и методы анализа линейных цепей постоянного тока
1.1 Основные положения и соотношения
2. Линейные электрические цепи синусоидального тока
2.1 Установившийся режим линейной электрической цепи, питаемой от источников синусоидальных ЭДС и токов
3. Трехфазные цепи
3.1 Трехфазные симметричные источники и электроприемники
3.2 Трехфазная система с нагрузкой
Заключение
Курсовая работа по электротехнике состоит трех частей теории и трех расчетных частей: анализ линейной цепи постоянного тока; расчета установившихся режимов и линейной цепи синусоидального тока и анализа трехфазных цепей переменного тока.
В первой части курсовой работы мы будем рассчитывать ток и его напряжение каждого участка методом контурных токов и, составим необходимое число уравнений методом непосредственного применения законов Кирхгофа. Рассчитаем цепь методом двух узлов и методом наложения. Определим мощность, рассеиваемую в каждом резисторе и отдаваемую каждым источником, проверим баланс мощности.
Во второй части курсовой работы мы будем рассчитывать токи во всех ветвях схемы методом свертывания и составим баланс активных и реактивных мощностей.
В третьей части курсовой работы мы будем определять линейные и фазные токи не симметричной трехфазной цепи, приемники которого соединены по схеме "звезда" (с наличием нейтрального провода и с его обрывом) и "треугольник". Для всех трех схем определим полную, активную и реактивную мощность источника электроэнергии трехфазной цепи и приемника, проверим баланс мощностей.
Электрической цепью называется совокупность устройств и объектов, образующих путь для прохождения электрического тока, электромагнитные процессы в которых могут быть описаны с помощью понятий об электродвижущей силе, токе и напряжении. Для расчета и анализа электрической цепи, состоящей из любого количества различных элементов, удобно эту цепь представить в виде схемы замещения. Схема замещения это расчетная модель электрической цепи. Схема замещения электрической цепи включает в себя источники мощности (активные элементы) и приемники (пассивные элементы). В качестве пассивного линейного элемента в цепях постоянного тока выступает резистор, имеющий электрическое сопротивление R
. Единица измерения Ом.
Величина, обратная сопротивлению, называется электрической проводимостью: G
= 1/
R.
Единица измерения См -
сименс. В качестве активных элементов - источников электромагнитной энергии, в схеме замещения используются так называемые источники ЭДС
и тока.
Идеальный источник электродвижущей силы (ЭДС)
характеризуется напряжением U,
которое не зависит от тока / и определяется электродвижущей силой Е
. Внутреннее сопротивление идеального источника ЭДС
равно нулю, поэтому U
= Е.
Идеальный источник тока
характеризуется током /, который не зависит от напряжения U (
внутренняя проводимость источника тока равна нулю, сопротивление источника тока бесконечно велико).
Реальный источник ЭДС
имеет внутреннее сопротивление R0
Источник тока реальный
может быть изображен в виде параллельной схемы, содержащей источник тока J,
численно равный току короткого замыкания источника тока и проводимости G0
.
Участок электрической цепи, вдоль которого протекает один и тот же ток, называется ветвью.
Место соединения трех и более ветвей называется узлом.
Любой замкнутый путь, проходящий по нескольким ветвям, называется контуром электрической цепи.
Закон Ома.
Этот закон применяется для ветви или для одноконтурной замкнутой цепи (не имеющей разветвлений). При написании закона Ома следует, прежде всего, выбрать произвольно некоторое условно-положительное направление тока. Для ветви, состоящей только из резисторов и не содержащей ЭДС (
например, для ветви тп,
рис.1.1) при положительном направлении тока от точки т
к точке п
применяется закон Ома для участка цепи: ,
где ( -
потенциалы точек т
и п;
Umn
-
разность потенциалов или напряжение между точками т
и и; Rmn
= R
4
+ R5 -
общее (эквивалентное) сопротивление ветви между точками т
и п.

Для ветви электрической цепи, содержащей ЭДС
и резисторы (например, для ветви acb,
рис.1.1):
где - напряжение на концах ветви acb,
отсчитываемое по выбранному положительному направлению тока, - алгебраическая сумма ЭДС,
находящихся в этой ветви, ∑
Rab
=
R1
+
R2
+
R3
-
арифметическая сумма ее сопротивлений. Со знаком "+" берут ЭДС,
в которых их направления совпадают с выбранным положительным направлением тока, а со знаком "-" - ЭДС
с противоположными направлениями.
Для замкнутой одноконтурной цепи применяется полный (обобщенный) закон Ома: (∑
E -
алгебраическая сумма ЭДС
контура; ∑
R -
арифметическая сумма сопротивлений контура).
Законы Кирхгофа.
Для написания законов Кирхгофа необходимо задаться условно-положительными направлениями токов каждой ветви.
Первый закон Кирхгофа применяется для узлов электрической цепи: алгебраическая сумма токов, сходящихся в узле, равна нулю,
т.е.
, где т -
число ветвей, соединенных в данном узле. Приняв токи, направленные от узла, условно положительными, а направленные к нему - отрицательными, для узла а
схемы рис.1.1 уравнение первого закона Кирхгофа примет вид: /1
+ /4
- /6
= 0.
Второй закон Кирхгофа применяется к контурам электрической цепи: алгебраическая сумма падений напряжений на элементах (резисторах) замкнутого контура электрической цепи равна алгебраической сумме ЭДС в этом контуре,
т.е. , где g -
число пассивных элементов (
резисторов) в контуре; р -
число ЭДС
рассматриваемого контура.
Для записи второго закона Кирхгофа произвольно выбирают направление обхода контура. При записи левой части равенства со знаком "+" берутся падения напряжения на тех резисторах, в которых выбранное положительное направление тока совпадает с направлением обхода (независимо от направления ЭДС
в этих ветвях), а со знаком "-" берутся падения напряжения на тех резисторах, в которых положительное направление тока противоположно направлению обхода. При записи правой части равенства, положительными принимаются ЭДС,
направления которых совпадают с выбранным направлением обхода контура (независимо от направления тока, протекающего через них), и отрицательными, когда направление ЭДС
не совпадают с выбранным направления обхода контура. Законы Кирхгофа должны выполняться для любого момента времени. Для внешнего контура электрической цепи, рис.1.1, при его обходе от точки а
по часовой стрелке, второй закон Кирхгофа примет вид:

Электрической цепью переменного тока принято называть совокупность устройств и объектов, образующих путь для электрического тока, электромагнитные процессы в которых могут быть описаны с помощью понятий ЭДС,
тока и напряжения. Причем эти понятия являются функциями времени. ЭДС е,
ток i
и напряжение и задаются мгновенными значениями, т.е. значениями в дискретный момент времени, и описываются изменяющимися во времени функциями.

Линейная цепь переменного тока состоит из пассивных линейных элементов с параметрами: R -
сопротивление; L -
индуктивность; С -
емкость. В установившемся режиме под воздействием переменных ЭДС
в цепях возникают переменные токи. Среди этих воздействий важнейшую роль играют гармонические колебания. При воздействии переменной во времени ЭДС
в линейных электрических цепях возникают физические процессы, изменяющиеся по гармоническим законам.
Наибольшее распространение получили электрические цепи с синусоидальным изменением тока (напряжения ЭДС).
Аналитическое выражение тока
(2.1)
График синусоидальной функции времени для этого тока приведен на рис.2.1 Синусоидальное колебание i{
t)
характеризуется следующими основными параметрами: амплитудой /„, угловой (круговой) частотой ω,
начальной фазой ψ
i
.
Наименьший промежуток времени, по истечении которого значения функции i (
t)
повторяются, называется периодом Т.
Между периодом и круговой частотой существует простая связь: Т
= 2π / ω.
Величину, обратную периоду, называют циклической частотой: f
= 1/Т. Из выше изложенного следует, что ω
= 2π
f
. Единицей измерения частоты f
является герц (Гц),
угловой частоты - радиан в секунду (рад/с).
Для питания различных электроэнергетических установок в России принята промышленная частота f
=50 Гц,
тогда угловая частота
.
В выражении (2.1) в скобках при функции синуса -
фаза синусоидального электрического тока (фаза тока), т.е. аргумент синусоидального тока, отсчитываемый от точки перехода тока через нуль к положительному значению. В этой формулировке заключен смысл начала отсчета времени. При -
начальная фаза синусоидального электрического тока или значение фазы синусоидального тока в начальный момент времени. На оси времени t
удобнее откладывать время в специальных единицах .
Аналогичный вид имеют выражения для синусоидального напряжения и и ЭДС е:
Важными параметрами гармонических колебаний являются их действующие и средние значения. Действующим значением синусоидального тока называется такое значение постоянного тока, при прохождении которого в одном и том же резисторе с сопротивлением R
за время одного периода Т
выделяется столько же теплоты Qn
ост.,
сколько и при прохождении синусоидального тока Qпе
p
,
. Зная, что и приравняв их можно показать, что действующее значение тока равно:
.
Аналогично вводят действующие значения напряжения и ЭДС .
Важно знать, что в паспорте электротехнических устройств синусоидального тока указаны действующие значения напряжений U
и токов /, большинство измерительных приборов проградуированы так, что они показывают действующие значения синусоидальных токов и напряжений.
Среднее значение тока i
определяется за половину периода Т/2 (
за полный период оно равно нулю): .
Аналогично определяется
 .
Основные определения.
Многофазной системой электрических цепей называется совокупность электрических цепей, в которых действуют синусоидальные ЭДС
одной и той же частоты, создаваемые общим источником энергии и сдвинутые относительно друг друга по фазе. Как ранее отмечалось, термин фаза обозначал стадию синусоидального процесса. Введем ее второе понятие: фаза многофазной системы - часть многофазной электрической цепи, в которой может протекать один из токов многофазной системы. По числу фаз многофазные системы электрических цепей подразделяются на двух-, трех-,..., т -
фазныесистемы. Наибольшее распространение получили трехфазные (т =
3) и кратные трем (т
= 6, т =
12) системы.
Трехфазная система электрических цепей, в которой отдельные фазы электрически соединены друг с другом называется трехфазной цепью. Такие цепи составляют основу электроэнергетики.
Достоинствами трехфазной системы, обусловившими ее исключительно широкое применение в системах электроснабжения, являются:
1) использование, при передаче заданной мощности, меньшего числа проводов, чем в несвязанных однофазных системах;
2) наличие двух уровней напряжения - фазного и линейного, что позволяет питать различные нагрузки без применения трансформаторов;
3) сравнительная легкость создания вращающегося магнитного поля, необходимого для работы трехфазных электрических машин.
Симметричные
источники.
Преобладающая часть мощных генераторов и приемников электрической энергии вырабатывают и потребляют трехфазные синусоидальные токи. В обмотках статора трехфазного генератора - фазах А, В, С -
генерируется три ЭДС
одинаковой частоты и амплитуды, имеющие фазовый сдвиг 120° (или 2π/3). Такая система ЭДС
называется симметричной (рис.3.1, а).
Комплексные изображения ЭДС
подобной трехфазной системы имеют вид:
.
Наиболее характерное свойство такой системы - сумма фазных ЭДС
равна нулю, т.е.
.
Фазные обмотки трехфазного генератора соединяются между собой. Это может осуществляться посредством объединения концов обмоток в общем узле N - соединение звездой ("Y") (рис.3.1, б).
Поскольку выполняется соотношение (3.1), то фазные обмотки можно соединить и последовательно - соединение треугольником ("А") (рис.3.1, с).
Симметричные электроприемники.


Трехфазные электроприемники соединяют аналогичным способом (звездой и треугольником). Симметричным называется приемник, комплексные сопротивления которого для каждой фазы равны. При соединении звездой (рис.3.2, а)
Последнее равенство распадается на два равенства:
- равенство модулей и -
равенство фаз. При соединении треугольником (рис.3.2, б) .
Аналогично два равенства:
и .
Путем эквивалентных преобразований можно перейти от одного способа соединения к другому. Для симметричных приемников переход:

Несимметричная трехфазная система по схеме звезда с нейтральным проводом (четырехпроводная).
В этом случае определение токов в фазах и тока в нейтральном проводе , в незначительной степени отличается от рассмотренного выше случая. Искомые токи в фазах, они же линейные токи, также определяются по закону Ома. Естественно, что токи в фазах уже не будут равны между собой как по модулю, так и по фазе. Ток в нейтральном проводе определяется по первому закону Кирхгофа и не равен нулю. Величину этого тока можно определить как сложением токов в фазах, представленных в комплексной форме, так и сложением векторов фазных токов на комплексной плоскости. Напряжение между точками nN,
как и для предыдущего случая, будет равно нулю, т.е. . Несимметричная трехфазная система по схеме звезда без нейтрального провода (четырехпроходная).
При отсутствии нейтрального провода потенциал нейтральной точки "и" несимметричного приемника электроэнергии будет не равен потенциалу нейтральной точки "N" источника. Для этого случая фазные напряжения электроприемника и источника электроэнергии не равны друг другу, т.е.

Электрическая цепь состоит из параллельных ветвей с источниками ЭДС и в общем случае одной параллельной ветви (нейтральный провод) с пассивным элементом ( ) и содержит два узла N
и n. В соответствии с методом узловых напряжений (метод двух узлов) напряжение между узлами N
и п
определяется выражением:
где - комплексные проводимости фаз (в общем случае не равные между собой); - проводимость нейтрального провода.
Вектор напряжения ,будет направлен из точки N,
причем его концу будет соответствовать потенциал точки и приемника (может лежать как внутри, так и вне треугольника линейных напряжений). Фазное напряжение это напряжение между точками а
и п.
Поэтому на диаграмме вектор напряжения Uan
направлен от точки п
к точке а.
Аналогично строятся фазные напряжения и .
Построенные таким образом векторы напряжений для фаз приемника полностью удовлетворяют уравнениям второго закона Кирхгофа:

После того как определены фазные напряжения, токи в фазах определяются по закону Ома, причем для этого случая должно выполняться условие первого закона Кирхгофа 
Симметричная трехфазная система
с нагрузкой по схеме треугольника - это объединение трехфазного источника (рис.3.1, с)
и симметричного трехфазного электроприемника (рис.3.2, б),
каждый из которых соединен в треугольник,
причем Линейные напряжения на зажимах А, В, С
источника являются одновременно линейными напряжениями на электроприемнике следовательно, . Эти же напряжения являются фазными для электроприемника.
Комплексные линейные напряжения определяются выражениями:

Исходя из свойств симметричных систем, можно записать: . Модули фазных напряжений электроприемника - одновременно линейные напряжения на его зажимах, т.е. 
Токи в фазах электроприемника определяются по закону Ома:

При симметричной нагрузке, полагая ,
модули токов в фазах одинаковы 
По первому закону Кирхгофа для узловых точек а,
b, с
можно записать:

Токи протекают в линейных проводах, т.е. это линейные токи, имеющие одинаковые модули .
Соотношение между линейными и фазными токами 
Несимметричная трехфазная система характеризуется тем, что комплексные сопротивления фаз не равны друг другу, т.е. Токи в фазах электроприемника определяются по закону Ома и также несимметричны.
Следует отметить, что как для симметричной, так и несимметричной системы, выполняется условие равенства нулю линейных токов, т.е.1а
+1
b
+ 1с
=
0. Это равенство легко получается суммированием линейных токов выражения, тогда в правой части все фазные токи сокращаются.
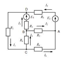
Дано:
Метод контурных токов
Запишем систему уравнений контурных токов:

Сопротивления контуров:

Взаимное сопротивление контуров:

Контурные ЭДС

Подставим найденные значения в систему уравнений:

Решаем систему по методу Крамара:




 
Остальные токи определяем по первому закону Кирхгофа:

Определим напряжения на элементах цепи:
 
Метод непосредственного применения законов Кирхгофа
m=6 n=4
К1=n-1=4-1=3 К2=m-K1=6-3=3
По первому закону: 
Для узла А 
Для узла C 
Для узла D 
По второму закону:  
Кон.1 
Кон.2 
Кон.3 
Метод двух узлов
Преобразуем треугольник в звезду:
 

Проводимости каждой ветви:

Определим напряжения между узлами D
и O
:

Находим токи:

Возьмем 
 
 
 


Значения найденных токов совпадают со значениями найденными по методу контурных токов, следовательно расчет выполнен верно.
Метод наложения
1) Отключим Е
2
и преобразуем исходную схему:
 

Значениями воспользуемся из предыдущих расчетов.

Найдем эквивалентное сопротивление схемы 3 (R
’э
)


2) Отключим Е
1
и преобразуем исходную схему:
 

Найдем эквивалентное сопротивление схемы 3 (R”
э
)

 
Определим истинные токи:

Остальные токи определяем исходя из I и II закона Кирхгофа:
По II закону Кирхгофа:

По I закону Кирхгофа:

По II закону Кирхгофа:

Значения найденных токов совпадают с значениями найденными по предыдущим методам, следовательно расчет выполнен верно. Правильность определения токов проверим по балансу мощностей: Мощность потребителя:

Мощность источника:

Баланс мощности сошелся.
Составим таблицу результатов:
| № ветви |
Ii
, A
|
Ui
, В
|
Pi
, Вт
|
| Метод конт. токов |
Метод 2х узлов |
Метод наложения |
| 1 |
0,06753 |
0,06753 |
0,06753 |
8,1036 |
0,5472 |
| 2 |
-0,00075 |
-0,00075 |
-0,00075 |
-0,03 |
0,0000225 |
| 3 |
0,03955 |
0,03955 |
0,03955 |
2,7685 |
0,109494 |
| 4 |
0,0388 |
0,0388 |
0,0388 |
2,328 |
0,09033 |
| 5 |
-0,02798 |
-0,02798 |
-0,02798 |
-2,798 |
0,078288 |
| 6 |
-0,02873 |
-0,02873 |
-0,02873 |
-2,2984 |
0,066033 |

Дано:
Расчет токов и напряжений
Определим реактивные сопротивления:

Комплексные сопротивления
 
Определим комплексное эквивалентное сопротивление схемы:

Рассчитаем токи в ветвях цепи:


Баланс активных и реактивных мощностей
Активная мощность:
Источник:

Потребитель:

Баланс:

Реактивная мощность:
Источник: 
Потребитель:
Баланс: 
Комплексная мощность
Источник:

Потребитель:

Баланс
Определим напряжения на элементах цепи

Таблица результатов
| № ветви |
Ток
Ii
, А
|
Напряжение
Ui
, В
|
Активная мощность Pi
, Вт
|
Реактивная мощность Qi
, ВАр
|
| 1 |
 |
 |
374,77 |
 |
| 2 |
 |
 |
89,093 |
903,9749 |
| 3 |
 |
 |
62,2111 |
-165,0196 |
| 4 |
 |
 |
654,82 |
 |
| 5 |
 |
 |
388,555 |
1068,099 |
| 6 |
 |
 |
291,032 |
________
|
Соединение "звезда" с нейтральным проводом

Дано:

Фазное напряжение:

Комплексное фазное напряжение:

Комплексные сопротивления:

Токи в линейных проводах:

Токи в нейтральном проводе:

Проверим баланс мощностей:

Следовательно


Баланс мощностей сходится
Соединение "звезда" без нейтрального провода

Фазное напряжение:

Комплексное фазное напряжение:

Комплексные сопротивления:

Комплексные проводимости фазных нагрузок:




Токи в фазах приемника и линейных проводах рассчитываются по закону Ома:

Проверка:

Проверим баланс мощностей:

Следовательно:


Баланс мощностей сходится
Соединение "треугольник"

Примем комплексное напряжение в фазах:

Комплексные сопротивления нагрузок:

Комплексные фазные токи:

Комплексы линейных токов:

Проверим баланс мощностей:

Следовательно


Баланс мощностей сходится
В первой части курсовой работы мы рассчитывали ток и его напряжение каждого участка методом контурных токов и, составив необходимое число уравнений методом непосредственного применения законов Кирхгофа и подставив в них полученные токи, проверили их выполнение. Затем мы рассчитали цепь методом двух узлов и методом наложения. Определив мощность, рассеиваемую в каждом резисторе и отдаваемую каждым источником, проверили баланс мощности.
Во второй части курсовой работы рассчитали токи во всех ветвях схемы методом свертывания и составили баланс активных и реактивных мощностей. Мощность при расчете их для всей цепи и для ветвей совпадают, то есть токи рассчитаны, верно.
В третьей части курсовой работы мы определили линейные и фазные токи не симметричной трехфазной цепи, приемники которого соединены по схеме "звезда" (с наличием нейтрального провода и с его обрывом) и "треугольник". Для всех трех схем определили полную, активную и реактивную мощность источника электроэнергии трехфазной цепи и приемника и проверили баланс мощностей. Для всех трех схем баланс мощности сошелся, то есть токи рассчитаны, верно.
Все значения по всем трем частям сошлись, значит, курсовая работа была выполнена правильно.
|