МИНИСТЕРСТВООБРАЗОВАНИЯ РОССИЙСКОЙ ФЕДЕРАЦИИ
ФИЛИАЛ ГОСУДАРСТВЕННОГО ОБРАЗОВАТЕЛЬНОГО
УЧЕРЕЖДЕНИЯ ВЫСШЕГО ПРОФЕССИОНАЛЬНОГО ОБРАЗОВАНИЯ
МОСКОВСКОГО ЭНЕРГЕТИЧЕСКОГО ИНСТИТУТА(ТЕХНИЧЕСКОГО УНИВЕРСИТЕТА)
Факультет “Энергетики и электротехники”
Кафедра “Электрические системы”
Курсовой проект
По курсу:
“Дальние линии электропередачи СВН”
Тема:
“Выбор параметров и анализ режимов электропередачи”
Смоленск, 2003
ВВЕДЕНИЕ
В данном курсовом проекте рассматривается электропередача переменного тока сверхвысокого напряжения с одной промежуточной подстанцией, предназначенной для транспорта электрической энергии от удаленной гидроэлектростанции в приёмную систему.
Решаются вопросы, связанные с выбором схемы электропередачи и номинального напряжения её участков, оценивается пропускная способность электропередачи, проводятся расчёты и анализ основных рабочих, послеаварийного и особых режимов работы.
В заключительной части проекта определяются основные технико-экономические показатели.
1.
Выбор схемы, номинального напряжения и сечения проводов участков электропередачи
Выбор числа цепей на участках электропередачи производится по условию обоснованно надёжного снабжения энергией потребителей промежуточной подстанции, а также потребителей приёмной системы, обеспечиваемых энергией от ГЭС.
Сопоставляя три заданные величины:
наибольшая мощность, передаваемая от ГЭС Р0
= 1340 МВт;
наибольшая мощность потребителей промежуточной подстанции Рп/ст
= 600 МВт;
оперативный резерв мощности, имеющийся в приёмной системе Ррезерв
= 470 МВт.
Наметим следующие варианты схемы участков электропередачи:

Рис 1.1. Вариант 1 схемы участков электропередачи.

Рис 1.2. Вариант 2 схемы участков электропередачи.
При длине линий более 400 км, предельный экономический ток для двух смежных марок проводов равен:

где К02 и К01 – удельные капитальные вложения на сооружение ВЛ соответственно с проводами большего и меньшего сечения [1] при учете зональных и поправочных коэффициентов [1];
Ен
= 0,12 – коэффициент эффективности капиталовложений;
а – коэффициент ежегодных издержек на амортизацию и обслуживание ВЛ [1];
dРк1 и dРк2 – среднегодовые потери мощности при коронировании проводов большего и меньшего сечения [1];
r02 и r01 – погонные активные сопротивления одного провода соответственно большего и меньшего сечения, вычисляемые по данным табл. 7.6 [1] с введением поправки на среднегодовую температуру воздуха [1];
n - стандартное число проводов в фазе;
Зi и Зii – удельные затраты на возмещение потерь электроэнергии, зависящие от времени потерь и района сооружения ВЛ;
tпотерь
– время потерь.
tпотерь
= ∑(Рi
/Рнб
)2
∙ti
tпотерь
= 12
2000+0,72
2500+0,52
2500+0,32
1760 = 4008,4 час.
Вариант 1
Линия 750 кВ длиной 630 км (одна цепь).
Iрасч
= Pmax
. л.
/(N∙√3∙Uном
∙cosφ)
Iрасч
= 1340.
/(1∙√3∙750∙0,99) = 1041,952 А
Fрасч
= Iрасч
/(n∙jрасч
)
Fрасч
= 1041,952/(4∙1) = 260.488 мм2
Количество проводов расщеплённой фазы n = 4.
Т. о. выбираем провод 4АС 400/93.
Iдоп
= 4∙860 = 3440 А, где
860 А – длительно допустимый ток на один провод фазы из табл. 7.12 [1] (значение взято для ближайшего сечения, т.к. отсутствуют данные)
3440 > 1042, значит, провод по нагреву проходит.
Линия 500 кВ длиной 420 км (одна цепь).
  Iрасч
= Pmax
. л.
/(N∙√3∙Uном
∙cosφ) = (P0
– Рпс
).
/(N∙√3∙Uном
∙cosφ)
Iрасч
= 740.
/(1∙√3∙500∙0,98) = 871,917 А
Fрасч
= Iрасч
/(n∙jрасч
)
Fрасч
= 871,917 /(3∙1) = 290,639 мм2
Т.к. минимальное сечение провода по условиям короны для напряжения 500 кВ составляет 330/43 мм2
, то учитывая количество проводов расщеплённой фазы n = 3, выбираем провод: 3АС 330/43.
Iдоп
= 3∙730 = 2190 А
730 А – длительно допустимый ток на один провод фазы из табл. 7.12 [1] (значение взято для ближайшего сечения, т.к. отсутствуют данные).
2190 > 872 , значит провод по нагреву проходит.
Вариант 2
Линия 500 кВ длиной 630 км (две цепи):
Iрасч
= Pmax
. л.
/(N∙√3∙Uном
∙cosφ)
Iрасч
= 1340.
/(2∙√3∙500∙0,99) = 781,464 А
Fрасч
= Iрасч
/(n∙jрасч
)
Fрасч
= 781,464/(3∙1) = 260,488 мм2
Т.к. минимальное сечение провода по условиям короны для напряжения 500 кВ составляет 330/43 мм2
, то учитывая количество проводов расщеплённой фазы n = 3, выбираем провод: 3АС 330/43.
Iдоп
= 3∙730 = 2190 А
730 А – длительно допустимый ток на один провод фазы из табл. 7.12 [1] (значение взято для ближайшего сечения, т.к. отсутствуют данные).
Iав.пер.
= 2∙ Iрасч
= 1564 А
2190 > 1564 , значит провод по нагреву проходит.
Линия 500 кВ длиной 420 км варианта 2 аналогична линии 500 кВ длиной 420 км варианта 1.
2.
Выбор схемы электрических соединений передающей станции и промежуточной подстанции
Вариант 1
Ррасч
= 1,15∙1340 = 1541 МВт.
Выбираем шесть гидрогенераторов СВ – 712/227 – 24.
Номинальные данные:
Sном.г
= 306 МВА, Рном. г
= 260 МВт, U ном
= 15,75 кВ, cosφ =0,85, Хd
= 1,653, Хd
’
= 0,424, Хd
”
= 0,279.
Располагаемая активная мощность ГЭС равна 1560 МВт.
С учётом подключения трех генераторов к одному блочному трансформатору выбираем две группы однофазных трансформаторов 2 3 + 1 ОРЦ 417000/750 со следующими номинальными параметрами:
Sном. тр
= 417 МВ∙А, Uвн ном
= 787/√3 кВ, Uнн ном
= 15,75 кВ,
Δ Рк
= 0,8 МВт, ΔРх
= 0,4 МВт, Rт
= 0,96 Ом, Хт
= 69,3 Ом.
При числе присоединений равном трём на напряжении 750 кВ выбираем схему треугольника.
На промежуточной подстанции будет двойная трансформация.
Расчётная мощность первой трансформации:
Sрасч
= Р0.
/(1,4∙cosφп/ст
) = 1340.
/(1.4∙ 0,99) = 966,8 МВ∙А
Выбираем (3∙2 +1) АОДЦТН 417000/750/500 со следующими номинальными параметрами:
 Sном. тр
= 417 МВ∙А, Uвн ном
= 750/√3 кВ, Uсн ном
= 500/√3 кВ, Uнн ном
= 15,75 кВ,
Δ Рк
= 0,7 МВт, ΔРх
= 0,28 МВт, Хт н
= 309 Ом, Хт в
= 55,1 Ом.
Расчётная мощность второй трансформации:
Sрасч
= Рп/ст.
/(1,4 cosφп/ст
) = 600.
/(1,4∙ 0,99) = 432,9 МВ∙А
Выбираем (3∙2 +1) АОДЦТН 167000/500/220 со следующими номинальными параметрами:
Sном. тр
= 267 МВ∙А, Uвн ном
= 500/√3 кВ, Uсн ном
= 230/√3 кВ, Uнн ном
= 11 кВ,
ΔРк
= 0,325 МВт, ΔРх
= 0,125 МВт, Хт н
= 113,5 Ом, Хт в
= 61,1 Ом.
На подстанции потребители питаются от шин 220 кВ. Определим количество отходящих линий от РУ 220 кВ, ориентируясь на их натуральную мощность:
n = Рп/ст
/135 = 600/135 = 4,4, следовательно принимаем n = 4.
Т. о. на подстанции при первой трансформации принимаем схему треугольника, а при второй трансформации при числе присоединений равном пяти выбираем схему трансформатор – шины с присоединением линий через два выключателя.
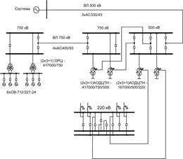
На 220 кВ при числе присоединений равном шести выбираем схему одна секционированная система шин с обходной с отдельными секционным и обходными выключателями. В итогесхемаэлектрических соединений для первого варианта электропередачи выглядит с. о.:

Рис.2.1 Схемаэлектрических соединений для первого варианта электропередачи.
Вариант 2
С учётом подключения трех генераторов к одному блочному трансформатору выбираем трансформаторы ТЦ 1000000/500 со следующими номинальными параметрами:
Sном. тр
= 1000 МВ∙А, Uвн ном
= 525 кВ, Uнн ном
= 15,75 кВ,
ΔРк
= 2 МВт, ΔРх
= 0,6 МВт, Rт
= 0,55 Ом, Хт
= 40 Ом.
При числе присоединений равном четырем на напряжении 500 кВ выбираем схему четырехугольника. На промежуточной подстанции остается лишь одна трансформация на 220 кВ, в остальном схемы электрических соединений аналогичны варианту 1 и выглядит следующим образом:

Рис.2.2 Схемаэлектрических соединений для второго варианта электропередачи.
Выбор выключателей на РУ
В цепи генераторов:
Imax
= 260/(1,73∙15,75∙ 0,85) = 11,213 кА
ВВГ – 20 – 160 /20000 У3
U ном
= 20 кВ, I ном
= 20 кА, I откл
= 160 кА
ОРУ 750 кВ:
Imax
= 1340/(1,73∙750∙0,99) = 1,042 кА
ВВБ – 750 – 40/3150У1
U ном
= 750 кВ, I ном
= 3,15 кА, I откл
= 40 кА
ОРУ 500 кВ:
Imax
= 1340/(1,73∙500∙0,99) = 1,563 кА
ВНВ – 500А – 40/3150У1
U ном
= 500 кВ, I ном
= 3,15 кА, I откл
= 40 кА
ОРУ 220 кВ:
Imax
= 600/(1,73∙220∙0,99) = 1,59 кА
ВВБК – 220Б – 56/3150У1
U ном
= 220 кВ, I ном
= 3,15 кА, I откл
= 56 кА.
3. Технико-экономическое сравнение двух вариантов электропередачи
Экономическим критерием определения наиболее рационального варианта является минимум приведенных затрат, которые вычисляются по следующей формуле:
3= Ен К∑
+И∑
+У, где
Ен
– нормативный коэффициент сравнительной эффективности капиталовложений;
Ен
= 0,12 (для энергетики срок окупаемости 8 лет);
К∑
- капиталовложения в сеть;
И∑
- издержки всей сети;
У – ущерб.
К∑
= Кл
+ Кп/ст
.
Кл
= Ко
· ℓ, где
Ко – удельная стоимость сооружения линий,
ℓ – длина линии, км
Кп/ст
= Кору
+ Ктр
+ Кку
+ Кпч
В расчете предварительно не учитывается стоимость компенсирующих устройств, т.е. Кку
= 0
Кору
= Корувн
+ Корусн
Ктр
- капиталовложение трансформаторов,
Кпч
– постоянная часть затрат
И∑
= И∑а.о.р.
+ И∑потери ээ
, где
И∑
- издержки всей сети;
И∑.о.р а.
- издержки амортизацию, обслуживание и ремонт;
И∑потери ээ
- издержки связанные с потерями электроэнергии.
И∑а.о.р
= Иа.о.р.л
+ И а.о р п/ст
И∑потери ээ
=Ипотери ээВЛ
+ Ипотери тр
Иа.о.р.вл
= ал
·кл
ал
– ежегодные издержки на амортизацию, обслуживание и ремонт воздушных линий в % от капиталовложений.
Ипотери ээ
= Ипотери ээ
ВЛ
+ И∑потери ээ
тр
, где
И а.о р п/ст
= а п/ст
· К п/ст
Расчет произведём для схем отличающихся частей вариантов схем 1 и 2.
Схема 1
З = Ен
· Кå
+ Иå
Кå
= Кå
вл
+ КГЭС
+ Кп/ст
1) Квл
= ко
· L
Квл
= к0(400))
· ℓ1
= 97∙630 = 43470 тыс. руб.
2) КГЭС
= Корувн
+ Ктр
+К пч
Корувн
= 3·700 = 2100 тыс. руб.
Ктр
= 2∙1980 = 3960 тыс. руб.
Кпч
= 6800 тыс. руб.
КГЭС
= 2100 + 3960 + 6800 = 12860 тыс. руб.
3) Кп/ст
= Кору вн 750
+Ктр 750
+ К пч 750
Кору вн 750
= 3·700 = 2100 тыс. руб.
Ктр 750
= 2∙2150 = 4300 тыс. руб.
Кп/ст
= 2100 + 4300 + 6800 = 13200 тыс. руб.
Тогда Кå
= 48500 + 12860 + 13200 = 74560 тыс. руб.
Иå
=Иå
а.о.р.
+ Иå
потери ээ
Иå
а.о.р.
= Иå
а.о.р.вл
+ Иå
а.о.р. ГЭС
+ Иå
а.о.р.н/ст
Иå
а.о.р.вл
= 0,028·43470 = 1217,16 тыс. руб.
Иå
а.о.р. ГЭС
= 0,078·12860 = 1003,08 тыс. руб.
Иå
а.о.р.п/ст
= 0,084·13200 = 1108,8 тыс. руб.
Иå
а.о.р
= 1217,16 + 1003,08 + 1108,8 = 3329,04 тыс. руб.
Определим издержки на потери электроэнергии в линии:
1)ΔWл1
= ΔР л1
τл1
·αt
, где αt
, = 1
ΔP л1
= S2
мах
/ U2
ном
Rл
= 1353,52
/7502
11,97 = 38,98 МВт
τл1
= (0,124 + Тмах.
/10000)2
8760
Wгод
= 1340∙2000 +1340∙0,7∙2500 +1340∙0,5∙2500 +1340∙0,3∙1760 = 7,408∙106
МВт·ч
Тмах
= Wгод
/Рмах
= 7,408∙106
/1340 = 5528 час.
τ л1
= (0,124 + 5528/10000)2
·8760 = 4012,59 час
ΔW л1
= 38,98 · 4012,59 = 156410,8 МВт·ч
ΔWкор л1
= 160∙630 = 100800 МВт·ч
Ипотери ээ
ВЛ
= ЗI
∙ΔWл1
+ ЗII
∙ΔWкор л1
= 2∙10-2
∙156410,8 + 1,75∙10-2
∙100800 = 4892,2 тыс. руб.
Определим издержки на потери энергии в трансформаторах:
Ипотери ээ
тр
= ЗI
∙ΔРк.з
(Sнг.мах.
/Sном.т
)2
.τт
+ ЗII
∙ΔР х.х
·8760
1) Т 750/10:
Ипотери ээ
тр 750/10
= 2∙10-2
∙1/2∙0,8∙(1353,5.
/1251)2
∙4012,59 + 1,75∙10-2
∙2·0,4·8760 = 160,22 тыс. руб.
2) Т 750/500/10:
Ипотери ээ
тр 750/500
= 2∙10-2
∙1/2∙0,7∙(1353,5.
/1251)2
∙ 4012,59 + 1,75∙10-2
∙2·0,28∙8760 = 118,73 тыс. руб.
Ипотери ээ
тр Σ
= 160,22 + 118,73 = 278,95 тыс. руб.
Ипотери ээ
Σ
= Ипотери ээ
ВЛ
+ Ипотери ээ
тр Σ
Ипотери ээ
Σ
= 4892,2 + 278,95 = 5171,15 тыс. руб.
И∑
= И∑а.о.р.
+ И∑потери ээ
И∑
= 3329,04 + 5171,15 = 8500,19 тыс. руб.
У = ω∙Тв
∙(Рнб
– Ррез
)∙εн
∙Уов
ω = 0,2∙10-2
∙630 = 1,26
εн
= (Рнб
– Ррез
)/Рнб
= (1340 – 470)/1340 = 0,649
Тв
= 1,7∙10-3
Уов
= 4,5 тыс. руб./кВт.
У = 1,26∙1,7∙10-3
∙870∙0,649∙4,5∙1000 = 5442,47 тыс. руб.
И тогда окончательно приведенные затраты на схему варианта 1 будут равны:
З = Ен
· Кå
+ Иå
+ У
З1
= 0,12·74560+ 8500,19 + 5442,47 = 22889,86 тыс. руб.
Схема 2
З = Ен
· Кå
+ Иå
+ У
Кå
= К л1
+ КГЭС
1) Кл1
= 2∙к0(500))
· ℓ1
= 2∙49,9∙630 = 62874 тыс. руб.
2) КГЭС
= Корувн
+ Ктр
+К пч
Корувн
= 6·260 = 1560 тыс. руб.
Ктр
= 2∙932 = 1864 тыс. руб.
Кпч
= 2400 тыс. руб.
КГЭС
= 1560 + 1864 + 2400 = 5824 тыс. руб.
Тогда Кå
= 62874 + 5824 = 68698 тыс. руб.
Иå
=Иå
а.о.р.
+ Иå
потери ээ
Иå
а.о.р.
= Иå
а.о.р.вл
+ Иå
а.о.р.ору вн ГЭС
Иå
а.о.р.вл
= 0,028·62874 = 1760,472 тыс. руб.
Иå
а.о.р. ГЭС
= 0,078·5824 = 454,272 тыс. руб.
Иå
а.о.р
= 1760,472 + 454,272 = 2214,744 тыс. руб.
1) Определим издержки на потери электроэнергии в линии:
ΔWл1
= ΔР л1
· τл1
· αt
, где αt
, = 1
ΔP л1
= (S2
мах
/ U2
ном
)∙ 0,5Rл
= 1353,52
/5002
·0,5·9,135 = 33,47 МВт
Wгод
= 7,408∙106
МВт·ч
Тмах
= Wгод
/Рмах
= 7,408∙106
/1340 = 5528 час.
τ л1
= (0,124 + 5528/10000)2
·8760 = 4012,5 час
ΔW л1
= 33,47 · 4012,5 = 134298,37 МВт·ч
ΔWкор л1
= 2∙60∙630 = 75600 МВт·ч
ЗI
= 2 коп/(кВт∙час), ЗII
= 1,75 коп/(кВт∙час)
Ипотери ээ
ВЛ
= ЗI
∙ΔWл1
+ ЗII
∙ΔWкор л1
= 2∙10-2
∙134298,37+ 1,75∙10-2
∙75600 = 4008,97 тыс. руб.
2) Определим издержки на потери энергии в трансформаторе 500/10:
Ипотери ээ
тр
= ЗI
∙ΔР к.з
(Sнг.мах.
/Sном.т
)2
.τт
+ ЗII
∙ΔР х.х
·8760
Ипотери ээ тр
= 2∙10-2
∙1/2∙2(1353,5.
/2000)2
∙4012,5+1,75∙10-2
∙2∙0,6·8760 = 220,714 тыс. руб.
Ипотери ээ
Σ
= Ипотери ээ
ВЛ
+ Ипотери ээ
тр
Ипотери ээ
Σ
= 4008,97 + 220,714 = 4229,684 тыс. руб.
И∑
= И∑а.о.р.
+ И∑потери ээ
И∑
= 2214,744 + 4229,684 = 6444,428 тыс. руб.
И тогда окончательно приведенные затраты на схему варианта 2 будут равны:
З2
= 0,12·68698 + 6444,428 = 14688,188 тыс. руб.
Сравним приведенные затраты для схем 1 и 2
З1
= 22889,86 тыс. руб.
. З2
= 14688,188 тыс. руб.
Оценим эту разницу в %: ε = (22889,86 – 14688,188) ·100% /22889,86 = 36%
Т.о. схема 2 обходится значительно дешевле, нежели схема 1, поэтому по технико-экономическим показателям наиболее рациональным вариантом схематического исполнения электропередачи является вариант 2 и весь дальнейший расчёт ведётся именно для этого варианта.

Рис 2.3 Схема замещения электропередачи.
Рассчитаем параметры схемы замещения.
Линия 13АС 330/43.
Сопротивления на одну цепь:
Rл1
= КR
∙ℓ∙r0
= [1 – (0,664)2
/3]∙630∙0,029 = 15,58 Ом
Xл1
= КХ
∙ℓ∙x0
=[1 – (0,664)2
/6]∙630∙0,308 = 179,78 Ом
Вл1
= КВ
∙ℓ∙b0
=[1 + (0,664)2
/12]∙630∙3,6∙10–6
= 2,351 ∙10–3
См
Где 0,664 = β0
∙ℓ , где ℓ = 630 км и
Линия 2
3АС 330/43.
Сопротивления на одну цепь:
Rл1
= КR
∙ℓ∙r0
= [1 – (0,443)2
/3]∙420∙0,029 = 11,38 Ом
Xл1
= КХ
∙ℓ∙x0
=[1 – (0,443)2
/6]∙420∙0,308 = 125,13 Ом
Вл1
= КВ
∙ℓ∙b0
=[1 + (0,443)2
/12]∙420∙3,6∙10–6
= 1,537∙10–3
См
Где 0,443 = β0
∙ℓ , где ℓ = 420 км.
3. Расчёт нормальных, послеаварийного и особых режимов электропередачи





Произведём расчёт линии 2.

Произведём проверку режима:
1) UННдоп
min
= 10,45кВ <UНН
= 10,46 кВ < UННдоп
max
=11,55кВ
2) UСН
max
= 195,5≤ UСН
= 228,731≤ UСНдоп
max
= 264,5кВ
3) UГдоп
min
=14,96 кВ < Uг
= 15,104 кВ < UГдоп
max
=16,54 кВ
4) cosφг
= 0,956 > cosφгном
= 0,85
5) kз1
= 124,5 % >20% ; kз2
= 197,49 % >20%
kз1
= (Рпр1
– Р0
)/ Р0
= (U1
∙U2
/Xл1
– Р0
)/Р0
= (525∙515/89,89 – 1340)/1340 = 124,5 %
kз2
= (Рпр2
– Р0
)/ Р0
= (U2
∙Uсис
/Xл2
– Рсис
)/Рсис
= (515∙492,533/125,13– 681,421)/681,421 = 197,49 %
Расчёт режима наименьшей передаваемой мощности
По условию в данном режиме, мощности, передаваемые по линиям, составляют 30 % номинальных. Поэтому в режиме НМ отключена одна из цепей на головной ВЛ, одна из групп АОДЦТН 167000/500/220 на промежуточной подстанции, один блок на ГЭС и устройства УПК.



С целью поднятия напряжения на шинах ГЭС и подстанции предусмотрена установка двух групп реакторов 3xРОДЦ – 60/500 в начале головной линии и одной группы в конце.
В данном режиме U1
= 500 кВ.
Зададимся напряжением: U2 = 500 кВ и произведём расчёт режима НМ.



Произведём расчёт линии 2.
Учитывая посадку напряжения на шинах системы, устанавливаем группу реакторов 3хРОДЦ – 60/500.

Произведём проверку режима
1) UННдоп
min
= 10,45кВ <UНН
= 10,869 кВ < UННдоп
max
= 11,55кВ
2) UСН
= 195,5< UСН
max
= 227,826<UСНдоп
max
= 264,5кВ
3) UГдоп
min
=14,96 кВ < Uг
= 15,135 кВ < UГдоп
max
= 16,54 кВ
4) cosφг
= 0,98 > cosφгном
= 0,85
5) kз1
= 245,9 % >20%; kз2
= 838 %>20%
kз1
=(Рпр1
– Р0
)/ Р0
= (U1
∙U2
/Xл1
– Р0
)/Р0
=(500∙500/179,78 – 402)/402 = 245,9 %
kз2
= (Рпр2
– Р0
)/ Р0
=(U2
∙Uсис
/Xл2
– Рсис
)/Рсис
=(500∙488,1/125,13 – 207,9)/207,9 = 838 %
Расчёт послеаварийного режима
В качестве послеаварийного режима рассматриваем отключение одной цепи линии Л-1.
При этом по линии Л-1 протекает мощность P0
= 1340 МВт, что больше натуральной мощности линии 500кВ (Pc
=852,82МВт), поэтому принимаем напряжение в начале линии U1
= 1,05∙Uном
= 525 кВ; учтём резерв и УПК.
Напряжение в конце линии Л-1 принимаем U2
= 490 кВ.






Для выработки необходимой реактивной мощности предусматривается установка двух СК типа КСВБ0-100-11.
В данном случае считаем, что вторая линия генерирует часть своей зарядной мощности на подстанцию, соответственно другая её часть поступает в систему.

Произведём проверку режима:
1) UННдоп
min
= 10,45кВ <UНН
= 10,524 кВ < UННдоп
max
=11,55кВ
2) UСН
= 195,5 кВ < UСН
= 231,364 кВ < UСНдоп
max
= 264,5кВ
3) UГдоп
min
=14,96 кВ < Uг
= 16,04 кВ < UГдоп
max
=16,54 кВ
4) cosφгном
= 0,961 > cosφгном
= 0,85
5) kз1
=64,27 % >20 %; kз2
=509%>20%
kз1
=(Рпр1
– Р0
)/ Р0
= (U1
∙U2
/Xл1
– Р0
)/Р0
=(525∙490/87 –1800)/1800 = 64,27 %
kз2
= (Рпр2
– Р0
)/ Р0
=(U2
∙Uсис
/Xл2
– Рсис
)/Рсис
=(490∙481,88/66,82 – 580)/580 = 509 %
Рассчитанные основные рабочие режимы электропередачи требуют установки
УПК 40%, двух синхронных компенсаторов типа КСВБ0-100-11, одной группы реакторов 3∙РОДЦ – 60 в начале линии 1 и трёх групп реакторов 3∙РОДЦ – 60 в начале линии 2
Расчёт режима синхронизации на шинах промежуточной подстанции
Рис 3.1 Схема замещения электропередачи в режиме синхронизации на шинах промежуточной подстанции
В этом случае линия головного участка электропередачи включена со стороны станции и отключена со стороны промежуточной подстанции. При этом приемная подстанция питается от приемной системы по второму участку электропередачи. Напряжение на шинах подстанции определяется обычным путем, исходя из того, что синхронизация осуществляется в режиме максимальных нагрузок.
Рассчитаем участок электропередачи система – промежуточная подстанция.
Параметры схемы замещения :

Принимаем Рсистемы
= 1,05∙Рп/ст
= 1,05∙1100 = 1155 МВт, Uсис
= 510 кВ
Р′′л2
= Рсистемы
– ΔРк2
/2 = 1155 – 6,3/2 = 1151,85 МВт
Q′′л2
= Q′′з2
/2 = Uсис
2
∙Y2
/2 = 474,42 Мвар
Определим значение Q′′л2
, при котором U2
будет не более 500 кВ.
Q′′л2
= [(Uсис
– U2
)∙ Uсис
– Р′′л2
∙R2]/X2 = [(510 – 500)∙510 – 1151,85∙7,015]/66,82
Q′′л2
= – 44,6 Мвар
Устанавливаем в конце второй линии три группы реакторов 3∙РОДЦ – 60 общей мощностью 3∙180∙( Uсис
/525)2
= 509,58 Мвар
Q′′л2
= 474,42 – 509,58 = – 35,58 Мвар
Р′л2
= Р′′л2
– [Р′′л2
2
+ Q′′л2
2
]∙ R2/ Uсис
2
= 1151,85 – [1151,852
+ 35,582
]∙ 7,015/ 5102
Р′л2
= 1116 МВт
Q′л2
= Q′′л2
– [Р′′л2
2
+ Q′′л2
2
]∙ Х2/ Uсис
2
= –35,58 – [1151,852
+ 35,582
]∙ 66,82/ 5102
Q′л2
= – 376,75
U2
= Uсис
– ( Р′′л2
∙R2+ Q′′л2
∙X2)/ Uсис
= 510 – (1151,85 ∙7,015– 35,58 ∙66,82)/510
U2
= 498,86 кВ.
Далее проверим напряжения на НН и СН подстанции.
Рат
= Р′л2
– ΔРк2
/2 = 1116 – 6,3/2 = 1112,85 МВт
Qат
= Q′л2
+ U2
2
∙Y2
/2 = – 376,75 + 498,822
∙3, 648∙10-3
/2 = 77,1 Мвар



Оставшийся дефицит реактивной мощности покрывают два синхронных компенсатора установленных ранее по условию работы электропередачи в режиме наибольших нагрузок.
Uнн
= 11,045 < Umax
ск
= 11,55 кВ.
Следовательно, режим допустим.
Теперь рассчитаем первый участок электропередачи.
Вторая цепь линии Л-1 отключена, на ГЭС в работе 1 генератор и 1 блочный трансформатор.
Для синхронизации необходимо чтобы напряжения на отключённом конце головного участка и на шинах промежуточной подстанции были равны.
U2
= 498,86 кВ.
U2
= U1
/cos(β0
∙L) = 525/ cos(1,052∙10–3
∙500∙180/3,14) = 607,15 кВ
Для уменьшения напряжения на открытом конце головного участка ставим реакторы в конце головной линии.
Определим необходимое количество этих реакторов:

Т. о. устанавливаем две группы реакторов 3∙РОДЦ – 60.
Тогда

Что равно напряжению на шинах промежуточной подстанции, питающейся от системы.
Определим возможность существования такого режима для генератора.
а) ЛЭП – 1

Qр
= 2∙180∙ (U2хх
/525)2
= 2∙180∙ (497,868/525)2
= 323,75 Мвар
Q′′л1
= Qр
– U2хх
2
∙Y1
/2 = 323,75 – 497,8682
∙1,862∙10–3
/2 = 92,98 Мвар
Q′л1
= Q′′л1
+ Q′′л1
2
∙Х1
/ U2хх
2
= 92,28 + 92,282
∙145/ 497,8682
= 97,26 Мвар
Qл1
= Q′л1
– U1
2
∙Y1
/2 = 97,26 – 5252
∙1,862∙10–3
/2 = –159,35 Мвар
Для уменьшения Uг
ставим в начале головной линии одну группу реакторов 3∙РОДЦ – 60 общей мощностью в 180 Мвар.
Тогда Qл1
= –159,35 + 180 = 20,65 Мвар.

Qг
= Qл1
+ Qл1
2
∙Хт1
/ U1
2
= 20,65 + 20,652
∙61,3/5252
= 20,745 Мвар


Iг
= 0,764 кА < Iг ном
= 10,997 кА
Исследуем возможность самовозбуждения генератора.
Хс
= 1/[j∙Y1
/2] = 1/[ j∙1,862∙10–3
/2] = – j∙1074,11 Ом
Хр
= j∙ Uном
2
/Qр
= j∙ 5252
/180 = j∙1531,25 Ом
Х1
= Zл1
+Хс
∙Хр
/(Хс
+Хр
)= 9,08+ j∙145– j∙1074,11∙ j∙1531,25/(–j∙1074,11+j∙1531,25)
Х1
= 9,08 – j∙819,26 Ом
Zвнеш
=Хс
∙Х1
/(Хс
+Х1
) = – j∙1074,11∙[9,08–j∙819,26] /(– j∙1074,11+ 9,08– j∙819,26)
Zвнеш
= 0,511 – j∙819,26 Ом
Хd
= Х
d
∙Uном
2
/Sном
+ j∙Хт1
= j∙1,31∙5002
/353 + j∙61,3 = j 989 Ом
Zвн
носит емкостной характер => возможно самовозбуждение генератора.
Т.к. Xd
= 989 Ом < Xвн
= 819,26 Ом, то рабочая точка попадает в зону самовозбуждения.
Для устранения самовозбуждения установим ещё одну группу реакторов
в начале головной линии.
Тогда Qл1
= –159,35 + 360 = 200,65 Мвар.
Qг
= Qл1
+ Qл1
2
∙Хт1
/ U1
2
= 200,65 + 200,65 2
∙61,3/5252
= 209,6 Мвар

Напряжение генератора находится в допустимых пределах.


Iг
=8,04 кА < Iг ном
= 10,997 кА
Следовательно, генератор не перегружен по току.Исследуем возможность самовозбуждения генератора.
Хс
= 1/[j∙Y1
/2] = 1/[ j∙1,862∙10–3
/2] = – j∙1074,11 Ом
Хр
= j∙ Uном
2
/(2∙Qр
) = j∙ 5252
/360 = j∙765,625 Ом
Х1
= Zл1
+Хс
∙Хр
/(Хс
+Хр
)= 9,08+ j∙145– j∙1074,11∙ j∙1531,25/(–j∙1074,11+j∙765,625)
Х1
= 9,08 + j∙2,811 Ом
Zвнеш
=Хс
∙Х1
/(Хс
+Х1
)+j∙Хт1
= – j∙1074,11∙[9,08 + j∙2,811] /(– j∙1074,11+ 9,08 + j∙2,811)
Zвнеш
= 3,473 – j∙1738+ j∙61,3 = 0.511 – j∙1677
Хd
= Х
d
∙Uном
2
/Sном
= 1,31∙5002
/353 = 927,76 Ом
Zвн
носит емкостной характер => возможно самовозбуждение генератора, но т.к. Xd
= 989 <Xвн
= 1677Ом, то рабочая точка не попадает в зону самовозбуждения.
 Рис.3.2 Зоны самовозбуждения генератора
Расчет режима синхронизации на шинах передающей станции
В этом случае линия, через которую осуществляется синхронизация, включена со стороны промежуточной подстанции и отключена со стороны ГЭС.
Значения U2
, PC
, QC
берем из предыдущего режима:
U2
=497,87кВ, PC
=559,3МВт, QC
=10,56Мвар
U1хх
= U2
/cos(β0
∙ℓ) = 498,86 /cos(1,052∙10–3
∙500∙180/3,14) = 575,69 кВ.
Необходимо, чтобы U1хх
≤ 525 кВ.
Для понижения напряжения на холостом конце головного участка ставим там реакторы. Yр
= 180/5252
= 6,53∙10–4
См

Т. о . в начале головной линии устанавливаем одну группу реакторов 3∙РОДЦ – 60 общей мощностью в 180 Мвар.


Q′л1
= U1хх
2
∙Y1
/2 – Qр
= 519,712
∙1,862∙10–3
/2 – 180 = 71,46 Мвар
Q′′л1
= Q′л1
– Q′л1
2
∙Х1
/U1хх
2
= 71,46 – 71,462
∙145/ 519,712
= 68,72 Мвар
Q2
= Q′′л1
+ U2
2
∙Y1
/2 = 68,72 + 498,872
∙1,862∙10–3
/2 = 300,4 Мвар
Рпс
= Рсис
= 1112,85 МВт
Qсис
= 77,1 Мвар
Qат
= Q2
+ Qсис
= 300,4 + 77,1 = 377,5 Мвар
U′2
= U2
– Qат
∙Хт2
/ U2
= 498,87 – 377,5 ∙19,9/498,87 = 483,81 кВ
Uсн
= U′2
/Ктр
= 483,81∙230/500 = 222,55 кВ
Q′ат
= Qат
– [Рсис
2
+ Qат
2
]∙ Хт2
/ U2
2
= 377,5 – [1112,85 2
+ 377,5 2
]∙19,9/ 498,872
Q′ат
= 267 Мвар
Q′нн
= Q′ат
– Qатс
= 267 – 221,334 = 45,67 Мвар
Uнн
= [U′2
– Q′нн
∙Хтн2
/ U′2
]∙11/500 = [483,81 – 45,67∙37,8/483,81]∙11/500 =10,56 кВ
Qнн
= Q′нн
– Хтн2
∙(Q′нн
/ U′2
)2
= 45,97 – 37,8∙(45,67/483,81)2
= 45,63 Мвар
Учтём, что у нас уже имеются синхронные компенсаторы КСВБ0-100-11. В данном режиме они будут потреблять реактивную мощность.
Таким образом, наиболее тяжелым режимом для СК является послеаварийный режим: необходимо установить 2xКСВБ-100-11.
Для обеспечения всех режимов необходимо установить 8 групп реакторов 8x3xРОДЦ-60/500.
4. О
ПРЕДЕЛЕНИЕ ТЕХНИКО-ЭКОНОМИЧЕСКИХ ПОКАЗАТЕЛЕЙ ЭЛЕКТРОПЕРЕДАЧИ
В процессе проектирования электропередачи была выявлена необходимость установки дополнительных устройств:
Двух СК КСВБ-320/20, восьми групп реакторов 3хРОДЦ-60000/500
Учтём эти устройства при расчёте кап. вложений в электропередачу.
З = Ен
· Кå
+ Иå
Кå
= К л1
+ К л2
+ КГЭС
+ КП/СТ
1) Кл1
= 2∙к0(500))
· ℓ1
= 2∙63,5∙500 = 63500 тыс. руб.
2) Кл2
= 2∙к0(300))
· ℓ2
= 2∙48,4∙450 = 43560 тыс. руб.
3) КГЭС
= Корувн
+ Ктр
+К пч
Корувн
= 6·260 = 1560 тыс. руб.
Ктр
= 4∙705 = 2820 тыс. руб.
Кпч
= 4100 тыс. руб.
КГЭС
= 1560 + 2820+ 4100 = 8480 тыс. руб.
4) КП/СТ
= КОРУ ВН
+ КОРУ СН
+ КТР
+ К пч
+ ККУ
КОРУ ВН
= 260∙6 =1560 тыс. руб.
КОРУ СН
= 110∙12 =1320 тыс. руб.
КТР
= 2∙1260 = 2520 тыс. руб.
К пч
= 2800 тыс. руб.
ККУ
= КР
+ КСК
ККУ
= 380∙8 + 1150 = 4190 тыс. руб.
КП/СТ
= 1560 + 1320 + 2520 + 2800 + 4190 = 12390 тыс. руб.
Тогда Кå
= 63500 +43560+ 8480 + 12390 = 127930 тыс. руб.
Иå
=Иå
а.о.р.
+ Иå
потери ээ
Иå
а.о.р.
= Иå
а.о.р.вл
+ Иå
а.о.р.ору вн ГЭС
+ Иå
а.о.р.п/ст
Иå
а.о.р.вл
= 0,028·(63500 +43560) = 2997,7 тыс. руб.
Иå
а.о.р. ГЭС
= 0,078·8480 = 661,44 тыс. руб.
Иå
а.о.р.п/ст
= 0,084∙12390 = 1040,76 тыс. руб.
Иå
а.о.р
= 2997,7 + 661,44 + 1040,76 = 4699,9 тыс. руб.
Ипотери ээ
Σ
= Ипотери ээ
ВЛ
+ Ипотери ээ
тр
1) Определим издержки на потери электроэнергии в линиях:
а) в линии 1:
ΔWл1
= ΔР л1
· τ л1
· α t
, где α t
, = 1
ΔP л1
= (S2
мах
/ U2
ном
)∙ 0,5Rл
= 23472
/5002
·5 = 110,17 МВт
Wгод
= 1,294∙107
МВт·ч
Тмах
= Wгод
/Рмах
= 1,294∙107
/2300 =5626 час.
τ л1
= (0,124 + 5626/10000)2
·8760 = 4129,6 час
ΔW л1
= 110,17 · 4129,6 = 454950 МВт·ч
ΔWкор л1
= 2∙35∙500 = 35000 МВт·ч
Ипотери ээ
ВЛ1
= ЗI
∙ΔWл1
+ ЗII
∙ΔWкор л1
= 2∙10-2
∙454950+ 1,75∙10-2
∙35000 =
9711,5 тыс. руб.
б) в линии 2:
ΔWл1
= ΔР л1
· τ л1
· α t
, где α t
, = 1
ΔP л1
= (S2
мах
/ U2
ном
)∙ 0,5∙Rл
= 12242
/5002
·7,015 = 42,04 МВт
Тмах
= 5626 час.
τ л2
= 4129,6 час
ΔW л1
= 42,04 · 4129,6 = 173608 МВт·ч
ΔWкор л1
= 2∙60∙450 = 54000 МВт·ч
ЗI
= 2 коп/(кВт∙час), ЗII
= 1,75 коп/(кВт∙час)
Ипотери ээ
ВЛ2
= ЗI
∙ΔWл1
+ ЗII
∙ΔWкор л1
= 2∙10-2
∙173608+ 1,75∙10-2
∙54000 =
4417,2 тыс. руб.
Тогда Ипотери ээ
ВЛ
= Ипотери ээ
ВЛ1
+ Ипотери ээ
ВЛ2
=9711,5 + 4417,2 =14128,66 тыс. руб.
2)Определим издержки на потери энергии в трансформаторах
а) в трансформаторах ГЭС 500/10:
Ипотери ээ
тр ГЭС
= ЗI
∙ΔР к.з
(Sнг.мах.
/Sном.т
)2
.τ т
+ ЗII
∙ΔР х.х
·8760
Ипотери ээ
тр ГЭС
= 2∙10-2
∙1/4∙0,121(2346.
/1251)2
∙4129,6 + 1,75∙10-2
∙4∙0,42 ·8760 =266,33 тыс. руб.
б) в трансформаторах промежуточной подстанции 500/220/10:
Ипотери ээ
тр п/ст
= ЗI
∙ΔР к.з
(Sнг.мах.
/Sном.т
)2
.τ т
+ ЗII
∙ΔР х.х
·8760
Ипотери ээ
тр п/ст
= 2∙10-2
∙1/6∙0,49∙(1122,45.
/1602)2
∙4129,6 + 1,75∙10-2
∙6∙0,15 ·8760 =141,28 тыс. руб.
Ипотери ээ
тр
= Ипотери ээ
тр ГЭС
+ Ипотери ээ
тр п/ст
= 266,33 + 141,28 = 407,61 тыс. руб.
Ипотери ээ
Σ
= Ипотери ээ
ВЛ
+ Ипотери ээ
тр
= 14128,66 + 407,61 = 14536,27 тыс. руб.
И∑
= И∑а.о.р.
+ И∑потери ээ
И∑
= 4699,9 + 14536,27 = 19236,2 тыс. руб.
И тогда окончательно приведенные затраты на схему варианта 2 будут равны:
З = Ен
· Кå
+ Иå
З = 0,12· 127930+ 19236,2 = 34587,8 тыс. руб.
Найдём себестоимость передачи электрической энергии сети:
С = Иå
/Wгод
С = 19236,2 /1,294∙107
= 1,5 руб./МВт·ч = 0,15 коп/кВт∙ч
СПИСОК ЛИТЕРАТУРЫ
1. Правила устройства электроустановок. - М.: Энергоатомиздат, 1986 – 648 с.: ил. М.:Энергоатомиздат, 1987.
2. Неклепаев Б.Н., Крючков И.П. Электрическая часть электростанций и подстанций: Справочные материалы для курсового и дипломного проектирования: Учебное пособие для вузов– 4-е изд., перераб. и доп. – М.: – Энергоатомиздат, 1989 – 608 с.: ил.
3. Справочник по проектированию электроэнергетических систем/В. В. Ершевич, А. Н. Зейлингер, Г. А. Илларионов и др.; Под ред. С. С. Рокотяна и И. М. Шапиро. – 3-е изд., перераб. и доп. – М.: Энергоатомиздат, 1985 – 352 с.
4.Веников В.А.,Рыжов Ю.П. Дальние электропередачи переменного и постоянного тока.– М.: Энергоатомиздат, 1985.–272 с.
5.Режимы дальних электропередач в примерах/Зарудский Г.К., Путятин Е.В.,
Рокотян И.С. и др.: Ред. Ю.П.Рыжов.–М.: Моск.энерг.ин-т, 1985.–180 с.
|