Інструкційна картка №1
для самостійного опрацювання навчального матеріалу з дисципліни «Основи електроніки та мікропроцесорної техніки»
І. Тема:
1 Фізичні властивості електроніки
1.1 Основи електронної теорії
Мета: Формування потреби безперервного, самостійного поповнення знань; розвиток творчих здібностей та активізації розумової діяльності.
ІІ. Студент повинен знати:
- Що називається роботою виходу електрону;
- Як визначається робота виходу;
- Види електронної емісії;
- Рух електрона в однорідному електричному полі;
- Рух електрона в однорідному магнітному полі.
ІІІ. Студент повинен уміти:
- Виконувати розрахунки роботи виходу;
- Відрізняти види електронної емісії;
- Використовувати рух електронів в електричному і магнітному полях.
ІV. Дидактичні посібники:
Методичні вказівки до опрацювання.
V. Література:
[3, с. 7-8], [4, с. 5-12].
VІ. Запитання для самостійного опрацювання:
1. Робота виходу електронів.
2. Види електронної емісії.
3. Рух електронів в електричному і магнітному полях.
VІІ. Методичні вказівки до опрацювання:
Теоретична частина.
VІІІ. Контрольні питання для перевірки якості засвоєння знань:
1. Що таке робота виходу електронів, що вона характеризує?
2. Що таке термоелектронна, фотоелектронна, електростатична та вторинна електронна емісія?
3. В чому полягає суть фізичних процесів руху електрона в однорідному електричному та магнітному полях?
ІХ. Підсумки опрацювання:
Підготував викладач:
Бондаренко І.В.
Теоретична частина: Основи електронної теорії
План:
1. Робота виходу електронів.
2. Види електронної емісії.
3. Рух електронів в електричному і магнітному полях.
Література
1. Робота виходу електронів
Принцип дії електронних приладів заснований на явищі електронної емісії - процесі виходу електронів з поверхні твердого тіла у вакуум.
Як відомо, вільні електрони в провідних матеріалах знаходяться в безперервному хаотичному русі. За звичайних умов електрони не можуть вийти за межі поверхні тіл, оскільки цьому перешкоджають електричні сили взаємодії електрона з тілом. Щоб електрон вилетів за межі металу, він повинен володіти енергією, достатньою для подолання сил, що утримують його в металі. Внутрішній енергії електрона для цього недостатньо. Тому йому потрібно надати додаткову енергію ззовні. Найменша додаткова енергія, яку необхідно надати електрону ззовні для подолання сил, що утримують його в металі, називається роботою виходу і позначається W0
.
Вона вимірюється в електронвольтах. Робота виходу є однією з основних характеристик електронної емісії. Чим менше W0
,
тим краще емісійні властивості матеріалу. Значення роботи виходу для різних металів, використовуваних в електронних приладах, коливається в межах від 1,8 еВ для цезію до 4,5 еВ для вольфраму.
Залежно від виду додаткової енергії, використовуваної для того, щоб електрони могли зробити роботу виходу, розрізняють декілька видів електронної емісії: термоелектронну, фотоелектронну, вторинну і електростатичну.
2. Види електронної емісії
Термоелектронною емісією
називається процес випромінювання електронів з поверхні нагрітого металу. Цей вид електронної емісії широко використовується в електровакуумних і деяких іонних приладах. При нагріванні металу електрони отримують додаткову енергію, швидкість електронів, а отже, їх кінетична енергія зростає, і деяке число електронів долає сили, що перешкоджають їх виходу з металу в зовнішній простір. Чим вище температура і менше робота виходу металу, тим більше число електронів володітиме енергією, достатньою для подолання сил, що перешкоджають виходу електронів з металу.
Фотоелектронною емісією
називається процес виходу електронів з поверхні металу, що опромінюється променистою енергією. Явище фотоелектронній емісії носить назва зовнішнього фотоефекту. За рахунок поглиненої енергії світлового потоку збільшується енергія електронів в металі. При цьому електрони, що отримали енергію, достатню для здійснення роботи виходу, вилітають за межі металу, створюючи потік вільних електронів.
Фотоелектронна емісія може виникати при опромінюванні металу променями видимого спектру, інфрачервоними, ультрафіолетовими і рентгенівськими. Цей вид емісії використовується у фотоелементах, фотопомножувачах і в телевізійних трубках.
Вторинна електронна емісія
- це емісія електронів з поверхні металу при опромінюванні його потоком електронів. Якщо електрони, рухомі з великою швидкістю, ударяються об поверхню металу, то їх кінетична енергія руху передається електронам металу. Електрони, що отримали необхідну додаткову енергію, вилітають з поверхні металу. При цьому електрони, падаючі на поверхню металу, називаються первинними, а що вилітають з металу - вторинними.
Струм вторинної емісії залежить від властивостей металу, стану його поверхні, швидкості і кута падіння первинних електронів. Кількісно вторинна емісія оцінюється коефіцієнтом вторинної емісії а, рівним відношенню кількості вторинних електронів n2
до кількості первинних електронів n1
Цей вид емісії використовується в електронних помножувачах і деяких спеціальних радіолампах. У деяких лампах вторинна емісія порушує нормальну їх роботу.
Електростатична (автоелектронна) емісія
– це емісія електронів з поверхні металу (холодного) під дією сильного прискорюючого електричного поля (106
-108
В/см). Дія зовнішнього електричного поля еквівалентна зменшенню роботи виходу електрона. Під дією цього поля відбувається як би виривання електронів з металу. Цей вид емісії використовується в рентгенівських трубках, а також в деяких, газорозрядних і напівпровідникових приладах.
3. Рух електронів в електричному і магнітному полях
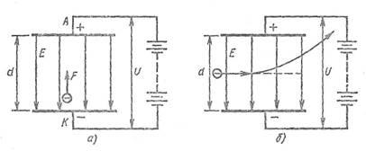
Рух електрона в однорідному електричному полі
У електронних приладах рух вільних електронів відбувається під дією електричних або магнітних полів. Залежно від напряму початкової швидкості електрона електричне поле може його рух прискорювати, гальмувати або змінювати напрям.
Для з'ясування фізичних процесів розглянемо рух електрона в однорідному електричному полі. Уявимо собі, що в балоні, в якому створений вакуум, розташовані два взаємно паралельних електроду - катод К
і анод А
(мал. 1.1, а).

Мал. 1.1
Якщо до цих електродів приєднати батарею з напругою плюсом до анода і мінусом до катода, то в просторі між анодом і катодом буде створено електричне поле з напруженістю

де U -
різницяпотенціалів, d -
відстаньміж електродами.
Якщо в електричне поле з напруженістю Е
помістити електрон, заряд якого рівний е,
то на нього діятиме сила електричного поля, рівна добутку заряду на напруженість поля:

Сила електричного поля направлена від катода до анода.
Якщо початкова швидкість електрона рівна нулю і співпадає з напрямом сили електричного поля, то електрон, поміщений в дане поле, зазнає прискорення і переміщатиметься з точок з меншим потенціалом до точок з вищим потенціалом. При цьому швидкість електрона і його кінетична енергія зростатимуть. Рух електрона буде рівномірно прискореним, тому таке поле називають прискорюючим.
На підставі закону збереження енергії приріст кінетичної енергії електрона повинен дорівнювати роботі, яку здійснює електричне поле при переміщенні електрона, тобто

де m
- маса електрона; υн
, υ
- початкова і кінцева швидкості електрона; U=U2
– U1
-
різниця потенціалів, пройдена електроном, в електричному полі.
Якщо початкова швидкість електрона рівна нулю, то електрон рухатиметься тільки під дією сили поля. В цьому випадку кінетична енергія електрона визначається виразом

З (1.4) можна визначити швидкість електрона в кінці його шляху

Підставляючи е/т=
1,759·1011
К/кг, отримаємо вираз для швидкості електрона при русі його в прискорюючому електричному полі:

З (1.6) витікає, що швидкість руху електрона умовно можна виражати не тільки в км/с, але і у В.
Для визначення часу прольоту електрона в однорідному прискорюючому полі виразимо силу електричного поля через масу і прискорення:

Звідси

Шлях, пройдений електроном за час t,
можна визначити з виразу d=at2
/2,
сюди підставимо значення з (1.7), отримаємо

звідки

Підставивши в отриманий вираз значення m
і е,
отримаємо формулу для визначення часу прольоту електрона:

Час прольоту t
дуже малий, в багатьох практичних електронних пристроях не враховується, звідси електронну лампу можна вважати безінерційним приладом.
Якщо під дією початкової швидкості електрон рухається уздовж напряму ліній поля (від точок з великим потенціалом до точок з меншим потенціалом), то він здійснює роботу проти сил поля, при цьому його швидкість і запас кінетичної енергії зменшуються і він рухається прямолінійно і рівносповільнено. Поле, в якому електрон здійснює рівносповільнений рух, називають гальмуючим
.
При повній втраті кінетичної енергії швидкість електрона впаде до нуля і він під дією сили поля рухатиметься рівноприскорено у зворотному напрямі, набуваючи втраченої кінетичної енергії.
Коли вектор початкової швидкості електрона перпендикулярний напряму дії сили електричного поля (мал. 1.1,6), траєкторія руху електрона матиме вид параболи. Таке поле називають поперечним.
Рух електрона в однорідному магнітному полі
У ряді електронних приладів управління траєкторією руху електронів здійснюється за допомогою сил магнітного поля. Дія магнітного поля на електрон аналогічно дії магнітного поля на провідник із струмом.
Сила, з якою діє магнітне поле на провідник із струмом, визначається виразом

де F -
механічнасила, що діє на провідник завдовжки l
; В
- магнітна індукція; i
- електричний струм в провіднику; α
- кут між напрямом струму в провіднику і напрямом силових ліній магнітного поля.

Мал. 1.2 Мал. 1.3
Якщо струм для одного електрона рівний i=e/t
і в даному виразі чисельник і знаменник помножити на швидкість руху електрона v,
то (1.9) можна представити у вигляді F=Bev sinα.
Аналізуючи отриманий вираз, можна зробити наступний висновок, що на нерухомий електрон і електрон, що переміщається уздовж ліній поля, магнітне поле не діє. Сила магнітного поля на рухомий електрон буде максимальною, коли він переміщається перпендикулярно напряму сил магнітного поля Fmax
= Bev.
Напрям цієї сили визначається за правилом лівої руки. Сила F
завжди перпендикулярна напряму швидкості електрона (мал. 1.2). Тому магнітне поле не змінює швидкості електрона, а змінює його напрям.
Якщо електрон входить в однорідне магнітне поле під кутом 90° до силових ліній, то він рухатиметься по колу, лежачому в площині, перпендикулярній лініям поля (мал. 1.2). Коли кут α не рівний 90°, то швидкість електрона може бути розкладена на дві складові vH
і v
(мал. 1.3).
Перша складова швидкості vH
перпендикулярна напряму сил поля і примусить електрон обертатися по колу. Друга складова швидкості електрона направлена уздовж сил магнітного поля і тому з ним не взаємодіє. В результаті дії два складових електрон переміщатиметься по спіралі.
Таким чином, магнітне поле не змінює енергії рухомого електрона, а змінює тільки траєкторію його руху. Це властивість магнітного поля використовується в електронно-променевих трубках і інших електронних приладах.
Контрольні запитання:
1. Що таке робота виходу електронів, що вона характеризує?
2. Що таке термоелектронна,фотоелектронна, електростатична та вторинна електронна емісія?
3. В чому полягає суть фізичних процесів руху електрона в однорідному електричному та магнітному полях?
Інструкційна картка №2 для самостійного опрацювання навчального матеріалу з дисципліни «Основи електроніки та мікропроцесорної техніки»
І. Тема:
1 Фізичні властивості електроніки
1.2 Електрофізичні властивості напівпровідників
Мета: Формування потреби безперервного, самостійного поповнення знань; розвиток творчих здібностей та активізації розумової діяльності.
ІІ. Студент повинен знати:
- Види пробою;
- Температурні і частотні характеристики переходу;
- Еквівалентну схему р-п-переходу;
- Способи створення р-п-переходу.
ІІІ. Студент повинен уміти:
- Перевіряти справність р-п-переходу;
- Використовувати основні властивості р-п-переходу.
ІV. Дидактичні посібники:
Методичні вказівки до опрацювання.
V. Література:
[2, с. 50-61].
VІ. Запитання для самостійного опрацювання:
1. Вольт-амперна характеристика р-п-переходу
2. Температурні і частотні характеристики переходу. Еквівалентна схема р-п-переходу
3. Створення р-п-переходу
VІІ. Методичні вказівки до опрацювання:
Теоретична частина.
VІІІ. Контрольні питання для перевірки якості засвоєння знань:
1. Що таке р-n-перехід та як він створюється?
2. Що собою являє вольт-амперна характеристика р-n-переходу?
3. Що таке пробій переходу, види пробою?
4. Як впливає температура на характеристики р-n-переходу?
5. Як залежать властивості р-п
переходу від частоти прикладеної напруги?
6. Що таке еквівалентна схема p-n переходу?
ІХ. Підсумки опрацювання:
Підготував викладач:
Бондаренко І. В
Теоретична частина: Електрофізичні властивості напівпровідників
План:
1. Вольт-амперна характеристика р-п-переходу
2. Температурні і частотні характеристики переходу. Еквівалентна схема р-п-переходу
3. Створення р-п-переходу
Література
1. Вольт-амперна характеристика р-п-переходу
Властивості електронно-діркового переходу наочно ілюструються його вольтамперною характеристикою (мал. 3.8, а), що показує залежність струму через р-п
перехід від величини і полярності прикладеної напруги.

Мал. 3.8. Характеристики р-п
переходу: а -
вольтамперна; б
- опору
Розрізняють два види пробою: електричний (оборотний)
і тепловий (необоротний).
Електричний пробій відбувається в результаті внутрішньої електростатичної емісії (зінеровський пробій) і під дією ударної іонізації атомів напівпровідника (лавинний пробій).
Внутрішня електростатична емісія в напівпровідниках аналогічна електростатичній емісії електронів з металу. Суть цього явища полягає в тому, що під дією сильного електричного поля електрони можуть звільнитися від ковалентних зв'язків і отримати енергію, достатню для подолання високого потенційного бар'єру в області р-п
переходу. Рухаючись з більшою швидкістю на ділянці р-п
переходу, електрони стикаються з нейтральними атомами і іонізують їх. В результаті такої ударної іонізації з'являються нові вільні електрони і дірки, які, у свою чергу, розганяються полем і створюють зростаючу кількість носіїв струму. Описаний процес носить лавиноподібний характер і приводить до значного збільшення зворотного струму через р-п
перехід. Таким чином, надмірно збільшувати зворотну напругу не можна. Якщо вона перевищить максимально допустиму для даного р-п
переходу величину,
то ділянка р-п
переходу проб'ється, а р-п
перехід втратить властивість односторонньої провідності (тепловою пробою).
Тепловий пробій р-п
переходу відбувається унаслідок відривання валентних електронів із зв'язків в атомах при теплових коливаннях кристалічної решітки. Теплова генерація пар електрон-дірка приводить до збільшення концентрації неосновних носіїв заряду і до зростання зворотного струму. Збільшення струму, у свою чергу, приводить до подальшого підвищення температури. Процес наростає лавиноподібно.
Електричний і тепловий пробої р-п
переходу у багатьох випадках відбуваються одночасно. При надмірному розігріванні переходу, коли відбувається зміна структури кристала, перехід необоротно виходить з ладу. Якщо ж при виникненні пробою струм через р-п перехід
обмежений опором зовнішньому ланцюгу і потужність, що виділяється на переході, невелика, то пробій обернений. В цьому випадку можна управляти зворотним струмом шляхом зміни зовнішньої напруги, що підводиться до переходу.
Аналіз вольтамперної характеристики р-п
переходу дозволяє розглядати його як нелінійний елемент,
опір якого змінюється залежно від величини і полярності прикладеної напруги (мал. 3.8, б).
При збільшенні прямої напруги опір р-п
переходу зменшується. Із зміною полярності і величини прикладеної напруги опір р-п
переходу різко зростає. Отже, пряма (лінійна) залежність між напругою і струмом (закон Ома) для р-п
переходів не дотримується. Нелінійні властивості р-п
переходів лежать в основі роботи напівпровідникових приладів, що використовуються для випрямляння змінного струму, перетворення частоти, обмеження амплітуд і т.д.
2. Температурні і частотні характеристики переходу. Еквівалентна схема р-п-переходу
Температурні і частотні властивості р-п
переходу
Властивості р-п
переходу істотно залежать від температури навколишнього середовища. При підвищенні температури зростає генерація пар носіїв заряду - електронів і дірок, тобто збільшується концентрація неосновних носіїв і власна провідність напівпровідника. Це наочно показують вольтамперні характеристики германієвого р-п переходу
, зняті при різній температурі (мал. 3.9). Як видно з малюнка, при підвищенні температури прямий і зворотний струми ростуть, а р-п перехід
втрачає своя основна властивість - односторонню провідність.
Залежність від температури зворотної гілки вольтамперної характеристики визначається температурними змінами струму насичення. Цей струм пропорційний рівноважній концентрації неосновних носіїв заряду, яка із збільшенням температури зростає по експоненціальному закону.
Для германієвих і кремнієвих р-п
переходів зворотний струм зростає приблизно в 2-2,5 разу при підвищенні температури на кожні 10 °С.

Мал. 3.9. Вплив температури на вольтамперну характеристику р-п
переходу
Прямий струм р-п
переходу при нагріві зростає не так сильно, як зворотний струм. Це пояснюється тим, що прямий струм виникає в основному за рахунок домішкової провідності. Але концентрація домішок від температури практично не залежить. Температурна залежність прямої гілки вольтамперної характеристики визначається змінами струму і показника експоненти.
Для германієвих приладів верхня температурна межа 70...90°С. У кремнієвих приладів унаслідок більшої енергії, необхідної для відриву валентного електрона від ядра атома, ця межа вища: 120... 150°С.
Властивості р-п
переходу залежать також від частоти прикладеної напруги. Це пояснюється наявністю власної ємності між шарами напівпровідника з різними типами провідності.
При зворотній напрузі, прикладеній до р-п
переходу, носії зарядів обох знаків знаходяться по обидві сторони переходу, а в області самого переходу їх дуже мало. Таким чином, в режимі зворотної напруги р-п
перехід є ємність, величина якої пропорційна площі р-п
переходу, концентрації носіїв заряду і діелектричної проникності матеріалу напівпровідника. Цю ємність називають бар'єрною
. При малій зворотній напрузі, прикладеній до р-п
переходу, носії зарядів протилежних знаків знаходяться на невеликій відстані один від одного. При цьому власна ємність р-п
переходу велика. При збільшенні зворотної напруги електрони все далі відходять від дірок по обидві сторони від р-п
переходу і ємність р-п
переходу зменшується. Отже, р-п перехід можна використовувати як ємність, керовану величиною зворотної напруги.
При прямій напрузі р-п
перехід, окрім бар'єрної ємності, володіє так званою дифузійною ємністю. Ця ємність обумовлена накопиченням рухомих носіїв заряду. При прямій напрузі в результаті інжекції основні носії заряду у великій кількості дифундують через знижений потенційний бар'єр і, не встигнувши рекомбінувати, накопичуються в n- і р-областях. Кожному значенню прямої напруги відповідає певна величина заряду накопиченого в області р-п
переходу.

Мал. 3.10. Еквівалентна схема p-n переходу
Дифузійна ємність не робить істотного впливу на роботу р-п
переходу, оскільки вона завжди зашунтована малим прямим опором переходу. Найбільше практичне значення має бар'єрна ємність. У зв'язку з цим еквівалентна схема р-п
переходу (схема заміщення) для змінного струму має вигляд, показаний на мал. 3.10. При зворотній напрузі дифузійна ємність відсутня і має дуже велику величину. При роботі на високих частотах опір ємності зменшується, і зворотний струм може пройти через цю ємність, не дивлячись на велику величину опору. Це порушує нормальну роботу приладу, оскільки р-п
перехід втрачає властивість односторонньої провідності. Тому для роботи на високих частотах використовуються в основному точкові напівпровідникові прилади, у яких площа р-п
переходу незначна і власна ємність мала.
В даний час є напівпровідникові прилади, що успішно працюють в дуже широкому діапазоні частот - до сотень мегагерц і вище.
3. Створення р-п-переходу
Всі електричні контакти можна розділити на три основні групи: омічні, нелінійні
і інжекторні.
Залежно від призначення контакту до нього пред'являються різні вимоги. Так, омічний контакт повинен володіти дуже малим перехідним опором, не спотворювати форму сигналу, не створювати шумів, мати лінійну вольтамперну характеристику. Подібні контакти необхідні для з'єднання елементів схеми один з одним, з джерелами живлення і т.д.
Нелінійні контакти використовуються для перетворення електричних сигналів (випрямляння, детектування, генерування і т. п.). Вони мають різко нелінійну вольтамперну характеристику, форма якої визначається конкретним призначенням відповідного приладу. Інжектуючі контакти володіють здатністю направляти носії зарядів тільки в один бік. Цей тип контактів широко використовується в напівпровідникових приладах, наприклад, в біполярних транзисторах .
Найбільшого поширення в напівпровідниковій техніці і мікроелектроніці набули контакти типу напівпровідник - напівпровідник, а фізичні явища, що відбуваються в зоні цих контактів, лежать в основі роботи більшості напівпровідникових приладів.
Електричний перехід між двома областями напівпровідника, одна з яких має електропровідність п-типу, а інша р-типу,
називають електронно-дірковим, або р-п
переходом (мал. 3.1).
Електронно-дірковий перехід не можна створити простим зіткненням пластин п-
і р-типу
, оскільки при цьому неминучий проміжний шар повітря, оксидів або поверхневих забрудненні. Ці переходи отримують вплавленням або дифузією відповідних домішок в пластинки монокристала напівпровідника, а також шляхом вирощування р-п
переходу з розплаву напівпровідника з регульованою кількістю домішок. Залежно від способу виготовлення р-п
переходи бувають сплавними, дифузійними і ін.
Розглянемо явища, що виникають при електричному контакті між напівпровідниками п-
і р-типу з
однаковою концентрацією донорних і акцепторних домішок (мал. 3.2, а).
Допустимо, що на межі розділу (перетин х0
)
тип домішок різко змінюється (мал. 3.2, б).
Існування електронно-дірковогопереходу обумовлене відмінністю в концентрації рухомих носіїв заряду електронної і дірчастої областей.

Мал. 3.1. Електронно-дірковий перехід
Унаслідок того що концентрація електронів в n-області вища, ніж в р-області, а концентрація дірок в р-області вища, ніж в п -області, на межі цих областей існує градієнт концентрацій носіїв, що викликає дифузійний струм електронів з n-області в р-область і дифузійний струм дірок з р-області в n-область (потік 2 на мал. 3.2, а). Окрім струму, обумовленого рухом основних носіїв заряду, через границю розділу напівпровідників можливий струм неосновних носіїв (електронів з р-області в n-область і дірок з n-області в р-область). Потоки неосновних носіїв на мал. 3.2, а позначені відповідно 3 і 4. Унаслідок істотної відмінності в концентраціях основних і неосновних носіїв струм, обумовлений основними носіями заряду, переважатиме над струмом неосновних носіїв. Якби електрони і дірки були нейтральними, то дифузія зрештою привела до повного вирівнювання їх концентрації за всім обсягом кристалі. На самій же справі дифузійні струми через р-п перехід не приводять до вирівнювання концентрації носіїв в обох частинах напівпровідника. З мал. 3.2, видно, що відхід електронів з при контактній n-області призводить до того, що їх концентрація тут зменшується і виникає некомпенсований позитивний заряд іонів донорної домішки. Так само в р-області унаслідок відходу дірок їх концентрація в приконтактному шарі знижується (мал. 3.2, в) і тут виникає негативний заряд іонів акцепторної домішки, що не компенсується. Таким чином, на межі областей n- і р-типу утворюються два шару протилежних по знаку зарядів. Область просторових зарядів, що утворилися, є р-n перехід. Його ширина зазвичай не перевищує десятих доль мікрометра.
Просторові заряди в переході утворюють електричне поле, направлене від позитивно заряджених іонів донорів до негативно заряджених іонів акцепторів. Схема утворення електричного поля в р-n переході показана на мал. 3.3, а і б. Це поле є гальмуючим для основних носіїв заряду і прискорюючим для неосновних. Тепер будь-який електрон, що проходить з електронної області в діркову, потрапляє в електричне поле, прагнучи повернути його назад в електронну область. Так само і дірки, потрапляючи з області р в електричне поле p-n переходу, будуть повернені цим полем назад в р-область.
Що ж до неосновних носіїв заряду, то вони, здійснюючи хаотичний тепловий рух (дрейфуючи), можуть потрапити в зону p-n переходу. В цьому випадку прискорююче поле переходу виштовхне їх за межі переходу.
На мал. 3.3, в показаний розподіл напруженості поля в p-n переході. Найбільша величина напруженості спостерігається в перетині х0
, оскільки через цей перетин проходять всі силові лінії, що починаються на позитивних зарядах, розташованих лівіше х0
. У міру видалення від х0
вліво кількість некомпенсованих позитивних зарядів зменшуватиметься, отже, і напруженість поля зменшуватиметься. Аналогічна картина спостерігається і при видаленні вправо від перетину х0
. Якщо вважати, що поле створюється тільки зарядами донорів і акцепторів, то зменшення напруженості відбувається по лінійному закону.
Потенційна діаграма p-n переходу показана на мал. 3.3,г. За нульовий потенціал умовно прийнятий потенціал шару.. При переміщенні від х0
до перетину хп
потенціал підвищується, а при переміщенні від х0 до хр
- знижується. За межами переходу поле відсутнє. Перепад потенціалу в переході рівний контактній різниці потенціалів UK
. Цей перепад зазвичай називають потенційним бар'єром, оскільки він перешкоджає переміщенню основних носіїв заряду.
Слід зазначити, що при кімнатній температурі деяка кількість основних носіїв зарядів в кожній з областей напівпровідника володіє енергією, достатньою для подолання потенційного бар'єру. Це призводить до того, що через p-n перехід дифундує незначна кількість електронів і дірок, утворюючи відповідно електронну і діркову складові дифузійного струму. Крім того, через р-п перехід безперешкодно проходять неосновні носії заряду, дірки з n-області і електрони з р-області, для яких електричне поле р-п переходу є прискорюючим. Ці заряди утворюють відповідно електронну і діркову складові дрейфового струму. Напрям дрейфового струму неосновних носіїв протилежний напряму дифузійного струму основних носіїв. Оскільки в ізольованому напівпровіднику щільність струму повинна бути рівна нулю, то врешті-решт встановлюється динамічна рівновага, коли дифузійний і дрейфовий потоки зарядів через р-п перехід компенсують один одного.
Контрольні запитання:
1. Що таке р-n-перехід та як він створюється?
2. Що собою являє вольт-амперна характеристика р-n-переходу?
3. Що таке пробій переходу, види пробою?
4. Як впливає температура на характеристики р-n-переходу?
5. Як залежать властивості р-п
переходу від частоти прикладеної напруги?
6. Що таке еквівалентна схема p-n переходу?
Інструкційна картка №3 для самостійного опрацювання навчального матеріалу з дисципліни «Основи електроніки та мікропроцесорної техніки»
І. Тема:
2 Електронні прилади
2.1 Пасивні елементи електроніки
Мета: Формування потреби безперервного, самостійного поповнення знань; розвиток творчих здібностей та активізації розумової діяльності.
ІІ. Студент повинен знати:
- Призначення коливального контуру;
- Види коливальних контурів;
- Основні характеристики коливального контуру.
ІІІ. Студент повинен уміти:
- Викреслювати схеми коливальних контурів;
- Характеризувати схеми;
- Визначати основні параметри схеми.
ІV. Дидактичні посібники:
Методичні вказівки до опрацювання.
V. Література:
[5, с. 80-93].
VІ. Запитання для самостійного опрацювання:
1. Коливальні контури, їх використання
VІІ. Методичні вказівки до опрацювання:
Теоретична частина.
VІІІ. Контрольні питання для перевірки якості засвоєння знань:
1. Що являє собою коливальний контур?
2. Область застосування коливального контуру?
3. Основні параметри коливального контуру?
ІХ. Підсумки опрацювання:
Підготував викладач:
Бондаренко І. В
Теоретична частина: Пасивні елементи електроніки
План:
1. Коливальні контури, їх використання
Література
1. Коливальні контури, їх використання
Коливальний контур (рис. 1-28, а)
являє собою широко розповсюджений радіотехнічний пристрій, що складається з індуктивності L
, ємності С
і активного опору r
. Слід зазначити, що активний опір звичайно намагаються зробити якомога меншим, але позбавитися його взагалі неможливо, оскільки провідник завжди має якийсь опір. Проте, оскільки опір r
дуже й дуже малий, ним звичайно нехтують і на схемах не показують.
Коли конденсатор С
коливального контура (рис. 1-28, б) спочатку підімкнути до джерела живлення Е,
а після того як він зарядиться, перемкнути на котушку L, то конденсатор почне розряджатися і в колі утворюється електричний струм, утворюючи навколо котушки магнітне поле. Спочатку й струм, і магнітне поле збільшуються. При цьому силові лінії поля перетинають витки котушки, наводячи в ній є. р. с. самоіндукції, яка перешкоджає підсиленню струму. Однак струм все-таки досягає максимального значення, і в цей момент вже не змінюється, а де означає, що магнітне поле котушки виявляється постійним, магнітні силові лінії не перетинають її витків, отже, е. р.с. самоіндукції дорівнює нулю. У цей момент конденсатор розряджається повністю, запасена ним енергія, що визначається за формулою

дорівнюватиме нулю, цілком перетворившись на енергію магнітного поля котушки, що визначається як


Рис. 1-28. Вільні коливання в одиночному коливальному контурі:
а —
коливальний контур; б
— розряджання конденсатора; в —
графік затухаючих коливань.
Проте напруженість магнітного поля стає максимальною.
Тепер вже струм (після точки 1
на графіку) поступово зменшується. Як тільки струм почне зменшуватись, магнітні силові лінії перетинають витки котушки й наводять е. р. с. самоіндукції протилежного напрямку, причому е. р. с. вже перешкоджає не зростанню, а зменшенню струму. Під дією енергії магнітного поля струм продовжує проходити в тому самому напрямку і зменшуватись, конденсатор перезаряджається, напруга на ньому, напрямлена проти е. р. с. котушки, підвищується. У деякий момент (точка 2
на рис. 1-28, в)
струм у контурі дорівнюватиме нулю, а напруга на конденсаторі досягне максимального значення. Отже, розглядуваний контур прийде в початковий стан, і далі процес розвиватиметься, як вже було описано (тільки напрямок струму тепер буде протилежний) і т. д.
Таким чином, у розглядуваному контурі утворюються гармонічні електромагнітні коливання.
Важливо зазначити, що цей процес не є скінченним, оскільки частина енергії все-таки втрачається. Коливання поступово, як кажуть, затухають, про що свідчить і характер кривої на рис. 1-28, в.
Енергія втрачається в активному опорі проводів, розсіюється магнітним полем котушки, витрачається в діелектрику конденсатора. Зрештою після ряду коливань процес припиняється. Подібні коливання називають ще вільними, через те що контур не зазнає ззовні ніяких дій (крім первинного заряду конденсатора).
Коли розглядати процеси в коливальному контурі з енергетичного погляду, то маємо справу з обміном енергією між конденсатором і котушкою. Енергія електричного поля конденсатора, яку можна вважати потенціальною (оскільки вона зумовлена нерухомими електричними зарядами), переходить в енергію магнітного поля котушки — кінетичну (через те що вона пов'язана з зарядами, що рухаються), і навпаки. В результаті кожного такого обміну частина енергії втрачається безповоротно, і процес зрештою припиняється.
Час, протягом якого здійснюється повний цикл обміну енергією (точка 3
на рис 1-28, в),
називається періодом коливань.
Якщо нехтувати активним опором r
, то період коливання можна визначити за формулою

Число коливань за секунду називають частотою і знаходять за формулою

У радіотехнічних розрахунках зручніше користуватися круговою частотою, яка визначається як
Вимушені коливання в коливальному контурі
Коли коливальний контур піддати зовнішнім діям, наприклад, як це часто робиться на практиці, підімкнути до нього джерело змінної е. р. с. — генератор, то коливання її такому контурі вже не будуть вільними. Генератор як би нав'язує контуру спою частоту електричних коливань, і тому такі коливання називають вимушеними.
На рис. І-29,а зображено так званий послідовний коливальний контур, елементи якого з'єднані між собою послідовно.

Рис. 1-29. Послідовний коливальний контур (а) і графік залежності реактивних опорів відчастоти (б).
Частоту генератора або значення L
і С, можна зробити однаковими індуктивний і ємнісний опори.
Тоді загальний опір контура виявиться найменшим z
= r, а струм у контурі, природно, досягне максимального значення. Напруги на котушці іна конденсаторі дорівнюють одна одній, напрямлені протилежно і, отже, компенсують одна одну. Отже, струм визначається тільки активним опором і внутрішнім опором генератора. Цей режим дістав назву резонансу напруг.
Опір котушки і конденсатора при резонансі напруг називають хвильовим, тобто

У послідовному контурі струм через індуктивність і ємність загальний, напруга.
на індуктивності випереджає його по фазі па 90°, а на ємності відстає так само на 90° (таким чином, зсув між ними 180°). Ця напруга в режимі резонансу визначається за формулою

Відношення ρ/r
називають добротністю (якістю)
контура і позначають буквою Q. Тоді можна записати, що при резонансі

Отже, резонанс напруги настає тоді, коли частота вимушених коливань (частота генератора) стає однаковою з частотою вільних коливань контура. Тому частоту вільних коливань контура називають резонансною частотою.
Кожний коливальний контур має свою резонансну частоту, яка залежить від його параметрів L
і С.
У паралельному коливальному контурі (рис. 1-30) так само утворюються вимушені електричні коливання, але реактивний опір контура змінюється інакше, ніж у розглянутому раніше випадку. На низьких частотах індуктивний опір менший від ємнісного і більша частина струму проходить по індуктивній гілці. Загальний реактивний опір контура в цьому випадку має індуктивний характер. При дуже високих частотах ємнісний опір менше від індуктивного, основна частина струму проходить через ємність, загальний реактивний опір контура носить ємнісний характер.

Рис. 1-30. Паралельний коливальний контур.
Як і в послідовному контурі, тут можна, змінюючи значення L, С
або частоту генератора, підібрати їх так, щоб ємнісний опір дорівнював індуктивному. В ньому випадку в паралельному контурі настає режим, який дістав назву резонансу струмів.
Контрольні запитання:
1. Що являє собою коливальний контур?
2. Область застосування коливального контуру?
3. Основні параметри коливального контуру?
Інструкційна картка №4
для самостійного опрацювання навчального матеріалу з дисципліни «Основи електроніки та мікропроцесорної техніки»
І. Тема:
2 Електронні прилади
2.2 Напівпровідникові діоди
Мета: Формування потреби безперервного, самостійного поповнення знань; розвиток творчих здібностей та активізації розумової діяльності.
ІІ. Студент повинен знати:
- Призначення стабілітрона;
- Будову та принцип дії;
- Основні параметри стабілітрона;
ІІІ. Студент повинен уміти:
- Викреслювати схеми стабілізації напруги;
- Розшифровувати умовні позначення стабілітронів.
ІV. Дидактичні посібники:
Методичні вказівки до опрацювання.
V. Література:
[4, с. 45-49], [6, с. 31-39].
VІ. Запитання для самостійного опрацювання:
1. Кремнієві стабілітрони. Будова, принцип дії, галузі використання. Високочастотні діоди.
VІІ. Методичні вказівки до опрацювання:
Теоретична частина.
VІІІ. Контрольні питання для перевірки якості засвоєння знань:
1. Що називається стабілітроном?
2. Основними параметрами стабілітрона?
3. Як графічно позначається стабілітрон на принципіальних електричних схемах?
4. Привести схему стабілізації напруги.
ІХ. Підсумки опрацювання:
Підготував викладач:
Бондаренко І. В.
Теоретична частина: Напівпровідникові діоди
План:
1. Кремнієві стабілітрони. Будова, принцип дії, галузі використання. Високочастотні діоди.
Література
1. Кремнієві стабілітрони. Будова, принцип дії, галузі використання. Високочастотні діоди
Стабілітронами
називаються площинні кремнієві діоди, у яких в зворотній гілці їх вольт-амперної характеристики (мал. 2.13,6) є ділянка з великою крутизною, в межах цієї ділянки напруга трохи змінює свою величину при зміні протікаючого струму.
Робота стабілітрона в межах даної ділянки вольт-амперної характеристики, що називаэться робочою ділянкою дозволяє використовувати його не тільки в стабілізаторах напруги, але також і в різних електронних схемах, як, наприклад в схемах амплітудного обмеження і для створення опорної (еталонної) напруги.
Умовне позначення стабілітрона приведене на мал. 2.13, а.

Мал. 2.13
Робоча ділянка вольт-амперної характеристики стабілітрона обумовлюється пробоєм його p-n-переходу. Механізм пробою в стабілітронах залежно від їх призначення може бути тунельним, лавинним або змішаним. У стабілітронів з робочою напругою до 3-4 В відбувається тунельний пробій, а з робочою напругою більше 7 В виникає лавинний пробій. У області від 3 до 7 В пробій обумовлюється сумісною дією тунельного і лавинного механізмів.
Для отримання лавинного пробою ширина р-п-переходу
повинна бути більше довжини вільного пробігу неосновних носіїв заряду. Ця умова виконується в діодах, виконаних на кремнієвій основі, оскільки рухливість носіїв в кремнії менша, ніж в германії.
Напруга, при якій відбувається лавинний пробій, залежить від питомого опору кремнію. Із зростанням питомого опору напруга лавинного пробою збільшується. Підбором питомого опору можна створити стабілітрони на потрібну величину напруги стабілізації.
Вибір кремнію для виробництва стабілітронів обумовлений тим, що у нього на відміну від германію малий зворотний струм в передпробійній області, крім того, вольт-амперна характеристика має різкий злам в області пробою. Кремнієві діоди витримують більші зворотні напруги, чим германієві.
Основними параметрами стабілітрона є:
1. Напруга стабілізації UCT
- падіння напруги на стабілітроні при протіканні заданого струму стабілізації - визначається значенням номінального струму стабілізації. Оскільки робочу ділянку вольт-амперної характеристики має деякий нахил, напруга стабілізації відрізняється від напруги, при якій відбувається пробій p-n-переходу. Тому напруга стабілізації визначається значенням номінального струму стабілізації Iст (точка А
на мал. 2.13,6).
2. Номінальний струм стабілізації Iст - значення струму, що протікає через стабілітрон, що визначає напругу стабілізації.
3 Мінімально допустимий струм стабілізації ICTmin
- струм, при якому забезпечується надійне виникнення пробою p-n-переходу. Мінімально допустимий струм коливається в межах 1-3 мА.
4. Максимально допустимий струм стабілізації Iстmах
- струм, при якому потужність розсіяння на стабілітроні не перевищує максимально допустиму потужність стабілітрона. Максимально допустимий струм залежно від типу стабілітрона лежить в межах від 20 мА до 1,5 А.
5. Диференціальний, або динамічний, опір Rст - величина, що визначається відношенням приросту напруги стабілізації на стабілітроні до того, що викликав його малому приросту струму:
RCT
=ΔUcт/ΔIcт.
Динамічний опір визначає нахил вольт-амперної характеристики стабілітрона. Величина коливається від одиниці до десятків омів.
6. Температурний коефіцієнт напруги стабілізації - величина, що визначається відношенням відносної зміни напруги стабілізації до абсолютної зміни температури навколишнього середовища при постійному струмі стабілізації напруги.

Мал. 2.24
Температурний коефіцієнт напруги стабілізації виражається в %/град і визначається залежністю

Температурний коефіцієнт напруги стабілізації при тунельному пробої негативний. Це пояснюється тим, що напруга тунельного пробою визначається шириною забороненої зони напівпровідника. Чим менше ширина забороненої зони, тим менше напруга тунельного пробою. Із зростанням температури ширина зони зменшується а, отже, зменшується напруга пробою.
При лавинному пробої температурний коефіцієнт напруги стабілізації позитивний, оскільки з підвищенням температури зменшується довжина вільного пробігу носіїв і напруга пробою збільшується.
Температурний коефіцієнт напруги стабілізації коливається в межах 0,05-0,15 %/град. Для зниження TKU
створюють температурно-компенсаційні стабілітрони, в яких послідовно з р-n-переходом стабілітрона підключають один або декілька р-n -переходов з протилежним по знаку TKU
.
Таким шляхом вдається отримати стабілітрони з TKU, що не перевищують 0,001 %/град.
7. Максимально допустима розсіювана потужність стабілітрона Рстmax – це потужність, при якій забезпечується задана надійність роботи стабілітрона. Максимально допустима потужність стабілітронів, що випускаються промисловістю, коливається від 250 мВт до 50 Вт.
На мал. 2.14 представлена проста схема стабілізації напруги постійного струму. Така схема здійснює стабілізацію напруги як при зміні вхідної напруги, так і при зміні опору навантаження.
Наприклад, якщо вхідна напруга зросте, то збільшується і струм стабілітрона, а звідси зросте струм I0
і падіння напруги на обмежувальному опорі Rorp
.
Прирости напруги ΔUВХ
і ΔIO
Rorp
взаємно компенсуються, а UBX
зберігається на заданому рівні.
Величину обмежувального резистора можна обчислити за формулою

На мал. 2.15 приведена і пояснена робота схеми стабілізації напруги змінного струму.

Мал. 2.15
За час позитивних напівперіодів вхідної напруги стабілітрон VD1
відкритий, а стабілітрон VD2
вихідна напруга обмежує по амплітуді на рівні напруги стабілізації. За час негативних напівперіодів вхідної напруги вихідна напруга буде обмежена по амплітуді на рівні напруги стабілізації стабілітрона VD1.
Таким чином, вихідну напругу приймає вид змінної напруги трапецеїдальної форми, амплітуда якої визначається напругою стабілізації вживаних стабілітронів і не залежить від амплітуди вхідної напруги. Стабілізацію постійної напруги можна також отримати за допомогою діода, включеного в прямому напрямі. Кремнієві діоди, призначені для цієї мети, називають стабісторами. Для виготовлення стабісторів застосовують кремній з більшою концентрацією домішок. На відміну від стабілітронів стабістори мають малу напругу стабілізації (близько 0,7 В). Для розширення діапазону напруги стабілізації використовують послідовне з'єднання в одному корпусі декілька стабісторів. Параметри стабісторів аналогічні стабілітронам, а їх максимальний струм, потужність і теплові характеристики ті ж що і у випрямних діодів.
Маркування кремнієвих стабілітронів складається з чотирьох елементів.
Перший елемент - буква К або цифра 2.
Другий елемент - буква С.
Третій елемент - число, указує призначення і електричні властивості стабілітрона.
Для стабілітронів малої потужності Рстmах
= 0,3 Вт для напруги стабілізації 0,1-9,9 В, 10-99 В і 100-199 ставлять числа відповідно 101 - 199, 210-299 і 300-399, Для стабілітронів середньої потужності (0 Вт < Рст mах
< 5 Вт) на ту ж напругу ставлять числа відповідно 401-499, 510-599 і 600-699. Для стабілітронів великої потужності (Рстmах
>5 Вт) на ту ж напругу ставлять числа відповідно 01-799, 810-899 і 900-999.
Четвертий елемент позначення - буква, що вказує на різновид стабілітрона.
Контрольні запитання:
1. Що називається стабілітроном?
2. Основними параметрами стабілітрона?
3. Як графічно позначається стабілітрон на принципіальних електричних схемах?
4. Привести схему стабілізації напруги.
Інструкційна картка №5 для самостійного опрацювання навчального матеріалу з дисципліни «Основи електроніки та мікропроцесорної техніки»
І. Тема:
2 Електронні прилади
2.2 Напівпровідникові діоди
Мета: Формування потреби безперервного, самостійного поповнення знань; розвиток творчих здібностей та активізації розумової діяльності.
ІІ. Студент повинен знати:
- Способи з’єднання діодів;
- Призначення варикапа
- Основні параметри варикапа.
ІІІ. Студент повинен уміти:
- Будувати схеми з’єднання діодів;
- Використовувати при побудові схем варикапи.
ІV. Дидактичні посібники:
Методичні вказівки до опрацювання.
V. Література:
[2, с. 145-148].
VІ. Запитання для самостійного опрацювання:
1. Схеми з’єднання діодів
2. Варикапи.
VІІ. Методичні вказівки до опрацювання:
Теоретична частина.
VІІІ. Контрольні питання для перевірки якості засвоєння знань:
1. Які використовуються способи з’єднання діодів при розробці схем випрямлячів?
2. Що таке варикап?
3. Будова та призначення варикапа?
4. Які основні параметри варикапа?
ІХ. Підсумки опрацювання:
Підготував викладач:
Бондаренко І.В.
Теоретична частина: Напівпровідникові діоди
План:
1. Схеми з’єднання діодів
2. Варикапи.
Література
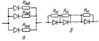
1. Схеми з’єднання діодів

Мал. 9.3. Паралельне (а) і послідовне (б) з'єднання випрямних діодів.
При розробці схем випрямлячів може виникнути необхідність отримати випрямлений струм, що перевищує граничне допустиме значення для одного діода. В цьому випадку застосовують паралельне включення однотипних діодів (мал. 9.3, а).
Для вирівнювання струмів, що протікають через діоди, послідовно з діодами включаються омічні додаткові резистори близько декілька Ом. Це дозволяє штучно зрівняти прямі опори діодів, які для різних зразків приладів можуть бути істотно різними.
У високовольтних ланцюгах часто використовують послідовне з'єднання діодів (мал. 9.3, б). При такому з'єднанні напруга розподіляється між всіма діодами. Для забезпечення надійної роботи діодів паралельно кожному з них слід включити резистор (близько 100 кОм) для вирівнювання зворотних опорів, В цьому випадку напруга на всіх діодах буде рівною.
2. Варикапи
Варикапами називають
напівпровідникові діоди, у яких використовується бар'єрна ємність замкнутого р-п-прехода, що залежить від величини прикладеної до діода зворотної напруги. Конструкція варикапа показана на рис, 9.12. У кристал кремнію 5
з однієї його сторони вплавляють у вакуумі алюмінієвий стовпчик 4
для отримання р
- п
-перехода, а з іншого боку - сплав золото - сурма для отримання омічного контакту 6.
Ця структура вплавляється у вакуумі в коваровий позолочений кристалотримач 7. До алюмінієвого стовпчика прикріплений внутрішній вивод 5. З'єднання кристалотримача з балоном 3
і виводом 1
здійснюється сплавом у водні.

 
Рис 9.14 Дія зволротньої напруги на р - п-перехід:
а
- подвійний шар зарядів в р - п-переході; б -
зміна потенціалу φ уздовж переходу; в -
зміна щільності об'ємного заряду р.
Для використання властивостей варикапа до нього необхідно підвести зворотну напругу (мал. 9,13)
Як відомо, за відсутності зовнішньої напруги між областями р
і п
існує контактна різниця потенціалів (потенційний бар'єр) і внутрішнє електричне поле. Якщо до діода прикласти зворотну напругу (рис, 9.14, а),
то висота потенційного бар'єру між областями р
і п
зросте на величину прикладеної напруги (мал. 9,14, б), зросте і напруженість електричного поля в р - n-переході.
 
Рис, 9.12. Конструкція варикапа.
Мал. 9.13. Схема включення варикапа.
Зовнішня зворотна напруга відштовхує електрони глибше всередину області п,
а дірки - всередину області р. В результаті відбувається розширення області р
- n-переходу і тим більше, чим вище напруга (
мал. 9.14, б
і в).
Таким чином, зміна зворотної напруги, прикладеної до р,
- n-переходу, приводить до зміни бар'єрній ємності між областями р
і п.
Ширина р
- п-переходу залежить від величини прикладеної до нього напруги, отже, бар'єрна ємність залежить від напруги: при зростанні замикаючої напруги ширина р -
n-переходу збільшується, а його бар'єрна ємність зменшується .
Основною характеристикою варикапа є залежність його ємності від величини зворотної напруги (вольт-фарадна характеристика).
Типова характеристика показана на мал. 9.15. Залежно від призначення величина номінальної ємності варикапів може бути в межах від декількох пікофарад до сотень пікофарад.

Мал. 9.15. Залежність ємності варикапа від величини зворотної напруги.
Мал. 9.16. Схеми електронної настройки коливальних контурів
Залежність ємності варикапа від прикладеної напруги визначається технологією виготовлення р
- п-переходу.
Параметри варикапів:
Номінальна ємність
- ємність між виводами варикапа при номінальній напрузі зсуву.
Максимальна ємність
- ємність варикапа при заданій мінімальній напрузі зсуву.
Мінімальна ємність
- ємність варикапа при заданій максимальній напрузі зсуву.
Коефіцієнт перекриття
- відношення максимальної ємності діода до мінімальної.
Добротність -
відношення реактивного опору варикапа до повного опору втрат, зміряне на номінальній частоті при температурі 20° С.
Максимально допустима напруга
- максимальне миттєве значення змінної напруги, що забезпечує задану надійність при тривалій роботі.
Температурний коефіцієнт ємності
(ТКЕ) - відношення відносної зміни ємності при заданій напрузі до того, що викликав його абсолютній зміні температури навколишнього середовища.
Максимально допустима потужність
- максимальне значення потужності, що розсіюється на варикапі, при якому забезпечується задана надійність при тривалій роботі.
Основне застосування варикапа - електронна настройка коливальних контурів. На рис, 9.16, а
приведена схема включення варикапа в коливальний контур. Контур утворений індуктивністю і місткістю варикапа Св. Розділовий конденсатор Ср
служить для того, щоб індуктивність не шунтувала варикап по постійному струму. Ємність конденсатора Ср повинна бути в декілька десятків разів більше ємності варикапа.
Дана схема має істотний недолік - напруга високої частоти впливає на варикап, змінюючи його ємність. Це веде до розладу контура. Включення варикапів по схемі, показаній на мал. 9.16, б,
дозволяє значно зменшити розлад контура при дії змінної напруги. Тут варикапи включені по високій частоті послідовно назустріч один одному. Тому при будь-якій зміні напруги на контурі ємність одного варикапа збільшується, а іншого зменшується. По постійній напрузі варикапи включені паралельно.
Найбільший випрямлений струм
- найбільше допустиме середнє значення випрямленого струму за період.
Пряме падіння напруги
- напруга на діоді при встановленому випрямленому струмі, що протікає через нього .
Найбільша зворотна напруга
- напруга, яка може бути прикладене до діода у зворотному напрямі протягом тривалого часу без небезпеки порушення нормальної роботи діода.
Найбільший зворотний струм
- струм через діод у зворотному напрямі при прикладеному до нього найбільшій допустимій зворотній напрузі.
Найбільша допустима потужність розсіювання
- допустиме значення розсіюваної потужності, при якій забезпечується задана надійність при тривалій роботі діода.
Діапазон частот
- смуга частот, в межах якої випрямлений струм, діода не зменшується нижче заданого рівня.
Контрольні запитання:
1. Які використовуються способи з’єднання діодів при розробці схем випрямлячів?
2. Що таке варикап?
3. Будова та призначення варикапа?
4. Які основні параметри варикапа?
Інструкційна картка №6 для самостійного опрацювання навчального матеріалу з дисципліни «Основи електроніки та мікропроцесорної техніки»
І. Тема:
2 Електронні прилади
2.2 Напівпровідникові діоди
Мета: Формування потреби безперервного, самостійного поповнення знань; розвиток творчих здібностей та активізації розумової діяльності.
ІІ. Студент повинен знати:
- Призначення та конструкцію світлодіода;
- Призначення та конструкцію фотодіода;
- Маркування.
ІІІ. Студент повинен уміти:
- Визначати приналежність елемента за його умовними позначеннями;
- Використовувати при побудові схем фото- та світлодіоди.
ІV. Дидактичні посібники:
Методичні вказівки до опрацювання.
V. Література
VІ. Запитання для самостійного опрацювання:
1. Фотодіоди, світлодіоди
2. Їх будова, принцип дії, маркування
VІІ. Методичні вказівки до опрацювання:
Теоретична частина.
VІІІ. Контрольні питання для перевірки якості засвоєння знань:
1. Що називають фотодіодом?
2. Що таке світлодіод?
3. Принцип роботи та призначення фото- та світло діодів?
4. Яким чином відбувається маркування?
ІХ. Підсумки опрацювання
Підготував викладач:
Бондаренко І.В.
Теоретична частина: Напівпровідникові діоди
План:
1. Фотодіоди, світлодіоди
2. Їх будова, принцип дії, маркування
Література
1. Фотодіоди, світло діоди
Напівпровідниковий фотодіод - це напівпровідниковий діод, зворотний струм якого залежить від освітленості. Зазвичай як фотодіод використовують напівпровідникові діоди з p-n переходом, який зміщений у зворотному напрямі зовнішнім джерелом живлення.
При поглинанні квантів світла в p-n переході або в прилеглих до нього областях утворюються нові носії заряду. Неосновні носії заряду, що виникли в областях, прилеглих до p-n переходу на відстані, що не перевищує дифузійної довжини, дифундують в p-n перехід і проходять через нього під дією електричного поля. Тобто зворотний струм при освітленні зростає. Поглинання квантів безпосередньо в p-n переході приводить до аналогічних результатів. Величина, на яку зростає зворотний струм, називається фотострумом.
Властивості фотодіода можна охарактеризувати наступними характеристиками.
а) вольт-амперна характеристика фотодіода є залежністю світлового струму при незмінному світловому потоці і темнового струму Iтемн від напруги.
б) світлова характеристика фотодіода, тобто залежність фотоструму від освітленості, відповідає прямій пропорційності фотоструму від освітленості. Це обумовлено тим, що товщина бази фотодіода значно менше дифузійної довжини неосновних носіїв заряду. Тобто практично всі неосновні носії заряду, що виникли в базі, беруть участь в утворенні фотоструму.
г) спектральна характеристика фотодіода - це залежність фотоструму від довжини хвилі падаючого світла на фотодіод. Вона визначається з боку великих довжин хвиль шириною забороненої зони, при малих довжинах хвиль великим показником поглинання і збільшення впливу поверхневої рекомбінації носіїв заряду із зменшенням довжини хвилі квантів світла. Тобто короткохвильова межа чутливості залежить від товщини бази і від швидкості поверхневої рекомбінації. Положення максимуму в спектральній характеристиці фотодіода сильно залежить від ступеня зростання коефіцієнта поглинання.
д) постійна часу - це час, протягом якого фотострум фотодіода змінюється після освітлення або після затемнення фотодіода в е разів (63%) по відношенню до сталого значення.
е) темновоє опір - опір фотодіода у відсутність освітлення.
ж) інтегральна чутливість
з) інерційність.
Існує 3 фізичних чинника, впливаючих на інерційність:
1) час дифузії або дрейфу нерівноважних носіїв через базу t ;
2) час прольоту через p-n перехід
3) час перезарядки бар'єрної ємкості p-n переходу, що характеризується постійною часу RСбар .
Товщина p-n переходу, залежна від зворотної напруги і концентрації домішок в базі, зазвичай менше 5 мкм. RCбар визначається бар'єрною ємкістю p-n залежною від напруги і опору бази фотодіода при малому опорі навантаження в зовнішньому ланцюзі. Величина RСбар порядка декілька наносекунд.
Світлодіод - це напівпровідниковий прилад, що здатен перетворювати електричну енергію безпосередньо у світлову. За своєю структурою, світлодіод подібний до звичайного напівпровідникового діоду, так само як і будь який напівпровідниковий діод, світлодіод має властивість односторонньої електропровідності, але, при протіканні електричного струму у "прямому" напрямі, на кристалі, в зоні контакту напівпровідників різного типу провідності, виникає світіння. Довжина світлової хвилі, яку ми сприймаємо як колір, залежить лише від структурних та хімічних особливостей напівпровідників. Ніякі зміни характеристик струму живлення світлодіода ( сила струму, частота, напруга ) не можуть вплинути на довжину хвилі випромінюваного світла.
  
Та немає таких обмежень, які б не спробувала здолати конструкторська думка. Ніщо не заважає розмістити у одному корпусі кілька кристалів з різним кольором світіння. Першими були створені двокольорові світлодіоди. Конструктори скористались тим, що світлодіод здатен проводити струм лише у одному напрямі, розмістивши на одній основі два кристали, під'єднані до виводів живлення зустрічно.

Зі зміною полярності живлення змінюється колір світіння з червоного на зелений. Здатність ока утримувати зорові образи, на якій побудована техніка кіно і телебачення, дозволила підбираючи співвідношення тривалостей імпульсів протилежної полярності змінювати пропорції червоного та зеленого отримуючи проміжні кольори як видно з діаграми кольорів, це всі відтінки жовтого.

Діаграма кольорів також показує, що отримати біле світло можна змішуючи світло червоного, зеленого та синього світлодіодів, проблема лише в тому, що сині світлодіоди до недавнього часу було неможливо виготовити.
Нині проблема вирішена, серійно виробляються світлодіодні RGB сборки , так звані RGB світлодіоди , але їх сфера використання в основному багатокольорові дисплеї та рекламні табло.

Технологічно виявилось можливим виготовити світлодіоди жовтого кольору світіння, діаграма кольорів підказує можливість отримання білого світла змішуючи жовте з синім.
Необхідність використання кількох кристалів суттєво здорожує технологію.
Тому найбільшого розповсюдження серед світлодіодів білого світіння набули світлодіоди з люмінофорним покриттям, саме вони стоять у всіх китайських ліхтариках, саме ці світлодіоди мають на увазі кажучи про "білі світлодіоди". Головна перевага світлодіодів з люмінофорами - їх дешевизна.

За принципом дії такі світлодіоди подібні до люмінесцентних ламп. На кристал фіолетового, або ультрафіолетового світлодіода наноситься покриття люмінофору, що під дією ультрафіолетового випромінення починає світитися сам, але вже білим світлом. Зрозуміло, так само як вигоряє люмінофор люмінесцентних ламп, зменшуючи світловіддачу, вигоряє і люмінофор світлодіода. Фактично, світлодіоди невисокої якості за 2 - 3 місяці зменшують світловіддачу вдвоє.
Ознакою гарної якості є рівномірність нанесення шару люмінофору та його хімічна чистота. Якщо з десятка вибраних світлодіодів половина відрізняється відтінками кольору, висока ймовірність того, що зв'язуватись з цією партією не варто.
Друга важлива складова - електричні та теплові параметри. Якщо через світлодіод пропускати більший струм, ніж той на який він розрахований, світлодіод світитиме яскравіше, але внаслідок виділення тепла кристал швидко деградує. Замість сотень тисяч годин світлодіод пропрацює десятки, поступово втрачаючи яскравість.
У бідь якому разі над яскраві світлодіоди не є джерелами холодного світла, не зважаючи на відсутність в них ниті розжарювання - вони нагріваються під час роботи. Ефективність тепловідведення дуже важлива для світлодіода. Цю особливість слід враховувати при проектуванні.
Ще одна відмінність світлодіоду віл звичайних ламп розжарювання - виражена нелінійність вольт - амперної характеристики. Невеличкі зміни напруги живлення призводять до значних коливань струму.
2. Їх будова, принцип дії, маркування
| Тип светодиода |
Колір корпуса або мітка на корпусі Цвет корпуса или метка на корпусе |
Мітка біля анода (+) Метка у анода (+) |
Мітка біля катода (-) Метка возле катода (-) |
 |
| Д9Б |
- -- |
червоне кільце красное кольцо |
- -- |
 |
| Д9В |
- -- |
оранжеве або червоне + оранжеве кільце оранжевое или красное + оранжевое кольцо |
- -- |
 |
| Д9Г |
- -- |
жовте або червоне + жовте кільце желтое или красное + желтое кольцо |
- -- |
 |
| Д9Д |
- -- |
біле або червоне + біле кільце белое или красное + белое кольцо |
- -- |
 |
| Д9Е |
- -- |
блакитне або червоне + блакитне кільця голубое или красное + голубое кольца |
- -- |
 |
| Д9Ж |
- -- |
зелене або червоне + зелене кільце зеленый или красный + зеленый кольцо |
- -- |
 |
| Д9И Д9Ы |
- -- |
два жовті кільця две желтые кольца |
- -- |
 |
| Д9К |
- -- |
два білі кільця два белые кольца |
- -- |
 |
| Д9Л |
- -- |
два зелені кільця два зеленые кольца |
- -- |
 |
| Д9М |
- -- |
два блакитні кільця два голубые кольца |
- -- |
 |
| КД102А |
- -- |
зелена крапка зеленая точка |
- -- |
 |
| КД102Б |
- -- |
синя крапка синяя точка |
- -- |
 |
| 2Д102А |
- -- |
жовта крапка желтая точка |
- -- |
 |
| 2Д102Б |
- -- |
оранжева крапка оранжевый точка |
- -- |
 |
| КД103А |
чорний черный |
синя крапка синяя точка |
- -- |
 |
| КД103Б |
зелений зеленый |
жовта крапка желтая точка |
- -- |
 |
| 2Д103А |
- -- |
біла крапка белая точка |
- -- |
 |
| КД105Б |
крапка відсутня точка отсутствует |
біла або жовта смуга белая или желтая полоса |
- -- |
 |
| КД105В |
зелена крапка зеленая точка |
біла або жовта смуга белая или желтая полоса |
- -- |
 |
| КД105Г |
червона крапка красная точка |
біла або жовта смуга белая или желтая полоса |
- -- |
 |
| КД105Д |
біла або жовта крапка белая или желтая точка |
біла або жовта смуга белая или желтая полоса |
- -- |
 |
| КД208А |
жовта крапка желтая точка |
чорна, зелена або жовта крапка черная, зеленая или желтая точка |
- -- |
 |
| КД209А |
- -- |
чорна, зелена або жовта крапка черная, зеленая или желтая точка |
- -- |
 |
| КД209Б |
біла крапка белая точка |
чорна, зелена або жовта крапка черная, зеленая или желтая точка |
- -- |
 |
| КД209В |
чорна крапка черная точка |
чорна, зелена або жовта крапка черная, зеленая или желтая точка |
- -- |
 |
| КД209Г |
зелена крапка зеленая точка |
чорна, зелена або жовта крапка черная, зеленая или желтая точка |
- -- |
 |
| КД221А |
- -- |
блакитна крапка голубая точка |
- -- |
 |
| КД221Б |
біла крапка белая точка |
блакитна крапка голубая точка |
- -- |
 |
| КД221В |
чорна крапка черная точка |
блакитна крапка голубая точка |
- -- |
 |
| КД221Г |
зелена крапка зеленая точка |
блакитна крапка голубая точка |
- -- |
 |
| КД221Д |
бежева крапка бежевая точка |
блакитна крапка голубая точка |
- -- |
 |
| КД221Е |
жовта крапка желтая точка |
блакитна крапка голубая точка |
- -- |
 |
| КД226А |
- -- |
- -- |
оранжеве кільце оранжевое кольцо |
 |
| КД226Б |
- -- |
- -- |
червоне кільце красное кольцо |
 |
| КД226В |
- -- |
- -- |
зелене кільце зеленое кольцо |
 |
| КД226Г |
- -- |
- -- |
жовте кільце желтое кольцо |
 |
| КД226Д |
- -- |
- -- |
біле кільце белое кольцо |
 |
| КД226Е |
- -- |
- -- |
блакитне кільце голубое кольцо |
 |
| КД243А |
- -- |
- -- |
фіолетове кільце фиолетове кольцо |
 |
| КД243Б |
- -- |
- -- |
оранжеве кільце оранжевое кольцо |
 |
| КД243В |
- -- |
- -- |
червоне кільце красное кольцо |
 |
| КД243Г |
- -- |
- -- |
зелене кільце зеленое кольцо |
 |
| КД243Д |
- -- |
- -- |
жовте кільце желтое кольцо |
 |
| КД243Е |
- -- |
- -- |
біле кільце белое кольцо |
 |
| КД243Ж |
- -- |
- -- |
блакитне кільце голубое кольцо |
 |
| КД247А |
- -- |
- -- |
два фіолетові кільця два фиолетовые кольца |
 |
| КД247Б |
- -- |
- -- |
два оранжеві кільця два апельсина кольца |
 |
| КД247В |
- -- |
- -- |
два червоні кільця две красные кольца |
 |
| КД247Г |
- -- |
- -- |
два зелені кільця два зеленые кольца |
 |
| КД247Д |
- -- |
- -- |
два жовті кільця две желтые кольца |
 |
| КД247Е |
- -- |
- -- |
два білі кільця два белые кольца |
 |
| КД247Ж |
- -- |
- -- |
два блакитні кільця два голубые кольца |
 |
| КД410А |
- -- |
червона крапка красная точка |
- -- |
 |
| КД410Б |
- -- |
синя крапка синяя точка |
- -- |
 |
| КД509А |
- -- |
синє вузьке кільце голубое узкое кольцо |
синє широке кільце синее широкое кольцо |
 |
| 2Д509А |
- -- |
синя крапка и вузьке кільце синяя точка и узкое кольцо |
синє широке кільце синее широкое кольцо |
 |
| КД510А |
- -- |
два зелені вузькі кільця два зеленые узкие кольца |
зелене широке кільце зеленое широкое кольцо |
 |
| 2Д510А |
- -- |
зелена крапка зеленая точка |
зелене широке кільце зеленое широкое кольцо |
 |
| КД521А |
- -- |
два сині вузькі кільця два синие узкие кольца |
синє широке кільце синее широкое кольцо |
 |
| КД521Б |
- -- |
два сірі вузькі кільця два серые узкие кольца |
сіре широке кільце серое широкое кольцо |
 |
| КД521В |
- -- |
два жовті вузькі кільця две желтые узкие кольца |
жовте широке кільце желтое широкое кольцо |
 |
| КД521Г |
- -- |
два білі вузькі кільця два белые узкие кольца |
біле широке кільце белое широкое кольцо |
 |
| КД522А |
- -- |
чорне широке кільце черное широкое кольцо |
чорне вузьке кільце черное узкое кольцо |
 |
| КД522Б |
- -- |
чорне широке кільце черное широкое кольцо |
два чорні вузькі кільця две черные узкие кольца |
 |
| 2Д522Б |
- -- |
чорне широке кільце черное широкое кольцо |
чорна крапка черная точка |
 |
| КДС111А |
червона крапка красная точка |
- -- |
- -- |
 |
| КДС111Б |
зелена крапка зеленая точка |
- -- |
- -- |
 |
| КДС111В |
жовта крапка желтая точка |
- -- |
- -- |
 |
| КЦ422А |
- -- |
- -- |
чорна крапка черная точка |
 |
| КЦ422Б |
біла крапка белая точка |
- -- |
чорна крапка черная точка |
 |
| КЦ422В |
чорна крапка черная точка |
- -- |
чорна крапка черная точка |
 |
| КЦ422Г |
зелена крапка зеленая точка |
- -- |
чорна крапка черная точка |
 |
Контрольні запитання:
1. Що називають фотодіодом?
2. Що таке світлодіод?
3. Принцип роботи та призначення фото- та світло діодів?
4. Яким чином відбувається маркування?
Інструкційна картка №7 для самостійного опрацювання навчального матеріалу з дисципліни «Основи електроніки та мікропроцесорної техніки»
І. Тема:
2 Електронні прилади
2.3 Транзистори. Тиристори
Мета: Формування потреби безперервного, самостійного поповнення знань; розвиток творчих здібностей та активізації розумової діяльності.
ІІ. Студент повинен знати:
- Як впливає температура на роботу транзистора;
- Вплив частоти на транзистор;
- Переваги та недоліки роботи транзистора в ключовому режимі.
ІІІ. Студент повинен уміти:
- Вибирати транзистори, на які впливає температура та частота;
- Застосовувати транзистор в режимі ключа.
ІV. Дидактичні посібники:
Методичні вказівки до опрацювання.
V. Література:
[2, с. 134-139].
VІ. Запитання для самостійного опрацювання:
1. Температурні і частотні характеристики транзисторів.
2. Транзистор у режимі ключа.
VІІ. Методичні вказівки до опрацювання:
Теоретична частина.
VІІІ. Контрольні питання для перевірки якості засвоєння знань:
1. Який має вплив температура на роботу транзистора?
2. Частотні властивості транзистора?
3. В чому суть роботи транзистора в ключовому режимі?
ІХ. Підсумки опрацювання:
Підготував викладач:
Бондаренко І.В.
Теоретична частина: Транзистори. Тиристори
План:
1. Температурні і частотні характеристики транзисторів.
2. Транзистор у режимі ключа.
Література
1. Температурні і частотні характеристики транзисторів
Діапазон робочих температур транзисторів, що визначається властивостями р-п
переходів, такий же, як і у напівпровідникових діодів. Особливо сильно на роботу транзисторів впливає нагрів і менш істотно - охолоджування (до - 60°С). Дослідження показують, що при нагріві від 20 до 60° З параметри площинних транзисторів змінюються таким чином: rк
падає приблизно удвічі, rб
- на 15-20%, а rе
зростає на 15-20%. Уявлення про вплив нагріву на h- параметри дають графіки мал. 7.17, а,
побудовані для малопотужного площинного транзистора, включеного по схемі із загальною базою. Окрім зміни значення основних параметрів транзистора, нагрів викликає зсув вихідних характеристик і зміна їх нахилу (мал. 7.17, б), що також порушує нормальну роботу приладу.
 
Мал. 7.17. Вплив температури на h-параметри малопотужного площинного транзистора (а) і форму його вихідних характеристик (б)
Особливо істотний вплив на роботу транзистора при нагріві надає струм Iкбо
. Наближене значення струму при нагріві можна визначити з рівності

де Iкбо
t
, - величина Iкбо
при підвищеній температурі; IкБон
- величина Iкбо
при нормальній температурі (20 °С); Δ - різниця температур при нагріві транзистора.
Для практичних розрахунків можна прийняти, що при підвищенні температури на кожні 10°С струму Iкбо
зростає приблизно удвічі.
Нестабільність режиму транзистора, обумовлена струмом Iкбо
дуже істотна, оскільки зворотний струм колектора в значній мірі впливає на струми емітера і колектора, а, отже, на підсилювальні властивості транзистора.
Найчастіше для роботи при підвищених температурах застосовуються кремнієві транзистори. Гранична робоча температура у цих приладів складає 125...150°С. З цією ж метою використовується і ряд нових напівпровідникових матеріалів, з яких особливий інтерес представляє карбід кремнію. Прилади, виготовлені на карбіді кремнію, зможуть нормально працювати до температур 500...600°С.
На частотні властивості транзисторів більший вплив роблять ємності р-п
переходів. Із збільшенням частоти опір ємності зменшується і шунтуюча дія ємностей зростає. Тому Т-образна еквівалентна схема транзистора на високих частотах, окрім чисто активних опорів rе
, rб
і rк
, містить ємності Се
і Ск
, що шунтують емітерний і колекторний переходи. Особливо шкідливий вплив на роботу транзистора надає ємність Ск
оскільки на високих частотах опір ємності 1/ω0
СК
виявляється значно менше, ніж опір rк
, і колекторний перехід втрачає свої основні властивості. В даному випадку вплив ємності Ск
аналогічно впливу ємності, що шунтує р-п
перехід в площинному напівпровідниковому діоді.
Другою причиною погіршення роботи транзистора на високих частотах є відставання по фазі змінного струму колектора від змінного струму емітера. Це обумовлено інерційністю процесу проходження носіїв заряду через базу від емітерного переходу до колекторного, а також інерційністю процесів накопичення і всмоктування зарядів в базі.
Час прольоту носіїв через базу τпр
у звичайних транзисторів складає приблизно 0,1 мкс. Звичайно, це час дуже мало, але на частотах порядку одиниць - десятків мегагерц стає помітним деяке зрушення фаз між змінними складовими струмів Іе
і Ік. Це приводить до збільшення змінного струму бази і, як наслідок, до зниження коефіцієнта посилення по струму.
Цеявище ілюструється векторними діаграмами, приведеними на мал. 7.18. Перша з них відповідає низькій частоті, на якій всі струми практично співпадають по фазі, а коефіцієнт ρ має найбільшу величину.

Мал. 7.IS. Векторні діаграми струмів транзистора на різних частотах фаз ф між цими струмами.
Оцінюючи частотні властивості транзистора, слід враховувати також, що дифузія процес хаотичний. Неосновні носії зарядів, інжектовані емітером в базу, пересуваються в ньому різними шляхами. Тому носії, бази, що одночасно увійшли до області, досягають колекторного переходу в різний час. Таким чином, закон зміни струму колектора може не відповідати закону зміни струму емітера, що приводить до спотворення підсилюваного сигналу.
Необхідно відзначити, що із збільшенням частоти коефіцієнт ρ зменшується значно сильніше, ніж α. Коефіцієнт α знижується лише унаслідок впливу ємності Ск, а на величину ρ впливає, окрім цього, ще і зрушення фаз між Ік і Іе. Отже, схема із загальною базою має кращі частотні властивості, чим схема із загальним емітером.
Для визначення коефіцієнтів посилення потоку на частоті f можуть бути використані формули:

Для розширення частотного діапазону транзисторів необхідно збільшувати швидкість переміщення неосновних носіїв зарядів через базу, зменшувати товщину шару бази і колекторну ємність. При виконанні цих умов транзистори (наприклад, дрейфові) можуть успішно працювати на частотах близько десятків і сотень мегагерц.
2. Транзистор у режимі ключа
Найважливішими елементами сучасних схем автоматики і електронних обчислювальних машин є пристрої релейного типу. Головна особливість їх полягає в тому, що під впливом вхідного сигналу режим роботи таких пристроїв різко (стрибкоподібно) міняється.
Це дозволяє здійснювати перемикання, або комутацію, різних електричних ланцюгів схеми.
Перемикаючі пристрої релейного типу володіють двома стійкими положеннями, які можуть розглядатися як положення «включено» і «вимкнено». По аналогії з двійковим численням в математиці, в якому існує тільки два дискретні значення «0» і «1», такі пристрої часто називаються також двійковими елементами.
Транзистор є одним з найбільш поширених елементів безконтактних перемикаючих пристроїв. Режим роботи транзистора в перемикаючому пристрої зазвичай називають ключовим.
Цей режим характерний тим, що транзистор в процесі роботи періодично переходить з відкритого стану (режиму насичення) в замкнуте (режим відсічки) і навпаки, що відповідає двом стійким станам перемикаючого пристрою.
На мал. 7.19 зображена проста схема ключа на транзисторі рпр,
включеному по схемі із загальним емітером.
Замикання транзистора (режим відсічки) спостерігається у тому випадку, коли обидва р-п
переходи (емітерний і колекторний) закриті. Для цього достатньо, щоб зворотна напруга на цих переходах була близька до нуля (близько 0,05...0,1 В). З схеми мал. 7.19 видно, що для замикання транзистора типу рпр
потрібно подати на його вхід таку напругу, щоб потенціал бази був вищий за потенціал емітера, тобто щоб напруга між базою і емітером задовольняла нерівність UБЕ
≥0 (для транзисторів типу npn ознака цієї нерівності буде зворотною).
Напруга на колекторі замкнутого транзистора рівна

де IкБо
- зворотний струм колектора.
У замкнутому стані транзистор може знаходитися необмежено довго. Вивести його з цього стійкого стану можна тільки за рахунок зовнішніх дій, наприклад шляхом подачі на вхід транзистора типу рпр
запускаючого імпульсу негативної полярності.

Мал. 7.19. Ключова схема на транзисторі
Другим стійким станом є режим насичення відкритого транзистора.

Мал. 7.20. Графічне пояснення роботи транзистора в ключовому режимі: І
- режим відсічки; // - активний режим; /// - режим насичення
Насичення наступає у тому випадку, коли обидва р-п
переходи транзистора відкриті.
На мал. 7.20, а приведені вихідні статичні характеристики транзистора із загальним емітером. У сімействі цих характеристик проведена пряма навантаження АВ,
що виражає залежність струму колектора від напруги на колекторі. Величина струму колектора визначається головним чином величиною струму бази: чим більше струм бази (вхідний струм), тим більше струм колектора. При деякому значенні струму бази колекторний струм досягає максимальної величини Ікмах
. Така величина колекторного струму відповідає робочій точці А
на мал. 7.20, а.
При подальшому збільшенні струму бази струм колектора практично залишається незмінним. Тому струм отримав назву струму насичення
і позначається Ікнас
. Величина струму насичення відкритого транзистора може бути знайдена по формулі

Струму насичення колектора відповідає величина струму насичення бази

де β - коефіцієнт посилення транзистора по струму.
З мал. 7.20, а видно, що в області насичення (поблизу точки А)
напруги між колектором і емітером, як і напруги між будь-якими іншими виводами транзистора, близькі до нуля.
На мал. 7.20, б
показана залежність струму колектора від струму бази . З цього малюнка видно, що характеристика має злами на межах області замикання (відсічки) і насичення. Цесприяє чіткішій роботі перемикаючого пристрою. Слідує, проте, мати на увазі, що під час переходу транзистора з одного стійкого стану в інше можливі перехідні процеси, що спотворюють форму імпульсних струмів і напруги в ланцюгах транзистора. На мал. 7.21 приведені тимчасові діаграми, що ілюструють характер зміни колекторного струму під впливом імпульсного вхідного сигналу прямокутної форми.

Мал. 7.21. До пояснення перехідних процесів при роботі транзистора в режимі ключа
Якість транзисторного ключа визначається швидкістю перемикання, тобто часом його переходу з одного стану в інше. Чим вище частотні властивості транзистора, тим вище його швидкодія і тим краще він працює в ключовому режимі.
Контрольні запитання:
1. Який має вплив температура на роботу транзистора?
2. Частотні властивості транзистора?
3. В чому суть роботи транзистора в ключовому режимі?
Інструкційна картка № 8 для самостійного опрацювання навчального матеріалу з дисципліни «Основи електроніки та мікропроцесорної техніки»
І. Тема:
2 Електронні прилади
2.3 Транзистори. Тиристори
Мета: Формування потреби безперервного, самостійного поповнення знань; розвиток творчих здібностей та активізації розумової діяльності.
ІІ. Студент повинен знати:
- Що собою являє польовий транзистор;
- Принцип роботи ПТ;
- Графічні позначення;
- Основні характеристики ПТ.
ІІІ. Студент повинен уміти:
- Вибирати транзистори;
- Застосовувати польові транзистори.
ІV. Дидактичні посібники:
Методичні вказівки до опрацювання.
V. Література:
[3, с. 44-49].
VІ. Запитання для самостійного опрацювання:
1. Польові транзистори.
VІІ. Методичні вказівки до опрацювання:
Теоретична частина.
VІІІ. Контрольні питання для перевірки якості засвоєння знань:
1. На чому ґрунтується принцип роботи уніполярних транзисторів?
2. Які бувають типи польових транзисторів?
3. Їх принцип роботи?
4. Як графічно позначаються польові транзистори?
ІХ. Підсумки опрацювання:
Підготував викладач:
Бондаренко І.В.
Теоретична частина: Транзистори. Тиристори
План:
1. Польові транзистори.
Література
1. Польові транзистори
До класу уніполярних відносять транзистори, принцип дії яких ґрунтується на використанні носіїв заряду лише одного знаку (електронів або дірок). Керування струмом в силовому колі уніполярних транзисторів здійснюється зміною провідності каналу, через який протікає струм під впливом електричного поля. Тому уніполярні транзистори ще називаються польовими (ПТ).
Розрізняють ПТ з керуючим р-п
переходом (з затвором у вигляді р-п
переходу) та з ізольованим затвором. Останні, в свою чергу, поділяються на ПТ із вбудованим каналом та індукованим каналом. ПТ з ізольованим затвором належать до різновиду МДН-транзисторів: конструкція «метал - діелектрик - НП». Коли в якості діелектрика використовують оксид кремнію: конструкція «метал - оксид - НП», ПТ називають відповідно МОН-транзистором.
Характерною рисою ПТ є великий вхідний опір (108
– 1014
Ом).
Широкого розповсюдження ПТ набули завдяки високій технологічності у виробництві, стабільності характеристик і невеликій вартості за масового виробництва.
Польові транзистори з керуючим р-п
переходом
Конструкція та принцип дії ПТ з керуючим р-п переходом пояснюється на моделі, наведеній на рис. 2.23.

Рис. 2.23 - ПТ з керуючим р-п
переходом
У такого ПТ канал протікання струму являє собою шар НП, наприклад, n-типу, вміщений між двома р-п
переходами. Канал має контакти із зовнішніми електродами. Електрод, від якого починають рух носії заряду (у даному разі - електрони), називається витоком В, а електрод, до якого вони рухаються - стоком С.
НП шари p-типу, що створюють із n-шаром два р-п переходи, виконані з більш високою концентрацією основних носіїв, ніж n-шар. Обидва p-шари електрично з'єднані і мають зовнішній електрод, що називається затвором З.
Вихідна напруга підмикається між стоком і витоком, а вхідна напруга (керуюча) - між витоком та затвором, причому на затвор подається зворотна щодо витоку напруга.
Принцип дії такого ПТ полягає у тому, що зі змінами вхідної напруги змінюється ширина р-п
переходів, які являють собою ділянки НП, збіднені носіями зарядів (запірний шар). Оскільки p-шар має більшу концентрацію домішки, зміна ширини р-п
переходів відбувається головним чином за рахунок більш високоомного n-шару. При цьому змінюється переріз струмопровідного каналу, а отже і його провідність і відповідно вихідний струм приладу.
Особливість цього транзистора полягає у тому, що на провідність каналу впливає як керуюча напруга так і напруга Uсв
.
На рис. 2.24,а зовнішню напругу прикладено лише у вхідному колі транзистора. Зміна напруги призводить до зміни провідності каналу за рахунок зміни на однакову величину його перерізу вздовж усього каналу. Та оскільки ІІСВ
=0У
вихідний струм /-Н).

Рис. 2.24 - Вплив напруг на провідність каналу ПТ з керуючим р-п
переходом: а) при Uсв
=0;
б) при Uзв
=0
Аналогічно працюють транзистори з каналом р-типу, лише полярність напруг повинна бути зворотною.
На рис. 2.25 наведені умовні позначення ПТ з керуючим р-п
переходом.

Рис. 2.25 - Умовні позначення ПТ з керуючим р-п
переходом:
а) з каналом n-типу, б) з каналом р-типу
Роботу зазначених транзисторів визначають сім'ї ВАХ двох видів: стокові і стік-затворні.
Стокові (вихідні) характеристики, наведені на рис. 2.26 показують залежність струму стоку від напруги стік-витік за фіксованої напруги затвор-витік:

Рис. 2.26 - Стокові ВАХ ПТ з керуючим p-п
переходом
На ділянці 1 неробоча ділянка для випадку використання приладу у якості підсилюючого елементу. Тут його використовують як керований резистор.
На ділянці 2 робоча ділянка у режимі підсилення.
Ділянка 3 відповідає пробою приладу.
Стік-затворні (вхідні) ВАХ відображають залежність струму стоку від напруги затвор-витік за фіксованої напруги стік-витік:
Вхідна ВАХ зображена на рис. 2.27.

Рис. 2.27-Вхідна ВАХ ПТ з керуючим р-п
переходом
Параметри ПТ з керуючим р-п
переходом:
- максимальне значення струму стоку, сягає від десятків міліампер до одного ампера;
- максимальне значення напруги стік-витік, становить до 100 В;
- напруга відтинання ;
-внутрішнійопір;
-
крутизна стік-затворної характеристики;
- вхідний опір, становить десятки мегаом.
СІТ-транзистори
У середині 70-х років минулого століття багаторічні дослідження (Японія, США) завершились створенням ПТ із статичною індукцією: СІТ-транзистора. Цей транзистор, будучи по суті ПТ з керуючим р-п
переходом, є твердотільним аналогом електронновакуумної лампи - тріода, у якої вихідна характеристика при нульовому значенні сигналу керування за формою нагадує характеристику р-n переходу. З ростом від'ємного значення напруги керування характеристики зсуваються вправо.
На відміну від площинної горизонтальної конструкції ПТ з керуючим р-п
переходом, СІТ-транзистор має вертикальну конструкцію. Наприклад, p-шари затвору вводяться в n-шар вертикально. Таке виконання забезпечує приладу роботу при напругах до 2000 В й частотах до 500 кГц. А розміщення на одному кристалі великого числа елементарних транзисторів з наступним їх паралельним з'єднанням забезпечує робочі струми до 500 А - це вже є силовим електронним приладом!
Крім роботи в режимі ПТ, цей транзистор може працювати і в режимі біполярного транзистора, коли на затвор подасться додатне зміщення. При цьому падіння напруги на приладі у відкритому стані зменшується.
Умовне позначення СІТ-транзистора наведене на рис. 2.28.

Рис. 2.28 - Умовне позначення СІТ-транзистора
МДН-транзистори
На відміну від ПТ з керуючим р-п
переходом, у яких затвор має безпосередній електричний контакт із суміжною областю струмопровідного каналу, у МДН-транзисторів затвор, що являє собою, наприклад, алюмінієву плівку (Аl), ізольований від зазначеної області шаром діелектрика. Тому МДН-транзистори відносять до класу ПТ з ізольованим затвором. Наявність діелектрика забезпечує високий вхідний опір цих транзисторів (1012
- 1014
Ом).
Частіше у якості діелектрика використовують оксид кремнію і тоді ПТ називають МОН-транзистором (метал - окисид - НП). Такі транзистори бувають із вбудованим і індукованим каналами. Останні більш розповсюджені.
Конструкція МОН-транзистораз індукованим каналом n-типу зображена на рис. 2.29.

Рис. 2.29 - Конструкція МОН-транзистора з індукованим каналом
При позитивній напрузі на затворі відносно витоку поверхневий шар на межі НП з діелектриком збагачується електронами, які притягуються з глибини p-шару (де вони є завдяки тепловій генерації вільних носіїв заряду) до затвору: виникає явище інверсії НП у примежовій зоні, коли p-шар стає n-шаром. Таким чином, між зонами n-шарів наводиться (індукується) канал, по якому може протікати струм від стоку до витоку.
Вихідні ВАХ ПТ з ізольованим затвором подібні до ВАХ ПТ з керуючим р-п
переходом, тільки характеристики проходять вище зі збільшенням напруги.
Умовні позначення МДН-транзисторів наведені на рис. 2.30.

Рис. 2.30 - Умовні позначення МДН-транзисторів з каналами: вбудованим n-типу (а); вбудованим р-типу (б); індукованим n-типу (в); індукованим р-типу (г)
ПТ широко використовують як дискретні компоненти електронних пристроїв, а також у складі інтегральних мікросхем.
Контрольні запитання:
1. На чому ґрунтується принцип роботи уніполярних транзисторів?
2. Які бувають типи польових транзисторів?
3. Їх принцип роботи?
4. Як графічно позначаються польові транзистори?
Інструкційна картка №9 для самостійного опрацювання навчального матеріалу з дисципліни «Основи електроніки та мікропроцесорної техніки»
І. Тема:
2 Електронні прилади
2.4 Електровакуумні та іонні прилади
Мета: Формування потреби безперервного, самостійного поповнення знань; розвиток творчих здібностей та активізації розумової діяльності.
ІІ. Студент повинен знати:
- Що таке розряд;
- Види розрядів у газах;
- Газорозрядні прилади.
ІІІ. Студент повинен уміти:
- Розрізняти основні газорозрядні прилади прилади.
ІV. Дидактичні посібники:
Методичні вказівки до опрацювання.
V. Література:
[5, с. 35-50].
VІ. Запитання для самостійного опрацювання:
1. Іонні прилади з самостійним розрядом – неонова лампа, стабілітрони, тиратрони тліючого розряду
VІІ. Методичні вказівки до опрацювання:
Теоретична частина.
VІІІ. Контрольні питання для перевірки якості засвоєння знань:
1. В чому суть роботи газорозрядних приладів?
2. Які бувають розряди в газах?
3. Які прилади належать до приладів самостійного розряду?
4. Які прилади належать до приладів тліючого розряду?
ІХ. Підсумки опрацювання:
Підготував викладач:
Бондаренко І.В.
Теоретична частина: Електровакуумні та іонні прилади
План:
1. Іонні прилади з самостійним розрядом – неонова лампа, стабілітрони, тиратрони тліючого розряду
Література
1. Іонні прилади з самостійним розрядом – неонова лампа, стабілітрони, тиратрони тліючого розряду
В іонних (газорозрядних) приладах, які посідають більш скромне місце в електронній техніці, ніж електровакуумні й особливо напівпровідникові прилади, однак застосовуються досить широко, електричний струм утворюється не у вакуумі, а в газовому середовищі, в умовах зіткнення електронів з молекулами газу.
Молекули газу під дією ряду причин (електричного або магнітного полів, теплового, світлового випромінювань тощо) розпадаються на іони й електрони, і газ стає провідним. Однак у природних умовах кількість електронів і іонів в одиниці об'єму газу порівняно невелика, оскільки іонізуюча дія зовнішніх факторів досить слабка, одночасно з процесом розпадання молекул (іонізацією
) практично відбувається рівноцінний процес — рекомбінація, тобто процес сполучення електронів і іонів у нейтральні молекули (деіонізація
). Тому електропровідність газу в природних умовах настільки мала, що його можна вважати ізолятором. Якщо газ перебуває в розрідженому стані, то можливості для деіонізації зменшуються, оскільки тепер в одиниці об'єму міститься менше молекул, середні відстані між електронами й іонами збільшуються, отже, ймовірність їх зіткнення (а значить, і рекомбінація
) різко зменшується. Крім того, кількість електронів і іонів у газі значно збільшується внаслідок штучної зовнішньої дії (наприклад, електричного поля). Обидва ці фактори, що зумовлюють електричну провідність газу, використовуються в іонних приладах.
Конструктивно іонні прилади виготовляють у вигляді герметичних балонів (звичайно скляних), усередині яких розміщені електроди. Балони заповнюють розрідженим інертним газом або парами ртуті.
Коли до електродів іонного приладу прикласти напругу, то під дією електричного поля, що утворилося, позитивно заряджені іони починають рухатися до катода, а електрони до анода. Саме так в іонних приладах утворюється електричний струм.
Сукупність процесів, пов'язаних з проходженням струму через газ, називають електричним розрядом.
Коли напруга, прикладена до електродів іонного приладу, порівняно мала, то струм, що проходить через прилад, незначний і підлягає закону Ома. Цей струм зумовлений наявністю в газі електронів і іонів за рахунок природної іонізації (під впливом зовнішніх факторів). Такий розряд називають несамостійним
, оскільки він не утворюється і не розвивається, коли немає зовнішніх іонізуючих факторів. У цьому режимі значна частина електронів і іонів рекомбінує.
Коли поступово підвищувати напругу на електродах приладу, то дуже швидко настане так званий режим насичення
, при якому дальше підвищення напруги вже не супроводжується підсиленням струму. Це пояснюється тим, що майже всі електрони й іони, які утворилися в цих умовах за одиницю часу, беруть участь у перенесенні електричних зарядів. Рекомбінувати встигає лише незначна частина їх. Такий розряд називають «тихим
», оскільки він без видимих зовнішніх виявів, і вважають його різновидом несамостійного розряду. Якщо далі підвищувати напругу, то настає момент, коли швидкості електронів стають достатніми для розщеплення нейтральних молекул газу на електрони й іони. Починається додаткова іонізація газу, і настає режим самостійного розряду
. Електрони й іони, які щойно утворилися, беруть участь в іонізації і т. д. Цей процес наростає лавиноподібно. Струм через прилад збільшується, опір середовища різко спадає, напруга на електродах дещо зменшується. Іонний прилад, як кажуть, «запалюється» (газ у балоні починає світитися) і працює далі в режимі тліючого розряду
.
Особливістю цього режиму є автоматичне підтримання практично сталої напруги на електродах із зміною струму через прилад у досить широких межах. Сила струму обмежується зовнішнім опором кола. Ця властивість тліючого розряду широко використовується для стабілізації напруги в радіоелектронних схемах. Електроди в режимі тліючого розряду практично не нагріваються.
Дальше підвищення напруги на електродах супроводжується бомбардуванням катода позитивно зарядженими іонами, внаслідок чого катод нагрівається і починає випромінювати електрони (термоелектронна емісія)
. Кількість електронів, що іонізують газ, різко збільшується, опір ділянки анод — катод знижується і стає таким малим, що струм через прилад обмежується лише зовнішнім опором кола. Напруга на електродах приладу різко спадає. Такий розряд супроводжується яскравим свіченням газу в балоні і називається дуговим
.
У деяких іонних приладах спеціально встановлюють підігрівний (як в електронних лампах) катод, що дає можливість створити дуговий розряд при більш низьких напругах на електродах.
Ще один вид електричного розряду в газі — іскровий розряд
.
Він утворюється при високій електричній напрузі і тиску газу, близькому до атмосферного. На початку розряду між електродами утворюється іскровий канал (проскакує іскра, яка іонізує той простір газу, в якому вона утворилася). Цей іскровий канал є мовби провідником між двома електродами іонного приладу, і коли потужність джерела енергії достатня, то в приладі починаються процеси, аналогічні процесам дугового розряду. Коли ж потужність джерела енергії мала, то із зменшенням напруги іскровий розряд припиняється.
Іонні прилади тліючого розряду
Неонова лампа
(рис. 1) — найпростіший іонний прилад—складається з балона, заповненого розрідженим інертним газом (неоном) і укріплених всередині балона двох дискових або циліндричних електродів. Характерно, що неонова лампа не має розжарюваного катода.
Коли напруга, прикладена до лампи, менша за напругу запалювання, то в лампі розряд відбувається, проте він дуже слабкий і не має практичного значення. Коли ж прикладена напруга дорівнює напрузі запалювання або, тим більше, перевершує її, то в лампі утворюється тліючий розряд, який супроводжується оранжево-червоним свіченням неону. Коли напруга на електродах лампи стане меншою від напруги гасіння лампи, тліючий розряд припиниться і лампа згасне. Напруга гасіння завжди менша від напруги запалювання.

Рис. 1. – Неонові лампи:
а —
СН-1; б —
МН-3; в
— умовне позначення на схемах.
Неонову лампу можна вмикати в коло постійного і змінного струмів, пам'ятаючи при цьому, що опір «запаленої» лампи дуже малий і різке збільшення струму через неї може призвести до утворення дугового розряду і виходу лампи з ладу. Тому послідовно з лампою вмикають опір, що обмежує силу струму.
Характерна властивість
неонової лампи, яка широко використовується на практиці, полягає в тому, що в полях високої частоти ці лампи світяться без підмиканя електродів до джерел живлення, оскільки ерс, потрібна для утворення розряду в газі, створюється електромагнітним полем високої частоти. У лампі в цьому випадку утворюється високочастотний розряд. Ця особливість неонових ламп зумовила їх переважне застосування як індикаторів напруги в радіоапаратурі.
Основні технічні дані неонових ламп типів МН3, МН5, МН11 (мініатюрні неонові) відповідно такі: напруга запалювання 65, 150, 85 В; сила робочого струму 1; 0,2; 5А; строк служби 300, 500, 100 год.
Стабілітрон
— іонний стабілізатор напруги — застосовують у мережах постійного струму, коли напругу на навантаженні треба підтримувати незмінною.
У стабілітроні всередині скляного балона (рис. 2, а), заповненого інертним газом (неоном, гелієм, аргоном) або парами ртуті, розміщено два циліндричні електроди: зовнішній — катод 3
і внутрішній— анод 1, а в деяких конструкціях ще й запалюючий електрод 2.

Рис. 2. Стабілітрон:
а—
будова; б — вольт-амперна характеристика; в
— схема вмикання
Запалюючий електрод з'єднаний з катодом і забезпечує зниження напруги запалювання приладу, оскільки відстань між ним і анодом менша, ніж між катодом і анодом.
Вольт-амперна характеристика стабілітрона (рис. 2, б) показує, що, як тільки прилад «запалиться» U=Uз
, напруга на електродах зменшиться до робочої Uр
,
а струм досягне значення /р
. Характеристика відображує стабілізуючу дію приладу: зміна струму в діапазоні від Imin
до Imах
практично не позначається на напрузі, і його можна вважати постійним. Струм, більший за Ітах
,
недопустимий, оскільки прилад може перейти в режим дугового розряду, електроди розплавляться і стабілітрон вийде з ладу.
Схему вмикання стабілітрона зображено на рис. 2, в.
Принцип стабілізації напруги полягає в тому, що з підвищенням напруги U0
живлення збільшується струм через баластний опір Rб
і ділянку тп
кола. Здавалося б, мав би збільшитися спад напруги і на резисторі Rб
,
і наділянні тп.
Насправді ж напруга на ділянці тп
майже не збільшується, оскільки відповідно до характеристики стабілітрона зміна струму майже не спричинює зміни напруги на його електродах, і через навантаження Rн
проходить майже такий самий, як і раніше, струм Ін
.
Стабілізатори на стабілітронах прості і досить надійні. Однак у них низький коефіцієнт корисної дії, оскільки при нормальному режимі в колі частина струму проходить через прилад.
Як приклад наведемо технічні дані стабілітронів газорозрядних типів СПП, СГ19С і СГ304С (відповідно): сила струму 5—30, 10—60 і 0,05—1,0 мА, строк служби 1000, 500 і 500 год, напруга горіння 143—155 В, 1,05—1,15 і 28,5-31,5 кВ.
Тиратрон з холодним катодом
(рис. 3)—триелектродний іонний прилад тліючого розряду. Всередині балона 4,
заповненого інертним газом, закріплено три електроди: катод 1
у формі закритого зверху циліндра; сітка З
у вигляді шайби з отвором у центрі і анод 2
— загострений стержень, що проходить крізь отвір у шайбі. Виводами 5
від електродів є тонкі гнучкі провідники.

Рис. 3 – Тиратрон з холодним катодом:
а
— будова тиратрона МТХ-90; б
— умовне позначення на схемах.
Сітка виконує функції пускового пристрою. На неї подається позитивна напруга (значно менша, ніж на анод), і між нею і катодом встановлюється режим так званого тихого розряду, внаслідок чого поблизу катода утворюється область іонізованого газу. До анода в цей час прикладено високу напругу, проте недостатню для того, щоб тиратрон відкрився, тобто щоб між анодом і катодом утворився тліючий розряд. Тиратрон, як кажуть, перебуває на грані спрацьовування.
Досить тепер подати на сітку запускаючий імпульс, як миттю у просторі між сіткою і катодом утворюється тліючий розряд. Внаслідок додаткової іонізації газу різко збільшується кількість вільних електронів, і, таким чином, створюються умови для утворення тліючого розряду вже на ділянці анод — катод при тій самій анодній напрузі. Тліючий розряд ніби перекидається на анод — тиратрон запалюється. Відразу після цього сітка втрачає свої керівні властивості, оскільки навіть негативна напруга, яку подано на неї, не може заперти тиратрон, тому що негативний заряд сітки буде нейтралізовано позитивними іонами газу, що оточують сітку. Щоб погасити тиратрон, треба зменшити анодну напругу.
Технічні дані тиратронів з холодним катодом марок МТХ-90 (малогабаритний), ТХ-2 і ТХ-5Б відповідно такі: напруга запалювання 150, 350 і 225 В, короткочасний струм анода (не менше) 8,5; 100 і 1,5 мА, довговічність 10000 спрацьовувань 500 і 5000 год.
Контрольні запитання:
1. В чому суть роботи газорозрядних приладів?
2. Які бувають розряди в газах?
3. Які прилади належать до приладів самостійного розряду?
4. Які прилади належать до приладів тліючого розряду?
Інструкційна картка №10 для самостійного опрацювання навчального матеріалу з дисципліни «Основи електроніки та мікропроцесорної техніки»
І. Тема:
2 Електронні прилади
2.4 Електровакуумні та іонні прилади
Мета: Формування потреби безперервного, самостійного поповнення знань; розвиток творчих здібностей та активізації розумової діяльності.
ІІ. Студент повинен знати:
- Призначення та будову іонних приладів з несамостійним розрядом;
- Область застосування приладів.
ІІІ. Студент повинен уміти:
- Застосовувати при побудові схем газорозрядні прилади.
ІV. Дидактичні посібники:
Методичні вказівки до опрацювання.
V. Література:
[5, с. 35-50].
VІ. Запитання для самостійного опрацювання:
1. Іонні прилади з несамостійним розрядом – газотрони, тиратрони дугового розряду.
VІІ. Методичні вказівки до опрацювання:
Теоретична частина.
VІІІ. Контрольні питання для перевірки якості засвоєння знань:
1. Що таке газотрон?
2. Призначення та будова газотрону?
3. Будова та призначення іскрового розрядника?
ІХ. Підсумки опрацювання:
Підготував викладач:
Бондаренко І.В.
Теоретична частина: Електровакуумні та іонні прилади
План:
1. Іонні прилади з несамостійним розрядом – газотрони, тиратрони дугового розряду.
Література
1. Іонні прилади з несамостійним розрядом – газотрони, тиратрони дугового розряду
Газотрон
(рис. 4, а)
— це найпростіший прилад дугового розряду. Всередині колби газотрона, заповненої інертним газом (аргоном, гелієм, ксеноном) або парами ртуті, розміщено два електроди — катод і анод. Конструкція приладу така, що дає можливість при порівняно невеликих анодних напругах утворювати режим дугового розряду, минаючи фазу тліючого розряду.
Вольт-амперна характеристика газотрона (рис. 4, б) показує, що при анодних напругах,
які не перевищують напруги запалювання,
через газотрон проходить незначний струм, зумовлений термоелектронною емісією катода (ділянка до А).
Коли Ua
=U3
,
відбувається інтенсивна іонізація газу й утворюється дуговий розряд. Напруга на аноді дещо зменшується (ділянка АВ)
і далі майже не залежить від струму, що проходить через нього (ділянка ВС).
Цей режим і є робочим режимом газотрона.

Рис. 4. Газотрон:
а
— будова; б — вольт-амперна характеристика; в — умовне позначення на схемах.
Збільшення струму понад iАдоп
відповідає точці С
на характеристиці, не допускається, оскільки газотрон може вийти з ладу. Основна властивість газотрона — одностороння провідність. Коли до його анода прикладено негативну напругу (відносно катода), то дуговий розряд припиниться. Проте слід зазначити, що через газотрон все-таки піде (хоча й незначний) струм зворотного напрямку, зумовлений наявністю невеликої кількості електронів і іонів на ділянці анод — катод. Цю напругу називають зворотною
. Таким чином, газотрону властива одностороння провідність, тобто в одному напрямку він пропускає струм набагато краще, ніж у другому. Разом з тим, коли негативна напруга на аноді перевищить певну величину, то в газотроні утворюється тліючий розряд від анода до катода, який може перейти в дуговий розряд.
Зворотна напруга Uзв
значно більша за напругу запалювання U3
тому властивість односторонньої провідності дає можливість використати газотрон у пристроях перетворення змінного струму на постійний — у випрямлячах.
Газотрони порівняно з вакуумними випрямними приладами (кенотронами) мають набагато менший внутрішній опір і при тих самих розмірах пропускають більші струми при порівняно низьких (10—20 В) спадах напруги на ділянці анод — катод. Газотрони мають суттєвий недолік — зворотний струм проходить навіть у випадках невеликих зворотних напруг.
Умовне позначення газотрона подано на рис. 4, в.
Технічні дані газорозрядних газотронів марок ГП-0,3/8, ГП-1/22 і ГП-6/15 відповідно такі: допустима зворотна напруга 8, 22 і 15 кВ, робочий струм 0,3, 1,0 і 6,0 А, строк служби 500, 300 і 500 год.
Іскровий розрядник
— найпоширеніший представник іонних приладів, в яких використовується іскровий розряд. У скляному балоні 2
іскрового розрядника (рис. 5) розміщено два електроди 1, з'єднані з вивідними контактами 3.
Балон заповнено інертним газом (звичайно це криптон), але на відміну від приладів тліючого або дугового розрядів тиск газу тут вищий. Такі розрядники призначені для захисту ліній зв'язку, антенних пристроїв, схем і приладів від грозових розрядів та інших видів короткочасних перенапружень.

Рис. 5. Іонні розрядники: а
— типу РА; б — типу РБ; в
— умовне позначення на схемах.
Коли в схемі, яку захищають, діють звичайні напруги, що не перевищують розрахункові, в розряднику встановлюється режим тихого розряду. Опір розрядника в таких випадках настільки великий, що вмикання його в лінію або схему практично не впливає на їх роботу. Коли напруга перевищить допустиму, в розряднику утворюється іскровий розряд, опір його різко спадає, розрядник ніби замикає лінію накоротко, запобігаючи від перевантажень увімкнену в цю лінію апаратуру. Через розрядник при цьому проходить великий струм, а напруга на його електродах знижується.
Коли потужність джерела перенапруження велика, то іскровий розряд перетворюється на дуговий. Коли ж ця потужність мала, то із зменшенням розрядного струму прилад перейде в режим тихого розряду, оскільки при тиску, що в ньому існує, ні іскровий, ні тліючий розряди при нормальній напрузі на електродах не зберігаються.
Контрольні запитання:
1. Що таке газотрон?
2. Призначення та будова газотрону?
3. Будова та призначення іскрового розрядника?
Інструкційна картка №11 для самостійного опрацювання навчального матеріалу з дисципліни «Основи електроніки та мікропроцесорної техніки»
І. Тема:
2 Електронні прилади
2.4 Електровакуумні та іонні прилади
Мета: Формування потреби безперервного, самостійного поповнення знань; розвиток творчих здібностей та активізації розумової діяльності.
ІІ. Студент повинен знати:
- Правила маркування електровакуумних та іонних приладів;
- Область застосування приладів.
ІІІ. Студент повинен уміти:
- Розшифровувати умовні позначення ламп.
ІV. Дидактичні посібники:
Методичні вказівки до опрацювання.
V. Література:
[4, с. 22-23].
VІ. Запитання для самостійного опрацювання:
1. Маркування електровакуумних та іонних приладів.
VІІ. Методичні вказівки до опрацювання:
Теоретична частина.
VІІІ. Контрольні питання для перевірки якості засвоєння знань:
1. Що позначає кожен елемент в маркуванні електровакуумних та іонних приладів?
ІХ. Підсумки опрацювання:
Підготував викладач:
Бондаренко І.В.
Теоретична частина: Електровакуумні та іонні прилади
План:
1. Маркування електровакуумних та іонних приладів.
Література
1. Маркування електровакуумних та іонних приладів
Позначення приймально-підсилювальних ламп складаються з декількох цифрових і буквених елементів.
Перший елемент
- число, вказує напругу напруження у вольтах (закруглено).
Другий елемент
- буква, що характеризує тип лампи: Д - діоди, Ц - кенотрони, X - подвійні діоди, С - тріоди, Н - подвійні тріоди, П - вихідні пентоди і
променеві тетроди, Ж - пентоди з короткою характеристикою, К - пентоди з подовженою характеристикою, Г - діод - тріод, Б - діод - пентоди, А - багатосіткові лампи.
Третій елемент
- порядковий номер даного типу лампи.
Четвертий елемент
- буква, що характеризує конструктивне оформлення лампи: С - в скляному балоні діаметром більше 22,5 мм; П - мініатюрні (пальчикові) в скляному балоні діаметром 19 і 22,5 мм; Б - надмініатюрні в скляному балоні діаметром від 6 до 10,5 мм; А - надмініатюрні в скляному балоні діаметром від 4 до 6 мм.
Наприклад: 6Д6А - напруга напруження 6,3 В; діод надмініатюрний в скляному балоні діаметром 6 мм; шостий номер розробки; 1Ц21П - напруга напруження 1,4 В; кенотрон пальчикової серії з діаметром балона 22,5 мм; двадцять перший номер розробки.
Контрольні запитання:
1. Що позначає кожен елемент в маркуванні електровакуумних та іонних приладів?
Інструкційна картка №12 для самостійного опрацювання навчального матеріалу з дисципліни «Основи електроніки та мікропроцесорної техніки»
І. Тема:
2 Електронні прилади
2.5 Гібридні інтегральні мікросхеми
Мета: Формування потреби безперервного, самостійного поповнення знань; розвиток творчих здібностей та активізації розумової діяльності.
ІІ. Студент повинен знати:
- Конструкції гібридних ІМС;
- Методи створення;
- Галузь застосування гібридних ІМС.
ІІІ. Студент повинен уміти:
- Розрізняти різні типи гібридних ІМС.
ІV. Дидактичні посібники:
Методичні вказівки до опрацювання.
V. Література:
[1, с. 60-62].
VІ. Запитання для самостійного опрацювання:
1. Конструктивні елементи гібридних інтегральних мікросхем. маркування гібридних мікросхем.
VІІ. Методичні вказівки до опрацювання:
Теоретична частина.
VІІІ. Контрольні питання для перевірки якості засвоєння знань:
1. Які основні конструктивні елементи гібридних ІМС?
2. Які переваги та недоліки гібридних ІМС на відміну від напівпровідникових ІМС?
ІХ. Підсумки опрацювання:
Підготував викладач:
Бондаренко І.В.
Теоретична частина: Гібридні інтегральні мікросхеми
План:
1. Конструктивні елементи гібридних інтегральних мікросхем, маркування гібридних мікросхем.
Література
1. Конструктивні елементи гібридних інтегральних мікросхем, маркування гібридних мікросхем
Гібридні ІМС складаються з таких конструктивних вузлів:
1) ізоляційна основа із склопластику або керамічна, на поверхню якої у вигляді плівок нанесені резистори, конденсатори невеликої ємності, котушки невеликої індуктивності, електричні з'єднання;
2) дискретні безкорпусні НП прилади;
3) дискретні конденсатори великої ємності, трансформатори, дроселі;
4) ізоляційний корпус, що забезпечує герметизацію усіх елементів ІМС і має вивідні контакти.

Рис. 1 – Конструкція плівкових резисторів з малим (а) і великим (б) опором
На рис. 1 показано конструкцію плівкових резисторів з малим і великим опором. Тонку плівку з чистого хрому, ніхрому або танталу наносять безпосередньо на ізоляційну основу. У такий спосіб одержують резистори з опором від 0,001 до десятків кілоом. Щоб одержати більш високоомні резистори (до десятків мегаом), використовують металодіелектричні суміші (наприклад, хром та монооксид кремнію).

Рис. 2. - Конструкція плівкового конденсатора
На рис. 2 зображена конструкція плівкового конденсатора. Нижня та верхня обкладки конденсатора 2 є тонкими плівками із міді, срібла або золота. Діелектриком 1 є плівка із силікату алюмінію, двоокисиду титану або кремнію. Розміщені вони на діелектричній основі 3.
Ємність таких конденсаторів може бути від десятих часток мікрофарад до десятків тисяч мікрофарад.
Провідники виконують у вигляді тонкої (1 мкм) плівки із золота чи міді з підшарком нікелю або хрому.
Дискретні елементи із гнучкими виводами (золотий дріт діаметром 30 – 50 мкм) приєднується до плівкової мікросхеми пайкою або зваркою.
Електронні пристрої на гібридних ІМС можуть мати щільність монтажу до 60 – 100 елементів на 1 см3
. За такої щільності об'єм пристрою, що має 107
елементів, може складати 0,1–0,5 м3
, а середній час безвідмовної роботи - 103
–104
годин і більше.
На відміну від гібридних ІМС, напівпровідникові
виконуються на основі кристалу НП, де окремі його області виконують ролі транзисторів, діодів, конденсаторів, резисторів і т. ін., які з'єднуються за допомогою алюмінієвих плівок, що наносяться на поверхню кристалу.
Електронні пристрої на напівпровідникових ІМС можуть мати щільність монтажу до 500 елементів у 1 см3
і цей параметр з року в рік зростає.
Контрольні запитання:
1. Які основні конструктивні елементи гібридних ІМС?
2. Які переваги та недоліки гібридних ІМС на відміну від напівпровідникових ІМС?
Інструкційна картка №13 для самостійного опрацювання навчального матеріалу з дисципліни «Основи електроніки та мікропроцесорної техніки»
І. Тема:
2 Електронні прилади
2.5 Гібридні інтегральні мікросхеми
Мета: Формування потреби безперервного, самостійного поповнення знань; розвиток творчих здібностей та активізації розумової діяльності.
ІІ. Студент повинен знати:
- Типи безкорпусних напівпровідникових приладів;
- Способи їх під’єднання.
ІІІ. Студент повинен уміти:
- Класифікувати безкорпусні напівпровідникові прилади.
ІV. Дидактичні посібники:
Методичні вказівки до опрацювання.
V. Література:
[2, с. 162-163].
VІ. Запитання для самостійного опрацювання:
1. Активні елементи – безкорпусні напівпровідникові прилади
VІІ. Методичні вказівки до опрацювання:
Теоретична частина.
VІІІ. Контрольні питання для перевірки якості засвоєння знань:
1. Як класифікуються безкорпусні напівпровідникові прилади?
2. Які існують способи під’єднання виводів до контактних майданчиків?
3. В чому недолік конструкції безкорпусних напівпровідникових приладів?
ІХ. Підсумки опрацювання:
Підготував викладач:
Бондаренко І.В.
Теоретична частина: Гібридні інтегральні мікросхеми
План:
1. Активні елементи – без корпусні напівпровідникові прилади
Література
1. Активні елементи – без корпусні напівпровідникові прилади
У гібридних інтегральних мікросхемах як активні елементи застосовують дискретні напівпровідникові прилади. За способом герметизації вони діляться на безкорпусні і корпусні. Оскільки безкорпусні прилади мають малі габарити і масу, застосування їх в гібридних інтегральних мікросхемах слід вважати найбільш доцільним і перспективним.
За способом монтажу в мікросхему безкорпусні напівпровідникові прилади можна розділити на дві групи: прилади з гнучкими виводами і прилади з жорсткими об'ємними виводами.
На мал. 8.4 показана одна з типових конструкцій безкорпусного приладу (діодної матриці) з гнучкими виводами. Діаметр дротяних виводів складає зазвичай 30-40 мкм. Виводи до контактних майданчиків під'єднуються різними методами, головними з яких є термокомпресійний і ультразвуковий. Метод термокомпресії заснований на одночасній дії тепла і тиску на область контакту. Метод ультразвукової зварки заснований на одночасній дії коливань ультразвукової частоти, збуджених в зварюваних деталях, і тиску в області зварки. Вібрації високої частоти, руйнуючи плівку оксиду на поверхні розділу металів в області зварки, сприяють підвищенню якості зварного з'єднання.

Мал. 8.4. Діодна матриця з гнучкими виводами

Мал. 8.5. Схема установки транзистора з жорсткими сферичними виводами: 1 – вивід бази; 2 –
вивідна колекторі; 3-
вивід емітера
Недолік конструкції безкорпусних напівпровідникових приладів з гнучкими виводами полягає в трудності автоматизації процесів установки приладів в мікросхему. Тому при збірці активних елементів широко використовуються прилади з жорсткими виводами. Для них характерна відсутність сполучних провідників, що дозволяє автоматизувати процес зварки мікросхем і підвищити надійність з'єднань. На мал. 8.5. схематично показана структура установки транзистора з жорсткими сферичними (кульковими) виводами. Як матеріал виводів застосовують мідь і срібло. Для запобігання дії зовнішніх чинників кристали напівпровідника в безкорпусних приладах покривають спеціальними захисними покриттями (лаки, емалі, смоли, компаунди і ін.).
Контрольні запитання:
1. Як класифікуються безкорпусні напівпровідникові прилади?
2. Які існують способи під’єднання виводів до контактних майданчиків?
3. В чому недолік конструкції безкорпусних напівпровідникових приладів?
Інструкційна картка №14 для самостійного опрацювання навчального матеріалу з дисципліни «Основи електроніки та мікропроцесорної техніки»
І. Тема:
2 Електронні прилади
2.6 Напівпровідникові інтегральні мікросхеми
Мета: Формування потреби безперервного, самостійного поповнення знань; розвиток творчих здібностей та активізації розумової діяльності.
ІІ. Студент повинен знати:
- Правила маркування електровакуумних та іонних приладів;
- Область застосування приладів.
ІІІ. Студент повинен уміти:
- Розшифровувати умовні позначення ламп.
ІV. Дидактичні посібники:
Методичні вказівки до опрацювання.
V. Література:
[4, с. 214-215].
VІ. Запитання для самостійного опрацювання:
1. Маркування напівпровідникових інтегральних мікросхем.
VІІ. Методичні вказівки до опрацювання:
Теоретична частина.
VІІІ. Контрольні питання для перевірки якості засвоєння знань:
1. Що позначає кожен елемент в маркуванні електровакуумних та іонних приладів?
ІХ. Підсумки опрацювання:
Підготував викладач:
Бондаренко І.В.
Теоретична частина: Напівпровідникові інтегральні мікросхеми
План:
1. Маркування напівпровідникових інтегральних мікросхем.
Література
1. Маркування напівпровідникових інтегральних мікросхем
Система умовних позначень сучасних типів інтегральних мікросхем встановлена ОСТ 11073915-80. У основу системи позначень покладений буквено-цифровий код.
Перший елемент - цифра, що позначає групу інтегральної мікросхеми по конструктивно-технологічному виконанню:
1,5,6,7 - напівпровідникові ІМС; 2,4,8 - гібридні; 3 - інші (плівкові, вакуумні, керамічні).
Другий елемент - дві або три цифри (від 01 до 99 або від 001 до 999), вказують на порядковий номер розробки даної серії ІМС.
Перший і другий елемент утворюють серію мікросхем.
Третій елемент - дві букви, що позначають функціональну підгрупу і вид мікросхеми.
1. Обчислювальні пристрої:
ВЕ - МІКРО-ЕВМ; ВМ - мікропроцесори; ВС - мікропроцесорні секції; ВУ - пристрої мікропрограмного управління; ВР - функціональні розширювачі; ВБ - пристрої синхронізації; ВН - пристрої управління перериванням; ВВ - пристрої управління вводом-виводом; ВТ - пристрої управління пам'яттю; ВФ - функціональні перетворювачі інформації; ВА - пристрої сполучення з магістраллю; ВІ - часозадаючі пристрої; ВХ - мікрокалькулятори; ВГ - контроллери; ВК - комбіновані пристрої; ВЖ - спеціалізовані пристрої; ВП - інші.
2.Генератори сигналів:
ГС - гармонійних; ГГ - прямокутної форми; ГЛ - лінійно - що змінюються; ГМ - шуму; ГФ - спеціальної форми; ГП - інші.
3.Детекторы:
ТАК - амплітудні; ДІ - імпульсні; ДС - частотні; ДФ - фазові; ДП - інші.
4.Пристрої, що запам'ятовують:
РМ - матриці ОЗУ; РУ - ОЗУ; РВ - матриці ПЗП; РЕ - ПЗП; РТ - ПЗП з можливістю одноразового програмування; РР - ПЗП з можливістю багатократного електричного перепрограмування; РФ - ПЗП з ультрафіолетовим стиранням і електричним записом інформації; РА - асоціативні пристрої, що запам'ятовують; РЦ - пристрої, що запам'ятовують, на ЦМД; РП - інші.
5.Джерела вторинного живлення:
ЕМ - перетворювачі; ЕВ - випрямлячі; ЕН - стабілізатори напруги безперервні; ЕТ - стабілізатори струму; ЕК - стабілізатори напруги імпульсні; ЕУ - пристрої управління імпульсними стабілізаторами напруги; ЕС - джерела вторинного живлення; ЕП - інші;
6. Комутатори і ключі:
КТ - струму; КН - напруга; КП - інші;
7.Логічні елементи:
ЛИ - И; ЛЛ - ИЛИ; ЛН - НЕ; ЛС - И-ИЛИ; ЛА - И-НЕ; ЛЕ - ИЛИ-НЕ; ЛР - И-ИЛИ-НЕ; ЛК - И-ИЛИ-НЕ (И-ИЛИ); ЛМ - ИЛИ-НЕ (ИЛИ); ЛБ - И-НЕ / ИЛИ-НЕ; ЛД.
8.Багатофункціональні пристрої:
ХА - аналогові; ХЛ - цифрові; ХК -комбіновані; ГМ - цифрові матриці; ХИ - аналогові матриці ХТ - комбіновані матриці; ХИ - інші.
9.Модуляторы:
МА - амплітудні; MИ - імпульсні; MС - частотні; MФ - фазові; МП - інші.
10.Набори елементів:
НД - діодів; НТ - транзисторів; НР - резисторів; НЕ - конденсаторів; НК - комбіновані; НФ - функціональні; НП - інші.
11.Перетворювачі:
ПС - частоти; ПФ - фази; ПД - тривалість (імпульсів); ПН - напруга; ПМ - потужності; ПУ - рівня (узгоджувачі); ПЛ - синтезатори частоти; ПЕ - дільники частоти аналогові; ПЦ - дільники частоти цифрові; ПА - цифро - аналогові; ПВ - аналого - цифрові; ПР - код - код; ПП - інші.
12.Тригери:
ТЛ - Шмітта; ТД - динамічні; ТТ - Т - тригер; ТР - RS - тригер; ТМ - D - тригер; ТБ - JK - тригер; ТК - комбіновані; ТП - інші.
13.Підсилювачі:
УТ - постійного струму; УИ - імпульсні; УЕ- повторювачі; УВ - високої частоти; УР - проміжної частоти; УН - низької частоти; УК - широкосмугові; УЛ - прочитування і відтворення; УМ - індикації; УД - операційні; УС - диференціальні; УП - інші.
14.Пристрої затримки:
БМ - пасивні; БР - активні; БП - інші.
15.Пристрої селекції і порівняння:
CА - амплітудні; CВ - тимчасові; CС - частотні; CФ - фазові; CП - інші.
16.Фильтры:
ФВ - верхніх частот; ФН - нижніх частот; ФЕ - смугові; ФР - режекторні; ФП - інші.
17.Формувачі:
АГ - імпульсів прямокутної форми; АФ - імпульсів спеціальної форми; АА - адресних струмів; АР - розрядних струмів; АП - інші.
18.Фоточутливі пристрої із зарядовим зв'язком:
ЦМ - матричні; ЦЛ - лінійні; ЦП - інші.
19.Цифрові пристрої:
ИР - регістри; ИМ - суматори; ИЛ - напівсуматори; ИЕ - лічильники; ИД - дешифратори; ИК - комбіновані; ИВ - шифратори; ИА - арифметично - логічні пристрої; ИП - інші.
Четвертий елемент - число, що позначає порядковий номер розробки мікросхеми в серії.
У позначення також можуть бути введені додаткові символи (від А до Я), що визначають допуски на розкид параметрів мікросхем і т.п. Перед першим елементом позначення можуть стояти наступні букви: К - для апаратури широкого застосування; Э - на експорт (крок виводів 2,54 і 1,27 мм); Р - пластмасовий корпус другого типу; М - керамічний, металло- або склокерамічний корпус другого типу; Е - металополімерний корпус другого типу; А - пластмасовий корпус четвертого типу; И - склокерамічний корпус четвертого типа Н - кристалоносій.
Для безкорпусних інтегральних мікросхем перед номером серії може додаватися буква Б, а після неї, або після додаткового буквеного позначення через дефіс указується цифра, що характеризує модифікацію конструктивного виконання:
1 - з гнучкими виводами; 2 - із стрічковими виводами; 3 - з жорсткими виводами; 4 - на загальній пластині (неподілені); 5 - розділені без втрати орієнтування (наприклад, наклеєні на плівку); 6 - з контактними майданчиками без виводів(кристал).
Контрольні запитання:
1. Що позначає кожен елемент в маркуванні електровакуумних та іонних приладів?
Інструкційна картка №15 для самостійного опрацювання навчального матеріалу з дисципліни «Основи електроніки та мікропроцесорної техніки»
І. Тема:
2 Електронні прилади
2.7 Оптоелектронні прилади
Мета: Формування потреби безперервного, самостійного поповнення знань; розвиток творчих здібностей та активізації розумової діяльності.
ІІ. Студент повинен знати:
- Будову та призначення оптрона;
- Види оптоелектронних пар;
- Умовні позначення.
ІІІ. Студент повинен уміти:
- Використовувати оптоелектронні пристрої в схемних рішеннях.
ІV. Дидактичні посібники:
Методичні вказівки до опрацювання.
V. Література:
[2, с. 184-192].
VІ. Запитання для самостійного опрацювання:
1. Оптоелектронні інтегральні мікросхеми
VІІ. Методичні вказівки до опрацювання:
Теоретична частина.
VІІІ. Контрольні питання для перевірки якості засвоєння знань:
1. Що таке оптоелектроніка?
2. На чому заснована оптоелектроніка?
3. Що собою являє оптоелектронна пара?
4. Які існують способи застосування оптоелектроніки?
ІХ. Підсумки опрацювання:
Підготував викладач:
Бондаренко І.В.
Теоретична частина: Оптоелектронні прилади
План:
1. Оптоелектронні інтегральні мікросхеми
Література
1. Оптоелектронні інтегральні мікросхеми
Оптоелектроніка - один з найбільш розвинених напрямів у функціональній мікроелектроніці, оскільки оптичні і фотоелектричні явища досить добре вивчені, а технічні засоби, засновані на цих явищах, тривалий час використовуються в електроніці (фотоелементи, фотоелектронні помножувачі, фотодіоди, фототранзистори і ін.). Проте оптоелектроніка як самостійний науково-технічний напрям виникла порівняно недавно, а її досягнення нерозривно пов'язані з розвитком сучасної мікроелектроніки.
Спочатку оптоелектроніка вважалася порівняно вузькою галуззю електроніки, що вивчає лише напівпровідникові світловипромінювачі і фотоприймачі. Проте останнім часом поняття «оптоелектроніка» значно розширилося. Тепер в нього включають і такі недавно виниклі напрями, як лазерна техніка, волоконна оптика, голографія
і ін. Відповідно до рекомендацій МЕК (Міжнародній електротехнічній комісії) оптоелектронний прилад визначається як прилад, чутливий до електромагнітного випромінювання у видимій, інфрачервоній або ультрафіолетовій областях; або прилад, що випромінюючий і перетворює некогерентне або когерентне випромінювання в цих же спектральних областях; або ж прилад, що використовує таке електромагнітне випромінювання для своєї роботи.
Оптоелектроніка заснована на електронно-оптичному принципі отримання, передачі, обробки і зберігання інформації, носієм якої є електрично нейтральний фотон. Поєднання в оптоелектронних функціональних пристроях двох способів обробки і передачі інформації - оптичного і електричного - дозволяє досягати величезної швидкодії, високої щільності розміщення інформації, що зберігається, створення високоефективних засобів відображення інформації. Дуже важливою перевагою елементів оптоелектроніки є те, що вони оптично зв'язані, а електрично ізольовані між собою. Це забезпечує надійне узгодження різних оптоелектронних ланцюгів, сприяє однонаправленості передачі інформації, перешкодостійкості каналів передачі сигналів. Виготовлення напівпровідникових елементів оптоелектроніки - оптронів - сумісно з інтегральною технологією, тому їх створення може бути включене в єдиний технологічний цикл виробництва інтегральних мікросхем.

Мал. 10.1. Структурна схема оптрона
Розглянемо основні технічні засоби оптоелектроніки.
Основним елементом оптоелектроніки, як вже наголошувалося вище, є оптрон. Простий оптрон є чотириполюсник (мал. 10.1), що складається з трьох елементів: джерела випромінювання (фотовипромінювача) 1, світлодіода 2
і приймача випромінювання (фотоприймача) 3, розміщених в герметичний світлонепроникний корпус.
Поєднання фотовипромінювача і фотоприймача в оптроні отримало назву оптоелектронної пари.
Найбільш поширеними випромінювачами є світлодіоди, виконані на основі арсеніду галію, фосфіду галію, фосфіду кремнію, карбіду кремнію і ін. Вони мають високу швидкодію (близько 0,5 мкс), мініатюрні і достатньо надійні в роботі. По своїх спектральних характеристиках світлодіоди добре узгоджуються з фотоприймачами, виконаними на основі кремнію. Оскільки можливості схемотехніки оптрона визначаються головним чином характеристиками фотоприймача, цей елемент і дає назву оптрона в цілому. До основних різновидів оптронів відносяться: резистори
(фотоприймачем служить фоторезистор); діодні
(фотоприймач - фотодіод); транзисторні
(фотоприймач - фототранзистор) і тиристори
(фотоприймач - фототиристор).
Схематичне зображення вказаних оптронів показане на мал. 10.2, приклади конструктивного оформлення оптронів (дискретного і мікромініатюрного виконання) і їх цоколівки - на мал. 10.3.

Мал. 10.2. Схематичні зображення оптронів:
а - резистора; б
- діодного; у - транзисторного; г
- тиристора

Мал. 10-3. Приклад конструктивного оформлення і цоколівки оптронів:
а - дискретного виконання; б- мікровиконання

Мал. 10.4. Застосування оптронів:
а - як керовані резистори; 6 - в
ключових схемах; в - в схемі оптичного зв'язку
Залежно від сукупності характеристик використовуваної оптронної пари оптрон може виконувати різні функції в електронних ланцюгах: перемикання, підсилення, узгодження, перетворення, індикація і ін.
Як приклади технічного використання оптронів на мал. 10.4 приведені деякі прості схеми, що дозволяють реалізувати специфічні властивості цих приладів. Наприклад, оптрон резистора, включений по схемі мал. 10.4, а, може бути використаний як керований резистивного дільника напруги. Під впливом вхідної напруги, змінюється прямий струм світлодіода і його випромінювання. Відповідно змінюється і опір фоторезистора, а отже, і розподіл напруги джерела на фоторезисторі і вихідному (навантаженні) резисторі.
Подібний керований резистор може бути використаний в різних електронних схемах, наприклад, для дистанційного керування коефіцієнтом підсилення в підсилювачах. Зазвичай для цієї мети застосовуються ручні регулятори, що є винесеними з пристрою регуляторами потенціометрів підсилення. Проте такі регулятори не дають добрих результатів при використанні їх в апаратурі високого класу для дистанційного керування на значній відстані, оскільки в сполучних проводах навіть при ретельному їх екрануванні можливі значні наведення змінних електромагнітних полів, що приводять до появи фону. Для повного усунення наведень необхідно розділити ланцюг сигналу від ланцюга управління. Це завдання і вирішується за допомогою дільника напруги на оптронному керованому резисторі.
На мал. 10.4, б
показана проста схема включення діодного оптрона. Ця схема може працювати в ключовому (імпульсному) режимі і при цьому створювати на виході імпульсну напругу, що перевищує по своїй амплітуді рівень вхідних імпульсів. Напруга на виході, що є частиною щодо високої напруги джерела живлення,
залежить від струму фотодіода. Величина струму фотодіода, у свою чергу, управляється світловим потоком світлодіода, який змінюється (модулюється) за законом зміни імпульсного вхідного сигналу. При цьому амплітуда вхідних імпульсів, що впливають на світлодіод, може бути значно менше, ніж напруга. Аналогічним способом можуть бути побудовані ключові схеми на транзисторних і тиристорах оптронах, виступаючих як аналоги таких широко поширених електронних елементів, як імпульсні трансформатори, перемикачі, роз'єми і т.п.
Принципова можливість здійснення оптичного зв'язку за допомогою оптронів ілюструється на мал. 10.4, в. У пристрої такої лінії зв'язку, що передає, головний елемент - випромінювач світла (світлодіод, лазер), в приймальному - фотоприймач (фотодіод, фототранзистор). Зв'язок між передавачем і приймачем здійснюється за допомогою спеціального світловода - волоконно-оптичного кабелю, що забезпечує перешкодостійкість і надійність зв'язку. Широкополосність такого оптичного каналу величезна (по одній лінії зв'язку може бути одночасно передані 1010
телефонних розмов або 106
телепередач). Подібні лінії зв'язку можуть бути використані в обчислювальній техніці для передачі величезних масивів інформації, що обробляється в різних блоках ЕОМ.
Контрольні запитання:
1. Що таке оптоелектроніка?
2. На чому заснована оптоелектроніка?
3. Що собою являє оптоелектронна пара?
4. Які існують способи застосування оптоелектроніки?
Інструкційна картка №16 для самостійного опрацювання навчального матеріалу з дисципліни «Основи електроніки та мікропроцесорної техніки»
І. Тема:
2 Електронні прилади
2.8 Прилади відображення інформації
Мета: Формування потреби безперервного, самостійного поповнення знань; розвиток творчих здібностей та активізації розумової діяльності.
ІІ. Студент повинен знати:
- Будову та призначення ЕПТ;
- Основні складові елементи конструкції;
- Умовні позначення типу ЕПТ.
ІІІ. Студент повинен уміти:
- Розшифровувати позначення ЕПТ.
ІV. Дидактичні посібники:
Методичні вказівки до опрацювання.
V. Література:
[2, с. 386-393].
VІ. Запитання для самостійного опрацювання:
1. Електронно-променеві трубки з електростатичним керуванням. Маркування електронно-променевих трубок
VІІ. Методичні вказівки до опрацювання:
Теоретична частина.
VІІІ. Контрольні питання для перевірки якості засвоєння знань:
1. Що називають електронно-променевими трубками (ЕПТ)?
2. З яких основних елементів складається ЕПТ?
3. Призначення та область застосування ЕПТ?
4. Маркування ЕПТ?
ІХ. Підсумки опрацювання:
Підготував викладач:
Бондаренко І.В.
Теоретична частина: Прилади відображення інформації
План:
1. Електронно-променеві трубки з електростатичним керуванням. Маркування електронно-променевих трубок
Література: [2, с. 386-393].
1. Електронно-променеві трубки з електростатичним керуванням. Маркування електронно-променевих трубок
Електронно-променевими трубками (ЕПТ) називають електровакуумні прилади, в яких використовується потік електронів, зфокусованих у тонкий промінь. ЕПТ можна розподілити на дві основні групи. До першої відносять ті, що призначені для перетворення електричних сигналів у видимі зображення (в осцилографах, телевізорах тощо), до другої зараховують ЕПТ, які застосовуються в передавальній телевізійній апаратурі для зворотного перетворення (тут розглядаються тільки ЕПТ першої групи).
У загальному вигляді електронно-променева трубка складається з чотирьох основних частин: колби, електронної гармати, відхиляючої системи й екрана (рис. 1).
Колба
ЕПТ виготовляється з спеціального міцного скла. На стінки колби всередині нанесено графітове покриття — аквадаг Ак,
призначений для відведення вторинних електронів, що вибиваються з екрана. До нього підводиться висока напруга (10 і більше кіловольтів) для додаткового прискорення електронів у промені.
Електронна гармата
формує з потоку електронів тонкий електронний промінь. Вона складається з катода К,
модулятора М
і двох анодів А1, А2.
Катод
ЕПТ непрямого розжарення (підігрівач П)
набагато потужніший, ніж катоди приймально-підсилювальних радіоламп, оскільки він має випромінювати значно більшу кількість електронів за одиницю часу.

Рисунок 1 – Будова електронно-променевої трубки.
Модулятор
М
— це кругла металева пластинка з невеликим отвором, через який пролітають електрони. Подаючи на модулятор негативну (відносно катода) напругу, можна регулювати інтенсивність електронного променя, а отже, й яскравість свічення екрана.
Аноди
А1
і А2,
виготовлені у вигляді порожнистих циліндрів з діафрагмами, призначені для розгону електронів та їх фокусування. Часто між першим анодом А1
і модулятором М
установлюють керуючий електрод, завдяки якому неможливий взаємний вплив регулювання яскравості й фокусування. На аноди подається звичайно досить висока напруга (близько кількох тисяч вольт).
Відхиляюча система
спрямовує електронний промінь у задану точку екрана. Широко застосовуються відхиляючі системи двох типів: електростатична і магнітна.
Електростатичну відхиляючу систему
утворюють вертикальні і горизонтальні відхиляючі пластини. Коли на пластини подано електричну напругу, то поле, що утворюється між ними, відхиляє електронний промінь, який проходить упоперек силових ліній. Чим вища напруга на відхиляючих пластинах, тим більше відхиляється промінь. Одна пара пластин зміщує промінь у горизонтальній площині, а друга — у вертикальній.
У магнітній відхиляючій системі
замість пластин застосовуються котушки, по яких пропускають струм. Магнітне поле, утворюване навколо котушок, спрямовує електронний промінь у задану точку екрана. Відхиляючі котушки розміщують зовні, на горловині ЕПТ. Іноді поряд із цими котушками застосовують фокусуючу котушку, яка використовується для додаткового фокусування електронного пучка. За рахунок струму, потрібного для утворення магнітного поля, в магнітних відхиляючих і фокусуючих котушках витрачається електричної енергії більше, ніж в електростатичній системі.
В осцилографах для спостереження і реєстрування електричних процесів широко використовують лінійну розгортку. Для цього промінь переміщують по екрану зліва направо, потім гасять, подаючи на модулятор негатигну напругу, і швидко повертають у вихідне положення. Після цього процес починається спочатку. Коли частота повторення таких процесів (частота розгортки) досить велика, то на екрані видно світну горизонтальну лінію — розгортку. Щоб дістати таку розгортку, треба на горизонтальні відхиляючі пластини (котушки) подавати напругу (струм) пилкоподібної форми. Коли ж далі на пластини (котушки) вертикального відхилення подати досліджувану напругу (струм), то на екрані буде відтворено форму цієї напруги (струму). Треба тільки відповідно підібрати частоту розгортки.
Екран
ЕПТ покривають зсередини спеціальною світною речовиною — люмінофором.
У позначенні ЕПТ перше місце займають цифри, що визначають діаметр екрана або його розмір по діагоналі; друге – букви: ЛО — в осцилографічних трубках з електростатичним відхиленням променя; ЛМ — в осцилографічних трубках з магнітним відхиленням променя; ЛК — в кінескопах; після них ставиться номер заводської розробки трубки, а в кінці ставиться буква, що показує колір екрана (Б — білий, Ц — кольоровий).
Контрольні запитання:
1. Що називають електронно-променевими трубками (ЕПТ)?
2. З яких основних елементів складається ЕПТ?
3. Призначення та область застосування ЕПТ?
4. Маркування ЕПТ?
Інструкційна картка №17 для самостійного опрацювання навчального матеріалу з дисципліни «Основи електроніки та мікропроцесорної техніки»
І. Тема:
2 Електронні прилади
2.8 Прилади відображення інформації
Мета: Формування потреби безперервного, самостійного поповнення знань; розвиток творчих здібностей та активізації розумової діяльності.
ІІ. Студент повинен знати:
- Призначення індикаторів;
- Конструкції різних типів індикаторів;
- Область застосування.
ІІІ. Студент повинен уміти:
- Відрізняти індикатори різних типів;
- Використовувати індикатори при різних схемних рішеннях.
ІV. Дидактичні посібники:
Методичні вказівки до опрацювання.
V. Література:
[2, с. 406-410].
VІ. Запитання для самостійного опрацювання:
1. Буквено-цифрові індикатори – газорозрядні, вакуумні, напівпровідникові
VІІ. Методичні вказівки до опрацювання:
Теоретична частина.
VІІІ. Контрольні питання для перевірки якості засвоєння знань:
1. Яке призначення мають буквено-цифрові індикатори?
2. Будова та принцип дії газорозрядних індикаторів?
3. Будова та принцип дії вакуумних електролюмінесцентних і розжарювальних індикаторів?
4. Напівпровідникові індикатори, призначення та їх будова?
ІХ. Підсумки опрацювання:
Підготував викладач:
Бондаренко І.В.
Теоретична частина: Прилади відображення інформації
План:
1. Буквено-цифрові індикатори – газорозрядні, вакуумні, напівпровідникові
Література
1. Буквено-цифрові індикатори – газорозрядні, вакуумні, напівпровідникові
У пристроях відображення інформації, разом з електроннопроменевими трубками, знаходять широке застосування різноманітні індикатори, побудовані на різній фізичній основі. Ретроспективний (звернений до минулого) і перспективний аналіз розвитку індикаторних приладів дозволяє виділити три етапи (три покоління) їх розвитку.
Перше покоління
характеризується невеликим числом використовуваних фізичних явищ, відносно низькими значеннями ккд і яскравості, великими габаритами, одноколірністю, високою керуючою напругою. Типовими представниками цього покоління є газорозрядні
і вакуумні
(накалювання і електролюмінесценції) індикатори, які все ще знаходять широке застосування в електронній апаратурі.
До типових представників другого покоління
індикаторних приладів слід віднести напівпровідникові
і рідкокристалічні
індикатори, а також багаторозрядні люмінесцентні
і плазмові монодисплеї.
Ці прилади характеризуються високою яскравістю свічення, економічністю, підвищеною інформаційною місткістю, багатоколірністю, сумісністю з інтегральними мікросхемами. Перехід від першого покоління до другого став можливим завдяки вивченню і використанню нових фізичних явищ в напівпровідниках і рідких кристалах.
Третє покоління
індикаторних приладів поки можна намітити лише в найбільш загальному вигляді. Передбачається, що це будуть багатоколірні голографічні пристрої плоскої конструкції з чималою (до 104 см3
) робочою площею, високою довговічністю (до I06 ч) і надійністю).
Газорозрядні індикатори
Буквено-цифрові газорозрядні індикатори є іонними приладами тліючого розряду, в яких свічення газу в процесі іонізації використовується для оптичної індикації символів, що відображаються.
Цифрові і знакові газорозрядні індикатори (типа ИН-1, ИН-2, ИН-4 і ін.) конструктивно оформляються у вигляді скляного балона, заповненого Неоном під тиском порядку (4...5) ·103
Па. У балоні розміщено один або два сітчасті аноди і необхідну кількість індикаторних дротяних катодів виконаних у вигляді цифр (0...9), букв, символів і інших знаків (кома, мінус, плюс і т. д.).

Мал. 22.1. Цифрова індикаторна лампа:
а - пристрій; б - вигляд з боку торцевої частини колби при включеній цифрі

Мал. 22.2. Схема включення газорозрядного цифрового індикатора
Катоди індикатора мають самостійні виводи і розташовані один за іншим на відстані близько 1 мм. Пристрій двоханодного цифрового індикатора показаний на мал. 22.1, а. Подача напруги між анодом і вибраним катодом викликає тліючий розряд між цими електродами, внаслідок чого символ починає світитися. Свічення спостерігається через балон приладу (мал. 22.1, б). Яскравість свічення може досягати 200 кд/м2
і більше.
Газорозрядні індикатори виконуються як з торцевою, так і з бічною індикацією. Для пристроїв індикації з великою кількістю десяткових знаків переважними виявляються лампи з бічною індикацією.
Схема включення газорозрядного цифрового індикатора приведена на мал. 22.2. Живляча напруга подається на анод щодо одного з катодів. Якщо напруга між анодом і одним з катодів буде рівним напрузі запалення, в балоні спостерігається розряд. Прикатодна область відрізняється яскравим свіченням газу і в оглядовому вікні добре є видимим відповідна цифра. Щоб висвітити іншу цифру, необхідно підключити інший катод за допомогою зовнішнього комутуючого пристрою.
Разом з розглянутими вище газорозрядними індикаторами з десятьма ізольованими катодами, що висвічують окремі знаки, все більш широкого поширення набувають багаторозрядні плазмові дисплеї панельного типу. Один з варіантів такого індикатора представлений на мал. 22.3, а.

Мал. 22.3. Основні конструктивні елементи (а) і схема пристрою управління (б) плазмовою панеллю:
1 - скляні пластини; 2 -
центральна мозаїчна пластина; 3 - електроди; К
- комутатори; П - генератор того, що підтримує напрузі; Г2 - генератор імпульсів, що «пишуть» (що стирають)
Електронна частина індикатора утворена двома металевими гратами (електродами), що формують зображення, які зміцнюються на прозорих скляних пластинах. Пластини потім з'єднуються в гарячому стані, а освічена плоска судина вакуумується, заповнюється газом і герметизується. Екран є керамічною мозаїчною пластиною, в якій зроблено безліч отворів, створюючи ізольовані один від одного розрядні проміжки.
Проста плоска конструкція подібних індикаторів (їх товщина не перевищує декількох міліметрів) дозволяє створити на їх основі матричні екрани (плазмові панелі), що містять не меншого 104
...105
елементарних газорозрядних осередків при роздільній здатності 10...20 лін/см. На екрані можуть висвічуватися різні символи, образи і навіть цілі картини.
Схема пристрою управління такою панеллю приведена на мал. 22.3, б. Високочастотний екран живиться двома напругами від генератора G1
і G2:
з частотою в декілька кілогерц, підтримує розряд, і що записує (або що стирає) у вигляді коротких прямокутних імпульсів, «запалювалює» той або інший осередок. Напруга, що виробляється генераторами, підводиться до відповідних шин панелі через спеціальні комутатори (S), що дозволяють управляти формованим зображенням на екрані. Пристрої управління індикатором зазвичай збираються на інтегральних мікросхемах і вмонтовуються на задній стороні панелі. Для отримання кольорового зображення виготовляється прозора панель, кожен шар якої генерує свічення певного кольору (зазвичай червоного, зеленого і синього), а необхідна кольоровість забезпечується управлінням яскравістю свічення відповідного шару.
Вакуумні електролюмінесцентні і розжарювальні індикатори
Основними недоліками газорозрядних індикаторів є необхідність використання для їх роботи порівняно високої напруги, що викликає запалення відповідного газового проміжку. Цей недолік усунений у вакуумних електролюмінесцентних індикаторах, що набули достатньо широкого поширення. Такі індикатори зовні нагадують мініатюрні електронні лампи. Вони є трьохелектродними приладами: електрони, що випускаються нагрітим катодом, прискорюються в електричному полі керуючої сітки, і бомбардують сегменти анода, покриті люмінофором. Пристрій вакуумного люмінесцентного індикатора зображено мал. 22.4, а.
Усередині балона послідовно один за іншим розташовані катод прямого розжарення 1, сітка 2
і декілька анодів - сегментів, розташованих в одній площині на загальній керамічній пластинці 3.
Для чіткішого обмеження контурів формованого знаку аноди прикриваються металевою пластинкою (маскою) 4
з прорізами, розташованими проти відповідних анодів.
Залежно від хімічного складу люмінофора сформовані знаки можуть бути різного кольору і різної яскравості. Потужність, споживана вакуумними люмінесцентними індикаторами, невелика - долі ватів, що живиться напругою близько 10...30 В. Випускаються в даний час вакуумні люмінесцентні індикатори призначені для роботи в ланцюгах виведення інформації, відтворення знаків в обчислювальних і вимірювальних пристроях широкого застосування.

Мал. 22.4. Вакуумний індикатор електролюмінесценції:
а - пристрій; 6 -
зовнішній вигляд; в -
комбінацій анодів; г –
цоколівка

Мал. 22.5. Сегмент тонкоплівкового розжарювального індикатора:
I
- сапфірова підкладка; 2 - тонна вольфрамова смужка (нитка розжарення); 3
- потовщені вольфрамові струмопідводи: 4
- отвір в сапфіровій підкладці
Зовнішній вигляд, комбінація анодів і цоколівка виводів типового вакуумного люмінесцентного індикатора зображені на мал. 22.4, б, в і г.
У розвитку вакуумних індикаторів так само, як і газорозрядних, чітко визначився перехід на створення багаторозрядних матричних дисплеїв. При цьому, разом з люмінесцентними індикаторами, розглянутими вище, можуть бути використані і розжарювальні
індикатори, в яких використовується свічення розжарених металевих (вольфрамових) плівок, нанесених на ізоляційну підкладку. Послідовність операцій при виготовленні такого індикатора полягає в наступному (мал. 22.5). На ретельно відполіровану сапфірову підкладку наносять вольфрамову плівку достатньо великої товщини. Потім з лицьового боку підкладки в цій плівці методом фотолітографії формують комутаційні доріжки (потовщені вольфрамові струмопроводи) і тонкі вольфрамові смужки (нитки розжарення) відповідної конфігурації. Далі із зворотного боку підкладки витравляються вікна, внаслідок чого розжарювальні тонкоплівкові елементи виявляються підвішеними на сапфірових траверсах (утримувачах). Малий поперечний перетин розжарювальних елементів і відсутність контакту їх поверхні з підкладкою дозволяють понизити споживану потужність до міліват. Подібні індикатори, розміщені у відповідних вакуумних корпусах - панелях, забезпечують дуже високу яскравість свічення (що обов'язково при сильному сонячному засвіченні) і високі експлуатаційні характеристики (довговічність, температурну і радіаційну стійкість, сумісність з інтегральними мікросхемами і ін.). Таким чином, використання планарної технології істотно змінює підхід до принципів розробки і конструктивного оформлення вакуумних індикаторів.
Напівпровідникові індикатори
У напівпровідникових (твердотільних) індикаторах широке застосування знаходять світлодіоди, що володіють високою яскравістю свічення, великою швидкодією і довговічністю. Індикатори на світлодіодах виготовляються двох типів; сегментні (цифрові) і матричні (універсальні). Сегментні цифрові індикатори є комбінацією певного числа світлодіодів, розташованих таким чином, що при подачі напруги на відповідні виводи висвічуються цифри 0...9. Один індикатор, що містить сім діодів прямокутної форми, здатний висвічувати всі цифри і деякі букви.

Мал. 22.6. Габарити і цоколівка світлодіодного цифрового індикатора

Мал. 22.7. Структура світлодіодних індикаторів:
а, б - семисегментного цифрового індикатора і його типології, в - матричного цифробуквенного індикатора
Індикатор, що містить шістнадцять діодів, дозволяє відтворювати практично необмежене число знаків.
Габарити і цоколівка типового світлодіодного цифрового індикатора (КЛ104) показані на мал. 22.6. Індикатор оформлений в металевому корпусі, забезпеченому дев'ятьма штирьовими ніжками для підключення живлячої напруги. Маса приладу - не більше 7 р. Максимальний кут (щодо оптичної осі), при якому можливо неспотворене прочитування данних індикатора, рівний 60°. Колір свічення - жовтий.
Розміри робочого кристала світлодіода малі - близько 400 х 400 мкм. Тому випромінюючий кристал - це крапка, що світиться. Символи і цифри не повинні бути менше 3 мм. Для збільшення масштабу світловипромінюючого кристала застосовують лінзи, рефлектори, конічні призми (фокони).
Структура сегментного цифрового індикатора показана на мал. 22.7, а.
Цей індикатор дозволяє відтворювати всі десять цифр і крапку. Схема розміщення діодів і їх з'єднань на платі (топологія) показана на мал. 22.7, б
(світлодіод, що зображає крапку, обведений кружком).
Матричний індикатор (мал. 22.7, е)
містить 35 діодів (7 х 5) і дозволяє відтворювати всі цифри, букви і знаки стандартного коду для обміну інформацією.
Управління світлодіодами в індикаторах здійснюється за допомогою ключових схем. Приклад такої схеми для випадку управління десятирозрядним цифровим семисегментним дисплеєм приведений на мал. 22.8.

Мал. 22.8 - Структурна схема управління десятирозрядним семисегментним дисплеєм
У цій схемі катоди (n-області) світлодіодів однойменних сегментів всіх розрядів сполучені між собою. Тому для їх підключення потрібно всього сім зовнішніх виводів. Так само сполучені між собою аноди семи сегментів кожного розряду. В результаті повне число зовнішніх виводів десятирозрядного дисплея не перевищує 17. Матрична структура управління не дозволяє одночасно включати всі рядки (розряди), якщо цифри (набори сегментів) відрізняються один від одного. Тому схема управління передбачає тимчасове розділення включення кожному з рядків. За допомогою розподільника в кожен даний момент до джерела струму підключається тільки один розряд індикатора. Одночасно на іншу координату матриці подають інформацію, що підлягає відображенню, у вигляді двійково-десяткового або якого-небудь іншого коду. У схемі дешифратора відбувається перетворення вхідного коду, в позиційний (сегментний), тобто підключення вибраного сегменту до джерела струму. Порозрядне включення матриці здійснюється безперервно. Тому в кожному циклі включення через вибрані сегменти кожного розряду протікає імпульс струму, якому відповідає і імпульс висвічення відповідного світлодіода. Принципові електричні схеми розподільника і дешифратора містять транзисторні ключі, схеми, що дозволяють здійснювати безконтактну швидкодіючу комутацію.
В даний час розроблені світлодіоди з перебудовуваним кольором свічення. Зміна кольору досягнута завдяки формуванню в одному приладі двох р-п
переходів, один з яких дозволяє отримати зелене свічення, а другий - червоне. При одночасному збудженні обох переходів випромінюється жовте світло. Регулюючи по величині струми через переходи, можна змінювати колір свічення від зеленувато-жовтого до червонувато-жовтого. За допомогою подібних світлодіодів можна створити кольорові пристрої відображення інформації, замінити кінескопи телевізорів чималими плоскими екранами, що дозволяють отримувати кольорове зображення.
Контрольні запитання:
1. Яке призначення мають буквено-цифрові індикатори?
2. Будова та принцип дії газорозрядних індикаторів?
3. Будова та принцип дії вакуумних електролюмінесцентних і розжарювальних індикаторів?
4. Напівпровідникові індикатори, призначення та їх будова?
Інструкційна картка №18 для самостійного опрацювання навчального матеріалу з дисципліни «Основи електроніки та мікропроцесорної техніки»
І. Тема:
2 Електронні прилади
2.8 Прилади відображення інформації
Мета: Формування потреби безперервного, самостійного поповнення знань; розвиток творчих здібностей та активізації розумової діяльності.
ІІ. Студент повинен знати:
- Будову рідкокристалічного індикатора;
- Принцип роботи рідкокристалічного індикатора;
ІІІ. Студент повинен уміти:
- Відрізняти індикатори різних типів;
- Використовувати індикатори при різних схемних рішеннях.
ІV. Дидактичні посібники:
Методичні вказівки до опрацювання.
V. Література:
[2, с. 413-417].
VІ. Запитання для самостійного опрацювання:
1. Індикатори на рідких кристалах. Плазмові панелі. Маркування цифрових індикаторів.
VІІ. Методичні вказівки до опрацювання:
Теоретична частина.
VІІІ. Контрольні питання для перевірки якості засвоєння знань:
1. Область застосування індикаторів на рідких кристалах?
2. Що називають рідкими кристалами?
3. Що таке сегмент?
4. Конструкція елементарного рідкокристалічного індикатора?
5. В чому полягає принцип роботи рідкокристалічного індикатора?
ІХ. Підсумки опрацювання:
Підготував викладач:
Бондаренко І.В.
Теоретична частина: Прилади відображення інформації
План:
1. Індикатори на рідких кристалах. Плазмові панелі. Маркування цифрових індикаторів.
Література
1. Індикатори на рідких кристалах. Плазмові панелі. Маркування цифрових індикаторів
Індикатори на рідких кристалах останніми роками все частіше застосовуються в різноманітній електронній апаратурі. Цііндикатори відрізняються малими габаритами, споживають незначну потужність (не більше 100 мквт) від низьковольтних джерел живлення, забезпечують високу контрастність зображення навіть при достатньо високих рівнях засвічення.
Рідкими кристалами
називають особливу групу речовин, що займають проміжне місце між твердим і рідким станами. Ці речовини складаються з ниткоподібних органічних молекул, витягнутих в певних напрямах (мал. 22.9, а). Вони володіють текучістю подібно до рідин, але мають молекулярний порядок твердих речовин. При температурі 15...70°С під дією електричного поля орієнтація молекул змінюється, стає впорядкованою (мал. 22.9, б), а в речовині виникає специфічний ефект динамічного розсіювання світла (що як проходить через речовину, так і відображеного). В результаті цього коефіцієнт заломлення змінюється, і рідкий кристал, непрозорий у нормальному стані, починає пропускати світло. Оскільки рідкокристалічні осередки самі не випромінюють світло, то вони зазвичай використовуються спільно з яким-небудь зовнішнім джерелом світла.
Конструкція елементарної рідкокристалічної ячейки достатньо проста (мал. 22.10). Вона складається з двох скляних пластин 2, покритих з внутрішньої сторони шаром електропровідного матеріалу (3
і 5), і розташованого між ними рідкого кристала 1 товщиною 8...25 мкм. Один з електродів (мал. 22.10) прозорий, інший (мал. 22.10) - може бути або прозорим, якщо індикатор працює на пропускання світла, або дзеркальним, якщо індикатор працює на віддзеркалення. Електроди 3
і 5
розділяє ізоляційна прокладка 4.
Для індикації цифр використовуються елементи, які складаються з восьми сегментів (кожен сегмент - це елементарна рідкокристалічна ячейка). Сім з них необхідні для відтворення десяти цифр, а восьмий сегмент призначений для індикації коми, що відокремлює десяткові дроби від цілих чисел (мал. 22.11).

Мал. 22.9. Рідкокристалічний ячейка:
а
- невпорядкована структура без поля; б
- впорядкована структура за наявності електричного поля

Мал. 22.10. Конструкція елементарного рідкокристалічного індикатора (рідкокристалічної ячейки):
1 - рідкий кристал; 2
- скляні пластини; 3 - прозорий електрод; 4 -
ізоляційна прокладка; 5 - прозорий або такий, що відображає електрод

Мал. 22.11. Конструктивне оформлення цифрового однорозрядного рідкокристалічного індикатора

Мал. 22.12. Конструкція багаторозрядного рідкокристалічного індикатора (дисплея)

Рис 22.13. Схеми, що ілюструють роботу рідкокристалічної ячейки:
а - на віддзеркалення світла; б -
на пропускання світла

Мал. 22.14. Схема управління рідкокристалічним індикатором
Для отримання зображення тієї або іншої цифри необхідно впливати за допомогою електричного струму на певні цифрові сегменти.
На мал. 22.12 показаний багаторозрядний індикатор на трьох рідкокристалічних елементах. По суті, такий індикатор є простим рідкокристалічним дисплеєм компактної плоскої конструкції. Слід зазначити, що, окрім цифрової індикації, на такому дисплеї можуть бути відтворені і складніші знаки і символи.
Джерела світла, необхідні для роботи індикаторів на рідких кристалах, можна розташовувати як перед ними, так і позаду них. У першому випадку позаду цифрових сегментів встановлюють дзеркальну пластину (мал. 22.13, про), світло відбивається від неї і проходить через сегменти, прозорість яких залежить від величини струму, що пропускається через них. При роботі індикатора у відображених променях як джерело світла можна використовувати навколишнє освітлення.
У другому випадку джерело світла (мініатюрні лампи розжарювання або люмінесцентні випромінювачі) розташовують так, як показано на мал. 22.13, б.
Замістьдзеркальної пластини використовується матово-чорна. Індикатор працює в світлі, що проходить. При використанні відповідних фільтрів можна отримати кольорове зображення тих або інших знаків.
Для управління роботою рідкокристалічного індикатора необхідний пристрій, що підключає живлячу напругу до того або іншого сегменту за заданою програмою. З цією метою може бути використана схема, приведена на мал. 22.14. Тут до кожного сегменту підводиться живляча напруга тільки в тому випадку, якщо відповідний транзистор, що управляє, відкритий (на малюнку показаний тільки один транзистор VT7
сьомого сегменту). Між загальним електродом і плюсом джерела живлення включений обмежувальний резистор з опором Roгp
= 10... 100 ком. За допомогою високоомних резисторів встановлюється необхідне для роботи сегментів живляча напруга (близько 5 В). При відмиканні транзистора відповідний цифровий сегмент виявляється заземленим, на кристалічну рідину впливатиме повна напруга живлення, і вона стане прозорою, що приведе до висвічення тієї або іншої цифри (знаку, символу).
Контрольні запитання:
1. Область застосування індикаторів на рідких кристалах?
2. Що називають рідкими кристалами?
3. Що таке сегмент?
4. Конструкція елементарного рідкокристалічного індикатора?
5. В чому полягає принцип роботи рідкокристалічного індикатора?
Інструкційна картка №19 для самостійного опрацювання навчального матеріалу з дисципліни «Основи електроніки та мікропроцесорної техніки»
І. Тема:
3 Основи аналогової електронної схемотехніки
3.1 Підсилювачі
Мета: Формування потреби безперервного, самостійного поповнення знань; розвиток творчих здібностей та активізації розумової діяльності.
ІІ. Студент повинен знати:
- Принцип роботи простих ППС?
- Принцип роботи диференційного підсилювача.
ІІІ. Студент повинен уміти:
- Читати схеми де використовуються підсилювачі;
- Будувати схеми ППС.
ІV. Дидактичні посібники:
Методичні вказівки до опрацювання.
V. Література:
[1, с. 110-111].
VІ. Запитання для самостійного опрацювання:
1. Підсилювачі постійного струму прямого підсилення.
2. Диференційні підсилювачі.
VІІ. Методичні вказівки до опрацювання:
Теоретична частина.
VІІІ. Контрольні питання для перевірки якості засвоєння знань:
1. Що являється найпростішим представником підсилювача постійного струму?
2. В чому суть роботи двокаскадного ППС прямого підсилення?
3. Принцип роботи диференційного підсилювача?
ІХ. Підсумки опрацювання:
Підготував викладач:
Бондаренко І.В.
Теоретична частина: Підсилювачі
План:
1. Підсилювачі постійного струму прямого підсилення.
2. Диференційні підсилювачі.
Література
1. Підсилювачі постійного струму прямого підсилення
Найпростішим представником ППС є підсилювач прямого підсилення з безпосередніми зв'язками. Розглянемо схему двокаскадного підсилювача прямого підсилення, зображену на рис. 4.2.

Рис. 4.2 - Двокаскадний підсилювач постійного струму прямого підсилення
Він складається з двох каскадів, виконаних за схемою з СЕ. Призначення елементів те ж саме, що і у підсилювачах змінного струму. Вхідний сигнал, що надходить до входу першого каскаду, підсилюється і з колектора транзистора VT
1 подається на вхід другого каскаду, виконаного на транзисторі VT2.
Після повторного підсилення, сигнал надходить на навантаження R .
На відміну від підсилювача змінного струму, де режим спокою вибирається за умов найліпшого підсилення вхідного сигналу і не впливає на навантаження завдяки наявності реактивних елементів зв'язку, у цьому підсилювачі процеси протікають по іншому.
Напруга спокою першого каскаду U0K
безпосередньо подасться на вхід другого і, якщо не прийняти спеціальних заходів, під її дією транзистор насичується. Тобто ні про яке підсилення не може йти мови. Для того, щоб виключити це явище, до емітерного кола VT2
вводять резистор Rе2
на якому виділяється напруга UЕ2
що компенсує напругу UОК
, оскільки спрямована зустрічно.
Наявність великих Rе1
та Rе2
призводить до виникнення в схемі глибоких ВЗЗ, що значно знижує коефіцієнт підсилення. Тому такі підсилювачі мають обмежену кількість каскадів (зазвичай не більше двох).
Для того, щоб знизити величину емітерної напруги, можна використати дільник напруги (зображений на рис. 4.2 пунктиром). У цьому випадку навіть на малому опорі Rе2
можна одержати потрібний рівень напруги. Але зменшення ВЗЗ призводить до підвищення втрат потужності, а отже, до зниження к.к.д.
Даний підсилювач має велике значення дрейфу нуля і використовується у випадках, коли немає високих вимог до якості підсилення. Для підвищення стабільності схеми в якості RЕ1
і RE2
,
використовують терморезистори.
2. Диференційні підсилювачі
Балансний підсилювач, у емітерне коло якого замість RЕ
увімкнене джерело струму (наприклад, транзистор, якому задано фіксоване значення струму бази), має назву диференційного (різницевого - бо підсилює різницю напруг між входами) підсилювача. Його схему наведено на рис. 4.6.

Рис. 4.6 - Диференційний підсилювач
Щодо нього слід зазначити наступне. Вхідний сигнал може бути подано не тільки як диференційний (між входами Вх.1
і Вх.2).
Його можна також подавати на будь-який з входів відносно точки з нульовим потенціалом.
Навантаження також може бути підімкнене не тільки між обома виходами (симетричний вихід), але й до одного виходу і нульової точки (несиметричний вихід). При цьому, якщо це, наприклад, Вих.2, то Вх.1 для
нього буде неінвертуючим: зміни сигналу на виході співпадають по знаку (фазі - для змінного струму) зі змінами вхідного сигналу; Вх.2
буде інвертуючим: зміни вихідного сигналу по знаку (фазі) протилежні змінам вхідного.
При несиметричному вході один з колекторних резисторів (від якого не робиться вихід) можна не встановлювати.
Якщо на обидва входи подані відносно нульової точки однакові по знаку і величині сигнали (синфазний сигнал), то напруга на виході дорівнюватиме нулю - підсилювач підсилює тільки різницевий сигнал.
Диференцінні підсилювачі знайшли широке використання при побудові ППС в інтегральному виконанні.
Контрольні запитання:
1. Що являється найпростішим представником підсилювача постійного струму?
2. В чому суть роботи двокаскадного ППС прямого підсилення?
3. Принцип роботи диференційного підсилювача?
Інструкційна картка №20 для самостійного опрацювання навчального матеріалу з дисципліни «Основи електроніки та мікропроцесорної техніки»
І. Тема:
3 Основи аналогової електронної схемотехніки
3.1 Підсилювачі
Мета: Формування потреби безперервного, самостійного поповнення знань; розвиток творчих здібностей та активізації розумової діяльності.
ІІ. Студент повинен знати:
- Принцип роботи балансного підсилювача.
- Будову балансного підсилювача.
ІІІ. Студент повинен уміти:
- Читати схеми де використовуються підсилювачі;
- Будувати схеми балансного підсилювача.
ІV. Дидактичні посібники:
Методичні вказівки до опрацювання.
V. Література:
[1, с. 106-110].
VІ. Запитання для самостійного опрацювання:
1. Балансні підсилювачі
VІІ. Методичні вказівки до опрацювання:
Теоретична частина.
VІІІ. Контрольні питання для перевірки якості засвоєння знань:
1. Що собою являє балансний підсилювач?
2. На основі чого будуються балансні підсилювачі?
3. Принцип роботи простого балансного підсилювача?
ІХ. Підсумки опрацювання:
Підготував викладач:
Бондаренко І.В.
Теоретична частина: Підсилювачі
План:
1. Балансні підсилювачі
Література
1. Балансні підсилювачі
Балансні ППС будуються на основі чотириплечого моста з паралельним балансом, схема якого наведена на рис. 4.3.

Рис. 4.3 - Чотириплечий міст
Напруга на виході мосту не залежить від змін напруги живлення чи від пропорційних змін параметрів плечей.
На рис. 4.4 зображена найпростіша схема балансного підсилювача.

Рис. 4.4 - Балансний підсилювач
Він складається з двох каскадів на транзисторах VTI
і VT2.
Причому параметри елементів обох каскадів повинні бути практично однаковими (в тому числі і транзисторів, що досить важко виконати).
Підсилювач являє собою чотириплсчий міст, де роль резистора R1
виконує Rk1,
R2
- опір транзистора VT1 R4
-
опір транзистора VT2.
Якщо вхідний сигнал відсутній, напруга на навантаженні дорівнює нулю (коли схема абсолютно симетрична). Дрейф нуля практично у 20 - 30 разів менший, ніж у підсилювача з безпосередніми зв'язками, оскільки визначається різницею І0К1
та І0К2.
За наявності вхідного сигналу з полярністю, що вказана на рис. 4.4, транзистор VT1
трохи відкривається, його колекторний струм зростає, а транзистор VT2
пропорційно закривається і його колекторний струм зменшується. Внаслідок цього на навантаженні Rh
з'являється напруга розбалансу .
Недоліком такого ППС є наявність значного ВЗЗ, зумовленого великими значеннями R1
і R2
. Виключити цей недолік дозволяє схемо-технічне рішення, наведене на рис. 4.5.

Рис. 4.5 - Вилучення впливу ВЗЗ у балансному підсилювачі
Таким чином, відносні зміни струмів емітерів під дією вхідного сигналу взаємно компенсуються, виключаючи ВЗЗ за підсилюваним сигналом. ВЗЗ за постійним струмом залишається.
R0
, крім того, що вирівнює потенціали емітерів, як і в попередній схемі, у даному разі ще й забезпечує балансування схеми при незначних відхиленнях параметрів елементів.
Контрольні запитання:
1. Що собою являє балансний підсилювач?
2. На основі чого будуються балансні підсилювачі?
3. Принцип роботи простого балансного підсилювача?
Інструкційна картка №21 для самостійного опрацювання навчального матеріалу з дисципліни «Основи електроніки та мікропроцесорної техніки»
І. Тема:
3 Основи аналогової електронної схемотехніки
3.2 Генератори синусоїдальних коливань
Мета: Формування потреби безперервного, самостійного поповнення знань; розвиток творчих здібностей та активізації розумової діяльності.
ІІ. Студент повинен знати:
- Трьохточкові схеми автогенераторів;
- Будову автогенераторів.
ІІІ. Студент повинен уміти:
- Читати схеми де використовуються автогенератори;
- Будувати схеми транзисторних автогенераторів.
ІV. Дидактичні посібники:
Методичні вказівки до опрацювання.
V. Література:
[2, с. 338-340].
VІ. Запитання для самостійного опрацювання:
1. Різновиди схем транзисторних автогенераторів
VІІ. Методичні вказівки до опрацювання:
Теоретична частина.
VІІІ. Контрольні питання для перевірки якості засвоєння знань:
1. Що собою являють трьохточкові схеми автогенераторів?
2. Як здійснюються режим за постійним струмом і його термостабілізація?
3. Які схеми автогенераторів застосовуються для збільшення вихідної потужності?
ІХ. Підсумки опрацювання:
Підготував викладач:
Бондаренко І.В.
Теоретична частина: Генератори синусоїдальних коливань
План:
1. Різновиди схем транзисторних автогенераторів
Література
1. Різновиди схем транзисторних автогенераторів
Крім схеми з трансформаторним зв'язком, широкого поширення в електронній апаратурі набули так звані трьохточкові схеми з автотрансформаторним (мал. 18.5, а) і ємнісним зв'язком (мал. 18.5.б).

Мал. 18.5. Трьохточкові схеми автогенераторів:
а - з автотрансформаторним, би - із ємнісним зв'язком.

Мал. 18.6. Двотактна схема автогенератора
Режим за постійним струмом і його термостабілізація здійснюються в приведених схемах так само, як і в схемі мал. 18.1. По змінному струму високої частоти контур приєднується до трьох електродів транзистора - емітеру, базі, колектору - трьома точками: Е, Б, К. У схемі, приведеній на мал. 18.5, а, вивід від відповідного витка контурної котушки підключено до емітера транзистора через малий внутрішній опір джерела живлення.
Напруга зворотного зв'язку (мал. 18.5, а)
знімається з частини витків контурної котушки (L2)
і через конденсатор С1
поступає на базу транзистора. Оскільки знаки миттєвої напруги на L1
і L2
щодо середньої точки протилежні, тобто зсунуті між собою по фазі на 180º, а підсилювальний каскад повертає фазу ще на 180°, то зворотний зв'язок буде позитивним, тобто умова балансу фаз виконується. Аналогічно працює і схема, приведена на мал. 18.5, б, тільки тут напруга зворотного зв'язку знімається з конденсатора ЗЕ.
Для збільшення вихідної потужності застосовуються двотактні схеми автогенераторів, які по суті є поєднанням однотактних схем із загальним контуром, загальним живленням і іншими загальними елементами. Побудова такої схеми ілюструється мал. 18.6.
Контрольні запитання:
1. Що собою являють трьохточкові схеми автогенераторів?
2. Як здійснюються режим за постійним струмом і його термостабілізація?
3. Які схеми автогенераторів застосовуються для збільшення вихідної потужності?
Інструкційна картка №22 для самостійного опрацювання навчального матеріалу з дисципліни «Основи електроніки та мікропроцесорної техніки»
І. Тема:
3 Основи аналогової електронної схемотехніки
3.3 Випрямлячі. Стабілізатори
Мета: Формування потреби безперервного, самостійного поповнення знань; розвиток творчих здібностей та активізації розумової діяльності.
ІІ. Студент повинен знати:
- Призначення випрямлячів;
- Область застосування випрямлячів з помноженням напруги;
- Область застосування трифазних випрямлячів;
- Будову та принцип роботи схем.
ІІІ. Студент повинен уміти:
- Застосовувати схеми випрямлячів при побудові електричних схем;
- Викреслювати схеми випрямлячів.
ІV. Дидактичні посібники:
Методичні вказівки до опрацювання.
V. Література:
[1, с. 199-205], [2, с. 360-362].
VІ. Запитання для самостійного опрацювання:
1. Випрямлячі з помноженням напруги.
2. Трифазні випрямлячі.
VІІ. Методичні вказівки до опрацювання:
Теоретична частина.
VІІІ. Контрольні питання для перевірки якості засвоєння знань:
1. Навіщо використовуються випрямлячі з помноженням напруги?
2. Який принцип роботи найпростішої схеми випрямляча з помноженням напруги?
3. Яка область застосування трифазних випрямлячів?
4. Що собою являє схема Міткевича та Ларіонова?
ІХ. Підсумки опрацювання:
Теоретична частина: Випрямлячі. Стабілізатори
План:
1. Випрямлячі з помноженням напруги.
2. Трифазні випрямлячі.
Література
1. Випрямлячі з помноженням напруги
Для підвищення випрямленої напруги на навантаженні при заданій напрузі на вторинній обмотці трансформатора або за відсутності трансформатора, що підвищує, з необхідним коефіцієнтом трансформації застосовують схеми випрямляння з помноженням напруги. Як додаткові джерела ерс, призначених для збільшення вихідної напруги, в цих схемах використовують конденсатори, що періодично заряджають через діоди.

Мал. 19.6. Схеми випрямлячів з помноженням напруги:
а - с подвоєнням; б - з потроєнням.
Проста схема випрямляча з помноженням напруги приведена на мал. 19.6, а.
Діє така схема таким чином. Протягом позитивного напівперіоду, коли потенціал точки А
вторинної обмотки силового трансформатора позитивний щодо точки Б, конденсатор С1
заряджається через діод VD1
до напруги, рівної амплітуді напруги на вторинній обмотці трансформатора U2m
.
У другий напівперіод, коли потенціал точки А стаєнегативним, а точки Б -
позитивним, вторинна обмотка трансформатора виявляється сполученою з конденсатором С1 таким чином, що напруга на їх виводах складається. Під впливом цієї сумарної напруги конденсатор С2 через
діод VD2 заряджаєтьсямайже до подвоєного значення амплітудної напруги на виводах вторинної обмотки трансформатора 2U2m
. В
процесізаряду конденсатора С2 відбуваєтьсярозряд конденсатора С1. Потім процес повторюється. При цьому напруга на опорі навантаження, підключеному паралельно конденсатору С2,
пульсуєз частотою напруги мережі.
На мал. 19.6, б
приведена схема з потроєнням напруги. У позитивний напівперіод, коли потенціал точки А
позитивний щодо точки Б,
конденсатор С1 заряджає через діод VD1
до напруги U2m
.
У наступний напівперіод конденсатор С2
заряджає через діод VD2
до напруги, рівної сумі напруги конденсатора С1 і вторинної обмотки трансформатора, тобто приблизно до напруги 2U1m
.КонденсаторС1 в цей часрозряджається. У подальший напівперіод, коли відбувається повторна зарядка конденсатора С1 через діод VD1,
закритимопиниться діод VD2 і
конденсатор С2 розрядитьсячерез діод VD3 наконденсатор C3,
зарядившийого до напруги 2U2m
.
Після закінченнязаряду конденсатора С1 (до кінця третього напівперіоду) опір навантаження опиниться під сумарною напругою конденсаторів С1 і
С2 тобтоприблизно під потрійною напругою U2m
.
По аналогії з розглянутими схемами можуть бути побудовані схеми з більшою кратністю множення напруги - скільки завгодно великою. Проте чим вище кратність множення напруги, тим більше діодів і конденсаторів повинні бути в схемі і тим більше високу напругу вони повинні витримувати.
Схеми з помноженням напруги не можуть забезпечити на навантаженні великий випрямлений струм. Пояснюється це тим, що при великому струмі навантаження конденсатори, що входять в схему випрямляча, повинні мати дуже велику ємність. Інакше вони швидко розряджатимуться і пульсації напруги на навантаження стануть неприпустимо великими. Тому такі схеми застосовуються в основному для отримання високої напруги при малому струмі навантаження.
2. Трифазні випрямлячі
Для живлення навантажень середньої і великої потужності використовують трифазні випрямні схеми, які мають порівняно з однофазними ряд переваг:
- краще використовуються вентилі за струмом;
- суттєво нижчий коефіцієнт пульсацій;
- ефективне використання габаритної потужності трансформатора;
- більш ефективне використання зглажуючих фільтрів.
До мережі трифазні випрямлячі підминаються через трифазні трансформатори, обмотки яких вмикаються зіркою або трикутником.
Найрозповсюдженішими є такі два типи схем трифазних випрямлячів:
1) однопівнеріодна з нульовим виводом (схема Міткевича);
2) двопівперіодна мостова (схема Ларіонова).
Схема Міткевича
Однопівнеріодна схема з нульовим виводом (схема Міткевича) зображена на рис. 9.10.

Рис. 9.10- Трифазна схема з нульовим виводом (схема Міткевича)
Ця схема складається із трифазного трансформатора ТV,
випрямних діодів VD1-VD3
та навантаження Rн
, яке вмикається між спільним виводом вторинних обмоток трансформатора (нульовим виводом) та спільною точкою з'єднання випрямних діодів. Фактично ця схема являє собою три однофазних однопівперіодних випрямляча, увімкнених паралельно. Тому первинні обмотки трансформатора можуть з'єднуватися як зіркою, так і трикутником (забезпечуючи, наприклад, підминання до мережі з фазною напругою 220 чи 127 вольт), а вторинні - лише зіркою.

Рис. 9.11 - Часові діаграми роботи схеми Міткевича
Випрямні діоди працюють по черзі. За період напруги живлення кожен діод знаходиться у провідному стані третину періоду, причому проводить той діод, до анода якого на даний момент прикладена найбільш позитивна фазна напруга.
Частота пульсації випрямленої напруги в три рази перевищує частоту мережі.
Недоліком даної схеми є наявність постійного підмагнічування магнітопроводу трансформатора, зумовленого тим, що, як і у будь-якої однотактної схеми, вторинною обмоткою трансформатора струм за період проходить лише один раз і в одному напрямку, тобто цей струм має постійну складову. Це вимагає використання трансформатора із підвищеним перерізом магнітопроводу (підвищеної встановленої потужності).
Схема Ларіонова
Трифазна мостова (двотактна) схема (схема Ларіонова) зображена на рис. 9.12. У цій схемі і первинна, і вторинна обмотки трансформатора можуть вмикатися як зіркою, так і трикутником. Можливість вмикання вторинної обмотки двома способами забезпечує можливість отримання двох різних вихідних напруг випрямляча, значення яких відрізняються у раз.
Надалі будемо розглядати схему при вмиканні вторинних обмоток у зірку.
Тут шість випрямних діодів увімкнені у трифазну мостову схему і утворюють дві групи: анодну - VD1.VD2, VD3
та катодну - VD44
VD5, VD6.

Рис. 9.12 - Трифазна мостова схема (схема Ларіонова)
Навантаження вмикається між спільними точками анодної і катодної груп діодів. Можна виділити три однофазних мости, що підімкнені до лінійних (у даному разі) вторинних напруг і паралельно до навантаження. Один з таких мостів на схемі обведено штрих-пунктирною лінією.
У провідному стані завжди знаходяться два діоди: один з анодної групи і один з катодної. Причому струм у схемі протікає від фази з найбільш позитивною на даний момент напругою до фази з найбільш негативною напругою, як, наприклад, струм і
у момент часу, що відповідає &/t
показаний на часових діаграмах, які ілюструють роботу схеми і наведені на рис. 9.13. На діаграмі и,
також вказано проміжки, на яких у провідному стані знаходяться відповідні діоди.

Рис. 9.13 - Часові діаграми роботи схеми Ларіонова
Час протікання струму через кожен з діодів відповідає .
Струм навантаження в даній схемі викликаний лінійною напругою. Основні розрахункові співвідношення можна отримати із часової діаграми випрямленої напруги, наведеної на рис. 9.14.

Рис. 9.14 - Розрахункова часова діаграма випрямленої напруги схеми Ларіонова
Частота пульсації випрямленої напруги перевищує частоту мережі у шість разів.
У цій схемі відсутнє підмагнічування магнітопроводу, оскільки у вторинному колі кожної обмотки трансформатора за період напруги мережі струм протікає двічі, причому у різних напрямках.
Схема Ларіонова у порівнянні зі схемою Міткевича маэ такі переваги:
1) за рівних фазних напруг середнє значення випрямленої напруги у два рази вище (потрібно задавати меншу кількість витків вторинних обмоток трансформатора);
2) більш низький коефіцієнт пульсацій (менш ніж шість відсотків), що часто дозволяє використовувати схему Ларіонова без фільтра;
3) краще використання трансформатора за потужністю за рахунок відсутності підмагнічування осердя.
Щоправда, кількість діодів у схемі Ларіонова в два рази більша, але, як було зазначено раніше, на даний час це несуттєво (за винятком випрямлення малих за значенням напруг), оскільки вартість діодів невелика порівняно з вартістю трансформатора, який в схемі Міткевнича повинен бути приблизно на сорок відсотків потужнішим.
Контрольні запитання:
1. Навіщо використовуються випрямлячі з помноженням напруги?
2. Який принцип роботи найпростішої схеми випрямляча з помноженням напруги?
3. Яка область застосування трифазних випрямлячів?
4. Що собою являє схема Міткевича та Ларіонова?
Інструкційна картка №23 для самостійного опрацювання навчального матеріалу з дисципліни «Основи електроніки та мікропроцесорної техніки»
І. Тема:
3 Основи аналогової електронної схемотехніки
3.3 Випрямлячі. Стабілізатори
Мета: Формування потреби безперервного, самостійного поповнення знань; розвиток творчих здібностей та активізації розумової діяльності.
ІІ. Студент повинен знати:
- Призначення випрямлячів;
- Область застосування керованих випрямлячів;
- Основні методи регулювання напруги постійного струму керованих випрямлячів;
- Призначення та класифікація автономних інверторів;
- Будову та принцип роботи схем.
ІІІ. Студент повинен уміти:
- Застосовувати схеми випрямлячів при побудові електричних схем;
- Викреслювати схеми випрямлячів та інверторів.
ІV. Дидактичні посібники:
Методичні вказівки до опрацювання.
V. Література:
[1, с. 252-260].
VІ. Запитання для самостійного опрацювання:
1. Керовані випрямлячі
2. Однофазний двопівперіодний керований випрямляч з нульовим виводом
3. Автономні інвертори. Призначення та класифікація
4. Однофазний інвертор струму
5. Півмостовий однофазний інвертор напруги
VІІ. Методичні вказівки до опрацювання:
Теоретична частина.
VІІІ. Контрольні питання для перевірки якості засвоєння знань:
1. Що називається керованим випрямлячем?
2. Які основні методи регулювання напруги постійного струму керованих випрямлячів?
3. Принцип роботи однофазного двопівперіодного керованого випрямляча з нульовим виводом?
4. Призначення та класифікація автономних інверторів?
5. Призначення та принцип роботи однофазного інвертора струму?
6. Що собою являє півмостовий однофазний інвертор напруги?
ІХ. Підсумки опрацювання:
Підготував викладач:
Бондаренко І.В.
Теоретична частина: Випрямлячі. Стабілізатори
План:
1. Керовані випрямлячі
2. Однофазний двопівперіодний керований випрямляч з нульовим виводом
3. Автономні інвертори. Призначення та класифікація
4. Однофазний інвертор струму
5. Півмостовий однофазний інвертор напруги
Література
1. Керовані випрямлячі
У розглянутих нами випрямних схемах у якості вентилів використано діоди і тому вони с некерованими випрямлячами, бо не дозволяють регулювати величину напруги на навантаженні.
Можливість зміни величини постійної напруги на навантаженні за необхідним законом у заданих межах може бути реалізована за допомогою керованих випрямлячів, які будуються на керованих вентилях, наприклад, на тиристорах
.
Перед тим, як розглядати конкретні схемні рішення керованих випрямлячів, спочатку ознайомимось з основними методами регулювання напруги постійного струму, які, перш за все, можна розділити на два види: такі, що забезпечують регулювання з боку змінного струму
і такі, що забезпечують регулювання з боку постійного струму
.
Регулювання з боку змінного струму можливе при використанні випрямних схем на некерованих вентилях, але при цьому необхідно вводити додаткові силові пристрої. Так можна:
1) змінювати величину змінної напруги, що подається на вентильну схему, перемиканням під навантаженням виводів вторинної обмотки трансформатора, змінюючи тим самим коефіцієнт трансформації останнього;
2) застосовувати регулятори змінного струму з рухомим струмознімачем (автотрансформатори) або з рухомою магнітною системою (індукційні регулятори).
З боку постійного струму можливе регулювання безперервними
методами й імпульсними
.
При безперервних методах застосовують:
1) реостати і дільники напруги:
2) компенсаційні регулятори (наприклад, розглянуті нами в розділі 9.8.2 стабілізатори).
Через великі втрати енергії в елементах регулятора (надлишок напруги тут гаситься на увімкнених послідовно з навантаженням елементах регулятора, що принципово обумовлює низьке значення к.к.д.), такі методи застосовують в малопотужних регуляторах.
У наш час найвживанішими є імпульсні методи регулювання
, що зумовлено отриманням на основі стрімкого розвитку напівпровідникових технологій силових електронних напівпровідникових приладів, які можуть працювати у ключовому режимі за досить високих напруг (тисячі вольт) і частот (десятки і сотні кілогерц) - польові і біполярні транзистори, СІТ-транзистори і БТІЗ, спеціальні види тиристорів.
Оскільки регулюючий елемент при реалізації імпульсних методів працює як ключ, то втрати енергії в ньому мінімальні, що визначає високий к.к.д. перетворюючих пристроїв.
Середнє значення постійної напруги на навантаженні Ud
регулюється за цими методами за рахунок зміни співвідношення між тривалостями замкненого і розімкненого станів ключа, коли постійна напруга (наприклад, з виходу фільтра некерованого випрямляча) підмикається до навантаження або ні.
Напруга на виході регулятора має форму прямокутних імпульсів з амплітудою, що дорівнює е.р.с. джерела постійного струму.
Є декілька таких методів регулювання. Розглянемо основні з них.
1. Метод широтно-імпульсного регулювання
(ШІР) полягає у тому, що при сталому періоді надходження імпульсів змінюють їх тривалість - ширину. У результаті маємо
,
де Е
- е.р.с. джерела постійного струму;
- тривалість імпульсу;
Т
- період надходження імпульсів;
- коефіцієнт заповнення.
Змінюючи , можна змінювати від нуля (при = 0) до Е
(при = 1).
2. При частотно-імпульсному регулюванні
(Ч1Р) змінюють частоту (період) надходження імпульсів при їх фіксованій тривалості.
Середнє значення напруги при цьому становить
,
де - частота імпульсів.
Мінімальне значення що наближається до нуля, отримують при частоті →0, а максимальне, що наближається до величини , при .
3. За комбінованого регулювання
змінюють період і тривалість імпульсів.
Останній метод найпростіший в реалізації (так, наприклад, працює термобіметалічннй регулятор у прасці) але при регулюванні постійної напруги отримання її постійного значення у часі на навантаженні, що забезпечується, як відомо, за допомогою фільтрів, вимагає використання елементів фільтра з масо-габаритними параметрами, далекими від мінімально можливих. Це ж стосується і методу ЧІР.
Мінімальні параметри елементів фільтра забезпечує метод ШІР, оскільки регулятор працює на фіксованій частоті.
До речі, ця частота, як правило, у багато разів перевищує частоту мережі змінного струму, що тим більше забезпечує мінімальні параметри елементів фільтра.
У порівнянні з іншими методами, метод ШІР забезпечує також кращі умови узгодження регулятора з мережею живлення (полегшене подолання радіоперешкод, що передаються з регулятора в мережу).
Виходячи з наведеного, метод ШІР застосовують найчастіше.

Рис. 9.36 - Імпульсний регулятор постійної напруги
Схема простого імпульсного регулятора наведена на рис. 9.36. Тут у якості фільтра використано Г-подібний LС-фільтр.
При замкненому ключі К навантаження живиться від джерела постійного струму Е (струм /л), а елементи фільтра накопичують енергію. Коли ключ розімкнений, то навантаження живиться енергією, накопиченою в конденсаторі та дроселі. Для забезпечення подачі енергії, накопиченої в дроселі, у навантаження (струм Id1
), в схему введено діод VD
, який називають зворотним.
Регулювати вихідну напругу випрямляча можна також, застосовуючи фазо-імпульсний метод. При цьому до складу перетворюючого пристрою не вводять додаткових силових вузлів, а лише у якості вентилів випрямної схеми використовують керовані ключі - як правило, тиристори. Принцип дії регулятора полягає у тому, що за допомогою спеціальної схеми керування забезпечується регульована затримка на вмикання тиристорів відносно переходу через нуль змінної синусоїдної напруги. Тобто фаза послідовності імпульсів керування змінюється щодо фази синусоїдної напруги.
Зазначимо, що цей метод регулювання можна розглядати як різновид методу ШІР, коли імпульси напруги мають не прямокутну, а синусоїдну форму з обмеженням.
Перевагою імпульсних методів регулювання є те, що, перш за все, надлишок енергії тут просто не береться від джерела живлення (а не гаситься на баластному елементі, як, наприклад, у компенсаційному стабілізаторі. Це в ідеалі (якщо вважати елементи регулятора такими, що не мають, наприклад, опору) за принципом побудови регулятора обумовлює величину к.к.д. у 100 відсотків.
В імпульсних регуляторах більш ефективно використовуються силові елементи. Вони мають (особливо при методі ШІР за високих частот комутації ключа) менші масо-габаритні показники.
Тиристорні фазо-імпульсні регулятори до недавнього часу мали домінуюче застосування при побудові потужних регуляторів. До їх недоліків слід віднести те, що вони вносять значні викривлення форми пульсуючої напруги на виході вентильної схеми, що вимагає збільшення габаритів і маси фільтра, особливо за великого діапазону регулювання. Також викривляється форма струму, що споживається з мережі, а це вимагає установки вхідних фільтрів для забезпечення умов електромагнітної сумісності з іншими споживачами мережі. Крім того, затримка на вмикання вентилів веде до того, що основна гармоніка споживаного з мережі струму має зсув фази відносно напруги мережі. В результаті, навіть за активного навантаження, останнє мережею сприймається як активно-індуктивне - погіршується cosφ.
Тепер зрозуміло, чому в останній час намагаються якнайширше застосовувати регулятори, побудовані за методом ШІР, використовуючи при цьому, як ми вже зазначали, сучасні високочастотні потужні напівпровідникові прилади.
Хоча такі регулятори вимагають введення в схему додаткових силових вузлів, що, зрозуміло, веде до зниження перш за все к.к.д., проте масо-габаритні показники, показники якості вихідної напруги і умови узгодження з мережею живлення у них значно кращі.
Наприкінці зазначимо, що електронні регулятори, які не мають рухомих механічних елементів, називають статичними регуляторами.
2. Однофазний двопівперіодний керований випрямляч з нульовим виводом

Рис. 9.37 - Однофазний двопівперіодний керований випрямляч з нульовим виводом
Роботу фазо-імпульсного регулятора постійної напруги розглянемо на прикладі однофазного двопівперіодного керованого випрямляча з нульовим виводом, схема якого зображена на рис. 9.37, де позначено VS1 і VS2 - тиристори, СК - схема керування, яка забезпечує подачу на тиристори керуючих імпульсів з регульованою затримкою. На рис. 9.38 наведені часові діаграми, що ілюструють роботу випрямляча.
Зверніть увагу на форму напруги на тиристорі uVS1
На відрізку часу, що відповідає куту регулювання α
, він закритий і до нього прикладена напруга u21
за додатньої півхвилі, або u22
за від'ємної. Після закінчення відліку α
і видачі відповідного керуючого імпульсу напруга на тиристорі за додатної півхвилі відсутня, бо він тут працює як замкнений ключ, а за від'ємної півхвилі дорівнює (u21
+ u22
), бо за рахунок того, що другий тиристор знаходиться у відкритому стані, даний закритий виявляється підімкненим до обидвох півобмоток трансформатора.

Рис. 9.38 - Часові діаграми роботи однофазного двопівперіодного керованого випрямляча з нульовим виводом
Подібні керовані випрямлячі будують також і на основі трифазних вентильних схем. Закони зміни пульсуючої напруги на виході, а також специфіка роботи вентилів при цьому складніші.

Рис. 9.39 - Регулювальна характеристика керованого випрямляча
Залежність середньої випрямленої напруги на навантаженні від кута α
називається регулювальною характеристикою
, яка має вигляд синусоїди, зміщеної на величину Ud0
/2
. Регулювальна характеристика наведена на рис. 9.39. Вона нелінійна, бо лінійним змінам кута α
відповідають нелінійні зміни площі під кривою синусоїди.
Керовані випрямлячі широко використовуються для створення регульованих джерел напруги при регулюванні нагрівачів, освітлювальних приладів, швидкості обертання електродвигунів і т.п.
3. Автономні інвертори. Призначення та класифікація
Автономні інвертори
- це пристрої, що працюють на автономне навантаження і призначені для перетворення напруги постійного струму в напругу змінного струму заданої або регульованої частоти.
Застосовують автономні інвертори:
1) у системах електропостачання споживачів змінного струму, коли єдиним джерелом живлення є джерело напруги постійного струму (наприклад, акумуляторна або сонячна батарея);
2) у системах гарантованого електропостачання при зникненні напруги мережі живлення (наприклад, для особистих потреб електростанцій - для живлення пристроїв контролю, вимірювання, захисту, ЕОМ);
3) для живлення технологічного устаткування, частота напруги якого відрізняється від промислової частоти 50 Гц;
4) для частотного регулювання швидкості асинхронних двигунів;
5) для живлення споживачів змінного струму від ліній електропостачання постійного струму;
6) для перетворення постійної напруги одного рівня у постійну напругу іншого рівня (конвертування напруг).
Комутаційними елементами
в інверторах є тиристори або силові транзистори.
Залежно від специфіки електромагнітних процесів розрізняють інвертори струму та інвертори напруги. На рис. 10.1 зображені приклади їхніх схем.
В інверторах струму
силове коло схеми підминається до джерела постійної напруги через дросель L
з великим індуктивним опором (як відомо, джерело струму повинно мати великий опір).

Рис. 10.1 - Автономні інвертори струму (а) та напруги (б)
В інверторах напруги
паралельно джерелу живлення вмикається конденсатор великої ємності, чим виключається вплив на роботу пристрою внутрішнього опору джерела (отримуємо джерело напруги за змінним струмом).
Таким чином, комутація тиристорів в інверторах струму проводиться за сталого струму, а в інверторах напруги - за сталої напруги.
При роботі інвертора схема керування почергово вмикає пари тиристорів VS1, VS4 або VS2, VS3, завдяки чому на навантаженні Rн
виникає змінна напруга - за допомогою ключової схеми навантаження підмикається таким чином, щоб в ньому протікав струм різних напрямків.
Якщо навантаження інвертора напруги має індуктивний або активно-індуктивнин характер, то паралельно тиристорам вмикають зворотні діоди (VD1-VD4 на рис. 10.1,б). Цим забезпечується передача накопичуваної в індуктивності енергії назад у джерело живлення.
Основною проблемою при проектуванні інверторів є забезпечення надійного вимикання тиристорів, що знаходяться у провідному стані, перед вмиканням тиристорів, що не проводили струм. Це реалізується використанням схем примусової комутації, що забезпечують запирання тиристорів у колах постійного струму (див. розділ 2.6.2).
Зверніть увагу на те, що вентильна схема в наведених інверторах є мостовою, як і у випрямлячі (що є перетворювачем напруги змінного струму в напругу постійного струму). Звідси висновок - керовані вентильні схеми є зворотними
. Вони можуть передавати енергію як в одному, так і в іншому напрямку, залежно від місця вмикання джерела і навантаження і від алгоритму керування.
4. Однофазний інвертор струму
Схема однофазного інвертора струму з трансформаторним виходом зображена на рис. 10.2. Почергово вмикання тиристорів VSI або VS2 забезпечує виникнення на навантаженні Rн змінної напруги.

Рис. 10.2 - Однофазний інвертор струму з трансформаторним виходом
Дросель L забезпечує незмінність величини струму у силовому колі. С - комутуючий конденсатор, який забезпечує примусове вимикання тиристорів.
Первинні пів обмотки трансформатора ТV підімкнені до тиристорів VS1 і VS2 відповідно, а його вторинна обмотка w2
- до навантаження Rн.
Схема керування тиристорами СК забезпечує подачу керуючих імпульсів на тиристори (у найпростішому випадку цe може бути симетричний мультивібратор, що працює в автоколивальному режимі).
Працює інвертор наступним чином.
При надходженні від СК керуючого імпульсу до VS1 він вмикається і напруга джерела живлення подається на півобмотку . Потік у магнітопроводі трансформатора змінюється і наводить у обмотках w2
і ЕРС із полярністю, яка на схемі вказана без дужок. При цьому комутуючий конденсатор Ск, який підімкнено паралельно до первинної обмотки трансформатора, заряджається до напруги 2Uдж,
а на навантаженні з'являється позитивний сплеск напруги.
Після закінчення проміжку часу, що відповідає додатній півхвилі змінної напруги навантаження, СК вмикає тиристор VS2 і напруга джерела живлення подається на півобмотку Конденсатор Ск через VS2 підмикається паралельно до VSl, причому полярність напруги на ньому є такою, що вимикає останній.
Полярність ЕРС, наведеної в обмотках трансформатора після вмикання VS2, на схемі показана у дужках. Конденсатор С починає перезаряджатись до напруги 2Uдж
із зворотною полярністю(вказана на схемі також у дужках). На навантаженні виникає негативний сплеск напруги.
По закінченні проміжку часу, що відповідає від'ємній півхвилі змінної напруги, СК знову вмикає тиристор VSI і процеси повторюються.
Роботу однофазного інвертора струму ілюструють часові діаграми, наведені на рис. 10.3.

Рис. 10.3 - Часові діаграми роботи однофазного інвертора струму
Таким чином, інвертор формує на навантаженні змінну напругу, форма якої визначається формою напруги на конденсаторі Ск і залежить від величини опору навантаження. Зі збільшенням останнього постійна часу заряду конденсатора збільшується і форма напруги на ньому наближається до трикутної. Її амплітуда при цьому збільшується (при збереженні середнього за півперіода значення напруги). У результаті, при холостому ході за відсутності втрат в елементах пристрою напруга на навантаженні і конденсаторі безмежно зростає (реально виникають значні перенапруги) - джерело струму намагається підтримувати величину струму незмінною. Це може призвести до виходу інвертора з ладу.
5. Півмостовий однофазний інвертор напруги
Схема півмостового однофазного інвертора напруги зображена на рис. 10.4. Силові ланцюги виділені на ній більш товстими.
Такого типу схеми називають півмостовими, бо половину мосту в них складають вентилі (тут - тиристори VS1 і VS2), а другу - інші елементи (тут - конденсатори С1 і С2).
Решта елементів є елементами схеми примусової комутації. Так тиристор VS3, діод VD1 разом з комутуючими конденсатором Ск і дроселем Lk утворюють контур примусового вимикання тиристора a VS4 і VD2 разом з Ск і Lк - контур примусового вимикання тиристора VS2.
Почергове вмикання тиристорів VS1 і VS2 призводить до підмикання до навантаження напруги конденсатора C1 (протікає сгрум Ін1
) або конденсатора С2, з такою ж напругою (протікає струм Ін2
).

Рис. 10.4 - Півмостовий однофазний інвертор напруги
Робота схеми полягає у наступному.
Після підмикання джерела живлення і заряду конденсаторів С1 і С2, схема керування (на рисунку не показана) вмикає спочатку, наприклад, тиристор VS4.
Конденсатор Ск заряджається до напруги Uдж/2 з полярністю, вказаною на рисунку без дужок по контуру (+С2, Rн, Ск, Lк, VS4, -С2). Після закінчення заряду Cк VS4 сам вимикається, бо струм через нього знижується до нуля.
Це є підготовчим етапом роботи пристрою.
Далі схема керування вмикає тиристор VS1 і на навантаженні з'являється додатна напруга (полярність вказана без дужок).
По закінченні тривалості півперіоду схема керування вмикає тиристор VS3.
Відкритий тиристор VS3 і зустрічно-паралельно увімкнені тиристор VS1 та діод VD1 утворюють контур коливального перезаряду кондесатора Ск. Струм розряду Ск змінюється за синусоїдним законом, бо Lk з Ск являють собою послідовний резонансний коливальний контур.
Як тільки виявиться, що струм тиристора VS1 потече через VD1. До тиристора VS1 тепер прикладається зворотна напруга, яка дорівнює падінню напруги на VD1 (до одного вольта) і VSI закривається. Час протікання струму через VD1 називається часом запирання тиристора
VS1 Він повинен перевищувати час вимикання тиристора.
По закінченні коливального перезаряду конденсатора Ск струм ік
=0, а Ск виявляється зарядженим до напруги зі зворотною полярністю (на схемі у дужках), a VS3 сам вимикається.
Тепер схема готова до наступного циклу роботи, коли на навантаженні буде формуватись від'ємна півхвиля напруги (полярність вказана у дужках), для чого схема керування спочатку вмикає тиристор VS2, а по закінченні тривалості півхвилі - тиристор VS4 і т. д.
Тиристори VS3 і VS4 мають потужність значно меншу за VS1 і VS2, бо працюють короткочасно (тільки на час запирання силових тиристорів).
Інвертор напруги формує на навантаженні напругу, а форма струму залежить від характеру навантаження.
Часові діаграми роботи контуру примусового запирання тиристорів наведені на рис. 10.5.

Рис. 10.5 - Часові діаграми роботи контуру примусового запирання тиристора
Контрольні запитання:
1. Що називається керованим випрямлячем?
2. Які основні методи регулювання напруги постійного струму керованих випрямлячів?
3. Принцип роботи однофазного двопівперіодного керованого випрямляча з нульовим виводом?
4. Призначення та класифікація автономних інверторів?
5. Призначення та принцип роботи однофазного інвертора струму?
6. Що собою являє півмостовий однофазний інвертор напруги?
Інструкційна картка №24 для самостійного опрацювання навчального матеріалу з дисципліни «Основи електроніки та мікропроцесорної техніки»
І. Тема:
4 Основи цифрової електронної схемотехніки
4.1 Імпульсні пристрої
Мета: Формування потреби безперервного, самостійного поповнення знань; розвиток творчих здібностей та активізації розумової діяльності.
ІІ. Студент повинен знати:
- Призначення тригерів;
- Область застосування тригерів;
- способи реалізації тригерів;
- Будову та принцип роботи схеми тригера на дискретних елементах.
ІІІ. Студент повинен уміти:
- Застосовувати тригери при побудові електричних схем;
- Будувати та викреслювати схеми тригерів.
ІV. Дидактичні посібники:
Методичні вказівки до опрацювання.
V. Література:
[1, с. 158-161].
VІ. Запитання для самостійного опрацювання:
1. Загальні відомості про тригери та їх призначення
2. Тригер на біполярних транзисторах
VІІ. Методичні вказівки до опрацювання:
Теоретична частина.
VІІІ. Контрольні питання для перевірки якості засвоєння знань:
1. Що таке тригер?
2. Які є способи реалізації тригерів?
3. Яка область застосування тригерів?
4. Схема та принцип роботи тригерів на дискретних елементах?
ІХ. Підсумки опрацювання:
Теоретична частина: Імпульсні пристрої
План:
1. Загальні відомості про тригери та їх призначення
2. Тригер на біполярних транзисторах
Література
1. Загальні відомості про тригери та їх призначення
Основою послідовних логічних пристроїв (пристроїв з пам'яттю) є тригери. Тригер забезпечує запам'ятовування елементарного об'єму інформації - 1 біт.
Тригери
(від англійського trigger - заслінка) - це спускові імпульсні пристрої з позитивним зворотним зв'язком, що мають два сталих стани рівноваги і можуть переходити із одного стану в інший під дією сигналу, який перевищує по величині деякий рівень - поріг спрацьовування пристрою.
Тригери можуть бути побудовані
на напівпровідникових приладах, які мають ділянку з негативною крутизною характеристики (наприклад, на тиристорах). Сучасні тригери, як правило, будують на основі двокаскадних підсилювачів з додатнім зворотним зв'язком. Тригери в інтегральному виконанні будують на логічних цифрових елементах.
Використовуються тригери
для наступних цілей:
1) перетворення імпульсу довільної форми у прямокутну, тобто застосовуються як формувачі імпульсів прямокутної форми (тригери Шмітта - див розділ 5.3.4);
2) створення електронних реле;
3) створення пристроїв підрахунку імпульсів і ділення частоти надходження імпульсів;
4) зберігання інформації у двійковому коді.
2. Тригер на біполярних транзисторах (симетричний тригер з лічильним запуском)
Схема симетричного тригера зображена на рис. 7.1. Тригер являє собою двокаскадний підсилювач з додатнім зворотним зв'язком виконаний на біполярних транзисторах VT1 і VT2, увімкнених за схемою з ЗЕ.
Додатній зворотний зв'язок забезпечується ланцюжками R1
, С1
, та R2
, С2
, які з'єднують колектор одного транзистора з базою іншого.
Напруга Eзм
, призначена для надійного утримання у закритому стані одного з транзисторів схеми.
Коло, до якого входять діоди VD1 і VD2, призначене для запуску тригера при подачі напруги Uзап
.
Тригер є симетричним, бо:
RК1
= RК2
= RК
; R1
= R2
= R; RБ1
= RБ2
= RБ
; С1
= С2
= С.
Він має два сталих стани:
1) VT1 відкритий, VT2 закритий, при цьому Uвих1
=0, Uвих2
=1;
2) VTI закритий, VT2 відкритий, Uвих1
=1, Uвих2
=0;
Після підминання джерела живлення тригер може опинитися у будь-якому стані і, за відсутності зовнішніх сигналів керування, може знаходитися у сталому стані скільки завгодно часу (але тільки за наявності живлення - енергозалежна пам'ять).

Рис. 7.1 - Симетричний тригер на біполярних транзисторах
Розглянемо роботу тригера за наявності запускаючої напруги. Припустимо, схема знаходиться у першому сталому стані рівноваги. У цьому випадку діод VD1 зміщений у прямому напрямку під дією позитивної напруги Uбе1
, а діод VD2 закритий напругою Uбе2
. Якщо подати негативний запускаючий імпульс, він через діод VD1 потрапить до бази VТ1, який закриється (матимемо I1
=0). Напруга на колекторі VT1 зросте і через R1
та прискорюючий конденсатор C1
потрапить на базу VT2 і відкриє його.

Рис. 7.2 - Часові діаграми роботи лічильного тригера
У результаті - схема перейде до другого сталого стану.
Тепер діод VD1 закритий напругою Uбе1
і наступний негативний імпульс запуску буде діяти на базу VT2 через діод VD2 і закриє VT2, переводячи тригер у перший сталий стан.
Таким чином, кожен імпульс запуску змінює стан тригера на протилежний. Такий вид запуску називається лічильним запуском, а тригер має назву тригера Т-типу. Його роботу ілюструють часові діаграми, зображені на рис. 7.2, з яких видно, що період вихідних імпульсів Твих
у два рази більший за період запускаючих Тзап
, (тому такий тригер ще називають тригером дільником на два).
Поряд з лічильним запуском існує роздільний запуск, котрий можна реалізувати двома способами:
1) подачею імпульсів однієї полярності віл двох різних генераторів на бази кожного з транзисторів у різні моменти часу;
2) подачею імпульсів змінної полярності на базу одного з транзисторів.
Контрольні запитання:
1. Що таке тригер?
2. Які є способи реалізації тригерів?
3. Яка область застосування тригерів?
4. Схема та принцип роботи тригерів на дискретних елементах?
Інструкційна картка №25 для самостійного опрацювання навчального матеріалу з дисципліни «Основи електроніки та мікропроцесорної техніки»
І. Тема:
4 Основи цифрової електронної схемотехніки
4.2 Логічні елементи
Мета: Формування потреби безперервного, самостійного поповнення знань; розвиток творчих здібностей та активізації розумової діяльності.
ІІ. Студент повинен знати:
- Призначення логічних елементів;
- Область застосування логічних елементів;
- Способи реалізації логічних елементів;
- Будову та принцип роботи схем логічних елементів різних типів.
ІІІ. Студент повинен уміти:
- Застосовувати логічні елементи при побудові електричних схем;
- Будувати та викреслювати схеми логічних елементів.
ІV. Дидактичні посібники:
Методичні вказівки до опрацювання.
V. Література:
[2, с. 222-231].
VІ. Запитання для самостійного опрацювання:
1. Логічні ІМС типу ТЛНС, РТЛ і РЕТЛ
2. Логічні ІМС з емітерними зв'язками
VІІ. Методичні вказівки до опрацювання:
Теоретична частина.
VІІІ. Контрольні питання для перевірки якості засвоєння знань:
1. Яку логічну функцію дозволяє реалізувати схема ІМС типу ТЛНС?
2. Привести схему типу ТЛНС?
3. Які основні недоліки схеми типу ТЛНС?
4. Що собою являють логічні ІМС з емітерними зв'язками?
ІХ. Підсумки опрацювання:
Теоретична частина: Логічні елементи
План:
1. Логічні ІМС типу ТЛНС, РТЛ і РЕТЛ
2. Логічні ІМС з емітерними зв'язками
Література
1. Логічні ІМС типу ТЛНС, РТЛ і РЕТЛ
Простий, історично перший, варіант логічних ІМС типу ТЛНС показаний на Рис. 11.8. Неважко переконатися, що дана схема дозволяє реалізувати функцію АБО - НЕ. Будь-який з вхідних сигналів позитивної полярності (позитивна логіка) буде інвертований на виході. Дійсно, надходження хоч би на один вхід сигналу позитивної полярності приводить до відмикання відповідного транзистора і переходу його в режим насичення. При цьому різко зростає падіння напруги на загальному для всіх транзисторів опорі навантаження Rн, а вихідна напруга знизиться практично до нуля. Таким чином, високий рівень напруги на вході, відповідний логічній одиниці, призводить до зниження напруги на виході схеми до рівня логічного нуля. У негативній логіці, тобто у тому випадку, коли на вхід (входи) поступає напруга негативної полярності, схема, побудована на транзисторах типу n-p-n виконує функцію І - НЕ: високий рівень напруги на виході буде тільки за умови, що всі три транзистори замкнуто, тобто на всі входи поступили сигнали низького рівня. Зміна характеру функції при заміні позитивної логіки на негативну (і навпаки) є загальною властивістю логічних схем, в чому неважко переконатися при подальшому розгляді їх різновидів.

Рис. 11.8. Схема типу ТЛНС
Не дивлячись на певні переваги (простота, мала споживана потужність, висока швидкодія), транзисторні логічні мікросхеми з безпосереднім зв'язком застосовуються рідко. Їх недоліком є значний розкид вхідних характеристик (а, отже, і вхідних опорів) транзисторів. В результаті при одній і тій же вхідній напрузі базові струми транзисторів можуть істотно відрізнятися один від одного. Крім того, схеми типу ТЛНС мають низьку завадостійкість і невелику навантажувальну здатність.
Для підвищення завадостійкості і вирівнювання вхідних опорів транзисторів в ланцюзі баз включають додаткові резистори з опором близько декількох сотень Ом (Рис. 11.9). В цьому випадку утворюється схема типу РТЛ, принцип роботи якої і виконувані нею логічні функції нічим не відрізняються від розглянутої вище схеми типу ТЛНС. Слідує, проте, відзначити, що схеми типу РТЛ мають відносно невелику швидкодію. Пояснюється це тим, що ділянка база - емітер кожного транзистора володіє помітною паразитною ємністю (показано пунктиром на рис 11.9).

Рис. 11.9. Схема типу РТЛ

Рис. 11.10. Схема типу РЕТЛ
Під час надходження вхідного сигналу ця ємність заряджає через відповідний базовий резистор. Постійна часу заряду при чималому опорі базового резистора може перевищити тривалість вхідного сигналу. В результаті відбуваються спотворення форми вхідного сигналу, затягування процесу відмикання транзистора і зниження швидкодії схеми. Для усунення цього недоліку базові резистори шунтують конденсаторами (Рис. 11.10). Схеми такого типу називаються схемами РЕТЛ. У момент перемикання конденсатори (їх називають прискорюючими) на деякий час закорочують резистори і тим самим як би виключають їх з схеми. Тому постійна часу заряду паразитних базових ємностей різко зменшується, а час перемикання транзисторів із замкнутого стану у відкритий і навпаки, помітно скорочується.
Розглянуті варіанти логічних інтегральних мікросхем використовувалися на першому етапі розвитку мікросхемотехніки. У напівпровідникових ІМС і особливо в мікросхемах з високим ступенем інтеграції (ВІС) вони виявилися безперспективними.
2. Логічні ІМС з емітерними зв'язками (перемикачі струму)
Розглянуті вище типи логічних ІМС володіють загальним недоліком: транзистори в цих схемах, знаходячись у відкритому стані, працюють в режимі насичення. У зв'язку з цим в областях бази і колектора накопичуються значні заряди, для розсмоктування яких під час переходу транзистора в закритий стан потрібний додатковий час. Для усунення цього недоліку використовуються схеми типу ТЛПТ (перемикачі струму), які називаються також транзисторними логічними схемами з емітерними зв'язками (типу ТЛЕЗ). Основна особливість цих схем полягає в тому, що відкриті транзистори в них не входять в режим насичення. Завдяки цьому, підвищується швидкодія схеми.
Одна з простих схем подібного типу - логічна схема типу ТЛПТ показана на Рис. 11.14. У початковому стані транзистори VT1-VT3 замкнуті і струм від джерела проходить через транзистор VT4, який відкритий опорною напругою. Оскільки всі вхідні транзистори (VTI - VT3) замкнуті, то на базу вихідного транзистора VT5 подається високий позитивний потенціал, рівний потенціалу колекторів транзисторів VT1-VT3. Транзистор VT5 при цьому відкритий, через резистор R4 (опір навантаження) проходить великий струм, напруга на резисторі R4 підвищується, що відповідає рівню логічної одиниці на виході у2.
Характерною особливістю схеми є такий вибір режиму роботи відкритих транзисторів VT4 і VT5, який забезпечує надійне відмикання цих транзисторів, не доводячи до насичення.
Відмикання хоч би одного з транзисторів VT1 - VT3 приводить до підвищення падіння напруги на резисторі R3 і забезпечує замикання транзистора VT4 (оскільки потенціал емітера цього транзистора стає вищим, ніж потенціал бази, підключеної до низьковольтного джерела опорної напруги). У зв'язку з цим струм від джерела живлення різко перемикається з транзистора VT4 на транзистори VT1-VT3. Падіння напруги на резисторі R1 зростає, потенціал бази транзистора VT5 знижується, транзистор VT5 закривається, а величина напруги на виході у2 (на резисторі R4) падає до рівня логічного нуля.
Таким чином, схема дозволяє реалізувати логічну операцію АБО - НЕ. Вихід у1 (з колектора транзистора VT4) - прямій. Знімаючи вихідну напругу з цього виходу, можна реалізувати функцію «АБО».
Складніша схема транзисторної логіки, що працює за принципом перемикання струму, показана на Рис. 11.15. Ця схема (типу ТЛЕЗ) вважається однією з найбільш швидкодіючих логічних ІМС. У схемі чотири емітерно-зв'язані каскади (VТ1 -VТ4), два вихідних каскади (VT5, VT6) з навантаженням в ланцюзі емітера і джерело опорної напруги на транзисторі VT7. Робота даної схеми багато в чому аналогічна роботі схеми на Рис. 11.14.

Рис. 11.14. Логічна схема типу ТЛПТ

Рис 11.15. Схема типу ТЛЕЗ
Якщо на входи х1, х2, х3 подані потенціали, відповідні рівню логічного нуля, то транзистори VT1 - VT3 закриті, транзистор же VT4 відкритий, оскільки на його вхід подана опорна напруга з резистора R4, включеного в ланцюг емітера транзистора VТ7. Якщо хоч би на один з входів подати позитивну напругу, рівну рівню логічної одиниці, то відповідний вхідний транзистор відкриється (але не увійде до режиму насичення), а транзистор VT4 закриється.
Схема має два виходи. На одному з них y1 напруга відповідатиме логічній одиниці тільки у тому випадку, коли замкнутий транзистор VT4. Для цього, як вже наголошувалося, достатньо подати одиничну напругу хоч би на один вхід схеми. Отже, по виходу у1 схема реалізує логічну операцію АБО. Неважко переконатися в тому, що по виходу у2 схема дозволяє виконати логічну операцію АБО - НЕ. Тому можна вважати, що схема типу ТЛЕЗ в цілому здатна реалізувати функцію АБО/АБО - НЕ. Звернемо увагу на те, що в схемі на рис 11.15 заземлений не негативний, а позитивний полюс джерела живлення, так що всі робочі потенціали, що відлічуються щодо нульового потенціалу заземленого позитивного полюса джерела, виявляються негативними. Зрозуміло, це не міняє принципу дії схеми, проте заземлення позитивної шини живлення істотно зменшує вплив перешкод, що проходять по ній.
Контрольні запитання:
1. Яку логічну функцію дозволяє реалізувати схема ІМС типу ТЛНС?
2. Привести схему типу ТЛНС?
3. Які основні недоліки схеми типу ТЛНС?
4. Що собою являють логічні ІМС з емітерними зв'язками?
Інструкційна картка №26 для самостійного опрацювання навчального матеріалу з дисципліни «Основи електроніки та мікропроцесорної техніки»
І. Тема:
4 Основи цифрової електронної схемотехніки
4.3 Цифрові пристрої
Мета: Формування потреби безперервного, самостійного поповнення знань; розвиток творчих здібностей та активізації розумової діяльності.
ІІ. Студент повинен знати:
- Призначення лічильників імпульсів;
- Область застосування лічильників імпульсів;
- Способи реалізації лічильників імпульсів;
- Будову та принцип роботи схем лічильників імпульсів різних типів.
ІІІ. Студент повинен уміти:
- Застосовувати лічильники імпульсів при побудові електричних схем;
- Будувати та викреслювати схеми на основі лічильників імпульсів.
ІV. Дидактичні посібники:
Методичні вказівки до опрацювання.
V. Література:
[1, с. 174-178].
VІ. Запитання для самостійного опрацювання:
1. Лічильники імпульсів
VІІ. Методичні вказівки до опрацювання:
Теоретична частина.
VІІІ. Контрольні питання для перевірки якості засвоєння знань:
1. Що являє собою лічильник імпульсів?
2. Що таке послідовний лічильник імпульсів?
3. Що таке паралельний лічильник імпульсів?
4. На які типи поділяються лічильник імпульсів?
ІХ. Підсумки опрацювання:
Теоретична частина: Цифрові пристрої
План:
1. Лічильники імпульсів
Література
1. Лічильники імпульсів
Однією з найрозповсюдженіших операцій у пристроях інформаційно-обчислювальної і цифрової вимірювальної техніки є фіксування кількості імпульсів-підрахунок їх кількості. Ревізують таку операцію лічильники імпульсів. Лічильники також забезпечують представлення інформації про кількість імпульсів у вигляді двійкового коду (завдяки принципу побудови).
Лічильники бувають прості
(підсумовуючі, у яких код збільшується на одиницю після надходження на вхід кожного імпульсу; віднімаючі, у яких код відповідно зменшується після надходження на вхід кожного імпульсу) і реверсивні
(суміщають властивості підсумовуючих і віднімаючих - можуть працювати в тому або іншому режимі за зовнішньою командою). Як правило, лічильники будують на основі тригерів. Схема чотирирозрядного підсумовуючого послідовного двійкового лічильника, виконаного на комбінованих RST-тригерах з імпульсними інверсними входами синхронізації наведена на рис. 8.7, його умовне позначення - на рис. 8.8, часові діаграми роботи - на рис. 8.9, таблиця переходів - у табл. 8.1.

Рис. 8.7 - Чотирирозрядний послідовний двійковий лічильник

Рис. 8.8 - Умовне позначення чотирирозрядного послідовного двійкового лічильника
Таблиця 8.1 Таблиця переходів чотирирозрядного послідовного двійкового лічильника

Лічильник
називається послідовним
, тому що вихід тригера кожного попереднього розряду з'єднано з лічильним входом (входом синхронізації) тригера наступного розряду, в результаті чого передача інформації - перемикання тригерів розрядів лічильника - відбувається послідовно одного за одним. Це визначає низьку швидкодію лічильника.

Рис. 8.9 - Часові діаграми роботи чотирирозрядного підсумовуючого послідовного двійкового лічильника з імпульсним інверсним лічильним входом
У паралельних лічильників
інформація з розряду в розряд передасться за допомогою спеціальної комбінаційної схеми, а входи синхронізації тригерів з'єднано разом і перемикання всіх тригерів відбувається одночасно.
Як видно з таблиці переходів і часових діаграм, при безперервній роботі лічильника на його виходах Q1
, Q2
, Q4
, Q8
формується послідовний двійковий код.
Вхід R призначений для встановлення лічильника в нульовий стан (у даному разі - подачею сигналу логічної 1).
Входи D1
, D2
, D4
, D8
призначені для паралельного занесення чисел у лічильник - для задання початкового стану, що відрізняється від нульового.
Послідовну роботу лічильника можна порушити, обмеживши кількість його станів. Це можна зробити, вводячи зворотний зв'язок, як, наприклад, показано на рис. 8.10. Тепер при досягненні десятого стану лічильник одразу переходить в нульовий стан - отримано двійково-десятковий лічильник, який має не 16, а 10 станів і формує на виходах двійково-десятковий код. Його таблиця переходів наведена в табл. 8.2, а часові діаграми роботи - на рис. 8.11.

Рис. 8.10 - Отримання двійково-десяткового лічильника з двійкового (а) і умовне позначення двійково-десяткового лічильника (б)

Рис. 8.11- Часові діаграми роботи чотирирозрядного двійково-десяткового лічильника
Таблиця 8.2 Таблиця переходів чотирирозрядного послідовного двійково-десяткового лічильника

Застосування таких лічильників разом з двійково-десятковими або двійково-семисегментними дешифраторами дозволяє на основі стандартних ІМС будувати схеми керування багаторозрядними десятковими індикаторами (розряди десяткові, а у межах десяткового розряду рахунок двійковий).
На рис. 8.12 наведено схему лічильника, який також має десять станів, але працює не в послідовному двійковому коді, бо після надходження восьмого імпульсу переходить з 7 стану у 14, після дев'ятого - у 15, а після десятого - у 0.

Рис. 8.12 - Чотирирозрядний лічильник, що має десять станів

Рис. 8.13 - Реверсивний лічильник К561ИЕ14
У вигляді ІМС випускається досить широка номенклатура лічильників. На рис. 8.13 як приклад наведене умовне позначення чотирирозрядного реверсивного лічильника К561ИЕ14. Він має входи:
1) запису інформації з входів паралельного вводу інформації D1
, D2
, D4
, D8
- WR;
2) паралельного вводу інформації - D1
, D2
, D4
, D8
;
3) синхронізації (тактовий) - C;
4) дозволу лічення - V;
5) напрямку лічення (підсумовування чи віднімання) - ± 1;
6) задання роботи в двійковому чи двійково-десятковому коді - 2/10. Виходи:
1) інформаційні - Q1
, Q2
, Q4
, Q8
;
2) переносу (займу) в старшин (із старшого) розряду - р.
Контрольні запитання:
1. Що являє собою лічильник імпульсів?
2. Що таке послідовний лічильник імпульсів?
3. Що таке паралельний лічильник імпульсів?
4. На які типи поділяються лічильник імпульсів?
Інструкційна картка №27 для самостійного опрацювання навчального матеріалу з дисципліни «Основи електроніки та мікропроцесорної техніки»
І. Тема:
4 Основи цифрової електронної схемотехніки
4.3 Цифрові пристрої
Мета: Формування потреби безперервного, самостійного поповнення знань; розвиток творчих здібностей та активізації розумової діяльності.
ІІ. Студент повинен знати:
- Призначення регістрів;
- Область застосування регістрів;
- Способи реалізації регістрів;
ІІІ. Студент повинен уміти:
- Застосовувати регістри при побудові електричних схем;
- Будувати та викреслювати схеми на основі регістрів.
ІV. Дидактичні посібники:
Методичні вказівки до опрацювання.
V. Література:
[1, с. 178-179].
VІ. Запитання для самостійного опрацювання:
1. Регістри
VІІ. Методичні вказівки до опрацювання:
Теоретична частина.
VІІІ. Контрольні питання для перевірки якості засвоєння знань:
1. Що називається регістром?
2. Область застосування регістрів?
3. Яким чином класифікуються регістри?
ІХ. Підсумки опрацювання:
Теоретична частина: Цифрові пристрої
План:
1. Регістри
Література
1. Регістри
Регістри
призначені для запам'ятовування і зберігання інформації, представленої у вигляді багаторозрядних двійкових чисел (двійкового коду) та їх видачі за зовнішньою командою - це елементи короткочасної (оперативної) пам'яті.
Залежно від способу запису і видачі інформації регістри бувають:
1) послідовні
- запис інформації в яких виконується послідовно – одного двійкового розряду за іншим через один вхід;
2) паралельні
- запис інформації в яких виконується одночасно (паралельно) у всі розряди;
3) послідовно-паралельні
- можуть працювати як послідовні або паралельні, залежно від сигналу на спеціальному вході керування.
На рис. 8.14 як приклад наведено умовне позначення універсального регістру типу 564ИР9.

Рис. 8.14 - Універсальний регістр 564ИР9
Він має входи
:
1) синхронізації (тактовий) - С;
2) задання режиму роботи (паралельний-послідовний) -P/S;
3) послідовного вводу інформації (входи JK-тригера першого розряду) - J, K;
4) паралельного вводу інформації – D1
, D2
, D3
, D4
;
5) задання видачі інформації в прямому або інверсному коді – T/С;
6) встановлення нульового стану R.
Виходи
: Q1
, Q 2
, Q 3
, Q 4
.
При видачі інформації у послідовному коді останній знімається з виходу Q 4
.
Контрольні запитання:
1. Що називається регістром?
2. Область застосування регістрів?
3. Яким чином класифікуються регістри?
Інструкційна картка №28 для самостійного опрацювання навчального матеріалу з дисципліни «Основи електроніки та мікропроцесорної техніки»
І. Тема:
4 Основи цифрової електронної схемотехніки
4.3 Цифрові пристрої
Мета: Формування потреби безперервного, самостійного поповнення знань; розвиток творчих здібностей та активізації розумової діяльності.
ІІ. Студент повинен знати:
- Призначення суматорів;
- Область застосування суматорів;
- Способи реалізації суматорів;
ІІІ. Студент повинен уміти:
- Застосовувати суматорів при побудові електричних схем;
- Будувати та викреслювати схеми на основі суматорів.
ІV. Дидактичні посібники:
Методичні вказівки до опрацювання.
V. Література:
[1, с. 178-179].
VІ. Запитання для самостійного опрацювання:
1. Суматор. Загальні відомості
VІІ. Методичні вказівки до опрацювання:
Теоретична частина.
VІІІ. Контрольні питання для перевірки якості засвоєння знань:
1. Що таке суматор?
2. Як класифікують суматори?
3. Як графічно позначаються суматори та їх таблиці істинності?
ІХ. Підсумки опрацювання:
Підготував викладач:
Бондаренко І.В.
Теоретична частина: Цифрові пристрої
План:
1. Суматор. Загальні відомості
Література
1. Суматор. Загальні відомості
Суматор
– логічний комбінаційний пристрій, що виконує арифметичне
додавання кодів двох чисел. При арифметичному додаванні виконуються й інші додаткові операції: врахування знаків чисел, вирівнювання порядків. Зазначені операції виконуються в арифметико-логічних пристроях (АЛП) чи процесорних елементах, ядром яких є суматори. Суматори класифікують по різних ознаках.
У залежності від системи числення розрізняють
:
- двійкові;
- двійково-десяткові (у загальному випадку двійково-кодовані);
- десяткові.
По кількості одночасно оброблюваних розрядів чисел, що додаються:
- однорозрядні;
- багаторозрядні.
По числу входів і виходів однорозрядних двійкових суматорів:
- чвертьсуматори (елементи “сума по модулю 2”; елементи “виключаюче АБО”), що характеризуються наявністю двох входів, на які подаються два однорозрядних числа, і одним виходом, на якому реалізується їхня арифметична сума;
- напівсуматори, що характеризуються наявністю двох входів, на які подаються однойменні розряди двох чисел, і двох виходів: на одному реалізується арифметична сума в даному розряді, а на іншому переніс у наступний (старший) розряд;
- повні однорозрядні двійкові суматори, що характеризуються наявністю трьох входів, на які подаються однойменні розряди двох чисел, що складаються, і переніс з попереднього (молодшого) розряду, і двома виходами: на одному реалізується арифметична сума в даному розряді, а на іншому переніс у наступний (старший) розряд.
По способу представлення й обробки чисел, що додаються, багаторозрядні суматори поділяються на
:
- послідовні, у яких обробка чисел ведеться по черзі, розряд за розрядом на тій самій елементній базі;
- паралельні, у яких доданки додаються одночасно по всіх розрядах, і для кожного розряду є своя елементна база.
Паралельний суматор у найпростішому випадку являє собою n
однорозрядних суматорів, послідовно (від молодших розрядів до старших) з’єднаних ланцюгами переносу. Однак така схема суматора характеризується порівняно невисокою швидкодією тому, що формування сигналів суми і переносу в кожному i-му розряді виробляється лише після того, як надійде сигнал переносу з (i-1) – го розряду.
Чвертьсуматор
Найпростішим двійковим сумуючим елементом є чвертьсуматор.
Походження назви цього елемента випливає з того, що він має в два рази менше виходів і в два рази менше рядків у таблиці істинності в порівнянні з повним двійковим однорозрядним суматором. Найбільш вживані назви: елемент “сума по модулю 2” і елемент “виключаюче АБО”. Схема (рис. 1) має два входи а і b для двох доданків, що додаються, й один вихід S для суми. Роботу її відображає таблиця істинності (табл. 1),


Рис. 1. Графічне позначення чверть суматора

Рис. 2. Схеми чверть суматора
Напівсуматор
(рис. 3) має два входи a і b для двох чисел, що сумуються і два виходи: S – сума, P – переніс. Позначають напівсуматор буквами HS (halfsum – напівсума). Роботу його відображає таблиця істинності (табл.)

Рис. 3. Графічне позначення напівсуматора
Таблиця 2– Таблиця істинності напівсуматора

Повний однорозрядний двійковий суматор.
Повний однорозрядний двійковий суматор (рис. 4) має три входи: a
, b для двох доданків і p
для переносу з попереднього (молодшого) розряду і два виходи: S
– сума, P
– переніс у наступний (старший) розряд. Позначають повний двійковий суматор буквами SM. Його роботу відображає таблиця істинності (табл. 3).

Рис. 4. Графічне позначення повного однорозрядного двійкового суматора.
Таблиця 3 – Таблиця істинності однорозрядного двійкового суматора

Контрольні запитання:
1. Що таке суматор?
2. Як класифікують суматори?
3. Як графічно позначаються суматори та їх таблиці істинності?
Інструкційна картка №29 для самостійного опрацювання навчального матеріалу з дисципліни «Основи електроніки та мікропроцесорної техніки»
І. Тема:
4 Основи цифрової електронної схемотехніки
4.4 Мікропроцесори
Мета: Формування потреби безперервного, самостійного поповнення знань; розвиток творчих здібностей та активізації розумової діяльності.
ІІ. Студент повинен знати:
- Призначення команд мікропроцесора;
- Способи реалізації команд мікропроцесора.
ІІІ. Студент повинен уміти:
- Застосовувати команд мікропроцесора при його програмуванні;
- Будувати програми на основі команд мікропроцесора.
ІV. Дидактичні посібники:
Методичні вказівки до опрацювання.
V. Література:
[4, с. 268-272].
VІ. Запитання для самостійного опрацювання:
1. Система команд мікропроцесора К580ВМ80А
VІІ. Методичні вказівки до опрацювання:
Теоретична частина.
VІІІ. Контрольні питання для перевірки якості засвоєння знань:
1. Які команди належать до команд пересилання?
2. Які команди належать до команд для циклів?
3. Які команди належать до команд передачі управління?
4. Які команди належать до команд обробки окремих бітів?
ІХ. Підсумки опрацювання:
Теоретична частина: Мікропроцесори
План:
1. Система команд мікропроцесора К580ВМ80А
Література
1. Система команд мікропроцесора К580ВМ80А

Контрольні запитання:
1. Які команди належать до команд пересилання?
2. Які команди належать до команд для циклів?
3. Які команди належать до команд передачі управління?
4. Які команди належать до команд обробки окремих бітів?
Інструкційна картка №30 для самостійного опрацювання навчального матеріалу з дисципліни «Основи електроніки та мікропроцесорної техніки»
І. Тема:
4 Основи цифрової електронної схемотехніки
4.4 Мікропроцесори
Мета: Формування потреби безперервного, самостійного поповнення знань; розвиток творчих здібностей та активізації розумової діяльності.
ІІ. Студент повинен знати:
- Організацію інтерфейсу мікропроцесорних систем;
- Способи передачі інформації мікропроцесорних систем;
ІІІ. Студент повинен уміти:
- Застосовувати мікропроцесорні системи при побудові електричних схем;
ІV. Дидактичні посібники:
Методичні вказівки до опрацювання.
V. Література:
[1, с. 178-179].
VІ. Запитання для самостійного опрацювання:
1. Організація інтерфейсу мікропроцесорних систем
VІІ. Методичні вказівки до опрацювання:
Теоретична частина.
VІІІ. Контрольні питання для перевірки якості засвоєння знань:
1. Що означає поняття – інтерфейс?
2. Яким чином організовується магістральна структура зв'язків?
3. Якими способамиможе передаватися інформація у мікропроцесорних системах?
4. Що означає уніфікований інтерфейсмікропроцесорних систем?
ІХ. Підсумки опрацювання:
Підготував викладач:
Бондаренко І.В.
Теоретична частина: Мікропроцесори
План:
1. Організація інтерфейсу мікропроцесорних систем
Література
1. Організація інтерфейсу мікропроцесорних систем
Всі пристрої мікропроцесора і ЕОМ сполучені в єдине ціле. Ці пристрої обмінюються інформацією, сигналами керування по шинах і лініях сигналів. Всі пристрої повинні бути між собою узгоджені (зв'язані) по своїх параметрах.
Сукупність шин і ліній сигналів (інформаційних, повідомлюючих і керуючих), що забезпечує з'єднання груп пристроїв МП і ЕОМ, називається інтерфейсом
.
Розглянемо схему інтерфейсних зв'язків мікропроцесора з пристроями вводу-виводу (ПВВ) і оперативним запам'ятовуючим пристроєм (ОЗП) (мал. 8.26). Для зв'язку МП з ПВВ використовується п'ять груп шин. Код вибору (адреси) пристрою передається по шині (групі шин) 1, по шині 2 - сигнал керування зчитуванням - записом, по шині 3 - сигнал запиту на переривання, шини 4 і 5 використовуються для передачі даних від МП до ПВВ і назад.

Мал. 8.26
Для зв'язку МП з ОЗП використовується теж п'ять груп шин. По групі шин 6 передається адреса в ОЗП, шина 7 потрібна для керування зчитуванням-записом, по сигналах на шині 8 приймаються команди в процесор, а шини 9 і 10 забезпечують передачу даних з МП в ОЗП і назад. Всі зв'язки здійснюються через виводи корпусу МП.
Якщо до мікропроцесорної системи підключено декілька ПВВ, будь-яке з них в довільний момент часу може потребувати обслуговування. Запуск програми обслуговування ПВВ полягає в подачі і обробці запитів на переривання. Після появи запиту на переривання МП завершує виконання поточної команди, після чого проводиться запис в стек вмісту лічильника команд. У лічильник завантажується вміст двох певних областей пам'яті, потім вибирається команда з пам'яті, адреса якої визначається вмістом цих областей, виконується програма обробки переривання. Після виконання програми обробки переривання поступає команда повернення. При виконанні команди повернення із стека витягується старе значення лічильника команд і продовжується виконання перерваної команди, починаючи з команди, перед реалізацією якої відбулося переривання.
У МП набули широкого поширення магістральні структури зв'язків
. До них підключені входи і виходи електронних вузлів. Електронні вузли володіють такими властивостями, що підключення їх до інформаційної магістралі не утворює короткозамкнутих зв'язків і низькоомних навантажень. Вхідні сигнали записів даних за наявності сигналу керування «дозвіл запису» передаються в регістр і викликають роботу тригерів тільки по передньому фронту сигналу синхронізації. Керування вихідними каскадами тригерів регістра здійснюється сигналом «Дозвіл завдання». Скидання тригерів регістра відбувається імППльсом синхронізації при подачі сигналу «Дозвіл установки нуля». Операція передачі «Регістр - регістр» йде після установки рівнів сигналів керування по імППльсу синхронізації.
Єдина інформативна магістраль МП системи зв'язує між собою два пристрої і функціонально складається з інформаційних магістралей, адрес, даних і сигналів керування.
Магістраль адрес
. Вона однонаправлена, тільки мікропроцесор може виробити адресу, що передається в системі інформації, він генерує код адреси, в цей час решта пристроїв, підключених до магістралі адрес, виконує безперервно мікрооперацію визначення коду адреси. Кількість шин магістралі адрес співпадає з розрядністю передаваного коду адреси.
Магістраль даних
. Вона двонаправлена, забезпечує всі можливості системи. МП, ОЗ, дисплеї можуть сприймати або передавати дані.
Магістраль керування
. Деякі шини ПВВ і МП генерують сигнали керування призначені для синхронізації і визначення операцій пристроїв. Ці сигнали передаються однонаправленими шинами по магістралі керування. Всі сигнали керування узгоджені з сигналами синхронізації. Вони задають початок і послідовність спрацьовування пристроїв системи, блоків і вузлів усередині всіх кристалів ВІС. Для завдання синхронізуючих імпульсів застосовується кварцованний генератор. У мікропроцесорних системах інформація може передаватися трьома способами.
При першому способі (програмно-керована передачі за ініціативою процесора) передача йде по відповідній команді, записаній в програмі процесора, йде від пам'яті до процесора і назад (мал. 8.27).
Другий спосіб (програмно-керована передача по запиту переривання від периферійного пристрою ПП) показаний на мал. 8.28.

Мал. 8.27

Мал. 8.28
Мікропроцесор під час виконання програми по запиту переривання відсторонений від своєї основної програми. Для швидкого вводу, виводу даних і очищення мікропроцесора від керування цими операціями використовується третій спосіб (прямий доступ до пам'яті) (мал. 8.29).

Мал. 8.29
При прямому доступі до пам'яті здійснюється обмін даними між ОЗП і ПП. Прямий доступ до пам'яті (ПДП) підвищує швидкість вводу - виводу інформації і загальну продуктивність МП системи. На вимогу процесора або ПП контролер ПДП задає розмір передаваного блоку даних і область пам'яті, використовуваної при передачі, формує адреси осередків ОЗП, що беруть участь в передачі, підраховує число байт, передаваних через інтерфейс, і визначає момент завершення операції вводу - виводу.
У мікропроцесорних системах і МІКРОЕОМ, побудованих на однокристальних 8-, 16-розрядних мікропроцесорах К580 і К1810, використовується системний інтерфейс И-41, спрощена структурна схема якого приведена на мал. 8.30. Інтерфейс є уніфікованою шиною з функціонально об'єднаних ліній, по яких передаються необхідна інформація і сигнали керування для функціонування ЕОМ, і електроживлення.

Мал. 8.30
Інтерфейс містить всього 72 лінії. З них 20 ліній адреси, 16 - даних, 8 - запиту переривання, сигнали керування і ін. Ці лінії розділені на три шини: адреси з 16 лініями для пам'яті місткістю 64 кбайт і з 4 резервними для розширення місткості пам'яті; даних з 8 двонаправленими лініями і 8 резервними для роботи з 16-розрядними МП; керування з 36 лініями.
У будь-який момент при передачі інформації беруть участь два пристрої (одне з них передає, інше приймає). Передаючий основний пристрій - активний, задатчик. Приймальне додатковий пристрій - пасивний, виконавець. Задатчик, починаючи (ініціюючи) передачу, займає шини інтерфейсу, виставляє адресу виконавця на шину адреси, задає напрям передачі (вводу - виводу, читання - запис), видає інформацію виконавцеві або приймає її з нього.
Задатчиком можуть бути всі пристрої, окрім пам'яті, а виконавцем всі пристрої, підключені до інтерфейсу. Один і той же пристрій може бути і виконавцем, і задатчиком. При зверненні до пам'яті процесор - задатчик, а при обробці запиту переривання - виконавець.
У МП-системі може бути декілька джерел запиту переривання і тому між запитами повинні бути пріоритетні відносини. Блок пріоритетних переривань (БПП) виділяє із запитів, що поступили, найбільш важливий, і по його сигналу МП, що управляє, тимчасово припинить виконання поточної програми і передасть керування іншій програмі. Одночасно може виникати декілька запитів переривання і необхідно визначити найбільш пріоритетний. Це встановлює схема «Арбітр». Схема формування сигналів інтерфейсу (ФСІ) створює сигнали, підтверджуючі переривання, і сигнали для роботи адаптера.
Різноманітні периферійні пристрої сполучаються з МП-системою за допомогою невеликого числа уніфікованих інтерфейсних ВІС. Шляхом програмування виконуваних ними функцій досягається висока універсальність.
У простих випадках використовуються регістри вводу, що адресуються, - виводи (їх називають порти). Перепрограмування їх обмежено. При керуванні простим периферійним пристроєм, що виконує лише декілька операцій, найбільш ефективне застосування портів. Наприклад, управляти через порт периферійним пристроєм можна командами вводу- виводу.
При побудові мікропроцесорних систем використовується магістрально-модульна організація
. Вона полягає в тому, що окремі мікропроцесорні засоби виконані у вигляді закінчених модулів ВІС, які об'єднані в систему за допомогою шин (магістралей), розділених пристроями (модулями) в часі при передачі інформації. У них використовуються уніфіковані, тобто не залежні від периферійних пристроїв, команди вводу - виводу даних. У спеціальних блоках керування (адаптерах і контролерах) уніфіковані дані і команди перетворяться в коди і сигнали для окремих ПП. Периферійні пристрої через них підключаються до загальних шин мікропроцесора.
Набір ліній і шин, схеми підключення, сигнали і алгоритми передачі інформації створюють уніфікований інтерфейс
.
Різноманітні периферійні пристрої за допомогою невеликої кількості уніфікованих інтерфейсних ВІС сполучаються з мікропроцесорною системою.
Ці ВІС програмовані по виконуваних функціях. Вони універсальні. Функціональне призначення інтерфейсних ВІС встановлюється подачею на них сигналів керування приходять від датчиків (зовнішніх джерел), або від мікропроцесора, а також шляхом комутації їх входів керування. У простих випадках при керуванні простим ПП використовуються буферні регістри вводу, що адресуються, - виводу (порти). Якщо ж мікропроцесорна система містить складні периферійні пристрої, які виконують багато різноманітних операцій, необхідні периферійні програмовані пристрої (ППА). У їх склад входить регістр керування. Мікропроцесор через нього здійснює програмоване керування периферійними пристроями. ППА - універсальний засіб керування, яке може використовуватися майже для всіх існуючих периферійних пристроїв вводу - виводу.
Контрольні запитання:
1. Що означає поняття – інтерфейс?
2. Яким чином організовується магістральна структура зв'язків?
3. Якими способамиможе передаватися інформація у мікропроцесорних системах?
4. Що означає уніфікований інтерфейсмікропроцесорних систем?
Інструкційна картка №31 для самостійного опрацювання навчального матеріалу з дисципліни «Основи електроніки та мікропроцесорної техніки»
І. Тема:
5 Технічні засоби зв’язку в сільському господарстві
5.1 Диспетчерський зв’язок
Мета: Формування потреби безперервного, самостійного поповнення знань; розвиток творчих здібностей та активізації розумової діяльності.
ІІ. Студент повинен знати:
- Загальні відомості організації телефонного зв'язку;
- Принцип телефонного зв'язку по проводах;
- Будова і принцип дії мікрофону;
- Будова і принцип дії телефону.
ІІІ. Студент повинен уміти:
- Застосовувати телефонний зв’язок;
ІV. Дидактичні посібники:
Методичні вказівки до опрацювання.
V. Література:
[6, с. 232-235].
VІ. Запитання для самостійного опрацювання:
1. Загальні відомості. Основи телефонного зв'язку.
2. Принцип телефонного зв'язку по проводах
3. Будова і принцип дії мікрофону
4. Будова і принцип дії телефону
VІІ. Методичні вказівки до опрацювання:
Теоретична частина.
VІІІ. Контрольні питання для перевірки якості засвоєння знань:
1. Що таке електричний зв'язок? На які види він поділяється?
2. Будова, принцип дії мікрофону?
3. Як здійснюється телефонний зв'язок по проводах?
4. Будова і принцип дії телефону.
ІХ. Підсумки опрацювання:
Теоретична частина: Диспетчерський зв’язок
План:
1. Загальні відомості. Основи телефонного зв'язку.
2. Принцип телефонного зв'язку по проводах
3. Будова і принцип дії мікрофону
4. Будова і принцип дії телефону
Література
1. Загальні відомості.
Основи телефонного зв'язку
Вся історія людства і його діяльність пов'язані з обміном різної інформації. Чим вище розвиток продуктивних сил суспільства, матеріальні і культурні потреби народу, тим більше об'єм передаваної інформації, що переробляється, тим вище вимоги до швидкості і надійності передачі, до швидкості доставки інформації. Можна сказати, що кількість передаваної і оброблюваної інформації характеризує інтенсивність людської діяльності.
Найбільш природною формою передачі інформації між людьми служить мова. І якщо людина для прийому інформації використовує не тільки слух, але і зір, нюх і інші органи чуття, то для видачі інформації він перш за все використовує мову (як усну, так і письмову).
Потреба в швидкій передачі інформації на відстань виникла на перших ступенях розвитку людства, але корінний перелом в розвитку зв'язку наступив в XIX столітті, коли для передачі повідомлення стали застосовувати електричний струм. У першій половині минулого століття був створений електричний телеграф, в другій - телефон.
Електричним зв'язком
називають такий вид зв'язку, при якому інформація передається на відстань за допомогою електричних сигналів. Електричний зв'язок ділиться
на дротяний і радіозв'язок. У свою чергу, дротяний електричний зв'язок підрозділяється на телефонний, телеграфний, для передачі даних та інші, а радіозв'язок - на радіотелефонну, радіотелеграфну, телевізійну і ін. Фізичне середовище, що передає сигнали, є лінією зв'язку
(для дротяного - це дріт або кабель, для радіозв'язку - так званий ефір).
2. Принцип телефонного зв'язку по проводах
Для передачі мови на великі відстані за допомогою електричного струму необхідно мати джерело електричного струму, передавач мови (мікрофон), приймач мови (телефон) і електричну лінію, що сполучає мікрофон і телефон. Спрощена схема телефонного зв'язку показана на мал. 1.

Мал. 1. Схема телефонної передачі
На пункті, що передає, знаходиться мікрофон ВМ
і джерело електричного струму GВ,
на приймальному пункті - телефон ВF.
Мова людини є коливаннями повітряного середовища. Голосові зв'язки людини здатні створювати звукові коливання частотами від 80 до 12 000 Гц, а сприймаються на слух людиною звукові коливання в ширшому діапазоні частот: від 16 до 20 000 Гц. Створення мікрофону і телефону, що забезпечують неспотворене перетворення коливань в смузі частот від 80 до 12 000 Гц, є складним технічним завданням. Численні дослідження показали, що розбірливість мови залежить від частот, які знаходяться в діапазоні від 300 до 3 400 Гц. Відповідно до рекомендації Міжнародного консультативного комітету з телефонії і телеграфії для телефонного зв'язку прийнятий діапазон частот від 300 до 3 400 Гц. Звукові коливання впливають на мембрану мікрофону, який перетворить звукові коливання в коливання електричного струму. Коливання електричного струму, розповсюджуючись по лінії, досягають приймального пункту, де за допомогою телефону знов перетворяться в коливання повітряного середовища.
Звукові коливання характеризуються періодом, частотою і амплітудою. Частотою звукових коливань
називається число повних коливань протягом 1 с. Час одного повного коливання називається періодом коливань
. Період коливань Т
і частота коливань f
зв'язані між собою співвідношенням f= 1/T
. Амплітуда звукових коливань
- найбільше відхилення коливання від його початкового положення. Якість телефонної передачі залежить від електричних властивостей лінії. Потужність, що передається по лінії зв'язку, зменшується унаслідок впливу опору, індуктивності і ємності, якими володіє лінія зв'язку. Для визначення ступеня зменшення потужності використовують поняття загасання. У техніці зв'язку загасання, а також посилення оцінюють не в абсолютних величинах, а в логарифмічних - децибелах (дб). Щоб забезпечити хорошу якість телефонної розмови сумарне загасання між двома абонентами на частоті 800 Гц повинне бути не більше 29,5 дб.
3. Будова і принцип дії мікрофону
Мікрофон призначений для перетворення енергії коливань повітряного середовища в енергію електричних коливань. У сучасних телефонних апаратах використовують вугільні мікрофони конструкції капсуля (мал. 2). Мікрофон складається
з латунного корпусу 1
, де розміщено два електроди 4, 6,
один з яких прикріплений дометалевої мембрани 2,
інший жорстко сполучений з корпусом і ізольований від корпусу ізоляційною втулкою 5. Між електродами знаходиться вугільний порошок 3.
У замкнутому ланцюзі струм від позитивного полюса батареї GВ
через первинну обмотку I
трансформатора Тр
протікає через мікрофон до негативного полюса батареї.

Мал. 15.2. Пристрій і принцип роботи мікрофону при станах його мембрани: а
- нормальному; б
- увігнутому; у
- вигнутому

Мал. 15.3. Пристрій і принцип дії телефону
Коли мембрана нерухома, вугільний порошок між рухомим і нерухомим електродами є опором певної величини і в ланцюзі протікає постійний струм. При цьому у вторинній обмотці II
трансформатора Тр
напругинемає. Під час розмови під дією коливання повітряного середовища мембрана починає коливатися. Коли мембрана прогинається всередину, вугільний порошок ущільнюється, площа зіткнення між крупинками порошку збільшується, а опір його зменшується. Якщо мембрана прогинається в протилежну сторону, площа зіткнення зменшується, а опір порошку збільшується. Зміна опору вугільного порошку в такт звуковим коливанням викликає зміну струму, що протікає через первинну обмотку I
трансформатора Тр.
Навколопервинної обмотки трансформатора створюється магнітний потік, що змінюється по величині, який перетинає витки вторинної обмотки трансформатора і індукує в ній змінний струм, отже, здійснюється перетворення звукових коливань в електричні.
Використання вугільного мікрофону в телефонії викликане властивістю вугільного порошку - різко міняти свій опір під дією слабкого звукового тиску. Мікрофонні капсулі випускаються трьох типів: низькоомні - НО опором від 3,0 до 65 Ом, средньомні - СО опором від 65 до 145 Ом, високоомні - ВО опором від 145 до 300 Ом.
4. Будова і принцип дії телефону
Телефон служить для перетворення енергії електричних коливань в енергію коливань повітряного середовища. У телефонних апаратах застосовують телефони, конструктивно оформлені у вигляді окремих пристроїв - капсулів 5.
Пристрій простого телефону схематично показаний на мал. 3. Він складається з постійного магніта 4.
сталевих сердечників 6
(полюсних наконечників) котушок 3
з обмотками з мідного дроту, насаджених на полюсні наконечники і сполучених послідовно із зустрічною намоткою, і тонкої металевої мембрани 2,
виконаної з магнітного матеріалу, закріпленою спеціальною кришкою 1
. Коли струм по котушках не протікає, мембрана під дією сил магнітного потоку постійного магніту декілька увігнута у бік сердечників і знаходиться в спокійному стані. Якщо через котушку протікає змінний струм, мембрана починає коливатися. Магнітний потік, що діє на мембрану, міняється по величині. У ті моменти, коли змінний струм створює навколо котушок магнітне поле, силові лінії якого співпадають по напряму з силовими лініями постійного магніту, магнітний потік посилюється і мембрана ще більше прогинається у бік сердечника. Коли ж напрям магнітного потоку протилежний напряму магнітного потоку постійного магніту, відбувається ослаблення загального магнітного потоку, мембрана із-за своєї гнучкості прагне випрямитися і відходить від полюсних наконечників. Таким чином, мембрана телефону здійснює коливальні рухи відповідно до частоти і величині змінного струму, що протікає по котушках телефону. Вона викликає коливання повітряного середовища, завдяки чому телефон відтворює звуки, перетворені мікрофоном в електричні коливання. Якість роботи телефону значною мірою залежить від величини магнітного потоку постійного магніту. Чим більше магнітний потік постійного магніту, тим більше амплітуда коливань мембрани і менше спотворення, що вносяться до передачі. Для неспотвореної передачі необхідно, щоб величина магнітного потоку постійного магніту у багато разів перевищувала змінну складову сигналу.
Контрольні запитання:
1. Що таке електричний зв'язок? На які види він поділяється?
2. Будова, принцип дії мікрофону?
3. Як здійснюється телефонний зв'язок по проводах?
4. Будова і принцип дії телефону.
Інструкційна картка №32 для самостійного опрацювання навчального матеріалу з дисципліни «Основи електроніки та мікропроцесорної техніки»
І. Тема:
5 Технічні засоби зв’язку в сільському господарстві
5.1 Диспетчерський зв’язок
Мета: Формування потреби безперервного, самостійного поповнення знань; розвиток творчих здібностей та активізації розумової діяльності.
ІІ. Студент повинен знати:
- Загальні відомості організації радіозв’язку;
- Принцип радіозв’язку;
ІІІ. Студент повинен уміти:
- Відрізняти радіозв’язок від інших видів;
ІV. Дидактичні посібники:
Методичні вказівки до опрацювання.
V. Література:
[5, с. 306-313].
VІ. Запитання для самостійного опрацювання:
1. Принцип побудови радіозв’язку.
2. Історія розвитку радіозв’язку.
VІІ. Методичні вказівки до опрацювання:
Теоретична частина.
VІІІ. Контрольні питання для перевірки якості засвоєння знань:
1. Що називають радіозв’язком?
2. Що таке радіосигнал?
3. Що називають перешкодами радіоприйому?
4. Які переваги та недоліки радіозв’язку?
ІХ. Підсумки опрацювання:
Підготував викладач:
Бондаренко І.В.
Теоретична частина: Диспетчерський зв’язок
План:
1. Принцип побудови радіозв’язку.
2. Історія розвитку радіозв’язку.
Література
1. Принцип побудови радіозв’язку
Радіозв'язок,
електрозв'язок за допомогою радіохвиль. Для здійснення Радіозв'язку в пункті, з якого ведеться передача повідомлень (радіопередача), розміщують радіопередаючий пристрій, що містить радіопередавач і антену, що передає, а в пункті, в якому ведеться прийом повідомлень (радіоприйом), - радіоприймальний пристрій, що містить приймальну антену і радіоприймач. Гармонійні коливання, що генеруються в передавачі, з несучою частотою, що належить якому-небудь діапазону радіочастот, піддаються модуляції відповідно до передаваного повідомлення. Модульовані радіочастотні коливання є радіосигналом
. Від передавача радіосигнал поступає в антену, що передає, за допомогою якої в просторі, що оточує антену, збуджуються відповідно модульовані електромагнітні хвилі. Розповсюджуючись, радіохвилі досягають приймальної антени і наводять в ній електричні коливання, які поступають далі в радіоприймач. Прийнятий т.ч. радіосигнал дуже слабкий, оскільки в приймальну антену потрапляє лише невелика частина випромінюваної енергії. Тому радіосигнал в радіоприймачі поступає в електронний підсилювач, після чого він піддається демодуляції, або детектуванню; в результаті виділяється сигнал, аналогічний сигналу, яким були модульовані коливання з несучою частотою в радіопередавачі. Далі цей сигнал (зазвичай додатково посилений) перетвориться за допомогою відповідного відтворюючого пристрою в повідомлення, адекватне результату.
У місці прийому на радіосигнал можуть накладатися електромагнітні коливання від сторонніх джерел радіовипромінювань, здатні перешкодити правильному відтворенню повідомлення і називаються перешкодами радіоприйому
. Несприятливий вплив на якість радіозв'язку можуть надавати також зміну в часі загасання радіохвиль на шляху розповсюдження від антени, що передає, до приймача і розповсюдження радіохвиль одночасне по двох або декільком траєкторіям різної протяжності; у останньому випадку електромагнітне поле в місці прийому є сумою взаємно зміщених в часі радіохвиль, інтерференція яких також викликає спотворення радіосигналу. Тому і ці явища відносять до категорії перешкод радіоприйому. Їх вплив на прийом радіосигналів особливо великий при зв'язку на великих відстанях. Широке розповсюдження радіозв'язку і використання радіохвиль в радіолокації, радіонавігації і ін. областях техніки зажадали забезпечення одночасного функціонування без неприпустимих взаємних перешкод різних систем і засобів, що використовують радіохвилі, - забезпечення їх електромагнітної сумісності.
Розповсюдження радіохвиль у відкритому просторі робить можливим в принципі прийом радіосигналів, що передаються по лініях радіозв'язку, особами, для яких вони не призначені (радіоперехоплення, радіопідслуховування); у цьому - недолік
радіозв'язку в порівнянні з електрозв'язком по кабелях, радіохвилеводах і ін. закритим лініям. Таємниця телефонних переговорів і телеграфних повідомлень, що передбачається статутом зв'язку, відповідними правилами ін. країн і міжнародними угодами, забезпечується в необхідних випадках застосуванням автоматичних засобів засекречування радіосигналів (кодування і ін.).
2. Історія розвитку радіозв’язку
Спроби здійснити радіозв'язок робив ще Т.А. Эдисон в 80-і рр. 19 в. (їм отриманий відповідний патент), до відкриття в 1888 електромагнітних хвиль Р. Герцом; хоч роботи Едісона не мали практичного успіху, вони сприяли появі ін. робіт, направлених на реалізацію ідеї бездротового зв'язку. Герцом був створений іскровий випромінювач електромагнітних хвиль, який (з подальшими різними удосконаленнями) протягом декількох десятиліть залишався найбільш поширеним в радіозв'язку видом радіопередавача. Можливість і основні принципи радіозв'язку були детально описані У Круксом в 1892, але у той час ще не передбачалося швидкої реалізації цих принципів. Розвиток радіозв'язку почався після того, як в 1895 Поповим, а роком пізніше Г. Марконі були створені чутливі приймачі, цілком придатні для здійснення сигналізації без проводів, тобто для радіозв'язку. Перша публічна демонстрація Поповим роботи створеної ним радіоапаратури і бездротової передачі сигналів з її допомогою відбулася 7 травня 1895, що дає підставу вважати цю дату фактичним днем появи Радіозв'язку.
Приймач Попова не тільки виявився придатним для радіозв'язку, але і (з деякими додатковими вузлами) був вперше успішно застосований ним в тому ж 1895 для автоматичного запису грозових розрядів, чим поклав початок радіометеорології. У країнах Західної Європи і США була розгорнена активна діяльність по використанню радіозв'язку в комерційних цілях. Марконі в 1897 зареєстрував в Англії Компанію бездротового телеграфування і сигналізації, в 1899 заснував Американську компанію бездротового і телеграфного зв'язку, а в 1900 - Міжнародну компанію морського зв'язку. У грудні 1901 їм була здійснена радіотелеграфна передача через Атлантичний океан. У 1902 в Германії виробництво устаткування для радіозв'язку організував А. Слабі (спільно з Р. Арко), а також До. Ф. Браун. Очевидне величезне значення радіозв'язку для військових флотів і для морського транспорту, а також гуманістична роль радіозв'язку (при рятуванні людей з кораблів, потерпілих крах) стимулювали розвиток її у всьому світі. На 1-ій Міжнародній адміністративній конференції в Берліні в 1906 за участю представників 29 країн було прийнято регламент радіозв'язку і міжнародна конвенція, що вступила в силу з 1 липня 1908. У регламенті було зафіксовано розподіл радіочастот між різними службами радіозв'язку
. Було засновано Бюро реєстрації радіостанцій і встановлений міжнародний сигнал лиха SOS. На міжнародній конференції в Лондоні в 1912 було дещо змінений розподіл частот, уточнений регламент і установлені нові служби: радіомаякова, передачі зведень погоди і передачі сигналів точного часу. За рішенням радіоконференції 1927 було заборонено застосування іскрових радіопередавачів, що створювали випромінювання в широкому спектрі частот і що перешкоджали тим самим ефективному використанню радіочастот; іскрові передавачі були залишені тільки для передачі сигналів лиха, оскільки широкий спектр випромінювання радіохвиль збільшує вірогідність їх прийому. З 1915 до 50-х рр. апаратура для радіозв'язку розвивалася головним чином на основі електронних ламп; потім були упроваджені транзистори і ін. напівпровідникові прилади.
До 1920 в радіозв'язок застосовувалися переважно хвилі довжиною від сотень м до десятків км. У 1922 радіоаматорами було відкрито властивість декаметрових (коротких) хвиль розповсюджуватися на будь-які відстані завдяки заломленню у верхніх шарах атмосфери і віддзеркаленню від них. Незабаром такі хвилі стали основним засобом здійснення дальнього радіозв'язку Для прийому передаваних т.ч. сигналів, що приходять з великих відстаней, служать чутливі приймачі і великі, порівняно гостронаправлені антенні споруди, що займають велику територію, т.з. антенне поле (подібні ж споруди використовуються і для випромінювання декаметрових хвиль). Для ослаблення радіоперешкод приймальне устаткування розміщується в стороні від міст і далеко від радіопередавачів, на спеціальних приймальних радіоцентрах. Пристрої, що радіопередають, також групуються - на радіоцентрах, що передають. Ті та інші пов'язані з центральним телеграфом, що знаходиться в місті, звідки поступають передавані і куди транслюються сигнали, що приймаються.
У 30-і рр. були освоєні метрові, а в 40-і - дециметрові і сантиметрові хвилі, що розповсюджуються в основному прямолінійно, не огинаючи земної поверхні (тобто в межах прямої видимості), що обмежує прямий зв'язок на цих хвилях відстанню в 40-50 км. Оскільки ширина діапазонів частот, відповідних цим довжинам хвиль, - від 30 Мгц до 30 Ггц - в 1000 разів перевищує ширину всіх діапазонів частот нижче 30 Мгц (хвилі довше 10 м), то вони дозволяють передавати величезні потоки інформації, здійснюючи багатоканальний зв'язок. В той же час обмежена дальність розповсюдження і можливість отримання гострої спрямованості з антенної нескладної конструкції дозволяють використовувати одні і ті ж довжини хвиль в безлічі пунктів без взаємних перешкод. Передача на значні відстані досягається застосуванням багатократної ретрансляції в лініях радіорелейного зв'язку або за допомогою супутників зв'язку, що знаходяться на великій висоті (близько 40 тис. км.) над Землею (див. Космічний зв'язок). Дозволяючи вести на великих відстанях одночасно десятки тисяч телефонних розмов і передавати десятки телепередач, радіорелейний і супутниковий зв'язок по своїх можливостях є незрівнянно ефективнішими, ніж звичайний дальній радіозв'язок на декаметрових хвилях, значущість якого відповідно зменшується (за нею, наприклад, залишається роль корисного резерву, а також роль засобу зв'язку на напрямах з малими потоками інформації).
При великій потужності радіопередавача (десятки квт) радіозв'язок на метрових хвилях у вузькій смузі частот (декілька кгц) можливий на відстанях ~ 1000 км. за рахунок розсіяння хвиль в іоносфері (див. Іоносферний радіозв'язок). Користуються також віддзеркаленням радіохвиль від іонізованних слідів метеорів, що згорають у верхніх шарах атмосфери (див. Метеорний радіозв'язок), але при цьому передача інформації йде з перервами, що не дозволяє здійснювати телефонних переговори. Мала частина енергії випромінювання на дециметрових і сантиметрових хвилях може також розповсюджуватися за межі горизонту (на відстані в сотні км.) завдяки електричній неоднорідності тропосфери. Це дозволяє при порівняно великій потужності передавачів (близько декілька квт) будувати лінії радіорелейного зв'язку з відстанню між проміжними станціями в 200-300 км. і більш (при звуженні частотного спектру випромінювання, тобто зменшенні об'єму передаваної інформації, див. Тропосферний радіозв'язок). Лінії радіозв'язку використовуються для передачі телефонних повідомлень, телеграм, потоків цифрової інформації і факсиміле, а також і для передачі телепередач (зазвичай на метрових і коротших хвилях). За призначенням і дальності дії розрізняють міжнародні і внутрішньоспілкові загальнодержавні лінії радіозв'язку. Внутрішньоспілкові лінії діляться на магістральні (між столицею СРСР і столицями союзних республік, краєвими і обласними центрами, а також між останніми) і зонові (внутріобласні і внутрірайонні). Розвиток ліній радіозв'язку планується з урахуванням входження радіозв'язку в Єдину автоматизовану систему зв'язку країни.
Організаційно-технічні заходи і засоби для встановлення радіозв'язку і забезпечення її систематичного функціонування утворюють служби радіозв'язки, що розрізняються за призначенням, дальності дії, структурі і ін. ознакам. Зокрема, існують служби: наземному і космічному радіозв'язку (до космічного радіозв'язку відносять всі види радіозв'язку з використанням одного або декількох супутників або інших космічних об'єктів); фіксованою (між певними пунктами) і рухомою (між рухомою і стаціонарною радіостанціями або між рухомими радіостанціями); радіомовлення і телебачення. Для виробничих і спеціальних службових потреб є відомчі служби радіозв'язку в деяких міністерствах і організаціях (наприклад, в цивільній авіації, на ж.-д., морському і річковому транспорті, в службах пожежної охорони, міліції, медичній службі міст), а також внутрішньовиробничий зв'язок на промислових і з.-х. підприємствах, в деяких установах і т.д. (див. також Радіостанція низового зв'язку). Велике значення має радіозв'язок в озброєних силах.
Контрольні запитання:
1. Що називають радіозв’язком?
2. Що таке радіосигнал?
3. Що називають перешкодами радіоприйому?
4. Які переваги та недоліки радіозв’язку?
Інструкційна картка №33 для самостійного опрацювання навчального матеріалу з дисципліни «Основи електроніки та мікропроцесорної техніки»
І. Тема:
5 Технічні засоби зв’язку в сільському господарстві
5.2 Електронні пристрої в сільському господарстві
Мета: Формування потреби безперервного, самостійного поповнення знань; розвиток творчих здібностей та активізації розумової діяльності.
ІІ. Студент повинен знати:
- Загальні відомості організації внутрівиробничого зв'язку;
- Види внутрівиробничого зв'язку.
ІІІ. Студент повинен уміти:
- Розрізняти види внутрівиробничого зв'язку.
ІV. Дидактичні посібники:
Методичні вказівки до опрацювання.
V. Література:
[5, с. 227-235].
VІ. Запитання для самостійного опрацювання:
1. Побудова внутрівиробничого зв'язку на сільськогосподарському підприємстві
VІІ. Методичні вказівки до опрацювання:
Теоретична частина.
VІІІ. Контрольні питання для перевірки якості засвоєння знань:
1. Що таке внутрівиробничий зв'язок?
2. Які види зв'язку має в своєму складі внутрівиробничий зв'язок?
3. Що таке директорський зв'язок?
4. Чим відрізняється факсимільний зв'язок від технологічного?
ІХ. Підсумки опрацювання:
Підготував викладач:
Бондаренко І.В.
Теоретична частина: Електронні пристрої в сільському господарстві
План:
1. Побудова внутрівиробничого зв'язку на сільськогосподарському підприємстві
Література
1. Побудова внутрівиробничого зв'язку на сільськогосподарському підприємстві
Внутрівиробничий зв'язок колгоспів і радгоспів
— це комплекс засобів радіозв'язку і провідного зв'язку, що дає змогу диспетчеру негайно з'єднуватися з найважливішими виробничими об'єктами, відділками, бригадами, фермами, пунктами технічного обслуговування, зернотоками тощо, а також з керівниками і спеціалістами господарства; забезпечує груповий зв'язок (конференцзв'язок, звичайний чи гучномовний) з певною кількістю абонентів, пошук потрібних спеціалістів і техніки, приймання і передавання документальної і технологічної інформацій.
Внутрівиробничий зв'язок колгоспів і радгоспів має в своєму складі такі види зв'язку:
1. Внутрівиробничий телефонний зв'язок
(ВВТЗ) призначається для встановлення з'єднань між виробничими об'єктами. Звичайно це автоматичний зв'язок.
Устаткування мережі має забезпечувати встановлення з'єднань між абонентами всередині господарства (підприємства); вихід абонентам цієї мережі на мережу загального користування за межі господарства; заборону частині абонентів внутрігосподарського зв'язку виходу на мережу телефонного зв'язку загального користування за межі господарства.
Мережа внутрігосподарського телефонного зв'язку колгоспів і радгоспів поєднується з мережею телефонного зв'язку загального користування в межах господарства. Звичайно, спільними для них є
АТС і лінійні споруди. Встановлення спеціальної АТС для ВВТЗ допускається після погодження з міністерством зв'язку.
2. Диспетчерський телефонний зв'язок
(локальний або поєднаний з автоматичним) призначається для організації оперативно-командного зв'язку в межах колгоспів, радгоспів, інших сільськогосподарських підприємств і організацій.
Устаткування цієї мережі має надавати диспетчеру можливість оперативного виклику абонентів мережі, індивідуального, групового (тільки для провідної мережі) і циркулярного зв'язку з абонентами гучномовного зв'язку.
Мережі диспетчерського провідного телефонного зв'язку частково поєднуються з мережами внутрівиробничого телефонного зв'язку колгоспів і радгоспів на основі ліній ВВТЗ, які не мають права виходу на телефонну мережу загального користування, або з мережами виробничого телефонного зв'язку промислових і будівельних підприємств. Мережі диспетчерського радіотелефонного зв'язку можуть взаємодіяти з мережею диспетчерського провідного телефонного зв'язку.
3. Директорський зв'язок
призначається для встановлення прямого зв'язку керівника сільськогосподарського підприємства з головними спеціалістами та основними службами центральної садиби цього господарства.
Устаткування цієї мережі має надавати керівнику підприємства можливості індивідуального, групового зв'язку з абонентами, гучномовного зв'язку, перемикання вхідних ліній на секретаріат, підмикання до вхідної лінії автовідповідача.
Для мережі директорського зв'язку сільськогосподарського підприємства використовуються спільні лінійні споруди.
4. Документальний (факсимільний) міжігосподарський
зв'язок призначається для організації передавання документованої інформації як усередині господарств, так і в межах сільського адміністративного району.
Устаткування мережі має забезпечувати встановлення з'єднань між абонентами, передавання штрихових зображень (швидкість розгортки до 120 рядків за хвилину).
Мережі факсимільного зв'язку і передавання даних повністю поєднуються з мережею телефонного зв'язку відповідно до положення «Системи загальнодержавного автоматичного комутованого телефонного зв'язку», яке передбачає можливість передавання факсимільних повідомлень і передавання даних по стандартному каналу ТЧ.
5. Технологічний зв'язок
призначається для дистанційного контролю виробничих процесів усередині господарств (телеконтроль, телевимірювання і телесигналізація).
Устаткування мережі має забезпечувати можливість передавання дискретних і аналогових сигналів по некомутованим лініям і каналам зв'язку.
Мережа передавання інформації технологічного характеру частково поєднується з мережею телефонного зв'язку загального користування і внутрівиробничого телефонного зв'язку в межах господарства на ділянках абонентських і міжстанційних з'єднувальних ліній на основі ущільнення ліній і вторинного ущільнення каналів зв'язку, а також використання пар у спільних кабелях, фізичних кіл на повітряних лініях і каналів в апаратурі ущільнення.
6. Пошукова радіофікація
використовується для пошуку або оповіщання потрібних працівників чи спеціалістів виробничих підрозділів.
Мережа пошукової радіофікації може бути локальною або поєднаною з мережею диспетчерського зв'язку з допомогою спеціальних пристроїв, підімкнених до телефонних ліній у місцях встановлення гучномовців і підсилювачів, а також схемних можливостей у диспетчерських комутаторах. Цю мережу допускається організовувати шляхом вторинного ущільнення телефонних ліній за умови, що ущільнення не впливатиме на якість телефонного зв'язку.
7. Внутрівиробничий радіозв'язок
створюється для організації радіозв'язку з мобільними і важкодоступними об'єктами.
Коли є потреба в сільськогосподарському підприємстві, можна здійснити мережу абонентського телеграфу, призначувану для організації прямого телеграфного зв'язку з вищестоящою організацією, обчислювальним центром та ін.
Залежно від виробничих потреб і виходячи з техніко -економічних міркувань у господарствах застосовують окремі або всі перелічені види зв'язку.
Контрольні запитання:
1. Що таке внутрівиробничий зв'язок?
2. Які види зв'язку має в своєму складі внутрівиробничий зв'язок?
3. Що таке директорський зв'язок?
4. Чим відрізняється факсимільний зв'язок від технологічного?
Інструкційна картка №34 для самостійного опрацювання навчального матеріалу з дисципліни «Основи електроніки та мікропроцесорної техніки»
І. Тема:
5 Технічні засоби зв’язку в сільському господарстві
5.2 Електронні пристрої в сільському господарстві
Мета: Формування потреби безперервного, самостійного поповнення знань; розвиток творчих здібностей та активізації розумової діяльності.
ІІ. Студент повинен знати:
- Загальні відомості організації стільникового зв'язку;
- Види роумінгу.
ІІІ. Студент повинен уміти:
- Розрізняти види роумінгу.
ІV. Дидактичні посібники:
Методичні вказівки до опрацювання.
V. Література:
[Картка сам. опрац.].
VІ. Запитання для самостійного опрацювання:
1. Історія розвитку стільникового зв'язку
2. Загальні принципи функціонування мереж стільникового зв'язку
3. Мережа і її складові .
4. РОУМІНГ
VІІ. Методичні вказівки до опрацювання:
Теоретична частина.
VІІІ. Контрольні питання для перевірки якості засвоєння знань:
1. В чому полягає загальний принцип функціонування мереж стільникового зв'язку?
2. Що собою являє структура стільникової мережі?
3. Що означає поняття «роумінг»?
4. Які розрізняють види роумінгу?
ІХ. Підсумки опрацювання:
Теоретична частина: Електронні пристрої в сільському господарстві
План:
1. Історія розвитку стільникового зв'язку
2. Загальні принципи функціонування мереж стільникового зв'язку
3. Мережа і її складові .
4. РОУМІНГ
Література
1. Історія розвитку стільникового зв'язку
Перша система радіотелефонного зв'язку, що пропонувала послуги всім охочим, почала своє функціонування в 1946 р. в р. Сент-Луіс (США). Радіотелефони, що застосовувалися в цій системі, використовували звичайні фіксовані канали. Якщо канал зв'язку був зайнятий, то абонент уручну перемикався на іншій - вільний канал. Апаратура була громіздкою і незручною у використанні. Центральний радіо вузол передавав високочастотні сигнали величезної потужності на відстань 100 км. Обслуговування, в кращому разі, було відповідним. Телефонна система надавала 11 каналів, що працювали за принципом частотної модуляції, з шириною смуги частот 40 МГц. Потім послідували дві покращені системи (IMTS-MJ і -MK), що займають 11 і 12 каналів з шириною смуги частот 152- і 454-МГц відповідно. Технологія і використання частотної модуляції були вдосконалені, радіоканали стали вужчими. Найранішим мобільним телефонам був необхідний спектр частот в 120-кГц, щоб передати голосовий сигнал 3-кГц.
З розвитком техніки системи радіотелефонного зв'язку удосконалювалися: зменшувалися габарити пристроїв, освоювалися нові частотні діапазони, поліпшувалося базове і комутаційне устаткування, зокрема, з'явилася функція автоматичного вибору вільного каналу (trunking). Але при величезній потребі в послугах радіотелефонного зв'язку виникали і проблеми.
Головна з них - обмеженість частотного ресурсу: число фіксованих частот в певному частотному діапазоні не може нескінченно збільшуватися, тому радіотелефони з близькими по частоті робочими каналами починають створювати взаємні перешкоди.
Учені і інженери різних країн намагалися вирішити цю проблему. І ось в середині 40-х років дослідницький центр Bell Laboratories американській компанії AT&T запропонував ідею розбиття всієї обслуговуваної території на невеликі ділянки, які стали називатися сотами (від англ. cell - осередок, стільника). Кожна стільника повинна була обслуговуватися передавачем з обмеженим радіусом дії і фіксованою частотою. Це дозволило б без всяких взаємних перешкод використовувати ту ж саму частоту повторно в іншому осередку. Однак пройшло більше 30 років, перш ніж такий принцип організації зв'язку був реалізований на апаратному рівні. Причому в ці роки розробка принципу стільникового зв'язку велася в різних країнах світу не по одних і тих же напрямах.
Зусилля по створенню безпеки мобільної телефонії і PMR (private dispatched mobile radio) були покладені на Федеральну Комісію Зв'язку (FCC), який розглядав ряд радіомовних служб як найбільш соціально відповідальних. Політичні віяння сприяли зростанню популярності мобільної телефонії і PMR в 1968 році, коли комісія погодилася розглянути можливість використання високочастотних телеканалів 70-83 (ширина смуги частот 800-МГц) для потреб мобільної телефонії. На той час в США налічувалося близько 70 000 користувачів мобільних телефонів
У 1971 році AT&T Bell Laboratories, Murray Hill, N.J., запропонували концепцію стільникової системи, як переважаючу архітектуру мобільної телефонної системи (AMPS). Ідея була такою, що інтригує і закликала помістити основну станцію на велику висоту над містом, а її менш могутні копії ближче до землі на обширному просторі. Кожен осередок був копією упакованої радіоустановки, навантаження ліній зв'язку каналів якої проходило упаковкою команд контроллера по призначених каналах управління.
Стільникова концепція додавала просторове вимірювання до простої моделі, що частото-упаковувала. Плоскі малопотужні осередки були зв'язані через перемикаючий центр і функцію, що управляла.
Зменшення області дії кожного осередку вимагало повтору частот. Осередки, що використовують той же набір радіоканалів, могли б уникнути взаємного втручання, якби вони були на достатній відстані один від одного. Втручання осередків пропорційне не відстані між ними, а коефіцієнту відношення цієї відстані до радіусу осередку. З тих пір, як радіус осередку став пропорційний потужності передавача, системні розробники мають велику свободу дій у визначенні кількості радіоканалів, необхідних для клієнтів. Більше число радіоканалів може бути додане до системи простим зменшенням потужності передачі осередку, зменшенням розміру осередку, і заповненням вільної області новими осередками.
В кінці 70-х років почалися роботи із створення єдиного стандарту стільникового зв'язку для 5 північноєвропейських країн _ Швеції, Фінляндії, Ісландії, Данії і Норвегії, який отримав назву NMT-450 (Nordic Mobile Telephone) і був призначений для роботи в діапазоні 450 Мгц. Експлуатація перших систем стільникового зв'язку цього стандарту почалася в 1981 р. Але ще на місяць раніше система стільникового зв'язку стандарту NMT-450 вступила в експлуатацію в Саудівській Аравії.
Мережі на основі стандарту NMT-450 і його модифікованих версій стали широко використовуватися в Австрії, Голландії, Бельгії, Швейцарії, а також в країнах Південно-східної Азії і Близького Сходу. На базі цього стандарту в 1985 р. був розроблений стандарт NMT-900 діапазону 900 Мгц, який дозволив розширити функціональні можливості системи і значно збільшити абонентську місткість системи.
У 1983 р. в США, в районі Чікаго, після ряду успішних польових випробувань вступила в комерційну експлуатацію мережа стандарту AMPS (Advanced Mobile Phone Service), Цей стандарт був розроблений в дослідницькому центрі Bell Laboratories.
У 1985 р. у Великобританії був прийнятий як національний стандарт TACS (Total Access Communications System), розроблений на основі американського стандарту AMPS. У 1987 р. у зв'язку з різким збільшенням в Лондоні числа абонентів стільникового зв'язку була розширена робоча смуга частот. Нова версія цього стандарту стільникового зв'язку отримала назву ETACS (Enhanced TACS).
У Франції, на відміну від інших європейських країн, в 1985 р. був прийнятий стандарт Radiocom-2000. З 1986 р. в скандінавських країнах почав застосовуватися стандарт NMT-900.
Всі вищеперелічені стандарти є аналоговими і відносяться до першого покоління систем стільникового зв'язку. Використання різних стандартів стільникового зв'язку і велика перевантаженість виділених частотних діапазонів стали перешкоджати її широкому застосуванню. Адже іноді поодинці і тому ж телефону було неможливо із-за взаємних перешкод розмовляти навіть абонентам, що знаходяться в двох сусідніх країнах (особливо в Європі). Збільшити число абонентів можна було лише двома способами: розширивши частотний діапазон (як, наприклад, це було зроблено у Великобританії - ETACS) або, перейшовши до раціонального частотного планування, що дозволяє набагато частіше використовувати одні і ті ж частоти.
Використання новітніх технологій і наукових відкриттів в області зв'язку і обробки сигналів дозволило підійти до кінця 80-х років до нового етапу розвитку систем стільникового зв'язку - створення систем другого покоління, заснованих на цифрових методах обробки сигналів.
З метою розробки єдиного європейського стандарту цифрового стільникового зв'язку для виділеного в цих цілях діапазону 900 Мгц в 1982 р. Європейська Конференція Адміністрацій Пошти і Електрозв'язку (СЕРТ) - організація, об'єднуюча адміністрації зв'язку 26 країн _ створила спеціальну групу Groupe Special Mobile. Абревіатура GSM і дала назву новому стандарту (пізніше, у зв'язку з широким розповсюдженням цього стандарту у всьому світі, GSM стали розшифровувати як Global System for Mobile Communications), Результатом роботи цієї групи стали опубліковані в 1990 р. вимоги до системи стільникового зв'язку стандарту GSM, в якому використовуються найсучасніші розробки провідних науково-технічних центрів. До них, зокрема, відносяться тимчасове розділення каналів, шифрування повідомлень і захист даних абонента, використання блокового і пакетного кодування, новий вигляд модуляції - GMSK (Gaussian Minimum Shift Keying).
У США в 1990 р. американська Промислова Асоціація в області зв'язку TIA (Telecommunications Industry Association) затвердила національний стандарт IS-54 цифрового стільникового зв'язку. Цей стандарт став відоміший під абревіатурою D-AMPS або ADC. На відміну від Європи, в США не були виділені нові частотні діапазони, тому система повинна була працювати в смузі частот, загальній із звичайним AMPS.
Одночасно американська компанія Qualcomm почала активну розробку нового стандарту стільникового зв'язку, заснованого на технології шумоподібних сигналів і кодовому розділенні каналів, - CDMA (Code Division Multiple Access).
У 1991 р. в Європі з'явився стандарт DCS-1800 (Digital Cellular System 1800 Мгц), створений на базі стандарту GSM. Великобританія відразу ж прийняла його як основу для розробки вже згадуваної концепції PCN, що стало початком його звитяжного ходу по континентах земної кулі.
У розвитку стільникового зв'язку від Європи і США не відставала і Японія. У цій країні був розроблений власний стандарт стільникового зв'язку JDC (Japanese Digital Cellular), близький за своїми показниками до американського стандарту D-AMPS. Стандарт JDC був затверджений в 1991 Міністерством пошти і зв'язку Японії.
У 1992 р. в Германії вступила в комерційну експлуатацію перша система стільникового зв'язку стандарту GSM.
У 1993 р. в США після ряду успішних випробувань Промислова Асоціація в області зв'язку TIA прийняла стандарт CDMA як внутрішній стандарт цифрового стільникового зв'язку, назвавши його IS-95. У вересні 1995 р. в Гонконзі була відкрита комерційна експлуатація першої мережі стандарту IS-95.
У Великобританії вступила в експлуатацію перша мережа DCS-1800 One-2-One, яка налічує вже більше 500 тис. абонентів.
У Росії. у Санкт-Петербурзі, а потім і в Москві з'явилися системи стандарту NMT-450i . А ухвалення в 1994 р. концепції розвитку мереж сухопутного рухомого зв'язку стало могутнім каталізатором подальшого розвитку стільникового зв'язку в національному масштабі. І якщо з впровадженням стандартів NMT і AMPS наша країна відстала роки на десять, то проголошення стандарту GSM як один з двох федеральних стандартів (NMT і GSM) скоротило цей часовий розрив приблизно до трьох років.
Чітка орієнтація на прогресивні світові технології дає можливість Росії не відставати від провідних країн світу в розвитку сучасних систем рухомого радіозв'язку. Не відстає Росія і по впровадженню прогресивного стандарту CDMA. Умови розвитку мереж CDMA в Росії визначені наказом Міністерства зв'язку РФ №18 від 24 лютого 1996 р., де вказано, що мережі CDMA орієнтовані на надання послуг стаціонарним абонентам. Не допускається (офіційно, але не технічно) можливість їх переходу з соти в стільнику, тобто забезпечується обмежена рухливість абонентів. Перша мережа стандарту CDMA відкрита в Челябінську, планується запуск мереж CDMA в Москві і Санкт-Петербурзі.
Подальший розвиток стільникового рухомого зв'язку здійснюється в рамках створення проектів систем третього покоління, які відрізнятимуться уніфікованою системою радіо доступу, об'єднуючою існуючі стільникові і бездротові системи з інформаційними службами XXI в. Вони матимуть архітектуру єдиної мережі і надаватимуть зв'язок абонентам в різних умовах, включаючи рухомий транспорт, житлові приміщення, офіси і т.д. В Європі така концепція, що отримала назву UMTS (універсальна система рухомого зв'язку), передбачає об'єднання функціональних можливостей існуючих цифрових систем зв'язку в єдину систему третього покоління FPLMTS (Future Public Land Mobile Telephone System, тепер IMT-2000) з наданням абонентам стандартизованих послуг рухомого зв'язку. Роботи із створення міжнародної системи рухомого зв'язку загального користування FPLMTS ведуться Міжнародним союзом електрозв'язку. Для неї визначений діапазон частот 1 - 3 ГГц, в якому будуть виділені смуги шириною 60 Мгц для стаціонарних станцій і 170 Мгц, - для рухомих станцій. Початок випробувань наземних компонентів системи очікується в 2000 р., а введення супутникової підсистеми FPLMTS в смугах частот 1980-2010 і 2170-2200 Мгц - в 2010 р.
Принципово новим кроком в розвитку систем стільникового рухомого зв'язку стали схвалені міжнародною організацією стандартів (ISO) концепція інтелектуальних мереж зв'язку і моделі відкритих систем (OSI). Концепція побудови інтелектуальної мережі використовується сьогодні для створення всіх перспективних цифрових стільникових мереж з мікро- і макросотами. Вона передбачає об'єднання систем стільникового рухомого зв'язку, систем радіовиклику і персонального зв'язку за умов оперативного надання абонентам каналів зв'язку і розвитку послуг. Моделі OSI інтерпретують процес передачі повідомлень як взаємодію функціональних взаємозв'язаних рівнів, кожний з яких має вбудований інтерфейс на суміжному рівні.
2. Загальні принципи функціонування мереж стільникового зв'язку
Не дивлячись на різноманітність стандартів стільникового зв'язку, алгоритми їх функціонування, незалежно від наявних особливостей, в основному схожі. Для абонента практично немає ніякої різниці, в якому стандарті здійснюється зв'язок. Коли радіотелефон знаходиться в режимі очікування, його приймальний пристрій постійно сканує або всі канали системи, або тільки керуючі. Для виклику відповідного абонента всіма базовими станціями стільникової системи зв'язку по каналах, що управляють, передається сигнал виклику. Стільниковий телефон абонента, що викликається, при отриманні цього сигналу відповідає по одному з вільних каналів управління. Базові станції, що прийняли у відповідь сигнал, передають інформацію про його параметри в центр комутації, який, у свою чергу, перемикає розмову на ту базову станцію, де зафіксований максимальний рівень сигналу стільникового радіотелефону абонента, що викликається.
3. Мережа і її складові
Як вже відомо, мережі стільникового зв'язку отримали свою назву відповідно до територіального принципу розподілу малих робочих зон (стільник) . У центрі кожної робочої зони розташована базова станція (БС або BTS ), що здійснює зв'язок по радіоканалах з багатьма абонентськими станціями, встановленими на рухомих об'єктах (автомобілях, у Вас в кишені ) і що знаходяться в її робочій зоні. Для кожної соти в рамках всієї мережі при проектуванні проводиться комплекс спеціальних заходів, у тому числі і частотне планування, яке враховує умови розповсюдження радіохвиль і загальну частотну обстановку ( середній рівень промислових перешкод, сигнали від суміжних базових станцій, и.т.п). Необхідно відмітити, що проектування мережі стільникового зв'язку - вельми трудомісткий і копіткий процес, незважаючи навіть на використання комп'ютерних систем. Облік всіх параметрів (кількість каналів у виділеному частотному діапазоні, розрахункове навантаження на одного абонента, допустима інтенсивність втрат, мінімальна прийнятна напруженість поля) і їх топографічна прив'язка до планованої зони обслуговування, знову ж таки, з урахуванням типу місцевості, існуючих споруд - все це вимагає великих трудових витрат (не говорячи вже про фінансову сторону справи). До того ж проектування мережі - це процес нескінченний. Сегменти мережі, що діють, видають інформацію про розподіл трафіку і приріст числа абонентів, і ця інформація, у свою чергу, може впливати на складені раніше проекти, доповнюючи і розширюючи мережу.
Базові станції мережі через контроллери (BSC) сполучені дротяними телефонними (або радіорелейними) лініями зв'язку з центральною станцією даного регіону ( міста, області) - MSC (Центр комутації рухомого зв'язку), яка забезпечує з'єднання мобільних абонентів з абонентами телефонної мережі загального користування (ТФОП, або PSTN) за допомогою комутаційних пристроїв. Таким чином кожен MSC обслуговує групу сотів, здійснюючи при цьому перемикання каналів в соті, естафетну передачу абонентів між сотами, формує дані, необхідні для виписки рахунків за надані мережею послуги зв'язку, накопичує дані по розмовах, що відбулися, і передає їх в центр розрахунків (биллинг-центр). MSC складає також статистичні дані, необхідні для контролю роботи і оптимізації мережі. На рис.1 групи сотів і відповідні їм MSC представлені різним кольором. MSC не тільки бере участь в управлінні викликами, але також управляє процедурами реєстрації місцеположення і передачі управління. Реєстрація місцеположення рухомих станцій необхідна для забезпечення доставки виклику рухомим абонентам, що переміщаються, від абонентів телефонної мережі загального користування або інших рухомих абонентів. Процедура передачі виклику дозволяє зберігати з'єднання і забезпечувати ведення розмови, коли рухома станція переміщається з однієї зони обслуговування в іншу. Передача викликів в сотах, керованих одним контроллером базових станцій (BSC), здійснюється цим BSC. Коли передача викликів здійснюється між двома мережами, керованими різними BSC, то первинне управління здійснюється в MSC. Таким чином, ієрархію управління в межах одного MSC можна представити як взаємодія підсистеми базових станцій (BSS), що включає BSC з декількома BTS, і MSC .
Окрім основних ліній зв'язку, що сполучають базові станції з MSC, обов'язково присутні резервні, такі, що приймають абонентське навантаження у разі аварії на себе. Також резервуванню підлягає і все основне устаткування мережі ( комутатори, каналообразующие системи, сигналізація).
Під час набору номера радіотелефон займає один з вільних каналів, рівень сигналу базової станції в якому в даний момент максимальний. У міру видалення абонента від базової станції або у зв'язку з погіршенням умов розповсюдження радіохвиль рівень сигналу зменшується, що веде до погіршення якості зв'язку. Поліпшення якості розмови досягається шляхом автоматичного перемикання абонента на інший канал зв'язку. Це відбувається таким чином. Спеціальна процедура, звана передачею управління викликом або естафетною передачею (у іноземній технічній літературі - handover, або handoff), дозволяє перемкнути розмову на вільний канал іншої базової станції, в зоні дії якої опинився в цей час абонент. Аналогічні дії робляться при зниженні якості зв'язку із-за впливу перешкод або при виникненні несправностей комутаційного устаткування. Для контролю таких ситуацій базова станція забезпечена спеціальним приймачем, що періодично вимірює рівень сигналу стільникового телефону розмовляючого абонента і що порівнює його з допустимою межею.

Рис.1 Естафетна передача (ХЕНДОВЕР)
Якщо рівень сигналу менше цієї межі, то інформація про це автоматично передається в центр комутації по службовому каналу зв'язку. Центр комутації видає команду про вимірювання рівня сигналу стільникового радіотелефону абонента на найближчі до нього базові станції. Після отримання інформації від базових станцій про рівень цього сигналу центр комутації перемикає радіотелефон на ту з них, де рівень сигналу виявився найбільшим. Це відбувається так швидко, що абонент майже не помічає перемикання (від 250 до 1250 мс). Необхідно відмітити, що в цифрових системах стільникового зв'язку час перемикання менший, ніж в аналогових. А в цифровому стандарті CDMA воно взагалі відсутнє як таке через використання технології "softhandover", при якій до моменту перемикання і якийсь час після нього, мобільній станції надається одночасно два канали (старий і новий) зв'язку, організовуючи тим самим своєрідний нерозривний в часі канальний "шлюз".
4. Роумінг
Одна з важливих послуг мережі стільникового зв'язку - надання можливості використання одного і того ж радіотелефону при поїздці в інше місто, область або навіть країну, причому стільникова мережа дозволяє не тільки самому абонентові дзвонити з іншого міста або країни, але і отримувати дзвінки від тих, хто не встиг застати його будинку. У стільниковому радіозв'язку така можливість називається роумінг (від англ. roam - поневірятися, блукати). Для організації роумінга стільникові мережі повинні бути одного стандарту (телефон стандарту GSM не працюватиме в мережі стандарту CDMA і т. п.), а центри комутації рухомого зв'язку цього стандарту повинні бути сполучені спеціальними каналами зв'язку для обміну даними про місцезнаходження абонента. Іншими словами, стосовно стільникових систем для забезпечення роумінга необхідне виконання трьох умов:
1. Наявність в необхідних регіонах стільникових систем стандарту, сумісного із стандартом компанії, у якої був придбаний радіотелефон.
2. Наявність відповідних організаційних і економічних угод про роумінгове обслуговування абонентів
3. Наявність каналів зв'язку між системами, що забезпечують передачу звуковою і іншій інформації для роумінгових абонентів
При переміщенні абонента в іншу мережу її центр комутації запрошує інформацію в первинній мережі і за наявності підтвердження повноважень абонента реєструє його. Дані про місцеположення абонента постійно оновлюються в центрі комутації первинної мережі, і всі виклики, що поступають туди, автоматично переадресовуються в ту мережу, де в даний момент знаходиться абонент.
При організації роумінга недостатньо провести тільки технічні заходи щодо з'єднання різних мереж стільникового зв'язку. Дуже важливо ще вирішити проблему взаєморозрахунків між операторами цих мереж.
Розрізняють три види роумінга:
1. Автоматичний (саме з цією формою за кордоном зазвичай і зв'язують поняття роумінга), тобто надання абонентові можливості вийти на зв'язок у будь-який час в будь-якому місці;
2. Напівавтоматичний, коли абонентові для користування даною послугою в якому-небудь регіоні необхідно заздалегідь поставити про це до відома свого оператора
3. Ручною, по суті, простий обмін одного радіотелефону на іншій, підключений до стільникової системи іншого оператора
4. Реалізація конкретних технологій і стандартів - будь то GSM - 900/1800, D-AMPS або NMT-450,900 загалом укладаються в рамки описаної схеми. Проте, для кожного з цих стандартів існують свої особливості, які в деяких випадках передбачають доповнення до даної схеми (іноді просто необхідні), або ж навпаки - принципово не використовують названі елементи. Наприклад, насправді пристрій мережі, її елементів і устаткування складніше навіть на рівні опису. Так, в ній повинні бути присутніми центри управління, аутенфікації, білінга, лінії службового зв'язку і сигналізації. Але для загального розуміння роботи мережі стільникового зв'язку приведеної схеми цілком достатньо.
Контрольні запитання:
1. В чому полягає загальний принцип функціонування мереж стільникового зв'язку?
2. Що собою являє структура стільникової мережі?
3. Що означає поняття «роумінг»?
4. Які розрізняють види роумінгу?
Інструкційна картка №35 для самостійного опрацювання навчального матеріалу з дисципліни «Основи електроніки та мікропроцесорної техніки»
І. Тема:
5 Технічні засоби зв’язку в сільському господарстві
5.2 Електронні пристрої в сільському господарстві
Мета: Формування потреби безперервного, самостійного поповнення знань; розвиток творчих здібностей та активізації розумової діяльності.
ІІ. Студент повинен знати:
- Загальні відомості організації IP-телефонії;
- Види IP-телефонії.
ІІІ. Студент повинен уміти:
- Розрізняти види IP-телефонії.
ІV. Дидактичні посібники:
Методичні вказівки до опрацювання.
V. Література:
[Картка сам. опрац.].
VІ. Запитання для самостійного опрацювання:
1. IP-телефонія
VІІ. Методичні вказівки до опрацювання:
Теоретична частина.
VІІІ. Контрольні питання для перевірки якості засвоєння знань:
1. Як працює IP-телефонія?
2.У чому відмінність IP-телефонії від звичайної телефонії?
3.В чому загальний принцип дії телефонних серверів IP-телефонії?
ІХ. Підсумки опрацювання:
Підготував викладач:
Бондаренко І.В.
Теоретична частина: Електронні пристрої в сільському господарстві
План:
1. IP-телефонія
Література
1. IP-телефонія
IP-телефонія
(VOIP - Voice over IP) - це технологія, яка використовується для передачі мовних сигналів в Інтернет, зв'язуючи тим самим два різних світи - світ телефонії і світ Інтернет.
До недавнього часу мережі з комутацією каналів (телефонні мережі) і мережі з комутацією пакетів (IP-мережі) існували практично незалежно один від одного і використовувалися для різних цілей. Телефонні мережі використовувалися тільки для передачі голосовій інформації, а IP-мережі - для передачі даних.
Як працює IP-телефонія?
При розмові голосові сигнали (слова, які ми вимовляємо) перетворяться в стислі пакети даних. Після чого ці пакети даних посилаються через Інтернет іншій стороні. Коли пакети даних досягають адресата, вони декодуються в голосові сигнали оригіналу. Створення пакетів - перетворення аналогових (зокрема, звукових) сигналів на цифрові, їх стиснення, передача по мережі Інтернет і зворотне перетворення в аналогові відбувається завдяки існуванню протоколу передачі даних через Інтернет, звідси і назва IP-телефонія. Протокол передачі даних - це своєрідна мова, яка дозволяє перетворити і донести цифрові дані в точку призначення, причому ці дані можуть бути і текстами електронної пошти, і голосовими повідомленнями, і зображеннями, і відеофрагментами.
У чому відмінність IP-телефонії від звичайної телефонії?
У звичайному телефонному дзвінку підключення між обома співбесідниками встановлюється через телефонну станцію виключно з метою розмови. Голосові сигнали передаються по певних телефонних лініях, через виділене підключення. При запиті ж по Інтернет, стислі пакети даних поступають в Інтернет з адресою призначення. Кожен пакет даних проходить власний шлях до адресата, по різних маршрутах. Для адресата пакети даних перегруповуються і декодуються в голосові сигнали оригіналу.
Чому IP-телефонія коштує дешевше?
Звичайні телефонні дзвінки вимагають розгалуженої мережі зв'язку телефонних станцій, зв'язаних закріпленими телефонними лініями, підведення волоконно-оптичних кабелів і супутників зв'язку. Високі витрати телефонних компаній приводять до дорогих міжміських розмов. Виділене підключення телефонної станції також має багато надмірної продуктивності або час простою протягом мовного сеансу. IP-телефонія частково ґрунтується на існуючій мережі закріплених телефонних ліній. Але головне, вона використовує технологію стиснення голосових сигналів і повністю використовує місткість телефонних ліній. Тому пакети даних від різних запитів, і навіть різні їх типи, можуть переміщатися по одній і тій же лінії в один і той же час.
Загальний принцип дії
телефонних серверів IP-телефонії такий: з одного боку, сервер пов'язаний з телефонними лініями і може з'єднатися з будь-яким телефоном світу. З іншого боку, сервер пов'язаний з Інтернет і може зв'язатися з будь-яким комп'ютером в світі. Сервер приймає стандартний телефонний сигнал, оцифровує його, значно стискає, розбиває на пакети і відправляє через Інтернет за призначенням з використанням протоколу Інтернет (TCP/IP). Для пакетів, що приходять з Мережі на телефонний сервер і що йдуть в телефонну лінію, операція відбувається в зворотному порядку. Обидві операції (вхід сигналу в телефонну мережу і його вихід з телефонної мережі), що становлять, відбуваються практично одночасно, що дозволяє забезпечити повнодуплексну розмову. На основі цих базових операцій можна побудувати багато різних конфігурацій.
Мережа IP-телефонії
(згідно рекомендаціям ITU-T H.323) є набір наступних пристроїв, сполучених по IP-мережі:
- шлюз (gateway);
- диспетчер (gatekeeper);
- монітор (administration manager).
Архітектура мережі IP-телефонії є сполученими по IP-мережі шлюзами в телефонну мережу, які надають безпосередній інтерфейс абонентові і здійснюють кодування, стиснення і пакетизацію голосу/даних і їх відновлення. Весь механізм взаємодії шлюзів і облік проводиться диспетчерами. Для зручності видаленої конфігурації і адміністрування мережі може бути використаний монітор. Ці три компоненти у різних виробників можуть називатися по-різному, але всі вони виконують функції, узагальнені вище.
Окрім описаних вище вимог, устаткування для IP-телефонії повинне підтримувати ще декілька можливостей.
Шлюз або gateway
- необхідний пристрій, підключений до IP-мережі і до телефонної мережі (PBX/PSTN). (Private Branch eXchange, PBX - офісна або підприємська МІНІ-АТС, Public Switched Telephone Network, PSTN - телефонна мережа загального користування, ТФОП).
Функції:
- відповідь на виклик зухвалого абонента PBX/PSTN;
-встановлення з'єднання з видаленим шлюзом;
- встановлення з'єднання з абонентом PBX/PSTN, що викликається;
- стиснення, пакетування і відновлення голосу/даних.
Таким чином, шлюз, - це основна і невід'ємна частина архітектури IP-телефонії, що безпосередньо сполучає телефонну мережу з мережею IP.
Шлюзи різних виробників відрізняються способом підключення до телефонної мережі, місткістю, апаратною платформою, реалізованими кодеками, інтерфейсом і іншими характеристиками. Але всі вони виконують вищеперелічені функції, IP-телефонії, що є базовими для технології.
Диспетчер або gatekeeper
- це додатковий пристрій, що підключений тільки до IP-мережі і несе в собі всю логіку роботи мережі IP-телефонії.
Функції:
- аутентифікація і авторизація абонента;
- розподіл викликів між шлюзами;
- білінг.
Як правило, диспетчер не містить в собі закінченої білінгової програми, а тільки заснований на стандартах інтерфейс до професійних систем білінга третіх виробників, а також API для розробки оператором власної білінгової програми.
Диспетчер необхідний в будь-якій мережі IP-телефонії, що містить більше двох шлюзів. У перших шлюзах (по-перше host-based версіях VocalTec, Vienna і ін.) функції диспетчера в їх примітивному вигляді виконувалися самим шлюзом. З розвитком технології і зростанням мереж IP-телефонії, функції диспетчера були винесені в окремий модуль. Хоча у деяких виробників диспетчер може фізично знаходитися на одній системі з шлюзом, логічно це самостійний модуль.
Монітор
- необов'язковий додатковий модуль мережі IP-телефонії, що підключається тільки до IP-мережі, використовуваний для видаленої конфігурації і підтримки решти пристроїв мережі - шлюзів і диспетчерів.
Функції:
- інтерфейс для видаленої настройки через IP-мережу параметрів шлюзів і диспетчерів мережі IP-телефонії.
Монітор є зручним засобом конфігурації і адміністрування мережі. У перших шлюзах для цього просто використовувалися стандартні мережеві додатки. Пізніше в цілях оптимізації роботи виробники устаткування IP-телефонії стали випускати власні додатки для цих цілей.
Окрім описаних вище вимог, устаткування для IP-телефонії повинне підтримувати ще декілька можливостей.
Передачу інформації, що управляє
.
Тональні сигнали не розповсюджуються вільно через Інтернет. Кодування і розбиття на IP-пакети спотворюють їх до повного невпізнання на іншому кінці зв'язку. Таким чином, телефонні сервера повинні визначати тональні сигнали локально, пригнічувати їх передачу і потім генерувати на іншому кінці. Поки не існує стандарту для передачі DTMF через Інтернет, проте в даний час різні групи ведуть розробку з даного питання, що дозволяє сподіватися на появу і цього стандарту в самий найближчий час.
Інтерфейс з телефонними лініями
. На зв'язок телефонного сервера з телефонною лінією накладається дві умови. Зв'язок повинен відповідати стандарту, прийнятому у всіх основних країнах, оскільки найбільша економія, IP-телефонією, - на міжнародних дзвінках. Рішення повинне бути маштабним. Залежно від завдання, що стоїть перед системним інтегратором, система може варіювати від двох ліній для маленького підприємства до декількох тисяч ліній для крупного провайдера (оператора) послуги.
Видалення відлуння (Echo Cancellation)
. Телефонні сервера повинні уміти видаляти відлуння. У стандартній конфігурації обидва сервери приєднано до аналогової телефонної лінії через офісну телефонну станцію. Зазвичай при роботі в локальних мережах телефонна система не видаляє відлуння. Відлуння існує, але локальним дзвінкам не заважає, оскільки затримка дуже мала, так що відлуння не повертається у вигляді окремого звуку (він практично співпадає з мовою). IP-телефонія - унікальний випадок. З технічної точки зору, використовується локальна мережа, для якої проблеми відлуння як би не існує, оскільки воно зливається з початковим звуком. Але необхідно здійснювати телекомунікацію, а IP-телефонія сама по собі не гасить відлуння. Отже, щоб відлуння не спотворювала звук, гасити його повинні телефонні сервера з використанням спеціальних алгоритмів.
Підтримка повного дуплексу
. Телефонне з'єднання є повнодуплексним, тобто обидва співбесідники можуть говорити одночасно. Хороші рішення IP-телефонії також повнодуплексні.
Голосовий зв'язок через IP-мережу може здійснюватися різними способами:
- "Телефон - телефон"
.
Для організації такого зв'язку необхідна наявність певних мережевих пристроїв і механізмів взаємодії. Голосовий трафік передається через IP-мережу, як правило, на окремій дорогій ділянці. Пристроями, організуючими взаємодію, є шлюзи, зістиковані, з одного боку, з телефонною мережею загального користування, а з іншої - з IP-мережею. Голосовий зв'язок в такому режимі має високу якість, і користуватися нею зручно. Для того, щоб скористатися цією послугою, треба подзвонити провайдерові, обслуговуючому шлюз, ввести з телефонного апарату код і номер абонента, що викликається, і розмовляти так само, як при звичайному телефонному зв'язку. Всі необхідні операції по маршрутизації виклику виконає шлюз.
- "Комп'ютер - телефон"
. Тут відкривається більше можливостей використання для корпоративних користувачів, оскільки найчастіше застосовується корпоративна мережа, обслуговуюча виклики від комп'ютерів до шлюзу, які вже потім передаються по телефонній мережі загального користування. Корпоративні рішення з використанням зв'язку "комп'ютер-телефон" можуть допомогти заощадити гроші. Кінцевому користувачеві ніякого додаткового устаткування не вимагається. Досить мати під рукою телефон з можливістю тонального набору. Це потрібно для того, щоб, додзвонившись до оператора, ввести свій код в тональному режимі, а далі за дію абонента нічим не відрізняються від звичних. У більшості сучасних телефонних апаратів, включаючи таксофони і мобільні телефони, ця функція передбачена. Якщо такого телефону чомусь немає, то з функцією набору може справитися біпер або, в крайньому випадку, спеціальна програма, яку можна викачати з Інтернету.
- "WEB - телефон"
.
Ще одна нова послуга, яку надають провайдери IP-телефонії, - це дзвінок з Веб-сайту або Surf&Call - рішення компанії VocalTec в області веб-телефонії, що дозволяє здійснювати виклик, вибравши із сторінки Інтернет посилання на ім'я абонента, що викликається. Це рішення направлене, перш за все, на розширення можливостей електронної комерції. Surf&Call дозволяє користувачам Інтернет безпосередньо поговорити, наприклад, з торговим представником або з фахівцем технічної підтримки фірми, що цікавить його. Встановлення телефонного з'єднання відбувається при натисненні курсором на посилання, що є, наприклад, назвою компанії, ім'я абонента, що викликається, і т.д. на сторінці Інтернет. При цьому користувачеві не потрібна друга телефонна лінія або переривання роботи в Інтернет, необхідно лише завантажити невелике програмне забезпечення, яке зазвичай можна знайти на тій же WEB-сторінці, і яке встановлюється автоматично. З іншого боку Surf&Call дозволяє представникам компаній відповідати на питання, демонструвати WEB-сторінки, передавати необхідну інформацію, покращуючи тим самим якість послуг, що надаються.
Переваги IP-телефонії.
Здешевлення телефонних переговорів
.
Впровадження технології VOIP дозволяє зменшити сумарні витрати, пов'язані з веденням міжнародних і міжміських телефонних переговорів, а також почати процес міграції до технологій пакетної передачі мультимедійних даних. Крім того, враховуючи можливість виходу на міську телефонну мережу, використання цієї технології може звести до мінімуму оренду звичайних телефонних ліній.
Покращена якість зв'язку
. Якість зв'язку можна оцінити, використовуючи наступні основні характеристики: рівень спотворення голосу; частота "пропажі" голосових пакетів; час затримки (між вимовленням фрази першого абонента і моментом, коли вона буде почута другим абонентом). По всіх перерахованих характеристиках якість зв'язку значно збільшилася порівняно з першими версіями рішень IP-телефонії, які допускали спотворення і переривання мови. Поліпшення кодування голосу і відновлення втрачених пакетів дозволило досягти рівня, коли мова розуміється абонентами настільки добре, що співбесідники не здогадуються, що з'єднання відбувається за технологією IP-телефонії. Зрозуміло, що затримки впливають на темп бесіди. Відомо, що для людини затримка до 250 мілісекунд практично непомітна. IP-телефонії, що існують на сьогоднішній день рішення, не перевищують цю межу, так що розмова фактично не відрізняється від зв'язку по звичайній телефонній мережі. Окрім цього, затримки зменшуються завдяки наступним трьом чинникам:
По-перше, удосконалюються телефонні сервери (їх розробники борються із затримками, покращуючи алгоритми роботи).
По-друге, розвиваються приватні (корпоративні) мережі (їх власники можуть контролювати ширину смуги пропускання і, отже, величини затримки).
По-третє, розвивається сама мережа Інтернет - сучасний Інтернет не був розрахований на комунікації в режимі реального часу. The Internet Engineering Task Force (IETF) разом з операторами мереж Інтернет пропонують нові технології, такі, як Reservation Protocol (RSVP), які дозволяють резервувати смугу пропускання.
Вирішення проблеми зайнятої лінії.
Вже давно любителі борознити усесвітню мережу стикаються з проблемою зайнятості телефонних ліній під час сеансу Dial-up. IP-телефонія дозволяє дуже елегантно вирішити цю проблему. Єдине, що повинен зробити абонент - це замовити на своїй АТС переадресацію по сигналу "зайнято" на телефонний номер сервера IP-телефонії. При дзвінку на номер абонента під час Інтернет-сесії виклик переадресується на сервер IP-телефонії, який перетворює його в IP-пакети і відправляє на комп'ютер абонента. На комп'ютері абонента з'являється ікона "Вхідний дзвінок", кликнувши на яку він може поговорити з тим, що дзвонить.
Підвищення якості факсимільного зв'язку
.
Оскільки, по суті, факсимільне повідомлення - потік цифрових даних, а в технології VOIP дані передаються в цифровому вигляді, тому передача факсимільних повідомлень по аналогових лініях скорочується до мінімуму. А за рахунок того, що устаткування має можливість демодулювати сигнал перед передачею по IP-мережі і передавати закодоване в 64 Кбітному форматі факс-повідомлення в смузі 9,6 Кбіт, знижується навантаження на канали.
Інтеграція філіалів до єдиної інформаційної структури
. Останнім часом з розвитком інформаційних технологій і збільшенням пропускної спроможності каналів для найбільш оперативного вирішення ділових завдань філіали компанії об'єднують в єдине ціле, утворюючи інтрамережу. Оскільки пропонована технологія використовує для передачі голоси якраз мережі передачі даних, то з'являється можливість об'єднувати не тільки комп'ютерні мережі, але і телефонні.
Віртуальні приватні мережі (VPN)
.
IP-телефонія є ідеальною технологією для побудови віртуальних приватних мереж підприємства. Головна межа технології VPN - використання IP-мережі як магістраль для передачі корпоративного IP-трафіку. Мережі VPN вирішують завдання підключення корпоративного користувача до видаленої мережі і з'єднання декілька видалених ЛВС і АТС в єдину корпоративну мережу передачі голосу і даних.
Глобальний
роумінг
. IP-телефонія дозволяє операторам зв'язку дуже просто і з мінімальними витратами організувати роумінг послуг зв'язку. Це особливо актуально для операторів мобільного зв'язку - рішення, побудоване на технологіях IP-телефонії, на порядок дешевше традиційного, і володіє набагато більшою гнучкістю.
Суміщений доступ в Інтернет
.
Голосові дані, факсимільні повідомлення передаються з використанням IP - основного набору протоколів Інтернет, дане рішення передбачає доступ до ресурсів мережі і очевидну економію на оренду ліній зв'язку і оплату послуг.
Контрольні запитання:
1. Як працює IP-телефонія?
2.У чому відмінність IP-телефонії від звичайної телефонії?
3.В чому загальний принцип дії телефонних серверів IP-телефонії?
|