Министерство образования и РФ
Российский государственный профессионально-педагогический Университет
Дисциплина: "Устройство отечественного и иностранного транспортных средств"
Тема: "Карбюраторы двигателей легковых автомобилей.
Регулятор положения кузова"
Студент группы ЗАТ 116 С
Иргалеев Евгений Мавлитович
Преподаватель: Ульяшин Николай Иванович
Екатеринбург 2007 г.
Содержание:
1. Карбюраторы двигателей легковых автомобилей
2. Регулятор положения кузова (пневмоподвеска)
3. Список литературы
1. Карбюраторыдвигателейлегковыхавтомобилей
На двигателях легковых автомобилей устанавливают карбюраторы эмульсионного типа с падающим потоком, обеспечивающим хорошее наполнение цилиндров горючей смесью. Такие карбюраторы могут иметь несколько смесительных камер с параллельным включением. Это позволяет повысить мощность двигателя из-за лучшей дозировки и распределения горючей смеси по цилиндрам.
Широко применяют двухкамерные карбюраторы с последовательным включением смесительных камер. В таких карбюраторах сначала включается в работу одна, так называемая первая (основная) камера, а при увеличении нагрузки подключается другая, вторая (дополнительная) камера.
Карбюратор ДААЗ-1107010. На двигателях переднеприводных легковых автомобилях ВАЗ-2109, -21099 и других установлены модификации двухкамерного карбюратора указанной модели с падающим потоком и последовательным открытием дроссельных заслонок. Последовательность открытия заслонок позволяет условно разделить работу карбюратора на два периода: период работы на обедненной (экономичной) смеси при малых и средних нагрузках двигателя, которые обеспечиваются работой смеседози-рующей системы первой камеры и период работы на обогащенной смеси при полных нагрузках двигателя, в процессе совместной работы смеседозирующих устройств обеих камер карбюратора.
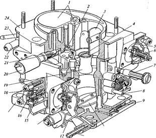
Карбюратор (рис. 1) через теплоизолирующую прокладку устанавливается на впускной газопровод с помощью четырех шпилек с гайками. Он состоит из двух базовых деталей: корпуса 17 и крышки 24, в которой имеются входные горловины / смесительных камер и колодцы для прохода воздуха к двум главным воздушным жиклерам 2. В горловине первой камеры установлена воздушная заслонка 3, а с боковой стороны крышки крепится пусковое устройство с регулировочным винтом 6, пружиной и мембраной 5 в сборе со штоком. В резьбовом канале крышки крепится электромагнитный клапан 20 и топливный жиклер 21 системы холостого хода. Для подачи в карбюратор топлива и слива его излишков в крышке 24 установлены соответственно патрубки 22 и 23.
Совместно с корпусом 17 отливаются большие диффузоры, в которые вставляются малые диффузоры 19, отлитые заодно с их распылителями. Внутри корпуса размещается поплавковая камера с топливными каналами и установлен распылитель 4 ускорительного насоса. Основная рабочая полость ускорительного насоса размещена в приливе корпуса, к которому крепится крышка с рычагом 12 привода и мембраной 14. Привод ускорительного насоса осуществляется от кулачка 13, установленного на оси дроссельной заслонки 10 первой камеры. К приливу корпуса, образующему рабочую полость с жиклером 15, крепится крышка 16 экономайзера мошностных режимов с мембраной 18, на которой закреплена игла, воздействующая на шариковый клапан.
В корпусе карбюратора установлены также регулировочные винты 7 и 9 соответствен, но количества и качества горючей смеси при работе двигателя на холостом ходу. Отверстие под регулировочный винт 9 закрывается заглушкой. Для передачи разрежения от карбюратора к вакуумному регулятору распределителя зажигания в корпусе установлен патрубок 8, а для отсоса картерных газов служит патрубок 11.
В первой и во второй смесительных камерах дроссельные заслонки 10 жестко закреплены винтами на осях, связанных с помощью троса с педальным приводом, расположенным в салоне кузова. Воздушная заслонка также с помощью троса соединена с рукояткой управления, расположенной под панелью приборов салона кузова.
К основным устройствам и системам карбюратора относятся: поплавковая камера, система холостого хода, переходные системы, главные дозирующие системы, экономайзер полных нагрузок (эконостат), ускорительный насос, пусковое устройство и система снижения токсичности отработавших газов.

Рис. 1. Карбюратор ДААЗ-1107010
Система холостого хода позволяет корректировать состав горючей смеси в диапазоне малых частот вращения коленчатого вала, а также при переходе двигателя на режимы работы при малых и средних нагрузках. На режиме холостого хода дроссельные заслонки 13 первой и 11 второй камер (рис. 2) закрыты, разрежения в диффузорах недостаточно для истечения топлива, а разрежение под дроссельной заслонкой первой камеры достигает значительной величины и передается во все каналы системы.
При этом топливо поступает из поплавковой камеры 9 через главный топливный жиклер 12 первой камеры и эмульсионный колодец 5, поднимается по топливному каналу, проходит жиклер 3, смешивается с воздухом, поступающим из жиклера 4, и по эмульсионному каналу / выходит в виде эмульсии под регулировочный винт 15 качества смеси. Из щели 14 на пути эмульсии подсасывается воздух из смесительной камеры. Образовавшаяся таким образом обогащенная горючая смесь поступает во впускной газопровод, а затем в цилиндры двигателя.
Количество смеси на холостом ходу регулируется винтом, установленным на рычаге дроссельной заслонки. При завертывании пинта дроссельная заслонка приоткрывается. При выключении зажигания отключается электромагнитный клапан 2, игла которого под действием пружины перекрывает топливный жиклер 3 и не допускает работу системы с выключенным зажиганием.
| Рис. 2. Система холостого хода ипереходныесистемы |
Переходная система второй камеры вступает в работу в начале открытия дроссельной заслонки 11 второй камеры, когда поток воздуха раздваивается и горючая смесь переобедняется. В этом случае могут происходить обратные вспышки в воздушном фильтре. Во избежание этого явления вторую камеру оснащают переходной системой с выходным отверстием 10, обеспечивающим плавный переход с одного режима работы
на другой в моменты начала полного открытия дроссельных заслонок обеих камер. Указанная переходная система работает подобно переходной системе с щелевидным отверстием /впервой камеры, но она питается топ-швом через жиклер 6 непосредственно из поплавковой камеры 9. При этом топливо смешивается с воздухом, поступающим через жиклер 8, и образовавшаяся эмульсия по каналу 7 направляется под дроссельную заслонку через выходное отверстие 10.
При дальнейшем открытии дроссельной заслонки разрежение в диффузоре второй камеры возрастает, а у отверстия 10 уменьшается, вследствие чего постепенно вступает в работу главная дозирующая система второй камеры, соединенная каналами с поплавковой камерой.
Поплавковая камера карбюратора сбалансирована, это достигается двумя отверстиями 5 (рис. 3), соединяющими поплавковую камеру 9 с воздушным фильтром, вследствие чего в них уравнивается давление и устраняется влияние загрязнения воздушного фильтра на состав горючей смеси. Если поплавковая камера не сбалансирована, т.е. сообщается непосредственно с атмосферой, то при увеличении сопротивления воздушного фильтра (из-за его загрязнения) возрастает разрежение в диффузоре, и горючая смесь значительно обогащается.
Благодаря двум сообщающимся объемам поплавковой камеры, которые охватывают смесительные камеры с двух сторон, обеспечена надежная подача к ним топлива через фильтр 6 даже при сильных кренах автомобиля. Карбюратор имеет двойной поплавок 10 из эбонита, соединенный с запорным устройством 8, и патрубок 7 с жиклером, перепускающим излишки топлива обратно в топливный бак.
Главные дозирующие системы приготавливают горючую смесь необходимого состава при работе двигателя на режимах с частичными нагрузками и при полном открытии дроссельных заслонок 14 и 11. При этом топливо из поплавковой камеры 9 через жиклеры 13 поступает к эмульсионным колодцам, в которых находятся эмульсионные трубки 12, и смешивается с воздухом, поступающим из воздушных жиклеров 4. Затем эта топливно-воздушная смесь поступает через каналы 3 в распылитель 2, где смешивается с воздухом, проходящим через диффузоры 1 смесительных камер, образуя горючую смесь.
Дозированием количества воздуха, поступающего в эмульсионные колодцы через жиклеры 4, можно получить характеристику карбюратора, близкую к оптимальной. Это объясняется тем, что воздух, поступающий в колодцы через жиклеры 4, изменяет разрежение перед жиклерами 13. При этом интенсивность истечения топлива значительно снижается (затормаживается), а отверстия в эмульсионных трубках 12 обеспечивают хорошее эмульсирование топлива.

| Рис. 3. Главная дозирующая система |
Подбором размеров воздушных жиклеров 4 можно обеспечить такую закономерность изменения разрежения у топливных жиклеров 13, которая позволяет по мере открытия дроссельных заслонок и увеличения разрежения в диффузоре обеднять горючую смесь до необходимых значений коэффициента избытка воздуха.
Количество смеси, поступающей в двигатель, регулируется открытием дроссельных заслонок. При этом дроссельная заслонка 14 первой камеры соединяется механически с дроссельной заслонкой 11 второй камеры таким образом, что, когда первая открыта на 2
/3
своего полного открытия, в этот момент начинает открываться заслонка 11 второй камеры. Следовательно, на режимах дросселирования в основном работает первая смесительная камера, обеспечивающая работу двигателя в диапазоне нагрузочных режимов.
Экономайзер мощностных режимов (рис. 4) служит для обогащения смеси на мощностных режимах (при больших и полных открытиях дроссельной заслонки), обеспечивая тем самым соответствующий этим режимам состав горючей смеси. Экономайзер мощностных режимов мембранного типа соединяется каналом 10 с поплавковой камерой, в которой установлены топливные жиклеры 2 и 4. Полость над мембраной 7 соединяется с поддроссельным пространством воздушным каналом 6. Жиклер 9 экономайзера устанавливается в топливном канале 10. Через шариковый клапан 8 соединяются внутренняя полость под мембраной и поплавковая камера карбюратора.
При открытии дроссельной заслонки 5 на большой угол разрежение во впускном газопроводе уменьшается и соответственно снижается его воздействие через канал 6 на мембрану 7. Вследствие этого пружина отжимает вправо связанные с ней мембрану 7 и клапан 8. При этом дополнительное количество топлива через жиклер 9 по каналу 10 поступает в главную дозирующую систему, обогащая горючую смесь.

Рис. 4. Экономайзер и эконостат мощностных режимов
Экономайзер (эконостат) полных нагрузок взаимодействует со второй смесительной камерой и вступает в работу на нагрузочных и скоростных режимах, близких к предельным, при полностью открытых дроссельных заслонках 5 и 1, обогащая горючую смесь для получения максимальной мощности двигателя. При этом топливо поступает через жиклер 3, проходит эмульсионную трубку 11и по топливному каналу поступает к впрыскивающей трубке 12эконостата, размещенной выше распылителя главной дозирующей системы.
Ускорительный насос (рис. 5) служит для кратковременного обогащения горючей смеси в режиме ускорения (разгона) автомобиля. Особенностью его устройства является наличие распылителей / в каждой смесительной камере. Ускорительный насос — мембранного типа с приводом от кулачка 6, расположенного на оси дроссельной заслонки 7. Производительность насоса не регулируется, а зависит только от профиля кулачка 6. При резком открытии дроссельной заслонки 7 кулачок 6 перемещает рычаг 5 и через толкатель 4 нажимает на мембрану 3, преодолевая сопротивление возвратной пружины. Мембрана через колодец ускорительного насоса, шариковый клапан 2 и распылители / подает топливо в первую и вторую смесительные камеры, тем самым обогащая горючую смесь. При возвращении мембраны в исходное положение топливо из поплавковой камеры засасывается через обратный шариковый клапан 8 и поступает в рабочую полость ускорительного насоса.
Пусковое устройство (рис. 6) обеспечивает приготовление богатой смеси, что способствует быстрому пуску и прогреву холодного двигателя. В нем предусмотрены мембранный и рычажный механизмы для закрытия воздушной заслонки 7и прикрытия дроссельной заслонки 15. Особенность этих механизмов заключается в использовании фигурных кромок на рычаге 4.
Наружная фигурная кромка 10 воздействует на промежуточный рычаг 14, связанный с дроссельными заслонками через регулировочный винт 13, фиксируемый скобой 12. При полном закрытии воздушной заслонки 7 дроссельная заслонка /5 первой камеры приоткрывается на 0,8... 1,5 мм . В промежуточных положениях рычага 4 его фигурные кромки 5 и 6 взаимодействуют со штифтом поводка 8 воздушной заслонки и допускают се открытие на определенный угол. Ручное управление рычагом 4 осуществляется рукояткой из салона кузова посредством тяги 11.
При пуске холодного двигателя рычаг 4 поворачивается против часовой стрелки (вытягиванием рукоятки на себя); при этом образовавшийся зазор между кромками 5 и 6 рычага и поводка 8 позволяет возвратной пружине 9 удерживать воздушную заслонку в закрытом положении. Одновременно с этим из-за значительного разрежения под прикрытой дроссельной заслонкой и в смесительной камере вступают в работу система холостого хода и главная дозирующая система первой камеры, приготовляя богатую горючую смесь.

Рис.5. Ускорительный насос
Рис. 6. Пусковое устройство карбюратора
С увеличением разрежения под дросселем первой камеры мембрана / будет воздействовать на шток 3 и принудительно приоткрывать воздушную заслонку. Величину приоткрывания (пускового зазора h= 2,5...3,2 мм) заслонки можно регулировать винтом 2. Величина приоткрывания зависит от ширины паза между кромками 5 и 6 рычага 4 и от положения регулировочного винта 2.
По мере прогрева двигателя рычаг 4 поворачивают по часовой стрелке; при этом с помощью профиля 10 этого рычага дроссельная заслонка приоткрывается на больший угол, а фигурной кромкой 6 полностью открывается воздушная заслонка. Все элементы пускового устройства подобраны таким образом, чтобы воздушная заслонка при пуске и начале прогрева двигателя открывалась и закрывалась автоматически, не допуская чрезмерного обогащения или обеднения горючей смеси.
Система снижения токсичности отработавших газов обеспечивает управление включением и отключением электромагнитного клапана 3 (рис. 7) карбюратора 4 при его работе в режиме экономайзера принудительного холостого хода (ЭПХХ). Это происходит, например, при движении автомобиля под уклон или при быстром его торможении, когда резко закрывается дроссельная заслонка 5 при высокой частоте вращения коленчатого вала.
На указанном режиме при помощи электромагнитного клапана прекращается подача топлива в систему холостого хода, что снижает расход топлива и токсичность отработавших газов.
Электронный блок управления ЭБУ 2 является основным узлом экономайзера принудительного холостого хода и всей системы снижения токсичности, встроенной в карбюратор. Информация к блоку поступает в виде импульсов напряжения по двум каналам: от концевого выключателя 10 о положении дроссельной заслонки и от катушки зажигания 1, связанной с электронным коммутатором 11, о частоте вращения коленчатого вала. Поступающая по обоим каналам информация обрабатывается блоком управления, который в необходимые моменты подает напряжение, достаточное для включения электромагнитного запорного клапана. Концевой выключатель 10 регулировочного (упорного) винта 8 соединяет пятую клемму электронного блока управления 2 с «массой» автомобиля при закрытой дроссельной заслонке 5.

| Рис. 7. Принципиальная схема управления ЭПХХ |
Принцип работы системы управления электромагнитным клапаном заключается в следующем. Перед пуском двигателя дроссельная заслонка первой камеры карбюратора закрыта. При этом регулировочный винт 8 количества горючей смеси, контактируя с рычагом 6 привода дроссельных заслонок, замыкает электрическую цепь. В результате этого ток поступает с корпуса карбюратора 4 на пятую клемму электронного блока управления 2 и далее через шестую клемму на электромагнитный клапан 3, который открывает топливный жиклер, установленный в канале 9 системы холостого хода. После пуска двигателя и его работы на холостом ходу электромагнитный клапан 3 получает питание от электронного блока управления.
При возрастании частоты вращения коленчатого вала более 1 900 об/мин блок управления 2 отключается и не действует на электромагнитный клапан, но в катушку последнего ток поступает, так как пятая клемма блока управления не соединяется с «массой».
При резком закрытии дроссельных заслонок, что имеет место при принудительном холостом ходе, рычаг 6 упирается в регулировочный винт 8 и шунтирует пятую клемму на «массу». В этом случае электромагнитный клапан отключается, так как на него ток не поступает, его игла перекрывает топливный жиклер холостого хода, прерывая подачу горючей смеси.
При снижении частоты вращения коленчатого вала до значения 1 650 об/мин включается блок управления 2 и на электромагнитный клапан 3 снова подается ток, который открывает топливный жиклер и подает горючую смесь из канала 9. Карбюратор имеет также полость /подогрева горючей смеси при выходе ее из системы холостого хода.
На двигателях базовой модели автомобиля ВАЗ-2110 с бесконтактной системой зажигания установлен карбюратор ДААЗ-110-7010-31. Если в системе питания двигателя имеется датчик расхода топлива, то устанавливается карбюратор ДААЗ-2114-1107010-31, отличающийся от карбюратора базовой модели автомобиля отсутствием патрубка слива топлива в бак.
На двигателях автомобилей особо малого класса ВАЗ-11113 «Ока» и ЗАЗ-1105 «Таврия» также установлены карбюраторы ДААЗ соответственно моделей 1111-1107010 и 21081-1107010. Устройство и принцип действия основных смеседозирующих систем указанных карбюраторов не имеет принципиальных различий от вышеописанного (см. рис. 2), за исключением того, что одноименные жиклеры каждого карбюратора имеют свои тарировочные данные.
Смесеобразование.Сущность процесса смесеобразования в карбюраторных двигателях заключается в получении мельчайших частиц бензина, полного их испарения и перемешивания с воздухом. Процесс получения смеси воздуха с мелкораспыленным и частично испаренным бензином называется карбюрацией, а прибор, в котором происходит этот процесс,— карбюратором. Основным назначением карбюратора является дозирование подачи бензина для любого из возможных режимов работы двигателя. При этом смеседозируюшие устройства карбюратора обеспечивают необходимое соотношение между распыленным топливом и воздухом.
Полученная таким образом смесь мельчайших частиц и паров бензина с воздухом называется горючей смесью.
В цилиндрах двигателя горючая смесь смешивается с оставшимися там от предыдущего цикла продуктами сгорания (остаточными газами) и превращается в рабочую смесь.
В карбюраторных двигателях процесс смесеобразования происходит в тысячные доли секунды. За это время бензин, поступающий в смесительную камеру карбюратора, должен достаточно тонко распылиться, перемешаться с воздухом и испариться. Распыление топлива происходит главным образом из-за разности скоростей поступления топлива и воздуха.
Наибольшая скорость топлива в смесительной камере карбюратора равна 5...7 м/с, а воздуха — примерно в 20 — 25 раз больше и составляет 100... 150 м/с. С повышением скорости воздуха в смесительной камере тонкость распыливания бензина увеличивается, это увеличивает и скорость его испарения.
Увеличение скорости испарения бензина происходит еще и за счет подогрева горючей смеси горячими стенками цилиндров, камер сгорания и днищами поршней.
Если такой подогрев смеси оказывается недостаточным, то применяют местный подогрев участка впускного газопровода, связывающего карбюратор с цилиндрами двигателя отработавшими газами. Наиболее полное смесеобразование обеспечивается при температуре 45...65°С.
Состав горючей смеси. Для полного сгорания 1 кг бензина теоретически требуется около 15 кг (или 12,5 м3
) воздуха. Однако при
106 работе карбюраторного двигателя количество воздуха в горючей смеси может быть больше или меньше теоретически необходимого. Поэтому состав горючей смеси характеризуется коэффициентом избытка воздуха а, который представляет собой отношение действительного количества воздуха Lд, участвующего в сгорании топлива, к теоретически необходимому его количеству Lт. Если в горючей смеси на 1 кг топлива приходится 15 кг воздуха, то смесь называется нормальной и в этом случае а = Lд/Lт=1 Если в горючей смеси на 1 кг топлива приходится 15... 17 кг воздуха, то ее называют обедненной (а = 1,05... 1,15), при содержании же воздуха свыше 17 кг — бедной (а = 1,20... 1,25). Горючую смесь, содержащую 12... 15 кг воздуха на 1 кг топлива, называют обогащенной (а = = 0,80...0,95), а при содержании воздуха менее 12 кг — богатой (ос = = 0,4...0,7). Наиболее экономичная работа двигателя достигается на обедненной смеси (при а = 1,05... 1,15).
Общее устройство системы питания. В карбюраторном двигателе система питания служит для приготовления горючей смеси, подачи ее к цилиндрам и отвода из них продуктов сгорания. В систему питания входят устройства, обеспечивающие подачу и очистку топлива и воздуха, приготовление горючей смеси, отвод отработавших газов и глушение шума при выпуске, хранение запаса топлива и контроль его количества.
В системе питания карбюраторного двигателя (рис. 1) бензин из бака 10 через открытый кран 12, фильтр-отстойник 16 и топливопроводы 7 подается насосом 22 к карбюратору 3. Одновременно из подкапотного пространства или канала / через воздухоочиститель 2 в карбюратор засасывается очищенный воздух, который, смешиваясь с парами и мелкораспыленными частицами бензина, образует горючую смесь, поступающую через впускной газопровод в цилиндры двигателя. Из цилиндров отработавшие газы через выпускной газопровод 21 отводятся в приемные трубы 20, из них — к глушителю 18, который не только снижает шум, но и гасит пламя и искры от отработавших газов при выходе их через выпускную трубу 13. Глушитель грузового автомобиля представляет собой цилиндрический корпус, который перегородками 15 разделен на ряд полостей и имеет переднее 19 и заднее 14 днища с патрубками и три внутренние грубы 17со щелевидными отверстиями.
Простейший карбюратор. На двигателях устанавливают карбюраторы эмульсионного типа. Их принцип действия основан на том, что из-за большой разницы в скоростях движения воздуха и топлива, проходящих через смесеобразующее устройство, струя топлива разбивается на мельчайшие частицы с образованием паровоздушной горючей смеси.

Простейший карбюратор (рис. 8.) состоит из поплавковой камеры 7, жиклера 6 (пробки с калиброванным отверстием) с распылителем 15, диффузора 16, смесительной камеры 17идросссльной заслонки 5. По топливопроводу 10 топливо из топливного бака поступает в поплавковую камеру 7, в которой с помощью поплавка 8 и игольчатого клапана 9 поддерживается постоянный уровень топлива.
Калиброванное отверстие жиклера 6 рассчитано на истечение через распылитель 15 определенного количества топлива в диффузор 16. Для поддержания атмосферного давления в поплавковой камере сделано отверстие 11.
При такте впуска, когда поршень 3 движется вниз, в надпоршневом пространстве цилиндра 2 создается разрежение, которое через открытый впускной клапан 1 передается в газопровод 4. Под действием этого разрежения поток воздуха, пройдя воздухоочиститель 12 и полностью открытую воздушную заслонку 14, поступает в диффузор 16, имеющий в средней части сужение, что увеличивает скорость воздушного потока и, следовательно, разрежение у среза распылителя.

Под действием разности давлений в смесительной 17 и поплавковой 7 камерах топливо вытекает из распылителя и из-за большой скорости воздуха интенсивно размельчается, затем, испаряясь, смешивается с воздухом, образуя паровоздушную горючую смесь. Количество и качество горючей смеси, поступающей в цилиндры двигателя, регулируют изменением положения дроссельной заслонки.
При пуске двигателя проходное сечение воздушного патрубка 13 уменьшают частичным или полным закрытием воздушной заслонки 14, в результате чего увеличивается разрежение в смесительной камере карбюратора, а, следовательно, и количество топлива, поступающего в распылитель.
Однако в простейшем карбюраторе по мере открытия дроссельной заслонки коэффициент избытка воздуха а (рис. 8., б) уменьшается и горючая смесь все больше обогащается. При этом только лишь в двух случаях (точки 1 и 2) ее состав совпадает с требуемым составом горючей смеси (при полностью открытой и некотором промежуточном положениях дроссельной заслонки). Следовательно, характеристика (кривая А) простейшего карбюратора существенно отличается от характеристики (кривая Б) идеального карбюратора, который обеспечивает экономичную по составу горючую смесь при всех промежуточных положениях дроссельной заслонки и мощностную при полностью открытой.
Таким образом, простейший карбюратор не может обеспечить работу двигателя на холостом ходу, не приготавливает смесь необходимого состава при пуске двигателя и при его переходе с одного режима работы на другой. Поэтому для обеспечения всех режимов работы двигателя современные карбюраторы снабжены смеседозирующими системами и устройствами, совместная работа которых позволяет приблизиться к оптимальному составу горючей смеси с одновременным снижением токсичности отработавших газов на каждом режиме.
2. Регулятор положения кузова (пневмоподвеска)
Пневморессорная передняя зависимая подвеска. Такая подвеска применяется на автобусах и является связующим звеном между кузовом и колесами.
От рассмотренной ранее зависимой подвески она отличается в основном наличием упругого пневмоэлемента, через который посредством рессор передаются на кузов силы, действующие на колеса автомобиля. Входящие в подвеску пневмоэлементы совместно с гидравлическими амортизаторами уменьшают колебания кузова, обеспечивают хорошую устойчивость и плавность хода автобуса, что необходимо для комфортности поездки пассажиров.
Типичным примером взаимосвязи упругих пневмоэлементов с рессорами является пневморессорная передняя подвеска автобусов. Подвеска (рис. 10) имеет двухсекционные пневмобаллоны 1 (рис. 10, а) и направляющее устройство, выполненное в виде полуэллиптических рессор 8. Пневмобаллоны с демпфирующим устройством 3 расположены между балкой 13 и кронштейнами основания кузова и снабжены дополнительными резервуарами 2, прикрепленными к основанию кузова. Каждая рессора в средней части жестко закреплена на балке переднего моста через накладку 12 болтами 11, а передние и задние ее концы установлены соответственно в резиновых подушках 7 и чашках 15, закрепленных в кронштейнах 6 балок основания кузова.
В подвеску включены два телескопических гидравлических амортизатора 14, которые верхними головками соединены через резиновые втулки с кронштейнами кузова, нижними — с балкой переднего моста.
Ограничитель хода отдачи подвески выполнен в виде петли из стального троса, заключенного в оболочку, которая закреплена на основании кузова, и перехватывает балку моста. Длина троса обеспечивает перемещение передней балки моста на 55...60 мм. Постоянство хода отдачи поддерживается регулятором 4 положения пола кузова, который через тяги 5, 9 и кронштейн 10 соединен с неподрессоренными частями подвески.
Основным преимуществом пневматической подвески является то, что в результате регулирования внутреннего давления в пневмобаллоне можно в широких пределах изменять их жесткость.
Пневмобаллоны являются не только упругим элементом, но и выполняют роль гасителя колебаний. Пневмобаллоны состоят из резинокордной оболочки 26 (рис. 10, 6) с бандажным кольцом 28. Внутри баллона на кронштейне закреплен резиновый буфер 27 — ограничитель хода сжатия подвески, упирающийся при работе в опорную пяту 25. Нижней частью пневмобаллон соединяется с кронштейном балки моста, а верхней — с фланцем дополнительного воздушного резервуара 2 через демпфирующее устройство. Последнее состоит из корпуса 23, установленного в опоре 24, шайбы 21 и клапана 22, которые стянуты между собой болтом 19 и гайкой 20. Демпфирующее устройство в сборе поджимается опорной пятой 25 буфера сжатия и через отверстие 18 сообщается с внутренней полостью дополнительного резервуара 2.

Работа демпфирующего устройства заключается в том, что при ходе сжатия под давлением воздуха открывается клапан 22 и воздух перетекает из 
Рис. 10. Передняя подвеска с пневмобаллонами и демпфирующим устройством автобуса: и — основные детали и узлы подвески; б — пневмобаллон с демпфирующим устройством.
пневмобаллона в дополнительный резервуар. При этом сила сопротивления воздуха при прохождении его через калиброванные отверстия клапана 22 снижает нагрузки, передаваемые на кузов автобуса от дороги.
При ходе отдачи воздух медленно перетекает из отверстия 18 дополнительного резервуара 2 в пневмобаллон через дроссельное отверстие 16, задерживая перемещение балки заднего моста вниз. Таким образом, демпфирующее устройство выполняет роль гасителя колебаний.
Задняя подвеска. На ряде моделей автобусов задняя подвеска выполнена на четырех пневмобаллонах 8 (рис. 11), расположенных с каждой стороны между кронштейнами балок 5 основания кузова и опорным кронштейном 9, закрепленным на балке 11 заднего моста. Направляющее устройство подвески состоит из двух полуэллиптических рессор 10. Каждая рессора закреплена в средней части при помощи стремянок 12 и концами соединена с кронштейнами 7 основания кузова. Кронштейны 4 выполнены полыми и используются в качестве дополнительных резервуаров для воздуха вместимостью по 10 л каждый.
В подвеске установлены четыре телескопических гидравлических амортизатора 3, соединенные с кронштейнами основания кузова и опорных балок через резиновые втулки. Ограничительные резиновые буфера 1 хода отдачи закреплены на балке основания кузова и при помощи тросов 2 с наконечниками, имеющими резиновые втулки, соединены с кронштейнами крепления балки 11 моста.

Рис.11 Задняя подвеска автобуса.
Устройство и принцип действия пневмобаллонов задней подвески и их демпфирующихпередней подвески. Питание всех пневмобаллонов подвески сжатым воздухомпроисходит от общей пневматической системыавтобуса через регуляторы положения кузова. В передней подвеске установлен один регулятор, а в задней — два регулятора 6. Регулятор 6 крепится к кузову автобуса, а его рычаг через систему тяг соединен с передним или задним мостом.
Регулятор положения кузова. Основным преимуществом пневмоподвески является то, что в результате регулирования внутреннего давления воздуха в упругих пневмобаллонах можно в широких пределах изменять их жесткость.
Давление в пневмобаллонах регулируют регулятором положения кузова, который обеспечивает постоянную высоту пола кузова над дорогой независимо от нагрузки на пол автобуса (числа пассажиров).
Регулятор (рис. 12) состоит из корпуса 1 в боковом приливе которого во втулке 4 установлен вал 2с эксцентриком 16. На наружном конце вала имеется рычаг 3, соединяемый тягой с передней или задней балкой моста автобуса.
Эксцентриковый палец 16 вала входит в выточку штока 15, который имеет по центру сквозное отверстие. Над верхним концом штока установлены: клапан 5 первой ступени, прижимаемый к седлу пружиной 14, седло 13, закрепленное втулкой 12, клапан 6 второй ступени с жиклером и обратный клапан 8, которые удерживаются пружиной 7. Сверху в корпусе ввернут штуцер 10 с жиклером 11, к которому присоединяется трубопровод от ресиверов пневмосистемы автобуса.
Полость А в корпусе регулятора сообщается трубопроводом с пневмобаллонном подвески. Снизу в корпусе ввернута пробка с сетчатым фильтром 17, который сообщает полость корпуса с атмосферой. Места соединения вала, штока, пробки и штуцера уплотнены резиновыми кольцами 9.
Рис. 12. Регулятор положения кузова автобуса (давления воздуха в пневмобаллонах):
А — полость, сообщаемая трубопроводом с пневмобаллоном подвески

В исходном положении уровня пола автобуса шток /5находится в среднем положении, при котором все клапаны закрыты, а пневмобаллоны подвески отключены от пневмосистемы автобуса и атмосферы.
При увеличении статической нагрузки на пол автобуса пневмобаллон подвески сжимается, а рычаг 3 поворачивает вал 2 с эксцентриком 16, который перемещает шток 15 вверх, открывая клапан 5 первой ступени. При этом сжатый воздух из пневмосистемы автобуса через жиклер 11 штуцера и клапаны 6 и 8 поступает в полость А и через ее боковое отверстие — к пневмобаллону подвески, повышая в нем давление и восстанавливая исходную высоту пола кузова, а рычаг 3 возвращается в исходное положение, и подача сжатого воздуха из пневмосистемы прекращается.
При большой нагрузке или резком ее возрастании эксцентрик 16 быстро поднимает шток 15 настолько, что клапан 5 первой ступени, поднимаясь, открывает своим торцом клапан 6 второй ступени. При этом обеспечивается более интенсивное поступление воздуха через открывающийся обратный клапан 8 и жиклер клапана 6 в пневмобаллон подвески, ускоряя восстановление исходной высоты пола кузова.
При уменьшении статической нагрузки на пол кузова расстояние между основанием кузова и балкой моста увеличивается, рычаг З с валом 2 поворачивается в обратную сторону, а эксцентрик 16 опускает шток /5 вниз. При этом верхний конец штока отходит от клапана 5 и полость А регулятора через отверстие в штоке и фильтре сообщается с атмосферой. Давление в пневмобаллонах падает, и пол кузова опускается в исходное положение, после чего шток регулятора и рычаг 3 устанавливаются в среднее (нейтральное) положение, и выпуск воздуха из пневмобаллонов прекращается.
Таким образом, в результате описанного регулирования давления воздуха в пневмобаллонах обеспечивается хорошая амортизация толчков и плавность хода автобуса, а также стабильное положение его пола относительно поверхности дороги независимо от количества пассажиров в кузове.
Список литературы
1. А.Г. Пузанков. Автомобили устройство и техническое обслуживание, учебник, 2006.
|