|
Курсовая работа на тему:
конструкция экипажной части тепловоза
Содержание
1. Общие сведения о конструкции экипажной части тепловоза
1.1. Рама тепловоза
1.2. Кузов
1.3. Тележка
2.Ремонт экипажной части
Список использованных источников
Спецификация
1. Общие сведения о конструкции экипажной части тепловоза
1.1 Рама тепловоза
Сварная рама передает тяговые усилия, тормозные силы, динамические и ударные нагрузки, воспринимает вес оборудования, размещенного в кузове тепловоза. Основные силовые элементы рамы - две хребтовые балки, выполненные из двутавров, верхняя и нижняя полки которых усилены приваренными полосами. Наружный контур рамы изготовлен из швеллера. Концы хребтовых балок соединены стяжными ящиками, отлитыми из стали. В ящиках размещены фрикционные аппараты ударно-тяговых устройств. Для придания необходимой жесткости раме хребтовые балки по всей длине связаны поперечными перегородками. Одновременно хребтовые балки соединены с обносным швеллером кронштейнами. Низ и верх рамы обшиты стальными листами с вырезами, обеспечивающими монтаж оборудования на раме. В передней части рамы имеется углубление для установки двухмашинного агрегата, а в задней - гидропривода вентилятора холодильника.
В средней части рамы расположен поддон для установки дизельгенераторов. Аккумуляторные ящики приварены к настилу рамы между обносным швеллером и хребтовыми балками. На нижний настил внутри рамы уложены кондуиты, в которые затягивают электрические кабели. Снизу рамы на специально усиленных местах приварены два шкворня, через которые передаются горизонтальные нагрузки от тележек тепловоза. Вокруг каждого шкворня расположены четыре опоры.
В зонах передней и задней пар опор установлены четыре опоры под домкраты.
Основные части кузова: кабина машиниста (для средних секций - тамбур), проставка, кузов над дизелем и холодильная камера. Наружная обшивка выполнена из стальных листов. Общая площадь кабины, уровень освещенности, интерьер, конфигурация передней и боковых стенок создают необходимые условия для работы локомотивной бригады, соответствующие современным требованиям промышленной эстетики и производственной санитарии. На внутреннюю поверхность обшивки кабины и заднюю стенку нанесен слой противошумной мастики.
Все стенки и потолок кабины обшиты алюминиевым перфолистом. Между наружной и внутренней обшивками кабины уложены шумоизолирующие пакеты. Кабина установлена на раму тепловоза и приварена к обносному швеллеру. Передние смотровые стекла установлены с наклоном вперед для частичного отражения прямых солнечных лучей. Смотровые стекла оборудованы светозащитными шторами, стеклоочистителями и устройством для обмыва. Прожектор установлен ниже уровня лобовых стекол, что способствует улучшению видимости пути в ночное время.
Рабочим местом машиниста и помощника является общий стол, на котором размещены пульт управления тепловозом и пульт радиостанции (рис. 1). В стол вмонтированы отопительно-вентиляционный агрегат, бытовой холодильник, ящик для инструмента и, кроме того, на столике помощника машиниста предусмотрены места для установки электроплитки.

Рис. 1. Общая компоновка оборудования в кабине машиниста:
1 - стеклоочиститель; 2,6 - светозащитные шторы; 3 - горловина бака для воды на обмыв лобовых стекол; 4 - люк вентиляционный; 5 - локомотивный светофор; 7 - рукоятка включения воды для обмыва стекол; 8 - пульт управления; 9 - подсветка скоростемера; 10 - скоростсмер; 11 - панель сигнальных ламп; 12 - кран машиниста; 13 - кран вспомогательного тормоза; 14 - клапан тифона и свистка; 15-кнопка маневровой работы; 16-блокировочное устройство тормоза; 17-стоп-кран; 18- клапан ЭПК; 19-педаль песочницы; 20 -выключатель «Калорифер»; 21 - выключатель «Управление»; 22-пульт радиостанции; 23-люк прожектора; 24-бытовой холодильник; 25- тумблер «Освещение стола»; 26 - лампа «Белый огонь»; 27 - подсветка стола; 28 - розетка бытовая.
Рабочим местом обслуживающего персонала, проводящего реостатные испытания средней секции, является тамбур с установленным в нем необходимым оборудованием. На боковых и торцовой стенках тамбура имеются окна для наблюдения при перемещении по деповским путям.
Расположение приборов на пульте управления крайней и средней секций показано на рис. 2 и 3.

Рис. 2. Расположение приборов, аппаратов и ламп на пульте управления и панели сигнальных ламп крайней секции:
1-электротермометр «Вода З»; 2, 3 - электротермометры «I Вода 2» ; 4 - электроманометр «2 Масло З»; 5-электроманометр «Масло I»: 6-указатель повреждений; 7-амперметр «Ток зарядки батарей»; 8-вольтметр «Напряжение генератора»; 9 - амперметр «Нагрузка генератора»; 10, 12- электротермометры «I Масло 2»; 11-тумблер «Насос топливный I»; 13 - кнопка «Запуск I»; 14 - тумблер «Насос топливный 2» ; 15 - кнопка «Запуск 2» ; 16 - тумблер «Насос топливный З»; 17 - электротермометр «Масло З»; 18-кнопка «Запуск З» ; 19 - манометр «Тормозные цилиндры»; 20- кнопка «Аварийная остановка»; 21 - манометр «Уравнительный резервуар»; 22 - манометр «Питательная и тормозная магистраль» ; 23-26-тумблеры «Буферные фонари: передний левый, передний правый, задний левый, задний правый»; 27, 28- тумблеры «Прожектор: Ярко. Тускло»; 29- тумблер «Освещение пульта: Тускло»: 30-лампа «Бдительность»; З1 - потенциометр «Пульт»; 32 - тумблер освещения «Зеленый свет»; 33 - кнопка «Бдительность»; 34-кнопка «АЛСН»: 35- тумблер «Бдительность»; 36 -тумблер «Фильтр»; 37-кнопка «Песок 1 ось»; 38 - кнопка «Отпуск тормоза»; тумблеры; 36 - «Освещение кабины»: 40 - «Адсорбер»; 41 - «Управление переходом»; 42 - «Давление масла 2-З» ; 43-«Вентилятор холодильника»: 44 - «Пожар 1-З» ; 45-«Жалюзи верхние»; 46-«Указатель повреждений 2-3»; 47 - «Холостой ход З»; 48 - «Указатель повреждений I»; 49 - «Жалюзи масла верхние»; 50-кнопка «Вызов помощника»; тумблеры: 51-«Жалюзи воды и верхние»; 52 - «Холостой ход П» ; 53- «Управление холодильником»; 54 - «Управление тепловозом»; 55 - штурвал контроллера; 56- рукоятка реверсора; 57- «Сброс нагрузки I»; 58- «Сброс нагрузки 2»; 59-«I Пожар З» : 60-«Сброс нагрузки З» ; 61 -«Пожар 2»; 62-«Давление в картере»; 63-«Работа дизеля 2»; 64 - «Обрыв тормозной магистрали»; 65-«Работа дизеля З»; 66-«Заторможено»; 67 - «Реле заземления»

31 30 29 28 27 26 25 24 23 22 21 20
Рис. 3. Расположение приборов и аппаратов на пульте управления средней секции:
1 - амперметр «Ток зарядки батарей»; 2 - указатель повреждений; 3 - вольтметр «Напряжение генератора»; 4 - амперметр «Нагрузка генератора»; 5-электроманометр «Масло дизеля»; 6-тумблер «Насос топливный»; 7- электроманометр «Масло»; 8 - кнопка «Запуск»; 9 - электроманометр «Вода»; 10-манометр «Тормозные цилиндры»; 11-кнопка «Аварийная остановка»; 12-манометр «Питательная и тормозная магистраль»; 13-16-тумблеры «Буферные фонари: передний левый, передний правый, задний левый, задний правый»; 17 - тумблер «Освещение кабины»; 18-тумблер «Освещение пульта» 19- лампа «Сброс нагрузки»; 20 - тумблер «t° масла 2» 21 - тумблер «t° воды 2» ; 22 - тумблер «Управление переходом»; 23-тумблер «Вентилятор холодильника» 24-тумблер «Жалюзи верхние»; 25-тумблер «Указатель повреждений»; 26-тумблер «Жалюзи масла и верхние»; 27 - тумблер «Жалюзи воды и верхние» ; 28 - тумблер «Управление холодильником»; 29-тумблер «Управление тепловозом»; 30-штурвал контроллера; 31- рукоятка реверсора; 32 - потенциометр «Пульт»
Скоростемер помещен в правом углу кабины. Между пультом управления и правой стенкой кабины расположены краны машиниста и вспомогательного тормоза. На правой стенке кабины установлены: блокировочное устройство тормоза, стоп-кран тормозной системы, кнопка маневровой работы, клапан тифона и свистка и электропневматический клапан. На задней стенке кабины установлены: привод ручного тормоза, откидное сиденье, блоки приемопередатчика радиостанции, переговорное устройство, автоматические выключатели, огнетушители и аптечка. Входная дверь расположена посередине задней стенки кабины.
Пол кабины выполнен из деревянных щитов, покрытых линолеумом. Под полом размещены блоки дешифратора и усилителя, блок питания радиостанции. Кабина машиниста оборудована системой проточной вентиляции. В пространстве между столом и передней стенкой кабины встроены песочные бункера, их заправочные горловины вынесены на наклонную поверхность лобовой обшивки кабины.
Проставка изготовлена из фасонных профилей, обшитых стальными листами. В крыше проставки имеется люк для выемки компрессора и двухмашинного агрегата. На крышке люка смонтирован вентилятор дизельного помещения. В боковых стенках проставки вмонтированы двери для входа в тепловоз. В передней части установлены две аппаратные камеры.
Кузов над дизелем состоит из двух частей. Нижняя часть приварена к главной раме. Верхняя часть - съемная. Разъем верхней и нижней частей кузова расположен на высоте 1000 мм от главной рамы. На крыше съемной части кузова предусмотрены три люка для ремонта и монтажа оборудования. Для демонтажа дизеля без съема кузова две балки над дизелем - съемные.
Каркас кузова выполнен из фасонных профилей. К каркасу снаружи приварены стальные листы обшивки. Внутренняя обшивка крепится к каркасу самонарезными винтами. В стенках кузова имеются проемы для установки воздушных фильтров дизеля, тягового генератора и тяговых электродвигателей.
Холодильная камера (рис. 4) является продолжением кузова тепловоза. На боковых стенках перед фронтом секций радиаторов на входе воздушного потока установлены жалюзи 11 и 14. Шахта холодильника образована передней и задней стенками камеры, наклонными боковыми стенками, соединенными сверху аркой. В шахте холодильника на арке установлен подпятник 4 вентилятора с обтекателем 5. Рабочее колесо 6 вентилятора вращается в диффузоре, представляющем собой круговой цилиндр, вваренный в крышу холодильной камеры. К верхней части диффузора в крыше камеры крепится рама жалюзи 7. Механизмы 1 и 2 привода жалюзи расположены на передней стенками холодильной камеры.
По периметру диффузора расположены четыре откидывающихся люка для перепуска подогретого воздуха в дизельное помещение. В наклонных стенках Шахты холодильника вмонтированы съемные монтажные люки 18. Привод вентилятора установлен в проходе, образованном наклонными стенками шахты.
На люке крыши, в районе выпускных труб дизеля, смонтирована система Осушки воздуха.

Рис. 4. Холодильная камера:
1,2 - привод боковых и верхних жалюзи; 3 - окно для перепуска теплого воздуха из шахты в дизельное помещение; 4 - подпятник колеса вентилятора; 5 - обтекатель; 6 - колесо вентилятора; 7 - жалюзи верхние; 8-люк вентиляционный: 9-коллектор верхний; 10- секции холодильника верхние; 11, 14 - жалюзи боковые верхние и нижние; 12 - арка; 13 - коллектор средний; 15 ~ секции холодильника нижние; 16 - коллектор нижний; 17 -- стенка наклонная; 18 - люк монтажный
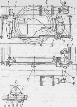
На тепловозе применена бесчелюстная трехосная тележка с одноступенчатым индивидуальным рессорным подвешиванием (рис. 5). Чтобы улучшить динамические характеристики экипажа, тяговые электродвигатели тележки развернуты в одну сторону. Рама тележки выполнена из двух сварных боковин 1 и 4 прямоугольного коробчатого сечения, трех междурамных креплений 20, концевой балки и шкворневой балки 10. К внешним плоскостям боковин приварены кронштейны гасителей колебаний 6. К нижним листам боковин приварены литые кронштейны 14 с трапециевидными вырезами для крепления поводков букс. К нижней полке боковины крепятся опоры пружин рессорного подвешивания.
На верхней полке приварены усиливающие накладки для крепления опорно-возвращающего устройства. К междурамным креплениям приварены литые кронштейны 18 подвески тяговых электродвигателей.
Шкворневая балка 10 в средней части имеет форму коробки, в которую устанавливается ползун, служащий для жесткой передачи горизонтальных продольных сил и упругой передачи горизонтальных поперечных сил. Внутри всех коробчатых элементов рамы тележки вварены ребра жесткости.
Опорно-возвращающее устройство. Каждая из четырех подвижных опор возвращающего устройства состоит из литого стального корпуса, внутри которого помещены подвижной механизм, включающий в себя верхнюю опору и цилиндрические ролики, удерживаемые обоймами. Нижняя опора фиксирована двумя штифтами и прикреплена к корпусу болтами. На верхнюю опору устанавливается набор резинометаллических элементов.
Для получения необходимых возвращающих сил и моментов трения, обеспечивающих устойчивое положение тележек под тепловозом и плавное вписывание экипажа в кривую, рабочие поверхности верхней и нижней опор имеют наклон к горизонтали. Корпус опоры прикреплен четырьмя болтами к верхним поверхностям боковин рамы тележки и зафиксирован цилиндрическим выступом нижней опоры.
Внутренняя полость корпуса заполнена осевым маслом и защищена от пыли и влаги брезентовым чехлом. Уровень масла в корпусе опорно-возвращающего устройства контролируется по заправочному отверстию.
Рессорное подвешивание. В систему рессорного подвешивания включено параллельно шесть независимых групп (по числу букс). Каждая группа состоит из двух одинаковых комплектов пружин 12 (см. рис. 5). В комплект в свою очередь входят три пружины: наружная, средняя и внутренняя. Конструкция пружинного комплекта рессорного подвешивания предусматривает возможность замены комплекта при поломке пружин без выкатки колесной пары из-под тепловоза (с помощью специальных стяжных технологических болтов и шайб). Для гашения колебания надрессорного строения параллельно пружинам включены шесть фрикционных гасителей колебаний.
Пару трения образуют стальная цилиндрическая поверхность поршня и фрикционный материал, закрепленный на поверхностях двух вкладышей. Расчетная сила трения обеспечивается предварительной затяжкой пружины гасителя колебаний. Перекосы штока поршня при работе компенсируются двумя сферическими шарнирами.

Рис. 5. Тележка:
1, 4- боковины; 2- кожух тяговой передачи; 3 - моторно-осевой подшипник; 5-узел буксовый; 6 - гаситель колебаний; 7 - устройство опорно-возвращающее; 8 - центр колесный; 9 - бандаж; 10- балка шкворневая; 11- подвеска; 12-комплект пружин; 13 - тяга; 14 - кронштейн; 15 - рычажная передача тормоза; 16 -поводок буксовый; 17 - цилиндр тормозной; 18 - кронштейн подвески тяговых электродвигателей; 19 - электродвигатель тяговый; 20 - крепление междурамное.
Буксовый узел. Корпус буксы представляет собой фасонную стальную отливку с кронштейнами для установки пружин рессорного подвешивания. Внутренняя полость корпуса расточена под наружные кольца буксовых подшипников. В корпусе буксы выполнены клиновидные пазы для крепления поводков буксы. В передней крышке буксы смонтирован осевой упор с пружиной, поджимающей упорный подшипник. Задняя крышка буксы уплотнена лабиринтным кольцом. Буксовый узел собран на двух роликовых подшипниках, между которыми установлены дистанционные кольца. В качестве осевого упора качения применен шарикоподшипник упорный. Одно кольцо упорного подшипника напрессовано на проточенную шейку оси колесной пары, а другое - на упор, который поджимается к шарикам пружиной.
В буксы крайних колесных пар установлены резиновые амортизаторы для компенсации перекосов и смягчения ударных нагрузок от оси на переднюю крышку буксы. В принципе конструкция букс средней и крайней колесных пар одинакова. Путем демонтажа амортизатора буксу крайней колесной пары можно переоборудовать под установку на среднюю колесную пару.
Поводок буксовый 16 (см. рис. 5) соединяет буксу с рамой тележки и передает ей горизонтальные, продольные и поперечные усилия. Корпус поводка представляет собой стальную отливку с двумя головками, имеющими цилиндрические отверстия, расточенные под втулки амортизаторов. Амортизаторы конструктивно образуются стальными втулками, запрессованными в головке поводка, резиновыми втулками и валиками с трапециевидными хвостовиками. К торцовым поверхностям корпуса поводка прикреплены торцовые амортизаторы.
Головки поводка и соответственно амортизаторы, и валики между собой имеют конструктивные различия. Головка поводка, крепящегося к раме тележки, и валик по своим линейным размерам больше головки и валика поводка, крепящегося к буксе. Амортизатор поводка большей головки состоит из двух резиновых втулок, разделенных стальным разъемным кольцом.
Колесная пара. Колесную пару тепловоза образуют два напрессованных на ось колесных центра с бандажами. Рабочие поверхности оси для повышения усталостной прочности и уменьшения износа накатаны. Структура стали оси контролируется ультразвуковой дефектоскопией, а состояние поверхности - магнитной дефектоскопией. В один торец оси в центровое сверление запрессовывается стальная втулка привода скоростемера. С противоположного торца на ось напрессована в нагретом состоянии ступица ведомого зубчатого колеса тяговой передачи с натягом 0,18-0,22 мм. Колесные центры изготовлены из стальной отливки и напрессованы на ось с натягом между посадочными поверхностями оси и центра0,18-0,3 мм. При напрессовке центров снимается диаграмма усилий.
На наружный диаметр центра в горячем состоянии до упора в бурт с натягом 1,3-1,6 мм насажен бандаж. В выточку бандажа заводится и закатывается бандажное кольцо. Сформированная колесная пара должна соответствовать требованиям Инструкции по освидетельствованию, ремонту и формированию колесных пар локомотивов и электросекций, утвержденной ЦТ МПС. При принудительном смазывании моторно-осевого подшипника для привода шестеренного насоса, подающего масло в моторно-осевой подшипник, на оси колесной пары установлена ведущая шестерня.
Тяговый редуктор. На тепловозе установлен одноступенчатый цилиндрический тяговый редуктор (рис. 6). Ведущая шестерня посажена на конусный хвостовик вала якоря тягового электродвигателя. Упругое зубчатое колесо состоит из посаженной на ось 4 ступицы 12, с буртом которой восемью призонными втулками 13 и восемью болтами 22 с корончатыми гайками 14 через шайбы скреплены тарелки 15 и 27. Между тарелками находится зубчатый венец 19, опирающийся на бурт ступицы 12 через девяносто роликов 30. Поверхность бурта ступицы под ролики сферическая, а зубчатого венца - цилиндрическая. Взаимное положение тарелок и ступицы заклеймено. К тарелкам прикреплены защитные кольца 29. Диаметральный зазор между венцом, роликами и ступицей составляет 0,4-0,6 мм.
Вращающий момент от венца к тарелкам передается восемью мягкими 16 и восемью жесткими 31 установленными через один упругими элементами. При этом элементы 16 в свою очередь установлены через один буртами по разные стороны венца, т.е. между венцом и каждой тарелкой равномерно по окружности расположены бурты четырех элементов 16, которые ограничивают осевое перемещение венца и сползание его с роликов. Все жесткие элементы 31 установлены буртами к колесному центру. В канавках втулок всех элементов поставлены пружинные кольца 21.
Тяговый редуктор защищен кожухом. Нижняя 2 и верхняя 3 половины кожуха скреплены между собой по лапам через дистанционные прокладки 9 четырьмя болтами 8 с корончатыми гайками 10 и крепятся к тяговому электродвигателю тремя болтами 11. Момент затяжки болтов 8 должен быть в пределах 245+49
Н * м (25+5
кгс * м), а болтов 11 - 1570+196
H * м (1604
"20
кгс • м). На обечайке верхней половины кожуха размещен сапун 5, а нижней половины - заливная горловина с пробкой 1. Уплотнением пробки служит резиновая прокладка. Нижняя кромка отверстия горловины является верхним уровнем смазки в кожухе. По разъему верхней половине приварены разновысокие накладки: наружные 17-фасонные и внутренние 20-плоские, между ними уложена резиновая трубка 18 и заложена смазка.

Рис. 6. Тяговый редуктор (двигатель ЭД118Б):
1- пробка заливной горловины; 2, 3 - половины кожуха нижняя и верхняя; 4 - ось колесной пары; 5-сапун; 6-электрический двигатель тяговый; 7 - шестерня ведущая; 8, 11, 22 - болты; 9 - прокладка; 10, 14- гайки; 12 - ступица; 13, 25 - втулки; 15, 27-тарелки; 16 -элемент упругий (мягкий); 17- накладка наружная; 18 - трубка резиновая; 19 - венец зубчатый; 20 - накладка внутренняя; 21 - кольца дружинные; 23 - отбойник; 24 - вкладыш; 26 - корпус электродвигателя; 28 - кольцо уплотнительное; 29 - кольцо; 30 - ролик; З1-элемент упругий (жесткий); 32 - кольцо войлочное.
Для предотвращения попадания смазки из моторно-осевого подшипника в кожух и наоборот вкладыш 24 и втулка 25 образуют лабиринтное уплотнение. Между корпусом электродвигателя 26 и кожухом имеется уплотнительное кольцо 28. Между кожухом и тяговым электродвигателем со стороны шестерни 7 уложено войлочное кольцо 32.
Моторно-осевой подшипник. Тяговый электродвигатель ЭД118А опирается на ось колесной пары через два разъемных моторно-осевых подшипника (рис. 7). Верхний вкладыш 24 устанавливается в прилив остова двигателя, а нижний 2, имеющий окно под пакет фитилей 15 смазывающего устройства, в корпус подшипника 16, который крепится к остову двигателя четырьмя болтами 20. От поворота вкладыши удерживаются шпонкой 22.

Рис. 7. Моторно-осевой подшипник:
1 - ось колесной пары; 2, 24 - вкладыши нижний и верхний; 3 - пружина пластинчатая; 4 - направляющая корпуса; 5 - прокладка; 6, 17, 20 - болты; 7 - корпус польстера; 8 - стержень; 9 - ось рычага: 10 - пружина; 11, 27 - крышка; 12 - фиксатор пружинный; 13 - масломер; 14 - пробка сливная; 15 - пакет фитилей; 16 - корпус подшипника; 18 - рычаг; 19 - коробка пакета фитилей; 21 - шайба пружинная; 22 - шпонка; 23 - остов тягового двигателя; 25 - шнур уплотнительный; 26 - уплотнение; 28 - скоба.
Внутренняя полость корпуса моторно-осевого подшипника служит ванной для заливки масла. Уровень масла контролируется по масломеру. Масло в места трения между вкладышами и осью подается с помощью пакета фитилей (польстера) смазывающего устройства. Корпус польстера 7 установлен и закреплен тремя болтами 17 на приливах в корпусе моторно-осевого подшипника.
В плоских направляющих 4 корпуса польстера 7 помещена коробка 19, в которой с помощью скоб 28 закреплен пакет фитилей 15. Пластинчатые пружины 3, приклепанные к польстерной коробке, обеспечивают плотное прижатие коробки к направляющим 4 и одновременно предотвращают перемещение коробки при вибрации.
Для исключения контакта коробки с шейкой оси в случае износа пакета фитилей коробка имеет заплечики, которые, упираясь в корпус 7, ограничивают ее ход по направлению к оси. Пружина 10 обеспечивает постоянное поджатие фитиля к шейке оси. Пакеты фитилей могут быть набраны как из хлопчатобумажных ламповых фитилей, так и каркасного войлока.
Тяговый электродвигатель ЭД118Б так же, как и ЭД118А, опирается на ось колесной пары через два моторно-осевых подшипника, состоящих из двух верхних вкладышей, установленных в прилив остова тягового двигателя, и двух нижних вкладышей, установленных в корпус 14 (рис. 8). Нижние вкладыши совместно с корпусом 14 составляют единый осевой подшипник 1, который крепится к остову тягового двигателя болтами 11. Единый осевой подшипник включает в себя две польстерные емкости (по одной для каждого моторно-осевого подшипника) и резервуар для масла. В резервуаре на крышке 20 установлен шестеренный насос 19, который приводится в действие от оси колесной пары с помощью шестерен 17 и 18. При движении тепловоза масло, нагнетаемое насосом 19, по системе каналов в осевом подшипнике поступает в польстерные емкости, откуда самотеком через окна во вкладышах проникает в зазор между шейкой оси колесной пары и вкладышем. Отработанное в подшипниках масло по каналам сливается в масляный резервуар, замыкая круг циркуляции. В момент трогания, когда насос не обеспечивает подачу достаточного количества масла для смазки моторно-осевых подшипников самотеком, подача масла производится с помощью пакетов фитилей, установленных в польстерных емкостях. Польстерное смазывающее устройство электродвигателя ЭД118Б по конструкции аналогично польстерному устройству электродвигателя ЭД118А.
Рычажная передача тормоза. В каждую группу передачи (по числу колесных пар) входят по два исполнительных органа (см. рис. 5) - тормозные цилиндры 17, установленные с наружной стороны боковины рамы тележки и работающие параллельно от одной воздушной магистрали, две пары колодок, рычаги, подвески -11, регулирующие тяги 13 и триангели. При заполнении сжатым воздухом тормозного цилиндра его шток, перемещаясь, воздействует на горизонтальный балансир, проходящий через отверстие в раме тележки. Балансир через верхнюю вилку и рычаг подвески 11 тормозной колодки прижимает колодку к бандажу колесной пары. Далее через нижний конец рычага, нижнюю тягу 13 усилие передается на рычаг подвески противоположной колодки. Установка тормозной колодки в рабочее положение относительно круга катания колеса обеспечивается конструкцией тормозной колодки и триангелями, соединяющими попарно рычаги подвесок тормозных колодок.


Рис. 8. Моторно-осевые подшипники с циркуляционной системой смазки:
1 - единый осевой подшипник; 2 - пробка заправочной горловины: 3 - пробка для контроля уровня смазки; 4, 20 - крышки; 5 - пружина; 6 - рычаг; 7-фиксатор; 8-коробка; 9 - пружина пластинчатая; 10 - направляющая корпуса; П. 13- болты; 12 - корпус польстера; 14 - корпус подшипника; 15 - пакет фитилей: 16 - пробки сливные; 17, 18 - шестерни; 19 - насос шестеренный; 21 - прокладка
Кроме пневматического привода, рычажная передача тормоза снабжена ручным приводом. Через вертикальный рычаг и винтовую передачу прижимаются тормозные колодки левой стороны второй и третьей колесных пар.
При осмотре крепления рукавов подвода воздуха к тяговым электродвигателям, чехлов опорно-возвращающего устройства, поводков, крышек осевых упоров букс, крышек и тяг гасителей колебаний, кожухов зубчатой передачи, подшипника осевого с корпусом тягового электродвигателя, крышки шестеренного насоса на всех видах технического обслуживания проверьте наличие на месте болтов, гаек, шайб и шплинтов. Проверьте надежность крепления болтов, гаек остукиванием легкими ударами молотка. Ослабшие соединения подтяните и застопорите.
При подтяжке крепления кожухов тяговой передачи сначала подтягивайте болты крепления половин кожухов между собой, затем болты крепления к корпусу тягового электродвигателя. Проверяя состояние пружин рессорного подвешивания, убедитесь в отсутствии изломов витков пружин и трещин в витках. При обнаружении изломов, трещин детали замените.
Проверку состояния подвесок тяговых электродвигателей производите в соответствии с инструкцией ВТЗ ТЭ.ОО.ОО.ООО.Д32.
Изломанные пружины рессорного подвешивания замените пружинами той же группы. Замена может быть произведена без выкатки колесной пары. Для этого оба комплекта на буксовом узле стяните технологическими болтами с шайбами, входящими в комплект ЗИП (на рис. 9 показаны тонкими линиями), отсоедините от буксы оба поводка и гаситель колебаний. Поджав домкратом через корпус буксы пружины с одной стороны буксы, освободите пружинный комплект с другой. Подготовленный пружинный комплект установите взамен снятого.
Для осмотра фрикционного гасителя колебаний снимите кожух 3 (см. рис. 9), измерьте толщину накладок 8, диаметр цилиндрической поверхности поршня 4. При разборке снимите с гасителя крышку 5, поршень в сборе с тягой 12, вкладыши и 27. Измерьте толщину накладок 8, зазор между тягой 12 и обоймой 9, высоту сухаря 10, высоту пружины 7, наружный диаметр поршня 4, ширину шпоночного паза вкладыша 21. Осмотрите наружную цилиндрическую поверхность поршня, при наличии местных выработок прошлифуйте. Осмотрите шаровую поверхность сухарей и обойм, в случае обнаружения задиров и местных выработок зачистите.
Детали, имеющие браковочные размеры, трещины и изломы, замените.
При осмотре песочной системы проверьте состояние и крепление песочных труб, отрегулируйте положение наконечников песочных труб относительно рельса и бандажа колесной пары так, чтобы они были от головки рельса на расстоянии 50-60 мм, от бандажа-20-40 мм и не касались тормозной передачи.

Рис. 9 Рессорное подвешивание.
1- гаситель колебаний фрикционный; 2 - комплект пружинный; 3-кожух; 4 -поршень; 5 -крышка; 6, 21- вкладыши; 7 - пружина; 8 - накладка; 9- обойма; 10- сухарь; 11 - амортизатор; 12 - тяга; 13 - шайба; 14 - гайка; 15- пластина; 16 - опора пружины верхняя; 17 -пружина средняя; 18 - пружина наружная; 19 - пружина внутренняя; 20-опора пружины нижняя.
Проверьте подачу песка под колеса. При необходимости прочистите форсунки песочниц и отрегулируйте подачу песка в пределах 1000 ±200 г/мин под каждое колесо. Регулируйте регулировочным болтом: для уменьшения подачи песка болт необходимо ввертывать, для увеличения - вывертывать.
Проверьте состояние тормозных колодок, предохранительных устройств, рычажной и воздушной систем тормоза, руководствуясь требованиями действующей Инструкции по ремонту и испытанию тормозного оборудования локомотивов и моторвагонного подвижного состава. Осмотрите тормозные колодки и при необходимости замените. Для замены колодок: разберите тягу, отодвиньте колодки с башмаками в стороны от колеса; извлеките чеки колодок, захватив головку каждой чеки ломиком или специальной вилкой, одновременно ударяя ручным молотком по ее нижнему концу; выньте тормозные колодки, поставьте новые, забейте чеки, соберите тягу и отрегулируйте выход штоков тормозных цилиндров.
При осмотре тяговой передачи снимите нижнюю половину кожуха, для чего выверните болты 11 (см. рис. 6) крепления нижней половины кожуха к корпусу тягового электродвигателя и болты 8 крепления половин кожуха между собой. Чтобы облегчить снятие половины кожуха, максимально сдвиньте ее к тяговому электродвигателю, предварительно сняв регулировочные прокладки между бонками кожуха и тяговым электродвигателем. Очистите кожух и осмотрите. В случае обнаружения трещин, а также неисправности уплотнений кожух отремонтируйте. Осмотрите зубчатую передачу и убедитесь в отсутствии трещин и предельного износа зубьев. При необходимости измерьте износ. Осмотрите детали упругой шестерни. Ослабление болтов 22, а также выпадание стопорных пружинных колец 21 упругих элементов с наружной стороны тарелок не допускается. Упругие элементы с выкрошившейся, расслоившейся, сползшей резиной или втулками замените, для чего колесную пару необходимо выкатить из-под тепловоза. Промойте шестерни и снятую половину кожуха. Поставьте половину кожуха на место. Затяните болты 8 с гайками 10, затем болты 11. Затяжка в обратном порядке не допускается. Заправьте смазкой в соответствии с приложением 1 «Карта смазки узлов тепловоза». Осмотрите буксы и крышки с наружной стороны для выявления трещин; проверьте состояние уплотнений букс (нет ли утечки смазки из корпуса буксы со стороны лабиринта и передней крышки). При ТР-2 снимите крышки и осмотрите буксу внутри в соответствии с требованиями Инструкции по содержанию и ремонту роликовых подшипников локомотивов и моторвагонного подвижного состава.
Для проверки состояния смазывающего устройства моторно-осевых подшипников электродвигателя ЭД118Б, слейте масло из польстерных емкостей и резервуара. Снимите крышку 20 (см. рис. 8) и проверьте крепление к ней шестеренного насоса. Проверьте крепление ведущей шестерни 17 привода насоса на оси колесной пары. Снимите крышки 4, выньте коробки 8 с пакетом фитилей 15. Осмотрите состояние механической части смазывающего устройства. Очистите от загрязнений масляный резервуар и польстерные емкости. Осмотрите шейки оси в зоне расположения пакета фитилей. Измерьте диаметральный зазор между осью колесной пары и вкладышем через масляный резервуар с торца вкладыша в рабочем положении колесно-моторного блока. Щуп должен проходить на глубину не менее 140 мм от торца вкладыша.
Очистите от загрязнений пакеты фитилей и промойте в чистом осевом масле при температуре 80-90 °С в течение 1 ч. Осмотрите состояние пакетов, при засаливании торец подрежьте, при необходимости фитили подтяните до чертежного размера. В случае замены фитилей на новые перед набивкой коробки войлок и фитили просушите при температуре 60-70 °С в течение 2-3 ч. Пакет фитилей, заправленный в очищенную коробку, пропитайте в осевом масле, применяемом для смазки моторно-осевых подшипников, при температуре 50- 60 °С в течение 2-3 ч, выньте из ванны и дайте возможность стечь излишкам масла в течение 15-20 мин. Рекомендуется пакет устанавливать в польстерную камеру непосредственно после пропитки. Допускается хранение пропитанных пакетов в чистой закрытой таре перед установкой их в польстерную камеру не более 1 ч.
При установке крышки с насосом в подшипник осевой обеспечьте сохранность ранее установленных прокладок.
При затянутых сливных пробках заправьте польстерные емкости по нижнюю кромку окна осевого подшипника, а резервуар - до кромки отверстия заправочной горловины в соответствии с приложением 1 к настоящей инструкции.
Контроль работы насоса в процессе эксплуатации осуществляйте с помощью пробки 2, установленной в заправочной горловине. Отсутствие вытекания смазки из отверстия при вывернутой пробке служит поводом для проверки исправности насоса.
Техническое обслуживание смазывающего польстерного устройства моторно-осевых подшипников электродвигателя ЭД118А аналогично техническому обслуживанию польстерного устройства электродвигателя ЭД118Б. Измерение зазора в моторно-осевом подшипнике (МОП) электродвигателя ЭД118А при эксплуатации производите через окно во вкладыше. Максимально допустимому зазору 2 мм соответствует прохождение щупа толщиной 1,8 мм на глубину 100 мм посередине окна вкладыша, при этом рекомендуется проверять зазор набором из пластин толщиной не более 0,6 мм каждая.
Учитывая значительную погрешность указанного метода замера в МОП, для точных замеров, связанных с браковкой, определяйте зазор только путем отдельного замера диаметров шейки оси колесной пары и внутреннего наименьшего диаметра вкладышей на собранном тяговом электродвигателе с затянутыми болтами крепления подшипников к остову. Данный замер производите при выпуске тепловозов из текущего ремонта ТР-3, а также одиночных выкатках колесно-моторных блоков.
Разборка тележки. Подготовьте тепловоз к выкатке тележек: отсоедините брезентовые рукава каналов охлаждения электродвигателей, очехление опорно-возращающих устройств и привод ручного тормоза, разъедините трубопроводы песочной и тормозной систем, отсоедините кабели тяговых электродвигателей, отсоедините привод скоростемера. Слейте смазку из опорно-возвращающих устройств, польстерных емкостей и резервуара моторно-осевых подшипников тяговых электродвигателей. Сожмите пружинные комплекты рессорного подвешивания технологическими болтами (см. рис. 9).
Поднимите на домкратах раму и кузов тепловоза до выхода шкворня из гнезда шкворневой балки и выкатите тележки. Установите выкаченную тележку на специальный стенд для разборки. Застопорите буксы колесных пар от проворачивания и осевого смещения. Снимите соединительные брезентовые рукава с каналов охлаждения тяговых электродвигателей и очехление опорно-возвращающих устройств.
Отсоедините предохранительные тросы, расшплинтуйте и снимите винтовые тяги 11 рычажной передачи тормоза (рис. 10).
Снимите кожуха 3 (см. рис. 9) гасителей колебаний, крышки 5, пружины 7 и вкладыши 6. Расшплинтуйте, отверните гайки 14, отсоедините тяги 12 от крышек букс и выведите поршни 4 с тягами из корпусов гасителей колебаний. Отсоедините тяги от поршней. С помощью отжимного болта выведите вкладыши 21 из кронштейнов гасителей.

Рис. 10. Схема рычажной передачи тормоза:
1, 12 - рычаги подвесок тормозных колодок; 2 - колодка тормозная; 3 - цилиндр тормозной; 4- балансир ручного тормоза; 5-стяжка; 6-вилка верхняя; 7-триангель; 8-балансир горизонтальный; 9 - шток тормозного цилиндра; 10 - трос; 11 - тяга; 13 - скоба; 14 - охранная труба; 15- втулка; 16- гайка; 17 - пружина.
Расконтрите и выверните болты крепления нижних поводков к раме и буксам, а также болты крепления верхних поводков к буксам. Выведите с помощью приспособления (рис. 11) поводки из гнезд рамы и букс. Поднимите раму тележки, переставьте ее на стенд для окончательной разборки. Отверните болты крепления верхних поводков к раме тележки, выведите поводки из гнезд.
Расконтрите и выверните болты крепления опорно-возвращающих устройств. Снимите опорно-возвращающие устройства с рамы тележки.
Последовательной разборкой шарнирных узлов снимите все детали рычажной передачи тормоза. Разберите соединения тормозного трубопровода и отсоедините его от рамы тележки и тормозных цилиндров. Гайки крепления отверните и снимите тормозные цилиндры. Расшплинтуйте и выньте валики узла подвески тяговых двигателей, выньте стержни пружинной подвески. Комплект пружин сожмите, снимите подвеску, после чего отверните гайки стяжных болтов и полностью разберите подвеску.

Рис. 11. Букса поводковая, приспособление для демонтажа поводков:
1-кольцо лабиринтное; 2, 16-болты; 3, 9-крышки задняя и передняя; 4-корпус буксы; 5, 8 - роликовые подшипники; 6, 7 - кольца дистанционные; 10 - кронштейн; 11 - шариковый подшипник упорный; 11, 17 - кольца; 13-упор; 14-амортизатор; 15- пружина: 18 - пробка отверстия для пополнения консистентной смазки в буксу; 19 - нитка шелковая; 20, 27 - шайбы наружная и внутренняя; 21-торцовый амортизатор; 22 - штифт; 23 - втулка; 24-полукольцо упорное разъемное;25-валик короткий; 26-поводок; 28 - втулка резиновая; 29-валик длинный; 30 - полукольцо дистанционное
Ремонт подвесок тяговых электродвигателей производите в соответствии с инструкцией ВТЗ ТЭ.ОО.ОО.ООО.Д32.
При необходимости смену одного колесно-моторного блока на скатоопускном устройстве выполняйте в следующем порядке:
1) ослабьте болты крепления крышки осевого упора буксы примерно на 20 мм;
2) отсоедините тормозную продольную винтовую тягу от рычагов и охранных тросов;
3) отсоедините гаситель колебаний от крышки буксы;
4) отсоедините верхний поводок от буксы, а нижний - от рамы тележки (или совсем его снимите);
5) стяните технологическими болтами с шайбами пружинные комплекты рессорного подвешивания;
6) отсоедините электрические кабели тягового электродвигателя;
7) отсоедините рукава подвода воздуха для охлаждения тягового электродвигателя;
8) стяните болтами подвеску тягового электродвигателя;
9) выкатите колесно-моторный блок.
При выкатке колесно-моторного блока не допускайте потери регулировочных прокладок во избежание нарушения регулировки рессорного подвешивания.
Разборка колесно-моторного блока. Установите колесно-моторный блок на подставку колесной парой вверх (допускается разборка в рабочем положении). Расшплинтуйте и выверните болты 11 (см. рис. 6), затем расшплинтуйте и отпустите гайки 10. Снимите кожух и слейте из него смазку. Очистите от загрязнений, промойте и осмотрите. При наличии трещин в кожухах заварите их, поправьте стенки и накладки. Проверьте расстояние между боковыми стенками кожуха (должно быть 164 + 2,5 мм) и расстояние между внутренними накладками верхней половины кожуха (должно быть более или же равно 160мм).
Снимите крышку 20 (см. рис. 8), отсоедините шестеренный насос, снимите сетку 18 (рис. 12). Расшплинтуйте и выверните болты 25. Снимите кожух б, шестерню 13, отсоедините клапанную коробку 21 от корпуса 14. Очистите, промойте и осмотрите все детали. Про верьте корпус насоса и клапанную коробку на наличие трещин, при необходимости замените. Осмотрите шестерни насоса, при наличии сколов и трещин в зубьях замените. Проверьте суммарный торцовый зазор между торцами шестерен насоса и торцом клапанной коробки с помощью свинцовой пластины, устанавливаемой между клапанной коробкой и торцами шестерен. Разрешается восстановление до чертежного размера путем пришабровки торца клапанной коробки к корпусу насоса, при этом плотность прилегания по краске должна быть не менее 90%. Проверьте радиальный зазор между зубчатыми венцами шестерен насоса и его корпусом, допускается восстановление до чертежного размера путем нанесения полуды на корпус насоса. Проверьте диаметральный зазор между валиками шестерен и бронзовыми втулками, при наличии овальности валиков допускается их шлифовка. Втулки, ослабшие в посадке в корпусе насоса, а также изношенные по внутреннему диаметру, замените новыми. Запрессуйте втулки в корпус насоса с натягом 0,005-0,095 мм, после чего произведите развертку их внутреннего диаметра. Осмотрите шестерни привода насоса, при наличии изломов или трещин в зубьях, вмятин на поверхности каждого зуба площадью более 50 мм2
и глубиной более 0,4 мм, износа по толщине зубьев более 2,0 мм, покрытия более 25% поверхности коррозийными язвами шестерни замените.

Рис. 12. Насос шестеренный:
1-пробка; 2-кольцо уплотнительное; 3 - штифт; 4- шарик; 5-седло; 6 - кожух: 7-гайка; 8-шайба стопорная; 9, 12 - оси; 10 - шпонка: 11, 16 - втулки; 13, 19 - шестерни ведомая и ведущая; 14 - корпус насоса; 15-винт; 17, 23 - проволока; 18- сетка; 20 - шестерня ведомая; 31-коробка клапанная; 22, 25- болты; 24 - шайба.
После осмотра детали промойте и соберите насос. Установите собранный насос на крышку подшипника осевого и закрепите болтами.
Снимите крышки 4 (см. рис. 8), выньте пакеты фитилей польстерного устройства. Очистите от загрязнений механическую часть, промойте фитили и войлок, как описано выше.
Отсоедините и снимите подшипник осевой 1, придерживая верхние вкладыши от выпадания. Очистите от загрязнений и промойте польстерные емкости и резервуар керосином и протрите безворсовыми салфетками. Снимите колесную пару и нижние вкладыши. Обмойте колесную пару и отремонтируйте в соответствии с Инструкцией МПС по освидетельствованию и ремонту колесных пар. Осмотрите состояние шеек оси колесной пары, при обнаружении задиров отремонтируйте. Осмотрите состояние зубьев и проверьте надежность крепления ведущей шестерни шестеренного насоса на оси колесной пары.
Остучите легкими ударами молотка по нерабочей поверхности вкладыши моторно-осевых подшипников, при обнаружении трещин замените комплектно и расточите. Профиль расточки рабочих поверхностей вкладышей приведен на рис. 13, вариант 1. При отсутствии в депо необходимой оснастки допускается расточка вкладышей по варианту 2. Выпуск из ремонта колесно-моторных блоков с вкладышами, имеющими расточку, не соответствующую приведенной на рисунке, не допускается. Осмотрите состояние уплотнений вкладышей и при необходимости замените войлок.

Рис. 13. Профиль расточки вкладыша.
Проверьте диаметральный зазор между вкладышами моторно-осевых подшипников и шейкой оси колесной пары. Зазор определяйте как разность замеров диаметра вкладышей в средней их части и диаметра шейки оси колесной пары. Проверьте суммарный осевой разбег тягового электродвигателя на оси колесной пары путем замеров расстояния между втулками на колесной паре и торцами буртов вкладышей, установленных на тяговом электродвигателе.
Для предотвращения забоин шеек оси (при снятых МОП), шейки под моторно-осевые подшипники закройте накладками.
Разборку и ремонт буксового узла производите в соответствии с требованиями Инструкции по содержанию и ремонту узлов с подшипниками качения локомотивов и моторвагонного подвижного состава.
Расшплинтуйте и отверните гайки 14 (см. рис. 6), выньте болты 22 из втулок 13. Снимите стопорные пружинные кольца 21 с упругих элементов 16, 31 (с наружных сторон тарелок 15, 27). Проверьте наличие меток (клейм и стрелок) взаимного положения тарелок и ступицы, в случае отсутствия нанесите метки. Вверните четыре технологических болта в соответствующие отверстия (предназначенные для съема) тарелки 27 и отожмите тарелку болтами от ступицы 12. Снимите тарелку и повесьте ее на среднюю часть колесной пары. Снимите стопорные пружинные кольца 21 (со всех упругих элементов), расположенные между снятой тарелкой 27 и зубчатым венцом 19. Вывесьте зубчатый венец 19 тросом на кране или тали и, слегка покачивая венец 19, выберите ролики 30 (при этом не допускайте их падения и соударения). Снимите зубчатый венец (вместе с мягкими упругими элементами) и сдвиньте его к средней части оси, снимите оставшиеся стопорные кольца с мягких упругих элементов и выньте элементы с зубчатого венца. Выньте жесткие упругие элементы с тарелки 15. Тарелку 15 и втулки 13 демонтируйте только в случае необходимости их ремонта или замены.
Работавшие ролики 30 раскомплектовывать не рекомендуется. В случае необходимости рекомендуется заменять комплектно на новые. При необходимости единичной замены допускается подобрать из числа работавших, при этом диаметр ролика не должен выходить за пределы фактических диаметров роликов в комплекте. Равномерность роликов по диаметру должна быть не более 0,05 мм в комплекте.
Разборка опорно-возвращающего устройства. Отверните болты 7 (рис. 14). Снимите крышку 6, резинометаллические элементы 12, опоры 8, 5, обойму 17 вместе с роликами 3. Отверните болты 19 и отсоедините опору 2 от корпуса 1.
Промойте детали в чистом керосине (кроме резинометаллических элементов). Комплекты резинометаллических элементов проверьте на прессе. Нагружайте плавно, без рывков, при достижении нагрузки 107,8±0,49 кН (11 000±50) кгс выдержите в течение 3 мин, - после чего замерьте в трех местах через 120 °. Высота комплекта должна быть в пределах 261 + 7 мм. На одну тележку устанавливайте элементы с разностью по размеру К (см. рис. 14) не более 1 мм. Размер К выдерживайте подбором регулировочных шайб 14. Наибольшая толщина регулировочных шайб 7 мм. Контролируйте до установки на тележку. К эксплуатации допускаются резинометаллические элементы, имеющие отслоение резины по окружности не более 50%.

Рис. 14. Опорно-возвращающее устройство:
1 – корпус; 2,5,8,13 – опоры; 3 – ролик; 4 – втулка; 6 – крышка; 7,19 – болты; 9 – хомут; 10 – рама тепловоза; 11 – стакан; 12 – элемент резинометаллический; 14 – шайба регулировочные; 15 – чехол; 16,18 – пробки; 17 – обойма; 20 – рама тепловоза.
Сборка тележки. Перед сборкой все детали должны быть очищены от загрязнений, осмотрены на предмет обнаружения трещин, проверены в соответствии с таблицей допускаемых размеров, при необходимости отремонтированы или заменены новыми.
Сборка колесно-моторного блока. Перед сборкой колесно-моторного блока убедитесь в том, чтобы зубчатая пара тяговой передачи не была распарована.
Примечание. При сборке ранее работавших тяговых зубчатых передач сохраняйте их спаренность. При необходимости распаровывания (по неисправности шестерни колесной пары) старогодные зубчатые колеса и шестерни подбирайте в пары с наиболее близкими по величине износами зубьев. Колесные пары с новыми зубчатыми колесами комплектуйте только с новыми шестернями, а при отсутствии последних со старогодными шестернями, имеющими износ зубьев не более 0,5 мм.
При установке ведущей шестерни на вал тягового электродвигателя проверьте по краске плотность прилегания сопрягаемых поверхностей вала электродвигателя и шестерни. Общая площадь прилегания должна быть не менее 75% площади каждой из сопрягаемых поверхностей. Нагрейте шестерню до температуры 150-170 °С. Установите шестерню на вал электродвигателя; наверните гайку крепления шестерни и после остывания затяните ее усилием 490 Н (50 кгс) на плече 1000 мм. Предохранительную шайбу загните в прорези шестерни в двух местах. Осевой натяг между посадочными поверхностями шестерни и вала должен быть 1,35-1,45мм.
Соберите зубчатое колесо, для чего в отверстия тарелки 15 (см. рис. 6), оставшейся на ступице, поставьте равномерно, через одно отверстие, восемь элементов жестких 31 буртовой втулкой к тарелке. В отверстия венца, через одно, вставьте восемь элементов мягких 16. Последние, через один, ставьте буртовыми втулками по разные стороны полотна венца (см. сечения А-А и В-В). В канавки безбуртовых втулок всех мягких элементов со стороны средней втулки вставьте стопорные кольца 21 (с внутренней стороны тарелки 15).
Зубчатый венец 19 краном или талью поставьте на место, пространство между венцом и буртом ступицы заполните смазкой УТ-1 и вставьте 90 роликов 30. В канавки безбуртовых втулок всех жестких элементов со стороны венца 19 (с внутренней стороны тарелки 15} установите стопорные кольца 21.
Снятую тарелку ставьте на место, посадка осуществляется болтами 22 после совмещения меток взаимного положения тарелки и ступицы. Установите остальные кольца 21.
Сборку буксовых узлов на оси колесной пары производите в соответствии с Инструкцией по содержанию и ремонту узлов с подшипниками качения локомотивов и мотор-вагонного подвижного состава.
Установите тяговый электродвигатель моторно-осевыми подшипниками вверх. Смажьте смазкой ЖРО сопрягаемые поверхности корпуса электродвигателя и осевого подшипника, уложите в расточку корпуса электродвигателя нижние вкладыши, затем смажьте осевым маслом шейки оси колесной пары и опустите ее на вкладыши. Уложите на ось верхние вкладыши, установите и закрепите подшипник осевой. Установите и закрепите крышку в сборе с насосом шестеренным в подшипник осевой, обеспечив сохранность ранее установленных прокладок. Пропитайте пакеты фитилей моторно-осевых подшипников в осевом масле, как описано выше, установите в польстерные емкости, закройте и закрепите крышки. Установите нижнюю половину кожуха тягового редуктора, регулируя ее положение по отношению редуктора прокладками. При этом зазор между стенками кожуха и шестернями должен быть не менее 8 мм. Установите с теми же зазорами верхнюю половину кожуха. Окончательно затяните и зашплинтуйте болты 8 (см. рис. 6), затем затяните и застопорите болты 11, при этом зазор между кромками отверстия горловины кожуха и цилиндрической поверхностью колесного центра должен быть не менее 1,5 мм. Проверьте, чтобы вращающиеся части не касались кожуха.
После окончательной сборки колесно-моторного блока заправьте смазкой тяговый редуктор, польстерные емкости и резервуар для масла в соответствии с картой смазки тепловоза настоящего руководства.
Перед заправкой кожуха тяговой передачи смазку, при необходимости, подогрейте до 50 °С в ванне с горячей водой. Запрещается разогрев смазки на электроплите или открытым пламенем.
Обкатайте колесно-моторный блок на испытательном стенде.
Установка поводков на раму тележки. Заведите верхние поводки в зевы кронштейнов рамы тележки, затяните крепежные болты и застопорите их от проворачивания к кронштейну вязальной проволокой. Момент затяжки болтов 150 Н • м (15 кгс • м).
Установка пружинной подвески тяговых электродвигателей. Установите пружину между обоймами, сожмите комплект стяжными болтами до размера между наружными поверхностями обойм 304 мм. После этого поставьте подвески тяговых электродвигателей в кронштейны рамы тележки, вставьте направляющие стержни и зафиксируйте их валиками. Зашплинтуйте валики. Отверните гайки стяжных болтов до обеспечения зазора между гайкой и обоймой не менее 5 мм.
Сборка и установка опорно-возвращающего устройства. Соберите опору 2 (см. рис. 14) с корпусом 1 и установите на раму тележки. Пробки на корпусе должны быть наружу тепловоза, а риски на корпусе опоры и на опорном кольце рамы тележки должны совпасть. Затяните и зашплинтуйте гайки крепления опоры к раме тележки. Проверьте корпус опоры на герметичность керосином. Появление керосина на наружных поверхностях после 40-минутного испытания не допускается.
Смажьте осевым маслом трущиеся поверхности деталей опорно-возвращающего устройства (кроме резинометаллических элементов). Наденьте на ролики 3 обоймы 17 и установите в корпус.
Уложите на ролики опоры 5 и 8. Установите и закрепите крышку 6. Комплекты резинометаллических элементов устанавливайте перед спуском рамы тепловоза на тележки.
Сборка воздушного трубопровода и рычажной передачи тормоза. Смажьте шарнирные звенья рычажной передачи, манжеты тормозных цилиндров и другие трущиеся поверхности. Установите на кронштейны рамы тележки тормозные цилиндры и закрепите их.
Привалочная поверхность тормозных цилиндров должна равномерно соприкасаться с поверхностью кронштейна. Допускаются местные зазоры не более 0,2 мм на радиусе 30 мм от оси шпилек крепления тормозного цилиндра. Местные зазоры по остальной привалочной поверхности не более 0,5 мм.
Установите рычаги 1 и 12 подвесок тормозных колодок (см. рис. 10), горизонтальные балансиры 8, верхние вилки 6, стяжки 5, триангели 7. Элементы рычажной передачи с кронштейнами рамы тележки и элементы рычажной передачи между собой соединяйте валиками с постановкой шайб и шплинтов (винтовые тяги 11 и тросы 10 устанавливают после спуска рамы тележки на колесные пары). Установите трубопроводы тормозной системы на раму под скобы поддержек. Соедините трубопроводы между собой и со штуцерами тормозных цилиндров. Закрепите скобы поддержек.
Сборка рамы тележки с колесно-моторными блоками. Установите колесные пары в сборе с электродвигателями на стенд. Поддомкратьте электродвигатели и выставьте их под углом 17° к горизонтальной плоскости. Застопорите буксы от проворачивания и установите на них комплекты пружин в сборе с опорами и пластинами.
Установку пружин соответствующих групп и регулировку рессорного подвешивания производите в соответствии с инструкцией № 2ТЭ116.30.30.002Д50.
Опускайте раму тележки на колесные пары, одновременно домкратами опускайте носики тяговых электродвигателей до входа в зевы кронштейнов электродвигателей пружинных подвесок. Проверьте правильность посадки на место пружин рессорного подвешивания. Заведите верхние поводки в зевы букс и закрепите предварительно болтами.
Выверните технологические болты. Установите нижний поводок в гнездо буксы и закрепите предварительно болтами. Заведите второй валик поводка в гнездо рамы тележки. Закрепите окончательно поводки и застопорите болты от проворачивания вязальной проволокой. Момент затяжки болтов 150 Н • м (15 кгс • м). Проверьте зазор между хвостовиком поводка и дном паза буксы и рамы тележки. Установите тросы 10 и тяги 11 (см. рис. 10).
Отрегулируйте предварительно зазор между тормозными колодками и бандажом. Зазор должен быть 7 ±2 мм. Проверьте гнездо шкворня на плотность керосином. После выдержки в течение 20 мин появление керосина на наружной поверхности не допускается. Снимите крышки технологические с нагнетательного канала электродвигателей. Установите сетки и соединительные фланцы, а также соединительные брезентовые рукава на каналы охлаждения тяговых электродвигателей и очехление опорно-возвращающих устройств.
Сборка фрикционного гасителя колебаний. Смажьте смазкой ЖРО трущиеся поверхности обойм 9 (см. рис. 9) и сухарей 10 (попадание смазки на трущиеся поверхности поршней 4 и накладок 8 не допускается). Соберите поршни 4 с тягами 12, установите на тяги обоймы 9, сухари 10, амортизатор 11, шайбы 13. Затяните гайки 14 верхних сферических шарниров тарированным ключом с моментом 50-60 Н • м (5-6 кгс • м) и зашплинтуйте.
В корпусах на раме тележки установите фиксирующие шпонки и вкладыши 21. Заведите сверху через отверстие в корпусах гасителя собранные узлы поршня и соедините тяги 12 с кронштейнами буксы аналогично соединению тяг с поршнем. Поставьте вкладыши 6, пружины 7, крышки 5, кожухи 3 и закрепите.
Перед подкаткой тележки под тепловоз заправьте корпус опорно-возвра-щающего устройства и шкворневой узел смазкой согласно карте смазки тепловоза настоящего руководства.
Регулировка тормозной рычажной передачи. Регулировку тормозной рычажной передачи (см. рис. 10) по мере износа колодок (или после их замены) производите продольной регулировочной тягой 11, т.е. удлинением или укорачиванием за счет винтовой пары. По мере износа тормозных колодок регулируйте выход штоков тормозных цилиндров. Он должен быть в пределах 55- 120 мм в эксплуатации и 55-60 мм при выпуске из депо.
Для уменьшения выхода штоков укоротите тормозную тягу. Для этого снимите пружины 17, отведите скобы 13 и навинчиванием на тягу охранной трубы 14 и гайки 16 (вначале трубу, а потом гайку) укоротите тягу, установив требуемый выход штока. При выходе штока на 55 мм зазор между бандажом колеса и тормозной колодкой при полностью отпущенном тормозе должен быть 7 мм. После регулировки установите скобы 13, для чего грани гаек расположите в одинаковой плоскости так, чтобы скобы их охватили. Пружины 17 должны удерживать скобы в положении контровки гаек.
Список использованных источников
1. Ремонт тепловозов. Рахматулин М.Д. Изд. 3-е, перераб. и доп. М., ''Транспорт'', 1977. 447 с.
2. Ремонт механического оборудования тепловозов: Скепский В. П., Скуев В.Б. Учеб. для ПТУ железнодорожного транспорта. – М.: Транспорт, 1991. – 183 с.: ил. табл.
3. Тепловоз ТЭ10М. Руководство по эксплуатации. М.: Транспорт, 1985. 421 с.
4. Ремонт тепловозов. Норкин Я. А., Вождаев И. Н. и др. Изд. 3-е, перераб. и доп. М., ''Транспорт'', 1974, с. 1-320.
|