Банк рефератов содержит более 364 тысяч рефератов, курсовых и дипломных работ, шпаргалок и докладов по различным дисциплинам: истории, психологии, экономике, менеджменту, философии, праву, экологии. А также изложения, сочинения по литературе, отчеты по практике, топики по английскому.
Полнотекстовый поиск
Всего работ:
364139
Теги названий
Разделы
Авиация и космонавтика (304)
Административное право (123)
Арбитражный процесс (23)
Архитектура (113)
Астрология (4)
Астрономия (4814)
Банковское дело (5227)
Безопасность жизнедеятельности (2616)
Биографии (3423)
Биология (4214)
Биология и химия (1518)
Биржевое дело (68)
Ботаника и сельское хоз-во (2836)
Бухгалтерский учет и аудит (8269)
Валютные отношения (50)
Ветеринария (50)
Военная кафедра (762)
ГДЗ (2)
География (5275)
Геодезия (30)
Геология (1222)
Геополитика (43)
Государство и право (20403)
Гражданское право и процесс (465)
Делопроизводство (19)
Деньги и кредит (108)
ЕГЭ (173)
Естествознание (96)
Журналистика (899)
ЗНО (54)
Зоология (34)
Издательское дело и полиграфия (476)
Инвестиции (106)
Иностранный язык (62791)
Информатика (3562)
Информатика, программирование (6444)
Исторические личности (2165)
История (21319)
История техники (766)
Кибернетика (64)
Коммуникации и связь (3145)
Компьютерные науки (60)
Косметология (17)
Краеведение и этнография (588)
Краткое содержание произведений (1000)
Криминалистика (106)
Криминология (48)
Криптология (3)
Кулинария (1167)
Культура и искусство (8485)
Культурология (537)
Литература : зарубежная (2044)
Литература и русский язык (11657)
Логика (532)
Логистика (21)
Маркетинг (7985)
Математика (3721)
Медицина, здоровье (10549)
Медицинские науки (88)
Международное публичное право (58)
Международное частное право (36)
Международные отношения (2257)
Менеджмент (12491)
Металлургия (91)
Москвоведение (797)
Музыка (1338)
Муниципальное право (24)
Налоги, налогообложение (214)
Наука и техника (1141)
Начертательная геометрия (3)
Оккультизм и уфология (8)
Остальные рефераты (21692)
Педагогика (7850)
Политология (3801)
Право (682)
Право, юриспруденция (2881)
Предпринимательство (475)
Прикладные науки (1)
Промышленность, производство (7100)
Психология (8692)
психология, педагогика (4121)
Радиоэлектроника (443)
Реклама (952)
Религия и мифология (2967)
Риторика (23)
Сексология (748)
Социология (4876)
Статистика (95)
Страхование (107)
Строительные науки (7)
Строительство (2004)
Схемотехника (15)
Таможенная система (663)
Теория государства и права (240)
Теория организации (39)
Теплотехника (25)
Технология (624)
Товароведение (16)
Транспорт (2652)
Трудовое право (136)
Туризм (90)
Уголовное право и процесс (406)
Управление (95)
Управленческие науки (24)
Физика (3462)
Физкультура и спорт (4482)
Философия (7216)
Финансовые науки (4592)
Финансы (5386)
Фотография (3)
Химия (2244)
Хозяйственное право (23)
Цифровые устройства (29)
Экологическое право (35)
Экология (4517)
Экономика (20644)
Экономико-математическое моделирование (666)
Экономическая география (119)
Экономическая теория (2573)
Этика (889)
Юриспруденция (288)
Языковедение (148)
Языкознание, филология (1140)

Курсовая работа: Проектирование связного радиопередатчика с частотной модуляцией

Название: Проектирование связного радиопередатчика с частотной модуляцией
Раздел: Рефераты по коммуникации и связи
Тип: курсовая работа Добавлен 11:09:27 19 июля 2009 Похожие работы
Просмотров: 1471 Комментариев: 19 Оценило: 2 человек Средний балл: 5 Оценка: неизвестно     Скачать

Министерство образования Российской Федерации

УРАЛЬСКИЙ ГОСУДАРСТВЕННЫЙ ТЕХНИЧЕСКИЙ УНИВЕРСИТЕТ

КАФЕДРА ВЧСРТ

Проектирование связного радиопередатчика с частотной модуляцией

КУРСОВОЙ ПРОЕКТ

ПОЯСНИТЕЛЬНАЯ ЗАПИСКА

200700 000000 006 ПЗ

Подпись Дата Ф.И.О.

Руководитель_________________________

Студент _

Группа Р-485

Номер зачетной книжки 09712506

Екатеринбург, 2005г.


ЗАДАНИЕ НА ПРОЕКТИРОВАНИЕ

Спроектировать связной радиопередатчик с частотной модуляцией (№13).

Характеристики передатчика:

1. Р1макс = 500 Вт

2. f = 150 ¸ 160 МГц

3. WФ = 50 Ом

4. Шаг сетки частот 12,5 кГц

5. Питание сетевое – 220 В, 50 Гц


Содержание

Задание на проектирование

Содержание

Перечень условных обозначений и символов

Введение

Основная часть

1. Выбор и обоснование структурной схемы передатчика

2. Расчет оконечного каскада

2.1 Выбор транзистора

2.2 Расчет коллекторной цепи выходного каскада

2.3 Расчет входной цепи оконечного каскада

2.4 Расчет согласующего устройства входной цепи

2.5 Конструктивный расчет ТДЛ

2.6 Расчет схемы сложения мощностей

3. Расчет фильтра гармоник

4. Расчет ГУНа

4.1 Выбор основных параметров и активного элемента

4.2 Расчет автогенератора

4.3 Расчет элементов колебательного контура

4.4 Расчет цепи автосмещения

4.5 Расчет частотного модулятора

5. Описание синтезатора частоты

Заключение

Приложение А. Полная электрическая схема

Приложение В. принципиальная схема оконечного каскада и цепи связи

Приложение С. Конструкция усилительного модуля ОК

Библиографический список

Перечень условных обозначений, символов, единиц и терминов

АМ – амплитудная модуляция

АЧХ – амплитудно-частотная характеристика

РПУ – радиопередающее устройство

Rн – сопротивление нагрузки

ЕК – напряжение источника питания

дБ – децибел

ТЗ – техническое задание

ОК – оконечный каскад

ТДЛ – трансформаторы на длинных линиях

ЦС – цепь связи с фидером

ЧМ – частотная модуляция

Введение

Связные РПУ с частотной модуляцией проектируются для работы на одной фиксированной частоте или в диапазоне частот. В первом случае рабочая частота стабилизируется кварцевым резонатором, а для генерации ЧМ колебаний могут быть использованы как прямой метод управления частотой, так и косвенный. Структурная схема передатчика с использованием прямого метода ЧМ изображена на рис.1.

Рис.1. Структурная схема передатчика с прямой ЧМ

Модулирующее напряжение UW подается на варикап, с помощью которого модулируется по частоте кварцевый автогенератор (КГ). Кварцевый генератор работает на частотах 10–15 МГц, затем его частота умножается в n раз до рабочего значения, сигнал подается на усилитель мощности (УМ) и через цепь связи в антенну.

Косвенный метод ЧМ основан на преобразовании фазовой модуляции (ФМ) в частотную при помощи введения в схему интегрирующего звена, т. е. фильтра низких частот (ФНЧ). Структурная схема передатчика с использованием косвенного метода получения ЧМ изображена на рис.2.

Рис.2. Структурная схема передатчика с использованием косвенного метода ЧМ

В качестве возбудителя диапазонного передатчика с ЧМ используется синтезатор сетки дискретных частот, ведомый генератор которого управляется двумя варикапами (рис.3).

Рис.3. Структурная схема ЧМ передатчика с синтезатором частоты

На варикап VD1 подается модулирующее напряжение UW , на варикап VD2 – управляющее напряжение системы фазовой автоподстройки частоты (ФАПЧ). Разделение функций управления объясняется тем, что девиация частоты под влиянием модулирующего сигнала относительно невелика (3–5 кГц) в сравнении с диапазоном перестройки ведомого генератора (ГУН) управляющим сигналом с выхода системы ФАПЧ. Поэтому варикап VD1 связан с колебательным контуром ГУНа значительно слабее, чем VD2. Шаг сетки частот на выходе передатчика в зависимости от рабочего диапазона может быть 5; 10; 12,5; 25 кГц.

Для повышения устойчивости необходимо, чтобы мощный оконечный усилитель как можно меньше влиял на работу ГУНа, поэтому производят их развязку по частоте введением в структуру передатчика умножителя частоты. В таком случае шаг сетки синтезатора уменьшается в n раз, где n - коэффициент умножения частоты умножителя.

В данном курсовом проекте проведен анализ диапазонного передатчика ЧМ. В пояснительной записке представлены электрические расчеты оконечного каскада, цепи связи с фидером, автогенератора и частотного модулятора, приведены конструктивные расчеты оконечного каскада и цепи связи с фидером. К пояснительной записке прилагаются чертежи с изображениями полной электрической схемы и конструкцией оконечного каскада передатчика.


Основная часть

1. Выбор и обоснование структурной схемы передатчика

Исходя из технического задания, нужно спроектировать схему связного передатчика с ЧМ, работающего в некотором диапазоне частот. При этом данный передатчик должен обеспечивать выполнение всех характеристик, которые от него требуются по ТЗ, а так же быть как можно более простым, малогабаритным и дешевым.


В качестве общей структурной схемы выберем схему с прямым получением ЧМ и с синтезатором частоты.

Рис.4. Структурная схема ЧМ передатчика

Модулирующий сигнал от микрофона усиливается в УНЧ. Далее осуществляется ограничение амплитуды, которое предотвращает увеличение девиации частоты за заданные пределы при ЧМ. ФНЧ, выполненный на интегрирующей RC-цепочке, ограничивает спектр сигнала до 3,5 кГц. Модулирующий сигнал, усиленный и прошедший цепи коррекции поступает на варикап ГУНа, где производится частотная модуляция несущего колебания.

ГУН выполним по схеме Клаппа, его центральная частота управляется с помощью второго варикапа, на который управляющий сигнал подается с цифрового синтезатора частоты, реализованного на микросхеме КФ1015ПЛ3А [8], описание которой приведено в конце данной пояснительной записки.

Работа ГУНа происходит по сигналу опорной частоты – МГц, задаваемой кварцевым генератором. Для шага сетки частот 6,25 кГц (до умножителя частоты) коэффициент деления опорной частоты составляет, при этом пределы коэффициента деления тракта программируемого делителя частоты составляют от до Эти коэффициенты задаются посредством контроллера.

Промодулированный сигнал после ГУНа поступает на умножитель частоты (умножение в два раза), который переводит его в рабочий диапазон и, кроме этого, производит усиление. Далее сигнал усиливается в предварительных и предоконечном усилителях до уровня, необходимого для работы оконечного каскада. Оконечный каскад реализован в виде четырех идентичных модулей, выполненных по двухтактной схеме, причем схемы деления и сложения мощности от отдельных блоков, а также трансформации сопротивлений выполнены на отрезках длинных линий.

На выходе передатчика стоит ФНЧ, который подавляет уровень внеполосного излучения до заданного. Согласно ГОСТу этот уровень составляет -60 дБ для данной рабочей полосы и излучаемой мощности. Сигнал с ФНЧ поступает на фидерную 50-омную линию и далее в антенну.

Начнем расчет оконечного каскада с выбора рабочего транзистора.


2. Расчет оконечного каскада

2.1 Выбор транзистора

Оконечный каскад построен по модульному принципу со сложением мощностей от отдельных модулей. Каждый модуль представляет собой двухтактную схему. Количество модулей выбрано исходя из того, что, во-первых, оно должно быть четным – для удобства реализации схемы сложения и деления мощностей; во-вторых, должны существовать транзисторы, реализующие мощность отдельного модуля. Количество модулей должно быть минимальным.

Как правило, для генерации заданной мощности в нагрузке в определенном диапазоне частот можно подобрать целый ряд транзисторов. Из группы транзисторов нужно выбрать тот, который обеспечивает наилучшие электрические характеристики усилителя мощности.

Коэффициент полезного действия каскада связан с величиной сопротивления насыщения транзистора - rнасВЧ. Чем меньше его величина, тем меньше остаточное напряжение в граничном режиме и выше КПД генератора.

Коэффициент усиления по мощности КР зависит от ряда параметров транзистора: коэффициента передачи тока базы – b0 , частоты единичного усиления f т и величины индуктивности эмиттерного вывода LЭ . При прочих равных условиях КР будет тем больше, чем выше значение b0 , f T и меньше LЭ .

Исходя из этих условий, выбираем транзистор 2Т971А, имеющий следующие параметры:

Параметры идеализированных статических характеристик

Сопротивление насыщения транзистора на высокой частоте rнас ВЧ =0,15 Ом

Коэффициент усиления по току в схеме с ОЭ на низкой частоте (f →0) βо =8

Сопротивление материала базы 0,1 Ом

Высокочастотные параметры

Граничная частота усиления по току в схеме с ОЭ f т =570 МГц

Барьерная емкость коллекторного перехода Ск = 200 пФ

Индуктивность вывода эмиттера 0,18 нГн

Индуктивность вывода базы 0,56 нГн

Индуктивность вывода коллектора 0,1 нГн

Допустимые параметры

Предельное напряжение на коллекторе Uкэ доп = 50 В

Обратное напряжение на эмиттерном переходе Uбэ доп = 4 В

Постоянная составляющая коллекторного тока Iко. доп = 17А

Максимально допустимое значение коллекторного тока Iк. макс. доп =30А

Диапазон рабочих частот 50 –200 МГц

Тепловые параметры

Максимально допустимая температура переходов транзистора tп.доп =160 ºС

Тепловое сопротивление переход – корпус Rпк =0,6 ºС/Вт

Энергетические параметры

Pн = 150 Вт

Рвх =50 Вт

Ек =24 В

h=55–84%

Кр =3–9

Режим работы – класс В.


Оценим мощность Р1 , которую должен отдавать один транзистор, исходя из следующих параметров:

КПД выходного трансформатора –

КПД фильтрующей системы –

КПД устройства сложения мощностей –

количество модулей в схеме сложения – М = 4

количество транзисторов в модуле – m = 2

Вт – мощность модуля,

Вт – мощность одного транзистора в модуле.

2.2 Расчет коллекторной цепи выходного каскада

Расчет коллекторной цепи проводится по методике, изложенной в [1], для одного из транзисторов двухтактной схемы, работающего в критическом режиме с углом отсечки – Q=90° (класс В). При данном угле отсечки отсутствуют нечетные гармоники тока коллектора 3, 5 и высшего порядков, а четные гармоники компенсируются при сложении колебаний от двух плеч двухтактной схемы. Исходные данные для расчета следующие:

Вт – колебательная мощность транзистора,

В – напряжение питания коллектора,

– коэффициенты Берга при Q=90°,

rнас ВЧ =0,15 Ом – сопротивление насыщения транзистора,

Iко. макс. доп = 17А – предельный постоянный ток коллектора.


1. Амплитуда первой гармоники напряжения на коллекторе в критическом режиме

В

2. Максимальное напряжение на коллекторе при заданном Ек

В

3. Амплитуда первой гармоники коллекторного тока

А

4. Постоянная составляющая коллекторного тока и КПД

А;

5. Мощность, рассеиваемая на коллекторе транзистора

Вт

6. Сопротивление коллекторной нагрузки (для одного транзистора)

Ом


7. Блокировочная емкость

Поскольку оконечный каскад должен работать на 50-омный фидер, то сопротивление коллектора требует трансформации. Стандартный ряд трансформации сопротивлений 1/9;1/4;4/9. Для данной схемы этот коэффициент составит:

,


получили стандартное отношение NTR = 1/9 , тогда можно применить стандартную схему согласования активного элемента с нагрузкой с помощью ТДЛ.

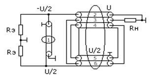
Рис.5. ТДЛ с коэффициентом трансформации 1:3 по напряжению.

Здесь W = 16,5Ом. В дальнейшем проведем преобразование этой схемы к схеме ТДЛ для двухтактного каскада (введем симметрирующую линию).

Расчет конструктивных особенностей ТДЛ будет приведен ниже. Принципиальная схема представлена в Приложении В.

Перейдем к расчету входной цепи оконечного каскада.


2.3 Расчет входной цепи оконечного каскада

Расчет входной цепи проведем по методике, изложенной в [1]. В широкодиапазонных двухтактных генераторах при работе транзисторов с углом отсечки θ=90º (класс В) важно, чтобы в импульсах ток перекосов не было так, как при этом отсутствуют нечетные гармоники (3ω, 5ω,…) устранение перекосов в импульсах достигается включением шунтирующего добавочного сопротивления Rдоп между выводами базы и эмиттера транзистора. Сопротивление Rдоп выбирают так, чтобы выровнять постоянные времени эмиттерного перехода в закрытом и открытом состояниях.

Для расчета входной цепи потребуются следующие параметры транзистора 2Т971А:

1. Амплитуда тока базы

А,

где

2. Добавочное сопротивление и сопротивление ОС

3. Максимальное обратное напряжение на эмиттерном переходе

В

4. Постоянные составляющие базового и эмиттерного токов

5. Напряжение смещения на эмиттерном переходе

6. Значения , ,,


рис.6. Схема замещения входной цепи

7. Резистивная и реактивная составляющие входного сопротивления транзистора (Zвх=Rвх + jXвх)

8. Входная мощность

9. Коэффициент усиления по мощности

2.4 Расчет согласующего устройства входной цепи

Расчет входной цепи в предыдущем пункте показал, что входное сопротивление транзистора отличается от сопротивления коллекторной нагрузки. А поскольку на входе оконечного каскада используется аналогичная схема трансформации сопротивлений на длинных линиях (для распределения мощности по модулям), то необходимо включить во входную цепь согласующее устройство, которое бы преобразовало входное сопротивление транзистора () до значения сопротивления коллекторной нагрузки. Для этих целей подойдет узкополосная Г-образная согласующая схема. Рассчитаем ее элементы:

– требуемая добротность схемы;

– элементы схемы согласования;

После данного согласования на входе двухтактного усилителя можно поставить ТДЛ, аналогичный выходному (см. рис. 7), но являющийся его зеркальным отображением (можно без симметрирующей линии).

Полная принципиальная схема оконечного каскада представлена в Приложении В.

2.5 Конструктивный расчет ТДЛ

Трансформатор на выходе оконечного каскада (см. рис.7) предназначен для согласования низкоомного выходного сопротивления оконечного каскада (5,46 Ом) со стандартным волновым сопротивлением 50 Ом. Для решения этой задачи подойдет схема с коэффициентом трансформации по сопротивлению 1/9. Она имеет следующие параметры:


Рис.7. ТДЛ для двухтактного каскада

– волновое сопротивление симметрирующей линии,

волновое сопротивление линий 2,3,6 (см. рис.7):

волновое сопротивление линий 4,5 (см. рис.7):

– сопротивление нагрузки,

– мощность в нагрузке (от двухтактной схемы).

Симметрирующую линию выполним на отдельном ферритовом кольце, а основные линии на одном кольце и с одинаковым количеством витков.

1. Амплитуда напряжения и тока в нагрузке, напряжение генератора

2. Напряжение, продольное напряжение и ток в линиях (см. рис.7.)

– на всех линиях;

– ток во всех линиях;

– напряжения на линиях.

3. Требуемая индуктивность линий

– для всех линий

где a1 =0,1 – коэффициент, учитывающий неравномерность АЧХ ТДЛ (взят из табл. 5.1 [2] для фильтра первого порядка исходя из допустимой нерав6омерности АЧХ на f н ТДЛ)

4. Выбор кабеля (табл. 3.3 в [1])

Марку кабеля выберем исходя из требуемого волнового сопротивления линий, которое составляет 16,5 Ом и 8,25 Ом, с возможным отклонением не более чем на 10–20% в обе стороны. Выбираем полосковый кабель РП18-5-11 с волновым сопротивлением и полосковый кабель РП9-5-11 с волновым сопротивлением .



Рис.8а. Поперечное сечение полоскового кабеля РП18-5-11

Рис.8б. Поперечное сечение полоскового кабеля РП9-5-11


– КБВ линии (должно быть не ниже 0,8..0,9),

– КБВ линии (должно быть не ниже 0,8..0,9).

Рассчитаем максимально допустимые ток и напряжение для всех линий (данные берутся из табл. 4.2 в [2]):

Параметры кабеля:

диэлектрическая проницаемость фторопласта ;

геометрические размеры кабелей в поперечном сечении указаны на рис.8а и 8б.

4. Геометрические размеры линий

q = 30° – допустимая электрическая длина линии;

с – скорость света;

– геометрическая длина линий.

5. Выбор феррита

Марку феррита выберем по данным табл. 3.4 в [1]. В мощных устройствах используются материалы с малой магнитопроницаемостью, но с большой добротностью Q, а так же исходя из условия обеспечения теплового режима. Этим требованиям удовлетворяет феррит 50ВНС

Параметры феррита:

m = 50;

при B=0,001 T и f=30 MГц.

Рассчитываем максимальную Bf раб :

6. Выбираем конструкцию трансформатора и сердечников

Трансформатор выполним по многовитковой конструкции (геометрическая длина кабелей позволяет это сделать), причем верхние и нижние линии будут выполнены на одном сердечнике, а симметрирующая линия будет наматываться на отдельный феррит. Внутренний диаметр ферритовых сердечников d1 и d2 должен быть таким, чтобы была возможность сделать несколько витков для каждой линии.

необходимый минимальный объем сердечника для симметрирующей линии;

необходимый минимальный объем сердечника для основных линий;

Выберем размеры сердечника из стандартных значений, приведенных в табл. 4.4 в [2]:


–для симметрирующей,

– для основных линий.


Рассчитаем число витков: для симметрирующей линии

;


для основных линий

Периметр колец по внутреннему диаметру: – симметрирующее и – основное;

Кабель занимает на симметрирующем кольце – на основном –, т.е. данные кольца подходят.

Уточним полученную продольную индуктивность для симметрирующей и основных линиях соответственно:

Поскольку LПР1 значительно больше LПР.ТР , то можно уменьшить длину симметрирующей линии и число витков. Возьмем число витков равным 3, тогда длина линии составит 81 мм. Ферритовое кольцо оставим прежним.

Так как LПР2 намного больше LПР.ТР , то можно уменьшить длину основных линий и число витков. Возьмем число витков равным 2, тогда длина линии составит 80 мм. Ферритовое кольцо оставим прежним.

Амплитуда магнитной индукции для – симметрирующей линии;

– основных линий;

Схема удовлетворяет всем требованиям.

7. Тепловые потери в ферритах и КПД трансформатора

–удельные тепловые потери в феррите симметрирующей линии;

–удельные тепловые потери в феррите основных линий;

мощность потерь в феррите симметрирующей линии по всему объему;

мощность потерь в основном феррите по всему объему;

– КПД трансформатора.

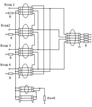
2.6 Расчет схемы сложения мощностей

Для сложения мощностей четырех идентичных модулей будем использовать мостовую схему суммирования по току от 4-х генераторов (см. рис. 9). Для использования в схеме оконечного каскада преобразуем данную схему путем введения дополнительных фазокомпенсирующих линий и дополнительных балластных сопротивлений (см. рис. 10).


рис.9. Схема моста сложения по току для четырех генераторов


рис. 10. Преобразованная схема сложения мощности от четырех генераторов с повышающим трансформатором

Недостатком данной схемы является то, что она понижает входное сопротивление в N раз, где N – число модулей, поэтому придется на выходе схемы суммирования поставить трансформатор, который поднимет выходное сопротивление до первоначального уровня.

В преобразованной схеме все линии имеют волновое сопротивлениеравное R, все балластные сопротивления равны R, R = 50 Ом.

Для схемы сложения мощностей достаточно провести расчет трансформатора от одного модуля, поскольку все они одинаковые. Расчет повышающего трансформатора так же проведем в данном разделе.

Сначала рассчитаем схему сложения мощностей. Расчет ведем, предполагая, что у нас аварийный режим, т.е. работает только один генератор.

Исходные данные для расчета:

RН = 12,5 Ом; RБ = 50 Ом;

– мощность в нагрузке (мощность 4 двухтактных схем)

1. Амплитуда напряжения и тока в нагрузке и в линии

– напряжение в нагрузке;

– ток в нагрузке;

– напряжение генератора;

– напряжение на линии;

– ток в линии;

2. Требуемая индуктивность основной линии

3. Выбор кабеля (табл. 3.3 в [1])

Марку кабеля выберем исходя из требуемого волнового сопротивления линий, которое составляет 50 Ом, с возможным отклонением не более чем на 10–20% в обе стороны.

Выбираем коаксиальный кабель РК-50-06-21 с волновым сопротивлением .

– КБВ трансформатора (должно быть не ниже 0,8..0,9)

Параметры кабеля:

диэлектрическая проницаемость фторопласта ;

геометрические размеры кабеля в поперечном сечении указаны на рис.11.

4. Геометрические размеры линии

q = 20° – допустимая электрическая длина линии;

с – скорость света;


– геометрическая длина линии.

рис. 11. Геометрические размеры кабеля РК50-06-21

5. Выбор феррита

Марку феррита выберем из табл. 3.4 в [1], исходя из того, что в мощных устройствах используются материалы с малой магнитной проницаемостью и с большой добротностью Q, а так же исходя из условия обеспечения теплового режима. Этим требованиям удовлетворяет феррит 50ВНС.

Параметры феррита:

m = 50;

при B=0,001 T и f =30 MГц.

6. Конструкция трансформатора и сердечника

Конструкция трансформатора определяется длиной линии и гибкостью кабеля. При длине линии 7,2 см подходит одновитковая конструкция. Внутренний диаметр ферритового сердечника d должен превышать диаметр линии, т.к. в одном кольце будет проходить сразу три линии (четыре для балластных сопротивлений). Выберем его из стандартных значений, приведенных в табл. 4.4 в [2]: .

Внешний диаметр ферритового сердечника D определяется из условия: Bfраб <Bfmax , а Lпр не должна быть ниже Lпр.треб .

внешний диаметр ферритового сердечника найдем как

Из табл. 4.5 в [2] находим размеры стандартных ферритовых сердечников. Удобно использовать трубчатые ферритовые сердечники, т.к. это упрощает конструкцию:

– внешний диаметр и высота трубки ферритового сердечника;

– число ферритовых трубок.


Рис.12. Трубка ферритового сердечника


По известным конструктивным параметрам сердечника определим Bfраб и Lпр и сравним эти значения с допустимыми.

Поскольку LПР значительно больше LПР.ТР , то можно уменьшить длину линии и число колец. Возьмем число колец равным 3, тогда длина линии составит 36 мм.

Как видно из расчетов схема удовлетворяет всем требованиям.

7. Тепловые потери в феррите и КПД трансформатора

– удельные тепловые потери в феррите;

– мощность потерь в феррите по всему объему;


– КПД трансформатора.

Основная и фазокомпенсирующие линии имеют одинаковые геометрические размеры, выполняются на одинаковых кабелях и вставляются в одно ферритовое кольцо (см. рис. 10).

Теперь проведем расчет повышающего трансформатора. Трансформатор выполним по схеме трансформации напряжения 1:2, но т.к. при этом ZC 1 должно быть равным 25 Ом, а нам нужно, чтобы , тогда включим по две линии параллельно (рис. 10).

Исходные данные для расчета:

RВХ = 12,5 Ом; RН = 50 Ом;

– мощность в фидере.

1. Амплитуда напряжения и тока в нагрузке и в линии

– напряжение в нагрузке;

– ток в нагрузке;

– напряжение генератора;

– ток в линиях;

– напряжение на линиях;

– продольное напряжение на верхних линиях, на фазокомпенсирующей оно равно нулю.


2. Требуемая индуктивность линий

–для основной линии,

где a1 =0,1 – коэффициент, учитывающий неравномерность АЧХ ТДЛ (взят из табл. 5.1 [2] для фильтра первого порядка исходя из допустимой нерав6омерности АЧХ на f н ТДЛ)

3. Выбор кабеля (табл. 3.3 в [1])

Марку кабеля выберем исходя из требуемого волнового сопротивления линий, которое составляет 50 Ом, с возможным отклонением не более чем на 10–20% в обе стороны.

Выбираем, как и в предыдущем случае, коаксиальный кабель РК-50-06-21 с волновым сопротивлением . Параметры кабеля приведены выше.

4. Геометрические размеры линий

q = 20° – допустимая электрическая длина линий;

с – скорость света;

– геометрическая длина линий.

Геометрические размеры кабеля указаны на рис.11.

5. Выбор феррита

Марку феррита выберем, как и для схемы сложения мощностей – 50ВНС.

Параметры феррита: m = 50; при B=0,001 T и f =30 MГц.

6. Конструкция трансформатора и сердечника

Выберем одновитковую конструкцию (аналогичную вышерассчитанной). Внутренний диаметр ферритового сердечника d должен примерно в два раза превышать диаметр линии, т.к. сквозь кольцо пропустим две линии. Выберем его из стандартных значений, приведенных в табл. 4.4 в [2]: .

Внешний диаметр ферритового сердечника D определяется из условия: Bfраб <Bfmax , а Lпр не должна быть ниже Lпр.треб .

внешний диаметр ферритового сердечника найдем как

Из табл. 4.5 в [2] для трубчатых ферритовых сердечников находим:

– внешний диаметр и высота трубки ферритового сердечника;

– число ферритовых трубок (см. рис 12).

По известным конструктивным параметрам сердечника определим Bfраб и Lпр и сравним эти значения с допустимыми.


Поскольку LПР значительно больше LПР.ТР , то можно уменьшить длину линии и число колец. Возьмем число колец равным 3, тогда длина линии составит 36 мм.

Как видно из расчетов схема удовлетворяет всем требованиям.

7. Тепловые потери в феррите и КПД трансформатора

– удельные тепловые потери в феррите;

– мощность потерь в феррите по всему объему;

– КПД трансформатора.

Основные и фазокомпенсирующие линии имеют одинаковые геометрические размеры и выполняются из одинаковых кабелей.


Рассчитали выходную часть ОК, а именно отдельные усилительные модули, выполненные по двухтактной схеме, схемы симметрирования и преобразования выходного сопротивления, а также схему сложения мощностей от четырех синфазных генераторов. Схему деления мощности, которая распределяет ее на усилительные модули, выполним точно так же, как и схему сложения, при условии ее зеркального отображения.

Данный оконечный каскад позволяет получить заданную по ТЗ мощность в нагрузке, но для этого он должен получать на входе каждого модуля мощность равную 22 Вт, т.е. предоконечный каскад должен генерировать мощность порядка 100 Вт. Такую задачу можно реализовать, используя одну двухтактную схему усиления на транзисторах КТ970А. Данный транзистор может обеспечить максимальную мощность 100 Вт в нагрузке. Используя его на половинную мощность (50 Вт), что увеличивает надежность работы всего каскада, получим от двухтактного генератора 100 Вт, что нам и необходимо. Для передачи общей мощности в нагрузку, т.е. в ОК можно использовать ТДЛ, аналогичную вышерассмотренной.

Транзистор КТ970А может обеспечить усиление по мощности в 4–13 раз, значит, реально мы можем получить усиление в данном каскаде в 8–9 раз, а значит, мощность на входе предоконечного каскада должна быть равной 10–12 Вт. Такую мощность можно получить от усилителя (предварительного), выполненного на одном транзисторе, например на 2Т934В, который обеспечивает мощность 25 Вт. Используя его на половинную мощность, чтобы увеличить надежность, получим те самые 12–13 Вт в нагрузке, т.е. в предоконечном усилителе. Коэффициент передачи по мощности данного транзистора составляет 5–15, что вполне достаточно, т.к. в этом случае на вход предварительного усилителя будет поступать сигнал мощностью в 1 Вт.

Автогенератор может реально выдавать мощность порядка 5 – 15 мВт, т.е. необходимо поставить еще несколько усилительных звеньев, которые смогут повысить мощность автогенератора до 1 Вт (на входе предварительного усилителя). Выполним эту задачу включив последовательно два однотипных усилительных каскада, построенных по схеме с ОЭ, каждый из которых обеспечит усиление сигнала по мощности в 10 раз. В качестве активных элементов в этих каскадах используем транзисторы КТ606А и КТ3102А

С помощью пяти усилительных звеньев (ОК, предоконечного каскада и предварительных усилителей) можно получить необходимую по ТЗ мощность в нагрузке –500 Вт.

В данном проекте не рассматривается расчет предоконечного и предварительных каскадов.


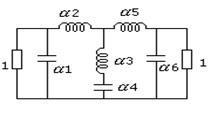
3 Расчет фильтра гармоник

Для обеспечения фильтрации высших гармоник после ОК ставится фильтр, который подавляет уровень внеполосного излучения до заданного значения. Согласно ГОСТу этот уровень составляет -60 дБ для данной рабочей полосы и излучаемой мощности. Чтобы добиться такого подавления в заданной по ТЗ полосе частот (150 – 160 МГц) используем в качестве фильтра оптимальный фильтр гармоник (фильтр Лондона) [6], исходя из следующих соображений:

- оэффициент перекрытия в поддиапазоне составляет

;

- сопротивление на входе фильтра и сопротивление нагрузки равно 50 Ом;

- гарантированное затухание 2-ой гармоники частоты f Н – 60,4 дБ;

- максимальный коэффициент отражения в полосе пропускания – 0,0487;

- нормирование элементов производят к нижней частоте –


Рис. 13. Схема фильтра гармоник

Из [6] выбираем нужный оптимальный фильтр.

g АS , дБ a1 a2 a3 a4 a5 a6
1,1 60,4 3,44 0,315 0,0233 9,60 0,315 3,44

Проводим денормирование:

g АS , дБ С1 , пФ L2 , нГн L3 , нГн C4 , пФ L5 , нГн C6 , пФ
1,1 60,4 73 16,72 1,24 204 16,72 73

Перейдем к расчету ГУНа и частотного модулятора.


4. Расчет ГУН

4.1 Выбор основных параметров и активного элемента

ГУН имеет две регулировки частоты: регулировка частоты по диапазону (управляющее напряжение в этом случае поступает с синтезатора сетки дискретных частот) и модуляция частоты сигналом. Регулировки производятся с помощью двух варикапов.

Диапазон частот, в котором работает ГУН лежит от 75 до 80 МГц, т.к. после него идет умножитель частоты сигнала в два раза, т.е.


Мощность, которую должен развивать ГУН в нагрузке примем равной 10 мВт.

Рис.14 Схема ГУН с частотным модулятором

На рисунке 14 представлена принципиальная схема ГУНа, расчет которой приведен ниже.

Для упрощения расчета автогенератора выберем безынерционный транзистор для частоты автоколебаний, например, КТ340Б.

Параметры транзистора:

Проверим, можно ли пренебречь инерционностью этого транзистора в данных условиях. Для этого необходимо выполнение условия:

,

где f – частота генерируемых колебаний, fS – граничная частота транзистора по крутизне.

Граничная частота транзистора по крутизне определяется выражением:

где распределённое сопротивление базы rБ берется из справочника, а крутизна статической проходной характеристики S0 :

температурный потенциал перехода  Т :

.

Подставляя рассчитанные величины в начальную формулу, получим:

.

Таким образом, транзистор в данном случае можно считать безынерционным устройством.

4.2 Расчет автогенератора

1. Задаемся фактором регенерации G = 5;

2. Берем коэффициенты Берга из справочника:

3. Определяем первую гармонику ток коллектора

4. Напряжение на коллекторной нагрузке автогенератора

5. Сопротивление коллекторной нагрузки

6. Выберем коэффициент использования по напряжению

7. Напряжение питания выберем стандартное ЕК =12В ;

8. Мощность, подводимая к автогенератору


9. Рассеиваемая на коллекторе мощность

10. Коэффициент обратной связи

11. Напряжение обратной связи

12. Входное сопротивление автогенератора

13. Постоянная составляющая тока базы

14. Смещение на базе

4.3 Расчет элементов колебательного контура

Задаемся величинами и КПД контура , тогда – добротность нагруженного контура;

1.Коэффициент включения контура в коллекторную цепь

2.Реактивное сопротивление между коллектором и эмиттером


3. Реактивное сопротивление между базой и эмиттером

4. Реактивное сопротивление между базой и коллектором

Сопротивление R3 входит в контур и поэтому шунтирует его, чтобы этого не происходило нужно взять его величину значительно большей, чем сопротивление коллекторной нагрузки, т.е. выбираем R3 =2,8кОм.

4.4 Расчет цепи автосмещения

– проверка условия отсутствия прерывистой генерации;

Выбор блокировочных элементов:

4.5 Расчет частотного модулятора

Параметры сообщения:

где m – индекс модуляции,

Df девиация частоты на выходе передатчика, тогда

– ширина спектра радиочастот передаваемого сигнала;

– диапазон изменения частоты ГУНа;

– средняя частота автогенератора;

– девиация частоты на выходе автогенератора.

Расчет частотного модулятора по сигналу

Расчет ведем исходя из следующих величин:

– добротность нагруженного контура;

– напряжение питания;

– емкость контура автогенератора;

– амплитуда высокочастотного колебательного напряжения на контуре;

– коэффициент гармоник;

– показатель степени для “резкого” перехода.

1. Выбираем варикап 2В125Б, который имеет следующие параметры:

2. Относительная девиация частоты

3. Напряжение смещения на варикапе , при этом емкость варикапа , а его добротность ;

4. Нормированная амплитуда модулирующего сигнала

;

5. Амплитуда модулирующего напряжения

6. Коэффициент управления емкостью контура

;


7. Необходимое изменение емкости контура

8. Выберем коэффициент схемы , тогда коэффициент включения варикапа в контур

9. Емкость конденсатора связи

;

10. Сопротивление делителя напряжения при токе :

11. Необходимое изменение емкости варикапа в процессе модуляции

12. Амплитуда высокочастотного напряжения на варикапе

;


13. Проверка режима работы варикапа

;

14. Коэффициент паразитной амплитудной модуляции

15. Коэффициент нелинейных искажений

,

где

Допустимые нелинейные искажения 7..15%.

Расчет варикапа для перестройки частоты по диапазону

Для перестройки ГУНа от f Н до f В необходимо изменять емкость контура, для этого параллельно к емкости С3 (главная составляющая общей емкости контура) через емкость связи подключим варикап (см. рис. 14).

Определим, как изменяется общая емкость колебательного контура: на частоте она составит , а на частоте она возрастет до , т.е. варикап должен обеспечить изменение емкости контура на 0,7пФ.

При параллельном подключении варикапа к емкости С3 необходимо изменять ее величину (при неизменных значениях остальных емкостей) в пределах .

1. Выбираем варикап2В125Б, параметры смотри выше;

2. Задаем напряжение смещения на варикапе , при этом емкость варикапа ;

3. Зададимся изменением емкости варикапа в (от 9,5 до 10,6пФ ) при этом необходимо изменять управляющее напряжение на варикапе от –3,5 до –4,5В (это напряжение поступает с вывода 2 микросхемы КФ1015ПЛ3А синтезатора частоты).

4. Коэффициент включения варикапа в контур

5. Емкость конденсатора связи ;

6. Значения сопротивлений выберем исходя из следующего соображения:


5. Описание синтезатора частоты

Быстродействующая микросхема КФ1015ПЛ3А предназначена для построения современных цифровых частотных синтезаторов с ФАПЧ для КВ, УКВ и дециметрового диапазонов волн. Прибор изготовляют по КМОП-технологии с поликремниевым затвором. Микросхемы серии КФ1015ПЛ3 выпускают в пластмассовом 16-выводном миниатюрном корпусе 4308.16-1. Масса прибора - не более 0,3 г.


В состав микросхемы входят (см. структурную схему на рис.15) генератор образцовой частоты, делитель образцовой частоты, усилитель-формирователь входных ВЧ импульсов, тракт двоичного делителя частоты с программируемым коэффициентом деления, состоящий из двумодульного предварительного делителя частоты на 31 или 32, пятиразрядного счетчика управления предделителем, двенадцати старших разрядов программируемого делителя и логического блока управления, частотно-фазовый детектор и двадцатиразрядные приемный и буферный регистры.

Рис.15. Структурная схема синтезатора частоты

Включенная по типовой схеме с навесными компонентами микросхема способна работать в цифровых синтезаторах с ФАПЧ метрового и дециметрового диапазонов с уменьшенным энергопотреблением.

Цоколевка микросхемы:

выв.1 – общий для приемного и буферного регистров, тракта программируемого делителя частоты и частотно-фазового детектора, минусовой вывод питания;

выв.2 – зарядный выход частотно-фазового детектора (сток полевого транзистора с р-каналом);

выв.3 – разрядный выход частотно-фазового детектора (сток полевого транзистора с n-каналом);

выв.4 – контрольный выход индикации фазовой синхронизации в петле ФАПЧ;

выв.5 – ВЧ вход усилителя- формирователя тракта программируемого делителя;

выв.6 –выход программируемого делителя;

выв.7 – вход разрешения перезаписи информации из приемного регистра в буферный;

выв.8 – вход тактовых импульсов записи информации (С);

выв.9 – плюсовой вывод питания;

выв.10 – вход записи информации о коэффициентах деления (D);

выв.11 – вывод для подключения кварцевого резонатора; выход генератора образцовой частоты;

выв.12 – вывод для подключения кварцевого резонатора; вход сигнала внешнего генератора образцовой частоты;

выв.13 – вход сигнала отключения выхода делителя образцовой частоты (при уровне 1);

выв.14 – выход делителя образцовой частоты (при уровне 0 на выв. 13) или вход частотно-фазового детектора (при уровне 1 на выв. 13);

выв.15 – общий для генератора и делителя образцовой частоты, минусовой вывод питания;

выв.16 – контрольный выход приемного регистра.

Основные характеристики при Токр.ср =2510°С и напряжении питания 5 В

Параметр Значение
Номинальное напряжение питания, В 4,5...5,5
Пределы коэффициента деления тракта программируемого делителя частоты 992-131071
Шаг коэффициента деления программируемого делителя 1
Коэффициенты деления делителя образцовой частоты 100, 200, 400, 512, 640, 800, 1000, 1024
Интервал входной частоты тракта программируемого делителя, МГц 50...1000
Интервал входной частоты делителя образцовой частоты, МГц 1...50
Чувствительность усилителя-формирователя, Вэфф, (меньшее значение - для частоты в пределах 50...500 МГц) 0,2...0,9
Чувствительность по входу генератора образцовой частоты (для внешнего кварцевого генератора), мВэфф 100...150
Наибольший потребляемый ток, мА, не более 15
Выходное сопротивление выходов частотно-фазового детектора, Ом, не более
зарядного
разрядного
Выходное сопротивление делителя образцовой частоты, Ом, не более 200
Выходное сопротивление контрольного выхода индикации фазовой синхронизации, Ом, не более 200
Выходное сопротивление генератора образцовой частоты, Ом, не более 200
Входной ток ВЧ входа усилителя- формирователя (выв.5) и входа генератора образцовой частоты (выв.12), мкА, для сигнала
низкого уровня
высокого уровня

Предельно допустимые значения

Предельные значения напряжения питания, В 3...6
Наибольший электростатический потенциал, В, не менее 150
Рабочий интервал температуры окружающей среды, °С -60...+70
Предельные значения температуры окружающей среды, °С -70; +85

Рис.16. Схема включения синтезатора частоты

На рис. 16 представлена одна из возможных схем включения прибора. При выборе кварцевого резонатора для генератора образцовой частоты надо учитывать, что резонатор должен работать на параллельном резонансе, частота которого больше частоты последовательного. Включением последовательно с резонатором катушки индуктивностью 10 мкГн удается приблизиться к частоте последовательного резонанса, номиналом которой обычно и маркируют кварцевый резонатор.

Подстройкой конденсатора С1 добиваются устойчивой генерации, в чем можно убедиться, снимая сигнал с выв. 11 микросхемы. В нормальном режиме этот сигнал представляет собой синусоиду с двойной амплитудой 1...1,2В с постоянной составляющей около половины Uпит . Если в качестве образцового использован внешний стабильный кварцованный генератор, его выходной сигнал напряжением 100...250 мВ подают на выв. 12 через разделительный конденсатор емкостью 1000...10 000 пФ.

Значительного снижения энергопотребления (при работе на частоте до 600 МГц) можно достичь, понизив напряжение питания до 3,3...4 В. При этом потребляемый ток уменьшается до 4...5 мА и к тому же улучшается чувствительность по ВЧ входу микросхемы.


Заключение

В данном курсовом проекте был спроектирован связной радиопередатчик с ЧМ, составлены его структурная и принципиальная схемы.

Оконечный каскад передатчика построен по модульному принципу. Каждый модуль выполнен по двухтактной схеме на транзисторах. Кроме этого в данной работе был проведен электрический и конструкторский расчет схем сложения и согласования с фидерной линией, выполненных на длинных линиях. Были рассчитаны автогенератор и частотный модулятор. Итоговым результатом стала полная электрическая схема передатчика, которая представлена в конце данной пояснительной записки.

Оценить/Добавить комментарий
Имя
Оценка
Комментарии:
Хватит париться. На сайте FAST-REFERAT.RU вам сделают любой реферат, курсовую или дипломную. Сам пользуюсь, и вам советую!
Никита17:17:51 02 ноября 2021
.
.17:17:50 02 ноября 2021
.
.17:17:49 02 ноября 2021
.
.17:17:49 02 ноября 2021
.
.17:17:48 02 ноября 2021

Смотреть все комментарии (19)
Работы, похожие на Курсовая работа: Проектирование связного радиопередатчика с частотной модуляцией

Назад
Меню
Главная
Рефераты
Благодарности
Опрос
Станете ли вы заказывать работу за деньги, если не найдете ее в Интернете?

Да, в любом случае.
Да, но только в случае крайней необходимости.
Возможно, в зависимости от цены.
Нет, напишу его сам.
Нет, забью.



Результаты(287662)
Комментарии (4159)
Copyright © 2005-2021 HEKIMA.RU [email protected] реклама на сайте