“Белорусский государственный университет информатики и радиоэлектроники”
Кафедра защиты информации
РЕФЕРАТ
на тему:
«СИСТЕМЫ ЭЛЕКТРОПИТАНИЯ ПРЕДПРИЯТИЙ СВЯЗИ
»
МИНСК, 2009
В буферной системе питание аппаратуры в условиях нормального электроснабжения осуществляется от стабилизирующих выпрямительных устройств, обеспечивающих одновременно непрерывный подзаряд аккумуляторной батареи, подключенной параллельно нагрузке. При перерывах в электроснабжении питание аппаратуры осуществляется от аккумуляторной батареи. Послеаварийный заряд аккумуляторной батареи производится без отключения ее от нагрузки. Построенные с применением буферной системы электропитания ЭПУ находят самое широкое применение как в отечественной, так и зарубежной практике для питания аппаратуры городских АТС декадно-шаговой и координатной систем коммутации, МТС, АМТС, в установках прямых соединений телеграфных станций и т. д.
В зависимости от числа требующихся номиналов напряжения питания электроустановки с применением буферной системы электропитания могут быть построены по многобатарейному (накаждый номинал напряжения постоянного тока предусматривается отдельная ЭПУ) или по однобатарейному принципу с применением одной опорной батареи (все другие напряжения постоянного и переменного тока, необходимые для питания аппаратуры связи, вырабатываются с помощью преобразователей или агрегатов бесперебойного питания).
Буферная система может быть централизованной или децентрализованной. Применение децентрализованной системы допускается в случае, когда нагрузки по одному номиналу на- пряжения не могут быть обеспечены выпускаемыми промышленностью выпрямительными устройствами и оборудованием коммутации аккумуляторных батарей или сама аппаратура требует питания от отдельных ЭПУ.
К достоинствам буферной системы электропитания следует отнести: обеспечение аппаратуры бесперебойным электропитанием во всех режимах работы ЭПУ, возможность дальнейшего расширения в результате параллельного включения выпрямительных и преобразовательных устройств; улучшение динамических характеристик и устойчивости системы в целом за счет подключения аккумуляторной батареи параллельно нагрузке.
Основными недостатками буферной системы являются большая стоимость токораспределительной сети и потери энергии в ней, особенно при централизованной системе на низкие выходные напряжения (—24 В).
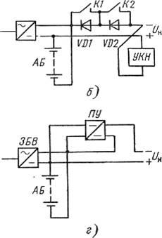
Упрощенные структурные схемы ЭПУ при буферной системе электропитания показаны на рисунок 1. ЭПУ, выполненная по схеме на рисунок 1, а, является наиболее простой, но характеризуется широкими пределами изменения выходного напряжения и может быть рекомендована только для аппаратуры, допускающей такие изменения напряжения. Например, ЭПУ (рисунок 1,а) может быть построена для питания сельских оконечных и узловых, а также учрежденческих АТС с релейным управлением при небольшой мощности потребления (АТСК-ЮО/ 2000).
 
Рисунок 1 - Структурные схемы ЭПУ буферной системы электропитания
В схеме на рисунок 1,б предусматривается регулирование напряжения на нагрузке посредством закорачивания групп вентилей VD1 и VD2 с помощью контакторов К1 и К2, управляемых устройством контроля напряжения. В условиях нормального электроснабжения контакты контакторов К,1 и К2 разомкнуты. При разряде аккумуляторной батареи, по мере снижения напряжения контакторы К1 и К2 осуществляют поэтапное закорачивание групп вентилей. ЭПУ достаточно проста, но характеризуется низким КПД и может быть рекомендована при сравнительно небольших мощностях. ВСН 332—88 рекомендуют применять эту схему в ЭПУ ±«60 В» при нагрузках до 70 А и в ЭПУ —«24 В» —до 100 А.
В ЭПУ, выполненной по схеме на рисунок 1,в, регулирование выходного напряжения производится изменением числа элементов аккумуляторной батареи. При двух группах дополнительных элементов ДЭ.1 и ДЭ2 удается обеспечить стабилизацию выходного напряжения 60 В в пределах ±10%. Выполненные по этой схеме ЭПУ характеризуются высоким КПД и на ходят широкое применение на предприятиях электросвязи.
В ЭПУ, выполненных по схеме на рисунок 1, г, стабилизация выходного напряжения осуществляется с помощью стабилизирующего преобразовательного устройства ПУ, обеспечивающего стабилизацию выходного напряжения с высокой точностью при разряде аккумуляторной батареи.
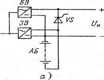
В системе электропитания с отделенной от нагрузки резервной аккумуляторной батареей (рисунок 2, а) при нормальном электроснабжении питание аппаратуры связи осуществляется от стабилизирующего выпрямителя БВ, а АБ находится в режиме непрерывного подзаряда от дополнительного зарядного выпрямителя 3В и отключена от нагрузки тиристором VS. При пропадании сети переменного тока или аварии в БВ тиристор VSподключает АБ к нагрузке без перерыва в питании аппаратуры. Послеаварийный заряд АБ осуществляется при ее отключении от нагрузки, что дает возможность исключить из состава ЭПУ устройства регулирования напряжения, т. е. существенно упростить ЭПУ. Эта система применяется для питания аппаратуры, допускающей достаточно широкие пределы изменения питающего напряжения, например для АТС первого и второго поколений небольшой емкости (при выходной мощности ЭПУ до 2 кВт).
 
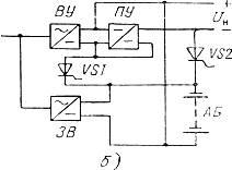
Рисунок 2 - Структурные схемы ЭПУ с отделенной от нагрузки резервной батареей:
а) — без регулирования напряжения при разряде АБ; б) — с вольтодобавочным конвертором
В ЭПУ, построенной по схеме на рисунок 2,б, стабилизация выходного напряжения при разряде АБ производится с помощью стабилизирующего преобразовательного устройства (вольтодобавочного) ПУ. Принципиально возможно стабилизировать выходное напряжение и при нестабилизирующем выпрямительном устройстве ВУ. При отключении электроснабжения или аварии в ВУ включается тиристор VS1 и питание аппаратуры осуществляется от разряжающейся АБ и ПУ при стабильном напряжении. Заряд и содержание АБ производится от зарядного выпрямителя 3В. Тиристор VS2 подключает АБ к нагрузке в случае понижения напряжения на ней, что может иметь место при переходных процессах в системе. Рассмотренная система выгодно отличается от буферной (рисунок 1, г) меньшими потерями энергии и большей перегрузочной способностью и может быть рекомендована для питания станций с программным управлением.
Общим недостатком системы по сравнению с буферной является то, что она предъявляет более жесткие требования к динамическим характеристикам ВУ и ПУ, так как АБ не может выполнять функции динамического фильтра.
При безбатарейной системе электропитание аппаратуры может осуществляться непосредственно от выпрямительного устройства, подключаемого к сети переменного тока. Эта схема может быть рекомендована только для потребителей, допускающих перерывы в питании, например для питания учрежденческих и домовых телефонных подстанций малой емкости (до 100 номеров).
На крупных МТС и УАК, т. е. в условиях большого потребления энергии, при большой рассредоточенности потребителей находит ограниченное применение базаккумуляторная двулучевая система электропитания (рисунок 3).

Рисунок 3 Структурные схемы ЭПУ при двулучевой безбатарейной системе питания
Электропитание отдельных групп потребителей одного номинала напряжения осуществляется непосредственно от двух или большего четного числа стабилизированных выпрямительных устройств. Электроснабжение каждой половины этих выпрямительных устройств (одного луча системы) осуществляется от своего независимого источника энергии переменного тока. При этом выпрямительные устройства каждого луча загружены не более чем на 50% от их номинальной мощности. При отключении одного из источников энергии переменного тока и до замены его резервным питание аппаратуры осуществляется от оставшегося луча, загрузка выпрямительных устройств которого удваивается. В качестве устройств преобразования энергии в этой системе применяются автоматизированные установки типа ВУЛС-2 (ВУЛС-3), каждая из которых состоит из двух выпрямителей типа ВУЛ и общего шкафа фильтров. Автоматизированные установки ВУЛС-2 (ВУЛС-3) устанавливаются непосредственно в аппаратных предприятий связи.
К достоинствам системы прежде всего следует отнести меньшую стоимость токораспределительной сети, особенно при низких уровнях питающих напряжений (24 и 21,2 В), так как распределение энергии осуществляется по переменному току, и простоту эксплуатации ЭПУ ввиду отсутствия кислотных аккумуляторов.
К недостаткам системы следует отнести: худшие качества вырабатываемой электроэнергии в переходных режимах работы ЭПУ; необходимость в более надежном электроснабжении предприятия связи.
Согласно ВСН 332—88 двулучевая безаккумуляторная система может применяться только при наличии: трех независимых источников электроснабжения, одним из которых является электростанция энергосистемы; и двух независимых внешних источников электроснабжения и собственной автоматизированной дизельной электростанции, запускаемой автоматически при отключении одного из внешних источников электроснабжения за время меньше 30 с.
Графоаналитический метод анализа и расчета выпрямителя при нагрузке емкостного характера
Представляет интерес взаимосвязи тока и напряжения, на выходе схемы (на нагрузке) и теми токами и напряжениями, которые действуют в схеме выпрямителя.
  (1)
Для упрощения анализа целесообразно применять следующие предположения:
1. Uo(t) как функция временив силу характерности для практики малости пульсации по сравнению с постоянной Uo(t): ( ), может быть положена тождественно равной Uo; Uo(t) Uo
2. Пульсацию же можно отнести на счет падения напряжения на внутреннем сопротивлении фазы.
3. Внутренне сопротивление фазы первоначально имеет смысл считать чисто активным и равным (в сх. Миткевича):
(2)

Рисунок 4
При сделанных предположениях:
(3)
(4)
Из первой диаграммы:
(5)
(6)
(7)
Представляет особый интерес определить коэффициент, зависящий только от с характеристиками схемы:
(8)
(9)
С другой стороны если оценить ориентировочно параметр А по полученной формуле то можно найти угол , а также выражающиеся через него ток и напряжение. В частности, из формулы следует:
(0)
(10)
Множитель однозначно определяется углом следовательно и однозначно связанным с ним параметром .Существующую связь можно заранее проанализировать и представить в виде графической зависимости.
(11)
В справочных данных имеются данные для коэффициента :

Рисунок 5
Подобно как может быть связано с с помощью еще 3-х коэффициентов D,F,H, однозначно зависящих от , можно определить значения и другие электронные характеристики режима работы вентильного звена и трансформатора.
На практике часто кроме активной составляющей сопротивления фазы, приходится принимать во внимание индуктивное сопротивление, связанное с потоком рассеяния в трансформаторе.
Соотношение между активными и реактивными составляющими сопротивления фазы принято характеризовать углом :
(12)
В общем случае, угол оказывается зависящим от угла . С помощью упомянутых коэффициентов D,F,H можно рассчитать следующие электрические характеристики (для схемы Миткевича).
(13)
(14)
(15)
 
а) б)
 
в) г)
Рисунок 6
Особенности работы выпрямителя на нагрузку индуктивного характера

Рисунок 7
Напряжение на нагрузке имеет форму огибающей ЭДС, действующей в фазе. Коэффициент пульсации по первой огибающей:
(16)
ЛИТЕРАТУРА
1. Иванов-Цыганов А.И. Электротехнические устройства радиосистем: Учебник. - Изд. 3-е, перераб. и доп.-Мн: Высшая школа, 200
2. Алексеев О.В., Китаев В.Е., Шихин А.Я. Электрические устройства/Под ред. А.Я.Шихина: Учебник. – М.: Энергоиздат, 200– 336 с.
3. Березин О.К., Костиков В.Г., Шахнов В.А. источники электропитания радиоэлектронной аппаратуры. – М.: Три Л, 2000. – 400 с.
4. Шустов М.А. Практическая схемотехника. Источники питания и стабилизаторы. Кн. 2. – М.: Альтекс а, 2002. –191 с.
|