БЕЛОРУССКИЙ ГОСУДАРСТВЕННЫЙ УНИВЕРСИТЕТ ИНФОРМАТИКИ И РАДИОЭЛЕКТРОНИКИ
КАФЕДРА РЭС
РЕФЕРАТ
НА ТЕМУ:
«Однофазные параллельные регистры двухтактного действия и однотактного действия. Парафазные параллельные регистры, сдвигающие регистры»
МИНСК, 2009
Под регистрами
(от лат. registrum — список, указатель) в цифровой электронике и технике подразумевают узлы и устройства, осуществляющие ряд операций с информацией, представленной в виде многоразрядного двоичного кода. К этим операциям относятся: хранение, сдвиг в разрядной сетке, поразрядные логические операции и выдача числовых слов в определенном коде. Уже одно перечисление функций регистров показывает, что это самые распространенные узлы цифровых устройств.
На схемах регистры обозначаются буквами RG. В отечественных сериях микросхем регистрам соответствуют буквы ИР.
Итак, регистрами
называются устройства, выполняющие функции приема, хранения и передачи информации. Информация в регистрах хранится в виде числа (слова), представленного комбинацией сигналов 0 и 1. Каждому разряду числа, записанному в регистр, соответствует свой разряд, выполненный на основе триггера CRS-, CD- и CJK-типов с управлением записью видов L, LF, и F. Другими словами, регистр – это цепочка триггеров для запоминания одного двоичного числа (обычно от 4 до 16). Общее количество триггеров равно наибольшей разрядности хранимого числа.
На регистрах могут осуществляться операции преобразования информации из одного вида в другой (последовательного кода в параллельный и т.п.), а так же некоторые логические операции (например, поразрядное логическое сложение, умножение).
Основным классификационным признаком, по которому различают регистры, является способ записи информации или кода числа в регистр. По этому признаку можно выделить регистры трех типов: параллельные
(статические); последовательные
(сдвигающие); параллельно-последовательные.
В параллельные регистры
запись числа осуществляется параллельным кодом, т.е. во все разряды одновременно.
Последовательные регистры
характеризуются последовательной записью кода числа, начиная с младшего или старшего разряда, путем последовательного сдвига кода тактирующими импульсами.
Параллельно-последовательные регистры
имеют входы как для параллельной, так и для последовательной записи кода числа. В зависимости от числа каналов, по которым поступает информация на входы разрядов регистра, различают регистры парафазного и однофазного видов
.
Парафазные регистры характеризуются тем, что информация на каждый разряд поступает по двум каналам (прямому и инверсному).
В однофазных регистрах информация поступает на каждый разряд только по одному каналу. Парафазные регистры выполняются, как правило, с применением триггеров CRS-типа, а однофазные – на основе триггеров CD-типа.
В зависимости от типов триггеров, применяемых при построении регистров, и способа их тактирования различают регистры многотактные и однотактного действия.
Параллельные регистры
В параллельных (статических) регистрах схемы разрядов не обмениваются данными между собой. Общими для разрядов обычно являются цепи тактирования, сброса установки, разрешения выхода или приема, т.е. цепи управления. В этих регистрах прием и выдача слов производится по всем разрядом одновременно. В них хранятся слова, которые могут быть подвергнуты поразрядным логическим преобразованиям.
При построении N-разрядных параллельных регистров необходимо применить N триггеров, каждый из которых будет иметь число входов, соответствующее числу источников информации, подключенных ко входу регистра. По сути каждый из триггеров имеет свой независимый информационный вход и свой независимый информационный выход. Тактовые входы (С) всех триггеров соединены между собой. В результате параллельный регистр представляет собой многоразрядный, многовходовый триггер.
Однофазные параллельные регистры двухтактного действия
Наиболее экономичными по числу компонентов являются однофазные регистры двухтактного действия, в качестве разрядов которых используются триггеры - типов (двухтактные D-триггеры на рис.1).
На рис.1 приводится схема параллельного регистра двухтактного действия с однофазной записью информации для режима записи двух чисел A и B (регистр на два входа). Входы соответствуют входам разрядов первого числа, а входы - входам разрядов второго числа.
| Рис. 1. Схема параллельного регистра на триггерах CL
S-RL
- типа |
|
 Первый тактирующий сигнал осуществляет установку всех разрядных триггеров в состояние 0 ( ).
Второй сигнал обеспечивает запись в регистр числа А, а импульс - запись числа В.
Однофазные параллельные регистры двухтактного действия характеризуются наименьшим быстродействием, но вместе с тем и наименьшими затратами по числу элементов.
Однофазные параллельные регистры однотактного действия
Для реализации однотактных параллельных однофазных регистров применяются - триггеры, число входов которых соответствует числу входов регистра. На рис.2 приведена функциональная схема такого регистра на два входа. Запись числа осуществляется при поступлении импульса , а запись числа -при поступлении импульса без предварительной установки разрядов в состояние 0.
| Рис. 2. Схема параллельного регистра на триггерах CL
D -типа |
|
 Быстродействие данного регистра увеличилось примерно в 2 раза по сравнению со схемой рис. 1, но и аппаратурные затраты на их реализацию увеличились, так как реализация - триггера требует большего числа вентилей.
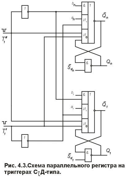
На рис. 3 показан один из наиболее экономичных вариантов схем такого регистра, каждый разряд которого выполнен на - триггере с использованием элементов НЕ, И-НЕ, И-ИЛИ-НЕ.
| Рис. 3.Схема параллельного регистра на триггерах CL
D -типа |
|
 В режиме хранения информации, т.е. при отсутствии тактирующих импульсов открыты вентили обратной связи всех триггеров регистра. При поступлении ТИ (например ) закрываются вентили и с задержкой открываются вентили записи кода числа А (вентили ). В разрядах регистра установятся уровни в соответствии с кодом числа А. Например, при и на выходе сформируется уровень 0, а на выходе -уровень 1. После окончания действия ТИ ( ) вначале откроются вентили обратных связей всех триггеров и зафиксируется новый код в его разрядах, а затем через закроются вентили записи числа А. Регистр перейдет в режим хранения информации. Схема получила широкое распространение при разработке параллельных цифровых устройств благодаря своей экономичности и надежности. Однако самые экономичные варианты схем рассмотренных регистров получаются при их реализации на основе элементов T-TTL, когда каждый разрядный триггер выполняется на одном элементе.
Парафазные параллельные регистры
Парафазные параллельные регистры (ППР) не отличаются широким многообразием, как однофазные. Все ППР по своему принципу действия являются однотактными и выполняются на триггерах - типа. На рис. 4 приведена схема ППР на два входа (для записи чисел А и В).
Код числа поступает на регистр по двум каналам (прямому и инверсному), а тактирующие импульсы и открывают вентили прямого и инверсного каналов одновременно. Быстродействие ППР полностью определяется быстродействием триггеров, используемых в качестве типовых разрядов регистра.
При сравнительной оценке однофазных и парафазных регистров необходимо отметить, что однофазные являются наиболее эффективными при выполнении на ИМС, так как содержат в 2 раза меньше информационных входов, чем парафазные регистры. Уменьшение числа входов позволяет сократить число выводов микросхем, что упрощает процесс проектирования БИС.
| Рис. 4. Схема параллельного регистра на триггерах CL
RS-типa. |
|
 Сдвигающие (последовательные, сдвиговые) регистры и их
классификация
Сдвигающие регистры (СР) (англ. ShiftRegister) получили свое название от вида одной из наиболее распространенных операций, выполняемых в ЭВМ – операции сдвига кода числа. Операция сдвига
– это перемещение (сдвиг) под действием внешних тактирующих импульсов содержимого регистра на определенное число разрядов вправо или влево. Чаще всего такое перемещение осуществляется на один разряд, и эту операцию можно записать в виде:

где - содержимое i-го(последующего) разряда регистра после цикла сдвига;
- содержимое (i-1)-го (предыдущего) разряда до сдвига;
i=1,2,3,…,n – число разрядов регистра сдвига.
Наиболее общими классификационным признаком сдвигающих регистров можно считать способ управления сдвигом кода числа
. Этот классификационный признак предполагает деление регистров по числу тактирующих сигналов
, необходимых для выполнения операции сдвига информации на один разряд. В соответствии с этим числом, которое в дальнейшем назовем тактовым числом регистра, СР подразделяются на регистры однотактного
и многотактного
действия. Особенностью однотактных
СР является то, что в них сдвиг кода числа на один разряд
осуществляется за один такт
или с помощью одного ТИ сдвига, т.е. . В многотактных регистрах сдвиг кода числа на один разряд
осуществляется как минимум за два
импульса сдвига. В свою очередь, каждый из однотактных и многотактных СР можно классифицировать по следующим признакам:
· по виду электрической связи между разрядами;
· по направлению сдвига;
· по способу приема и выдачи кода числа.
Вид электрической связи между разрядами.
По этому признаку СР на триггерах подразделяются на регистры с однопроводной(однофазной), двухпроводной(парафазной) и смешанной типами связей. Первые выполняются на триггерах D-типа, вторые на триггерах RS- или JK типа, а третьи совместно, например на триггерах RS- и D- или JK- и D- типов.
Направление сдвига.
В соответствии с этим признаком регистры подразделяются на три вида:
· регистры, осуществляющие сдвиг кода числа вправо(в сторону младших разрядов);
· регистры, сдвигающие код числа влево( в сторону старших разрядов);
· регистры, сдвигающие код числа как вправо, так и влево – реверсивные регистры сдвига.
Способ приема и выдачи кода числа.
По этому признаку регистры подразделяются на три вида:
· с последовательным приемом и последовательной выдачей информации;
· с параллельным вводом кода числа и параллельным его выводом;
· с последовательно-параллельным вводом и последовательно-параллельным выводом кода числа.
Последние относятся к разряду наиболее универсальных, т.к. они могут применяться в качестве первого и второго типа СР.
В основу приведенных классификационных признаков СР фактически положены функциональные требования, предъявляемые к ним. А это означает, что при проектировании СР всегда задают:
а) направление сдвига;
б) способы приема и выдачи кода числа, представляющие собой функциональные требования для любого СР.
Кроме них к функциональным требованиям следует отнести функциональную надежность регистра. Эти требования для регистров (как и для триггеров) должны быть выполнены безусловно. Применительно к СР требование функциональной надежности характеризуют отсутствием опасных межкаскадных состязаний при условии выполнения разрядов регистра на функционально надежных триггерах.
К основным функциональным параметрам регистров сдвига можно отнести также разрядность и быстродействие.
Последовательный регистр сдвига обладает двумя недостатками: он позволяет вводить только по одному биту информации на каждом тактовом импульсе и каждый раз при сдвиге информации вправо теряется крайний правый информационный бит.
Эти недостатки устраняются в параллельно загружаемых регистрах сдвига кольцевого типа. Кольцевое перемещение информации предусматривает возврат данных с выхода регистра обратно на его вход, что исключает потерю данных при сдвиге.
ЛИТЕРАТУРА
1. Новиков Ю.В. Основы цифровой схемотехники. Базовые элементы и схемы. Методы проектирования. М.: Мир, 2001. - 379 с.
2. Новиков Ю.В., Скоробогатов П.К. Основы микропроцессорной техники. Курс лекций. М.: ИНТУИТ.РУ, 2003. - 440 с.
3. Пухальский Г.И., Новосельцева Т.Я. Цифровые устройства: Учеб. пособие для ВТУЗов. СПб.: Политехника, 2006. - 885 с.
4. Преснухин Л.Н., Воробьев Н.В., Шишкевич А.А. Расчет элементов цифровых устройств. М.: Высш. шк., 2001. - 526 с.
5. Букреев И.Н., Горячев В.И., Мансуров Б.М. Микроэлектронные схемы цифровых устройств. М.: Радио и связь, 2000. - 416 с.
6. Соломатин Н.М. Логические элементы ЭВМ. М.: Высш. шк., 2000. - 160 с.
|