Практическая работа
По курсу «Переходные электромагнитные процессы»
1. При симметричном трёхфазном коротком замыкании в заданной точке «К» схемы определить аналитическим путём, а также методом расчетных кривых, начальное значение периодической составляющей тока и ударный ток.
2. Используя метод расчетных кривых, определить величину тока при несимметричном коротком замыкании К(1)
в этой же точке для начального момента времени, через 0.2 с после начала короткого замыкания и в установившемся режиме.
3. Построить векторные диаграммы токов и напряжений в точке короткого замыкания для начального момента времени.
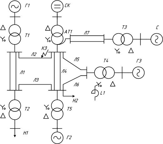
Схема задания показана на рисунке 1.1 .

Рисунок 1.1 – Расчетная схема задания
Исходные данные для произведения расчетов.
Таблица 1- параметры оборудования
| Наименование обородувания |
Тип оборудования |
Sн,МВА
|
Uн
,кВ |
cosφ |
x’’
d |
x2
|
| Генераторы |
| Г1
|
ТВФ-63-2ЕУЗ |
78,75 |
10,5 |
0,8 |
0,136 |
0,166 |
| Г2
|
СВ-850/120 |
40 |
10,5 |
0,8 |
0,23 |
0,2 |
| Г3
|
ТВС-32-2ЕУЗ |
40 |
10,5 |
0,8 |
0,153 |
0,187 |
| Синхронный компенсатор |
Sн,МВА
|
Uн
,кВ |
cosφ |
x’’
d |
| СК |
КС-10-10УЗ |
10 |
10,5 |
0,9 |
0,2 |
| Трансформаторы |
Sн,МВА
|
Uк
,% |
cosφ |
Uквн
,% |
Uксн
,% |
Uквс
,% |
Uнн
,кВ |
Uнс
,кВ |
Uнв
,кВ |
| Т1
|
ТДН-80/110 |
80 |
10,5 |
0,8 |
38,5 |
115 |
| Т2
,Т4
,Т5
|
ТДН-40/110 |
40 |
10,5 |
0,8 |
38,5 |
115 |
| Т3
|
ТЦ-160/200 |
160 |
11 |
0,8 |
15,75 |
242 |
| АТ1
|
АТДЦТН-200/220/110 |
200 |
32 |
20 |
11 |
6,6 |
121 |
230 |
| ЛЭП |
Длина, км |
Х0
,Ом/км |
| Л1
|
130 |
0,4 |
| Л2
|
20 |
0,4 |
| Л3
|
50 |
0,4 |
| Л4
|
35 |
0,4 |
| Л5
|
50 |
0,4 |
| Л6
|
10 |
0,4 |
| Л7
|
125 |
0,4 |
| Реактор |
Uн
,кВ |
Iн
,А |
хр
,% |
| L1
|
РТМТ-35-200-6 |
35 |
200 |
6 |
| Нагрузки |
Sн
,МВА |
| Н1
,Н2
|
35 |
| Система |
Sс
,МВА |
| С |
1500 |
Задание 1
1.1 Аналитический метод расчета
Выбираем базисную мощность и базовое напряжение S
б
= 1000 МВА,
U
б
=115 кВ.
Рассчитываем ЕДС генераторов, нагрузок, а также рассчитываем реактивные сопротивления элементов в относительных единицах в схеме.
Для генераторов:
;
;
;
;
;
;
;
.
Для трансформаторов:
2х обмоточные
;
;
;
;
автотрансформаторы
; ;
; ;
; ;
; ;
; ;
; .
Для линий электропередач:
, где ;
;
;
;
;
;
;
.
Для системы:
;
.
Для нагрузок:
;
;
;
.
Для реактора:
;
;
;
.
Для синхронного компенсатора:
;
;
Рисунок 1.2 – Схема замещения расчетной схемы
;
.
Рисунок 1.3 – Первый шаг преобразования схемы замещения
; ;
Х3
= ХСК
+ХАТН
= 20+1,025 = 21,025; Х4
=ХТ5
+ХГ2
= 2,625 +5,75 = 8,375;
Х5
= ХТ4
+ХГ3
= 2,625+3,825 = 6,45;
Х6
= ХАТВ
+Хл7/2+ХТ3
+ХС
= 0,575+0,945/2+0,666 = 2,401.
Рисунок 1.4 - Второй шаг преобразования схемы замещения
Х7
= Х1
+ХЛ1
/2+(Х1
*ХЛ1
/2)/ХЛ2
= 3,04+3,931/2+(3,04*3,931/2)/0,604 = 14,889;
Х8
= Х1
+ХЛ2
+(Х1
*ХЛ2
)/(ХЛ1
/2) = 3,04+0,604+3,04*0,604/(3,931/2) = 4,581;
Х9
= ХЛ1
/2+ХЛ2
+(ХЛ1
/2*ХЛ2
)/Х1
= 2,961;
Х10
= (Х3
*Х6
)/(Х3
+Х6
) = (21,025*2,401)/(21,025+2,401) = 2,155;
Х11
= (Х4
*ХН2
)/(Х4
+ХН2
) = (8,375*10)/(8,375+10) = 4,557;
Е1
=(ЕС
*Х3
+ЕСК
*Х6
)/(Х3
+Х6
) = (1*21,025+1,12*2,401)(21,025+2,401) = 1,012;
Е2
=(ЕН2
*Х4
+ЕГ2
*ХН2
)/(Х4
+ХН2
) = (0,85*8,375+1,138*10)/(8,375+10) = 1,006.

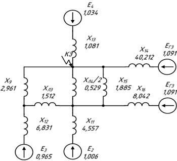
Рисунок 1.5 – Третий шаг преобразования схемы замещения
Х12
= (Х7
*Х2
)/(Х7
+Х2
) = (14,889*12,625)/(14,889+12,625) = 6,831;
Х13
= (Х8
*Х10
)/(Х8
+Х10
) = (4,581*2,155)/(4,581+2,155) = 1,465;
Х14
= ХЛ5
+Х5
+ХЛ5
*Х5
/ХЛ6
=1,512+6,45+1,512*6,45/0,302 = 40,212;
Х15
= ХЛ5
+ХЛ6
+ХЛ5
*ХЛ6
/Х5
= 1,512+0,302+1,512*0,302/6,45 = 1,885;
Х16
= Х5
+ХЛ6
+Х5
*ХЛ6
)/ХЛ5
= 6,45+0,302+6,45*0,302/1,512 = 8,042;
Е3
=(ЕН1
*Х7
+ЕГ1
*Х2
)/(Х7
+Х2
) =
(0,85*14,889+1,081*12,625)/(14,889+12,625) = 0,956;
Е4
=(Е1
*Х8
+ЕГ1
*Х10
)/(Х8
+Х10
) = (0,85*4,581+1,081*2,155)/(4,581+2,155) = 1,034.

Рисунок 1.6 – Четвёртый шаг преобразования схемы замещения
Х17
= (Х13
*Х14
)/(Х13
+Х14
) = (1,465*40,212)/(1,465+40,212) = 1,414;
Х18
= (Х15
*ХЛ4
/2)/(Х15
+ХЛ4
/2) = (1,885*1,058/2)/(1,885+1,058/2) = 0,413;
Х19
= (Х11
*Х16
)/(Х11
+Х16
) = (4,557*8,042)/(4,557+8,042) = 2,909.
Е5
=(Е4
*Х14
+ЕГ3
*Х13
)/(Х14
+Х13
) =
(1,034*40,212+1,091*1,465)/(40,212+1,465) = 1,036.
Е6
=(Е2
*Х16
+Е3
*Х11
)/(Х11
+Х16
) =
(1,006*8,042+0,956*4,557)/(8,042+4,557) = 0,988.

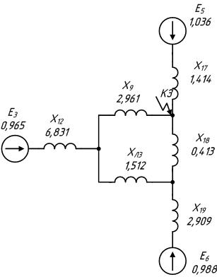
Рисунок 1.7 – Пятый шаг преобразования схемы замещения
Х20
= (Х9
*ХЛ3
)/(Х9
+ХЛ3
+Х18
) = (2,961*1,512)/(2,961+1,512+0,413) = 0,916;
Х21
= (Х9
*Х18
)/(Х9
+ХЛ3
+Х18
) = (2,961*0,413)/(2,961+1,512+0,413) = 0,250;
Х22
= (Х18
*ХЛ3
(Х9
+ХЛ3
+Х18) = (0,413*1,512)/(2,961+1,512+0,413) = 0,127;

Рисунок 1.8 – Шестой шаг преобразования схемы замещения
Х23
= Х12
+Х20
= 6,831+0,916 = 7,748;
Х24
= Х19
+Х22
= 2,909+0,127 = 3,037;
Х25
= (Х23
*Х24
)/(Х23
+Х24
)= (7,748*3,037)/(7,748+3,037) = 2,181;
Х26
= Х25
+Х21
= 2,181+0,250 = 2,432;
Е7
=(Е3
*Х24
+Е6
*Х23
)/(Х24
+Х23
) =
(0,956*3,037+0,988*7,748)/(3,307+7,748) = 0,979.

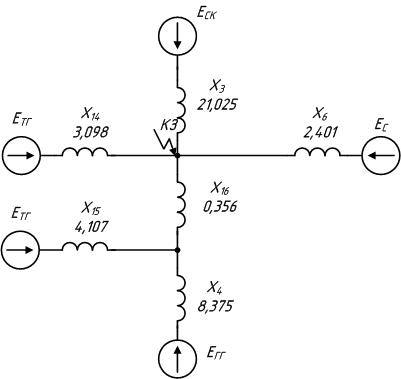
Рисунок 1.9 – Седьмой шаг преобразования схемы замещения
Е8
= (Е7
*Х17
+Е5
*Х26
)/(Х17
+Х26
) =
(0,979*1,414+1,036*2,432)/(1,414+2,432) = 1,021;
Х27
= (Х17
*Х26
)/(Х17
+Х26
)= (1,414*2,432)/(1,414+2,432) = 0,894.
Нахождение тока короткого замыкания
Iп
*
= E∑
/ X∑
= 1,021/ 0,894 = 1,141;
Ток К.З. в именованных единицах:
Iп
= Iп
*
*Iб
= 1,141*1000/(1,732*115) = 5,732кA
Ударный ток короткого замыкания:
Iу
= 1,414*Ку
*Iп
= 1,414 * 1,8 *5,732= 14,590кA.
1.2 Метод расчётных кривых
Для решения свернем схему замещения, не смешивая при этом турбо- и гидрогенераторы, систему и синхронный компенсатор, убрав при этом из схемы замещения нагрузки, так они удаленны от точки короткого замыкания.
Также воспользуемся расчётными данными, полученными в аналитическом методе.
Х1
=ХГ1
+ХТ1
= 1,728+1,313 = 3,04;Х2
= ХТ2
+ХН1
= 2,625+10 = 12,625;
Х3
= ХСК
+ХАТН
= 20+1,025 = 21,025; Х4
=ХТ5
+ХГ2
= 2,625 +5,75 = 8,375;
Х5
= ХТ4
+ХГ3
= 2,625+3,825 = 6,45;
Х0
= ХЛ1
/2+ХЛ3
= 3,931/2+1,512 = 3,478;
Рисунок 1.10 – Первый шаг преобразования схемы замещения
Х6
= ХАТВ
+Хл7/2+ХТ3
+ХС
= 0,575+0,945/2+0,666 = 2,401

Рисунок 1.11 – Второй шаг преобразования схемы замещения
Х7
= ХЛ5
+ХЛ6
+ХЛ5
*ХЛ6
/Х5
= 1,512+0,302+1,512*0,302/6,45 = 1,885;
Х8
= ХЛ5
+Х5
+ХЛ5
*Х5
/ХЛ6
= 6,45+1,512+6,45*6,45/0,302 = 40,212;
Х9
= ХЛ6
+Х5
+Х5
*ХЛ6
/ХЛ5
= 0,302+6,45+6,45*0,302/1,512 = 8,042;
Х10
= (ХЛ4
/2*Х7
)/(ХЛ4
/2+Х7
) = (1,058/2+1,885)/(1,058/2+1,885) = 0,413;

Рисунок 1.12 – Третий шаг преобразования схемы замещения
Х11
= ХЛ2
+Х0
+ХЛ2
*ХЛ3
/Х1
= 0,604+3,478+0,604*1,512/3,04 = 2,582;
Х12
= ХЛ2
+Х1
+ХЛ2
*Х1
/Х0
= 0,604+3,931+0,604*3,04/3,478 = 3,357;
Х13
= Х1
+Х0
+Х1
*Х0
/ХЛ2
= 3,04+3,478+3,478*3,04/0,604 = 8,939;

Рисунок 1.13 – Четвертый шаг преобразования схемы замещения
Х14
= (Х12
*Х8
)/(Х12
+Х8
) = (3,357*40,212)/(3,357+40,212) = 3,098;
Х15
= (Х9
*Х13
)/(Х9
+Х13
) = (8,042*8,939)/(8,042+40,212) = 4,107;
Х16
= (Х11
*Х10
)/(Х11
+Х10
) = (2,582+0,413)/(2,582+0,413) = 0,356.

Рисунок 1.14 – Пятый шаг преобразования схемы замещения
Х17
= Х16
+Х15
+Х16
*Х15
/Х4
= 0,356+4,107+0,356*4,107/8,375 = 4,638;
Х18
= Х16
+Х4
+Х16
*Х4
/Х15
= 0,356+8,375+0,356*8,375/4,107 = 9,457;
Х19
= Х4
+Х15
+Х4
*Х15
/Х16
= 8,375+4,107+8,375*14,107/0,356 = 109,026;
Х20
= (Х14
*Х17
)/(Х14
+Х17
) = (3,098*4,638)/(3,098+4,638) = 1,857.
По расчетным кривым найдем расчетные токи генераторов:
ХрасчГГ
= Х18
*(SсумГГ
/Sб
) = 9,457*(40/1000) = 0,378;
ХрасчТГ
= Х20
*(SсумТГ
/Sб
) = 1,857*((78,75+40)/1000) = 0,220;
ХрасчС
= Х6
*(SС
/Sб
) = 2,401*(40/1000) = 3,602;
ХрасчСК
= Х3
*(Sск
/Sб
) = 21,025*(10/1000) = 0,210;
I*пСК
= ЕСК
/ХрасчСК
= 1,12/0,21 = 5,326;
I*пС
= 1/ХрасчС
= 3,602 ;
По расчетным кривым найдем расчетные токи генераторов:
I*пГ
= 3,08
I*пТ
= 4,6;
IпсумТ
= SсумТ
/√3*Uб
= 118,75/1,732*115 = 0,596 кА;
IпсумГ
= SсумГ
/√3*Uб
= 40/1,732*115 = 0,2 кА;
IпсумС
= Sс
/√3*Uб
= 1000/1,732*230 = 7,53 кА;
IпсумСК
= Sск
/ √3*Uб
= 10/1,732*115 = 0,05 кА;
Рассчитаем периодическую составляющую тока короткого замыкания:
Iп
=I*пТ
*IпсумТ
+I*пГ
*IпсумГ
+I*пС
*IпсумС
+IпсумСК
*I*пСК
= =4,6*0,596+3,08*0,2+3,602*7,53+5,326*0,05 = 5,71 кА;
Найдем ударный ток короткого замыкания:
Iу
= 1,414Ку
*Iп
= 1,414 * 1,8 *6,445 =14,55 кА;
Полученный ток отличается от рассчитанного в предыдущем методе на
Δ%=((Iп
-Iп
)/Iп
)*100% = 0,2%.
Задание 2
Использую метод расчетных кривых, определить величину тока при несимметричном коротком замыкании К(1)
в этой же точке для начального момента времени, 0,2с после начала короткого замыкания и в установившемся режиме.
Для нахождения тока однофазного короткого замыкания нужно найти сопротивления прямой, обратной и нулевой последовательностей.
Ток прямой последовательности находится по данным метода расчетных кривых:
Х∑1
=1/(1/X18
+ 1/X20
+ 1/X3
+1/X36
) =
1/(1/9,457+1/1,857+1/21,025+1/2,401) = 0,902;
Найдем сопротивление обратной последовательности генераторов:
Xг1
= х2
*Sб
/Sнг
= 0,166*1000/ 78,75 = 2,108;
Xг2
= х2
*Sб
/Sнг
= 0,2 *1000/40 = 5;
Xг3
= 0,153 *1000/40 = 4,675;
Найдем сопротивление обратной последовательности для заданной схемы по шагам метода расчетных кривых:
Х1
=ХГ1
+ХТ1
= 2,108+1,313 = 3,42;Х2
= ХТ2
+ХН1
= 2,625+10 = 12,625;
Х3
= ХСК
+ХАТН
= 20+1,025 = 21,025; Х4
=ХТ5
+ХГ2
= 2,625 +5 = 7,625;
Х5
= ХТ4
+ХГ3
= 2,625+4,675 = 7,3;
Х6
=ХЛ1
/2+ХЛ3
= 3,931/2+1,512 = 2,401;
Х7
= ХЛ5
+ХЛ6
+ХЛ5
*ХЛ6
/Х5
= 1,512+0,302+1,512*0,302/7,3 = 1,885;
Х8
= ХЛ5
+Х5
+ХЛ5
*Х5
/ХЛ6
= 7,3+1,512+6,45*7,3/0,302 = 45,312;
Х9
= ХЛ6
+Х5
+Х5
*ХЛ6
/ХЛ5
= 0,302+7,3+7,3*0,302/1,512 = 9,062;
Х10
= (ХЛ4
/2*Х7
)/(ХЛ4
/2+Х7
) = (1,058/2+1,885)/(1,058/2+1,885) = 0,413;
Х11
= ХЛ2
+ХЛ3
+ХЛ2
*ХЛ3
/(ХЛ1
/2) = 0,604+1,512+0,604*1,512/(3,931/2) = 2,582;
Х12
= ХЛ2
+ХЛ1
/2+(ХЛ2
*ХЛ1
/2)/ХЛ3
= 0,604+3,931/2+(0,604*3,931/2)/1,512 = 3,357;
Х13
= ХЛ1
/2+ХЛ3
+(ХЛ1
/2*ХЛ3
)/ХЛ2
= 3,931/2+1,512+(3,931/2*1,512)/0,604 = 8,939;
Х14
= (Х12
*Х8
)/(Х12
+Х8
) = (3,357*40,212)/(3,357+40,212) = 3,125;
Х15
= (Х9
*Х13
)/(Х9
+Х13
) = (8,042*8,939)/(8,042+40,212) = 4,375;
Х16
= (Х11
*Х10
)/(Х11
+Х10
) = (2,582+0,413)/(2,582+0,413) = 0,355.
Х17
= Х16
+Х15
+Х16
*Х15
/Х4
= 0,355+4,375+0,355*4,375/7,625 = 4,916;
Х18
= Х16
+Х4
+Х16
*Х4
/Х15
= 0,355+7,625+0,355*7,625/4,375 = 8,603;
Х19
= Х4
+Х15
+Х4
*Х15
/Х16
= 7,625+4,107+7,625*14,107/0,355 = 105,3;
Х20
= (Х14
*Х17
)/(Х14
+Х17
) = (3,125*4,916)/(3,125+4,916) = 1,19.
Суммарное сопротивление обратной последовательности:
Х∑2
=1/(1/X18
+ 1/X20
+ 1/X3
+1/Х6
) = 1/(1/8,603+1/1,19+1/21,025+1/2,401) = 0,906.
Найдем сопротивление нулевой последовательности. Для этого сопротивления линий и сопротивление реактора увеличим в три раза.

Рисунок 2.3- Схема замещения нулевой последовательности

Рисунок 2.4 – Первый шаг преобразования схемы замещения нулевой последовательности
Х1
= 3ХЛ1
/2 = 3*3,931/2 = 5,897;
Х2
= (ХТ5
*ХН2
) /(ХТ5
+ХН2
) = (2,625*10)/(2,625+10) = 2,079;
Х3
= ХАТВ
+ХТ3
+3ХЛ7
/2 = 0,575+0,687+3*0,945/2 = 2,680;
Х4
= 3ХЛ4
/2 = 3*1,058/2 = 1,588;
Х5
= 3ХР
+ХТ4
= 3*4,618+2,625 = 16,48;
Х6
= (ХАТН
*Х3
) /(ХАТН
+Х3
)+ХАТС
= (1,025*2,680)/(1,025+2,680)+0 = 0,741;
Х7
= ХТ1
+3ХЛ2
+ХТ1
*3ХЛ2
/Х1
= 1,312+9*0,604+1,312*3*0,604/5,897 = 3,261;
Х8
= ХТ1
+Х1
+ХТ1
*Х1
/3ХЛ2
= 1,312+5,897+1,312*5,897/3*0,604 = 11,476;
Х9
= Х1
+3ХЛ2
+Х1
*3ХЛ2
/ХТ1
= 5,897+3*0,604+5,897*3*0,604/1,312 = 15,867;
Х10
= 3ХЛ5
+3ХЛ6
+3ХЛ5
*3ХЛ6
/Х5
= 3*1,512+3*0,302+9*1,512*0,302/17,471 = 5,679;
Х11
= 3ХЛ5
+Х5
+3ХЛ5
*Х5
/3ХЛ6
= 3*1,512+17,471+3*1,512*17,471/3*0,302 = 109,366;
Х12
= 3ХЛ6
+Х5
+3ХЛ6
*Х5
/3ХЛ5
= 3*0,302+17,471+3*0,302*17,471/3*1,512 = 21,873;

Рисунок 2.5 – Второй шаг преобразования схемы замещения нулевой преобразования

Рисунок 2.6 – Третий шаг преобразования схемы замещения нулевой последовательности
Х13
= (Х8
*ХТ2
) /(ХТ2
+Х8
) = (11,476*2,625)/(11,476+2,625) = 2,136;
Х14
= (Х6
*Х7
) /(Х6
+Х7
) = (0,741*3,261)/(0,741+3,261) = 0,604;
Х15
= (Х4
*Х10
) /(Х4
+Х10
) = (1,588*5,697)/(1,588+5,697) = 1,240;
Х16
= Х9
+Х13
+Х9
*Х13
/3ХЛ3
= 15,867+2,136+15,867*2,136/3*1,512 = 25,475;
Х17
= Х13
+3ХЛ3
+Х13
*3ХЛ3
/Х9
= 2,136+3*1,152+2,136*3*1,512/15,867 = 7,284;

Рисунок 2.7 – Четвёртый шаг преобразования схемы замещения нулевой последовательности
Х18
= Х9
+3ХЛ3
+Х9
*3ХЛ3
/Х13
= 15,867+3*1,512+15,867*3*1,512/2,136 = 200,202;
Х19
= Х11
+Х12
+Х11
*Х12
/Х5
= 109,366+21,873+109,366*21,873/16,48 = 268,159;
Х20
= Х11
+Х5
+Х11
*Х5
/Х12
= 109,366+16,48+109,366*16,48/21,873 = 214,195;
Х21
= Х5
+Х12
+Х5
*Х12
/Х11
= 16,48+21,873+16,48*21,873/109,366 = 42,839;

Рисунок 2.8 – Пятый шаг преобразования схемы замещения нулевой последовательности
Х22
= (Х14
*Х16
) /(Х14
+Х16
) = (0,604*25,475)/(0,604+25,475) = 0,590;
Х23
= (Х15
*Х18
) /(Х15
+Х18
) = (1,240*200,202)/(1,240+200,202) = 1,233;
Х24
= (Х2
*Х17
) /(Х2
+Х17
) = (2,079*7,284)/(2,079+7,284) = 1,617;

Рисунок 2.9 – Шестой шаг преобразования схемы замещения нулевой последовательности
Х25
= (Х22
*Х20
) /(Х22
+Х20
) = (0,590*214,195)/(0,590+214,195) = 0,855;
Х26
= (Х19
*Х23
) /(Х19
+Х23
) = (268,159*1,233)/(268,159+1,233) = 1,213;
Х27
= (Х21
*Х24
) /(Х21
+Х24
) = (42,839*1,617)/(42,839+1,617) = 1,764;

Рисунок 2.10 - Седьмой шаг преобразования схемы замещения нулевой последовательности
Х28
= Х26
+Х27
= 1,227+1,588 = 2,978;

Рисунок 2.11 – Восьмой шаг преобразования схемы замещения нулевой последовательности
Х29
= (Х28
*Х25
) /(Х28
+Х25
) = (2,978*0,855)/(2,978+0,855) = 0,665;
Сопротивление нулевой последовательности: X∑0
= 0,665
Нахождение тока однофазного короткого замыкания.
Найдем Х∆
:Х∆
= Х∑2
+X∑0
= 0,906+0,665 = 1,571;
Найдем коэффициенты распределения токов:
СТГ
= Х∑1
/ХТГ
= 0,902/1,857 = 0,486;
СГГ
= Х∑1
/ХГГ
= 0,902/9,457= 0,096
ССК
= Х∑1
/ХСК
= 0,902/21,025 = 0,043;
СС
= Х∑1
/ХС
= 0,902/2,401 = 0,375;
Найдем расчетные сопротивления генераторов и системы:
ХрассчТТ
= (Х∑1
+ Х∆
)/Стг
*(S∑
)/ Sб
;
Храссч.ТГ
= (0,902+1,571)/0,486*(40+78,75)/1000 = 0,604;
Храссч.ГГ
= (0,902+0,1,571)/0,096*(40)/1000 = 1,037;
Храссч.С
= (Х∑1
+ Х∆
)/СС
*SС
/ Sб
= (0,902+0,1,571)/0,375*1500/1000 = 9,875;
Храссч.СК
= (Х∑1
+ Х∆
)/ССК
*SСК
/ Sб
= (0,902+1,571)/0,043*10/1000 = 0,576;
По расчетным кривым определим расчетные токи для генераторов в моменты времени 0, 0,2 и ¥ с.:
Iрассч.ТГ 0
= 1,62; Iрассч.ТГ 0,2
= 1,43; Iрассч.ТГ ∞
= 1,63
Iрассч.ГГ 0
= 1,02; Iрассч.ГГ 0,2
= 1,01; Iрассч.ГГ ∞
= 1,3
Найдем расчетный ток системы :
IрассчС
= 1/XрассчС
= 1/9,875 = 0,101;
IрасчСК
= ЕСК
/ХрасчСК
= 1,12/0,576 = 1,943;
Рассчитаем номинальный ток генераторов, синхронного компенсатора и системы:
Iн∑ТГ
= 118,75 /(√3 *115 ) = 0,596 кА
Iн∑ГГ
= 40 /(√3 * 115 ) = 0,20 кА
Iн∑С
= 1500 /(√3 * 115 ) = 7,531 кА.
Iн∑СК
= 10 /(√3 * 115 ) = 0,050 кА.
Коэффициент взаимосвязи токов: m(1)
= 3
Рассчитаем периодическую составляющую тока короткого замыкания для заданного момента времени:
IП0
= m(Iрассч.ТГ0
* Iн∑ТГ
+ Iрассч.ГГ0
* Iн∑ГГ
+ IрассчС
*IнС
+ IрассчСК
*IнСК
)
IП0
= m*(IрасчТГ0
*IнсумТГ
+IрасчГГ
0
*IнсумГГ
+IрасчС
*IнС
+IрасчСК
*IнСК
)
IП0
= 3*(1,62*0,596+1,02*0,20+0,101*7,531+1,943*0,050) = 6,092кА
IП0,2
= m*(IрасТг0,2*IнсумТг+IрасчГг0,2*IнсумГг+IрасчС*IнС+IрасчСК*IнскмСК)
IП0,2
= 3*(1,43*0,596+1,01*0,20+0,101*7,531+1,943*0,050)= 5,746 кА
IП∞
= m*(IрасТГ∞
* IнсумТГ
+IрасчГГ∞
*IнсумГГ
+IрасчС
*IнС
+IрасчСК
*IнСК
)
IП∞
= 3*(1,63*0,596+1,3*0,20+0,101*7,531+1,943*0,050)= 6,278 кА
Задание 3
Построение векторной диаграммы токов и напряжений в точке короткого замыкания для начального момента времени.
Граничные условия
IК
B
1
= 0;
IК
C
1
= 0;
UКА
= 0;
Найдем прямую, обратную и нулевую последовательность тока короткого замыкания:
IКА1
= IКА2
= IКА0
= Iп0
/3 = 6,092/3 = 2,03 кА;
Рассчитаем напряжение прямой последовательности фазы А:
UКА1
= j*IКА1
*(Х∑2
+X∑0
) = j*2,03*(11,985+8,798) = j42,2 кВ
Рассчитаем напряжение обратной последовательности фазы А:
UКА2
= -j*IКА2
*Х∑2
= -j*2,03*11,985 = -j24,33 кВ
Найдем напряжение нулевой последовательности фазы А:
UКА0
= -j*IКА0
*X∑0
= -j*2,03*8,798 = -j17,867 кВ
Рассчитаем напряжения короткого замыкания фаз В и С:
UКВ
= j*IКА1
*[Х∑2
*(а2
-а)+X∑0
(а2
-1)] = j*2,03*[11,985*(а2
-а)+8,798*(а2
-1)]
UКВ
= j*2,03*[11,985*(-j*
)+8,798*(-0,5-j* /2-1)] = 57,62-j26,8 кВ
UКС
= j*IКА1
*[Х∑2
*(а-а2
)+X∑0
(а-1)] = j*1,246*[0,314*(а-а2
)+0,485*(а-1)]
UК
C
= j*2,03*[11,985*(j*
)+8,798*(-0,5+j* /2-1)] = -57,62-j26,8 кВ
Найдем модули напряжений короткого замыкания фаз В и С:
|UКВ
|= 63,55 кВ
|UК
C
|= 63,55 кВ
Векторная диаграмма токов и напряжений представлена на рисунке 3.1, масштаб: 1см = 8,44 кВ
; 1см = 0,8 кА
.
|