| Министерство образования Российской Федерации
Рязанский государственный радиотехнический университет
Кафедра ТОЭ
Расчетно-графическая работа
По теме
Теория электрических цепей
Выполнил
Студент 913 группы
Тюрин Д.М.
Проверил
Мевша А.Л.
Рязань 2010г.
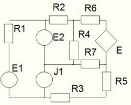
Задание 1
Схема №17
Исходные данные:
R1= 15Ом
R2= 16Ом
R3= 24Ом
R4= 15Ом
R5= 18Ом
R6= 10Ом
R7= 24Ом
E1= 36В
E2= 40В
J1= 1.2A

Решение:
Решим задачу с помощью программы Mathcad.
В начале необходимо ввести значения элементов схемы:
Количество уравнений по 1-ому правилу Кирхгофа: 5
Количество уравнений по 2-ому правилу Кирхгофа: 3
I1
+I8
-I2
=0
I2
+I4
+I6
=0
J1
-I8
-I3
=0
I3
-I4
-I7
=0
I7
+I5
-I6
=0
I1
R1
+I2
R2
-I6
R6
-I5
R5
-I5
I3
=E1
-E
I2
R2
-I4
R4
=E2
I7
R7
+I6
R6
-I4
R4
=E
E=10I3
С помощью программы Mathcad решим полученные уравнения
Результаты
:
I1=-0.713 (A)
I2=1.8 (A)
I3=-1.32 (A)
I4=-0.744 (A)
I5=-0.487(A)
I6=-1.06 (A)
I7=-0.572(A)
I8=2.52(A)
E=-13.2 (B)
2. Потребляемая мощность:
PR
=I1
2
*R1
+I2
2
*R2
+I4
2
*R4
+I5
2
*(R5
+R3)+I6
2
*R6
=96.818(Вт)
Напряжение на источнике тока:
U J
1
=I7
R7
-I5
(R7
+R3
)=6.726 (B)
Мощность, отдаваемая всеми источниками:
Pист
= E1
* I1
+ U J
1
* J1
+E2
I8
+E* I 6
=97.195 (Вт)
PR
=Pист
Вывод: Потребляемая мощность численно равна мощности, отдаваемой всеми источниками. Следовательно, найденные токи верны.
Задание 2
Схема № 35
Исходные данные:
ω = 2200
R1= 200Ом
R2=80Ом
L=90мГн
С=2.5мкФ
е=20cos( ωt+30o
)
j=0.1cos( ωt-60o
)

Решение:
Найдем значения реактивных сопротивлений:
XL
= ωL=2200*0.09=198 (Ом)
XC
=1/(ωC)=1/(2.5 * 10-6
*2200)=181.8 (Ом)
Найдем входное сопротивление Z
вх
между точками 1 и 3:
Z
вх
= 
Вычислим комплексное значение источника тока:

Рассчитаем комплексный ток I1
:

Рассчитаем комплексное напряжение U13
:

Найдём комплексные токи I2
I3
:


Перейдём от комплексов амплитудных значений к мгновенным значениям токов:

Активная мощность:

Реактивная мощность:

Полная мощность:

Рассчитаем напряжение на элементах:




Потенциальная и векторная диаграммы:
Вывод: т.к. Е данное и Е полученное с помощью потенциальной диаграммы равны, то следовательно найденные токи верны
Задание 3.
Построить графики АЧХ и ФЧХ





H(0)=0
H(∞)=

С помощью программы Mathcad построим графики:



|