| Цель работы:
Исследовать устройство и принцип действия токоприемника Л-13У1
Порядок работы:
1. Назначение
2. Конструкция
3. Принцип действия
4. Схема, рисунок
5. Вывод
Назначение:
Токоприемник Л-13У1 предназначен для создания электрического контакта электрооборудования подвижного состава с контактной сетью. Токоприемник Л-13У1 оборудован полозом с угольными вставками.

Рис.1. Токоприемник Л-13У1
1 - верхняя рама; 2 - полоз; 3 – каретка; 4 – нижняя рама
Конструкция:
Токоприемник Л-13У1 состоит из основания, двух нижних рам 4 с системой рычагов для шарнирного соединения с пневматическим приводом и подъемными пружинами. Две верхние рамы 1 шарнирно соединены между собой и с нижними рамами 4. Верхние рамы 1 несут каретки 3 с контактной частью токоприемника — полозом 2.
Принцип действия:
Работа токоприемника осуществляется следующим образом (см. рис.2):
В шарнирах основания 1, укрепленного на опорных высоковольтных изоляторах, установлены два вала 2, которые могут поворачиваться в
ограниченных пределах вокруг своих осей. К каждому из двух валов жестко прикреплены нижние рамы 11, с которыми шарнирно связаны верхние рамы. Верхние рамы связаны одна с другой также шарнирно специальной кареткой к которой прикреплен полоз.

Рис.2. Кинематическая схема токоприемника
1 – шарниры основания; 2 – вал; 3 – цилиндр привода; 4 – опускающие пружины;
5 – промежуточные валы; 6 – синхронизирующая тяга; 7 – поднимающие пружины;
8 – рычаги; 9 – поднимающие рычаги; 10 – опускающие тяги; 11 – нижние рамы
Благодаря наличию синхронизирующей тяги 6, соединенной с рычагами 8, валы и вместе с ними нижние рамы 11 могут поворачиваться только одновременно и симметрично (либо сходиться, либо расходиться).
При повороте нижних рам навстречу одна другой, т. е. левого вала по часовой стрелке, а правого — против нее, токоприемник поднимается. При обратном движении валов он опускается. Растянутые пружины 7, воздействуя на рычаги 9, постоянно стремятся повернуть валы навстречу друг другу, т. е. поднять токоприемник. Сжатые опускающие пружины 4, вмонтированные в цилиндр привода 3, стремятся сблизить поршни. Последние постоянно создают вращающие моменты, приложенные через промежуточные валы 5 и тяги 10 к валам 2 и действующие в направлении опускания токоприемника. Таким образом, пружины 4 и 7 производят противоположные действия. Однако воздействие опускающих пружин всегда сильнее, и, когда нет сжатого воздуха в цилиндре, токоприемник опущен. При подаче сжатого воздуха в цилиндр поршни расходятся, сжимая опускающие пружины и тем самым давая возможность пружинам 7 произвести подъем токоприемника. Под действием пружины 7 валы 2 и вместе с ними нижние рамы поворачиваются навстречу. Они поднимают и разворачивают верхние рамы, что приводит к подъему по вертикали кареток с полозом. Чтобы опустить токоприемник, сжатый воздух выпускают из цилиндра в атмосферу. Опускающие пружины, возвращая поршни с тягами в исходное положение (преодолевая действие подъемных пружин), разворачивают валы в направлении опускания токоприемника.
Подъемные пружины — растянутые, а опускающие — сжатые. Так сделано для обеспечения безопасности обслуживания. При изломе растянутой пружины токоприемник самопроизвольно подняться не может. Излом сжимающей пружины не влияет существенно на опускающее усилие. Таким образом, при любых повреждениях пружин токоприемник будет опущен, что обеспечивает безопасность обслуживающего персонала и предотвращает появление опасных ситуаций, когда невозможно опустить токоприемник.
Вывод:
Исследовали токоприемник Л-13У1, изучили его конструкцию, назначение и принцип действия
Цель работы:
Исследовать устройство и принцип действия главного выключателя ВОВ-25-4М
Порядок работы:
1. Назначение
2. Конструкция
3. Принцип действия
4. Рисунок, схема
5. Вывод
Конструкция:
1. Вывод7. Фланец
2. Поворотный изолятор8. Кронштейн
3. Ножи9. Наклонный изолятор
4. Неподвижный контакт10. Патрубок
5. Полый изолятор11. Воздушный резервуар
6. Нелинейный резистор12. Корпус

Рис.1. Воздушный выключатель ВОВ-25-4М
Основой выключателя ВОВ-25-4М является силуминовый корпус 12 (рис. 1), которым выключатель крепится к крыше электровоза. Уплотнение между корпусом и крышей обеспечивается резиновым шнуром. К корпусу с помощью патрубка прикреплен воздушный резервуар 11 емкостью 32 л. Во время процесса отключения сжатый воздух из резервуара подается в дугогасительную камеру через патрубок 10 и полость наклонного изолятора 9. Из резервуара выведена трубка, предназначенная для выпуска сжатого воздуха и конденсата. Трубка оканчивается в корпусе штуцером, к которому подсоединяется труба с запорным вентилем. Другой штуцер служит для подсоединения питающего воздухопровода.
На верхней части корпуса смонтирована высоковольтная часть выключателя, к которой относится разъединитель, состоящий из ножей 3, укрепленных на поворотном изоляторе 2, неподвижного контакта 4 и дугогасительной камеры, смонтированной в горизонтальном полом изоляторе 5, укрепленном на наклонном изоляторе. На горизонтальном изоляторе установлен нелинейный резистор 6.
Между ножами разъединителя шарнирно укреплен вывод 1, предназначенный для присоединения выключателя к высоковольтной цепи. Вторым выводом выключателя является фланец 7, установленный на полом изоляторе 5. На корпусе закреплен кронштейн 8, на который заземляются ножи разъединителя в отключенном положении. Внутри корпуса смонтированы механизмы управления выключателем. Подвод низковольтных проводов управления и сигнализации к выключателю от цепей электровоза осуществляется через штепсельные разъемы.

Рис.2. Принципиальная схема выключателя
Силовая электрическая цепь выключателя (рис. 2) включает в себя зажим 21, нож 17 разъединителя, неподвижный контакт разъединителя 14, цилиндр 13, трубку 8 с пружинными контактными ламелями 6, подвижной контакт 5, связанный штоком 9 с поршнем 10, неподвижный контакт 4, фланец 3 с выводным зажимом. Поршень 10 постоянно отжимается пружиной 12 в сторону замыкания дугогасительных контактов 5 и 4. Для смягчения ударов поршня при перемещении его вправо (это бывает при отключении выключателя) на нем устроен демпфер 11, набранный из резиновых и стальных шайб. Контактное нажатие между дугогасительными контактами составляет 450 Н. К фланцу 3 прикреплен колпак 1 и ограничитель дуги, оканчивающийся тугоплавким наконечником 2. Место крепления ножей разъединителя к изолятору покрыто колпаком 19.
Контактная поверхность токоведущих деталей с целью обеспечения надежного электрического контакта покрыта слоем серебра. Токоведущая цепь изолирована от корпуса опорными изоляторами 15 и 20.
Воздушный выключатель является основным защитным аппаратом, поэтому он должен быть постоянно готов к действию — к отключению. Возможно и ошибочное включение выключателя на короткозамкнутую цепь, при этом он должен немедленно отключиться. Следовательно, до включения выключателя в его резервуаре должен быть сжатый воздух. Специальное реле давления 44 не допускает, включения выключателя при недостаточном давлении в резервуаре и вызывает его отключение, если давление, снижаясь, достигает минимального уровня. Для включения выключателя (точнее, для включения его разъединителя) необходимо, чтобы в резервуаре 39 был сжатый воздух при определенном давлении, которое контролируется манометром 43 и реле давления 44. Контакт 45 замыкается в том случае, когда давление больше 568 кПа. Если давление меньше, то разомкнутым контактом отключен общий провод цепей управления и включить выключатель невозможно. Если давление стало ниже 470,4 кПа, контакты реле давления приведут в действие отключающий механизм выключателя и произойдет отключение.
Сжатый воздух подводится к резервуару 39 по каналу 41 через обратный клапан 42. Обратный клапан поставлен для предотвращения утечки воздуха из резервуара в случае снижения давления в пневматической системе электровоза. Из резервуара воздух поступает по каналу 47 в полость 49 клапана отключения 31 и по каналу 50 в полость 51 пускового клапана 58. Одновременно через патрон аэрации 22 по каналу 23 осуществляется постоянная дозированная вентиляция полостей наклонного 15 и горизонтального 7 изоляторов. Удерживающая катушка 32 состоит из обмотки 35, якоря 33 и пружины 34. Когда на катушку подано напряжение, она удерживает якорь 33 притянутым в правом положении. Если выключатель (разъединитель) отключен, то толкатель 37, находясь в правом положении, не сжимает пружину и она независимо от наличия напряжения на удерживающей катушке не воздействует на якорь 33. При включенном выключателе толкатель сжимает пружину, и ее усилие стремится переместить якорь влево. Однако якорь удерживается электромагнитными силами катушки в правом положении. Если разорвать цепь удерживающей катушки, то якорь под воздействием пружины переместится влево и рычагом 28 откроет клапан 31, что является начальной операцией отключения выключателя.
Для включения кратковременно нажимается кнопку «Включение ГВ и возврат реле», имеющую пружину возврата. Напряжение 50 В через соответствующие блок-контакты в цепи управления и блок-контакт выключателя, замкнутый в его отключенном положении, подается на включающий электромагнит 59. Он воздействует на пусковой клапан 58. Когда клапан откроется, сжатый воздух из полости 51 по каналу 56 устремится в цилиндр и переместит поршень 55 в левое крайнее положение. Скорость перемещения поршня и соответственно скорость включения разъединителя ограничивается благодаря сжатию воздуха с левой стороны поршня. Воздух в полость 52 перетекает через верхнюю диафрагму, площадь сечения которой регулируется, и клапан 53, благодаря чему устанавливается нужная скорость включения. При движении поршня со штоком 60 и тягой 62 влево рычаг 63 поворачивает вал 61 с изолятором 20 на угол 60° — до замыкания ножа 17 разъединителя с контактом 14 (на виде сверху нож поворачивается против часовой стрелки).
В конце поворота вала рычаг переключает блок-контакты 38, один из которых размыкает цепь включающего электромагнита 59. Сердечник электромагнита возвращается в исходное положение, пусковой клапан закрывается, и сжатый воздух из цилиндра по каналам 56 и 57 уходит в атмосферу. Поршень 55 остается в крайнем левом положении.
При повороте вала 61 в сторону, соответствующую включению выключателя, толкатель 37 перемещается влево, сжимает пружину 34, которая в свою очередь воздействует на якорь 33. Однако якорь электромагнитными силами удерживается в притянутом состоянии. В том случае, когда по каким-либо причинам по удерживающей катушке не протекает ток, под действием пружин якорь перемещается влево, и начинается отключение выключателя.
Чтобы отключить выключатель, нужно привести в действие клапан 31. Для этого необходимо либо разомкнуть цепь удерживающей катушки, либо подать напряжение на отключающий электромагнит 27. Цепь удерживающей катушки может быть разомкнута либо кнопкой «Выключение ГВ». При воздействии как удерживающей катушки, так и отключающего электромагнита рычаг 28 поворачивается по часовой
стрелке, преодолевая усилие пружины 29. Пусковой клапан 31 открывается, из полости 49 сжатый воздух по каналу 30 устремляется к поршню 26, при перемещении которого влево сжимается пружина 46 и открывается главный пусковой клапан 25. Теперь из резервуара 39 поток сжатого воздуха по каналам 24, 16 поступает в дугогасительную камеру горизонтального изолятора и одновременно по каналу 48 в камеру 52 и через диафрагму 54, площадь сечения которой регулируется винтом, в цилиндр поршня 55 привода разъединителя.
В дугогасительной камере под действием возрастающего давления поршень 10 и связанный с ним подвижной контакт 5, сжимая пружину 12, переместятся вправо на 25 мм. Между разрывными контактами возникнет электрическая дуга. Дуга, образовавшаяся между подвижным 5 и неподвижным 4 контактами, выдувается и гасится потоком сжатого воздуха, который попадает в полость головки, а затем выходит в атмосферу. Для ускорения гашения дуги в зоне ее интенсивного горения помещен тугоплавкий наконечник 2, который делит дугу на несколько частей, облегчая ее гашение. Отключение выключателя всегда сопровождается звуком удара и хлопком, соответствующим выбросу сжатого воздуха в атмосферу.
Контакты разъединителя не должны начинать размыкаться до погасания дуги на дугогасительных контактах. Для обеспечения необходимой выдержки времени в выключателе предусмотрена полость 52 и диафрагма 54 с регулируемым сечением: чем меньше сечение диафрагмы, тем больше будет выдержка времени. Через 0,30—0,35 с после начала размыкания дугогасительных контактов поршень 55 под действием сжатого воздуха перемещается в крайнее правое положение, размыкая токоведущую цепь и поворачивая нож разъединителя до замыкания с заземляющим кронштейном 18.
При повороте вала 61 в сторону отключения толкатель 37 перемещается вправо и перестает сжимать пружину. Якорь 33, рычаг 28 и клапан 31 освобождаются от воздействия пружины 34. Пружина в полости 49 закрывает клапан 31. Воздух из-под поршня 26 уходит в атмосферу, закрывается главный клапан 25. После этого давление в камере падает, и поршень 10 с подвижным контактом 5 возвращается в крайнее левое положение: дугогасительные контакты замыкаются. Как в отключенном, так и во включенном положениях вал 61 фиксируется доводящим механизмом 36 со сжатой пружиной. Конденсат из резервуара 39 удаляется через трубку 40.
Вывод:
Исследовали главный выключатель ВОВ-25-4М его назначение, устройство и принцип действия
Цель работы:
Исследовать устройство и принцип действия электропневматического контактора 1КП.006
Порядок работы:
1. Назначение
2. Конструкция
3. Принцип действия
4. Схема-рисунок
5. Вывод
Назначение:
Электропневматические контакторы применяются в электрических цепях с большой мощностью, где токи достигают сотни ампер, и требуется значительное нажатие силовых контактов, а в цепях с напряжением, достигающим несколько киловольт, необходим значительный раствор контактов чтобы исключить возможность пробоя при отключенном контакторе.
Конструкция и принцип действия
1. Плюсовой контакт
2. Упорная планка дугогасительной камеры
3. Верхний дугогасительный рог
4. Дугогасительные контакты
5. Дугогасительная камера
6. Пружина
7. Нижний дугогасительный рог
8. Пружинный замок дугогасительной камеры
9. Изоляционный кронштейн
10. Блокировочные контакты
11. Направляющая изолятора подвижного контакта
12. Катушка вентиля
13. Вентиль
14. Крышка
15. Цилиндр
16. Стержень
17. Внешний вывод
18. Изолятор
19. Соединительный провод
20. Подвижный контактный держатель
21. Ось
22. Неподвижный контакт
23. Главные контакты
24. Изоляционная стойка

Рис.1. Устройство электропневматического контактора
Все узлы и детали контактора собраны на изоляционном стержне 13 (рис. 1). В конструкцию аппарата входят подвижный 9 и неподвижный 10 контакты, дугогасительная камера 15, пневматический привод и блокировочные контакты. Неподвижный контакт представляет собой кронштейн 11 с дугогасительной катушкой 12 и собственно
контактом 10. На кронштейне 6 подвижного контакта шарнирно установлен рычаг 8 держателя 7 с контактом 9. Рычаг связан изоляционной тягой 5 со штоком пневматического привода.
Привод состоит из цилиндра 3, в котором находятся отключающая пружина, шток, поршень и крышка электромагнитного вентиля 2. Поршень уплотнен резиновыми манжетами.
Контактор имеет лабиринтнощелевую дугогасительную камеру 15 из двух боковин (из композиционного материала) и перегородкой на выходе.
Блокировочные контакты изготовлены в виде отдельного узла 1. Контакты мостикового типа с контактными деталями из серебра закрыты прозрачным корпусом. Они установлены на цилиндре 3
пневматического привода и замыкаются или размыкаются под действием скобы 4, закрепленной на штоке привода. Сжатый воздух, поступая в цилиндр привода, перемещает поршень и подвижную
систему контактора и замыкает главные контакты, одновременно переключая блокировочные контакты.
Размыкаются главные контакты под действием отключающей пружины после снятия питания с катушки вентиля. Воздух из цилиндра выходит через вентиль в атмосферу, подвижная система контактора возвращается в исходное положение, размыкая главные контакты. Возникшая между контактами дуга под действием магнитного поля дугогасительной катушки затягивается в щель дугогасительной камеры, где охлаждается, удлиняется и гаснет.
На пневматическом выводе электромагнитного вентиля имеется втулка с калиброванным отверстием диаметром 1,5 мм, через которое сжатый воздух равномерно поступает в цилиндр привода. Поэтому при включении контакты не испытывают ударных нагрузок.

Рис.2. Кинематическая схема электропневматического вентиля
1. Основание2. Главный подвижный контакт
3. Главный неподвижный контакт4. Дугогасительная катушка
5. Разрывной подвижный контакт6. Рычаг
7. Отключающая пружина8. Цилиндр
9. Катушка вентиля10. Вентиль
11. Планка12. Блок-контакты
Вывод:
Исследовали электропневматический контактор 1КП.006 его назначение, устройство и принцип действия.
Цель работы:
Исследовать устройство и принцип действия электропневматического вентиля
Порядок работы:
1. Назначение
2. Устройство
3. Принцип действия
4. Рисунок
5. Вывод
Назначение:
1. Корпус9. Ствол выпускного клапана
2. Выпускной клапан10. Впускной клапан
3. Сердечник11. Пружина
4. Катушка12. Ярмо
5. ЯкорьР. Резервуар сжатого воздуха
6. КрышкаЦ. Цилиндр аппарата
7. КнопкаА. Атмосфера
8. Шпильки
Многие аппараты электровозов переменного тока имеют пневматический привод, который действует при подаче сжатого воздуха в его цилиндр. Доступ сжатому воздуху из резервуара в цилиндры приводов аппаратов и из этих цилиндров в атмосферу открывают и закрывают пневматические клапаны. Управление пневматическими клапанами осуществляется с помощью электромагнитов.
Электромагнит и система клапанов чаще всего размещены в одном аппарате. Простейшим таким аппаратом является электропневматический вентиль.
Вентиль при невозбужденном состоянии своей катушки соединяет цилиндр аппарата, на котором он установлен, с атмосферой и отсоединяет его от источника сжатого воздуха. При возбужденном состоянии катушки вентиль соединяет цилиндр аппарата с источником сжатого воздуха и отсоединяют его от атмосферы.

Рис. 1. Электропневматический вентиль
Устройство и принцип действия:
Вентиль включающего типа состоит из корпуса 1 (рис. 1), которым он прикреплен к соответствующему аппарату. Корпус имеет отверстия, ведущие: Р — к резервуару сжатого воздуха, Ц — к цилиндру аппарата и А — к атмосфере. Внутрь корпуса запрессована бронзовая втулка (седло) для клапанов 2 и 10. При возбуждении катушки якорь 5 под действием магнитного потока поворачивается относительно острой грани ярма 12 и нажимает на ствол 9 выпускного клапана 2. Последний своей притирочной поверхностью прижимается к седлу и отсоединяет цилиндр привода от отверстия А, т. е. от атмосферы. Одновременно с этим выпускной клапан 2 давит на ствол впускного клапана 10, преодолевая сопротивление пружины 11. Сжатый воздух поступает через отверстие Р в пространство между притирочными поверхностями впускного клапана и седла и через отверстие Ц в цилиндр привода аппарата.
При прекращении питания катушки 4 пружина 11, преодолев вес обоих клапанов и якоря, отжимает их кверху, вследствие чего доступ сжатого воздуха в цилиндр аппарата прекращается. Отверстие Ц соединяется при этом с отверстием А, и сжатый воздух из цилиндра аппарата выходит в атмосферу.
В сердечник 3 вклепаны две медные шпильки 8 для предохранения якоря от залипания. Проверку работы вентиля вручную производят кнопкой 7, установленной в крышке 6, из немагнитного металла. Выход воздуха в атмосферу регулируется винтом, ввернутым в отверстие А.
Вентили ВВ открытого исполнения применяются двух типов: ВВ-2 и ВВ-3, различающихся расчетными данными катушек. Вентили ВВ-3 снабжены медными демпферными кольцами. При включении и отключении катушки изменяющийся магнитный поток наводит в этих кольцах вихревые токи. Их магнитный поток действует соответственно навстречу или согласно со спадающим потоком катушки, в результате этого происходит замедление и смягчение работы клапанов.

Рис. 2. Кинематическая схема вентиля
1. Кнопка проверки2. Якорь
3. Шток4. Катушка
5. Сердечник6. Ярмо
7. Выпускной клапан8. Клапанная коробка
9. Впускной клапан10. Пружина
Вывод:
Исследовали электропневматический вентиль его назначение, устройство и принцип действия
Цель работы:
Исследовать устройство и принцип действия выключателя цепей управления
Порядок работы:
1. Назначение
2. Устройство
3. Принцип действия
4. Рисунок
5. Вывод
Назначение:
Дистанционное управление токоприемниками, главным выключателем, переключателями, контакторами и другим оборудованием, не связанным с режимом ведения поезда, осуществляют с помощью кнопочных выключателей, расположенных в кабинах машиниста и в проходах кузова. Их часто называют кнопками управления. Кнопочные выключатели работают в цепях управления электровоза с напряжением 50 В постоянного тока.

Рис.1. Устройство кнопочного выключателя
1 – Рукоятка; 2 – Ось; 3 – Пружина
Устройство и принцип работы:
Рукоятка 1 (рис. 1) каждого выключателя сидит на оси 2, общей для всех выключателей. Подвижной и неподвижный контакты соединены с выводными зажимами. Пружина 3 обеспечивает фиксированное положение выключателей, создает необходимое контактное нажатие и перекидывает подвижной контакт из одного положения в другое с большой скоростью независимо от того, с какой скоростью машинист перемещает рукоятку. Большая скорость замыкания и размыкания предотвращает длительное горение дуги и тем самым подгар контактов.

Рис.2. Кнопочный выключатель
Выключатели монтируют в корпусе 10 (рис. 2) со съемным щитком 8. Рукоятки 3 расположены на общей оси 7. Подвижные контакты 2 имеют дугообразную форму. Внутри дуги установлены пружины 4. Подвижные и неподвижные 9 контакты соединены с выводными клеммами.
Некоторые кнопки, например «Включение ГВ и возврат реле», не имеют фиксированного включенного положения. Такие кнопки под действием дополнительной пружины возвращаются в исходное положение. Кнопочные выключатели ответственных цепей (например, токоприемников, главного выключателя и т. п). имеют съемную блокировочную рукоятку 1 (иногда ее называют ключом). При повороте рукоятки валик 5 с пальцем 6 делает невозможным включение кнопок. Снять блокировочную рукоятку можно только тогда, когда кнопки заперты.
Вывод:
Исследовали выключатель цепей управления его назначение, устройство и принцип действия.
Цель работы:
Исследовать устройство и принцип работы двухпозиционного кулачкового переключателя ПКД-142
Порядок работы:
1. Назначение
2. Устройство
3. Принцип действия
4. Рисунок
5. Вывод
Назначение:
Направление движения электровоза изменяют, меняя направление вращения тяговых двигателей, для чего необходимо изменить направление тока в обмотках главных полюсов двигателей. Для перехода от тягового режима к режиму электрического торможения также необходимо выполнить переключения в цепях тяговых двигателей. И те, и другие переключения производят в обесточенных цепях тяговых двигателей специальными кулачковыми переключателями. Эти двухпозиционные переключатели, предназначенные для выполнения переключений в цепях обмоток двигателей с целью изменения направления движения, называются реверсорами.
Устройство:

Рис.1. Переключатель кулачковый двухпозиционный ПКД-142
1. Боковина8. Вентиля
2. Цилиндр9. Шпильки
3. Рычаг10. Кулачковые элементы
4. Кулачковый вал11. Кулачковые шайбы
5. Блокировочные контакты12. Нижний подвижный контакт
6. Зубчатая передача13. Нижний неподвижный контакт
7. Рейка
На рейках 7 (рис. 1) каркаса, состоящего из боковин 1, стянутых шпильками 9, укреплены четыре кулачковых элемента 10. Кулачковый вал 4 и электропневматический привод — два вентиля 8, цилиндр 2 и рычаг 3—смонтированы на боковинах 1. Переключатель имеет две фиксированные позиции. В одной из них замкнуты верхние контакты, а нижние 12 и 13 разомкнуты; в другой, наоборот, верхние разомкнуты, а нижние замкнуты. Включение и отключение контакторных элементов производятся фигурными кулачковыми шайбами 11, сидящими на валу 4. Кулачковый элемент переключателя представляет собой отдельно собранный блок. Дугогасящих устройств на нем нет, поскольку операции переключения производятся при обесточенных цепях. Каждый контакторный элемент имеет две пары размыкаемых стыковых контакторов 12 и 13 и скользящий (неразмыкаемый) контакт. Необходимое контактное нажатие достигается пружинами.
В верхней части переключателя установлен комплект блокировочных контактов 5. Переключение их производится кулачковыми шайбами, насаженными на специальный вал, который связан, с главным кулачковым валом через зубчатую передачу 6.
Принцип действия:

Рис.2. Привод переключателя ПКД-142
Привод переключателя ПКД-142— электропневматический. В цилиндр корпуса 1 (рис. 2) помещен поршень 2. Перемещение поршня передается через тягу 3 рычагу 4, размещенному на кулачковом валу 5. Если возбужден один вентиль 6, например правый, то поршень перемещается в противоположную (левую) сторону и тягой поворачивает рычаг с кулачковым валом по часовой стрелке, устанавливая его в одно из фиксированных положений. При возбуждении другого вентиля поршень перемещается вправо, поворачивая вал в другое фиксированное положение.

Рис.3. Кулачковый блокировочный контакт
Блок-контакты представляют собой малогабаритные кулачковые контакторы закрытого исполнения (рис. 3). В корпусе 3 сжатая пружина 7 постоянно отжимает шток 6 в положение, при котором контакты 9, соединенные с контактными зажимами 8, замыкаются подвижным пружинящим контактом 4. Благодаря тому, что подвижной контакт выполнен в виде коромысла, замыкание контактов происходит с притиранием; это уменьшает переходное сопротивление и износ контактов. Если под ролик 1, сидящий на оси 2, подходит впадина кулачковой шайбы, то под действием пружины контакты замыкаются. Если же под ролик подходит выступ кулачковой шайбы, то он вместе с осью 5, штоком 6 и подвижным контактом 4, преодолевая усилие пружины, перемещается вверх.
При этом контакты размыкаются.
В тяговом режиме электровоза обмотки возбуждения двигателей соединены последовательно с якорями. В тормозном режиме двигатели, работающие в генераторном режиме, имеют независимое возбуждение. Их обмотки возбуждения, соединяют последовательно и подключают к независимому источнику питания. Для переключения обмоток возбуждения двигателей во время перевода электровоза из тягового режима в тормозной и обратно служит тормозной переключатель, в качестве которого используют кулачковый двухпозиционный переключатель того же типа (ПКД-142). Кулачковый контакторный элемент переключателя ПКД-142 рассчитан на напряжение 3000 В, длительный ток 850 А и ток короткого замыкания 15 кА в течение 0,1 с. Блок-контакты переключателя допускают длительный ток 15 А, способны отключать ток до 6 А при напряжении 50 В.
Вывод:
Исследовали двухпозиционный кулачковый переключатель ПКД-142 его назначение, устройство и принцип работы
Цель работы:
Исследовать устройство и принцип работы ЭКГ-8
Порядок работы:
1. Назначение
2. Устройство
3. Принцип работы
4. Рисунок
5. Вывод
Назначение:
Переход от одной ступени регулирования напряжения к другой представляет собой короткий цикл однотипных операций отключения и включения с одинаковой последовательностью. Это позволяет систему переключения ступеней регулирования, а также схему управления на электровозах переменного тока сделать достаточно простыми и переключающую аппаратуру и оборудование расположить на электровозе в одном месте, иногда даже в одном агрегате, называемом переключателем ступеней, который для удобства монтажа размещают вблизи тягового трансформатора. Переключатели ступеней предназначены для переключения силовых цепей с целью регулирования напряжения на тяговых двигателях.
Устройство
Переключатель ступеней, выполненный в виде группового контроллера ЭКГ-8 (электровозный контроллер главный) представляет собой набор кулачковых контакторных элементов (кулачковых контакторов), производящих переключения. Каждый из них имеет свою кулачковую шайбу, профилем которой определяется включенное или отключенное состояние контакторного элемента на заданных позициях контроллера. Кулачковые шайбы насажены на три вала взаимно связанных соответствующими механическими передачами, благодаря чему все операции замыкания и размыкания контакторов происходят в строго определенной последовательности. С основными кулачковыми валами зубчатыми передачами связаны кулачковые валы блокировочных контакторных элементов (блок-контактов), замыкающихся и размыкающихся на заданных ступенях регулирования. При наборе позиций кулачковые валы вращаются в одну сторону и контакторы включаются и отключаются в определенной последовательности. В процессе сброса позиций кулачковые валы вращаются в другую сторону и контакторы включаются и отключаются в обрат                ной последовательности. Необходимую очередность работы контакторных элементов обеспечивают, подбирая для каждого элемента соответствующий профиль кулачковой шайбы. Кулачковые валы имеют двигательный привод, которым управляет машинист с помощью контроллера машиниста, расположенного в кабине. Одной из главных особенностей контроллера ЭКГ-8 является наличие в нем контакторных элементов двух типов: с дугогашением и без дугогашения. Замыкание и размыкание силовых цепей под нагрузкой осуществляют четыре контакторных элемента с дугогашением - А, Б, В и Г (рис. 1), а переключения в обесточенных цепях - 30 контакторных элементов без дугогашения (9 - 40, исключая 34, 38).

Рис.1. Схема соединений контакторных элементов контроллера ЭКГ-8

Рис.2. Главный контроллер ЭКГ-8
1. Контакты без дугогашения5. Блок-контакты
2. Контакты с дугогашением6. Станина
3. Электропневматические вентили7. Продольные рейки
4. Приводной двигатель
В контроллере ЭКГ-8 (рис. 2) на четырех продольных рейках 7 закрепленных в станине 6, установлено 34 контакторных элемента: четыре с дугогашением 2 и 30 без дугогашения 1. В числе их 12 контакторных элементов переключателя обмоток. Последние расположены в противоположной стороне от привода. Для эффективного гашения дуги, возникающей на контактах при разрыве цепи с током, через электропневматические вентили 3 подводится сжатый воздух к контакторным элементам с дугогашением.
Приводной двигатель 4 со специальным редуктором расположен справа вблизи контакторных элементов с дугогашением. Двигатель через редуктор приводит во вращение три кулачковых вала: один, с которым связаны контакторные элементы переключателя ступеней без дугогашения, и второй, полый, на который насажены кулачковые шайбы контакторных элементов с дугогашением. Третий кулачковый вал — вал контакторных элементов переключения обмоток (встречное или согласное соединение) — расположен с противоположной стороны от приводного двигателя и приводится во вращение через зубчатую передачу от первого кулачкового вала.
Внизу, справа от приводного двигателя, расположены блок-контакты 5 контроллера. Их иногда называют блокировочными контакторными элементами, или кулачковыми контакторами цепей управления.
Все контакторные элементы контроллера ЭКГ — кулачкового типа. Это значит, что кулачковая шайба, поворачиваясь, либо отжимает рычаг с подвижным контактом — тогда контактор выключается, либо дает возможность пружине прижать рычаг с подвижным контактом к неподвижному — тогда контактор включается. Основное назначение контактора с дугогашением — размыкать цепь под током, поэтому у него имеются устройства, обеспечивающие быстрое гашение возникающей на его контактах электрической дуги, что предотвращает интенсивный износ и повреждение контактов.
Принцип действия:

Рис.3. Контакторный элемент с дугогашением (а), его электрическая схема (б) и общий вид (в).
Основной подвижной частью контактора является фигурный рычаг 6, смонтированный на оси 01, вокруг которой он может поворачиваться. В верхней части фигурного рычага жестко укреплен контакт 16 и на оси 02 рычаг 10 с подвижным контактом 12. В нижней изогнутой части фигурного рычага посажен свободно вращающийся ролик 4. Пружина 1 постоянно стремится повернуть рычаг вокруг оси 01 по часовой стрелке, а пружина 9 - рычаг 10 вокруг оси 02 также по часовой стрелке. Таким образом, обе пружины создают усилия, действующие в направлении замыкания подвижных контактов с неподвижными. Однако, в каком положении находятся контакты — замкнуты они или разомкнуты, зависит от того, на каком участке профиля кулачковой шайбы 5 находится ролик 4. Если при повороте кулачкового вала ролик оказывается во впадине профиля кулачковой шайбы (это положение показано на рис. 3а), то под действием пружин контакты замыкаются. Если ролик находится на выступе кулачковой шайбы, то контакты разомкнуты.
Проследим, как происходит отключение контактора с дугогашением. Когда под ролик подходит выступ кулачковой шайбы, рычаг 6 начинает поворачиваться против часовой стрелки. Сначала, при небольшом повороте рычага, размыкаются нижние контакты 16, а верхние благодаря тому, что одновременно повернулся рычаг 10 на оси 02, остаются замкнутыми. В результате дальнейшего накатывания ролика на кулачковую, шайбу и поворота рычага 6 против часовой стрелки рычаг 10 упирается в верхний конец 11 рычага 6, и тогда начинается размыкание верхних контактов.
В процессе включения контакторного элемента все операции происходят в обратном порядке. Когда к ролику подходит впадина кулачковой шайбы, рычаг 6 вместе с рычагом 10 поворачивается по часовой стрелке. В результате замыкаются сначала верхние контакты, а затем нижние.
В процессе отключения контакторного элемента сначала размыкаются токонесущие контакты, и дуга между ними практически не образуется, так как в это время существует обходная электрическая цепь через разрывные контакты. Затем размыкаются разрывные контакты, и между ними образуется дуга. Эти контакты размещают в дугогасительной камере, которая находится между магнитными полюсами.
Дугогасительная камера ограничивает область распространения дуги, предупреждая переброс ее на соседние контакторы контроллера. В камере осуществляется разрыв и гашение дуги.
Таким образом, и размыкание цепи под нагрузкой, и замыкание ее осуществляют верхние контакты (рис. 3б). Чтобы в какой-то мере уменьшить повреждение контактов, их изготовляют из тугоплавкого материала, который может выдерживать высокие температуры, возникающие при горении электрической дуги. В качестве такого материала применяют металлокерамическую композицию МВ-70 (медь — 27%, никель — 3,5% и вольфрам — 69,5%). Но такие контакты, имея сравнительно большое сопротивление, не могут длительно пропускать большой ток, так как они сильно перегреваются.
Поэтому предусмотрены нижние токонесущие, или, как их иногда называют, главные контакты, через которые протекает почти весь ток контакторного элемента. Изготовлены они из материала с малым переходным сопротивлением — металлокерамической композиции СОК-15 (серебро — 85%, окись кадмия—15%). Когда контакторный элемент включен, обе пары контактов замкнуты и для тока существуют две цепи: через верхние разрывные и через нижние токонесущие контакты. Однако сопротивление разрывных контактов значительно больше, чем токонесущих. Поэтому основная часть тока протекает через нижние контакты и лишь очень небольшая часть — через верхние.
Детали каждого контакторного элемента с дугогашением скомпонованы между двумя изоляционными боковинами 2 (рис. 3 а и в), которые являются несущими элементами конструкции. Боковины крепят к двум продольным изолированным рейкам с помощью полухомута и прижима, что позволяет просто и быстро снимать контакторный элемент с контроллера.
Разрывные контакты находятся в зоне магнитного поля, создаваемого в магнитопроводе 15 витками 14. Направление магнитного потока обеспечивает выталкивание образующейся между контактами дуги вверх в дугогасительную камеру 13. Этому помогает и струя сжатого воздуха, подаваемого снизу вверх. В дугогасительной камере помещена деионная решетка, которая делит дугу на ряд последовательных дуг и тем самым ускоряет гашение. Чтобы предотвратить разрушение шарнирных соединений при протекании больших токов, шарнир рычага 10 с фигурным рычагом 6 шунтирован гибким проводом 8. Гибким проводом 3 подводится ток к подвижному рычагу 6.

Рис.4. Контакторный элемент без дугогашения
Контакторный элемент без дугогашения предназначен для замыкания и размыкания обесточенных электрических цепей. Поэтому в отличие от контакторного элемента с дугогашением он не имеет разрывных контактов и дугогасительной системы. Контакты его так же, как и токонесущие контакты элемента с дугогашением, снабжают напайками нз композиции СОК-15, имеющими малое переходное сопротивление.
Детали контакторного элемента без дугогашения, как и элемента с дугогашением, собраны на боковине 2 (рис. 4). Пружина 1 отжимает рычаг 3 в направлении поворота его вокруг оси 4 по часовой стрелке, что приводит к замыканию подвижного контакта 6 с неподвижным. Компенсатор 5 играет такую же роль, как и в контакторе с дугогашением. Крепление всех контакторных элементов унифицировано. Винтом хомут 7 прижимается к верхней рейке контроллера, обхватывая ее. Нижняя часть контактора опирается на нижнюю рейку контроллера и снизу крепится хомут (на рисунке не показан).
Блокировочные контакторные элементы (блок-контакты) осуществляют замыкания и размыкания в цепях управления на заданных позициях контроллера под током при напряжении 50 В. Поскольку при такой небольшой мощности возникающая дуга (точнее, искрение) быстро гаснет, то на блок-контактах нет необходимости предусматривать устройства для гашения дуги. Конструкция этих элементов несложна. На изолированном основании 1 (рис. 5) жестко укреплен неподвижный контакт 6, на оси 3—рычаг 4 с держателем 5 подвижного контакта. Рычаг состоит из двух частей, что обеспечивает притирание контактов при их замыкании. Сжатая пружина 7 стремится повернуть рычаг против часовой стрелки, т. е. замкнуть контакты. Однако будут контакты замкнуты или разомкнуты, зависит от того, в каком положении находится кулачковая шайба. Если под роликом 2 находится впадина кулачковой шайбы, контакты будут замкнуты, если — выступ, то разомкнуты.

Рис.5. Устройство блокировочного контакторного элемента
Кулачковые шайбы прессуют из пластмассы АГ-4, получая готовый профиль, не требующий дополнительной обработки. На внутреннем отверстии шайбы контакторных элементов без дугогашения сделано десять шпоночных пазов, благодаря чему шайба может быть поставлена на кулачковый вал в одно из десяти положений.
Привод главного контроллера. Кулачковые валы контакторных элементов и одновременно кулачковые валы блок-контактов приводятся во вращение электродвигателем работающим при напряжении цепи управления 50 В. Между этим двигателем и кулачковыми валами поставлены предельная муфта и редуктор. Предельная муфта предотвращает в случае какого-либо аварийного заклинивания привода или кулачковых валов (например, прн попадании посторонних предметов) поломку привода. При заклинивании она проскальзывает и вращающий момент от двигателя не передается редуктору и кулачковым валам.
Основное назначение редуктора — преобразование равномерного вращения якоря двигателя в неравномерное вращение кулачковых валов контроллера. С одной стороны, для того, чтобы на размыкающихся контактах не возникала устойчивая дуга, они должны расходиться быстро и соответственно кулачковый вал во время размыкания контактов должен вращаться быстро. С другой стороны, после того, как переключения закончились и установлена фиксированная позиция, кулачковый вал должен сразу остановиться (чтобы не «сбить» позицию), несмотря на продолжающееся по инерции вращение двигателя и зубчатых передач.

Рис.6. Устройство передачи с мальтийским крестом
Следовательно, необходимо, чтобы кулачковый вал вращался неравномерно при равномерном вращении приводного двигателя. Это и обеспечивает специальный редуктор, в котором передача выполнена с использованием так называемого мальтийского креста. На ведущем валу 2 (рис. 6) посажен диск 1 с двумя поводками — цевками 3 и фиксаторами 4 положения мальтийского креста 5, посаженного на ведомом валу 6. В начале вращения ведущего вала, пока поводок не вошел в прорезь мальтийского креста, ведомый вал остается неподвижным, его положение фиксируется специальным профилем креста и фиксатором. Далее поводок, войдя в прорезь — «зацепившись», будет поворачивать мальтийский крест, причем с неравномерной скоростью. Наибольшая частота вращения ведомого вала при равномерном вращении ведущего будет, когда поводок приблизится к ведомому валу, т. е. когда займет верхнее положение.
Рассмотрим кинематическую схему привода (рис. 7). От двигателя 18 вращение через шестерню ручного привода с рукояткой 17 и предельную муфту 1 передается червяку 16, а затем валу червячного колеса, который вращается равномерно, но со скоростью, в 10 раз меньшей, чем двигатель. От вала червячного колеса движение передается кулачковым валам 12 (дугогасящие контакторы), 11 (контакторы без дугогашения переключателя и ступеней) и 9 (контакторы без дугогашения переключателя обмоток). Цевка поводка 3, поворачиваясь, входит в паз креста 4, поворачивает его и через зубчатую передачу с передаточным отношением i=1:2 приводит во вращение вал 12. Одновременно от вала червячного колеса через зубчатую передачу с i=1:1,5 вращение передается полому валу 5, на который насажен одноцевочный поводок 6. Далее через мальтийский крест 7, зубчатую передачу с i=3:10 вращение передается кулачковому валу 11 и от него через зубчатую передачу 10 валу 9. Концевой упор 8 позволяет вращаться валу 9 в пределах 342°, что соответствует возможности вращения вала 11 в пределах 342°х2=684° (зубчатая передача с i= 1:2).

Рис.7. Кинематическая схема привода ЭКГ-8
Переход с одной позиции на другую совершается за 15 оборотов шестерни двигателя, или за 1,5 оборота червячного колеса. Переход условно можно разбить на три этапа. Первый этап: поворот червячного колеса на пол-оборота (на 180°), одновременно двухцевочный поводок 3 поворачивается на 180°, крест 4 на 60°, вал 12 на 30°, полый вал 5 и одноцевочный поводок 6 на 180°: 1,5=120°. Поскольку цевка поводка 6 не дошла до креста 7, то крест 7, шестерня 13, валы 11 и 9 остаются неподвижными. Второй этап: червячное колесо поворачивается еще на 180°, одновременно вал 12 поворачивается на 30°, и теперь уже цевка поводка 6, проходя дугу в 120°, поворачивает крест 7 на 60°, вал 11 на 18° и вал 9 на 9°. Третий этап: червячное колесо поворачивается еще на 180°, вал 12 - еще на 30°, а валы 11 и 9 остаются неподвижными. Во время первого этапа отключается один из четырех контакторов с дугогашением, во время второго один из контакторов без дугогашения размыкается, а другой затем замыкается.
Во время третьего этапа замыкается тот контактор с дугогашением, который вначале разомкнулся.
От вала червячного колеса через зубчатую передачу 1:4,5 получает вращение кулачковый вал 2 блок-контактов. Сельсин-датчик 15 через зубчатые передачи связан с валом 11. На промежуточном валу 14 установлен указатель позиций. Второй указатель позиций находится на выходном конце вала 9.
Для того чтобы в зимнее время масло в редукторе не застывало и не создавало большого сопротивления, редуктор снабжен электрическим нагревателем мощностью 130 Вт, напряжением 50 В.
Групповой контроллер имеет многочисленные блок-контакты, объединенные в две различные группы. Первая состоит из 14 блок-контактов и приводится в действие валом, связанным с валом червячного колеса привода. Вторая состоит из 17 блок-контактов и приводится в действие кулачковым валом, связанным с кулачковым валом силовых контакторных элементов без дугогашения. Диаграммы замыканий и размыканий блок-контактов контроллера на различных электровозах различны.
Переход с одной ступени на другую состоит из четырех операций, выполняемых последовательно одна за другой после кратковременных пауз: отключение контакторного элемента с дугогашением, отключение одного контакторногоэлемента без дугогашения, включение другого контакторного элемента без дугогашения и включение контакторного элемента с дугогашением, который отключился первым. Например, при переходе с 25-й на 26-ю позицию (рис. 8) сначала размыкается контакторный элемент Б, а затем элемент 23, далее замыкается элемент 24 и после этого контакторный элемент Б. Отличие 26-й позиции от 25-й заключается только в том, что на 26-й включен контакторный элемент 24, а на 25-й — 23. Оба контакторных элемента 23 и 24 (без дугогашения) производят операции в обесточенных цепях, для чего предварительно контакторный элемент Б кратковременно, только на время перехода, размыкает эти цепи. Все контакторные элементы с дугогашением А, Б, В и Г на всех позициях замкнуты и лишь кратковременно на время для переключения в «своих» цепях контакторами без дугогашения поочередно размыкаются.

Рис.8. Диаграмма замыканий и размыканий контакторных элементов ЭКГ-8
  Главный контроллер ЭКГ-8 имеет 33 фиксированные позиции, набор которых осуществляется (при напряжении 50 В) меньше чем за 0,5 мин. Контакторные элементы изолированы относительно корпуса на напряжение 3100 В, рассчитаны на ток 1300 А и на напряжение 260 (с дугогашением) и 1100 В (без дугогашения); они имеют раствор контактов 20—26 (разрывные контакты) и 22—30 мм (главные контакты). Блокировочные контакты рассчитаны на ток 30 А и напряжение 50 В.
Вывод:
Исследовали многопозиционный групповой переключатель ЭКГ-8, его назначение, устройство и принцип работы.
Цель работы:
Исследовать устройство и принцип действия контроллера машиниста КМЭ-70
Порядок работы:
1. Назначение
2. Устройство
3. Принцип действия
4. Рисунок
5. Вывод
Назначение:
В процессе ведения поезда электровоз работает и в режиме тяги, и в режиме торможения, и на выбеге. Сила тяги и сила торможения может регулироваться вручную либо автоматически по заданным параметрам. Аппараты, используемые для регулирования работы преобразовательных установок и тяговых двигателей - блоки управления, переключатели ступеней, реверсор, контакторы, переключатели и др. имеют дистанционное управление. Цепи управления выведены в кабину машиниста к пульту и в основном к контроллеру машиниста. Контроллер машиниста предназначен для управления аппаратами силовой цепи в режиме тяги и электрического торможения. Машинист с помощью контроллера устанавливает направление движения, увеличивает силу тяги, осуществляя набор позиций, или уменьшает силу тяги, производя сброс позиций (причем он может это делать опять же с помощью контроллера, либо по одной позиции, либо автоматически до любой выбранной им позиции), а на электровозах с электрическим торможением задает режим торможения для остановки поезда или для поддержания определенной скорости.
Контроллер машиниста состоит из низковольтных аппаратов—в основном кулачковых переключателей. На контроллерах, предназначенных для электровозов без электрического торможения, имеются два переключателя, а с торможением — три и некоторое дополнительное оборудование. Каждый переключатель состоит из кулачкового вала, на верхнем конце которого установлена рукоятка, и кулачковых контакторных элементов (контакторов). Переводя рукоятки контроллера из одного положения в другое, машинист меняет режим ведения поезда. Каждой кулачковой шайбе, посаженной на вал, соответствует определенный кулачковый контактор. Контроллер установлен в кабине таким образом, что рукоятки его находятся у машиниста под левой рукой; у правой руки машиниста расположены рукоятки и кнопки управления пневматическими тормозами электровоза и поезда.

Рис. 1. Внешний вид
Устройство:
1. Верхнее основание5. Нижнее основание
2. Кулачковый переключатель6. Рейка
3. Рейка7. тормозной переключатель
4. Реверсивный переключатель

Рис.2. Контроллер машиниста КМЭ-70
Контроллер машиниста КМЭ-70 состоит из главного кулачкового переключателя 2 (рис. 2), реверсивного переключателя 4, тормозного переключателя 7, механической блокировки, переключателя тормозной силы и сельсина, являющегося датчиком напряжения для системы регулиро вания реостатного напряжения. Узлы контроллера машиниста смонтированы в каркасе, представляющем собой два основания — верхнее 1 и нижнее 5, жестко соединенных рейками З и 6.
Принцип действия:
При постановке рукоятки в ту или другую позицию происходит замыкание одних и размыкание других контакторов в соответствии с диаграммой замыканий, показанной на рис. 3, 4 и 5.

Рис.3. Диаграмма замыканий контакторов главного вала КМЭ

Рис.4. Диаграмма замыканий контакторов реверсивного вала КМЭ

Рис.5 Диаграмма замыканий контакторов тормозного вала КМЭ
Позиции рукоятки 3 (рис. 6) главного переключателя, рукоятки 4 реверсивного и рукоятки 2 тормозного переключателя указаны на шкалах, укрепленных на контроллере. Расположение позиций неслучайно. Оно имеет определенный, логический смысл и закономерность. Любое изменение позиций (например, перестановка местами РП и АП) исключило бы возможность управления электровозом.
Главный переключатель контроллера служит для управления тяговым режимом электровоза. Он имеет следующие позиции: 0—нулевая; АВ—автоматическое выключение; РВ—ручное выключение; ФВ—фиксация выключения; ФП—фиксация пуска; РП— ручной пуск; АП—автоматический пуск; БВ—быстрое выключение. Позиции АП и БВ не фиксированные, с самовозвратом рукоятки. Остальные позиции - фиксированные.
Кулачковый вал реверсивного переключателя установлен соосно с валом главного переключателя. Реверсивный переключатель служит для управления реверсорами, осуществляющими изменение          направления движения (вперед или назад), а также для регулирования ослабления возбуждения тяговых двигателей. Он имеет следующие фиксированные позиции: 0 - нулевая, ПП - вперед; ОП1, ОП2, ОПЗ (соответственно 1, 2 и 3-я ступени ослабления возбуждения); ПП - назад. Все позиции реверсивного переключателя — фиксированные.
Тормознойпереключатель предназначен для управления электровозом в режиме реостатного торможения и для плавного регулирования тока возбуждения двигателей, работающих при этом в генераторном режиме. Позиции тормозного переключателя: 0 - нулевая (на рисунке она над рукояткой); П - подготовка цепей к торможению; ПТ- предварительное торможение с тормозной силой до 120 кН; Торможение. Позиции 0, П, ПТ и крайние положения зоны «Торможение» фиксированные. Остальные позиции зоны «Торможение» нефиксированные. На валу тормозного переключателя, кроме кулачковых, установлена профильная шайба, с помощью которой производится поворот ротора сельсина. Поворот рукоятки по часовой стрелке от позиции ПТ до крайнего положения зоны торможения вызывает плавное уменьшение выход              ного напряжения сельсина от 24 В до нуля. На верхнем основании контроллера установлен переключатель тормозной силы ПТС (см. рис. 6, рукоятка 1). Положение его рукоятки определяет тормозную силу электровоза. Для предотвращения ошибочных действий машиниста все три групповых переключателя контроллера сблокированы специальными дисками, рычагами и пружинами. Это обеспечивает перемещения:
главной рукоятки, если реверсивная не находится на позиции 0 и тормозная установлена в положение 0;
тормозной рукоятки, если реверсивная находится в положении ПП и главная установлена в положение 0;
реверсивной рукоятки в положения ОП1, ОП2, ОПЗ, если тормозная находится в положении 0;
реверсивной рукоятки в положение 0 при нахождении главной и тормозной рукояток в положении 0.
Перемещения главной и тормозной рукояток невозможны, если реверсивная рукоятка находится в положении 0.

Рис.6. Контроллер КМЭ-70 (вид сверху)
Устройство кулачковых контакторных элементов на всех контроллерах примерно 4одинаково, но конструктивное исполнение различное. Для примера рассмотрим кулачковый контактор КЭ-153. На изоляционном основании 2 (рис. 7) укреплен рычаг 6, который может поворачиваться на оси 7 в ограниченных пределах. На одном его конце укреплен подвижной контакт 4, а на другом — ролик 8.

Рис.7. Контактор кулачковый КЭ-153
Рычаг отжимается пружиной 9 в сторону замыкания подвижного контакта 4 с неподвижным 3. Подвижной контакт замыкается с неподвижным с притиранием благодаря упругости специально выбираемой конструкции держателя 5 подвижного контакта. Латунные выводы 1 контактов закреплены на основании контактора. Контакты контактора нормально замкнуты. Если под ролик 8 подходит выступающая часть кулачковой шайбы — он отжимается, рычаг поворачивается и контакты размыкаются. Все контактные поверхности обычно посеребрены.
Вывод:
Исследовали контроллер машиниста КМЭ-70, его назначение, устройство и принцип действия
Цель работы:
Исследовать устройство и принцип действия блока дифференциальных реле БРД
Порядок работы:
1. Назначение
2. Устройство
3. Принцип действия
4. Рисунок
5. Вывод

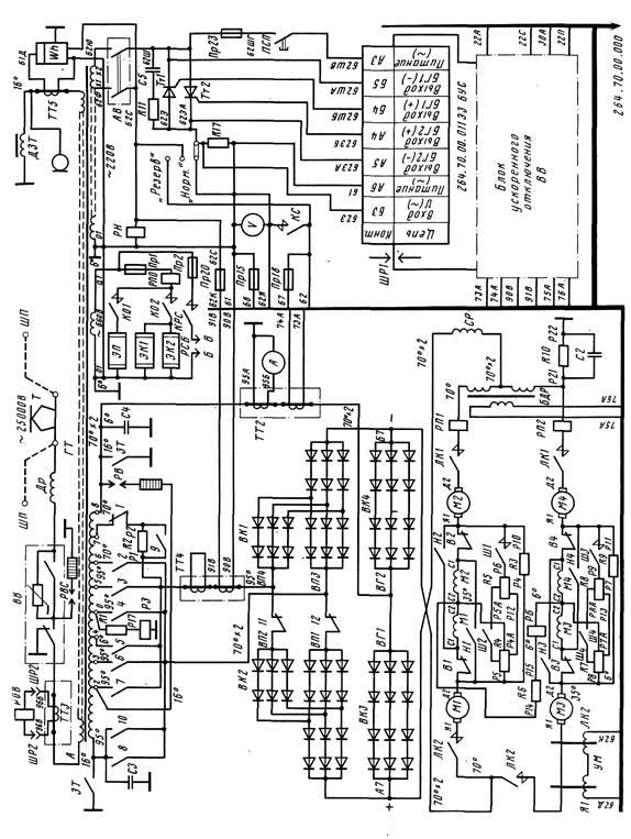
Рис.1. Внешний вид
Назначение
На электровозах для защиты электрооборудования от токов короткого замыкания на вторичной стороне тягового трансформатора используется дифференциальная защита. Основным органом ее является блок БРД (блок реле дифференциальной защиты). При аварийном режиме ток в силовой цепи резко возрастает. Блок БРД постоянно контролирует скорость возрастания тока. Если она превышает наибольшую, которая может быть в рабочем режиме, то он срабатывает и своими контактами воздействует на отключающий механизм ГВ.
Устройство и принцип действия
Он состоит из двух одинаковых электромагнитных реле 3 и 7. Якорь 2 реле, с которым связан рычаг 5, переключающий контакты 6, постоянно отжимается
пружиной 1 вверх. На магнитопроводе реле помещена удерживающая (она же и включающая) катушка 4. Катушки обоих реле соединены
последовательно и получают питание от напряжения 50 В. Ток в их цепи, ограниченный резисторами r 34 и r35, достаточен для удержания якорей

Рис.2. Устройство блока дифференциальных реле
притянутыми и недостаточен для их притягивания. При восстановлении реле резисторы замыкаются накоротко контактом реле 207, что происходит при нажатии кнопки «Включение ГВ и возврат реле». Ток удерживающих катушек возрастает, якоря притягиваются. Включенное положение обоих реле свидетельствует о готовности защиты, что автоматически контролируется включенным положением главного выключателя, так как в цепь его удерживающей катушки введены контакты обоих реле.
Шина 11 разрезана на две части — параллельные ветви 10 и 9. Сквозь окна магнитопроводов каждого реле эти ветви пропущены одна навстречу другой. В случае если через блок дифференциальных реле протекает постоянный и неизменный по значению ток, то общий ток i делится между цепями примерно поровну: i = i1 + i2, a i1 = i2. Магнитные потоки Ф1 и Ф2, вызванные соответственно токами i1 и i2, равны и противоположно направлены, т. е. взаимно компенсированы. Результирующий поток в магнитной системе каждого реле определяется лишь магнитным потоком удерживающей катушки. Магнитные потоки Ф удерживающих катушек направлены по часовой стрелке (чтобы не загромождать рисунка, они не показаны). В реле 3 поток Ф совпадает с магнитным потоком Ф2, а в реле 7—с магнитным потоком Ф1. Взаимная компенсация потоков Ф1 и Ф2 происходит при условии, что через шину 11 протекает постоянный и неизменный по значению ток i.
Теперь представим, что ток i, протекающий через блок слева направо, быстро возрастает. На одну шинку (с током i1) посажен пакет стальных шайб, и индуктивность ее больше, чем другой шинки (с током i2). Поэтому ток i1 нарастает значительно медленнее, чем ток i2. Соответственно и магнитные потоки Ф2 в обоих реле возрастают значительно быстрее, чем потоки Ф1. Поэтому в обоих реле появится поток, равный разности Ф2 - Ф1 и направленный так же, как поток Ф2.
В магнитопроводе реле 3 магнитный поток Ф2 совпадает с потоком Ф от удерживающей катушки. Следовательно, результирующий поток в реле 3 будет увеличиваться и якорь реле будет притягиваться к магнитопроводу с еще большим усилием. Одновременно в магнитопроводе реле 7 магнитный поток Ф2 направлен противоположно магнитному потоку Ф. Следовательно,       результирующий поток в реле 7 будет уменьшаться и якорь под воздействием пружин отпадет от сердечника реле 7.
Если через БРД будет протекать нарастающий ток в обратном направлении—справа налево, то произойдет обратное: якорь реле 7 будет притягиваться к сердечнику с большей силой, а якорь реле 3 отпадет, т. е. сработает реле 3. Аналогичное соотношение магнитных потоков в реле будет и в случае быстро уменьшающегося тока в БРД.
Блок БРД контролирует не значение протекающего через него тока, а лишь скорость его изменения: одним реле — в одном направлении, другим реле — в другом. Блок БРД срабатывает при разности токов в силовых витках 500 А. Время срабатывания — от момента достижения током уставки до начала соприкосновения размыкающих контактов в цепи переменного тока— при скорости нарастания силового тока 1,3-106
А/с составляет 0,01 с.
Если через БРД протекает медленно возрастающий, медленно уменьшающийся или вообще неизменный ток, ни одно его реле не сработает.
При отпадании якоря любого из двух реле БРД контакты этого реле выполняют три операции: замыкают цепь отключающей катушки ГВ, размыкают цепь его удерживающей катушки и замыкают цепь красной сигнальной лампы.

Рис.3. Блок дифференциальных реле
Блок БРД (рис. 3) содержит два реле со специальной ошиновкой. На одной из шин поставлен пакет стальных шайб 8. Каждое реле состоит из шихтованного магнитопровода 1, якоря 5, катушки 7, контактов 6. Якорь может поворачиваться на оси 4. Одним концом он производит переключение контактов. На другой его конец действует отключающая пружина, усилие которой регулируют гайкой. Реле закрыто прозрачным кожухом. Силовая шина 2 с индуктивным шунтом с помощью клиц укреплена на каркасе, который состоит из двух панелей 3, скрепленных шпильками.
На верхней панели размещены добавочные резисторы и выводы. Размыкающие и замыкающие контакты сгруппированы в одном блоке.
Вывод
Исследовали устройство и принцип действия блока дифференциальных реле БРД
Цель работы:
Исследовать силовые электрические цепи электровозов постоянного тока
Порядок работы:
1. Назначение
2. Принцип действия
3. Схема
4. Вывод
Назначение
Силовые электрические цепи предназначены, посредством специальных электрических аппаратов, для подачи напряжения на тяговые двигатели электровоза.
После того как поднят токоприемник, включен главный выключатель, подано высокое напряжение и введены в работу вспомогательные машины и устройства электровоза, могут быть приведены в действие силовые цепи электровоза.
Принципиальные схемы тяговых силовых цепей электровозов выполняют разнесенным способом. Отдельные цепи на схеме располагают горизонтально одна под другой. Силовые цепи различных электровозов отличаются одна от другой, прежде всего числом тяговых двигателей. Кроме того, на построении схемы сказывается наличие или отсутствие рекуперативного либо реостатного торможения, используемый способ перехода с одного соединения двигателей на другое, число ступеней ослабления возбуждения, способы защиты силовых цепей.
Контакты аппаратов на силовых схемах показывают в положении, соответствующем условиям их изображения. Как уже было отмечено, контакты аппаратов, не имеющие отключенного положения, изображают для положения, принятого за исходное (нормальное).

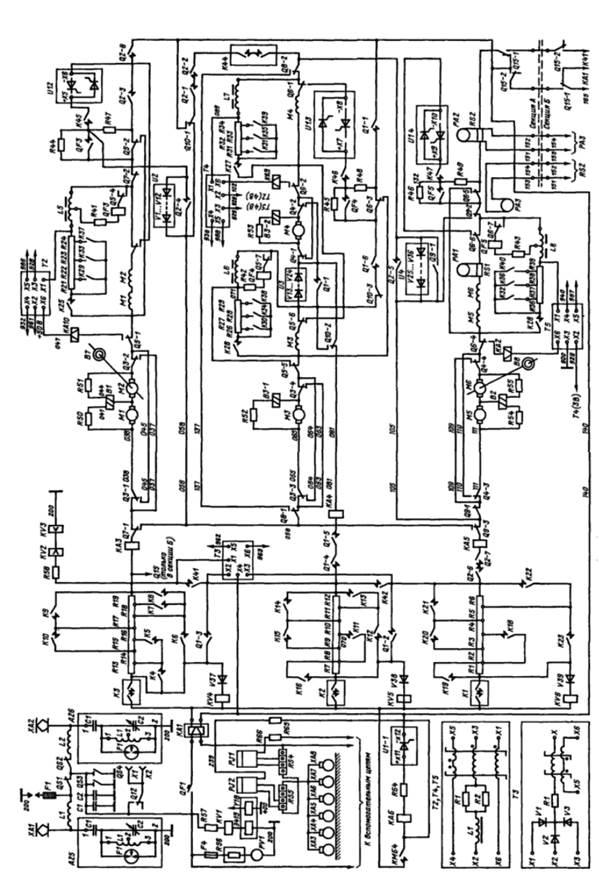
Рис.1. Схема силовых цепей электровоза ВЛ15
Принцип действия схемы рассмотри на примере рекуперативного торможения.
Рекуперативный режим. Перед переходом в режим рекуперации электродвигатели вентиляторов переводят на работу в режиме «Высокая скорость» и включают тиристорные преобразователи U1.2, U 1.3 и U1.4 (см. рис. 1) и реле моторного тока КА2. Затем реверсивно-селективную рукоятку устанавливают в положение, соответствующее соединению тяговых двигателей (П, СП или С). Соединение тяговых двигателей выбирает машинист в зависимости от скорости движения и напряжения в контактной сети. Рабочие зоны действия рекуперативного торможения электровоза следующие: от 100 до 50 км/ч — параллельное соединение тяговых двигателей, от 64 до 33 км/ч — последовательно-параллельное, от 34 до 17,5 км/ч — последовательное.
При нахождении тормозной и главной рукояток контроллера машиниста на нулевой позиции и установке реверсивно-селективиой рукоятки в положение П валы групповых переключателей Q1 и Q2 поворачиваются в положение, соответствующее параллельному соединению двигателей. После перемещения тормозной рукоятки на позицию П валы тормозных переключателей Q5 и Q6 устанавливаются в положение, соответствующее тормозному режиму; при этом включаются контакторы К45, К46, К47, подсоединяющие цепи обмоток возбуждения двигателей к зажимам тиристорных преобразователей Vl-2, Vl-3, V1-4; линейные контакторы К2, К4 и К6, подготавливающие силовые цепи обмоток якорей тяговых двигателей к рекуперативному режиму. При установке тормозной рукоятки на позицию ПТ включаются контакторы КМБ4 (см. рис. 1), запускающие тиристорные преобразователи. При этом начинает расти ток возбуждения и соответственно э. д. с. тяговых двигателей, однако рекуперация начнется лишь в момент, когда э. д. с. двигателей станет больше напряжения в контактной сети.
Это обеспечивается тем, что включение линейных контакторов К1, КЗ, К5 поставлено в зависимость от срабатывания соответственно реле рекуперации KV6, KV5, KV4. После того как они сработают, включаются линейные контакторы К1, КЗ, К5 (рис. 2), и образуются цепи тока рекуперации.
На позиции ПТ происходит предварительное торможение, осуществляется питание задатчика тока и задатчика скорости, ввод цепей электровоза в режим рекуперации с ограничением тока якоря до 100 А.
Переключение обмоток якорей с параллельного соединения на последовательно-параллельное осуществляется контактами группового переключателя Q2 в режиме выбега после исчерпания возможности реализации необходимой тормозной силы на соединении П из-за снижения скорости движения электровоза. Переключение обмоток якорей с последовательно-параллельного на последовательное соединение, когда прекращается реализация тормозной силы, осуществляется также в режиме выбега контактами группового переключателя Q1.

Рис.2. Схема прохождения тока при рекуперации на параллельном соединении тяговых двигателей
Вывод
Исследовали силовые электрические цепи электровозов постоянного тока
Цель работы:
Исследовать электрические цепи управления электровозов постоянного тока
Порядок работы:
1. Назначение
2. Принцип действия
3. Схема
4. Вывод
Назначение
Цепи управления предназначены для управления электрическими аппаратами электровоза (токоприемники, главный выключатель, главный контроллер и т.д.) для регулирования напряжения на тяговых двигателях.
Чтобы лучше понять взаимную связь электрических машин, электрической аппаратуры и другого электрооборудования, реально существующие электрические цепи электровозов представляют в виде схем. Знание электрических схем требуется не только для понимания работы оборудования электровозов, управления электровозов, но и для быстрого обнаружения появляющихся в процессе эксплуатации отдельных неисправностей электрооборудования. Необходимо уметь читать схему, т. е., пользуясь условным ее графическим изображением, проследить путь прохождения тока в электрических цепях локомотива при всех режимах его работы, определить связь и взаимодействие всего электрического оборудования. Для облегчения поиска провода, изображаемые на электрической схеме электровоза в виде линий, пронумерованы по участкам.

Рис.1. Схема цепей управления электровоза ВЛ15
Продолжим рассмотрение схемы рекуперативного торможения со стороны цепей управления.
Рекуперативный режим. Перед переходом на рекуперативное торможение включают тиристорные преобразователи (ТП) и реле моторного тока КА2 обеих секций. При этом главная и тормозная рукоятки должны находиться на нулевой позиции. Затем реверсивно-селективную рукоятку переводят в одно из выбранных положений П, СП или С в зависимости от скорости движения электровоза. При установке реверсивно-селективной рукоятки в положение П по проводам Э564 и Э565 напряжение подается на катушки вентилей групповых переключателей Q1, Q2 и их валы занимают положения соответственно СП-П и П. Контакты Q1 и Q2 замыкают цепь питания от провода Э565 (замыкающий контакт Q1, провод 572, замыкающий контакт Q2, провод 575) катушки реле времени КТ11.
При установке тормозной рукоятки на позицию П от провода 501 через контакт 105-106 тормозного вала, контакт 13-14 реверсивно-селективного вала, провод Э566, контакты QFl, KV24, KV31, КА2, Q10 напряжение подается на катушки вентилей Т тормозных переключателей Q5 и Q6. Их катушки возбуждаются, и валы тормозных переключателей занимают положение, соответствующее рекуперативному режиму. От провода 505 через контакт 15-16 реверсивно-селективного вала, контакт 101-102 тормозного вала, провод Э533, контакты Q5 и Q6 получают питание катушки вентилей контакторов К45, К46, К47, которые подключают обмотки возбуждения тяговых двигателей к тиристорным преобразователям. От провода 604 через контакты Q5, Q6, Q9, Q15 напряжение подается на катушки вентилей линейных контакторов К2, К4, К6. Они включаются, но линейные контакторы К1, КЗ, К5 еще отключены; они включатся после того, как сработает реле рекуперации KV4, KV5, KV6.
При переводе тормозной рукоятки на позицию ПТ провод Э537 через контакт 115-116 контроллера машиниста соединяется с корпусом и от провода 604, через контакт реле SP3, замыкающие контакты контакторов КМ64, КМ71, К47 и К45 напряжение подается на катушки контактора КМ72 и промежуточных реле KV21 и KV22. После включения контактора КМ72 получает питание система управления преобразователями по проводу Э524, преобразователи начинают работать. Контактами реле KV21 и KV22 подготавливаются цепи включения реостатных контакторов. Цепи рекуперации собираются после включения линейных контакторов К1, КЗ и К5. На катушки их вентилей напряжение подается от провода Э566, но они не возбуждаются до тех пор, пока не сработают реле рекуперации KV6, KV5, KV4. Реле KV4, KV5 и KV6 включаются на позиции ПТ, когда суммарная ЭДС тяговых двигателей превысит напряжение контактной сети. Катушки вентилей контакторов К1, КЗ и К5 соединяются с корпусом кузова по цепи: провода 606, 642, 643, замыкающие контакты контакторов К47, К46, К45, провода 608, 607 и 605, контакты реле KV6, KV5, KV4, провод 612, кнопка S17 (проверка САУРТ), провод Э537, контакт 115-116 тормозного вала контроллера, провод 600, корпус.
На соединении П по проводу Э565 через замыкающий контакт Q2, провод 591, контакты контакторов Kl, К5 и КЗ напряжение подается к катушкам реостатных контакторов К22, К23, К17, К18, К12, К13. Цепи этих катушек соединены с корпусом при замкнутых контактах реле KV21 и KV22. При включении контакторов К12, К13, К17, К18 и К22, К23 выводятся соответствующие пусковые резисторы.
На позиции ПТ тормозной рукоятки получает питание электроблокировочный вентиль SP6 по проводу Э534 через контакты тормозного переключателя Q5, контактора К2 и пневматического выключателя управления SP2. Вентиль SP6 отключает тормозные цилиндры секции от воздухораспределителей во избежание заклинивания колесных пар при служебном торможении поезда во время рекуперации. Допускается возможность применения электрического торможения и одновременно приведение в действие вспомогательного крана при давлении в тормозных цилиндрах ниже 130—150 кПа. При более высоком давлении цепи электрического тормоза разбираются пневматическим выключателем управления SP3, контакт которого включен в цепь катушек контактора КМ72, реле KV21 и KV22. После разрыва контактором КМ72 цепи управления преобразователями ток возбуждения тяговых двигателей падает и они переходят в тяговый режим, при токе 100 А отключается реле КА2, которое своим контактом разрывает цепь питания катушек вентилей линейных контакторов.
Для служебного снятия рекуперативного торможения тормозную рукоятку перемещают в сторону нулевой позиции до тех пор, пока ток в цепи тяговых двигателей не достигнет 100 А; при этом срабатывает реле КА2 и своим контактом разрывает цепь питания катушек вентилей линейных контакторов, контактора КМ72, реле KV21 и KV22 Линейные контакторы разрывают цепь тяговых двигателей, а контактор КМ72 - цепь управления преобразователями. При срыве рекуперации размыкается контакт контактора К2, вентиль SP6 теряет питание и открывается доступ воздуху в тормозные цилиндры независимо от положения крана машиниста. Это обеспечивается электроблокировочным вентилем У9, который, возбуждаясь, через размыкающий контакт контактора К2 создает параллельную цепь питания тормозных цилиндров.
При разрядке тормозной магистрали до 290—270 кПа контакт пневматического выключателя SP2 размыкается и отключает катушку вентиля SP6, в результате чего приводится в действие пневматический тормоз и при давлении в тормозных цилиндрах 190—150 кПа цепи электрического торможения разбираются, так как размыкаются контакты реле.
Последующий сбор цепей рекуперативного торможения возможен после установки тормозной рукоятки в позицию 0, на которой происходит включение реле КА2. Во избежание срыва рекуперативного торможения в результате отключения реле КУ4, KV5, KV6 контакты этих реле в цепи линейных контакторов шунтируются замыкающими контактами соответствующих линейных контакторов К5, КЗ и К1.
На соединении СП включаются контакторы КЗ и К5. При этом от провода Э564 по цепи: размыкающий контакт Q2, провод 591, замыкающий контакт линейных контакторов КЗ и К5 напряжение подается к катушкам реостатных контакторов К17, К18 и К12, K13. На соединении С включается линейный контактор К1 и через провода Э582, Э534, контакт Q5, размыкающий контакт группового переключателя Q1, провод 591, замыкающий контакт К1, провод 681 напряжение подается к катушкам реостатных контакторов К22, К23, а от провода 681 через размыкающие контакты Q1 по проводам 639, 680 — соответственно к катушкам реостатных контакторов K12, К13 и К17, К18.
Аналогично действию цепей управления на соединении П протекает работа цепей управления электровоза в режиме рекуперативного торможения на СП или С соединения тяговых электродвигателей.
При установке реверсивно-селективной рукоятки в положение СП прекращается подача напряжения на включающие катушки вентилей групповых переключателей Q2 и их валы занимают положение С-СП, а при установке реверсивно-селективной рукоятки в положение С прекращается подача напряжения на включающие катушки вентилей групповых переключателей Q1 и они занимают положение С.
Вывод
Исследовали электрические цепи управления электровозов постоянного тока
Цель работы:
Исследовать силовые электрические цепи электропоезда постоянного тока
Порядок работы:
1. Назначение
2. Принцип действия
3. Схема
4. Вывод
Назначение
Силовые электрические цепи предназначены, посредством специальных электрических аппаратов, для подачи напряжения на тяговые двигатели и другие устройства электропоезда.
После того как поднят токоприемник, включен главный выключатель, подано высокое напряжение и введены в работу вспомогательные машины и устройства, могут быть приведены в действие силовые цепи электропоезда.
Схема электропоезда обеспечивает:
1. Автоматическое электродинамическое торможение до скорости 10-15 км/ч с автоматическим дотормаживанием.
2. Автоматический пуск (разгон) поезда с нулевой до максимальной скорости под контролем блока регулятора ускорения БРУ.
3. Изменение интенсивности разгона и торможения из кабины машиниста.
4. Рекуперативное торможение с независимым возбуждением с максимальной скорости до скорости 45-50 км/ч и автоматический переход на реостатное торможение с независимым возбуждением с максимальной скорости до скорости 45-50 км/ч при повышении напряжения в контактной сети более (3950 ± 50) вольт.
5. Реостатное торможение с самовозбуждением со скорости 45-50 км/ч до скорости 10-15 км/ч.
6. Автоматическое дотормаживание электропневматическим тормозом со скорости 10-15 км/ч до полной остановки.
7. Автоматическое замещение электропневматическим тормозом электродинамического тормоза данной секции.
8. Комбинированное торможение электродинамическим тормозом моторных вагонов и электропневматическим тормозом прицепных вагонов.
9. Сбор схемы автоматического резервного питания от преобразователя соседней секции в случае выхода из строя собственного преобразователя секции.
10. Автоматическое поддерживание микроклимата во всем составе поезда по информации от датчика-реле температуры (Т419-2М).
Аппараты и устройства защиты электропоезда обеспечивают защиту от:
1. Перенапряжений в контактной сети, для чего в схеме предусмотрены униполярные вилитовые разрядники.
2. Радиопомех, вызванных искрением на токоприемнике, коммутацией тяговых двигателей и аппаратов силовой цепи.
3. Токов короткого замыкания, перегрузки и токов утечек в силовой цепи и цепях вспомогательных машин.
4. Сбора схемы при отсутствии напряжения в контактной сети.
5. Перегрузки в случае боксования, разносного боксования, юза и заклинивания колесных пар.
6. Обратных токов в цепи двигателя преобразователя.
7. Коммутационных перенапряжений.
Режим электрического торможения.
Силовая цепь в режиме электрического торможения обеспечивает: реостатное торможение с независимым возбуждением тяговых двигателей; рекуперативное торможение, реостатное торможение с самовозбуждением тяговых двигателей, совместное действие электропневматических тормозов всех вагонов и реостатного торможения моторных вагонов в конце торможения и до полной остановки; замещение в случае отказа электрического торможения электропневматическим. Кроме того, предусмотрены следующие переходы: с реостатного торможения с независимым возбуждением на рекуперативное, с рекуперативного торможения на реостатное с самовозбуждением, с рекуперативного торможения на реостатное с независимым возбуждением в случае повышения напряжения в контактной сети, с реостатного торможения с независимым возбуждением на реостатное с самовозбуждением.

Рис.1. Схема силовых цепей моторного вагона электропоезда ЭР2Т
При установке главной рукоятки контроллера машиниста в 3-е тормозное положение в силовой цепи произойдут следующие переключения: вал силового реостатного контроллера возвратится на 1-ю позицию; вал тормозного переключателя перейдет в положение тормозного режима; включится контактор ОВ (см. рис. 1), подключая обмотки возбуждения тяговых двигателей к тиристорному преобразователю; включится контактор KB, подающий питание в систему САУТ и через трансформатор возбуждения ТрВ на тиристорный преобразователь; включатся контакторы Т и ЛКТ, и система САУТ начнет выдавать управляющие импульсы на тиристоры преобразователя. Цепи начнут работать в режиме реостатного торможения с независимым возбуждением. При этом возрастет ток возбуждения двигателей , а вследствие этого и их ЭДС. Когда напряжение якоря на тяговых двигателях становится близким к напряжению в контактной сети, срабатывает реле включения рекуперации (РВР) электронного блока БЭР и включает линейный контактор ЛК. В этот момент на реостатное торможение с независимым возбуждением накладывается кратковременно рекуперативное торможение. Начать рекуперативное торможение возможно только при напряжении в контактной сети менее 3750 В.
После включения линейного контактора ЛК отключается тормозной контактор Т и остается собранной лишь цепь рекуперативного торможения. Она состоит из цепи тока возбуждения тяговых двигателей и цепи тормозного тока. Когда ток возбуждения достигнет 250 А, в системе автоматического управления сработает реле самовозбуждения РСВ и переведет силовую цепь тормозного режима с независимым возбуждением на реостатное торможение с самовозбуждением. При этом происходит кратковременно рекуперативно-реостатное торможение. После включения тормозного контактора Т отключается линейный контактор ЛК.
В дальнейшем при уменьшении тормозного тока по мере снижения скорости СУРК выдает команду на переключение силового реостатного контроллера. При повороте его вала с 1-й позиции на 2-ю запирается тиристорный преобразователь и отключается контактор ОВ. Контактор 16 реостатного контроллера подключает обмотки возбуждения двигателей к обмоткам якорей с постоянным ослаблением возбуждения до 80%. На этом завершается переход на реостатное торможение с самовозбуждением.
Параллельно обмоткам возбуждения подключена шунтирующая цепь: тормозной контактор Т, резисторы ослабления возбуждения R24, R11, R12, R13, R14, R15, шунт амперметра А2. На 3-й позиции реостатного контроллера контактор KB отключается. В дальнейшем для поддержания тормозной силы реостатный контроллер начинает постепенно выводить ступени пуско-тормозных резисторов под контролем СУРК БЭР до 14-й позиции. В конце реостатного торможения на 11-й позиции реостатного контроллера начинает действовать электропневматическое торможение и совместно с реостатным продолжается до полной остановки. При отключении торможения на высоких скоростях силовая цепь вначале переключается с рекуперативного торможения на реостатное, затем снимается возбуждение тяговых двигателей и после этого с выдержкой времени размыкаются контакты контакторов Т и ЛКТ. Отключение электрического торможения на низких скоростях осуществляется с предварительным снятием ослабления возбуждения тяговых двигателей контактором Ш Такая последовательность переключений уменьшает искрение на коллекторах тяговых двигателей и облегчает условия работы контакторов ЛК, Т и ЛКТ.
Если рукоятка контроллера машиниста установлена в тормозное положение П4, переход на электрическое торможение происходит аналогично рассмотренному. При установке рукоятки контроллера машиниста в тормозное положение П5 электропневматическое торможение начинается на всех вагонах поезда. На моторном вагоне оно накладывается на электрическое, что может привести к юзу. Поэтому в том случае, когда давление в тормозных цилиндрах достигнет уставки автоматического выключателя торможения (АВТ) цепи электрического торможения отключаются.
Вывод
Исследовали силовые электрические цепи электропоезда постоянного тока
Цель работы:
Исследовать электрические цепи управления электропоезда постоянного тока
Порядок работы:
1. Назначение
2. Принцип действия
3. Схема
4. Вывод
Назначение
Цепи управления предназначены для управления электрическими аппаратами локомотива (токоприемники, главный выключатель, главный контроллер и т.д.) для регулирования напряжения на тяговых двигателях.
Чтобы лучше понять взаимную связь электрических машин, электрической аппаратуры и другого электрооборудования, реально существующие электрические цепи представляют в виде схем. Знание электрических схем требуется не только для понимания работы оборудования, управления локомотивом, но и для быстрого обнаружения появляющихся в процессе эксплуатации отдельных неисправностей электрооборудования. Необходимо уметь читать схему, т. е., пользуясь условным ее графическим изображением, проследить путь прохождения тока в электрических цепях локомотива при всех режимах его работы, определить связь и взаимодействие всего электрического оборудования. Для облегчения поиска провода, изображаемые на электрической схеме в виде линий, пронумерованы по участкам.

Рис.1. Схема цепей управления электропоезда ЭР2Т
Режимы торможения. Главная рукоятка может быть установлена в следующие тормозные положения:
1-е положение фиксация любой тормозной позиции, например при торможении для ограничения скорости на уклоне;
2-е положение - автоматическое электрическое торможение с пониженным замедлением и дотормаживанием электропневматическим тормозом;
3-е положение - нормальное электрическое торможение и дотормаживание электропневматическим тормозом;
4-е положение - нормальное электрическое торможение совместно с электропневматическим торможением на прицепных вагонах;
5-е положение - нормальное электрическое торможение совместно с электропневматическим торможением на всех вагонах.
При установке главной рукоятки контроллера машиниста сразу в 3-е тормозное положение (нормальное) замыкаются контакты 9 главного вала, в результате чего подается напряжение на провод 22Г. Замыкаются также контакты 8 главного вала, подающие напряжение на катушку контактора времени торможения КВТ по цепи: провод 22Д, контакт кнопки «Возврат защиты», контакт 3 реверсивного вала, провод 22В, контакты 9 главного вала, провод 22Г, контакт 8 главного вала, катушка контактора КВТ, провод 30. Контактор КВТ включается, в результате чего получают питание провода 40Я, 22М и 11 главного вала контроллера машиниста, подающие напряжение на провод 3 и катушку вентиля контактора Ш. Контактор Ш включается и своим контактом в проводах 22П—22Г замыкает цепь питания реле-повторителя ПШ.
Нажав кнопку «Торможение» на пульте управления в головной кабине, подают напряжение по проводу 40 (контакты переключателя «Торможение», провод 40А, контакты РУМ, провод 42А, контакт ПЛКТ) на катушку вентиля тормозного переключателя ТП-Т. Вал этого переключателя устанавливается в тормозное положение, его контакт ТТ11 в проводах 22П—22Я подает напряжение на катушку реле повторителя ПТП-Т. По проводу 40 получают питание катушки контакторов ОВ и КВ. Контактор ОВ подключает обмотки возбуждения двигателей к тиристорному преобразователю, контактор KB подает напряжение на трансформатор возбуждения ТрВ (см. схему силовых цепей электропоезда).
После включения реле-повторитель ПТП-Т замыкает контакт в проводах 40Г—40Н, в результате чего подается напряжение на катушку вентиля контактора Т. Включившись, этот контактор своим контактом в проводах 22П—22ГВ подает напряжение на реле-повторитель ПТ, а оно своим контактом в проводах 11Б—11В - на катушку контактора ЛКТ, замыкающего своим контактом в проводах 22П—22ГА цепь питания реле-повторителя ПЛК.
Включением контакторов OB, KB, T и ЛКТ заканчивается сбор силовой цепи. Мгновенное загорание сигнальной лампы ЛК и Т свидетельствует о том, что реле-повторители ПТ контакторов Т на всех моторных вагонах возбуждены и происходит реостатное торможение с независимым возбуждением.
Размыкание контактов ЛКТ в проводах 20А—87Л ведет к плавному нарастанию тока и напряжения якорей двигателей. Когда ЭДС двигателей станет близкой к напряжению контактной сети, сработает реле включения рекуперации РВР в БЭР и своим контактом в проводах 40Т—40АЖ подаст напряжение на катушку контактора ЛК по цепи: провод 40, контакты переключателя «Торможение», контакты РУМ, РСФ, РРБ, КЗ, ПТПТ, РНМ, ПШ, РВР, РМТ, ПТП-Т, РРБ, БЭР, РН, БВ, катушка контактора ЛК, контактор РК1, провод 30А, контакты РУМ, провод 30. Контактор ЛК, включившись, замыкает цепь питания реле-повторителя ПЛК, а оно своим контактом в проводах 40Н— 40Л отключает контактор Т, который контактом в проводах 22П—22ГВ отключает реле-повторитель ПТ.
Это приводит к переходу с реостатного торможения с независимым возбуждением на рекуперативное. Если напряжение контактной сети превысит уставку реле РМН (3950 В), то реле сработает и своим контактом в проводах 40Н—40Л подаст питание на контактор Т, а он — на реле-повторитель ПТ. Контакт реле РМН в проводах 40У—40Б отключит контактор ЛК, а он — реле-повторитель ПЛК. Таким образом, произойдет переход на реостатное торможение с независимым возбуждением. Контакт ПТ в проводах 40Т—40Н обеспечивает перекрышу между контакторами ЛК и Т, что исключает полное прекращение тормозного тока при переходе.
Некоторые неисправности в цепях могут привести к уменьшению ЭДС двигателей и изменению направления тока якорей, т е. вместо режима торможения возникает режим тяги, что недопустимо. На изменение направления тока якоря реагирует реле РМТ, которое, разомкнув свой контакт в проводах 40АЖ—40Х, отключает контактор ЛК, а он — реле ПЛК. Реле ПЛК своим контактом в проводах 40Н—40Л замыкает цепь питания контактора Т, а он — реле ПТ, в результате чего осуществляется переход с рекуперативного торможения на реостатное с независимым возбуждением.
По мере снижения скорости движения САУТ увеличивает ток возбуждения двигателей. Когда он достигнет максимального значения, срабатывает реле перехода на самовозбуждение РСВ (уставка 250 А) Реле РСВ контактом в проводах 40Н—40Л подает питание на контактор Т. Контакт РСВ в проводах 40Б—40Н и контакт ПТ в проводах 40Т—40Н отключают контактор ЛК, который разрывает цепь питания реле-повторителя ПЛК, осуществляя переход с рекуперативного торможения на реостатное с самовозбуждением. Кроме того, контакты ПТ (в проводах 3Е— 1X), ПЛК (в проводах 1X—1П), РСВ (в проводах 1П—1М) и контакт РК1-10, замыкаясь, собирают цепь питания системы СУРК: провод 22Г, контакт 10 главного вала, провод 1, контакты РУМ, контакт РК1-13, контакт ПШ, контакт РК1-10, контакты ПТ, ПЛК, РСВ, провод 1М, система СУРК. Система СУРК начинает осуществлять управление реостатным контроллером так же, как в режиме тяги. На позиции 2 вала РК замыкается контактор РК2-11 (в проводах 87Н—20А) и после отключения контактора ЛК уставка системы САУТ становится нулевой, к этому моменту отключается контактор ОВ (разомкнулся контактор РК1 в проводах 40В—40Я). Цепь реостатного торможения с самовозбуждением уже собрана, и торможение продолжается, в процессе его выводятся пуско-тормозные резисторы. При переходе на позицию 3 контакт РК1-2 в проводах 40Г—40К размыкается, отключая контактор KB, контакты которого размыкают цепь трансформатора возбуждения ТрВ (см. схему силовых цепей электропоезда); тиристорный преобразователь выключается.
Разомкнутый контакт ПТП-М в проводах 30Е—30ИЯ исключает повторное включение контактора ЛК, которое может произойти из-за отпадания якоря реле РСВ при отключении контактора КВ. На 11-й позиции размыкается контакт РК1-10 в проводах ЗЕ—ЗГ и вал реостатного контроллера останавливается. Дальнейшее электрическое торможение с самовозбуждением становится малоэффективным, и тогда подключается электропневматический тормоз, действующий до полной остановки электропоезда. На всех тормозных позициях рукоятки контроллера замкнут контакт 20 главного вала, в результате чего подается напряжение с провода 44 на провод 49, подводящий питание к катушкам вентилей отпуска ВО электропневматического тормоза.
На 11-й позиции реостатного контроллера замыкается контакт РК11-20, который подает напряжение на провод 9 (реле РЗТ в блоке БЭР включено), а по нему — на катушки реле времени торможения РВТ2 всех моторных вагонов по цепи: провод 1А, контактор РК11-20, контакт реле ПРТ, катушка реле РВТ2, провод 30. Реле РВТ2 срабатывает и своим контактом подает напряжение на катушку промежуточного реле торможения ПРТ. Реле ПРТ включается, замыкает контакты в проводах 1Ж—IP (становится на самоподпитку) и 44—44х (подает напряжение на провод 50, в результате чего катушки вентилей торможения ВТ моторного и прицепного вагонов возбуждаются). Начинается наполнение тормозных цилиндров моторного и прицепного вагонов. Контакт ПРТ в проводах 1Н—1Д размыкается, якорь реле РВТ2 отпадает с выдержкой времени, и реле размыкает свой контакт в проводах 44—50, разрывая им цепь питания катушек вентилей торможения ВТ.
При установке главной рукоятки контроллера во 2-е тормозное положение цепи работают аналогично. Однако контакт 15 главного вала не замкнут и провод 41 обесточен. Питание системы САУТ переведено на другой канал, которому соответствует более низкая уставка системы, в результате чего торможение происходит при пониженном замедлении.
В 1-м тормозном положении рукоятки замыкается контакт 14 главного вала и по проводу 4 напряжение подается на катушку реле пониженной уставки РПУ. Оно своими контактами переводит систему САУТ на питание по каналу, которому соответствует минимальная уставка по току. В то же время провод теряет питание, так как контакт 10 главного вала разомкнут. Данное положение используют для так называемого отпуска электрического торможения без разбора цепей. Так как напряжение с провода 1 снято, то не может включиться электропневматический тормоз.
При установке главной рукоятки контроллера в 4-е тормозное положение на моторных вагонах будет продолжаться электрическое торможение с нормальной уставкой. Однако дополнительно замкнется контакт 18 главного вала, который подает напряжение на катушки вентилей ВТ всех прицепных вагонов по проводу 8 (включается реле торможения промежуточное РТП). Катушка вентиля ВО через кнопку «Отпуск» по проводу 49 получает питание при всех тормозных положениях рукоятки контроллера. Таким образом, совместно с электрическим торможением на моторных вагонах действует электропневматический тормоз на прицепных вагонах
Для полного отпуска тормозов необходимо главную рукоятку контроллера установить в положение 0. Если требуется сохранить электрическое торможение на моторных вагонах, то главную рукоятку необходимо перевести в 3-е или 2-е тормозное положение и кнопкой «Отпуск» снять напряжение с катушек вентилей ВО прицепных вагонов.
В случае необходимости ступенчатого торможения электропневматическим тормозом прицепных вагонов главную рукоятку контроллера переставляют из 3-го положения в 4-е и обратно. Если рукоятка контроллера установлена в 4-е тормозное положение, можно получить замедленное электрическое торможение, нажав кнопку «Пониженная уставка».
При установке главной рукоятки контроллера в 5-е тормозное положение происходит электрическое торможение на моторных вагонах и одновременно действуют электропневматические тормоза всех вагонов. Дополнительно включается контакт 19 главного вала, и по проводу 47 напряжение подается на катушку реле контроля тормоза РКТ, которое, включившись, своим контактом в проводах 47—50 подает напряжение на провод 50 и катушки вентилей ВТ моторных и прицепных вагонов. Начинается электропневматическое торможение, которое накладывается на электрическое, что может привести к заклиниванию колес В этом случае давление в тормозных цилиндрах моторных вагонов не должно превышать 240—250 кПа, иначе сработает автоматический выключатель торможения АВТ и своими контактами в проводах ЗА—ЗБ отключит контактор Ш, а он — повторитель ПШ. Если успела собраться цепь рекуперативного торможения, то контакты реле ПШ в проводах 40Т—40У и 40Н—40Л осуществят переход на реостатное торможение. Одновременно в системе САУТ контакты ПШ в проводах 20А—87Н и ПЛК в проводах 87Н—87Л переведут питание системы на другой канал, что равносильно уменьшению уставки до нуля. Электрическое торможение таким образом прекращается. Давление в тормозных цилиндрах при электропневматическом торможении определяется временем нахождения главной рукоятки в 5-м положении. Для ограничения силы торможения рукоятку контроллера следует перевести в 3—1-е положение. Чтобы получить ступенчатое торможение, необходимо главную рукоятку контроллера переставлять из 5-го тормозного положения в 4-е и обратно. Ступенчатый отпуск производят, нажав кнопку «Отпуск». При этом кнопка «Торможение» в проводе 8 должна быть включена.
При срыве электрического торможения на каком-нибудь моторном вагоне при 2, 3, 4 или 5-м положении рукоятки контроллера машиниста автоматически вступает в действие электропневматический тормоз на данном вагоне. На остальных моторных вагонах будет продолжаться электрическое торможение Это происходит следующим образом. При нахождении рукоятки контроллера в одном из тормозных положений контакт 16 главного вала разомкнут, провод 42 обесточен и реле времени торможения РВТ1 отключено. Контакт 10 главного вала замкнут (2—5-е положения), напряжение подается на провод 1, а по нему и на катушку реле РВТ2. Так как ток якорей двигателей отсутствует, то реле РЗТ не возбуждено и его контакт в проводах 1А—1Н замкнут. Если же возникнет ток в якорях, то реле РЗТ сработает и своим контактом в проводах 1А—1Н предотвратит включение электропневматического тормоза.
Если же ток якорей не возникнет, то по истечении выдержки времени якорь реле РВТ1 отпадет и оно своим контактом в проводах 1Н—1Ж включит реле ПРТ. Дальнейшая работа электропневматического тормоза аналогична режиму дотормаживания. Отличие заключается в том, что контакты РЗТ в проводах 9—1Н препятствуют срабатыванию электропневматического тормоза на остальных вагонах. Кроме того, поскольку катушка реле РВТ2 находилась под напряжением более длительное время, то выдержка времени РВТ2 будет больше, следовательно, и торможение будет более эффективным, что необходимо на высоких скоростях. При снижении скорости до 40—30 км/ч производят ступенчатый отпуск электропневматического тормоза кнопкой «Отпуск».
Для прекращения торможения устанавливают главную рукоятку контроллера машиниста в положение 0. Если это происходит при рекуперативном торможении, то размыкаются контакторы 11 и 8 главного вала (отключаются контакторы Ш и КВТ) Контакты ПШ в проводах 40Т—40У и 40Н—40Л осуществляют перевод на реостатное торможение с независимым возбуждением, а контакты ПШ и ПЛК в проводах 20А—87Н, 87Н—87Л в системе САУТ уменьшают до 0 уставку по току. При этом осуществляется плавное уменьшение тормозной силы. По истечении выдержки времени, обеспечиваемой конденсатором С12, отпадает якорь контакторов ЛК и ЛКТ, которые выключаются почти без разрыва тока.
Аналогично прекращают реостатное торможение при независимом возбуждении. Порядок отключения контакторов Ш, Т, ЛКТ при реостатном торможении с самовозбуждением сохраняется прежний, но воздействие на систему САУТ незначительно. Однако контактор Ш вводит в цепь возбуждения резистор R23, что приводит к значительному уменьшению тормозного тока.
Вывод:
Исследовали электрические цепи управления электропоезда постоянного тока
Цель работы:
Исследовать силовые электрические цепи электровоза переменного тока
Порядок работы:
1. Назначение
2. Принцип действия
3. Схема
4. Вывод
Назначение
Силовые электрические цепи предназначены, посредством специальных электрических аппаратов, для подачи напряжения на тяговые двигатели и другие устройства электровоза.
После того как поднят токоприемник, включен главный выключатель, подано высокое напряжение и введены в работу вспомогательные машины и устройства, могут быть приведены в действие силовые цепи электровоза.
После подъема токоприемника и включения ГВ на секции электровоза с поднятым токоприемником ток будет протекать от контактного провода в рельсовую цепь следующим образом:
        «к.п.» 1 ДП 2 4 10 ТТ 3 23 «корпус».
Высоковольтная цепь (рис. 1) включает в себя следующее оборудование:
1 - токоприемник Л-13У1;
ДП - дроссель Д-51 для подавления радиопомех, которые возникают при работе электровоза;
2 - разъединитель высшего напряжения РВН-2, служащий для отключения неисправного токоприемника;
3 - первичная обмотка тягового трансформатора ОДЦЭ-5000/25Б-02 с выводами А-Х;
4 - главный выключатель типа ВОВ-25А, служащий для автоматического отключения питания первичной обмотки трансформатора 3 от токоприемника;
10 - фильтр типа Ф6, служит для подавления радиопомех, создаваемых работой электрического оборудования электровоза, не пропуская их в контактную сеть; настроен на частоту поездной радиосвязи 2,13 МГц;
ТТ - трансформатор тока типа ТПОФ-25, служит для ввода высокого напряжения в кузов и является датчиком для реле максимального тока;
23 - трансформатор тока ТКЛП-0,66, служит датчиком для токовой обмотки счетчика электроэнергии 103.

Рис.1. Схема силовых цепей электровоза ВЛ80с
Питание первичной обмотки тягового трансформатора соседней секции (с опущенным токоприемником) осуществляется через межсекционный разъединитель 6 типа РВН-2, который служит для непосредственного отключения высоковольтной цепи одной секции электровоза от другой при повреждениях. От атмосферных перенапряжений высоковольтные цепи защищены разрядником РВЭ-25М (5) или ограничителем перенапряжений ОПН-25 (5). От коммутационных перенапряжений высоковольтные цепи защищены нелинейным сопротивлением НС, которое шунтирует разрывные контакты ГВ. От токовых перегрузок и коротких замыканий в первичной обмотке тягового трансформатора служит реле максимального тока РМТ, которое воздействует на отключение ГВ, если ток в первичной обмотке тягового трансформатора достигнет значения 250±25 А.
Работа силовой схемы на 1 позиции ЭКГ
После подъема токоприемника и включения ГВ от контактной сети по первичной обмотке тягового трансформатора начнет протекать переменный ток: через токоприемник 1, через дроссель ДП, через разъединитель токоприемника 2, через контакты ГВ, через фильтр 10, по токоведущему стержню трансформатора тока ТТ, по первичной обмотке тягового трансформатора З(А-Х), через шину трансформатора тока 23, по металлическому кузову электровоза и далее в рельсовую цепь. На другую секцию ток идёт через межсекционный разъединитель 6.
Если напряжение в контактной сети 25 кВ, то на выводах тяговых вторичных обмоток трансформатора будут следующие значения напряжения: на каждой нерегулируемой обмотке с выводами al-xl и а2-х2 — по 638 В; на каждой регулируемой обмотке с выводами 1-01 и 5-02 — по 580 В, из них в каждой секции регулируемой обмотки — по 145 В.
Ha «0» позиции ЭКГ все контакторы ПС (переключателя ступеней, кроме контактора 30) и все контакторы ПО (переключателя обмоток, кроме контакторов 32, 33) отключены и нет замкнутой цепи для протекания тока через ТЭД.
На любой позиции ЭКГ (см. рис. 1) результирующее напряжение, которое подводится к выпрямительным установкам, всегда снимается с вывода нерегулируемой обмотки трансформатора и с вывода средней точки ПРА (переходного реактора), т.е. с выводов а 1-01 и а2-0.
Переход с нулевой позиции ЭКГ на первую происходит через промежуточную позицию «П1», без остановки ЭКГ на этой позиции. При переходе с «0» позиции на «П1» вначале размыкается контактор А, затем замыкается контактор 11 ПС и далее снова замыкается контактор А и размыкается контактор 30 ПС. Таким образом на выводах а 1-01, появляется напряжение для питания ТЭД, а на выводах а2-0 напряжения нет, поэтому для исключения длительной работы электровоза на такой позиции главный контроллер не останавливаясь осуществляет переход с позиции «П1» на первую позицию. При переходе с позиции «П1» на «1» вначале размыкается контактор Г, затем замыкаются контакторы 15 ПС и 36, 37 ПО, после чего вновь замыкается контактор Г. В результате на выводах а2-0 также появляется напряжение для питания ТЭД.
На «1» позиции включены следующие контакторы ЭКГ: А, Б, В, Г (контакторы с дугогашением включены на серединах всех позиций); 11,15 ПС; 32, 33 и 36, 37 ПО (включены до 17 позиции).
В первый полупериод по первичной обмотке тягового трансформатора ток идет от контактного провода к рельсам. В результате чего напряжение во всех вторичных обмотках трансформатора условно направлено слева направо. При этом ТЭД обеих тележек (на каждой секции электровоза) получают питание по двум параллельным цепям по обычной мостовой схеме:
1-я цепь, питание ТЭД1, 2 — от плюсового (в этот полупериод) вывода a1 нерегулируемой обмотки трансформатора, по шине В2, через крайний нож разъединителя 81, через плечо 1 ВУ (выпрямительной установки) 61, по плюсовой шине В303 и далее по двум параллельным цепям ТЭД1 и ТЭД2. (Для примера рассмотрим цепь через ТЭД1: через контакт тормозного переключателя 49 замкнутый в режиме тяги, через нож разъединителя ОД1, через контакт реверсора 63, замкнутый при движении секции вперед, по обмотке возбуждения ТЭД1 (КК1-К1), через замкнутые контакты 63, 49, по якорной обмотке (ЯЯ1-Я1) ТЭД1, по шунту амперметра 89, по катушке (шине) реле перегрузки РП1, через силовые контакты линейного контактора 51). Далее ток двух цепей ТЭД1 и ТЭД2 идет по силовой шине В55, через СР (сглаживающий реактор) 55, через плечо 3 ВУ 61, через средний нож разъединителя 81, по силовой шине В1, через одно плечо 01-Х1 ПРА 25, через контактор с дугогашением А ЭКГ, через замкнутый контактор 11 ПС ЭКГ, по силовой шине В85, по всем четырем секциям регулируемой обмотки трансформатора 1-01 против их ЭДС, по силовой шине В85, через контакторы 32 и 33 ПО ЭКГ, по силовой шине В82 к минусовому (в этот полупериод) выводу xl нерегулируемой обмотки трансформатора. Таким образом, получилась полная замкнутая цепь.
2-я цепь, питание ТЭДЗ, 4—от плюсового (в этот полупериод) вывода х2 нерегулируемой обмотки трансформатора, по шине В89, через контакторы ПО 36, 37 ЭКГ, по силовой шине В86, по всем четырем секциям регулируемой обмотки трансформатора 02-5 против их ЭДС, по силовой шине В88, через контактор ПС 15 ЭКГ, через контактор с дугогашением Г ЭКГ, по силовой шине В4, по одному плечу А-0 ПРА 25, по силовой шине В13, через крайний нож разъединителя 82, через плечо 1 ВУ62, по плюсовой шине В403 и далее по двум параллельным цепям ТЭДЗ и ТЭД4, по силовой шине В56, через СР 56, через плечо 3 ВУ 62, через средний нож разъединителя 82, по силовой шине В10 на минусовой (в этот полупериод) вывод а2 нерегулируемой обмотки трансформатора.
Во второй полупериод ток по первичной обмотке трансформатора идет от рельсов в контактную сеть, а напряжение во всех вторичных обмотках трансформатора условно направлены справо налево. При этом ТЭД обеих тележек на каждой секции получают питание по двум параллельным цепям, по перекрестной схеме. 1-я цепь: питание ТЭД1,2 — от плюсового вывода а2 нерегулируемой обмотки трансформатора, по шине В10, через крайний нож разъединителя 81, через плечо 2 ВУ61, по шине В303, далее по двум параллельным цепям ТЭД1 и ТЭД2, по шине В55, через СР 55, через плечо 4 ВУ 61, через другой крайний нож разъединителя 81, по шине В2, по силовым шинам дифференциальных реле 21 и 22, по шине В13, по одному плечу 0-А ПРА 25, по шине В4, через контактор с дугогашением Г ЭКГ, через контактор 15 ПС ЭКГ, по шине В88, по всем четырем секциям 5-02 регулируемой обмотки трансформатора против их ЭДС, по шине В86, через контакторы 36 и 37 ПО ЭКГ, по шине В89 к минусовому выводу х2 нерегулируемой обмотки трансформатора.
2-я цепь: питание ТЭДЗ,4 — от плюсового вывода x1 нерегулируемой обмотки трансформатора, по шине В82, через контакторы 32 и 33 ПО ЭКГ, по шине В85, по всем четырем секциям регулируемой обмотки трансформатора 01-1 против их ЭДС, по шине В83, через контактор 11 ПС ЭКГ, через контактор с дугогашением А ЭКГ, по шине В5, по одному плечу xl-01 ПРА 25, по шине В1, через крайний нож разъединителя 82, через плечо 2 ВУ 62, по шине В403, далее по двум параллельным цепям ТЭДЗ и ТЭД4, по шине В56, через СР 56, через плечо 4 ВУ 62, через другой крайний нож разъединителя 82, по шине В13, по силовым шинам дифференциальных реле 22 и 21, по шине В2 к минусовому выводу a1 нерегулируемой обмотки трансформатора.
На первой позиции нерегулируемые и регулируемые обмотки включены встречно и замкнуты контакты 11,15 ПС главного контроллера. В результате в цепи протекания токов ТЭД оказываются включенными полуобмотки переходных реакторов 25, которые будут создавать дополнительное сопротивление токам ТЭД, что необходимо для более плавного приведения электровоза в движение на первой позиции.
Вывод:
Исследовали силовые электрические цепи электровоза переменного тока
Цель работы:
Исследовать электрические цепи управления электровоза переменного тока
Порядок работы:
1. Назначение
2. Принцип действия
3. Схема
4. Вывод
Назначение
Цепи управления предназначены для управления электрическими аппаратами локомотива (токоприемники, главный выключатель, главный контроллер и т.д.) для регулирования напряжения на тяговых двигателях.
Чтобы лучше понять взаимную связь электрических машин, электрической аппаратуры и другого электрооборудования, реально существующие электрические цепи представляют в виде схем. Знание электрических схем требуется не только для понимания работы оборудования, управления локомотивом, но и для быстрого обнаружения появляющихся в процессе эксплуатации отдельных неисправностей электрооборудования. Необходимо уметь читать схему, т. е., пользуясь условным ее графическим изображением, проследить путь прохождения тока в электрических цепях локомотива при всех режимах его работы, определить связь и взаимодействие всего электрического оборудования. Для облегчения поиска провода, изображаемые на электрической схеме в виде линий, пронумерованы по участкам.
Цепи управления главными выключателями
Для включения главных выключателей на всех секциях электровоза необходимо, чтобы были обеспечены следующие условия:
- давление воздуха в резервуаре ГВ на каждой секции должно быть не менее 5,6-5,8 кгс/см2 (для включения реле минимального давления РД, которое своим контактом соединяет катушки ГВ 4Удерж. и 4Вкл. с корпусом электровоза) проверяется по показаниям манометра МН2 на резервуаре ГВ каждой секции;
- валы главных контроллеров ЭКГ на всех секциях электровоза должны находиться на «0» позиции, что подтверждается замыканием их блокировочных контактов ГП0 в цепи катушек ГВ 4Удерж. и 4Вкл. (горят зеленые сигнальные лампы «0ХП» на пульте управления ведущей секции);

Рис.1. Схема цепей управления главным выключателем
- на каждой секции электровоза должно быть включено реле 248, которое замыкает свои блокировки в цепи катушек ГВ 4Удерж. и 4Вкл.;
- переключатели режимов ПР на каждой секции электровоза должны находиться в положении «Включено», что подтверждается замкнутым состоянием их контактов ПР в цепи катушек ГВ 4Удерж. и 4Вкл.
Цепи управления ГВ так же, как и цепи управления токоприемниками, защищены автоматическим выключателем ВА1 «Токоприемники», который должен находиться во включенном положении на всех секциях электровоза.
Для включения ГВ необходимо на пульте выполнить следующие действия (см. рис. 1):
I. Включить выключатель «Выключение ГВ», при этом от провода Н01 через контакт выключателя по проводу Н88 через контакт главного вала контроллера машиниста КМЭ (61-62) в рабочей кабине (замкнутый во всех положениях кроме «БВ») получает питание провод Э13 на всех секциях.
На каждой секции электровоза от провода Э13 через замыкающую блокировку реле 248 по проводу Н68 через размыкающую блокировку переключателя режимов ПР получает питание провод Н72, от которого питаются следующие три цепи:
- от провода Н72 через резисторы г34 и г35 (по 47 Ом) получают питание катушки дифференциальных реле 21 и 22, при этом сами реле 21 и 22 не включаются;
- от провода Н72 через размыкающую блокировку ГП, замкнутую на серединах всех позиций, по проводу Н89 получает питание катушка реле времени 204. Реле времени 204 включается и размыкающим контактом размыкает цепь на красную сигнальную лампу «ГП», а замыкающим контактом создает цепь на удерживающую катушку ГВ 4Удерж.
- после включения реле времени 204 от провода Н72 катушка 4Удерж. получает питание по цепи:
«+»Н72 -» ГПО -» Н73 -> 204 -» Н74 -> 88 -> Н75 -> 113 -» Н76 -> -» Н76 -> РТВ1 -» Н77 -> РМТ -> 4Удерж. -> РД «-».
Получив питание, удерживающая катушка ГВ создает свой магнитный поток, но никаких изменений в схеме от этого не происходит.
II. Включить на 1-3 с выключатель с самовозвратом «Включение ГВ и возврат реле», при этом от провода Н01 через контакт выключателя получает питание провод Э14.
1. На каждой секции электровоза от провода Э14 включающая катушка ГВ 4Вкл. получит питание по цепи:
«+»Э14 -» 510 -> Н19 -» 248 -> Н85 -» ПР -> Н99 -» ГПО -> Н86 -» -» 207 -> Н87 -> БП -» Н84 -> Р1 -» 4Вкл. -» РД «-».
Получив питание, включающая катушка воздействует на включающий клапан, который пропускает воздух из резервуара ГВ под поршень пневматического привода разъединителя, что приводит к повороту разъединителя ГВ на 30° во включенное положение (остальные 30° разъединитель поворачивается за счет пружины доводящего устройства), при этом блокировочные контакты ГВ (1/2) своими блокировками выполняют следующие действия:
размыкается контакт 4 в цепи сигнальной лампы «ГВ», размыкается контакт Р1 и включающая катушка ГВ 4Вкл. теряет питание, при этом включающий клапан садится на седло и выпускает воздух из пневматического привода разъединителя в атмосферу;
замыкаются две параллельно включенные блокировки Р1, в результате чего от провода Н86 через замкнутые блокировки Р1 получает питание катушка промежуточного реле 207.
2. Включившись, промежуточное реле 207 одним замыкающим контактом ставит себя на самопитание от провода Н86. За счет этого реле 207 останется включенным все время, пока нажат выключатель «Включение ГВ и возврат реле», в результате чего его размыкающий контакт 207 в цепи включающей катушки ГВ останется все время разомкнутым. Этим предотвращается «звонковая» работа ГВ при его включении на аварийный режим.
Другой замыкающий контакт реле 207 шунтирует токоограничивающие резисторы R34 и R35 (по 47 Ом) в цепи катушек дифференциальных реле 21, 22. Тогда ток от провода Н01 через катушки дифференциальных реле увеличивается и дифференциальные реле 21, 22 включаются.
3. Включившись, реле 21 и 22 своими контактами выполняют следующие действия:
размыкается по одному размыкающему контакту 21 и 22 в цепи красных сигнальных ламп «ВУ1» и «ВУ2»;
размыкается по одному размыкающему контакту в цепи катушки ГВ 40ткл., разъединяя ее с обмоткой собственных нужд;
замыкается по одному замыкающему контакту в цепи катушки промежуточного реле 264 катушка которого от провода Н72 получит питание по цепи:
«+»Н72 -» ГПО -» Н73 -» 22 -> 21 -> Н71 -» РП1 -» РП2 -» -> РПЗ -» РП4 -» Н83 -» 264 «-».
4. Включившись, промежуточное реле 264 размыкает контакт в цепи красной сигнальной лампы «РП» и замыкает контакт 264 в цепи катушки ГВ 4Удерж. На позициях ЭКГ блокировочный контакт ГПО будет разомкнут, но цепь на удерживающую катушку не прервется и она будет продолжать получать питание от провода Н72 через замкнутый контакт реле 264 и через замкнутые контакты дифференциальных реле 21, 22.
Отключение ГВ. Отключение главного выключателя может происходить по команде с пульта машиниста и автоматически, при возникновении неисправностей в схеме электровоза.
Вывод
Исследовали электрические цепи управления электровоза переменного тока
Цель работы:
Исследовать силовые электрические цепи моторного вагона электропоезда переменного тока ЭР9Е
Порядок работы:
1. Назначение
2. Принцип действия
3. Схема
4. Вывод
Назначение
Силовые электрические цепи предназначены, посредством специальных электрических аппаратов, для подачи напряжения на тяговые двигатели и другие устройства электропоезда.
После того как поднят токоприемник, включен главный выключатель, подано высокое напряжение и введены в работу вспомогательные машины и устройства, могут быть приведены в действие силовые цепи электропоезда.
Все электрическое оборудование на электропоездах соединяют в электрические цепи: силовую, вспомогательную и управления, которые графически изображают схемами. На электрической схеме условными изображениями показывают электрические аппараты, приборы и соединения между ними в той последовательности, в какой они выполнены на вагоне.
Электрическая схема позволяет проследить путь прохождения тока, взаимодействие аппаратов, определить возможные неисправности. Существуют принципиальные и монтажные схемы. На принципиальных схемах показывают лишь условные изображения катушек и контактов и соединяющие их провода. На монтажных схемах показывают все выводные зажимы аппаратов и приборов, клеммовые рейки, провода с их отпайками и разветвлениями, полную нумерацию и буквенные обозначения проводов. Электрические схемы вычерчивают отдельно для каждого типа вагона: моторного, головного и прицепного. Кроме того, для облегчения изучения и скорейшего усвоения схемы моторного, головного и прицепного вагонов условно разделяют на схемы силовой цепи, вспомогательных цепей и цепей управления.

Рис.1. Схема силовых электрических цепей моторного вагона ЭР9Е
В силовую цепь моторного вагона входят аппараты, питающиеся от контактной сети напряжением 25 кВ. К ним относятся токоприемник, устройство защиты от радиопомех, разрядник, высоковольтный выключатель и первичная обмотка трансформатора. В силовую цепь входят также все устройства, питающиеся от вторичной тяговой обмотки трансформатора. К таким устройствам относят тяговые двигатели, линейные контакторы, сглаживающий реактор, реверсор, выпрямительную установку, силовой контроллер, с помощью которого выпрямительная установка подключается к выводам секций вторичной обмотки трансформатора, и т. д.
В принципиальных электрических схемах приборы и аппараты условно изображают в положении, в котором они находятся при обесточенной цепи управления, отсутствии напряжения в контактной сети, заземленной обмотке высшего напряжения силового трансформатора, открытых дверях высоковольтных шкафов и открытой лестнице подъема на крышу. При этом отсутствует сжатый воздух в цепях управления, вал реверсора находится в положении «Вперед», вал группового переключателя - на 1-й позиции.
Провода, соединяющие отдельные элементы электрооборудования данного вагона и непосредственно не связанные с проводами других вагонов, обозначают теми же номерами с добавлением буквенных индексов (1А, 1Б и т. д.)
В силовую схему моторного вагона входят: тяговый трансформатор ГТ (рис. 1), главный контроллер ГК, полупроводниковая выпрямительная установка ВК1 - ВК4, тяговые электродвигатели M1 - М4, сглаживающий реактор СР, линейные контакторы ЛК1 и ЛК2, резисторы и другие аппараты.
Переменный ток напряжением 25 кВ подается от токоприемника Т через дроссель защиты от радиопомех ДР и воздушный высоковольтный выключатель ВВ на обмотку высшего напряжения А - А" тягового трансформатора. Второй конец обмотки высшего напряжения соединен с «землей» - рельсами посредством щеточного заземляющего устройства, расположенного на оси колесной пары.
Для предохранения электрооборудования от попадания высокого напряжения на низковольтные цепи при обрыве цепи заземляющих щеток имеется второе соединение обмотки трансформатора с корпусом вагона через дроссель заземления ДЗТ. В нормальном режиме ток обмотки высшего напряжения идет через заземляющее устройство, так как оно имеет меньшее по сравнению с дросселем сопротивление. При токе обмотки высшего напряжения 40 - 80 А падение напряжения на дросселе составляет 18 - 20 В.
Обмотка низшего напряжения трансформатора (тяговая) состоит из восьми равных по напряжению секций, соединенных последовательно, и имеет девять выводов 0...8. Средняя точка тяговой обмотки заземлена через обмотку реле заземления РЗ и резистор 0-Р17. Резистор 0-Р17 предназначен для ограничения тока при замыкании силовой цепи на землю. Общее сопротивление заземляющей цепи около 5 Ом.
При аварийном замыкании силовой цепи на «землю» (вследствие нарушения изоляции, переброса на корпус и др.) реле заземления срабатывает и отключает высоковольтный выключатель ВВ. Это необходимо для того, чтобы исключить возможность образования в силовой "цепи двух заземлений, при которых возможны незащищенные контуры короткого замыкания вторичной обмотки трансформатора.
Для питания тяговых двигателей постоянным током к обмотке низшего напряжения трансформатора через контакты, силового контроллера 1...10 подключена по однофазной мостовой схеме выпрямительная установка, состоящая из четырех групп кремниевых вентилей ВК1 - ВК4. Два плеча моста ВК1 и ВК2 имеют так называемую расщепленную часть, в которую включены вентили перехода ВП1 - ВП4.
Расщепленные плечи моста соединены со сборными шинами четных и нечетных контакторов 1...10. Контакторы 1...10 подключаются к выводам секций обмотки низшего напряжения трансформатора.
Со стороны переменного тока нерасщепленная часть выпрямительного моста постоянно соединена с крайним выводом обмотки 8. Благодаря наличию вентилей перехода в плечах выпрямительного моста осуществлена схема бестокового переключения контакторов силового контроллера. При этом отпадает необходимость устанавливать переходные реакторы, и дугогасительные устройства контакторов силового контроллера.
К выпрямительной установке подключены 4 тяговых двигателя M1 - М4, соединенные в две параллельные группы по два двигателя последовательно. Включение двигателей осуществляется двумя линейными контакторами ЛК1 и ЛК2.
Контакты контактора ЛК2 включены так, чтобы исключить образование тормозного контура, который может возникнуть в результате генераторного тока при движении моторного вагона с отключенными тяговыми двигателями. Контакты контактора ЛК1 включены последовательно для облегчения гашения дуги при разрыве общего тока двух групп тяговых двигателей. Для снижения пульсаций выпрямленного тока в общую цепь тяговых двигателей включен сглаживающий реактор СР. Для дополнительного уменьшения пульсаций тока в обмотках возбуждения и, следовательно, магнитного потока двигателя обмотки возбуждения тяговых двигателей шунтируются постоянно включенными резисторами R3 (Р4 - Р10) и R9 (Р7 - РП), которые обеспечивают постоянное ослабление возбуждения до 92,5%.
Резисторы R4 (Р4—Р5); R5 (Р5—Р6) и R7 (Р7—Р8); R8 (Р8—Р9), а также контакторы силового контроллера Ш1 и Ш4 служат для двухступенчатого ослабления возбуждения тяговых двигателей до 53,5 и 32% на последних позициях силового контроллера. Контакторы Ш1 и ШЗ в отличие от остальных выполнены с дугогашением, так как при возврате контроллера с 19-й на 1-ю позицию они размыкают цепь под током.
Для заземления тяговой обмотки трансформатора при производстве работ с высоковольтным оборудованием предусмотрен двухполюсный рубильник с ручным приводом - заземлитель трансформатора ЗТ.
Рассмотрим работу силового электрооборудования при пуске электропоезда. Изменение величины напряжения осуществляют последовательным подключением главным контроллером ГК различного числа секций обмотки низшего напряжения трансформатора. При полностью включенной тяговой обмотке трансформатора регулирование скорости осуществляют ослаблением поля тяговых двигателей.

Рис.2. Схемы питания тяговых двигателей
На 1-й позиции вала ГК замкнуты контакторы 1, 11, 12. На рис. 2а дана схема питания тяговых двигателей от одной секции 7—8 обмотки трансформатора через добавочный резистор Р1—Р2, который ограничивает пусковой ток. Эту ступень используют в качестве маневровой. Она необходима для движения с небольшой скоростью и малым ускорением при трогании с места. На 2-й позиции ГК замыкается контактор 9 (рис. 2б), который выводит пусковой реостат. Сплошными стрелками показан путь тока при э. д. с. вторичной обмотки, направленной от вывода 8 к выводу 7, и пунктирными - путь тока
при обратной полярности. На 2-й позиции ток протекает через контакторы 1, 9, 11.
При повороте ГК на 3-ю позицию вначале размыкается контактор 12, не обтекаемый током, а затем замыкается контактор 2. Таким образом, на 3-й позиции замкнуты контакторы 1, 2, 9, 11. Напряжение на двигателях повышается, так как в полупериод, когда э. д. с. вторичной обмотки трансформатора направлена от вывода 6 к выводу 8, к выпрямительной установке приложено напряжение двух секций тяговой обмотки трансформатора. Путь тока на рис. 2в в этом случае показан пунктирными стрелками. Во второй полупериод, когда э. д. с. обмотки трансформатора направлена от вывода 8 к выводу 6, на двигатели подается напряжение только одной секции 7 - 8, так как цепь соединения выпрямителя с выводом 6 через вентили перехода ВП1 разорвана контактором 12 (путь тока в этот полупериод показан сплошными стрелками). Таким образом, 3-я позиция отличается повышенной пульсацией, так как в первый полупериод напряжение на двигателях равно напряжению двух секций обмотки трансформатора, а во второй полупериод - напряжению одной секции.
Повышенную пульсацию из-за неравенства подводимого напряжения в разные полупериоды имеют все последующие нечетные позиции до 15-й включительно. Эти позиции используют только как переходные в процессе пуска.
На 4-й позиции включается контактор 12 (см. рис. 2г), и в оба полупериода двигатели получают питание от двух секций вторичной обмотки трансформатора. Контакторы 1 и 11 на 4-й позиции обесточены, так как цепь тока проходит только по вентилям перехода ВП1 и ВПЗ. Это объясняется тем, что потенциал точки Б, связанной с выводом 6 двух секций трансформатора, в один из полупериодов выше потенциала точки А (э. д. с. направлена от вывода 8 к выводу 6 - сплошные стрелки), а в другой полупериод потенциал точки Б ниже потенциала А (э. д. с. направлена от вывода 6 к выводу 8 - пунктирные стрелки).
Необходимо отметить, то наличие вентилей перехода препятствует образованию тока короткого замыкания при одновременном включении контакторов 1 и 2, И и 12 или других, аналогичных по схеме. Благодаря этому при переходе на 5-ю позицию контакторы силового контроллера 1 и 11 отключаются без разрыва тока, что позволило их выполнить без дугогашения.
На 5-й позиции после размыкания контакторов 1 и 11 замыкается контактор 3. При этом вновь создается режим выпрямления с повышенной пульсацией. Питание электродвигателей в первый полупериод осуществляется напряжением           от трех секций 5 - 8 тяговой обмотки трансформатора по цепи вентилей перехода ВП4, во второй полупериод - от двух секций 6 - 8 по цепи вентилей перехода ВП1.
Дальнейший процесс повышения напряжения на тяговых двигателях до 16-й позиции аналогичен описанному выше: на нечетных позициях разомкнут один из контакторов 11 или 12 и осуществляется несимметричный режим выпрямления с повышенной пульсацией, а на четных позициях контакторы 11 и 12 замкнуты и осуществляется двухполупериодное выпрямление с нормальной пульсацией тока.
На 16-й позиции выпрямительный мост оказывается включенным на полное напряжение всех восьми секций обмотки низшего напряжения трансформатора. Для уменьшения нагрева контактора 8 параллельно ему включен контактор 10.
На 17-й и 18-й позициях включаются контакторы Ш1 и ШЗ, ослабление возбуждения двигателей достигает 53,5%. На 19-й, последней, рабочей позиции главного контроллера поле двигателей дополнительно ослабляется до 32% включением контакторов Ш2 и Ш4. Эта позиция соответствует положению IV контроллера машиниста и позволяет реализовать наивысшую скорость поезда.
На электропоездах ЭР9Е с целью повышения сцепного веса моторного вагона применена схема поосного выравнивания коэффициентов тяги. При замыкании силовой цепи обмотки возбуждения тяговых двигателей разгруженных колесных пар (первой и третьей по ходу движения поезда) постоянно зашунтированы резисторами. Для этого между средними точками обмоток возбуждения тяговых двигателей М1-М2 (МЗ-М4) и общими точками контакторов реверсора В1-Н1 (ВЗ-НЗ) включены резисторы Р12-Р4 (Р13-Р7). В зависимости от направления движения эти резисторы подключаются параллельно обмоткам возбуждения двигателей Ml и МЗ (при движении вперед) или М2 и М4 (при движении назад).
Таким образом, обеспечивается автоматическое ослабление поля разгруженных колесных пар шунтированием их обмоток возбуждения от момента пуска до выхода на автоматическую характеристику полного возбуждения. В дальнейшем электропоезд разгоняется ослаблением возбуждения другой пары двигателей замыканием контакторов Ш1 и ШЗ (17 и 18 позиции ГК) и более глубоким ослаблением возбуждения всех двигателей включением контакторов Ш2 и Ш4 (19 позиция ГК).
20-я позиция является холостой. Она обеспечивает равномерное вращение главного контроллера при переходе на 1-ю позицию после «сброса» рукоятки контроллера машиниста — вначале выключаются контакторы 8, 10, Ш4, а затем Ш1, Ш2, ШЗ.
Изменение направления движения поезда осуществляется при помощи реверсоров В1—В4 и HI—Н4 изменяющих направление тока в обмотках возбуждения. В цепь тяговых двигателей МЗ и М4 включена обмотка управления магнитного усилителя УМ электронного реле ускорения. Для определения расхода электроэнергии использован счетчик Wh, токовая обмотка которого питается через трансформатор тока ТТ1, а обмотка напряжения - от вспомогательной обмотки трансформатора 220 В. К этой же обмотке подключен вольтметр, показывающий напряжение в контактной сети с учетом коэффициента трансформации вспомогательной обмотки тягового трансформатора. Ток двигателей контролируют амперметром. А, включенным через трансформатор тока ТТ2.
В силовую цепь входят устройства защиты. На стороне высшего напряжения - высоковольтный вилитовый разрядник РВС; воздушный высоковольтный выключатель ВВ; реле отключения высоковольтного выключателя РОВ, обмотка которого питается от трансформатора тока ТТЗ. На стороне низшего напряжения и на стороне постоянного тока установлены реле заземления РЗ и конденсаторы С2, СЗ, С4. В цепь обеих групп тяговых двигателей включены реле перегрузки РП1 и РП2 и быстродействующее дифференциальное реле БДР. К средним точкам двух групп двигателей подключено реле боксования РБ.
Вывод
Исследовали силовые электрические цепи моторного вагона электропоезда переменного тока ЭР9Е
Цель работы:
Исследовать электрические цепи управления моторного вагона электропоезда переменного тока ЭР9Е
Порядок работы:
1. Назначение
2. Принцип действия
3. Схема
4. Вывод
Назначение
Цепи управления предназначены для управления электрическими аппаратами локомотива (токоприемники, главный выключатель, главный контроллер и т.д.) для регулирования напряжения на тяговых двигателях.
Чтобы лучше понять взаимную связь электрических машин, электрической аппаратуры и другого электрооборудования, реально существующие электрические цепи представляют в виде схем. Знание электрических схем требуется не только для понимания работы оборудования, управления локомотивом, но и для быстрого обнаружения появляющихся в процессе эксплуатации отдельных неисправностей электрооборудования. Необходимо уметь читать схему, т. е., пользуясь условным ее графическим изображением, проследить путь прохождения тока в электрических цепях локомотива при всех режимах его работы, определить связь и взаимодействие всего электрического оборудования. Для облегчения поиска провода, изображаемые на электрической схеме в виде линий, пронумерованы по участкам.
К цепям управления относят устройства, связывающие контроллер машиниста с низковольтными катушками приборов и аппаратов, контактами реле и блок-контактами силовых аппаратов для необходимой последовательности работы электрооборудования.
В принципиальных электрических схемах приборы и аппараты условно изображают в положении, в котором они находятся при обесточенной цепи управления, отсутствии напряжения в контактной сети, заземленной обмотке высшего напряжения силового трансформатора, открытых дверях высоковольтных шкафов и открытой лестнице подъема на крышу. При этом отсутствует сжатый воздух в цепях управления, вал реверсора находится в положении «Вперед», вал группового переключателя — на 1-й позиции.
На электропоезде ЭР9Е применена косвенная система управления несколькими вагонами с одного поста управления из кабины машиниста. Питание цепей управления осуществляется через поездные и секционные провода. Поездные провода — это провода цепи управления вагона, связанные через междувагонные соединения с одноименными проводами других вагонов в пределах всего поезда. Секционные провода, в отличие от поездных проводов, имеют соединения с одноименными проводами в пределах одной секции М+П или М+Г. Провода цепи управления имеют обозначения. Поездные и секционные провода обозначают номерами 1, 2, 3, 4 и т. д. без индекса.

Рис.1 Схема цепей управления ГВ
Схема питания удерживающей катушки выключателя ВВ-У и промежуточного реле ПВВ1 на электропоездах ЭР9Е представлена на рис.1.
Здесь в отличие от схемы электропоезда ЭР9М катушки ВБ-У, ПВВ1 и РОП получают дополнительное питание от провода 56 (плюс аккумуляторной батареи). Тем самым исключено самопроизвольное отключение ВВ и опускание токоприемника при кратковременной потере питания провода 15.
Реле ПВВ1 контролирует наличие питания на катушке ВВ-У. При отсутствии питания контакт ПВВ1 в проводах 25А—25Б в цепи катушки КЛП-П не позволяет поднять токоприемник данного вагона, а замыкающий контакт ПВВ1 в проводах 7Ю-7Я в цепи включающей катушки ВВ не позволяет включить ВВ.
Включение высоковольтных выключателей производят нажатием импульсной кнопки на пульте управления «Восстановление ВВ, защита». Контакт этой кнопки в проводах 15Д-7 замыкается и подает питание на включающую катушку ВВ-В по цепи: провод 15, предохранитель Пр25, контакт РПТ, контакт кнопки в проводах 15Д-У, поездной провод 7. На моторном вагоне: провод 7, размыкающий контакт кнопки «Вкл. ВВ», 7Ш, размыкающий контакт ПВВ-2, замыкающий контакт ПВВ1, собственная блокировка ВВ, включающая катушка ВВ-В, блок-контакт ГК7, провод 30.
После подачи напряжения на включающую катушку ВВ-В (при наличии питания на удерживающей катушке ВВ-У и реле ПВВ1) высоковольтный выключатель включается. Размыкающий блок-контакт ВВ в проводах 7Я-7Ж разрывает цепь питания импульсной катушки ВВ после окончательного включения выключателя, а замыкающий блок-контакт ВВ в проводах 7Ш-7Р подает питание на катушку промежуточного реле ПВВ2 от провода 7. Реле ПВВ2 включается и своим замыкающим контактом в проводах 7Ш-7Р шунтирует блок-контакт ВВ, а размыкающим контактом в проводах 7Ш-7Ю снимает питание с импульсной катушки ВВ-В.
Если в силовой схеме имеется неисправность, которая ведет к автоматическому отключению ВВ, то благодаря реле ПВВ2 повторного включения не произой   дет хотя на проводе 7 есть еще напряжение. Таким образом, реле ПBB2 обеспечивает однократность подачи импульса на включение ВВ независимо от длительности нажатия кнопки. Этим самым исключается возможность повторного включения ВВ и звонковой работы аппарата при коротком замыкании в силовой цепи.
Блок-контакт ГК7, замкнутый только на 1-й позиции ГК контролирует нахождение силового контроллера на 1-й позиции в момент включения ВВ".
Включение выключателя на данном моторном вагоне производят нажатием импульсной кнопки «Вкл. ВВ». Замыкающий контакт кнопки в проводах 15В-7Ш подает питание от провода 15В на провод 7Ш и далее на катушки ВВ-В и ПВВ2, а второй размыкающий контакт в проводах 7-7Ш отсоединяет поездной провод 7, что обеспечивает включение выключателя только на данном вагоне.
Оперативное отключение ВВ производят нажатием кнопки «Отключение ВВ» на головном вагоне. При этом контакт кнопки соединяет провод 19 с проводом 30 через замкнутую блокировку ВВ в приводах 19-15В. Подача минусового потенциала на провод 19 приводит к тому, что реле ПВВ1 и катушка ЩВ-У оказываются закороченными и ВВ отключается;
Наличие диода Д1 параллельно цепи ВВ-У и ПВВ1 в схемах электропоездов ЭР9М облегчает условия гашения электрической дуги при разрыве цепи блок-контактами ВВ в проводах 15ВА-19.
На электропоездах ЭР9Е провод 19 через замыкающий блок-контакт ВВ и диод ДЗ соединен с катушкой ПВВ1. Подача минусового потенциала на провод 19 приводит сначала к отключению реле ПВВ1 и последующему отключению выключателя.
Для предотвращения короткого замыкания включен токоограничивающий резистор R12: в схемах электропоездов ЭР9М - между проводами 15В и 19, а в схемах электропоездов ЭР9Е - между проводами 15ВУ - 15ВС.
Оперативное отключение ВВ на данном вагоне производят также пакетным выключателем «Откл. ВВ», который разрывает цепь удерживающей катушки ВВ.
Автоматическое отключение выключателя происходит при возникновении следующих аварийных режимов работы электрооборудования:
при достижении тока короткого замыкания в обмотке высшего напряжения силового трансформатора 80 - 120 А. При этом срабатывает реле РОВ, включенное в цепь трансформатора тока ТТ-3. контактом РОВ в проводах 15ВЕ-15ВК отключается цепь удерживающей катушки выключателя ВВ-У;
при возникновении кругового огня на коллекторе тягового двигателя или при коротком замыкании на стороне постоянного тока при достижении тока в цепи обмотки низшего напряжения трансформатора 1200 А. В этих случаях на отключающую катушку выключателя ВВ-0 подается импульс от блока ускоренного отключения ВВ-БУО;
при понижений давления в резервуаре высоковольтного выключателя ниже 0,48 – 0,02 МПа (4,8 - 0.2 кгс/см2). При этом контакты автомата минимального давления АМД в проводах 15ВИ-30 разрывают цепь удерживающей катушки ВВ-У. Для повторного1 включения ВВ необходимо иметь достаточное давление сжатого воздуха, для чего нужно включить вспомогательный компрессор, который дает сжатый воздух в резервуары токоприёмника и высоковольтного выключателя. Вспомогательные компрессоры установлены на каждом моторном вагоне. Запуск двигателей вспомогательных компрессоров осуществляется из головного вагона кнопкой ВВ-К «Включение вспомогательного компрессора». При этом от провода 15 через предохранитель Пр22 и контакты кнопки ВВ-С получает питание поездной провод 13 к которому подключаются двигатели на всех моторных вагонах по цепи: провод 13, включенный контакт пакетного выключателя вспомогательного компрессора ПВК, предохранитель Пр8, включенный контакт пакетного выключателя «Откл. ВВ», контакт реле давления РД, электродвигатель ДВК, провод 30. На электропоездах ЭР9Е после подачи питания на поездной провод 13 на моторных вагонах включаются реле включения компрессора РВК. Замыкающий контакт РВК 15К-15КА подключает двигатель вспомогательного компрессора к проводу 15 через предохранитель Пр8, При достижении в резервуарах ВВ и токоприемника необходимого давления контакты реле давления РД отключают двигатель. После подъема токоприемника и включения ВВ начинают работать главные компрессоры поезда и кнопка ВВК должна быть выключена. Электродвигатель ДВК может быть включен из моторного вагона переключением пакетного выключателя ПВК. Питание ДВК осуществляется от провода 15, при этом второй контакт выключателя отсоединяет поездной провод 13, предотвращая включение электродвигателей ДВК на других моторных вагонах;
при повышении переменного напряжения во вспомогательных цепях до 240 В. При этом срабатывает реле РМН в блоке БЗМН, которое своим размыкающим контактом 15ВМ-15ВЛ разрывает цепь удерживающей катушки ВВ-У;
при прочих причинах потери питания катушки ВВ-У, например, при сгорании предохранителя ПрЗ и т. п.
При отключении высоковольтного выключателя в кабине загорается лампа «ВВ», которая получает питание от провода 15 через предохранитель Пр7, размыкающие контакты РУМ в проводах 15А-15Я и ВВ в проводах 15Я-32.
Вывод
Исследовать электрические цепи управления моторного вагона электропоезда переменного тока ЭР9Е
|