| Содержание
1. Кривошипно-шатунный механизм
1.1 Назначение, конструкция и материал поршневых пальцев
1.2 Как фиксируются пальцы от осевых смещений
2. Насос системы охлаждения КамАЗ-740
2.1 Устройство и принцип действия
2.2 Опишите уплотнения вала
2.3 Вычертите схему уплотнения
3. Система смазки ЗМЗ-4062
3.1 Назначение и устройство
3.2 Путь масла от насоса к клапанному узлу ГРМ
3.3 Схема смазки на поперечном разрезе двигателя
4. Карбюратор К-151, система ускорительного насоса
4.1 Назначение и устройство система ускорительного насоса
4.2 Принцип действия системы
4.3 Возможные регулировки системы
5. Стартерная аккумуляторная батарея
5.1 Перечислите основные характеристики батареи
5.2 Емкость батареи и технологические мероприятия на увеличение емкости
Список использованной литературы
1. Кривошипно-шатунный механизм
Кривошипно-шатунный механизм (КШМ)
служит для преобразования поступательного движения поршня во вращательное движение коленчатого вала, и наоборот. Детали КШМ делят на две группы, это подвижные и неподвижные детали:
- подвижные: поршень с кольцами, поршневой палец
, шатун, колен вал, маховик.
- неподвижные: блок цилиндров - является остовом д.в.с., головка блока, прокладка, поддон (картер).
1.1 Назначение, конструкция и материал поршневых пальцев
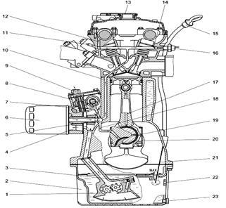
Поршневой палец соединяет поршень с верхней головкой шатуна (рис.1).
Поршневой палец служит осью в шарнирном соединении поршня с шатуном и воспринимает, поэтому все передающиеся между ними силовые нагрузки. В четырехтактных двигателях силовые нагрузки на поршневой палец резко изменяются как по величине, так и по направлению, а в двухтактных - только по величине. Однако в обоих случаях поршневые пальцы испытывают ударный характер нагрузки и работают в условиях ограниченной смазки.

а) «стакан» в «стакане» б) поперечный разрез
Рисунок 1 - Одноцилиндровый карбюраторный двигатель внутреннего сгорания
1 - головка цилиндра; 2 - цилиндр; 3 - поршень; 4 - поршневые кольца; 5 - поршневой палец;
6 - шатун; 7 - коленчатый вал; 8 - маховик; 9 - кривошип; 10 - распределительный вал;
11 - кулачок распределительного вала; 12 - рычаг; 13 - клапан; 14 - свеча зажигания
В кривошипном механизме быстроходных двигателей поршневые пальцы должны иметь, возможно, меньшую массу, а по конструктивным соображениям их выполняют с ограниченным поперечным сечением и малыми опорными поверхностями. Это порождает большие напряжения и значительные удельные давления на опорных поверхностях рассматриваемого шарнирного соединения, поэтому поршневой палец должен обладать высокой износостойкостью и одновременно хорошо противостоять действию ударных нагрузок при общей ограниченной массе.
Чтобы удовлетворить этим жестким требованиям, поршневые пальцы изготовляют в виде полого цилиндра с небольшой толщиной стенок одинакового или переменного (при необходимости) сечения по оси (рис. 2) и подвергают их соответствующей термической обработке.
Поршневой палец должен быть прочным, легким и износостойким, так как во время работы подвергается трению и большим механическим нагрузкам, переменным по величине и направлению. Пальцы изготовляют из высококачественной стали в виде пустотелых трубок. Для повышения надежности наружную поверхность пальца цементируют или закаливают, а затем шлифуют и полируют. Материалом для поршневых пальцев служат углеродистые стали марок 15, 20 или 45, а в особенно напряженных двигателях применяют хромистые - 20Х, 40Х, 12ХНЗА и другие легированные стали.
Рисунок 2 - Поршневые пальцы
Пальцы, изготовленные из малоуглеродистых сталей, содержащих до 0,2% углерода, цементируют, т. е. науглероживают поверхностный их слой, и подвергают закаливанию. Пальцы из среднеуглеродистых сталей закаливают, нагревая их поверхностный слой токами высокой частоты. Толщина закаленного слоя составляет 1…1,5 мм, а твердость HRC 55…62.
После такой термической обработки материал пальца с внутренней стороны стенок сохраняет свои вязкие свойства и хорошо сопротивляется ударным нагрузкам, а наружный закаленный слой их приобретает повышенную износостойкость. Пальцы тщательно шлифуют и полируют, с тем, чтобы на рабочей поверхности не оставалось каких-либо рисок или следов обработки, вызывающих концентрацию опасных для прочности местных напряжений.
Чтобы в процессе работы поршневые пальцы не выходили из отверстий бобышек и не могли повредить зеркало цилиндра, их фиксируют в строго заданном положении относительно шатуна или поршня.
В бобышках поршня палец укреплен стопорными кольцами, удерживающими его от осевого смещения. Такой палец называют плавающим, так как он при работе двигателя может повертываться в верхней головке шатуна и бобышках поршня. Плавающие поршневые пальцы равномернее изнашиваются и поэтому долговечнее.
У работающего двигателя поршень из алюминиевого сплава расширяется больше, чем стальной палец, поэтому возможен его стук в бобышках поршня. Для устранения этого явления поршень перед сборкой с шатуном нагревают до 70-80° С, а затем в поршень и шатун вставляют палец. Когда поршень остынет, палец в бобышках окажется закрепленным неподвижно, а верхняя головка шатуна будет иметь угловое смещение относительно неподвижного пальца.
При работе двигателя поршень нагревается и палец получает возможность повертываться вокруг своей оси. Применяют пальцы, запрессованные в верхние головки шатунов (двигатели автомобилей «Жигули»), Такие пальцы могут повертываться только в бобышках поршня.
1.2 Как фиксируются пальцы от осевых смещений?
По способу фиксации их подразделяют на плавающие и закрепленные
. Последние неподвижно фиксируют в головке шатуна или в бобышках поршня, поэтому угловое перемещение они сохраняют только в бобышках (рис. 2, б) или в головке шатуна (рис. 2, в).
В современных конструкциях неподвижность пальца относительно головки шатуна достигают путем запрессовки пальца в головку с заданным натягом (например, в двигателях ВАЗ натяг составляет 0,01…0,042 мм при диаметре пальца 22 мм).
При неподвижной фиксации поршневых пальцев в шатуне или бобышках поршня отдельные участки их нагружаются неравномерно, а, следовательно, и неравномерно изнашиваются. Чтобы устранить этот недостаток, применяют так называемые плавающие пальцы, которые фиксируют только от осевого смещения, как показано на рис. 2, а, г.
В процессе работы они могут свободно поворачиваться, как в головке шатуна, так и в бобышках поршня, что способствует более равномерному их износу. В холодном состоянии палец должен плотно без качки входить в отверстие втулки верхней головки шатуна, а по отверстиям в бобышках поршня из алюминиевых сплавов его подбирают с тугой посадкой. Необходимость этого обусловливается разницей в коэффициентах линейного расширения у алюминиевых поршней и стальных пальцев.
Опыт показывает, что в прогретом двигателе зазоры между поршневым пальцем и отверстиями в бобышках и головке шатуна выравниваются. Для облегчения сборки алюминиевые поршни рекомендуется подогревать до 60…80 °С путем погружения в горячую жидкость.
Осевую фиксацию
плавающих пальцев осуществляют с помощью стопорных пружинных колец круглого или прямоугольного сечения (рис. 2, а) и реже для этой цели используют грибки из мягкого металла (рис. 2, г).
Стопорные кольца устанавливают в канавках, проточенных для них в отверстиях бобышек, несущих поршневой палец. Из канавок их вынимают с помощью отогнутых внутрь концов или имеющихся у них отверстий (рис. 2, а). Грибки, или заглушки, из мягкого металла (обычно из алюминия) запрессовывают с двух сторон в отверстия поршневого пальца.
При осевом перемещении грибки поршневого пальца соприкасаются с зеркалом цилиндра, но не разрушают стенок. Поршневые пальцы двухтактных двигателей с торцов закрываются иногда заглушками, предотвращающими возможное перетекание газов между впускными и выпускными окнами. От осевого перемещения пальцы в этих двигателях фиксируют стопорными кольцами (рис. 2, д).
Таким образом, поршневые пальцы изготовлены из хромоникелевой стали в виде пустотелых цилиндрических стержней и упрочнены цементацией и закалкой. Осевое перемещение пальца в поршне ограничено стопорными кольцами.
2. Насос системы охлаждения КамАЗ-740.10
2.1 Устройство и принцип действия
В систему охлаждения КамАЗ-740 (рис.3) входят водяные рубашки блока и головок 26 цилиндров, водяной насос 27, радиатор 4, вентилятор 30 с гидромуфтой 5, жалюзи 3, два термостата 10, расширительный бачок 18, соединительные трубопроводы, шланги, клиноременная передача привода насоса, сливные краны или пробки, датчик температуры охлаждающей жидкости и другие детали.

Рисунок 3 - Система охлаждения двигателя автомобиля КамАЗ
Водяной насос (рис.4) центробежного типа служит для создания принудительной циркуляции охлаждающей жидкости в системе охлаждения. Водяной насос дизеля КамАЗ-740 закреплен на передней части блока цилиндров с левой стороны и приводится в действие клиноременной передачей от шкива коленчатого вала.
Принцип действия водяного насоса состоит в следующем. При вращении крыльчатки жидкость, поступающая из подводящего патрубка к центру крыльчатки, отбрасывается центробежной силой к стенкам корпуса, откуда вытесняется в рубашку охлаждения через отводящий патрубок.

Рисунок 4 - Водяной насос КамАЗ-740
1 - пылеотражатель; 2 - стопорное кольцо; 3 и 4 - шарикоподшипники; 5 - водоотражатель;
6 - крыльчатка; 7 - сальник; 8 - вал; 9 - уплотнительное кольцо; 10 - упорное кольцо;
11 - шайба; 12 - колпачковая гайка; 13 - корпус; 14 – шкив.
На двигателе автомобиля КамАЗ вентилятор расположен отдельно от водяного насоса и приводится в действие через гидравлическую муфту.
Гидромуфта
(рис.5, а)
включает в себя герметический кожух В, заполненный жидкостью. В кожухе помещены два (с поперечными лопастями) сферических сосуда Л а Г, жестко соединенные с ведущим А и ведомым Б валами соответственно.

Рисунок 5 – Гидромуфта
а — принцип действия; б — устройство; 1 — крышка блока цилиндров; 2 — корпус; 3 — кожух; 4 — валик привода; 5 — шкив;
6 — ступица вентилятора; А — ведущий вал; Б — ведомый вал; В — кожух; Г, Д — сосуды;
Т — турбинное колесо; Н — насосное колесо
Принцип работы гидромуфты основан на действии центробежной силы жидкости. Если быстро вращать сферический сосуд Д (насосный), заполненный рабочей жидкостью, то под действием центробежной силы жидкость скользит по криволинейной поверхности этого сосуда и попадает во второй сосуд Г (турбинный), заставляя его вращаться. Потеряв энергию при ударе, жидкость снова попадает в первый сосуд, разгоняется в нем, и процесс повторяется. Таким образом, передается вращение с ведущего вала А, соединенного с одним сосудом Д, на ведомый вал Б, соединенный жестко с другим сосудом /. Этот принцип гидродинамической передачи используется в технике при конструировании различных механизмов.
Гидромуфта размешена в полости, образованной передней крышкой 1 (рис. 5, б) блока цилиндров и корпусом 2, соединенных винтами. Гидромуфта состоит из кожуха 3, насосного Н и турбинного Г колес ведущего А и ведомого Б валов. Кожух соединен через ведущий вал Л с коленчатым валом с помощью валика привода 4. С другой стороны кожух 3 соединен с насосным колесом и шкивом 5 привода генератора и водяного насоса. Ведомый вал опирается на два шариковых подшипника и соединен одним концом с турбинным колесом, а другим — со ступицей 6 вентилятора. Вентилятор двигателя расположен соосно с коленчатым валом, передний конец которого соединен шлицевым валом с ведущим валиком 4 привода гидромуфты. Поворотом рычага включателя гидромуфты можно задать один из требуемых режимов работы вентилятора: «П» — вентилятор включен постоянно, «А» — вентилятор включается автоматически, «О» — вентилятор отключен (рабочая жидкость выпущена из кожуха). На режиме «П» допустима только кратковременная работа.
Автоматическое включение вентилятора происходит при повышении температуры охлаждающей жидкости, омывающей термосиловой датчик. При температуре охлаждающей жидкости 85 °С клапан датчика открывает масляный канал в корпусе включателя и рабочая жидкость — моторное масло — поступает в рабочую полость гидромуфты из главной магистрали смазочной системы двигателя. Термостат служит для ускорения прогрева холодного двигателя и автоматического регулирования его теплового режима в заданных пределах. Он представляет собой клапан, регулирующий количество циркулирующей жидкости через радиатор
2.2 Опишите уплотнения вала
Вал 8 вращается в подшипниках 3 и 4 с односторонним резиновым уплотнением. Для удержания в них смазки и для защиты от загрязнения шарикоподшипники имеют уплотнения (рис.3).
Уплотнение вала в корпусе осуществлено самоподжимным сальником, состоящим из графитизированной текстолитовой шайбы, резиновой манжеты, пружины и двух обойм. Сальник вращается вместе с крыльчаткой, так как выступы текстолитовой шайбы входят в прорези хвостовика крыльчатки. Пружина через резиновую манжету прижимает шайбу к шлифованной, плоскости корпуса, что предотвращает вытекание жидкости из насоса. Шарикоподшипники насоса смазывают консистентной смазкой, которая не вымывается водой. Перед заправкой полости подшипников смазкой отвертывают пробку, закрывающую контрольное отверстие. Через масленку смазка подается шприцем в корпус насоса до тех пор, пока она не начнет выходить из контрольного отверстия. После этого пробку ввертывают в контрольное отверстие.
2.3 Вычертите схему уплотнения
Сальник (рис.6) препятствует вытеканию охлаждающей жидкости из водяной полости насоса. Он состоит из корпуса 1, резиновой уплотнительной манжеты 2, разжимной пружины 3 и графитового кольца 4.
Сальник запрессован в корпусе водяного насоса, а его графитовое кольцо постоянно прижато к упорному стальному кольцу. Между упорным кольцом и крыльчаткой установлено уплотнительное резиновое кольцо. Высокое качество изготовления торцов графитового и стального упорных колец обеспечивает надежное контактное уплотнение водяной полости насоса.
Для контроля исправности торцевого уплотнения в корпусе насоса имеется дренажное отверстие. Заметная течь жидкости через это отверстие свидетельствует о неисправности уплотнения насоса.
Необходимо помнить, что закупорка отверстия приводит к выходу из строя подшипников.

Рисунок 6 – Сальник
3. Система смазки ЗМЗ-4062.10
3.1 Назначение и устройство
Система смазки ЗМЗ-406 состоит из указателя уровня масла, масляного насоса с маслоприемником, масляных каналов, масляного фильтра, редукционного клапана, фильтра очистки масла, масляного картера, крышки горловины для заправки масла, масляного радиатора, предохранительного клапана и запорного крана.
Система смазки двигателя ЗМЗ-406 — комбинированная: под давлением смазываются коренные и шатунные подшипники коленчатого вала, поршневые пальцы, опоры распределительных валов, подшипники промежуточного вала и валика привода масляного насоса, гидротолкатели и винтовые шестерни. Остальные детали смазываются разбрызгиванием.
Масляный насос — шестеренчатый, односекционный с приводом от промежуточного вала посредством пары винтовых шестерен. В систему смазки встроены масляный радиатор и полнопоточный фильтр. На указателе уровня масла имеются метки: высшего уровня «П» и низшего уровня «О». Уровень масла должен находится вблизи метки «П», не превышая ее.
К рабочим поверхностям масло может подаваться под давлением, разбрызгиванием и самотеком. Выбор способа подачи масла к той или иной детали зависит от условий ее работы и удобства подвода смазки. В автомобильных двигателях применяют комбинированную систему смазки, при которой к наиболее нагруженным деталям смазка подается под давлением, а к остальным деталям — разбрызгиванием и самотеком.
3.2 Путь масла от насоса к клапанному узлу ГРМ
Масляный насос шестеренчатого типа установлен внутри масляного картера и крепится к блоку цилиндров двумя шпильками. Корпус насоса изготовлен из алюминиевого сплава, крышка насоса из чугуна, шестерни насоса из металлокерамики. Ведущая шестерня закреплена на валу штифтом, ведомая вращается свободно на оси, запрессованной в корпус насоса.
Уплотняющая картонная прокладка толщиной 0.3 мм обеспечивает необходимый зазор между торцами шестерен и крышкой. К крышке крепится литой из алюминиевого сплава маслоприемник с сеткой. В корпусе насоса помещается редукционный клапан. Масло из насоса по каналам в блоке цилиндров и наружной трубке с левой стороны блока подводится к масляному фильтру.
Из масляного фильтра по каналам в блоке масло подается к коренным подшипникам коленчатого вала и подшипникам распределительного вала, от коренных подшипников коленчатого вала по каналам в коленчатом валу масло подается к шатунным подшипникам, а от подшипников распределительного вала по каналам в головку цилиндров для смазки коромысел клапанов и верхних наконечников штанг.
Редукционный клапан плунжерного типа расположен в корпусе масляного насоса и отрегулирован на заводе установкой тарировочной пружины. Менять регулировку в эксплуатации не следует. Давление масла определяется указателем, датчик которого ввернут в масляную магистраль блока цилиндров.
Кроме того, система снабжена указателем аварийного давления масла, датчик которого ввернут в нижнюю часть корпуса масляного фильтра. Сигнализатор аварийного давления масла загорается при давлении 0.4…0.8 кгс/см2
.
Привод масляного насоса осуществляется от распределительного вала парой винтовых шестерен. Ведущая шестерня – стальная, залитая в тело распределительного вала, ведомая – стальная, нитроцементированная, закреплена штифтом на валу, вращающемся в чугунном корпусе. На верхний конец вала надета и закреплена штифтом втулка, имеющая прорезь, смещенную на 1.5 мм в сторону для привода датчика распределителя зажигания. К нижнему концу вала шарнирно присоединен промежуточный шестигранный вал, нижний конец которого входит в шестигранное отверстие вала масляного насоса.
Вал в корпусе привода смазывается маслом, которое разбрызгивается движущимися деталями двигателя. Разбрызгиваемое масло, стекая по стенкам блока, попадает в прорезь – ловушку на нижнем конце хвостовика корпуса и через отверстие поступает на поверхность вала.
Отверстие под вал в корпусе имеет винтовую канавку, благодаря которой масло при вращении вала равномерно распределяется по всей его длине. Излишки масла из верхней полости корпуса привода по каналу в корпусе стекают обратно в картер. Шестерни привода смазываются струей масла, вытекающей из отверстия диаметром 2 мм в блоке цилиндров и соединенного с четвертой опорой распределительного вала, имеющей кольцевую канавку.
Фильтр очистки масла – полнопоточный, с картонным сменным элементом, расположен с левой стороны двигателя. Через фильтр проходит все масло, нагнетаемое насосом в систему. Фильтр состоит из корпуса, крышки, центрального стержня и фильтрующего элемента.
В верхней части центрального стержня расположен перепускной клапан, который при засорении фильтрующего элемента пропускает масло, минуя его, в масляную магистраль. Сопротивление чистого фильтрующего элемента 0.1…0.2 кгс/см2, перепускной клапан начинает перепускать масло при увеличении сопротивления в результате засорения фильтра до 0.6…0.7 кгс/см2
.
Масляный радиатор служит для дополнительного охлаждения масла при эксплуатации автомобиля летом, а также при длительном движении на скоростях выше 100-110 км/ч. Масляный радиатор соединен с масляной магистралью двигателя при помощи резинового шланга через запорный кран и предохранительный клапан, которые установлены с левой стороны двигателя.
Положение ручки крана вдоль шланга соответствует открытому положению крана, поперек – закрытому.
Предохранительный клапан открывает проход масла в радиатор при давлении выше 0.7…0.9 кгс/см2
. Масло из радиатора сливается по шлангу через крышку распределительных шестерен (с правой стороны двигателя) в картер.
Вентиляция картера двигателя закрытая, принудительная, действующая в результате разрежения во впускном трубопроводе и в воздушном фильтре. При работе двигателя на холостом ходу и на частичных нагрузках газы из картера отсасываются во впускную трубу, на полных нагрузках – в воздушный фильтр и впускную трубу.
3.3 Схема смазки на поперечном разрезе двигателя

Рисунок 7 - Поперечный разрез двигателя ЗМЗ 406 (схема смазки)
1 - масляный насос; 2 – масляный картер; 3 – перепускной клапан масляного насоса;
4 – термоклапан; 5 – центральная масляная магистраль; 6 – масляный фильтр;
7, 8, 10, 11, 12, 14, 17, 18, 19 – каналы подачи масла; 9 – штуцер термоклапана отвода масла в радиатор; 13 – крышка маслоналивного патрубка; 15 – рукоятка указателя уровня масла;
16 – датчик сигнализатора аварийного давления масла; 20 – коленчатый вал;
21 – стержневой указатель уровня масла; 22 – отверстие подсоединения штуцера шланга подвода масла из радиатора; 23 – пробка слива масла
4. Карбюратор К-151, система ускорительного насоса
Рисунок 8 - Схема карбюратора К-151
1 — крышка; 2 — клапан разбалансировки поплавковой камеры (только на карбюраторах К-151В); 3 — поплавок; 4 — воздушный жиклер переходной системы вторичной камеры; 5 — топливный жиклер переходной системы вторичной камеры; 6 — резьбовой винт-держатель распылителя эконостата; 7 — главный воздушный жиклер вторичной камеры; 8 — распылитель эконостата; 9 — эмульсионная трубка главной дозирующей системы вторичной камеры; 10 — держатель распылителя ускорительного насоса с нагнетательным клапаном; 11 — распылитель ускорительного насоса; 12 — воздушная заслонка; 13 — вставной малый диффузор вторичной камеры с распылителем; 14 — главный воздушный жиклер первичной камеры; 15 — эмульсионная трубка главной дозирующей системы первичной камеры; 16 — блок топливного и воздушного жиклеров холостого хода с эмульсионной трубкой; 17 — эмульсионный жиклер системы холостого хода; 18 — второй воздушный жиклер холостого хода; 19 — регулировочная игла на жиклере дренажного канала ускорительного насоса; 20 — ограничитель хода всасывающего шарикового клапана ускорительного насоса; 21 — корпус карбюратора; 22 — перепускной (дренажный) жиклер ускорительного насоса; 23 — шарик всасывающего клапана ускорительного насоса; 24 — пружина хода всасывания диафрагмы ускорительного насоса; 25 — диафрагма ускорительного насоса; 26 — крышка диафрагмы ускорительного насоса; 27 — рычаг привода ускорительного насоса; 28 — главный топливный жиклер первичной камеры; 29 — штуцер клапана ЭПХХ; 30 — диафрагма клапана ЭПХХ; 31 — запорный клапан ЭПХХ; 32 — вставной пластмассовый ограничитель поворота винта "качества"; 33 — винт регулировки состава смеси ("винт качества") на холостом ходу; 34 — разгрузочное поддиафрагменное отверстие в корпусе клапана ЭПХХ; 35 — корпус экономайзера принудительного холостого хода (узел холостого хода); 36 — отверстие регулируемого воздушного канала системы холостого хода; 37 — винт регулировки частоты вращения коленчатого вала на холостом ходу; 38 — прокладка узла холостого хода; 39 — дополнительный винт регулировки состава смеси на главной топливоподающей ветви системы холостого хода (только на ранних модификациях карбюраторов); 40 — переходное щелевое отверстие системы холостого хода; 41 — дроссельная заслонка первичной камеры; 42 — кулачок привода рычага ускорительного насоса; 43 — ролик рычага ускорительного насоса; 44 — входное окно воздушного канала системы холостого хода; 45 — дроссельная заслонка вторичной камеры; 46 — термоизоляционная наборная прокладка корпуса карбюратора; 47 — корпус дроссельных заслонок; 48 — штуцер отбора разрежения к электромагнитному клапану управления ЭПХХ; 49 — штуцер отбора разрежения к вакуумному регулятору опережения зажигания; 50 — главный топливный жиклер вторичной камеры; 51 — штуцер отбора разрежения к клапану рециркуляции отработавших газов; 52 — силовая цепь блока управления ЭПХХ; 53 — цепь микропереключателя управления ЭПХХ; 54 — фильтр на вентиляционном штуцере электромагнитного клапана управления ЭПХХ; 55 — электромагнитный клапан управления ЭПХХ; 56 — винт крепления топливных штуцеров поплавковой камеры; 57 — топливный фильтр; 58 — топливный штуцер; 59 — пробка на стенке поплавковой камеры; 60 — запорный клапан поплавкового механизма; 61 — серьга запорной иглы; 62 — язычок поплавка; 63 — электромагнит привода клапана разбалансировки поплавковой камеры (только на карбюраторах К-151В)
4.1 Назначение и устройство система ускорительного насоса
Из названия ясно, что ускорительный насос
обеспечивает разгонную динамику автомобиля.
Ускорительный насос
служит для компенсации обеднения смеси при резком открытии дроссельной заслонки впрыскиванием дополнительного топлива в воздушный канал карбюратора. В этом случае рычаг, соединенный серьгой с тягой, воздействует на планку и перемещает поршень вниз. Давление топлива под поршнем повышается, и обратный клапан закрывается, препятствуя перетеканию его в поплавковую камеру. Через открывшийся нагнетательный клапан и распылитель в смесительную камеру дополнительно впрыскивается топливо. Горючая смесь кратковременно обогащается.
В К-151 ускорительный насос мембранного типа. С одной стороны у мембраны имеется пружина, обеспечивающая всасывание топлива, с другой – демпфирующая пружина. Период впрыскивания определяется характеристикой демпфирующей пружины, проходным сечением распылителя, жиклером дренажной системы. Закон впрыскивания определяется профилем приводного кулачка и соотношением длин рычагов. Для предотвращения впрыска топлива при малых перемещениях мембраны, например, при движении по неровной дороге, рабочая полость мембраны сообщается с поплавковой камерой перепускным каналом. Регулирование подачи топлива осуществляется иглой в жиклере перепускного канала или изменением проходного сечения форсунки.
4.2 Принцип действия системы
Из принципа работы двигателя видно, что для выполнения одного такта, при котором происходит сгорание рабочей смеси и расширение газов, необходимо три подготовительных такта: выпуск, впуск и сжатие
. Совокупность процессов, происходящих в цилиндре во время его работы, в определенной последовательности (впуск, сжатие, рабочий ход, выпуск) называется рабочим циклом.
Первый такт-впуск -
служит для наполнения цилиндра горючей смесью. Поршень перемещается от в.м.т. к н.м.т., клапан впускного отверстия открыт, а выпускного закрыт. Под действием разрежения горючая смесь заполняет полость цилиндра над поршнем.
Второй такт-сжатие
- служит для подготовки рабочей смеси к воспламенению. Поршень перемещается вверх от н.м.т. к в.м.т., оба отверстия закрыты клапанами, объем, занимаемый рабочей смесью, уменьшается в 6,5-6,7 раз, смесь сжимается, и давление в цилиндре достигает 10-12 кГ/сж2
. При этом рабочая смесь нагревается до 300-400° С.
Третий такт
-рабочий ход (
сгорание и расширение) - служит для преобразования энергии сжигаемого топлива в полезную механическую работу. Сжатая рабочая смесь воспламеняется электрической искрой; выделяемое при этом тепло нагревает газы до температуры 2200-2500° С. Расширяющиеся газы - создают давление в цилиндре над поршнем в 35-40 кГ/см2
, под действием которого поршень перемещается вниз от в.м.т. к н. м.т. Оба отверстия при этом закрыты клапанами.
Четвертый такт-выпуск
- служит для освобождения цилиндра от отработавших газов. Поршень перемещается вверх от н.м.т. к в.м.т., выпускное отверстие открыто, а впускное закрыто. В дальнейшем процесс работы двигателя беспрерывно повторяется в указанном порядке.
4.3 Возможные регулировки системы
Одной из причин ухудшения динамики автомобиля во время разгона является нарушение работы ускорительного насоса. Правильность работы ускорительного насоса проверить очень просто. Проверяют работу ускорительного насоса при снятой крышке карбюратора после регулировке уровня топлива. Его предварительную проверку можно выполнить без снятия карбюратора с двигателя. При резком открытии дроссельных заслонок из распылителя должна выходить ровная сильная струя бензина, достигающая каналов корпуса дроссельных заслонок без касания стенок диффузоров. Неравномерная и искривлённая струя свидетельствует о частичном засорении каналов распылителя и расположенного в нём нагнетательного клапана. При их исправности следует проверить чистоту и исправность диафрагменного механизма ускорительного насоса, разобрав его, как это описывалось выше.
Если струя короткая или ее вообще нет, то следует рассмотреть все возможные варианты неисправностей (табл. 1).
Таблица 1 - Неисправности в системе ускорительного насоса и их причины
| Неисправность
|
Причина неисправности
|
| Топливо из топливного жиклера ускорительного насоса не поступает
|
1. Засорился топливный жиклер ускорительного насоса
2. Шарик прилип к втулке обратного клапана
|
| Струя из топливного жиклера ускорительного насоса короткая и вялая
|
1. Шарик завис и не опускается на втулку обратного клапана 2. Шарик вообще забыли положить
3. Могли забыть запрессовать перепускной жиклер ускорительного насоса
4. Негерметичность уплотнений диафрагмы между крышкой и корпусом карбюратора (часто из-за неплоскостности фланца на корпусе карбюратора)
|
Причинами нарушения работы насоса может быть попадание соринок в седло всасывающего или нагнетательного клапанов, но чаще всего – в распылитель (еще две распространенные причины – нарушение герметичности мембраны или заедание рычага).
Бывает, что из клапана распылителя ускорительного насоса выпадает свинцовая заглушка и, как следствие этого, шарик диаметром 2,38 мм. Клапан легко восстановить. Найдите любой шарик диаметром от 2 до 2,5 мм и обязательно шарик диаметром 3,17 мм, который запрессуйте в клапан вместо свинцовой заглушки. Качество гарантировано.
Если шарик обратного клапана завис или его нет, то можете вынуть пробку обратного клапана (просверлить отверстие диаметром 2,5 мм глубиной 6 мм и нарезать резьбу М3).
После разборки системы обязательно проверьте неплоскостность фланца (куда крепится крышка ускорительного насоса) на корпусе карбюратора.
5. Стартерная аккумуляторная батарея
5.1 Перечислите основные характеристики батареи
Основная функция батареи - надежный пуск двигателя. Другая функция - энергетический буфер при работающем двигателе.
Особенности режима работы «на электростартер» выделяют автомобильные аккумуляторные батареи в особый класс стартерных батарей. Высокая электродвижущая сила и малое внутреннее сопротивление обусловили широкие применение на автомобилях стартерных свинцовых аккумуляторных батарей. Учитывая сложные условия работы, к автомобильным аккумуляторным батареям предъявляется ряд требований, выполнение которых обеспечивает их высокую эксплуатационную надежность.
В перечне этих требований высокая механическая прочность, работоспособность в широком диапазоне температур и разрядных токов, малое внутреннее сопротивление, небольшие потери энергии при длительном бездействии (малый саморазряд), необходимая емкость при небольших габаритных размерах и массе, достаточный срок службы, малые затраты труда и средств на техническое обслуживание.
Для оценки стартерных свойств батарей используется параметр, называемый током холодной прокрутки или током стартерного разряда. Параметры режима разряда аккумуляторной батареи при определении тока стартерного разряда приведены в таблице 2. По отечественному стандарту ток стартерного разряда определяется в режиме трехминутного разряда при температуре минус 18°С и конечном напряжении 9 В. Ток стартерного разряда по стандарту DIN определяется при тех же условиях, но при минимальной продолжительности стартерного разряда, равной 30 секундам (30 секундный режим разряда). По стандарту SAE ток стартерного разряда определяется подобно стандарту DIN, но конечное напряжение батареи должно быть не менее 7,2 В. Для сравнения показателей стартерного разряда аккумуляторных батарей ориентировочно можно считать, что ток холодной прокрутки по SAE в 1,6-1,7 раза больше тока стартерного разряда по DIN.
Таблица 2 – Параметры режима разряда аккумуляторной батареи при определении тока стартерного разряда

Батареи должны иметь достаточный запас энергий для осуществления надежного пуска двигателя при низких температурах, для питания потребителей электроэнергии на автомобиле в случае выхода из строя генераторной установки, а также для других нужд, возникающих в аварийных ситуациях. Зависимость ЭДС от плотности электролита выглядит так:
Е = 6 * (0,84 + р),
где Е - ЭДС аккумулятора ,
р - приведенная к температуре 5°С плотность электролита, г/мл
Показатель, имеющий непосредственное отношение к степени обслуживаемости батареи – расход воды – определяется в лабораторных условиях. Батарея считается необслуживаемой, если она имеет очень низкий расход воды в эксплуатации. Необслуживаемые батареи не требуют доливки дистиллированной воды в течении года и более при условии исправной работы регулятора напряжения. На расход воды прямое влияние оказывает процентное содержание сурьмы в свинцовых решетках пластин. Как известно, сурьма добавляется для придания пластинам достаточной механической прочности. Однако у каждой медали есть обратная сторона. Сурьма способствует расщеплению воды на кислород и водород, следствием чего является выкипание воды и снижение уровня электролита. В батареях предыдущего поколения содержание сурьмы доходило до 10%, в современных этот показатель снижен до 1.5 %.
Батареи обычной конструкций и с общей крышкой должны быть механически прочными при испытании в следующем режиме:
- ускорение, м/с2 - 147 (15д);
- длительность импульсов, мс (только в вертикальном направлении) - 2-15;
- общее число ударов, тыс – 10;
- ориентировочное число ударов в минуту - 40-80.
После испытаний батареи должны иметь нормированную продолжительность стартерного разряда, не должны иметь поврежденных деталей и следов электролита на своей поверхности. Необслуживаемые батареи и батареей с общей крышкой должны быть вибропрочными при кратковременном испытании при ускорении 5g с частотой до 30 Гц.
Вибрационная нагрузка в местах установки аккумуляторных батарей не должна превышать 1,5g (ускорение 14,7 м/с2
) в диапазоне частот до 60 Гц. Допускается кратковременная вибрационная нагрузка 5g (ускорение 49 м/с2
) с ориентировочной частотой до 30 Гц.
Аккумуляторные батареи должны выдерживать испытание на герметичность на выводах и в стыках между моноблоком и крышками при давлении, повышенном или пониженном на (20± 1,33) кПа по сравнению, с нормальным атмосферным. Герметизирующие материалы должны быть стойкими к воздействию температур в пределах от -40 до 160°С, а сварные швы в пределах от -50 до 60°С. Полная герметичность аккумуляторных батарей с решетками электродов из свинцово-сурьмянистых сплавов невозможна вследствие выделения газов как во время работы, так и при хранении.
Стартерные свинцовые аккумуляторные батареи должны быть работоспособными при температуре окружающего воздуха от - 40 до 60°С (батареи обычной конструкции) и от -50 до 60°С (батареи с общей крышкой и необслуживаемые). Рабочая температура электролита не должна превышать 50°С. Следует обеспечить свободный доступ к аккумуляторной батарее для осмотра и технического обслуживания. Техническое обслуживание батареи должно быть минимальным по объему, не требовать, от водителей и обслуживающего персонала высокой квалификации (специальной подготовки), использования сложного и дорогостоящего оборудования.
Важное требование к стартерным аккумуляторным батареям - минимальные внутреннее сопротивление и внутреннее падение напряжения при больших токах разряда, в стартерном режиме. Батареи, должны выдерживать кратковременные разряды стартерными токами большой силы без разрушения пластин и ухудшения характеристик при дальнейшей эксплуатации.
Срок службы стартерных аккумуляторных батарей должен быть близким или кратным срокам межремонтного пробега автомобиля.
5.2 Емкость батареи и технологические мероприятия на увеличение емкости
Емкость батареи
- способность батареи принимать и отдавать энергию - измеряется в ампер-часах (Ач). Для оценки ёмкости батареи принята методика 20-ти часового разряда током 0.05С20 (т.е. током, равным 5% от номинальной ёмкости). Т.е., если ёмкость батареи 55Ач, то разряжая ее током 2.75 А, она полностью разрядится за 20 часов. Аналогично для батарей ёмкостью 60Ач полный 20-ти часовой разряд произойдет при чуть большем токе разряда - 3А.
Ресурс стартерной аккумуляторной батареи, как химического источника тока, определяется в основном режимом ее использования, при котором происходят процессы износа находящихся в ней электродов (пластин).
Факторы, влияющие на емкость аккумуляторной батареи Емкость АКБ зависит от множества конструктивных, технологических и эксплуатационных факторов. Однако, из принципа работы свинцово-кислотного аккумулятора следует, что в основном его емкость определяется объемом активной массы и электролита. Емкость аккумуляторной батареи существенно снижается с увеличением силы тока, что связано с резким уменьшением концентрации электролита в порах пластин, изолируемых сульфатом свинца.
Чтобы пролить жизнь батареям
, в первую очередь, следует залить электролит, точно соответствующий не только климатической зоне, но и сезону эксплуатации. Если батарея будет работать только в теплое время года, то плотность электролита может быть 1.20 г/см3
, а если до -15°С - 1.24 г/см3
и т.д. Это, безусловно, снизит скорость сульфатации пластин, следовательно, увеличит долговечность батареи.
На срок службы АКБ значительно влияет средняя степень заряженности, которая зависит от исправности реле-регулятора. Необходимо, чтобы эта величина поддерживалась не ниже 75%. Установлено, что отклонение регулируемого напряжения на 10...12% вверх или вниз от оптимального сокращает срок службы батареи в 2...2.5 раза.
Необходимо регулировать двигатель так, чтобы он легко заводился с полоборота. Это предохранит АКБ от глубокого разряда. При пуске двигателя стартером через аккумуляторную батарею проходит ток в несколько сот Ампер, что не способствует ее долговечности. Поэтому, чем легче пуск двигателя, тем лучше для АКБ: она прослужит дольше. Сокращение времени работы стартера вдвое при шести-восьми ежедневных пусках повышает срок службы аккумуляторной батареи приблизительно в 1.5 раза.
Необходимо отрегулировать реле-регулятор, чтобы напряжение было в пределах 13.8...14.4В. Это одно из важнейших условий. И никогда не позволяйте снизиться уровню электролита в банках ниже требуемого. Несвоевременная доливка в аккумуляторы дистиллированной воды может снизить срок службы батареи на 30%. Кроме этого, специалисты советуют при наличии зарядного устройства при любой возможности (например, на ночь) ставить аккумуляторную батарею на подзарядку малым током - около 1...2А. Для этого можно АКБ не снимать с автомобиля. Только одна эта операция, если ее проделывать регулярно, не реже одного раза в месяц, увеличивает срок службы батареи по крайней мере на год.
Известно, что решетка положительных пластин подвергается окислению атомарным кислородом (электрокоррозия) при разложении воды в заключительной (после 85% заряженности) стадии заряда. Наиболее интенсивно процесс разрушения решеток положительных пластин аккумуляторной батареи происходит от зарядного тока при 100% заряженности (режим перезаряда). Этот процесс преобладает в работе АКБ в летнее время эксплуатации, а также при повышенной настройке регулятора напряжения. Интенсивное разрушение пластин при работе происходит в условиях, когда длительное время стартерная аккумуляторная батарея работает с низкой степенью заряженности (40-60%). При этом активное вещество с пластин оплывает в шлам, снижая емкость батареи, мощность ее разряда и срок надежной работы. Нормальная работа аккумуляторной батареи нарушается при снижении уровня электролита ниже минимальной отметки (оголение верхних кромок пластин).
Ниже приведены несколько основных правил и требований, соблюдение которых повышает ресурс батареи:
- плотность электролита в ячейках АКБ (при нормальном уровне его над пластинами) должна быть не ниже 1,24 г/смі (+25°C), а напряжение разомкнутой цепи (НРЦ) - не ниже 12,5 В;
- полюсные выводы необходимо периодически очищать от окислов;
- АКБ должна быть надежно закреплена на установочной площадке;
- пуск карбюраторного двигателя должен проводиться с длительностью попыток 5-10 сек; повторяющиеся попытки с интервалом 30-60 сек.;
- разряженная при неудачном пуске двигателя аккумуляторная батарея должна быть как можно скорее заряжена;
- в зимнее время АКБ полезно обогревать теплом от двигателя, чтобы эффективнее происходил ее заряд от генератора. Для этого часть радиатора (со стороны АКБ) целесообразно закрывать от встречного холодного потока воздуха.
Состояние аккумуляторной батареи в значительной мере зависит от исправной работы электрооборудования. В первую очередь сюда необходимо отнести генератор, регулятор напряжения и стартер. И зношенные контакты в замке зажигания, реле включения стартера, состояние выпрямительного блока генератора могут быть выявлены диагностированием. Их своевременная замена позволяет предохранить АКБ от возможных глубоких разрядов токами «утечек», негативно влияющих на последующий срок службы АКБ.
Таким образом, наибольшую надежность работы аккумуляторной батареи можно достичь, обеспечивая регулярный контроль ее состояния в соответствии с инструкцией по эксплуатации, разработанной производителем.
Список использованной литературы
1. Автомобильные двигатели. Системы управления и впрыска топлива: руководство – СПб.: Алфамер Паблишинг, 2000. – 200 с.
2. Боровских, Ю.И. Стартерные аккумуляторные батареи / Ю.И.Боровских, А.К.Старостин, Ю.П.Чиксков. – М.: Фонд: За экономическую грамотность, 1997. – 252 с.
3. Гергенов, С.М. Кривошипно-шатунные механизмы ДВС. Часть 1 / С.М.Гергенов. - Улан-Удэ: Изд-во ВСГТУ, 2001. - 86 с.
4. Гирявец, А.К. Двигатели ЗМЗ-406 автомобилей ГАЗ и УАЗ. Конструктивные особенности. Диагностика. Техническое обслуживание. Ремонт / А.К.Гирявец, П.А.Голубев, Ю.Ж.Кузнецов и др. – Н.Новгород: Изд-во Нижегород. гос. ун-та, 2001. – 315 с.
5. Грибков, В.М. Справочник по оборудованию для технического обслуживания и текущего ремонта автомобилей / В.М.Грибков, П.А.Карпекин. – М.: Россельхозиздат, 1984. – 233 с.
6. Кузнецов, Е.С. Техническая эксплуатация автомобилей: Учебник для вузов / Е.С.Кузнецов, В.П.Воронов, А.П.Болдин и др.; Под ред. Е.С.Кузнецова. – М.: Транспорт, 1991. – 413 с.
7. Родичев А.В. Устройство и техническое обслуживание грузовых автомобилей: Учебник водителя категории «С» / А.В.Родичев. - М.: Издательство «За рулём», 2005. – 256 с.
8. Руководство по ремонту и техническому обслуживанию автомобилей КамАЗ. - М.: Изд-во «За рулем», 2001. - 289 с.
9. Тюфяков, А.С. Карбюраторы К-151. Устройство, ремонт, регулировка: Практ. пособ. / А.С.Тюфяков. – М.: Издательство «За рулём», 1999. – 56 с.
10. Чижков, Ю.П. Электрооборудование автомобилей. Учебник для вузов / Ю.П.Чиожков, А.В.Акимов. - М.: Изд-во За рулем, 2001. – 384 с.
|