Банк рефератов содержит более 364 тысяч рефератов, курсовых и дипломных работ, шпаргалок и докладов по различным дисциплинам: истории, психологии, экономике, менеджменту, философии, праву, экологии. А также изложения, сочинения по литературе, отчеты по практике, топики по английскому.
Полнотекстовый поиск
Всего работ:
364139
Теги названий
Разделы
Авиация и космонавтика (304)
Административное право (123)
Арбитражный процесс (23)
Архитектура (113)
Астрология (4)
Астрономия (4814)
Банковское дело (5227)
Безопасность жизнедеятельности (2616)
Биографии (3423)
Биология (4214)
Биология и химия (1518)
Биржевое дело (68)
Ботаника и сельское хоз-во (2836)
Бухгалтерский учет и аудит (8269)
Валютные отношения (50)
Ветеринария (50)
Военная кафедра (762)
ГДЗ (2)
География (5275)
Геодезия (30)
Геология (1222)
Геополитика (43)
Государство и право (20403)
Гражданское право и процесс (465)
Делопроизводство (19)
Деньги и кредит (108)
ЕГЭ (173)
Естествознание (96)
Журналистика (899)
ЗНО (54)
Зоология (34)
Издательское дело и полиграфия (476)
Инвестиции (106)
Иностранный язык (62791)
Информатика (3562)
Информатика, программирование (6444)
Исторические личности (2165)
История (21319)
История техники (766)
Кибернетика (64)
Коммуникации и связь (3145)
Компьютерные науки (60)
Косметология (17)
Краеведение и этнография (588)
Краткое содержание произведений (1000)
Криминалистика (106)
Криминология (48)
Криптология (3)
Кулинария (1167)
Культура и искусство (8485)
Культурология (537)
Литература : зарубежная (2044)
Литература и русский язык (11657)
Логика (532)
Логистика (21)
Маркетинг (7985)
Математика (3721)
Медицина, здоровье (10549)
Медицинские науки (88)
Международное публичное право (58)
Международное частное право (36)
Международные отношения (2257)
Менеджмент (12491)
Металлургия (91)
Москвоведение (797)
Музыка (1338)
Муниципальное право (24)
Налоги, налогообложение (214)
Наука и техника (1141)
Начертательная геометрия (3)
Оккультизм и уфология (8)
Остальные рефераты (21692)
Педагогика (7850)
Политология (3801)
Право (682)
Право, юриспруденция (2881)
Предпринимательство (475)
Прикладные науки (1)
Промышленность, производство (7100)
Психология (8692)
психология, педагогика (4121)
Радиоэлектроника (443)
Реклама (952)
Религия и мифология (2967)
Риторика (23)
Сексология (748)
Социология (4876)
Статистика (95)
Страхование (107)
Строительные науки (7)
Строительство (2004)
Схемотехника (15)
Таможенная система (663)
Теория государства и права (240)
Теория организации (39)
Теплотехника (25)
Технология (624)
Товароведение (16)
Транспорт (2652)
Трудовое право (136)
Туризм (90)
Уголовное право и процесс (406)
Управление (95)
Управленческие науки (24)
Физика (3462)
Физкультура и спорт (4482)
Философия (7216)
Финансовые науки (4592)
Финансы (5386)
Фотография (3)
Химия (2244)
Хозяйственное право (23)
Цифровые устройства (29)
Экологическое право (35)
Экология (4517)
Экономика (20644)
Экономико-математическое моделирование (666)
Экономическая география (119)
Экономическая теория (2573)
Этика (889)
Юриспруденция (288)
Языковедение (148)
Языкознание, филология (1140)

Курсовая работа: Проект кран-балки

Название: Проект кран-балки
Раздел: Рефераты по транспорту
Тип: курсовая работа Добавлен 04:08:16 22 ноября 2010 Похожие работы
Просмотров: 3846 Комментариев: 21 Оценило: 2 человек Средний балл: 5 Оценка: неизвестно     Скачать

Федеральное агентство по образованию

Пермский государственный технический университет

Кафедра подъемно-транспортных, строительных, дорожных машин и оборудования

Проект кран-балки

Пояснительная записка к курсовому проекту по ГПМ


Содержание

Введение

1. Обоснование выбранной конструкции

1.1 Анализ существующих серийно выпускаемых машин

1.2 Основные особенности предлагаемой конструкции

1.3 Описание работы машины

2. Расчетно-конструкторская часть

2.1 Расчет механизма подъема

2.1.1 Выбор каната

2.1.2 Определение основных размеров блоков и барабана

2.1.3 Выбор двигателя

2.1.4 Выбор редуктора

2.1.5 Выбор муфты

2.1.6 Выбор тормоза

2.1.7 Проверка двигателя по ускорению

2.1.8 Проверка тормоза по ускорению

2.1.9 Проверка двигателя на нагрев

2.2 Расчет механизма передвижения крана

2.2.1 Вес отдельных элементов

2.2.2 Сопротивление движению крана

2.2.3 Выбор двигателя

2.2.4 Выбор редуктора

2.2.5 Выбор муфты и тормоза

2.2.6 Проверка двигателя по ускорению

Список литературы


Введение

В проблеме осуществления научно-технического прогресса значительная роль отводится подъемно-транспортному машиностроению, перед которым поставлена задача широкого внедрения во всех областях народного хозяйства комплексной механизации и автоматизации производственных процессов, ликвидации ручных погрузочно-разгрузочных работ и исключения тяжелого ручного труда при выполнении основных и вспомогательных технологических операций. Подъемно-транспортное оборудование в настоящее время превратилось в один из основных решающих факторов, определяющих эффективность производства. Насыщенность производства средствами механизации трудоемкости и тяжелых работ, уровень механизации трудового процесса определяют собой степень совершенства технологического процесса.


1. Обоснование выбранной конструкции

1.1 Анализ существующих серийно выпускаемых машин

Наиболее широко в промышленности используют мостовые электрические краны. В зависимости от назначения крана на тележке можно размещать различные типы механизмов подъема или два механизма подъема, один из которых является главным, а второй (меньшей грузоподъемности) – вспомогательным. Механизм передвижения крана установлен на мосту крана, механизм передвижения тележки - непосредственно на тележке. Управление всеми механизмами совершается из кабины, прикрепленной к мосту крана.

Питание электродвигателей осуществляется от цеховых троллеев, обычно изготовляемых из стали уголкового профиля и прикрепляемых к стене здания. Для подачи напряжения на кран применяют токосъемники скользящего типа, прикрепляемые к металлоконструкции крана; Применение гибкого токопровода позволяет упростить конструкцию, повысить надежность эксплуатации и снизить массу крана.

При относительно малых грузоподъемностях (до 5 т) применяют одно- и двухбалочные кран-балки , представляющие собой облегченный мостовой кран. При небольших пролетах вместо моста используют простую балку, а вместо крановой тележки - электроталь. При больших пролетах балки снабжаются фермой, обеспечивающей высокую горизонтальную жесткость моста.

Управление кран-балкой может проводиться из кабины, но часто осуществляется с пола с помощью подвесных коробок управления и магнитных пускателей.

Мостовые краны общего назначения имеют грузоподъемность от 5 до 300 т.

Для монтажных работ на мощных атомных и гидроэлектрических станциях созданы мостовые краны грузоподъемностью 600 т.

При установке моста крана на двух высоких опорных стойках, перемещающихся по рельсам, уложенным на уровне земли, получается козловой кран для работы со штучными грузами, или мостовой перегружатель для работы с сыпучими грузами. Для удобства монтажа козловые краны часто изготовляют как самомонтирующие.

1.2 Основные особенности предлагаемой конструкции

Данный кран-балка снабжена фермой, так как имеет большой пролет. Подъём и опускание груза осуществляется с помощью электрической тали грузоподъёмностью 5т. Управление осуществляется с пола, с помощью пульта управления.

1.3 Описание работы машины

Передвижение крана-балки осуществляется за счет электродвигателя, укрепленного на приводной тележки. Быстроходный вал редуктора соединен с валом двигателя с помощью втулочно-пальцевой муфты. При включении электродвигателя приводятся во вращения колеса, направление движения крана изменяют путем реверсирования электродвигателя. На быстроходном валу редуктора установлен тормоз, предназначенный для плавного регулирования скорости движения крана.

Для подъема и передвижения груза по мосту используют электрическую таль, приводимую в движение за счет электродвигателя ток которому подводится по токопроводу. Передвижение тали и подъем груза производится аналогичным способом, как и механизм передвижения крана.

Управление краном осуществляется с помощью пульта.


2. Расчетно-конструкторская часть

2.1 Расчёт механизма подъёма груза

Исходные данные: грузоподъемность 50кН

скорость подъёма груза 10 м/мин

режим работы – средний

кратность полиспаста 3

высота подъёма 6 м

2.1.1 Выбор каната

Максимальное статическое усилие Smax в канате определить по формуле:

;

где Q – номинальная грузоподъёмность, кН;

a – кратность полиспаста;

ηпол – КПД полиспаста;

m – число ветвей каната навиваемых на барабан;

где η – КПД, принимаемый равным 0,96 – 0,98 для канатных блоков и

барабанов на подшипниках качения;

t – число отклоняющих блоков. Для козловых кранов t = 0,

Расчётное разрывное усилие каната

Sразр > Smax k

Sразр > 17,18•5,5=68,72кН

где k - коэффициент запаса прочности, принимаемый для грузовых

канатов лебёдок с машиннм приводом, равным : 5,5 – средний

режим работы, ПВ = 25%.

По найденному Sразр по таблице ГОСТа выбираем стальной канат с прочностью проволочек 1764 МПа.

Канат двойной свивки типа ЛК-3 конструкции 6х25 ГОСТ 7665-80 dk =11,5мм

2.1.2 Определение основных размеров блоков и барабана

По правилам Госгортехнадзора диаметр канатных блоков и барабана по дну канавки вычислить по формуле:

где dk – диаметр каната, мм;

=18, =16

Полученное значение Dб округляем до ближайшего в большую сторону из нормального ряда диаметров для барабанов: Dб = 200мм.


Полученное значение Dбл округляем до ближайшего в большую сторону из нормального ряда: Dбл = 320мм.

Длину нарезанной части барабана определить по формуле

где 5 витков выполняются из расчёта: 3,5 витка для крепления

каната и 1,5 витка должны оставаться на барабане при

полностью опущенной крюковой подвеске для предохранения

деталей крепления каната и его самого от разрушения;

t – шаг нарезки, мм;

H – высота подъёма, м;

Dб и dk – диаметр барабана и каната, мм;

При односторонней навивки полную длину барабана определяют по формуле

где l1 – толщина реборд на концах барабана (по 10-12мм);


Толщину стенки стального барабана определяем по формуле:

мм

Проверка: для барабанов при l<3Dб стенки проверяем только по напряжению сжатия:

Напряжение сжатия в стенке барабана определим по формуле

σсж =≤ [σсж ]

σсж =

Так как sс > [sсж ] для стали 55Л [sсж ]=165МПа, то толщину стенки барабану определим заново: δ = 8 мм

σсж =

2.1.3 Выбор двигателя

Необходимую мощность определим по формуле:

где ν – скорость подъёма груза, м/с

Q- вес номинального груза, кН

η0 – общий КПД


ηб – КПД барабана, ηб = 0,98

ηр – КПД редуктора, ηр = 0,94

ηм – КПД муфты, ηм = 0,99

z – количество муфт.

По расчётной мощности выбираем двигатель MTН 311-6, имеющий характеристики:

N = 13,0 кВт, мощность на валу двигателя

n = 925 об/мин, частота вращения

η = 76%, КПД двигателя

J = 0,5кг*м2 , момент инерции

Mmax = 314Н*м, максимальный момент

m = 170 кг, масса

Средний пусковой момент для этого двигателя:

где Mн – номинальный момент двигателя, Н*м

2.1.4 Выбор редуктора

Передаточное число механизма передачи:


где nб – число оборотов барабана, об/мин.

По каталогу стандартных редукторов выбираем редуктор цилиндрический трехступенчатый 2Ц3-125Н с передаточным отношением iМ = ; номинальным крутящим моментом Н*м, и межосевым расстоянием мм.

2.1.5 Выбор муфты

Расчётный момент для выбора муфты:

где k1 – коэффициент степени ответственности механизма; для

механизма подъёма груза k1 = 1,3;

k2 – коэффициент, зависящий от режима работы, для среднего

режима работы k2 = 1,2

По расчётному моменту выбираем муфту втулочно-пальцевую с номинальным вращающим моментом Mk = Н*м,

Моментом инерции Jp = 0,24 кг*м2 .


2.1.6 Выбор тормоза

Тормоз выбираем по тормозному моменту:

где k – коэффициент запаса, для среднего режима работы k = 1,75

МС Т – статический момент при торможении, Н*м

В механизмах подъёма кранов применяются комбинированные предохранительные втулочно-пальцевые муфты, одна из полумуфт которых служит тормозным шкивом. Поэтому муфту с тормозом выбираем по наибольшей величине Мр или МТ , следовательно по расчётному моменту выбираем муфту втулочно-пальцевую с номинальным вращающим моментом MТ = Н*м, Моментом инерции Jp =0,225кг*м2 .

2.1.7 Проверка двигателя по ускорению

Определим время пуска двигателя по формуле:

где МС – статический момент на валу двигателя при пуске, Н*м


где Q – вес груза, Н

G – масса груза, кг

JM – момент инерции муфты, кг*м2

JP – момент инерции ротора, кг*м2

Фактическое ускорение груза при пуске определим по формуле:

jф = 0,1...0,8м/с2 , что удовлетворяет проверку двигателя по ускорению.

2.1.8 Проверка тормоза по ускорению

Время торможения определим по формуле:

где MC T – статический момент при торможении, Н*м

MT – номинальный тормозной момент выбранного тормоза, Н*м

Фактическое ускорение при торможении:

jф =0,1...0,8м/с2 , что удовлетворяет проверку тормоза по ускорению.


2.1.9 Проверка двигателя на нагрев

Условие проверки:

МЭН

где МЭ – эквивалентный момент на валу двигателя, при работе с которым его нагрев будет таким же, как и при работе с реальными моментами, возникающими при подъёме и опускании грузов различного веса, Н*м

Значение МЭ определим по формуле:

где Mc .под. i – статический момент на валу двигателя, возникающий при подъёме груза i-го веса, Н*м

Mc .оп. i – статический момент на валу двигателя, возникающий при опускании груза i-го веса, Н*м


Значение и количество подъёмов и опусканий за один рабочий цикл принимаем по графику нагрузки механизма.

где ωдв – угловая скорость двигателя, рад/с;

Jмех. i – приведённый к валу двигателя момент инерции при разгоне

всех движущихся частей механизма и груза i-го веса,кг*м2 ;

где J1 – момент инерции вращающихся масс, расположенных на

быстроходном валу механизма, кг*м2

где Jгр. i – момент инерции масс i-го груза, приведённый к быстроходному валу, кг*м2


где Gi – масса i-го груза, кг;

1,2 – коэффициент приведения моментов инерций остальных вращающихся масс к быстроходному валу.

β – коэффициент, учитывающий ухудшение охлаждения двигателя в период пуска.

Время разгона в секундах при подъёме определим по формуле:


Время разгона в секундах при опускании определим по формуле:

Время установившегося движения в секундах:

40,6Н*м<134,2Н*м

МЭН

Условие выполняется.


2.2 Расчет механизма передвижения крана

2.2.1 Вес отдельных элементов (кН)

Вес механизма передвижения грузовой электрической тали

Вес электрической тали

Вес крана без электрической тали с механизмом передвижения

Общий вес крана

2.2.2 Сопротивление движению крана

Суммарное сопротивление движению крана определим по формуле

где W– сопротивление от сил трения в цапфах ходовых колес, кН;

Wук – сопротивление от сил, возникающих при движении крана по уклону пути, кН;

Wин – сопротивление от сил инерции, кН.

;

где Dх.к. – диаметр ходового колеса, м.

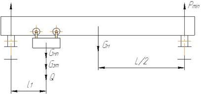
Для выбора диаметра ходового колеса необходимо определить нагрузку Рmax из уравнения моментов относительно одной из опор:

Нагрузка на одно колесо


где n – число колес с наиболее нагруженной стороны.

Диаметр колеса Dх.к. выбираем в зависимости от нагрузки.

Dх.к. =400мм.

Коэффициент трения качения колеса по рельсу m выбираем в зависимости от диаметра Dх.к. .

m=0,5 мм.

f – приведенный к цапфе вала коэффициент трения в подшипниках

опор колес, f=0,02 для конических и цилиндрических


подшипников качения;

kр – коэффициент, учитывающий трение реборд о рельс, для

цилиндрических колес kр =1,5;

d – диаметр цапфы d=80 мм;

a - угол наклона пути, sina=0,0015

tn – время пуска (с), принимается предварительно из условия , что ускорение при пуске [j] не должно превышать 0,2 м/с2 ,

Vk – скорость движения крана, м/с.

2.2.3 Выбор двигателя

Необходимую мощность N (кВт) двигателя определим по формуле

где f - коэффициент перегрузки двигателя, f = 1,6

h, о – общий КПД; взять таким же, как и в задании №2, но без КПД полиспаста hпол , в место КПД барабана hб взять КПД ходового колеса hх.к. =hб .

По расчётной мощности выбираем двигатель MTН 211-6, имеющий характеристики:

N = 8,2 кВт, мощность на валу двигателя

n = 900 об/мин, частота вращения

η = 72%, КПД двигателя

J = 0,115кг*м2 , момент инерции

Mmax = 196 Н*м, максимальный момент

m = 120 кг, масса

2.2.4 Выбор редуктора

Передаточное число механизма передачи:

где nх.к. – число оборотов ходового колеса, об/мин;

По каталогу стандартных редукторов выбираем редуктор цилиндрический двухступенчатый 1Ц2У-100 с передаточным отношением iМ = 25; номинальным крутящим моментом 315Н*м, и межосевым расстоянием 180мм.

2.2.5 Выбор муфты и тормоза

Расчётный момент для выбора муфты:

где k1 – коэффициент степени ответственности механизма; для

механизма подъёма груза k1 = 1,3;

k2 – коэффициент, зависящий от режима работы, для среднего

режима работы k2 = 1,2

По расчётному моменту выбираем муфту втулочно-пальцевую с номинальным вращающим моментом Mk = 250 Н*м,

Моментом инерции Jp = 0,24 кг*м2

Тормоз выбираем по тормозному моменту:

где k – коэффициент запаса, для среднего режима работы k = 1,75

Следовательно по расчётному моменту выбираем муфту втулочно-пальцевую с номинальным вращающим моментом Mk = 160 Н*м, Моментом инерции Jp = 0,32 кг*м2 .

2.2.6 Проверка двигателя по ускорению

Выбранный двигатель проверяем на наличие пробуксовки ходовых колес по величине создаваемого им ускорению в период пуска.

Время пуска двигателя (с) определим по формуле.


где Мс – момент сопротивления передвижению крана без груза, Н*м

Определим фактическое ускорение (м/с2 ):

Сравним полученное ускорение с допустимым:

где m – число приводных колес;

n – общее число колес механизма;

f - коэффициент сцепления колеса с рельсом, f=0,25

ксц – коэффициент запаса сцепления, ксц =1,2.

jф <[j]


2.2.7 Определение необходимого тормозного момента

Определим максимально допустимую величину ускорения (м/с2 ) при торможении:

Время торможения (с):

Тормозной момент (Н*м), на который необходимо отрегулировать выбранный тормоз, определим по формуле:

где WT – усилие на сопротивления при торможении, Н;


Необходимо выбранный тормоз отрегулировать на тормозной момент МТ =160Н*м


Список литературы

1. Курсовое проектирование грузоподъемных машин. Учеб. пособие для студентов машиностр. спец. вузов /С.А. Казак и др.; Под ред. С.А. Казак. - М.: Высш. шк., 1989.

2. Справочник по кранам: В 2Т. Т1, Характеристики материалов и нагрузок. Основы расчета кранов их приводов и металлических конструкций /Под общей ред. М. М. Гохберга. – Л.: Машиностроение. Ленингр. отд-ние, 1988.

3. Справочник по кранам: В 2Т. Т.2. Характеристики и конструктивные схемы кранов / Под общей ред. М.М. Гохберга. – М.: Машиностроение, 1988.

4. Расчеты строительных кранов. Колесник Н.П. - К.: Вища шк. Головное изд-во, 1985.

Оценить/Добавить комментарий
Имя
Оценка
Комментарии:
Хватит париться. На сайте FAST-REFERAT.RU вам сделают любой реферат, курсовую или дипломную. Сам пользуюсь, и вам советую!
Никита01:11:30 03 ноября 2021
.
.01:11:29 03 ноября 2021
.
.01:11:29 03 ноября 2021
.
.01:11:28 03 ноября 2021
.
.01:11:27 03 ноября 2021

Смотреть все комментарии (21)
Работы, похожие на Курсовая работа: Проект кран-балки

Назад
Меню
Главная
Рефераты
Благодарности
Опрос
Станете ли вы заказывать работу за деньги, если не найдете ее в Интернете?

Да, в любом случае.
Да, но только в случае крайней необходимости.
Возможно, в зависимости от цены.
Нет, напишу его сам.
Нет, забью.



Результаты(294332)
Комментарии (4230)
Copyright © 2005-2023 HEKIMA.RU [email protected] реклама на сайте