Содержание
Введение
1.Расчёт токов симметричного трехфазного короткого замыкания в точке К1
1.1 Приближенное приведение в относительных единицахдля точки К1
1.1.1Расчёт реактивного сопротивления элементов
1.1.2 Расчёт активного сопротивления элементов
1.1.3 Расчёт токов короткого замыкания в точке К1
1.2Точное приведение в относительных единицахдля точки К1
1.2.1 Расчёт реактивного сопротивления элементов
1.2.2 Расчёт активного сопротивления элементов
1.2.3 Расчёт токов короткого замыкания в точке К1
2.Расчёт токов симметричного трехфазного короткого замыкания в точке К5
2.1Точное приведение в именованных единицах
2.1.1 Расчёт реактивного сопротивления элементов
2.1.2 Расчёт активного сопротивления элементов
2.1.3 Расчёт токов короткого замыкания в точке К5
3. Сравнение результатов приближенного и точного расчетов
4. Расчет полного тока короткого замыкания
5. Построение векторных диаграмм
6. Расчёт теплового импульса
7. Расчет токов несимметричного короткого замыкания в точке К5
7.1Определение параметров схемы замещения прямой последовательности
7.2 Определение параметров схемызамещенияобратнойпоследовательности
7.3 Определение параметров схемы замещения нулевой последовательности
7.4 Определение токов и напряжений в месте повреждения К5
7.4.1 Однофазное короткое замыкание
8. Расчет токов несимметричного короткого замыкания в точке К1
8.1Определение параметров схемы замещения прямой последовательности
8.2 Определение параметров схемызамещенияобратнойпоследовательности
8.3 Определение параметров схемы замещения нулевой последовательности
8.4 Определение токов и напряжений в месте повреждения К1
8.4.1 Двухфазное короткое замыкание на землю
Введение
Курсовая работа выполняется по теме «Расчет симметричных и несимметричных коротких замыканий в электроэнергетической системе»
В работе рассчитываются токи и напряжения при симметричном и несимметричном коротких замыканиях (КЗ).
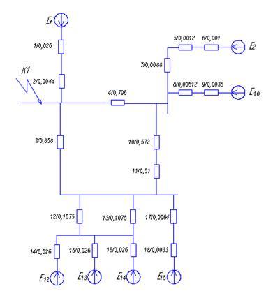
В объем работы входит выполнение двух разделов на основе заданной на рис. 1 схемы электрической системы. Для всех разделов полагать, что исходным установившимся режимом станции, который предшествует рассматриваемому КЗ, является номинальный режим эквивалентного генератора с выдачей им номинальной мощности при номинальном напряжении на шинах.
Начальные условия:

Рисунок 1. - Схема ЭЭС и расчетные точки КЗ
Напряжения на шинах:
Генераторы: ; ; ; ; 
Трансформаторы: ; ; 
Автотрансформаторы:
Линии электропередач:
Реактор: РТСТДГ – 10 – 4000 – 0,1
Система: 
Таблица 1.1. - Параметры трансформаторов:
| Тип |
S,МВА |
Uном обмоток, кВ |
Uk% |
∆РkкВт |
∆РхкВт |
| ВН |
НН |
| ТДЦ-250000/110 |
250 |
121 |
15,75 |
10,5 |
640 |
200 |
| ТДЦ-250000/500 |
250 |
525 |
15,75 |
13 |
600 |
250 |
| ТРДН-40000/110 |
40 |
115 |
6,3 |
10,5 |
172 |
36 |
| ТДЦ-125000/110 |
125 |
121 |
13,8 |
10,5 |
400 |
120 |
| ТДН-16000/110 |
16 |
115 |
6,5;11 |
10,5 |
85 |
19 |
Таблица 1.2. - Параметры генераторов:
| Тип ген. |
P,МВт |
S,МВА |
 |
U,кВ |
n, об/мин |
ОКЗ |
,% |
КПД |
| ТЗВ-63 |
53 |
66,3 |
0,8 |
6,3 |
3000 |
0,53 |
20,6 |
98,4 |
| ТЗВ-110-2 |
110 |
137,5 |
0,8 |
10,5 |
3000 |
0,6 |
22,7 |
98,6 |
| ТЗВ-220-2 |
220 |
258,8 |
0,85 |
15,75 |
3000 |
0,51 |
24,6 |
98,8 |
Таблица 1.3. - Параметры автотрансформатора:
| Тип |
S,МВА |
Uном обмоток, кВ |
Uk% |
| ВН |
СН |
НН |
ВН-СН |
ВН-НН |
СН-НН |
| АТДЦТН-250000/500/110 |
250 |
500 |
121 |
38,5 |
10,5 |
24 |
13 |
1. Расчет токов симметричного трехфазного к. з. в точке К1
1.1 Приближенное приведение в относительных единицах для т. к.з. К1
Принимаем SБ = 1000 МВА; Ucр1 = 6,3 кВ; Ucр2 = 115 кВ; Ucр3 = 515 кВ.

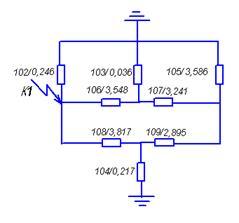
Рисунок 1.1. - Расчётная схема замещения
1.1.1
Определение реактивных сопротивлений элементов
Расчет автотрансформаторов АТ 1 и АТ 2:

Где UК – напряжение короткого замыкания; SH – номинальная полная мощность трансформатора.
Расчет сопротивлений трансформаторов:
Т1:
Т2:
Т3:
Т4:
Т5:
Расчет сопротивлений линий электропередач:



Где UСР – среднее напряжение РУ; Худ – удельное сопротивление линии; l – длина ЛЭП.
Расчет сопротивлений генераторов:
G1,2: 
G3: 
G4: 
Где Х// – относительное сопротивление генератора; SH,Г – номинальная полная мощность генератора.
Расчет сопротивлений реакторов:
;
Где Х – относительное сопротивление реактора.
Сопротивление системы:

1.1.1.1. Расчёт сверхпереходных ЭДС источника
При применении системы относительных единиц , .
Система является источником бесконечной мощности, поэтому

1.1.1.2 Преобразование схемы к простейшему виду относительно точки к. з. К1
 

Рисунок 1.2. – Упрощенная схема замещения


Используем метод коэффициентов участия:

Определим коэффициенты участия:


Рисунок 1.3 – Лучевая схема замещения
Обьединим источники :

Используем метод коэффициентов участия:

Определим коэффициенты участия:


Рисунок 1.4 – Лучевая схема замещения
Приведем лучевую схему к сопротивлению одной ветви:


Рисунок 1.5. – Результирующая схема замещения
1.1.2 Определение активного сопротивления

Рисунок 1.6. – Схема замещения
Расчет автотрансформаторов АТ 1 и АТ 2:


Где ∆Ркз – изменение активного сопротивления короткого замыкания.
Расчет сопротивлений трансформаторов:
Т1: 
Т2: 

Т3:
Т4: 
Расчет сопротивлений линий электропередач:
W1: 
W2: 
W3: 
W4: 
Где UСР – среднее напряжение РУ; r0 – удельное сопротивление линии;
l – длина ЛЭП.
Расчет сопротивлений генераторов:
G1: 
G2: 
G3: 
G4: 
Где Х – относительное реактивное сопротивление генератора; ω – частота;
ТА – постоянная времени.
Система:

Активное сопротивление реакторов не учитывается.
1.1.2.1. Преобразование схемы к простейшему виду относительно точки к. з. К1

Рисунок 1.7. – Упрощенная схема замещения


Рисунок 1.8. – Результирующая схема замещения

1.1.3 Определение токов короткого замыкания в точке К1
Найдём значение базисного тока:
;
Определение начального периодического тока к. з.:

Расчет ударного тока:

Где - ударный коэффициент принимается для элементов или части энергосистемы; - значение постоянной времени затухания апериодической составляющеё тока КЗ.
;


Определение апериодической составляющей тока к. з.:
;
Где - время размыкания контактов.
;
Определение периодической составляющей тока к. з.:
т. к. Е1 - источник бесконечной мощности.


т. к. принимаем 


т. к. принимаем 

1.2 Точное приведение в относительных единицах для т. к. з. К1
SБ = 1000 МВА;
В качестве основной принимаем ступень, где происходит к.з.:
U б1 = 110 кВ; U б2 = U б1 /К Т1 = 110*500/121 = 455 кВ;
U б3 = Uб1 /К Т2 = 110*500/121 = 455 кВ;
U б4 = Uб1 /К Т2*КТ3 = 110*500/121*15,75/525 = 13,64 кВ;
U б5 = Uб1 /К Т = 110*15,75/121 = 14,32 кВ;
U б6 = Uб1 /К Т = 110*6,3/115 = 6,03 кВ;
U б7 = Uб1 /К Т = 110*13,8/121 = 12,55 кВ;
1.2.1 Определение реактивных сопротивлений элементов
Расчет автотрансформаторов АТ 1 и АТ 2:

Расчет сопротивлений трансформаторов:
Т1 Т2:
Т3:
Т4:
Т5:
Расчет сопротивлений линий электропередач:



Расчет сопротивлений генераторов:
G2:
G1: 
G3: 
G4: 
Расчет сопротивлений реакторов:

Сопротивление системы:

1.2.1.1 Преобразование схемы к простейшему виду относительно точки к. з. К1



Упрощенная схема замещения аналогична приближенному приведению.


Используем метод коэффициентов участия:

Определим коэффициенты участия:


Рисунок 1.9 – Лучевая схема замещения
Обьединим источники :

Используем метод коэффициентов участия:

Определим коэффициенты участия:


Рисунок 1.10. – Лучевая схема замещения
Приведем лучевую схему к сопротивлению одной ветви:


Рисунок 1.11. – Результирующая схема замещения
1.2.2 Определение активного сопротивления
Схема замещения аналогична приближенному приведению.
Расчет автотрансформаторов АТ 1 и АТ 2:


Т1: 
Т2: 
Т3:
Т4: 
Расчет сопротивлений линий электропередач:
W1: 
W2: 
W3: 
W4: 
Расчет сопротивлений генераторов:
G1: 
G2: 
G3: 
G4: 
Система:

Активное сопротивление реакторов не учитывается.
1.2.2.1 Преобразование схемы к простейшему виду относительно точки к. з. К1
Упрощенная схема замещения аналогична приближенному приведению.



Рисунок 1.12. – Результирующая схема замещения
1.2.3 Определение токов короткого замыкания в точке К1
Найдём значение базисного тока:
;
Определение начального периодического тока к. з.:

Расчет ударного тока:

Где - ударный коэффициент принимается для элементов или части энергосистемы; - значение постоянной времени затухания апериодической составляющеё тока КЗ.
;


Определение апериодической составляющей тока к. з.:
;
Где - время размыкания контактов.
;
Определение периодической составляющей тока к. з.:

т. к. Е1 - источник бесконечной мощности.

т. к. принимаем 

т. к. принимаем 

2. Расчет токов симметричного трехфазного к. з. в точке К
5
2.1
Точное
приведение в
именован
ных единицах
2.1.1 Определение реактивного сопротивления
элементов
В качестве основной принимаем ступень, где происходит к.з. Uосн=110 кВ.
Расчет автотрансформаторов АТ 1 и АТ 2:

Расчет сопротивлений трансформаторов:
Т1:
Т2: 
Т3:
Т4:
Т5:
Расчет сопротивлений линий электропередач:



Расчет сопротивлений генераторов:
G2:
G1: 
G3: 
G4: 
Расчет сопротивлений реакторов:

Сопротивление системы:

1.1.1.1 Фазное значение ЭДС генератора

1.1.2 Преобразование схемы к простейшему виду относительно точки к. з. К
5

Обьединим источники Е2…Е9 с Е10…Е11




Рисунок 2.1. – Упрощенная схема замещения



Используем метод коэффициентов участия:

Определим коэффициенты участия:


Рисунок 2.2. – Лучевая схема замещения
Приведем лучевую схему к сопротивлению одной ветви:


Рисунок 2.3. – Результирующая схема замещения
2.1.2 Определение активного сопротивления
Приведем схему замещения к точке к. з. К5
Расчет автотрансформаторов АТ 1 и АТ 2:


Т1: 
Т2 
Т3:
Т4: 
Расчет сопротивлений линий электропередач:
W1: 
W2: 
W3: 
W4: 
Расчет сопротивлений генераторов:
G1: 
G2: 
G3: 
G4: 
Система:

Активное сопротивление реакторов не учитывается.



Рисунок 2.4. – Результирующая схема замещения
2.1.3 Определение токов короткого замыкания в точке К
5
Определение начального периодического тока к. з.:

Расчет ударного тока:

;


Определение апериодической составляющей тока к. з.:
;
;
Определение периодической составляющей тока к. з.:

т. к. Е1 - источник бесконечной мощности.

т. к. принимаем 

т. к. принимаем 

т. к. принимаем 

3. Сравнение результатов приближенного и точного расчетов
Таблица 3.1. - Сравнение результатов приближенного и точного расчетов
Место к.з.
Привед.
|
К1 |
К5 |
| IПО, кА |
iуд, кА |
iаτ, кА |
Iпτ, кА |
IПО, кА |
iуд, кА |
iаτ, кА |
Iпτ, кА |
| точное |
18,511 |
31,65 |
0,83 |
18,511 |
15,757 |
30,1 |
8,675 |
15,757 |
| приближенное |
20,43 |
34,72 |
0,81 |
20,43 |
- |
- |
- |
- |
Все величины токов, полученные точным методом,незначительно отличаются от величин токов, которые были найдены при приближенном решении.
4. Расчет полного тока короткого замыкания
Для t = 0 с






Для t = 0,1 с
;
;
;
;


Для t = 0,2 с






Для t = 0,3 с






5. Построение векторных диаграмм
Векторные диаграммы.
Точка КЗ К1:


Векторные диаграммы.
Точка КЗ К5:


6
. Расчёт теплового импульса
; 
7
. Расчет токов несимметричного короткого замыкания в точке К
5
7
.1 Определение параметров схемы замещения прямой последовательности
Схема прямой последовательности составляется так же, как для расчета симметричного режима.

7
.2 Определение параметров схемы замещения обратной последовательности
Схема обратной последовательности по конфигурации аналогична схеме прямой последовательности. Отличие состоит лишь в том, что в данном случае ЭДС всех генерирующих ветвей принимаются равными нулю.


Рисунок 7.1. – Схема замещения обратной последовательности
7
.3
Определениепараметров
схемы замещения нулевой
последовательности
Схема нулевой последовательности существенно отличается от схем прямой и обратной, так как путь ее токов отличается от пути, по которому циркулируют токи прямой и обратной последовательностей.

Индуктивное сопротивление двухцепной линии без тросов:

Индуктивное сопротивление одноцепной линии без тросов:


Рисунок 7.2. – Схема замещения нулевой последовательности



Рисунок 7.3. – Схема замещения прямой последовательности
Преобразуем к одной ветви:




Рисунок 7.4. – Результирующая схема замещения
7
.4 Определение токов и напряжений всех трех последовательностей в месте повреждения К
5
7
.4.1 Однофазное короткое замыкание
Граничные условия: ; ; ;
Ток прямой последовательности:
;
Ток обратной и нулевой последовательности:
;
Полный ток в поврежденной фазе:
;
Составляющие напряжений:
;
;
;
Построение диаграмм:


8
. Расчет токов несимметричного короткого замыкания в точке К
1
8
.1 Определение параметров схемы замещения прямой последовательности
Схема прямой последовательности составляется так же, как для расчета симметричного режима.

8
.2 Определение параметров схемы замещения обратной последовательности
Схема обратной последовательности по конфигурации аналогична схеме прямой последовательности. Отличие состоит лишь в том, что в данном случае ЭДС всех генерирующих ветвей принимаются равными нулю.


Рисунок 8.1. – Схема замещения обратной последовательности
8
.3 Определение параметров схемы замещения нулевой последовательности
Схема нулевой последовательности существенно отличается от схем прямой и обратной, так как путь ее токов отличается от пути, по которому циркулируют токи прямой и обратной последовательностей.

Индуктивное сопротивление двухцепной линии без тросов:

Индуктивное сопротивление одноцепной линии без тросов:


Рисунок 8.2. – Схема замещения нулевой последовательности



Рисунок 8.3. – Схема замещения прямой последовательности
Преобразуем к одной ветви:



Используем метод коэффициента распределения:


Рисунок 8.4. – Результирующая схема замещения
8
.4 Определение токов и напряжений всех трех последовательностей в месте повреждения К
1
8
.4.
1
Двухфазное короткое замыкание на землю
Граничные условия: ; ;
Ток прямой последовательности:
;
Ток обратной и нулевой последовательности:
; ;
Токи поврежденных фаз:

Составляющие напряжений:
;
;

Построение диаграмм:


|