|
ЗМІСТ
ПЕРЕЛІК УМОВНИХ СКОРОЧЕНЬ
ВСТУП
1. ТЕОРЕТИЧНІ ЗАСАДИ СИСТЕМНОГО АНАЛІЗУ ОБ‘ЄКТІВ ТА ПРОЦЕСІВ КОМП‘ЮТЕРІЗАЦІЇ
1.1 Задачі системного управління структурою і властивостями складних об'єктів
1.2 Аналіз вимог до точності та стійкості слідкувальної системи
1.3 Аналіз інформаційних процесів предметної області дослідження
2. МОДЕЛЬ ДОСЛІДЖЕННЯ СТІЙКОСТІ ТА ЯКОСТІ ПЕРЕХІДНИХ ПРОЦЕСІВ СЛІДКУВАЛЬНОЇ СИСТЕМИ
2.1 Технічне завдання
2.2 Функціональна схема та математична модель слідкувальної системи
2.3 Розробка алгоритмів визначення стійкості та якості перехідних процесів слідку вальної системи
3. ПРОГРАМНЕ ЗАБЕЗПЕЧЕННЯ МОДЕЛІ ДОСЛІДЖЕННЯ СТІЙКОСТІ ТА ЯКОСТІ ПЕРЕХІДНИХ ПРОЦЕСІВ СЛІДКУВАЛЬНОЇ СИСТЕМИ
3.1 Програмний комплекс системи
3.2 Перевірка роботи моделі дослідження стійкості та якості перехідних процесів слідкувальної системи в пакеті інженерних розранках Matlab в додатку Simulink і Control System Toolbox
ВИСНОВКИ
СПИСОК ВИКОРИСТАНИХ ДЖЕРЕЛ
ДОДАТКИ
РЕФЕРАТ
Робота присвячена розробці інформаційно-довідкової підсистеми класифікації космічних апаратів і складається з трьох розділів.
Перший розділ присвячений теоретичним засадам системного аналізу об‘єктів та процесів комп‘ютеризації. Розглянуто задачі системного управління структурою і властивостями складних об'єктів. Проведено аналіз аналіз інформаційно-довідкових підсистем та аналіз інформаційних процесів предметної області дослідження.
В другому розділі сформульоване технічне завдання на розробку підсистеми, вказано вимоги до роботи системи, виконано формалізований опис процесів обробки інформації, наведено дерево цілей, в програмному середовищі Microsoft Office Access 2007.
Третій розділ присвячений реалізації прототипу підсистеми із використанням програмного комплексу C++ Builder 6. Спроектовано інтерфейс системи, а також відбулася перевірка роботи моделі дослідження стійкості та якості перехідних процесів слідкувальної системи в пакеті інженерних розранках Matlab в додатку Simulink і Control System Toolbox.
Робота складається з трьох розділів, виконана на сторінках та містить … рисунки та … посилань на літературу.
ПЕРЕЛІК УМОВНИХ СКОРОЧЕНЬ
КП - керований процес
САУ - систем автоматичного управління
ОУ - об'єкт управління
АФХ – амплітудно-фазова характеристика
ЛАХ – логарифмічно-амплітудна характеристика
ВСТУП
Ракетно-космічна галузь - одна з небагатьох галузей, в яких Україна перебуває серед світових лідерів. Збереження Україною статусу космічної держави в умовах жорсткої конкуренції на світовому ринку прямо пов'язане з виробництвом високоякісної ракетної техніки, зі створенням у найкоротший термін дешевих космічних літальних апаратів (КА) з високими показниками рішення цільової задачі.
Метою даної курсової роботи є побудова моделі дослідження стійкості та якості перехідних процесів слідкувальної системи.
Завданням курсової роботи є:
– аналіз моделей управління підсистеми слідкувального приводу;
– проектування формалізованої моделі системи;
– розробка математичної моделі;
– розробка програмного комплексу системи;
Предметом дослідження є застосування системного підходу для проектування складних автоматизованих систем.
Об’єктом дослідження є аналіз методів дослідження стійкості та якості перехідних процесів слідкувальної системи.
В процесі розробки курсової роботи було використано аналітичні, математичні, графічні методи, методи об’єктно – орієнтованого проектування та програмування.
1. Теоретичні засади системного аналізу об’єктів та процесів комп’ютеризації
1.1 Задачі системного управління структурою і властивостями складних об'єктів
Особливості задач управління структурою і властивостями складних об'єктів. Перейдемо до вивчення властивостей та особливостей задач управління структурою і властивостями складних об'єктів. Передусім потрібно виявити фактори, що зумовлюють потребу створення і використання складніших класів задач управління об'єктами.
До розглянутих вище задач управління працездатністю і безпекою належать задачі управління складними об'єктами різного призначення за умов штатного режиму функціонування. Але водночас цей клас задач має певні обмеження. Ці обмеження випливають з математичного формулювання задач оптимального управління, в якій не враховано цілу низку практично важливих факторів, то належать до реальних умов функціонування сучасних складних систем. Зокрема, недостатньо враховано реальні взаємодії об'єкта і зовнішнього середовища, наприклад, такі важливі особливості, як неповнота, невизначеність і неточність вихідної інформації, запізнення інформації, інерційність і запізнення управління, не марковість процесу зміни стану об'єкта.
У математичному формулюванні задачі трактування терміна «оптимальний» є досить вузьким і не враховує реальну множинність, невизначеність і суперечливість цілей. Не враховано можливості таких змін умов функціонування об'єкта, що призводять до позаштатної або критичної ситуації. Зокрема, не враховано зовнішні нестаціонарні збурювальні сили, які впливають на рухомий об'єкт в атмосфері і зумовлені не прогнозованими значними варіаціями густини і температури атмосфери, потужними турбулентними рухами повітря, особливо на межі атмосферних фронтів циклону й антициклону, а також відмінністю аеродинамічних реальних властивостей від розрахункових. Ці фактори вносять невизначеність у характеристики сил, які реально впливають на керований об'єкт. Математично ця невизначеність виражається невизначеністю правих частин диференціальних рівнянь, що описують рух керованого об'єкта. Така невизначеність не гарантує можливості виконання обмежень на стан і управління, визначених співвідношеннями, а отже, не дає: змоги гарантувати у складних умовах штатний режим функціонування об'єкта, визначений співвідношенням. Отже, математичний і методичний апарат, який використовують для розв'язання задач управління класу У1, орієнтований на досить вузький клас детермінованих вихідних даних і не враховує багато реальних умов і ситуацій, характерних для прикладних задач управління. [1]
Ці недоліки враховано у класах задач управління вищих рівнів, зокрема в задачах, пов'язаних із необхідністю управління властивостями і структурою складних об'єктів. Насамперед розглянемо деякі прийоми усунення неповноти, невизначеності і неточності вихідної інформації в системах управління. У реальних умовах проектування систем управління складними об'єктами недостатній рівень інформованості ОІІР може бути зумовлений різними причинами. Найхарактернішими є такі ситуації.
Ситуація 1. На етапі проектування системи управління може виявитися, що частково або повністю невідомо властивості і показники зовнішніх впливів па керований об'єкт, і тому практично невідомо багато показників системи управління. Подібні ситуації були характерні під час створення космічних апаратів різного призначення.
Зокрема. під час створення місяцехода відомості про зовнішнє середовище практично були відсутні. Відомою, власне кажучи, була тільки одна властивість — відсутність атмосфери. А головних відомостей - якими є місячний грунт, які його механічні, фізичні, хімічні та інші властивості і показники - не було. За таких умов до системи управління ставлять вимоги, що принципово відрізняються від прийнятих під час розробки систем управління класу У1.
Зокрема, система управління повинна відповідати принципово новій вимозі, відсутній у системах управління класу У1. Суть її полягає в тому, що у процесі функціонування система управління повинна заповнити відсутню інформацію про зовнішнє середовище і на цій основі здійснити рішення про адекватну зміну параметрів, властивостей і структури керованого об'єкта. Отже, від системи управління в цьому випадку потрібно, щоб вона могла у процесі функціонування одночасно виконувати функції управління класу У1 (зміни параметрів стану), класу У2 (зміни властивостей) і класу УЗ (зміни структури). При цьому процедури зміни властивостей і структури можуть бути одноразовими і багаторазовими.
У випадку реалізації одноразової процедури система управління працює в такому режимі: заповнює відсутню інформацію, виконує корекцію властивостей і структури об'єкта Таку процедуру виконують за умови, що характеристики зовнішнього середовища залишаються практично незмінними упродовж всього терміну функціонування керованого об'єкта Цей варіант процедури характерний, зокрема, для використання певних типів всюдиходів у складних кліматичних умовах (болото, пісок, твердий грунт, в'язкий грунт тощо). Як приклад можна навести роботу всюдиходів у різні пори року у Заполяр'ї. [1]
Ситуація 2. Є досить точні первинні відомості про властивості навколишнього середовища і про керований об'єкт, на підставі яких можна створити систему управління. Однак у процесі функціонування керованого об'єкта властивості середовища або об'єкта можуть змінюватися у досить широкому діапазоні внаслідок впливу різних факторів Наприклад, у літальному апараті у процесі польоту в міру витрати пального змінюються його маса і розташування центра ваги. Одночасно зі зміною висоти польоту змінюється густина атмосфери і. як наслідок, - аеродинамічні властивості. Зазначені зміни властивостей об'єкта, а також нестаціонарні турбулентні процеси в атмосфері можуть призвести до того, що система управління, спроектована на підставі вихідної інформації, не забезпечить у процесі зміни властивостей керованого об'єкта і навколишнього середовища необхідних якісних показників функціонування об'єкта За таких умов виникає необхідність забезпечити постійну зміну його властивостей і структури, адекватну зміні зовнішніх впливів. Така система управління повинна забезпечити необхідні якісні показники функціонування об'єкта у будь-який момент наявної ситуації.
Ситуація 3. Ця ситуація є узагальненням двох попередніх. Для неї характерні як недостатня інформованість про зовнішні умови і фактори на етапі розробки керованого об'єкта, так і можливість не прогнозованих нестаціонарних змін зовнішніх умов у процесі функціонування об'єкта.
Спільною властивістю розглянутих ситуацій є необхідність пристосування до нових умов у процесі їхніх змін. Принципово його реалізують різними способами: зміною тільки властивостей, зміною тільки структури, або одночасною зміною властивостей і структури керованого об'єкта. Здатність нестаціонарної системи пристосовуватися до змін зовнішньою середовища або характеристик об'єкта називають адаптацією. Системи, що мають здатність адаптуватися до мінливих умов, прийнято називати адаптивними. Тут під нестаціонарною системою розуміють цілісний об'єкт, що складається з керованого об'єкта і системи управління, які с структурно взаємопов'язаними і функціонально взаємодіють для досягнення заданих цілей.
Отже, цей короткий аналіз показує, що в реальних умовах неповноти, неточності і суперечливості вихідної інформації ефективне функціонування сучасних складних систем можливе лише за наявності здатності до адаптації у процесі зміни наявних умов. Адаптація можлива тільки за необхідного рівня інформованої про властивості зовнішнього середовища і керованого об'єкта у процесі його функціонування. Звідси випливає, що задачі адаптації та оптимізації управління тісно взаємопов'язані із задачами адаптивного оптимального опрацювання інформації у разі зміни наявної ситуації. Такі задачі виходять за рамки підходів теорії управління класу У1. Розглянуті фактори стимулювали розвиток різних засобів та методів адаптивного управління і сприяли появі методів управління класів У2 і УЗ.
Водночас невпинне зростання обсягу і підвищення рівня вимог до сучасного виробництва ставить принципово нові, суттєво складніші теоретичні і практичні задачі управління. Поки що зроблено тільки перші кроки в теоретичному дослідженні найактуальніших проблем управління класів У4 і У5. Однак практичні задачі класу У4, зокрема задачі управління розвитком складних багаторівневих, багатопрофільних систем, розв'язують багато в чому інтуїтивно та емпірично вже кілька десятиліть. Класичним прикладом задач цього класу можна вважати розробку програм розвитку різних видів збройних сил. Такі задачі розв'язують у кожній незалежній державі, що приділяє належну увагу забезпеченню національної безпеки. В економіці подібні задачі виникають у будівництві та модернізації великих промислових підприємств із багатопрофільним виробництвом. Як приклад можна назвати хімічні комбінати, комбінати кольорової металургії тощо.
Задачі управління класу У5 є подальшим принциповим ускладненням задач класу У4. Воно полягає в тому, що під час розвитку керованого об'єкта принципово змінюється його зовнішня властивість — призначення, а отже, і цілі об'єкта. За таких умов задача виявляється принципово складнішою, ніж розробка самого об'єкта. Справді, розробник нового об'єкта має можливість вибору вигляду, структури, функцій, елементів кожного ієрархічного рівня й об'єкта загалом. У випадку управління призначенням ситуація, у якій розв'язують задачу, є принципово іншою. Об'єкт вже існує, має від лагоджені технології, систему постачання і збут) продукції, а також сформований колектив робітників та службовців із певним досвідом практичної діяльності у певному середовищі та профілі спеціальної професійної підготовки. Потрібно змінити в об'єкті головну властивість - його призначення, але водночас максимально зберегти всю наявну виробничу інфраструктуру і забезпечити максимально ефективне використання у новій сфері практичної діяльності. Очевидно, що забезпечити ефективне і своєчасне розв'язання широкого кола організаційних, технологічних, економічних, науково-технічних, соціальних і багатьох інших проблем, що виникають у цій ситуації, можна лише за наявності їхнього системного узгодження за цілями, задачами, термінами, ресурсами, очікуваними результатами, а також за наявності багаторівневого управління. [1]
1.2 Аналіз вимог до точності та стійкості слідкувальної системи
Точність системи автоматичного управління, одна з найважливіших характеристик систем автоматичного управління (САУ), що визначає міру наближення реального керованого процесу (КП) до потрібного. Відхилення КП від потрібного викликається динамічними властивостями об'єкту управління (ОУ) і САУ, помилками вимірювальних і виконавчих пристроїв, що входять в САУ, внутрішніми шумами в деяких її елементах і зовнішніми перешкодами. Воно складається з систематичної і випадкової помилок. Систематична помилка є математичним чеканням випадкового відхилення КП від потрібного. Випадкова помилка зазвичай характеризується дисперсією або середнім квадратичним відхиленням (в разі одновимірного КП) або кореляційною матрицею (в разі багатовимірного КП). Співвідношення між систематичною і випадковою помилками визначається смугою пропускання системи (діапазоном частот коливань вхідного сигналу, на які система помітно реагує). З розширенням смуги пропускання система стає менш інерційною і систематична помилка зменшується, проте при цьому збільшується дисперсія випадкової помилки. Тому при проектуванні САУ шукають деяке компромісне рішення задачі вибору смуги пропускання. Точність тісно пов'язана з іншою важливою характеристикою САУ - її чутливістю.
На початковому етапі розвитку автоматики питання про облік випадкових помилок не виникало і точність САУ характеризували лише систематичною помилкою. Необхідність обліку випадкових помилок, що виникла вперше при вирішенні завдань прицілювання при стрілянині і бомбометанні з літака і збільшена з появою радіолокації, привела до створення і розвитку статистичної теорії КП, яка стала одннм з найважливіших напрямів теорії автоматичного управління. Основні завдання статистичної теорії КП: 1) розрахунок точності при заданих характеристиках ОУ, САУ і випадкових обурень - статистичний аналіз САУ; 2) визначення оптимальних характеристик САУ, при яких досягається найбільша можлива точність при заданих статистичних характеристиках сигналів управління і перешкод, - статистичний синтез САУ. Статистична теорія КП дає методи статистичного аналізу і синтезу систем різних класів (лінійних, таких, що приводяться до лінійних, описуваних стохастичними диференціальними або різницевими рівняннями), а також загальні методи оптимізації лінійних і нелінійних систем по різних критеріях і методи визначення гранично досяжною (потенційною) точністю при заданих статистичних характеристиках корисних сигналів і перешкод. Методи статистичної теорії КП складні і вимагають вживання ЕОМ.
Управління складними системами зазвичай здійснюється в умовах невизначеності - за відсутності достатньої інформації про характеристики
корисних сигналів і перешкод, а в деяких випадках і про ОУ. Тому виникає проблема підвищення точності САУ безпосередньо в процесі її роботи. Це досягається вживанням принципів адаптації, вчення або самонавчання. Статистична теорія УП дає теоретичні підстави для проектування адаптивних (зокрема самоналагоджувальних), таких, що вчаться і самонавчальних САУ, а також методи оцінки ефективності вчення - підвищення їх точності. Розвиток статистичної теорії КП привів до створення на початку 70-х рр. 20 ст. основ теорії стохастичних систем, поширюючий і узагальнювальний методи статистичної теорії КП (у тому числі методи розрахунку точності) на системи, що включають не лише машини, автоматичні пристрої і ЕОМ, але і колективи людей.
ССП підрозділяють на пошукові та без пошукові. У пошукових ССП необхідна якість управління досягається в результаті автоматичного пошуку оптимального (в деякому розумінні) налаштування. Якість налаштування характеризується деяким узагальненим показником, пов'язаним з первинними параметрами налаштування складним, зазвичай не цілком стабільним і недостатньо відомим співвідношенням. Цей показник вимірюється безпосередньо або обчислюється по виміряних значеннях первинних параметрів. Параметрам налаштування в ССП надають пошукові або пробні зміни. Аналіз коливань показника якості налаштування, викликаних пошуковими діями, дозволяє встановити, чи є налаштування оптимальним, тобто відповідною екстремуму (максимуму або мінімуму) показника якості. Якщо мають місце відхилення від екстремуму, то налаштування змінюється до тих пір, поки не наблизиться до оптимальної. Пошукові ССП можуть працювати при зміні зовнішніх умов в широких межах.
Без пошукові ССП мають перед пошуковими системами певну перевагу, обумовлену тим, що пошук оптимального стану віднімає значний час, тобто час само настройки пошукових систем обмежений знизу. У без пошукових ССП використовується деякий контрольований показник якості управління (наприклад, значення похідної контрольованого параметра за часом). Автоматичним налаштуванням параметрів цей показник підтримується в заданих межах. Залежно від вигляду показника розрізняють ССП з контролем перехідних процесів, з контролем частотних характеристик, з еталонною моделлю і ін. Все це - замкнуті без пошукові ССП із замкнутим контуром само настройки, в якому параметри налаштування автоматично змінюються при виході показника якості за допустимі межі. Деякі замкнуті без пошукові ССП близькі до звичайних нелінійних систем автоматичного управління із зниженою чутливістю до характеристик об'єкту - до таких, наприклад, як релейні системи або управління системи із змінною структурою. Поряд із замкнутими застосовують також розімкнені ССП - , наприклад, системи параметричної компенсації. У цих ССП контролюються дії, що викликають зміну властивостей об'єкту, і за заздалегідь розрахованою програмою змінюються параметри налаштування системи; контур само настройки в цьому випадку розімкнений. Така само настройка може бути майже миттєвою, проте її здійснення вимагає контролю довкілля і досить точного знання законів дії середовища на керований об'єкт. [3]
Само настройка реалізується як спеціальною апаратурою (у вигляді блоків само настройки або самоналагоджувальних екстремальних регулювальників), так і адаптивними алгоритмами центральних керуючих ЦВМ. Додання алгоритмам управління властивостей само настройки (адаптації) істотно розширює можливості управління всілякими процесами. Впровадження ССП дозволяє наблизитися до оптимальних режимів функціонування об'єктів, полегшує завдання уніфікації систем управління, скорочує час на випробування і наладку, знижує технологічні вимоги на виготовлення ряду вузлів пристроїв управління, звільняє обслуговуючий персонал від трудомістких операцій налаштування. Практичне використання ССП і самоналагоджувальних алгоритмів - одна з характерних меж технічного прогресу в області управління.
У статичному режимі роботи всі складові вектора стану САУ не залежать від моменту часу їх розгляду і залишаються постійними, відповідними умові рівноваги системи. Це стан залежно від структури і параметрів САУ може бути стійким або нестійким. Якщо після зміни вектора зовнішніх дій система приходить в стан, при якому всі складові вектора її стану стають постійними, тобто система повертається в положення рівноваги, то це стан рівноваги є стійким. У разі, коли після зміни вхідного сигналу або збурення, система не прагне в первинний стан, а вектор вихідних сигналів змінюється незалежно від зовнішньої дії, то такий стан є нестійким. В цьому випадку система автоматичного управління є нестійкою. Графічна інтерпретація таких режимів роботи САУ представлена на рисунок 1.1.

Рисунок 1.1- Графічна інтерпретація стійкості
Під стійкістю розуміється властивість САУ повертатися в початковий стан після виведення її з цього стану і припинення впливу задаючої або збурюючої дії. [2]
Тільки стійка система автоматичного управління може виконувати покладені на неї функції. Тому одним з основних завдань САУ є забезпечення її стійкості.
Основи теорії стійкості САУ були закладені А.М. Ляпуновим в його роботі "Загальне завдання стійкості рухів", опублікованої в 1882 р.
Якщо САУ представляється системою лінійних диференціальних рівнянь, то її стійкість не залежить від величини і точки додатку зовнішніх обурень.
Варто розрізняти стійкість системи управління, системи показників і стійкість функціонування самого підприємства, що залежить від ряду показників, життєвого циклу підприємства й етапу цього життєвого циклу.
Крім того, стійкість управління характеризує розтягнутість циклу управління. Чим оперативність управління вища, тобто відповідно тривалість циклу управління менша, тим і більш ефективний вплив системи управління на поведінку об'єкта.
Важливим фактором стійкості підприємства є його гнучкість, гнучкість системи управління. Під гнучкістю управління розуміється здатність системи пристосовуватися до умов управління, що змінюються.
Нелінійні системи можуть бути стійкі при малих обуреннях і нестійкі при великих обуреннях. Теорема Ляпунова встановлює, що про стійкість нелінійних систем при малих обуреннях можна судити по їх лінеаризованих рівняннях, достатньо адекватно тих, що описують поведінку САУ при малих відхиленнях від положення рівноваги. Тому розглядатимемо тільки питання стійкості САУ, що представляються лінійними або лінеаризованими диференціальними рівняннями.
При порушенні рівноваги САУ, викликаної зовнішнім дія, виникають перехідні процеси. Вид перехідного процесу залежить як від властивостей системи, так і від виду обурення. У перехідному процесі присутні 2 складові: — вільні рухи системи, визначувані початковими умовами і властивостями САУ; вимушені рухи, визначувані обуренням і властивостями системи. Вид перехідного процесу визначається як
.
Щоб САУ могла достовірно відображати інформацію, що задавалася, необхідно, щоб в перехідному процесі вільна складова з часом повинна прагнути до нуля, тобто повинна виконуватися умова вигляду:
.
Характер вільного руху системи визначає її стійкість або нестійкість.
Можливі види перехідних процесів в САУ представлені на рисунок. 1.2.
 
Рисунок 1.2 - Види кривих перехідних процесів
Прямий аналіз стійкості САУ, заснований на обчисленні коріння характеристичного рівняння, пов'язаний з необхідністю обчислення коріння, що є непростим завданням. Тому в інженерній практиці важливого значення набувають правила, що дозволяють визначати стійкість системи без обчислення коріння характеристичного рівняння.
Способи визначення стійкості САУ без обчислення коріння характеристичного рівняння називаються критеріями стійкості САУ. Розрізняють дві групи критеріїв стійкості: алгебра – засновані на аналізі коефіцієнтів характеристичного рівняння, і частотні – засновані на аналізі частотних характеристик САУ.
Критерії стійкості лінійних САУ
Прямий аналіз стійкості САУ, заснований на обчисленні коріння характеристичного рівняння, пов'язаний з необхідністю обчислення коріння, що є непростим завданням. Тому в інженерній практиці важливого значення набувають правила, що дозволяють визначати стійкість системи без обчислення коріння характеристичного рівняння.
Способи визначення стійкості САУ без обчислення коріння характеристичного рівняння називаються критеріями стійкості САУ. Розрізняють дві групи критеріїв стійкості: алгебра – засновані на аналізі коефіцієнтів характеристичного рівняння, і частотні – засновані на аналізі частотних характеристик САУ. [2]
Критерій Рауса
Цей критерій є системою нерівностей, складених по особливих правилах з коефіцієнтів характеристичного рівняння замкнутої САУ:
1) У першому рядку таблиці записують коефіцієнти характеристичного рівняння, що мають парні індекси в порядку їх зростання.
2) У другому рядку таблиці записують коефіцієнти з непарними індексами в порядку їх зростання.
3) У подальші рядки вписують коефіцієнти, визначені як

де – i – індекс, що позначає номер рядка таблиці
– індекс, що позначає номер стовпця таблиці.
4) Число рядків таблиці Рауса на одиницю перевищує порядок характеристичного рівняння замкнутої САУ.
Умови стійкості Рауса: Щоб САУ була стійкою необхідно і достатньо, щоб всі коефіцієнти першого стовпця таблиці Рауса мали один і той же знак, тобто були позитивними. Якщо не всі коефіцієнти першого стовпця таблиці Рауса позитивні, тобто САУ нестійка, число правого коріння характеристичного рівняння рівне числу змін знаку в першому стовпці таблиці Рауса.
Критерій Гурвіца
Цей критерій дозволяє визначити стійкість САУ, якщо характеристичне рівняння замкнутої системи представлене у вигляді:

Для цього будується головний визначник Гурвіца за наступним правилом: по головній діагоналі виписуються всі коефіцієнти від до в порядку зростання коефіцієнтів. Стовпці вгору від головної діагоналі заповнюються коефіцієнтами характеристичного рівняння з послідовно зростаючими індексами, а стовпці вниз – коефіцієнтами з послідовно убиваючими індексами. На місці коефіцієнтів з індексами, великими порядку характеристичного рівняння і меншими нуля, проставляють нулі.

Виділяючи в головному визначнику Гурвіца діагональний мінор, отримуємо визначника Гурвіца нижчого порядку. Номер визначника Гурвіца визначається номером коефіцієнта по діагоналі, до якого складають даного визначника.
, , .
Умовою даного критерію є, щоб САУ була стійка, необхідно і достатньо, щоб визначник Гурвіца і його діагональний мінор мали знаки, однакові із знаком першого коефіцієнта характеристичного рівняння замкнутої САУ. При для стійкості САУ необхідно і достатнє виконання умов:
;.
Розглянемо замкнуту САУ, що складається з трьох послідовно включених аперіодичних ланок, охоплених 100% зворотним зв'язком.
Передавальна розімкненою САУ функція має вигляд:
.
Передавальна функція замкнутої САУ визначається як
.
Головний визначник Гурвіца має вигляд:
.
Перший визначник Гурвіца . Ця умова виконується для всіх
можливих комбінацій параметрів САУ.
Другий визначник Гурвіца визначається як
.
Розкриваючи визначника отримуємо
.
Вирішуючи це рівняння щодо сумарного коефіцієнта посилення САУ, визначуваного як
,
отримуємо, що

З цього виходить, що сумарний коефіцієнт посилення САУ не може перевищувати деяку величину. Отже, межі зменшення погрішності стабілізації регульованої координати в такій системі обмежені. [2]
Частотний критерій Михайлова
Критерій Михайлова – це частотний критерій, що дозволяє судити про стійкість замкнутої системи по поведінці її характеристичного вектора на комплексній площині. Характеристичний вектор отримують шляхом підстановки у вираз для характеристичного полінома
,
Значення . Тоді характеристичний вектор представляється комплексною величиною, визначуваною як:
,
Де


Якщо задаватися різними значеннями і відкладати значення по горизонтальній, а – по вертикальній осям декартової системи координат, то буде отримана крива, звана годографом характеристичного вектора або годографом Михайлова. Інше формулювання: годографом Михайлова називається безліч крапок, утворених при русі характеристичного вектора САУ при зміні частоти від 0 до .
Тобто для стійкості САУ необхідне виконання умови вигляду:
.
Для виведення цього твердження представимо характеристичний поліном у вигляді
,
де – коріння характеристичного рівняння .
На комплексній площині кожному кореню відповідає певна точка. Підставивши, отримуємо
.
Кожен вектор може бути представлений у вигляді вектора, почало якого лежить в крапці, що визначає корінь а кінець лежить на уявній осі. Отже, можна представити сумарним вектором, рівним твору елементарних векторів. Модуль сумарного вектора буде рівний твору модулів окремих векторів, а фаза – сумі фаз цих векторів. При зміні частоти кінець кожного вектора переміщатиметься уздовж уявної осі. При зміні частоти від до кожен вектор, що становить, почало якого лежить на речовій осі, обернеться на кут, рівний, якщо його початок лежить в лівій на півплощині, і рівний –, якщо його початок лежить в правій на півплощині. Кожна пара комплексно-зв'язаного коріння – відповідно на кут + .
Якщо характеристичне рівняння має m коріння в правій на півплощині,
то в лівій на півплощині число цього коріння буде рівне n-m. При зміні частоти від до сумарний кут повороту вектора характеристичного полінома визначається як
.
Для стійкості САУ необхідне і достатньо, щоб все коріння характеристичного рівняння лежало в лівій на півплощині, тобто щоб . Таким чином, якщо вектор характеристичного полінома замкнутої САУ порядку "n" при зміні частоти від до описує в позитивному напрямі кут n, то така система регулювання буде стійка. Інакше САУ буде нестійка.
Через симетричність кривої, що описується кінцем вектора характеристичного полінома, можна обмежитися розглядом лише її частини, відповідної позитивним значенням частоти. При цьому кут, що описується вектором характеристичного полінома при зміні частоти від 0 до, зменшиться удвічі і визначатиметься як
алгоритм програмний слідкувальний система
.
Формулювання критерію: для стійкості системи необхідно і достатньо, щоб її характеристичний вектор при зміні частоти від 0 до обернувся в позитивному напрямі (проти годинникової стрілки), починаючи з позитивної речової осі на число квадрантів, рівне порядку характеристичного рівняння.
На рисунок 1.3 приведені годографи Михайлова для стійких і нестійких САУ. Зміну коефіцієнта викликає зрушення годографа Михайлова уздовж горизонтальної осі без його деформації. Це дає можливість оцінити граничне значення цього коефіцієнта, при якому зберігаються умови стійкої роботи САУ. [2]
Логарифмічний частотний критерій
Логарифмічний критерій – це частотний критерій, що дозволяє судити про стійкість замкнутої САУ по вигляду логарифмічної характеристики розімкненої системи. Цей критерій заснований на однозначному зв'язку ЛФЧХ і АФЧХ систем автоматичного управління.

Рисунок 1.3 - Годографи Михайлова для стійких і нестійких САУ
При цьому розглядаються САУ, що базуються на використанні стійких розімкнених систем. Крім того, розглядаються системи з астатизмом не вище другого порядку.
Як випливає з критерію стійкості Найквіста в стійких САУ фазове зрушення може досягати значення тільки при модулях комплексної передавальної функції, меншому чим одиниця. Це дозволяє легко визначити стійкість по вигляду ЛАЧХ і ЛФЧХ.
Формулювання критерію: для стійкості системи в замкнутому стані необхідно і достатньо, щоб в діапазоні частот, де ЛАЧХ розімкненої системи більше нуля число переходів фазової характеристики прямої знизу верх перевищувало на число переходів зверху вниз, де а – число коріння характеристичного рівняння розімкненої системи, лежачого в правій на півплощині.
У окремому випадку для стійкої розімкненої системи (а=0) необхідною і достатньою умовою замкнутої системи є необхідність виконання наступної умови. У діапазоні частот, де, фазова частотна характеристика не повинна перетинати прямої, або перетинати її однакове число разів від низу до верху і зверху вниз.

Рисунок 1.4 - ЛФЧХ стійкою і нестійкою САУ
Критичним значенням коефіцієнта перетворення називається таке його значення, при якому АФЧХ проходить через точку (-1, j0) і система знаходиться на межі стійкості.
Запасом по модулю називається величина в децибелах, на яку потрібно змінити коефіцієнт перетворення САУ, щоб привести її до межі стійкості.
,
де — частота, при якій фазова характеристика рівна .
Запасом стійкості по фазі називається кут, на який потрібно повернути амплітудно-фазову характеристику розімкненої системи, щоб замкнута САУ опинилася на межі стійкості.
,
де – значення ФЧХ на частоті зрізу системи, для якої виконується умова . [2]
1.3 Аналіз інформаційних процесів предметної області дослідження
На діаграмах потоків даних (Data Flow Diagram, DFD) відображаються потоки даних, процеси перетворення вхідних потоків на вихідні; сховища
інформації, джерела і споживачі інформації, зовнішні щодо системи. Кожний з процесів може бути поданий діаграмою нижчого рівня. Надалі ці діаграми є підґрунтям для формування структури розроблюваного ПЗ.
Засобом створення і модифікації діаграм зазначених типів є спеціальні графічні редактори (діаграмери), використовувані на етапах аналізу вимог і проектування специфікацій. Функціональні можливості сучасних діаграмерів передбачають:
· створення ієрархічно пов’язаних діаграм, в яких комбінуються графічні та текстові об’єкти;
· створення окремих об’єктів, а також груп об’єктів, і можливості редагування їх (вирівнювання, копіювання, переміщення, масштабування);
· зберігання зв’язків між об’єктами при маніпулюванні ними;
· автоматичний контроль помилок і т. ін.
DFD діаграма відображає джерела та споживачів інформації, вид та напрямок інформації, елементи накопичення та процеси перетворення, при цьому використовують різні засоби відображення елементів. [10]
DFD є основним засобом функціонування, моделювання функціональних вимог проектування системи.
DFD діаграма зображена за тематикою курсової роботи в ДОДАТКУ А, Б .
Система складається з п’ятьох процесів:
Процес 1. Розрахунок характеристик двигуна.
Вхідними параметрами процесу є :
- Номінальна потужність(Рн); - опір ланцюга якоря(R); - напруга(Uн);
- швидкість обертання (nн); - момент інерції(J); - струм якоря(Iн).
Вихідними параметрами процесу є:
- постійна часу двигуна(Тд); - коефіцієнт перетворення ДПС(Кд).
Процес 2. Розрахунок дійсної та уявної частини.
Вхідними параметрами процесу є :
- коефіцієнт підсилення(Кn); - постійна часу електромашинного підсилювача(Темп); - коефіцієнт перетворення електромашинного підсилювача(Кемп); - постійна часу двигуна(Тд); - коефіцієнт перетворення ДПС(Кд).
Вихідними параметрами процесу є:
- дійсна частина; - уявна частина.
Процес 3. Побудова графіка.
Вхідними параметрами процесу є :
- дійсна частина; - уявна частина.
Вихідними параметрами процесу є:
- частота зрізу; - запас стійкості.
Процес 4. Визначення характеристик h(t).
Вхідними параметрами процесу є :
- частота зрізу.
Вихідними параметрами процесу є:
- час установлення; - час регулювання; - час пере регулювання.
Стійкість системи С(р) розраховується за Логарифмічним критерієм.
Процес 5. Оцінка результатів.
Вхідними параметрами процесу є :
- час установлення; - час регулювання; - час перерегулювання; - запас стійкості.
Вихідними параметрами процесу є:
- рішення.
Висновок до першого розділу:
В даному розділі було розглянуто теоретичні засади системного аналізу об‘єктів та процесів комп‘ютеризації, розкриття невизначеності в задачах взаємодії. Створено DFD діаграму для аналізу та моделювання інформаційної системи.
2. МОДЕЛЬ ДОСЛІДЖЕННЯ СТІЙКОСТІ ТА ЯКОСТІ ПЕРЕХІДНИХ ПРОЦЕСІВ СЛІДКУВАЛЬНОЇ СИСТЕМИ
2.1 Технічне завдання
Назва системи – Програмний комплекс дослідження стійкості та якості перехідних процесів слідкувальної системи». І
Призначення системи – система впроваджується в конструкторських організаціях для проектування та дослідження слідкувальної системи. J
Мета. Автоматизувати процес дослідження стійкості та якості перехідних процесів слідкувальної системи. Підвищити ефективність роботи конструкторів.
Вхідні дані. Вхідні дії(одинична, лінійна, випадкова), коефіцієнт підсилення, постійна часу двигуна, постійна часу електромашинного підсилювача, функціональне призначення, структура системи.
Технічні вимоги: апаратне та системне забезпечення: PC 486 та вище, операційна система Windows-98, 2000, NT, ХР, MatLab, програмне середовище C++ Builder.
Функціональні характеристики системи:
Система має розраховувати такі параметри:
- розрахунок перехідних процесів;
- розрахунок показників якості перехідних процесів(tp=f(K), tвст=f(K), σ=f(K), Λσ(ωзр)=f(K));
- аналіз стійкості перехідних процесів за логарифмічним критерієм;
визначення запасу стійкості;
Перелік звітних форм:
- звіт по показникам якості перехідних процесів для слідкувальної системи;
- звіт з даними про стійкість системи.
Система призначена для одноразового використання.
Результат науково-дослідної та дослідно-конструкторської роботи (НДДКР) ‑ розробка всіх видів забезпечення моделі слідкувальної системи.
Перелік науково-технічної документації, що надається після закінчення робіт:
- пояснювальна записка;
- схема функціональної структури;
- опис автоматизованих функцій;
- опис комплексу задач.
- перелік вхідних сигналів і даних;
- перелік вихідних сигналів.
- опис алгоритмів.
- опис технологічного процесу оброблення даних
- інструкції користувача.
2.2 Функціональна схема та математична модель слідкувальної системи
ССП аналогової дії складаються із таких функціонально необхідних елементів: сельсин вимірювальний пристрій, який складається з сельсин-датчика (СД) та сельсин-приймача (СП); вимірювачі кутових швидкостей (тахогенератори); перетворюючі та підсилюючі елементи (фазочутливий випрямляч та електромагнітний підсилювач); виконавчі елементи (електродвигун постійного струму). [3]

Рисунок 2.1 - Функціональна схема ССП з аналоговим управлінням
Після визначення передаточних функцій елементів ССП, складемо структурну схему силового слідку вального приводу.
На схемі(Рисунок 2.1 ) функціонально необхідні елементи описуються такими передаточними функціями:
Kсвп(P) = Kст ,
де Ксвп – коефіцієнт сельсин вимірювального пристрою;
Kфчп(P) = Kфчп ,
де Кфчп – коефіцієнт фазочутливого випрямляча;
Kемп(P) = ,
де Кемп – коефіцієнт електромагнітного підсилювача, Темп – постійна часу електромашинного підсилювача;
Kд(P) = ,
де Кд – коефіцієнт перетворення ДПС, Тд – постійна часу ДПС;
Kред(P) = Kред ,
де Кред – коефіцієнт редуктора;
Kтг(P) = ;

Рисунок 2.2 - Структурна схема ССП
Без урахування тахогенератора ССП описується передаточною функцією розімкненої системи третього порядку
Kp(P)= ,
де Kv = Kст Kфчп Kемп Kд Kред – коефіцієнт перетворення до швидкості.
Для того щоб розрахувати математичну модель ССП нам потрібно знати дані для двигуна, електромашинного підсилювача та коефіцієнт підсилення.
В якості двигуна постійного струму обираємо двигун марки МИ-31та проводимо його розрахунок для визначення необхідних нам параметрів.
Початкові дані:
Pн = 0.2 кВт – номінальна потужність
R = 1.32 Ом – опір ланцюга якоря
Uн = 60 В - напруга
nн = 1000 - швидкість обертання
J = 9.18* кгм* - момент інерції
Iн = 4.4 A – струм якоря
Розрахунок параметрів:
1. Номінальний момент двигуна
Мн = 975* = 975* = 0,195 кг*м
2. Постійна часу двигуна за моментом
Cм = = = 0,0443 кг*м/А
3. Номінальна швидкість двигуна
ωн = = = 105 рад/с
4. Швидкість холостого руху ДПС
ωхр = = = 113 рад/с
5. Постійна двигуна проти-е.р.с.
Се = = = 0,53 В*с/рад
6. Коефіцієнт перетворення ДПС
Kд = = = 1,89 рад/В*с
7. Постійна часу ДПС
Тд = = = 0,05 с
Після проведених розрахунків ми можемо скласти передаточну функцію знаючи, що
Кд = 1,89 рад/В*с – коефіцієнт перетворення ДПС
Тд = 0,05 с – постійна часу ДПС
Кемп = 2 В/мА – коефіцієнт перетворення електромашинного підсилювача
Темп = 0,015 с – постійна часу електромашинного підсилювача
Кп = 20 – коефіцієнт підсилення
Отже передаточна функція ССП (без тахогенератора) буде мати такий вигляд:
Kp(P) = 
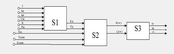
Формалізована модель дослідження стійкості та якості перехідних процесів слідкувальної системи
Формалізація приведення інформації зв’язаної з виділеними властивостями, до вибраної форми.
  внутрішні впливи; зовнішні впливи.
Рисунок 2.3 - Модель підтримки прийняття рішень з оптимального керування процесами системи
Блок S1. Розрахунок характеристик двигуна
Вхідними даними є:
Номінальна потужність; - опір ланцюга якоря; - напруга; - швидкість обертання; - момент інерції; - струм якоря.
Вихідними параметрами є: - коефіцієнт перетворення ДПС; - постійна часу ДПС.
Блок S2. Розрахунок дійсної та уявної частини передаточної функції
Вхідними є: - коефіцієнт перетворення ДПС; - постійна часу ДПС; - коефіцієнт підсилення; - постійна часу електромашинного підсилювача; - коефіцієнт перетворення електромашинного підсилювача.
Вихідними параметрами є: - дійсна частина; - уявна частина.
Блок S3 визначення характеристик
Вхідними є: - дійсна частина; - уявна частина
Вихідними: - час установлення; - час регулювання; - час перерегулювання.
2.3 Розробка алгоритмів визначення стійкості та якості перехідних процесів слідку вальної системи
Алгоритм – система правил виконання обчислювального процесу, що обов'язково приводить до розв'язання певного класу задач після скінченого числа операцій.

Рисунок 2.4 - Алгоритм роботи програми
На основі математичного опису перехідних процесів в промислових верстатах розроблено алгоритм для дослідження перехідних процесів.
1 – блок введення даних;
2 – перевіряється значення коефіцієнта підсилення;
3 – перевіряється значення постійної часу електромашинного підсилювача;
4 – перевіряється значення постійної часу ДПС;
5 – виконується розрахунок ЛАЧХ і ЛФЧХ;
6 – вивід на графік отриманих результатів ;
7 – визначення запасу стійкості;
8 – вивід результату;
Висновки до другого розділу
Даний розділ присвячений розробці формалізованої моделі систем проектування слідкувальних систем , структурної схеми системи управління слідкувадьними системами. За даною моделлю було розраховано передаточне рівняння для дослідження стійкості та якості управління перехідними процесами в слідкувальних системах.
3. ПРОГРАМНЕ ЗАБЕЗПЕЧЕННЯ МОДЕЛІ ДОСЛІДЖЕННЯ СТІЙКОСТІ ТА ЯКОСТІ ПЕРЕХІДНИХ ПРОЦЕСІВ СЛІДКУВАЛЬНОЇ СИСТЕМИ
3.1 Програмний комплекс
За завданням курсового проекту по дослідженню стійкості та якості слідкувальної системи була розроблена програма на мові високого рівня С++ в програмному середовищі C++ Builder 6.
Рисунок 3.1 – Зображення ЛАЧХ і ЛФЧХ
3.2 Перевірка роботи моделі дослідження стійкості та якості перехідних процесів слідкувальної системи в пакеті інженерних розранках Matlab в додатку Simulink і Control System Toolbox
Після отримання результатів на розробленому програмному забезпеченні необхідно зробити перевірку на їх точність, тому далі за допомогою програмного пакету Маtlab було складено схему моделі та проведено дослід (Рисунок.3.2).

Рисунок 3.2 - Електронна модель слідкувальної системи

Рисунок 3.3 – Зображення перехідного процесу при одиничній вхідній дії
За допомогою даного графіка можна сказати, що дана система немає часу пере регулювання.
За допомогою Control System Toolbox ми також можемо отримати ЛАХ та ЛФЧХ. Для цього в командному рядку прописуємо наступні команди:

Та отримуємо наступний графік, який приведений на Рисунку 3.4

Рисунок 3.4 – Зображення графіка ЛАЧХ і ЛФЧХ
За його допомого можна підтвердити результати раніше проведеного дослідження про те, що система стійка.
Висновок до третього розділу
Після побудови структури слідкувальної системи отримані результати, було підтверджено дослідом в програмному середовищі Маtlab а також використано Control System Toolbox і середовище візуального програмування C++ Builder.
Висновки
В курсовій роботі розроблено алгоритм та програму дослідження стійкості та якості перехідних процесів слідкувальної з використання логарифмічного критерію. Обґрунтовано актуальність та необхідність розробки та проведено дослідження якості перехідних процесів та стійкості слідкувальної системи.
Дано характеристику слідкувальної системи, обґрунтовано вимоги до якості і точності управління. Розроблено функціональну, структурну схеми, математичну модель, розраховано параметри системи. На основі цих даних розроблено алгоритм та написано програму для побудови ЛАХ та ЛФЧХ на мові програмування високого рівня C++ в середовищі C++ Builder 6. Виконано дослідження якості перехідних процесів при одиничній вхідній дії і стійкості.
Дослідження показало, що розроблена система ССП, є стійкою. Має достатньо хорошу якість та стійкість управління.
При розробці системи автоматичного управління основною метою було зробити її не тільки працездатною (стійкою), але й такою, щоб виконувала свої функції з високою якістю. При розробці ССП максимально реалізовані можливості системи з метою отримання максимального ефекту від її використання.
СПИСОК ВИКОРИСТАНИХ ДЖЕРЕЛ
1. Згуровський М.З. Основи системного аналізу [текст]/М.З. Згуровський, Панкратова Н.Д. – К.: Видавнича група BHV, 2007.–544с.
2. Іщенко В.І. Теорія автоматичного управління. Частина 2. Аналіз та синтез систем автоматичного управління [текст]/В.І.Іщенко; Житомирський військовий інститут радіоелектроніки – Ж.: ЖВІРЕ, 2002. – 296 с.
3. Іщенко В.І. Теорія автоматичного управління. Частина 1. Елементи та системи автоматичного управління [текст]/ В.І. Іщенко; Житомирський військовий інститут радіоелектроніки – Ж.: ЖВІРЕ, 2006. – 208 с.
4. Іщенко В.І. Теорія автоматичного управління: Довідник. [текст]/В.І.Іщенко, Зімчук І.В.; Житомирський військовий інститут радіоелектроніки – Ж.: ЖВІРЕ, 2004. – 96с.
5. В.І. Іщенко. Курсове проектування| та розробка| кваліфікаційних робіт [текст]/В.І. Іщенко/В.І. Іщенко С.В. Ковбасюк, С.В. Водоп’ян. – Житомир: ЖВІРЕ, 2000. – 72 с.
6. Никулин Е.А. Основы теории автоматического управления. Частотные методы анализа и синтеза систем[текст]/Е.А. Никулин. – СПб.: БХВ – Петербург, 2004. – 640 с.
7. Страшинин Е.Э. Основы теории автоматического управления. Часть 1. Линейные непрерывные системы управления [текст]/E.Э. Страшинин. – Екатеринбург: УГТУ – УПИ, 2000. 214с.
8. Сугоняк І.І. Методичні вказівки щодо виконання та оформлення курсових робіт з дисципліни «теорія систем та системний аналіз» для студентів, які навчаються за напрямом: «Системна інженерія» [текст]/ І.І. Сугоняк, Молодецька К.В.; Житомирський військовий інститут національного авіаційного університету – Ж.: ЖВІНАУ, 2009. – 44 с.
9. Теоретические основы системного анализа [текст]/ В.И. Новосельцев, Тарасов Б.В., Голиков В.К., Бемин Б.Е ; ред. В.И. Новосельцев; – М.: МАЙОР, 2006. – 592 с.
10. Іщенко В. І. Теорія вибору і ухвалення |прийняття, приймання| рішень |розв'язань, вирішень, розв'язувань|: Навчальний посібник. [текст]/В.І. Іщенко, Бобунов А. І.; М.: Наука. Головна редакція фізико – математичної літератури, 1982.–28с.
11. Востриков А.С. Теория автоматического регулирования [текст]/А. С. Востриков, Французова Г.А. М.: Высшая школа, 2004.– 365 с.
12. Шароватов В.Т. Обеспечение стабильности показателей качества автоматических систем [текст]/В.Т.Шароватов. – Л.:Энергоиздат, 1987.–176 с
13. Кустовська О. В. Методологія системного підходу та наукових досліджень[текст]/О. В. Кустовська; – Т: Економічна думка, 2005.– 124 с.
14. Юревич Е.И. Теория автоматического управления [текст]/Е.И.Юревич. – СПб.: БХВ – Петербург, 2007. 560 с.
15. Е.И. Юркевич. Основы робототехники: Учебник для вузов.[текст]/Е.И. Юркевич. – Л.:Машиностроение, Ленингр. отдиление, 2003. – 346 с.
16. Маклов С.В. Создание информационных систем с AllFusion Modeling Suite[текст]/С.В. Маклов; – М.: Диалог–Мифи, 2003. – 432 с.
17. Т.А. Павловская. Програмирование на языке высокого уровня. Учебник для вузов / Павловская Т.А. СПб.: Питер, 2007. – 432с.
18. А.А. Павлов. Основы системного аназиза и проектирования АСУ: Уебное пособие [текст]/А.А. Павлов, С.Н. Гриша, В.Н. Томашевський и др. – К. Выща школа; 1991 – 367с.
19. М. Месарович. Теория иерархических многоуровневых систем: /М. Месарович /М. Месарович, Д. Мако, И.Такахара – М. Мир, 1973 – 173с.
20. Ю. П. Сурмин. Теория систем и системный анализ: учеб. пособие. / Ю. П. Сурмин К.:МАУП, 2003. — 368 с.
21. О.М. Горбань. Oснови теорії систем і системного аналізу: Навчальний посібник./ Горбань О.М., Бахрушин В.Є. Запоріжжя: ГУ “ЗІДМУ”, 2004. – 204 с.
22. В.Н. Спицнадель. Основы системного анализа: Учеб. пособие. / Спицнадель В. Н. СПб.: «Изд. дом «Бизнесс – пресса», 2000 г. — 326 с.
23. А.В. Постолит Visual Studio .NET: разработка приложений баз данных. / Постолит А. В. СПб.: БХВ – Петербург, 2003. — 544 с.
24. Т. Коннолли. Базы данных. Проектирование, реализация и сопровождение. Теория и практика. 3 – е издание. /Т. Коннолли, К. Бегг : Пер. с англ. — М. : Издательский дом "Вильяме", 2003. — 1440 с.
25. Бесекерский В.А. Теория систем автоматического регулирования [текст]/В.А. Бесекерский, Попов Е.П. –М.: Наука, 1982. –304 с.: ил.
ДОДАТОК
Лістинг програми
void __fastcall TForm1::Button1Click(TObject *Sender)
{
double kv,td,tk,te;
try
{
kv = Edit1->Text.ToDouble();
if (kv<0)
{
throw Exception("Неверный формат данных");
}
}
catch(...)
{ MessageBox(Form1->Handle, "Неверный формат данных. Проверте данные.","Ошибка данных",
MB_ICONWARNING);
return;
}
//------------------------
try
{
td = Edit2->Text.ToDouble();
if (td<0)
{
throw Exception("Неверный формат данных");
}
}
catch(...)
{ MessageBox(Form1->Handle, "Неверный формат данных. Проверте данные.","Ошибка данных",
MB_ICONWARNING);
return;
}
//--------------------
try
{
tk = Edit2->Text.ToDouble();
if (tk<0)
{
throw Exception("Неверный формат данных");
}
}
catch(...)
{ MessageBox(Form1->Handle, "Неверный формат данных. Проверте данные.","Ошибка данных",
MB_ICONWARNING);
return;
}
//---------------------
try
{
te = Edit2->Text.ToDouble();
if (te<0)
{
throw Exception("Неверный формат данных");
}
}
catch(...)
{ MessageBox(Form1->Handle, "Неверный формат данных. Проверте данные.","Ошибка данных",
MB_ICONWARNING);
return;
}
//------------------
Series1->Clear();
Series2->Clear();
double v, f, fg,pr;
for (int i=1; i<150; i++)
{
v=20*log10(kv/i)-20*log10(sqrt(1+td*td*i*i))-20*log10(sqrt(1+te*te*i*i));
if (v>-2)
{ if(v<2)
{
pr=180-abs(fg);
if (pr>10)
{ Form1->Edit3->Text="Система не стійка";
}
if (pr<10)
{
Form1->Edit3->Text="Система не стійка";
}
if (pr>=10)
{
if (pr<=30)
{
Form1->Edit3->Text=pr;
}
}
Form1->Edit5->Text=fg;
}
}
f=-(3.14/2)-atan(i*td)-atan(i*te);
fg=57.3*f;
Series1->AddXY(i,v,"",clRed);
Series2->AddXY(i,fg,"",clBlue);
}
}
|