ЗМІСТ
Вступ
1. Аналіз покращення паливно-економічних й екологічних показників автотранспортних засобів
1.1 Проблеми екології й паливної економічності автотранспорту
1.2 Перспективні шляхи покращення паливної економічності й екологічних показників автомобілів
1.2.1 Послідовна схема
1.2.2 Паралельна схема
1.3 Висновки, постановка мети і задач роботи
2. Опис дослідної комбінованої енергетичної установки
2.1 Короткий опис і характеристика основних складових автомобіля з КЕУ
2.1.1 Двигун внутрішнього згоряння
2.1.2 Механізм розподілу потужності
2.1.3 Генератор
2.1.4 Електродвигун
2.1.5 Інвертор
2.1.6 Батарея
3. Дослідження механічних, електричних і експлуатаційних характеристик комбінованої енергетичної установки
3.1 Дослідження робочих характеристик транспортного засобу
3.1.1 Дослідження робочих характеристик
3.1.2 Дослідження, що характеризують роботу підвищувального конвертера транспортного засобу
3.1.3 Ділянки їздового циклу, що характеризують роботу конвертера
3.2 Робочі характеристики підсистем і дослідження їх ефективності
3.2.1 Дослідження електродвигуна, при блокуванні ротора
3.2.2 Вимірювання зворотної ЕРС
3.2.2.1 Випробування електродвигуна
3.2.2.2 Випробування генератора
3.2.3 Вимірювання втрат потужності в гібридній системі приводу
3.3 Випробування системи гібридного приводу за ефективністю основних елементів
3.3.1 Опис лабораторного обладнання
3.3.2 Загальний план випробувань і перевірки результатів
3.3.3 Випробування системи електродвигун-інвертор і карти їх ефективності
3.3.4 Випробування підвищувального конвертера і карти його ефективності
4. Дослідження характеристик комбінованої енергетичної установки
4.1 Місця розташування термопар
4.2 Опис лабораторної установки
4.3 Опис джерела для живлення навантажувального електродвигуна
4.4 Теплові дослідження КЕУ
5. Основні результати і висновки
5.1 Отримані результати і спостереження
5.2 Висновки щодо важливості дослідження
Список використаних джерел
Додатки
ВСТУП
Вичерпання природних енергетичних ресурсів і глобальне забруднення навколишнього середовища шкідливими промисловими відходами, у великій мірі пов'язане з постійним ростом світового автомобільного парку, робить актуальною проблему створення екологічно безпечних з мінімальною витратою енергії автотранспортних засобів. Запаси нафти, по оцінках американських фахівців, можуть бути вичерпані вже до 2020 року. Це підтверджується стабільним ростом цін на нафту й все більше прагнення заміни її на газоподібні й інші альтернативні джерела енергії.
Основна частка світового автомобільного парку концентрується у великих містах і промислових мегаполісах, що веде до екологічної напруженості й , як наслідок, до екологічних катаклізмів, наприклад, у вигляді фотохімічного «смогу». Двигуни внутрішнього згоряння традиційних транспортних засобів практично 90% часу експлуатуються на несталих режимах роботи, крім цього, рух автотранспорту в міських зонах з обмеженими пропускними можливостями спричиняє використання тільки незначної частини потенційної потужності двигунів. Сучасні автотранспортні засоби використовують потужність, що складає близько 30‑ 50% від номінальної. При гальмуванні втрачається від 15 до 60% кінетичної енергії, переданої автомобілю двигуном. Якщо цю енергію акумулювати й потім використати в режимах руху з перевантаженням, то можна заощадити до 30% палива. Перераховані фактори є визначальними в зниженні ефективності роботи традиційних енергетичних установок автотранспортних засобів з погляду витрати палива й викидів шкідливих речовин.
Тому необхідність у створенні автотранспортних засобів, що використають альтернативні енергоустановки, стає усе більше актуальною.
Найбільш перспективними, безсумнівно, є енергоустановки, що використовують у якості палива водень, запаси якого в природі невичерпні й при його згорянні не утворюють шкідливі викиди. Однак тільки до 2020-2025 років буде реально створена інфраструктура одержання, зберігання, транспортування й заправлення воднем масового автотранспорту. У зв'язку із цим провідні виробники автотранспортних засобів прийняли концепцію створення екологічно чистого автомобіля у дві стадії. На першій стадії передбачається створення автотранспортних засобів (АТЗ) з комбінованою енергетичною установкою (КЕУ), що включає двигун внутрішнього згоряння, з перспективою переходу його живлення на водень або синтез-газ, і на другій стадії АТЗ із електрохімічним генератором (ЕХГ) на базі паливних елементів «водень-повітря».
Комбінована енергетична установка здатна забезпечити роботу ДВЗ на режимах його найбільшої ефективності. У цей час у ряді країн ведуться роботи зі створення транспортних засобів, що використовують КЕУ, до складу яких входять ДВЗ і буферний накопичувач енергії. Застосування буферного накопичувача енергії дозволяє забезпечити роботу ДВЗ у незалежності від режиму руху автомобіля й тим самим забезпечити роботу ДВЗ на його самих сприятливих режимах. Даний напрямок одержав останнім часом досить бурхливий розвиток і поступово завойовує автомобільний ринок.
Проте при значному ступені вивченості такого типу енергоустановок, у цей час ще далеко не розкриті всі потенційні можливості таких схем. Ключовою ланкою в роботі з досягнення максимальної ефективності комбінованої енергоустановки є алгоритми керування вузлами й агрегатами КЕУ, зокрема алгоритм керування ДВЗ, організація його роботи в складі КЕУ й визначення необхідних технічних вимог до ДВЗ. Ці питання на сьогоднішній день є актуальними й до кінця не вирішеними.
1. АНАЛІЗ ПОКРАЩЕННЯ ПАЛИВНО-ЕКОНОМІЧНИХ Й ЕКОЛОГІЧНИХ ПОКАЗНИКІВ АВТОТРАНСПОРТНИХ ЗАСОБІВ
1.1 Проблеми екології й паливної економічності автотранспорту
Автомобільний транспорт у Україні й за кордоном є основним забруднювачем навколишнього середовища. Вплив автотранспорту на навколишнє середовище багатосторонній, він містить у собі енергетичні забруднення, такі як шум, вібрація, електромагнітні випромінювання, й матеріальні (газоподібні, рідкі й тверді).
Викинуті в атмосферу гази, що містять шкідливі речовини, роблять згубний вплив не тільки на природу, але й на здоров'я людей. Компоненти, що входять до складу відпрацьованих газів автомобілів, викликають зниження процесу утворення гемоглобіну в крові й постачання організму киснем, викликають роздратування органів дихання, сприяють зміні нервової системи.
Середня тривалість життя українців — всьго лише 67 років (для порівняння: французи живуть у середньому 79,2 роки, а японці — 80,9 років). Ця невтішна для нас статистика пояснюється тим, що повітря, яким ми дихаємо, дуже забруднене. Причому близько половини отруйних речовин потрапляє в атмосферу з випускних труб автомобілів.
У разі повного згоряння вуглеводнів кінцевими продуктами є вуглекислий газ (СО2
) і водна пара. Однак у будь-якому вуглеводневому паливі міститься безліч домішок, що аж ніяк не покращують властивості відпрацьованих газів. Усього до складу викидів газів автомобілів входить більш ніж 200 різних хімічних речовин. Повного їхнього згорання досягти технічно неможливо.
Особливостями роботи автомобільних двигунів є перемінні навантаження, тобто періодичні зміни режиму роботи: марний хід, розгін, помірний рух і гальмування. Найвища концентрація оксиду вуглецю (СО) у відпрацьованих газах спостерігається під час роботи двигуна на марному ході і в разі підвищених навантажень. Коли двигун працює на марному ході, вміст оксиду вуглецю у випускних газах може вдвічі перевищувати показник ніж при сталому режимі. Але, разом з тим, коли автомобіль пришвидшується і рухається зі сталою швидкістю, у відпрацьованих газах відзначаються найбільші концентрації оксидів азоту. Склад викидів дизельних двигунів відрізняється від бензинових. У дизельному відбувається повніше згоряння палива. При цьому утворюється менше оксиду вуглецю і незгорілих вуглеводнів. Але, разом з цим, за рахунок надлишку повітря, в дизелі утворюється більша кількість оксидів азоту. Крім того, дизельні двигуни характеризуються ще й підвищеною димністю. Важливою особливістю викидів дизельних автомобілів є вміст канцерогенних поліциклічних ароматичних вуглеводнів, серед яких найбільш шкідливим є бензапірен. Останній, так само як і свинець, належить до забруднюючих речовин першого класу небезпеки. Під час згоряння 1 кг бензину може виділятися більш 500 м3
забруднюючих речовин, і близько 50 м3
- при згорянні 1 кг дизельного палива.
До найбільш небезпечних забруднювачів повітряного басейну міста належать важкі метали, бо вони здатні непомітно накопичуватися в організмі людини. До складу відпрацьованих газів двигунів внутрішнього згоряння входять сотні шкідливих компонентів. Всі шкідливі речовини, що викидаються двигуном, можна розділити по впливові на навколишнє середовище на три групи: нейтральні, неотруйні і отруйні. До нейтральних, які не порушують фізичних властивостей атмосфери, можна віднести азот, тому що в процесі виконання робочого циклу кількість азоту, що відбирається з атмосфери й повертається в неї, практично не змінюється. Відпрацьовані гази містять, крім того, незначну кількість водню, а також кисень, який по тих або інших причинах не брав участь у реакції.
До неотруйних компонентів відпрацьованих газів відносять компоненти, що роблять непрямий негативний вплив на властивості атмосфери. Ці компоненти є причиною екологічних катастроф, таких як утворення фотохімічного "смогу", "парникового ефекту", "озонових дір". До них можна віднести двоокис вуглецю, кисневмісні вуглеводні, метан.
До отруйних речовин відносять оксид вуглецю, оксиди азоту, вуглеводні, у тому числі ароматичного ряду, різного типу кислоти, сполуки свинцю, сірки й дисперсні частки. Ці речовини роблять прямий негативний вплив на організм людини й навколишнє середовище. Найнебезпечніші поліциклічні ароматичні вуглеводні, що володіють канцерогенною активністю.
Збільшення парку автомобілів приводить до росту споживання палив нафтового походження, що приводить до вичерпання невідновних запасів вуглеводневої сировини. Подальше вдосконалювання традиційних схем автотранспортних засобів (далі АТЗ) на основі двигунів внутрішнього згоряння, що працюють на вуглеводневих паливах, уже не може забезпечити перспективні нормативні екологічні вимоги, що практично виключають викид шкідливих речовин енергетичною установкою транспортного засобу, а також значне скорочення витрати палива. Необхідні нові рішення й конструкції, які дозволять забезпечити необхідну чистоту й паливну економічність.
1.2 Перспективні шляхи покращення паливної економічності й екологічних показників автомобілів
Найбільш перспективним напрямком визнане використання, як енергоустановки, паливних елементів, а як паливо – водень. Водень має надзвичайно високу енергоємність (майже в три рази більше, ніж у традиційних нафтових палив), унікальні кінетичні характеристики. Крім цього, продукти згоряння водню не містять шкідливих компонентів. Існує кілька варіантів використання водню на борті автомобіля. У першу чергу слід зазначити можливість якісного регулювання паливоповітряної суміші в дуже широких межах (аж до значень коефіцієнта надлишку повітря 3...4), що відкриває перспективи істотного покращення економічності двигуна. Використання водню як добавки до традиційного нафтового палива також може бути розглянутим. І, нарешті, використання водню як сировини для електрохімічного перетворення енергії в паливному елементі, може забезпечити самі строгі перспективні норми по викиду шкідливих речовин.
Основними проблемами для застосування альтернативних - високоекологічних водневовмісних видів палива для транспорту є:
- велика маса й габарити агрегатів для зберігання палива (таблиця 1.1) або для його одержання на борті автомобіля;
- великі труднощі з організацією паливопостачання енергетичної установки у зв'язку з інерційністю агрегатів одержання водню на борті автомобіля на різкоперемінних режимах роботи, характерних для автомобіля.
Слід зазначити, що основною проблемою, що виникає при одержанні водню на борті автомобіля, є проблема високих динамічних якостей системи одержання водню. Специфіка умов роботи силової установки автомобіля складається в необхідності забезпечення дуже швидкого збільшення або зменшення продуктивності джерела водню. Повільне наростання продуктивності, внаслідок теплової інерції системи одержання водню, погіршить керованість автомобіля і його динамічні якості, а повільне зменшення продуктивності спричиняє складні проблеми утилізації надлишкового водню.
Проблема динаміки може бути вирішена шляхом створення буферного накопичувача водню й організації стаціонарного (або повільно мінливого) режиму роботи джерела водню. Застосування на борті автомобіля систем із пристроями нагромадження водню або водневого синтез-газу є вкрай небажаним, через складність зберігання й великої вибухо- й пожежонебезпеки водню.
Таблиця. 1.1
– Порівняльні характеристики способів зберігання водню
| Параметри |
Бензин |
Водень |
| Балони високого тиску |
| Метал-гідридні |
Кріогенний бак |
Стальні |
Композит |
| Об’єм паливного баку, л |
55 |
2×54 |
3×33 |
2×54 |
100 |
| Тиск, МПа |
0,1 |
20 |
20 |
20 |
0,1(-253 0
С) |
| Маса бака без палива, кг |
7,5 |
125 |
72 |
60 |
95 |
| Маса палива, кг |
40,5 |
2 |
1,8 |
2 |
7 |
| Пробіг,км |
465 |
65 |
60 |
65 |
220 |
Застосування буферних накопичувачів, але не водню, а електроенергії знімає ці проблеми. Транспортні засоби, обладнані енергоустановками із двома джерелами енергії, один із яких ДВЗ або електрохімічний генератор на основі паливних елементів, а другий буферний накопичувач електроенергії, відповідно до нових виправлень до Правил №83 ЄЕК ООН, зветься "Hybrid Electric Vehicle" (HEV) – АТЗ із КЕУ.
Шляхом комбінування енергопотоками двох джерел енергії можна забезпечити зниження витрати палива й викидів шкідливих речовин основного джерела енергії – ДВЗ, що використовує, як традиційне, так і водневе паливо. У випадку застосування замість ДВЗ – електрохімічного генератора в комбінованих енергетичних установках, може бути вирішене ще одне питання – це зменшення вартості енергоустановки за рахунок зменшення потужності електрохімічного генератора, що є найдорожчим, на даний момент часу компонентом.
При розгляді автомобілів з КЕУ необхідно мати на увазі не тільки велику різноманітність можливих сполучень різних типів двигунів і джерел енергії з різними видами електрохімічних акумуляторів, але й різноманітну структурну побудову комбінованого живлення із одних і тих же елементів.
Розглянемо кілька варіантів комбінованих енергетичних установок на основі застосування ДВЗ. Оскільки в цьому випадку є два джерела механічної енергії (сам ДВЗ й електродвигун), розглядаються дві схеми енергопотоків: послідовна й паралельна. У послідовній схемі відбувається послідовне перетворення механічної енергії в електричну, а електричної знову в механічну. У паралельній схемі, тільки частина механічної енергії перетворюється в електричну, а інша частина механічної енергії передається безпосередньо на колеса.
1.2.1 Послідовна схема
Варіанти послідовної схеми наведені на рисунку 1.1. Застосування послідовної схеми комбінованої енергетичної установки дозволяє забезпечити роботу теплового двигуна на тому режимі, що має мінімальні значення витрати палива й викидів шкідливих речовин, причому в ідеальному випадку, можна здійснити повністю стаціонарний режим роботи двигуна. Тяговий електропривід у даній схемі повинен забезпечувати весь діапазон зміни потужності, необхідної для даних умов руху.
У послідовній схемі кінематичні зв'язки між ДВЗ і ведучими колесами принципово виключаються. Оскільки при цьому ДВЗ не може передавати момент до ведучих коліс, то, мабуть, потужність, передана в буферний накопичувач, повинна бути не менше, ніж середня потужність, необхідна для руху АТЗ, а потужність й електромагнітний момент тягового електропривода повинні дорівнювати максимальній потужності й максимальному моменту рушіїв.
Число провідних осей може бути різним (для звичайних АТЗ це відповідає колісній формулі 4x2 або 4x4), як і навантаження на осі. Для деяких АТЗ (тягачі, магістральні автопоїзди й ін.) перспективні багатовісні схеми з набагато більшим (п'ять і більше) числом осей, причому всі колеса можуть бути ведучими. У таких умовах установка механічних передач між ДВЗ і ведучими колесами затруднена; індивідуальний електропривід спрощує проблему. Можливе використання і в гібридних гусеничних АТЗ.

Рисунок 1.1
– Послідовна кінематична схема автомобіля з КЕУ: 1 – ДВЗ; 2 – мотор-генератор; 3 – тяговий електродвигун; 4 – акумуляторна батарея; 5 – система регулювання; 6 – карданна передача.
Виключення із привода КП, зчеплення й карданного вала дозволяє істотно знизити обертові маси й загальну масу силового устаткування. Зниження моменту інерції впливає на процес нерівномірно-поступального руху машини. Значний вплив на момент інерції обертових мас робить передавальне число передачі. Оскільки коефіцієнт врахування обертових мас пов'язаний з передаточним числом КП квадратичною залежністю, то зі зменшенням передаточного числа істотно знижуються умовна маса машини й необхідна для розгону потужність. Конструкторів приваблює можливість більш вільного компонування: не пов'язані з колесами ДВЗ і мотор-генератор можуть розміщатися там, де це найбільше зручно.
Відсутність кінематичного зв'язку ДВЗ із ведучими колесами дозволяє по-новому підійти до проектування ДВЗ і мотор-генератора. У зв'язку із цим відзначимо можливість створення вільнопоршневих (без колінчатого вала й кривошипно-шатунного механізму) ДВЗ і мотор-генераторів з лінійним переміщенням ротора.
Послідовна кінематична схема гібридних машин дозволяє застосовувати нові конструкторські рішення, нові компонування. Послідовна схема дає можливість виключити диференціал, що затрудняє побудову якісної системи керування рухом й погіршує керованість й прохідність АТЗ. Відзначимо, що така схема застосовується в конструкції важких АТЗ (наприклад, у кар'єрних самоскидах надвеликої вантажопідйомності). З'являється можливість виключення механічних редукторів, що зв'язують як ДВЗ із мотор-генератором, так і тяговий електропривід з ведучими колесами ("прямий" привід генератора й ведучих коліс). У гібридному АТЗ із мотор-колесами загальне зниження маси за рахунок виключення механічних вузлів, навіть із обліком додатково встановлюваних мотор-генератора й буферного накопичувача, може бути значним. Воно приводить до зменшення необхідної потужності ДВЗ і до додаткової економії палива. Економія, що досягається при цьому, може перекривати втрати, пов'язані з подвійним перетворенням енергії.
1.2.2 Паралельна схема
У паралельній схемі як електропривід може використовуватися мотор-генератор, з'єднаний з колінчатим валом ДВЗ, що дозволяє вимикати ДВЗ при нетривалій зупинці АТЗ і наступному пуску ДВЗ по команді водія почати рух (рисунок 1.2, а).
Мотор-генератор доцільно використовувати не тільки для швидкого пуску ДВЗ, але й для створення електротяги при рушанні АТЗ із місця. Причина цього очевидна: ДВЗ має високу паливну ефективність і малий рівень викидів в обмеженому діапазоні частот обертання, тому доцільно відбирати від нього потужність тільки після того, як машина вже набере деяку мінімальну швидкість. Мотор-генератор дозволяє "згладжувати" пульсації моменту, що розвиває ДВЗ (що сприятливо позначається на зниженні вібрацій), і збільшувати ресурс вузлів трансмісії. Одночасно може бути вирішена проблема дефіциту потужності бортової електромережі, характерна для сучасних АТЗ.
Кращі результати й більшу гнучкість керування дає схема з додатковими (крім мотор-генератора) тяговим електродвигуном з інвертором, редуктором і механічною муфтою (з електронним керуванням), що дозволяє реалізувати той або інший вид підведення моменту до ведучих коліс. Паралельна схема такого гібридного АТЗ наведена на рисунку 1.2, б.

Рисунок 1.2
– Паралельна кінематична схема автомобіля з КЕУ: 1 – ДВЗ; 2– мотор-генератор; 3 – тяговий електродвигун; 4 – акумуляторна батарея; 5 – система регулювання; 6 – карданна передача; 7 – планетарний механізм розподілу потоку потужності; 8 – диференціал.
Інший варіант паралельної схеми (рисунок 1.2, б) полягає у використанні механічного (від ДВЗ) і електромеханічного (від мотор-генератора, акумулятора через інвертор і тяговий електродвигун) каналів підведення моменту до різних ведучих коліс. Застосовуються й змішані кінематичні схеми (рисунок 1.2, в), у яких ДВЗ і мотор-генератор "працюють" на планетарну передачу (система СПЛІТ). У змішаній схемі потік потужності від двигунів до ведучих коліс розділяється: вал ДВЗ і вал електродвигуна – генератора з'єднані з роздільними входами планетарного редуктора (таку схему іноді називають "двопотоковою"). Крім того, вихідний вал планетарного редуктора з'єднаний з валом тягового електродвигуна. Така схема при відносно невеликих потужностях генератора й тягового електродвигуна дозволяє ефективно управляти потоками потужності й стабілізувати режим роботи ДВЗ. Саме за змішаною схемою виконана більшість тягово-силових установок сучасних комерційних легкових гібридних автомобілів.
У паралельній схемі крім використання електротяги на початковому етапі розгону можлива рекуперація кінетичної енергії АТЗ, при його гальмуванні з наступним використанням повернутої в акумулятор енергії; при пуску ДВЗ і при розгоні. Це дозволяє додатково заощаджувати паливо.
Раціональне співвідношення потужностей джерел енергії в паралельній кінематичній схемі (потужності ДВЗ й електродвигуна), а також енергоємності накопичувача залежать від того, у яких режимах буде експлуатуватися АТЗ. У випадку застосування його тільки для руху по швидкісній дорозі, де відносний час разгонів, гальмувань і зупинок незначний, наведені вище обґрунтування користі комбінації тяги ДВЗ й електропривода були б неважливі. Внаслідок більшого ККД механічної передачі й більших втрат енергії при її подвійному перетворенні (механічної енергії ДВЗ в електричну за допомогою мотор-генератора й електричної енергії в механічну за допомогою тягового привода) доцільно було б використати тільки ДВЗ і кінематичну схему традиційного АТЗ. Однак у реальних умовах руху завжди мають місце підйоми й спуски, повороти з гальмуванням, змінюється швидкість і напрямок вітрового навантаження, виникає необхідність обгону і т.д. Опір руху змінюється, що викликає необхідність змінювати режим роботи трансмісії й ДВЗ. Це супроводжується підвищеною витратою палива (за деякими оцінками до 30 %).
Для міських циклів руху нормовані величини пришвидшень, швидкостей, часу руху, пробігів і середня частота зупинок. Знаючи конкретні параметри застосовуваних машин, можна визначити оптимальне по витраті палива співвідношення потужностей ДВЗ й електропривода, а також оптимальні циклограми їхнього залучення в типовому режимі руху. Середня потужність у циклі міського руху істотно, в 3-5 разів, менша необхідної, для забезпечення динаміки розгонів, максимальної потужності. Це демонструє наявні резерви зниження потужності ДВЗ.
Із сказаного випливає, що найбільший ефект досягається при використанні АТЗ у міських умовах. При цьому види АТЗ досить різноманітні: легкові автомобілі, таксі й маршрутні автобуси, вантажні розвізні автомобілі й ін. По наявним експериментальним даним витрата палива в міському русі гібридними АТЗ знижується на 25-30 %, а в окремих випадках – до двох разів.
1.3 Висновки, постановка мети і задач роботи
Із сказаного вище випливає необхідність створення автомобілів, які б за параметрами екологічної безпеки і паливної економічності при порівняно невисокій вартості могли б створити гідну конкуренцію автомобілям з традиційними двигунами. Вирішенням цієї проблеми може бути створення автомобіля з комбінованою енергетичною установкою, де поряд із традиційним двигуном використовується електродвигун. Це дозволяє вирішити ряд проблем:
- зниження витрати палива;
- зниження викиду шкідливих речовин з відпрацьованими газами. Причому з’являється можливість руху тільки за рахунок електродвигуна у місцях, де це необхідно, що виключає можливість шкідливих викидів;
- зниження шумів, що виробляються автомобілем;
- використання енергії автомобіля при гальмуванні і русі накатом;
- відмова від деяких традиційних вузлів (зчеплення, стартер, коробка передач).
На сьогоднішній час створено багато автомобілів з комбінованими енергетичними установками, проте ще далеко не всі потенційні можливості таких схем розкриті. Для досягнення максимальної ефективності комбінованої енергоустановки необхідно розробити оптимальні алгоритми керування вузлами і агрегатами автомобіля і, що є найскладнішим, створити електронні системи керування, які б працювали на цих алгоритмах. Ці питання на сьогоднішній день є актуальними й до кінця не вирішеними.
Тому метою роботи є проведення ряду досліджень комбінованої енергоустановки. Для дослідження використано вже існуючу комбіновану енергетичну установку, яка використовується на автомобілі Тойота Пріус, визнаного «найчистішим» автомобілем 2007 р.
Серед задач, які необхідно вирішити при дослідженні, слід виділити такі:
- визначити алгоритм роботи електронного пристрою, який керує системою комбінованого приводу, і параметри, відносно яких здійснюється керування;
- визначити ефективність роботи системи електродвигун-інвертор і додаткових систем, що беруть участь у керуванні системою комбінованого приводу;
- дослідити пускові і робочі характеристики електродвигуна і генератора;
- визначити втрати потужності, присутні в системі приводу і дослідити залежність їх зміни від температури мастильних і охолоджувальних рідин;
- визначити параметри системи охолодження, яка запобігає перегріванню електропривода; температуру в різних точках системи.
Після вирішення цих задач можна обґрунтовано стверджувати про ефективність чи неефективність системи з комбінованою енергетичною установкою і окремих її складових.
2. Опис Дослідної комбінованої енергетичної установки
Дослідження комбінованої енергетичної установки проведено на прикладі автомобіля Тойота Пріус. Пріус – автомобіль нового покоління, який був введений в продаж 2003 року фірмою Тойота. Як гібридний транспортний засіб, Пріус використовує два джерела енергії – бензиновий двигун потужністю 57 кВт і електродвигун, що має живлення від батарей, здатний розвивати максимальну потужність 50 кВт. Об’єднання цих двох незалежних джерел дає підвищення паливної економічності і зменшення шкідливих викидів в порівнянні з традиційними автомобілями. Це досягається наступними енергозберігаючими властивостями Пріус:
- зменшення втрат енергії досягається за рахунок вимикання ДВЗ, що працює в марному режимі;
- використання кінетичної енергії при сповільненні і гальмуванні автомобіля, яка зазвичай втрачається, перетворюючись у теплову. Генератор і електродвигун в цей час перетворюють механічну енергію в електричну, яка потім використовується;
- система електроприводу керується так, що при максимальних швидкостях використовуються найефективніші режими роботи ДВЗ;
- додаткова потужність від електродвигуна використовується в процесі пришвидшення, коли ефективність ДВЗ низька;
- оптимальна ефективність транспортного засобу досягається за рахунок використання електродвигуна, який керує транспортним засобом коли ефективність ДВЗ низька і виробляє електричну енергію (генераторний режим), коли ефективність ДВЗ висока.
Система приводу автомобіля Пріус – це трансмісія, що складається з електродвигуна, генератора і батареї. Основні складові Пріус зображені на рисунку 2.1. На цьому рисунку зображено механічну складову, яка називається механізмом автоматичного розподілу потужності (планетарна передача), що розділяє потужність ДВЗ на два потоки. В механічному потоці потужність ДВЗ передається на колеса транспортного засобу безпосередньо через механічну передачу. В електричному потоці, генератор перетворює механічну енергію ДВЗ в електричну. Електрична енергія прямує до електродвигуна чи для зарядки батареї, або те й інше разом. При такому використанні енергії немає необхідності в використанні зовнішнього джерела для зарядки батареї. Механізм розподілу потужності дозволяє ДВЗ функціонувати в околі його найефективніших режимів, незалежно від швидкості транспортного засобу, віддаючи потужність для обертання коліс і одночасно обертаючи ротор генератора. Фотографію гібридної системи приводу автомобіля Пріус показано на рисунку 2.2.

Рисунок 2.1
– Основні складові частини Пріус
При русі Пріус здатний функціонувати в наступних режимах:
- коли ефективність ДВЗ низька, при пуску і малих швидкостях, потужність підводиться від електродвигуна, що використовує енергію збережену в батареї;
- при нормальних умовах руху, ефективність двигуна оптимальна, через механізм розподілу потужності частина енергії йде для обертання коліс, а частина на генератор для заряджання акумуляторної батареї;
- при пришвидшенні, коли необхідна додаткова потужність, використовується електродвигун, що живиться енергією від батареї і генератора;
- при сповільненні і гальмуванні, електродвигун працює як генератор, що дозволяє перетворювати кінетичну енергію автомобіля в електричну енергію, яка зберігається в батареї;
- коли необхідно, генератор підзаряджає батарею для підтримання достатніх запасів енергії;
- час від часу, коли транспортний засіб не рухається і коли ДВЗ працює на неоптимальних режимах навантаження при малій швидкості, ДВЗ автоматично вимикається.
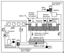
Підтримання робочої температури різноманітних компонентів системи в допустимих межах досягається використанням системи охолодження з двома окремими етиленовими гліколями. Розміщення системи охолодження зображено на рисунку 2.3.

Рисунок 2.2
– ДВЗ і гібридний привід Пріус
Система охолодження ДВЗ подібна системі охолодження в традиційному автомобілі. Її мета – поширювати охолоджувальну рідину через двигун, щоб видалити надлишкову теплову енергію, утворену при згорянні палива в ДВЗ. Насос змушує рідину рухатись від двигуна до радіатора, де непотрібна висока температура розсіюється. Щоб перешкоджати витіканню рідини, вона рухається по замкнутому контуру, який загерметизований автоматичним клапаном тиску (кришка радіатора). Завдяки клапану створюється тиск трохи вищий за атмосферний, що, таким чином, запобігає кипінню рідини навіть при температурі вищій точки кипіння. Для забезпечення змін в об’ємі, викликаних підвищенням температури і коливаннями тиску, в системі передбачається додатковий резервуар. Передбачено також використання резервуару для зберігання гарячої рідини, яка використовується при повторному пуску двигуна. При цьому зменшується викид випускних газів, порівняно з холодним пуском.
Система охолодження гібридного електроприводу є відокремленою від системи охолодження ДВЗ, так як ці дві системи працюють в різних температурних режимах. Приведена в рух електричним насосом, охолоджувальна рідина протікає неперервно через електродвигун, генератор, інвертор, радіатор. Висока температура, відібрана у електричних компонентів віддається в атмосферу через радіатор. Як і в системі охолодження ДВЗ, система охолодження гібридного електроприводу також має резервуар, який враховує розширювальні властивості рідини.

Рисунок 2.3
– Система охолодження і змащення автомобіля Пріус: СО – система охолодження; ГП – гібридний привід
2.1 Короткий опис і характеристика основних складових автомобіля з КЕУ
Система гібридного приводу включає електродвигун і генератор, що працюють в змінному діапазоні напруг 200-500 В. Особливість високої напруги – це забезпечення підвищення ефективності, що дозволяє працювати електродвигуну на більш високих обертах, де використання низької напруги привело б до зменшення ККД електродвигуна.
Основні складові автомобіля з КЕУ:
- ДВЗ
- Електродвигун
- Механізм розподілу потужності
- Інвертор
- Генератор
- Батарея
Характеристику цих складових наведено в таблиці 2.1
Таблиця 2.1
– Характеристика складових Пріус
| Складова |
Характеристики |
Значення |
| ДВЗ |
Тип
Максимальна потужність
Максимальний момент
|
Бензиновий, 1,5 л
57 кВт при 5000 об/хв.
115 Н·м при 4200 об/хв.
|
| Електродвигун |
Тип
Максимальна потужність
Максимальний момент
|
Синхронний з постійними магнітами, змінного струму
50 кВт при 1200…1540 об/хв.
400 Н·м при 0…1540 об/хв.
|
| Система |
Максимальна потужність
Максимальний момент при 22 км/год
|
82 кВт при 85 км/год.
478 Н·м
|
| Батарея |
Тип
Конструкція
Напруга
Вихідна потужність
|
Нікель-метал гідридна
28 модулів по 7,2 В в кожному
201,6 В
21 кВт
|
автомобіль енергетичний установка паливний
2.1.1 Двигун внутрішнього згоряння
Тип 1 NZ-FXE 1,5-літровий двигун Пріус, працює на основі циклу Аткітсона, в якому ступінь стиску може змінюватися. Охолодження водяне. Двигун 4-х тактний, 4-х циліндровий, 16 клапанний, з верхнім розміщення 2-х розподільчих валів, ступінь стиску 13:1. Конструкція двигуна забезпечує низький викид шкідливих речовин з випускними газами.
2.1.2 Механізм розподілу потужності
Основні складові ланки в Пріус – це механізм автоматичного розподілу потужності, генератор, електродвигун, інвертор і понижувальні шестерні. Мета механізму розподілу потужності полягає в тому, щоб дозволити передавати потужність від двигуна на генератор і колеса одночасно. Тут потужність передається через планетарну передачу. Водило планетарного механізму з’єднане з валом ДВЗ і потужність від ДВЗ передається на внутрішню сонячну і зовнішню коронну шестерню. Коронна шестерня безпосередньо зв’язана з електродвигуном і передає силу тяги на колеса, сонячна шестерня з’єднана з валом генератора. На рисунках 2.4 і 2.5 зображено схему механізму розподілу потужності окремо і разом з блоком шестерень відповідно. Фотографія фактичного розміщення передачі зображена на рисунку 2.6.

Рисунок 2.4
– Схема механізму розподілу потужності

Рисунок 2.5
– Розташування блоку шестерень між двигуном і колесами

Рисунок 2.6
– Фотографія передачі з числом показаних зубців шестерень
2.1.3 Генератор
Пріус обладнаний синхронним генератором змінного струму, який може обертатись з частотою 10000 об/хв. Генератор є машиною з вісьмома полюсами і забезпечує високою потужністю зарядку батареї і живлення електродвигуна. При пуску генератор обертає сонячну шестерню в механізмі розподілу потужності і, таким чином, приводить в рух водило, що з’єднане з валом ДВЗ. Фотографія ротора генератора розміщена на рисунку 2.7.

Рисунок 2.7
– Ротор генератора
2.1.4 Електродвигун
Синхронний восьмиполюсний електродвигун з постійними магнітами має високий крутний момент і вихідну потужність. Він розроблений високоефективним і має характеристики двигуна постійного струму. Ротор зроблений способом накладання шарів пластин, виготовлених із електромагнітної сталі. Пази ротора виконані V-подібної форми. Крім цього при високій напрузі 500 В електродвигун здатний розвивати потужність 50 кВт. На рисунку 2.8 показано фотографію електродвигуна.

Рисунок 2.8
– Електродвигун
2.1.5 Інвертор
В автоматичний блок управління входять:
- інвертор електродвигуна;
- інвертор генератора;
- конвертер підвищення напруги;
- інвертор компресора повітряного охолодження;
- 12 В конвертер постійного струму.

Рисунок 2.9 –
Інвертор
Складальна одиниця, зображена на рисунку 2.9, містить інвертор, який виробляє 3-фазний змінний струм, щоб вести електродвигун і включає конвертер постійного струму, який виробляє напругу 12 В для живлення допоміжного обладнання. Інвертор забезпечує два напрямки зміни напруги: конвертер підвищення напруги підвищує напругу з 200В до максимальних 500В, чи знижує її для зарядки 200 В батареї.
2.1.6 Батарея
В Пріус використовується компактний, високоефективний нікель-метал гідридний акумулятор. Батарея складається з 28-ми низьковольтних модулів (7,2 В кожний) з’єднаних послідовно, щоб виробляти номінальну напругу 201,6 В. Це забезпечує подачу енергії на електродвигун і отримання її від генератора. Вихідна потужність батареї – 21 кВт.
3. Дослідження механічних, електричних і експлуатаційних характеристик комбінованої енергетичної установки
Мета дослідження – охарактеризувати функціональні характеристики гібридної системи електроприводу і зрозуміти алгоритм побудови, використаний в конструкції основних складових, особливо тяговому електродвигуні, інверторі, генераторі і системі охолодження.
3.1 Дослідження робочих характеристик транспортного засобу
Цей розділ описує дослідження робочих характеристик на двох етапах: початкові дослідження і більш пізні дослідження, при використанні конвертера підвищення напруги.
3.1.1 Дослідження робочих характеристик
Мета: визначити експлуатаційні показники і дати кількісну оцінку корисної дії системи гібридного приводу, яка встановлена в транспортному засобі і основана на алгоритмах, що містяться в електронному контрольному приладі. Тести проводилися при передовому дослідженні трансмісії на динамічних і сталих режимах. Щоб отримати необхідні електричні дані, всі доступні точки автоматичного потоку були налагоджені для вимірювання напруги і струму. Автоматичні вимірювання були отримані між наступними елементами:
- генератор і інвертор;
- електродвигун і інвертор;
- конвертер підвищення і батарея;
- конвертер підвищення і допоміжні конвертери.
Досліджувані змінні, які були виміряні і ідентифіковані наведені в таблиці 3.1.
Таблиця 3.1
– Перемінні величини для програми дослідження
| Тип змінної |
Позначення змінної |
Опис змінної |
| Потужність генератора |
PГЕН
|
Електрична |
| Вихідна потужність електро-двигуна (до коліс) |
PЕЛД
|
Механічна |
| Вихідна потужність інвертора (до електродвигуна) |
PІНВ
|
Електрична |
| Підвищувальна потужність |
PПІДВ
|
Електрична |
| Потужність батареї |
PБАТ
|
Електрична |
Кожне дослідження проводилося з вимкненими інвертором компресора повітряного охолодження і допоміжним 12 В конвертером постійного струму. Необхідне пришвидшення і постійна швидкість в процесі дослідження встановлюється положенням педалі акселератора на відстані від установки. Бігові барабани встановлюються так, щоб була змога контролювати викиди транспортного засобу при різних циклах руху. Дослідження гібридної системи електроприводу вимагає контролю зусиль, що створюються додатковими електричними машинами, які входять до складу транспортного засобу Крім цього дослідження вимагають дуже точних силових вимірювань, щоб повністю охарактеризувати робочі характеристики КЕУ. Лабораторна установка для дослідження гібридної системи електроприводу визначає струм і напругу в різних точках системи. На рисунку 3.1 зображено схему елементарної електричної системи Пріус і розміщення встановлених давачів.

Рисунок 3.1
– Розміщення давачів при дослідженні
Залежність даних, що визначаються в процесі дослідження, від часу наведено на рисунку 3.2. Ця характеристика показує потік потужності в різних частинах гібридної системи електроприводу зі зміною швидкості транспортного засобу, вказаної на графіку. З графіка можна побачити, що потужність ДВЗ зростає, коли транспортний засіб пришвидшується до високих швидкостей і знижується, аж до нуля, коли швидкість транспортного засобу постійна, що дозволяє таким чином приводити в рух автомобіль від електродвигуна без допомоги ДВЗ. На найвищих швидкостях ДВЗ і електродвигун одночасно віддають потужність для приводу транспортного засобу. Наступне дослідження, яке мало метою показати ідентичність результатів при тих же дослідженнях, показало можливість зміщення і невідповідність даних. Тому для повного описання робочої характеристики транспортного засобу необхідні додаткові дослідження.

Рисунок 3.2
– Типові силові вимірювання при зміні швидкості

Рисунок 3.3
– Результати вимірювань при певній швидкості
Інша частина даних, які показують відношення між потужністю батареї, потужністю підвищувального конвертера і потужністю електродвигуна, показана на рисунку 3.3. Ці дані були отримані при вимкнені допоміжного обладнання, так як батарея, підвищувальний конвертер і електродвигун при цьому безпосередньо зв’язані одне з одним. З графіка видно, що підвищувальна потужність дуже близька до потужності батареї; це пояснюється низькими втратами в підвищувальному конвертері. Потужність електродвигуна повинна бути приблизно такою ж, але трохи нижчою із-за втрат в інверторі електродвигуна. З цього можна зробити певні грубі висновки, але більш детальну інформацію можна отримати при додаткових дослідженнях.
Хоча цей графік дає певні результати, але невеликі розбіжності в даних і інші фактори вказують на необхідності регулювання давачів і системи отримання і збору інформації для подальших досліджень
3.1.2 Дослідження, що характеризують роботу підвищувального конвертера
В гібридній системі електродвигун отримує більшість своєї потужності від генератора і решту від батареї через інвертор. Таким чином силова оцінка конвертера – це менше ніж половина в оцінці електродвигуна.
Цікаво те, як напруга генератора, яка збільшується із швидкістю транспортного засобу, зрівнюється з напругою конвертера, що керується електронним контрольним приладом. На рисунку 3.4. показано залежність напруги на генераторі від його швидкості обертання. Крім цього тут вказано швидкість транспортного засобу, що дає змогу зробити порівняння з попередніми дослідженнями. Відмітимо, що максимальна напруга на генераторі, яка співпадає з межами регулювання конвертера, знаходиться в межах 25-65 миль/год.

Рисунок 3.4
– Залежність напруги генератора від швидкості
При дослідженнях конвертера отримані дані, які допомогли охарактеризувати дію конвертера підвищення напруги відносно швидкості і пришвидшення транспортного засобу Дія підвищення напруги тут не показана, але зрозуміло, що функція зарядки акумуляторної батареї потребує зменшення вихідної напруги генератора і електродвигуна, оскільки їх робочі напруги є вище ніж напруга 201,6 В батареї.
Наступні дослідження проводяться за п’ятьма параметрами: вихідними напругою і струмом від конвертера, положенням педалі акселератора, положенням педалі гальма, швидкістю транспортного засобу Відмітимо, що позитивний струм обертає електродвигун і негативний струм заряджає батарею. Одиниці виключаються, так як метою є якісне порівняння. Рисунок 3.5 показує дані від їздового циклу, де транспортний засіб було пришвидшено до 31,5 миль/год, з супроводжуючими гальмуваннями. Частина осі Y розширена для кращої наглядності. Як показано на графіку, є три величини, які так чи інакше впливають на зміну підвищення напруги і вихідного струму. При максимумах пришвидшення напруга залишалась піднятою для різних періодів, а потім падала. Два взірця досліджувалися в період пришвидшення і один в кінці пришвидшення. Дані, здається, не забезпечують повну картину того, що відбувається, і це не дивно, так як алгоритм електронного контрольного приладу невідомий.
Відмітимо, що при гальмуванні відбувається підвищення напруги до максимальної 500В, що підтримує заряджання акумуляторної батареї. Так як подальші дослідження не будуть включати оцінку цього процесу, то періоди гальмувань будуть виключені із їздового циклу.

Рисунок 3.5
– Дані їздового циклу при дії конвертера підвищення напруги
На рисунку 3.6 показано другий період їздового циклу і підняття рівня напруги, яке відповідає швидкому пришвидшенню, що супроводжується розширеним проміжком часу в мінімальній напрузі (тільки вище 200В). Це приводить до висновку, що скачки напруги з невідомих причин, не мають ніякого відношення до дії системи інвертор/електродвигун.

Рисунок 3.6
– Другий набір даних їздового циклу при дії конвертера підвищення напруги

Рисунок 3.7
– Третій набір даних їздового циклу при дії конвертера підвищення напруги
На рисунку 3.7 зображено третій період їздового циклу з швидким пришвидшенням, що супроводжує рух транспортного засобу при швидкості вище 40 миль/год. Ці дані показують довготривале підвищення напруги вище 300В і максимальної напруги 500В в період пришвидшення. Ділянка показує проміжний стан підвищення напруги, що проходить в транспортного засобу при швидкості.

Рисунок 3.8
– Набір даних їздового циклу для опису підвищення напруги на високих швидкостях
Велика частина того, що показали попередні графіки, дальше пояснюється четвертою ділянкою їздового циклу, зображеною на рисунку 3.8. В цьому випадку транспортний засіб пришвидшено близько до 68 миль/год. Оскільки рівень пришвидшення різний, то підвищення напруги змінюється від мінімального до максимального кілька разів. При 28,1-49,8 миль/год максимальна напруга зростає, що випливає і із процесу пришвидшення і із швидкості, що збільшується. Між 49,8-59,7 миль/год існує мінімальна тенденція пониження напруги нижче максимального рівня. Вище 59,7 миль/год напруга залишається на максимальному рівні. Замітимо, що на графіку зображено також кутову швидкість обертання електродвигуна в заданих точках. На рисунку 3.8 зображено також зворотню ЕРС генератора, яка раніше досліджувалася в цьому розділі (рисунок 3.4). Точки швидкості, підготовлені в розрахунковому еквіваленті транспортного засобу, приближаються. Лінії з’єднань добавлені для ясності. Дані показують як рідко підвищена напруга падає нижче максимальної напруги генератора. Хоча фактичний алгоритм електронного контрольного приладу для керування підвищенням напруги невідомий, ця і попередні ділянки дають чітку картину як напругою в загальному керують в процесі пришвидшення, високих швидкостей і гальмування. Оскільки оцінка конвертера перешкоджає забезпечити якісне дослідження електродвигуна, то конвертер не використовувався в подальших дослідженнях робочих характеристик. Шість додаткових графіків даних їздового циклу при інших дослідженнях їздового циклу наводяться нижче. Ці графіки корисні при подальшій характеристиці принципу дії конвертера підвищення напруги і електронного контрольного приладу керування конвертером.
3.1.3 Ділянки їздового циклу, що характеризують роботу конвертера
Всі числа у цьому розділі характеризують ті ж самі п'ять параметрів: напруга й струм на виході від конвертера, вихідне положення педалі керування подачею палива, вихідне положення педалі гальма, і швидкість транспортного засобу. Ці п'ять параметрів ідентифіковані на кожній ділянці. Відзначимо, що позитивний струм пускає в хід електродвигун, і негативний струм заряджає батарею гібридної системи приводу. Як і у попередньому розділі, одиниці опущені для отримання якісної картини.
Рисунок 3.9 показує швидке пришвидшення і як це пришвидшення впливає на підвищення напруги до максимуму 500 В. Найвищий струм зустрічається протягом найтривалішого пришвидшення. Рисунок також показує, як щораз, коли педаль керування подачею палива на мить відпущена, негайно починається зарядка акумуляторної батареї. Гальмування в останній третині ділянки створює високий, тривалий зарядний струм, що приблизно відбиває процес, який відбувається при натисканні педалі гальма.

Рисунок 3.9
– Ділянка їздового циклу, що ілюструє швидке пришвидшення

Рисунок 3.10
– Друга ділянка їздового циклу, що ілюструє швидке пришвидшення
Рисунок 3.10 показує плавне пришвидшення, що майже безупинно підтримує підвищену напругу на максимальному рівні. Тривалий період гальмування має подібний ефект на підвищену напругу, поки швидкість транспортного засобу не стає низькою. Підготовлені дані охоплюють тільки ~30 с. Рисунок 3.11 був відібраний при змінній вихідній напрузі конвертера. Довга тривалість напруги на максимальному значенні супроводжується великими її коливаннями; тільки відпускання педалі керування подачею палива починає вирівнювати напругу. Негайно після цього й до гальмування, напруга й струм коливаються в діапазоні, що не можна повністю пояснити, використовуючи отримані дані. Напруга досягає 350 В на позначці 250-265 с при швидкості транспортного засобу 38,6-43,3 миль/год. “Зона нульового струму” може бути замічена приблизно на 270 с, де не працює ні тяговий двигун і не заряджається батарея. У тому ж самому періоді спостерігається підвищення напруги до 400 В, що визначається тільки швидкістю транспортного засобу. Зменшення кута положення педалі керування подачею палива приводить до зарядного струму в декількох випадках. Період гальмування, на останній четвертій ділянці, створює зарядний струм, пропорційний інтенсивності гальмування.

Рисунок 3.11
– Ділянка їздового циклу, що ілюструє коливання підвищеної напруги

Рисунок 3.12 –
Друга ділянка їздового циклу, що ілюструє поступове пришвидшення
Рисунок 3.12 відображає неколивне і повільне пришвидшення. Повільне пришвидшення має малий ефект на підвищення напруги, набагато нижчий чим замічений у попередніх прикладах. Є багато положень педалі керування подачею палива з відповідним зворотним електричним струмом. Оскільки швидкість продовжує поступово зростати, зростає і підвищення напруги з 215 В до 315 В, і потім до 350 В. Коливання напруги не можуть бути співставленими з відповідним струмом або іншими даними, показаними на рисунку. Оскільки коливання дуже короткі щодо інших параметрів, їхні значення сумнівні. Тому, Рисунок 3.13 був зроблений, щоб порівняти швидкість транспортного засобу і підвищення напруги. Видно велике пульсування, за винятком прямих ділянок напруги на вершинах. При збільшенні швидкості на 10 миль/год пульсація була б усунена і напруга була б на рівні прямих ділянок.

Рисунок 3.13
– Крива пвдвищення напруги
Рисунок 3.14 – ділянка найдовшої тривалості даних їздового циклу, представлених у цьому дослідженні. Цей рисунок відібраний для більш довгої тривалості й безупинно змінного експлуатаційного режиму (тобто, акселератора і положення гальма). Це зробило складнішим графік, проте тенденції простежуються. Спочатку видно широку коливну підвищену напругу з багатьма дуже короткими змінами, що не дає корисної інформації. Тому на протязі часу був застосований фільтр. Як позначено вертикальними пунктирами, багато з максимумів напруги, що згладжуються, відповідають максимумам швидкості, однак, з деяким градусом зсуву. Зсув показує, що максимуми напруги забезпечували відповідні максимуми швидкості. Не дивно, що численні поточні максимуми напруги також були відповідальними за розгін транспортного засобу до максимальної швидкості.

Рисунок 3.14
– Ділянка їздового циклу, обрана, щоб ілюструвати високий рівень зміни кожного параметра

Рисунок 3.15
– Ділянка їздового циклу, що ілюструє рух із постійною швидкістю 70 миль/год
Рисунок 3.15 був відібраний для сталих умов із високою швидкістю. В основному, тільки положення педалі керування подачею палива й струм змінюються. Позитивний струм складається з маленьких стрибків, коли педаль керування подачею палива відпущена. Відсутність тривалого позитивного струму збуджує дію транспортного засобу від ДВЗ, а не від електродвигуна. Численні, короткі хвилі зарядки акумуляторної батареї спостерігаються протягом відпускання педалі подачі палива.
3.2 Робочі характеристики підсистем і дослідження їх ефективності
Гібридна система електроприводу Пріус випробовувалась при різноманітних режимах, що характеризують її електричні і механічні характеристики. Метою програми дослідження є вимірювання зворотної ЕРС електродвигуна і генератора, оцінити пускові властивості крутного моменту електродвигуна, і визначити зв’язані з коробкою передач втрати потужності при вказаній межі швидкостей вала і температури мастильних матеріалів. Для того, щоб уникнути впливу тертя на результати, ДВЗ був від’єднаний від системи під час досліджень. Для виконання мети програми дослідження гібридна система електроприводу з’єднувалась з динамометром, що володів потужністю, необхідною для забезпечення певних меж кутової швидкості. Для того щоб обидві осі коліс оберталися з рівною швидкістю, диференціал був змінений так, щоб шестерні внутрішнього зачеплення диференціала не могли обертатися. Блокуючи обертання цих шестерень стало можливим виміряти крутний момент на одній із двох осей привідного колеса. При таких змінах зменшилося передатне відношення частоти обертів електродвигуна до частоти обертів колеса, яке являється функцією числа зубів шестерень, і стало рівним 4,113. Щоб зрозуміти вплив температури оливи на втрати потужності, лабораторна установка нагрівала мастильні матеріали коробки передач до вказаної номінальної температури, яка використовувалась впродовж досліджень. При такій конфігурації були проведені наступні вимірювання:
- виміряне, вирахуване і зареєстроване передатне відношення від вала електродвигуна до динамометра;
- виміряні втрати потужність від тертя в зачепленнях шестерень, опору оливи і інші втрати, без збудження генератора чи електродвигуна.
Вимірювання були проведені з ротором, який вільно обертався і блокованим. Для початкового випробування, ротор електродвигуна був з’єднаний з двигуном або з динамометром, який імітує тягову силу. На протязі випробувань генератора, ротор з’єднаний з сонячною шестернею планетарної передачі. При такому випробуванні крутний момент через шестерні планетарного механізму передавався на ротор генератора. Деталі механізму розподілу потужності і блок шестерень, який з’єднує двигун і колеса показані на рисунках 2.4 і 2.5.
Забезпечити краще розуміння теплової системи керування допоможуть дані зміни зусилля мастильних матеріалів в коробці передач в залежності від температури і потоку рідини в гібридній системи охолодження двигуна, зібрані при частковому випробуванні. Схема, що показує мастильну і охолоджувальну рідини в трьох відділеннях гібридної системи представлена на рисунку 2.3. Цей рисунок також показує потік охолоджувальної рідини в гібридній системі приводу і тиск, які були присутніми під час вимірювань зусиль. Крім цього при мащенні підшипників і шестерень, олива також відбирає надлишкову температуру із передач, двигуна і генератора.
3.2.1 Дослідження електродвигуна, при блокуванні ротора
Серія досліджень електродвигуна, при блокуванні ротора виконана з метою визначити загальну тягову властивість електродвигуна. Тепер при дослідженні використано новий механізм механічної передачі, що здатний точно захоплювати ротор, принцип дії якого оснований на роботі давача положення ротора.
Рисунок 3.16 показує залежність крутного моменту електродвигуна від механічного кута повороту ротора при струмі 75, 150, 200 і 250 A, відповідно. При струмі 250 A крутний момент зростає до 400 Н∙м.

Рисунок 3.16
– Залежність крутного моменту електродвигуна від кута положення ротора при різному струмовому навантаженні
Керуючий механізм передачі використовувався, щоб захватити вал електродвигуна і обертати його з приростом в сегментах. Значення крутного моменту отримані при поставлянні синусоїдального струму в різні точки вала. Отримані дані використовувались для побудови графіка зображеного на рисунку 3.17. Струм і відповідні йому значення крутного моменту приведені в таблиці 3.2. Після випробування було підтверджено відсутність розмагнічування при нагріванні статора.
Сім значень максимального крутного моменту для різних поточних кутів показані на рисунку 3.18. Ця серія випробувань показує ефективність пускової тягової характеристики електродвигуна Пріус.

Рисунок 3.17
– Залежність крутного моменту від кута повороту вала електродвигуна (при блокуванні ротора)
Таблиця 3.2
– Залежність крутного моменту від кута повороту вала електродвигуна
| Кут повороту ротора, град. |
Крутний момент ротора електродвигуна |
| 50А |
75А |
100А |
125А |
150А |
200 |
250А |
| 90 |
-1,9 |
-0,6 |
3,5 |
5,3 |
3,6 |
6,0 |
10,0 |
| 92 |
0,7 |
2,4 |
0,7 |
0,0 |
-7,6 |
-9,6 |
-10,1 |
| 94 |
1,01 |
-2,8 |
-8,1 |
-15,0 |
-25,7 |
-37,6 |
-43,3 |
| 96 |
0,2 |
-3,0 |
-9,0 |
-17,0 |
-24,7 |
-35,4 |
-46,2 |
| 98 |
1,9 |
-2,3 |
-5,8 |
-12,0 |
-17,3 |
-26,7 |
-33,8 |
| 100 |
7,3 |
6,1 |
6,1 |
2,0 |
-3,5 |
-11,7 |
-16,4 |
| 102 |
14,5 |
11,8 |
10,4 |
9,0 |
7,4 |
0,0 |
-1,9 |
| 104 |
19,6 |
20,8 |
22,0 |
24,0 |
25,8 |
27,0 |
31,7 |
| 106 |
25,8 |
34,0 |
41,0 |
53,0 |
54,8 |
62,0 |
78,1 |
| 108 |
34,1 |
48,3 |
61,0 |
72,0 |
83,6 |
99,2 |
114,2 |
| 110 |
45,5 |
64,0 |
82,0 |
96,0 |
109,9 |
132,0 |
158,5 |
| 112 |
48,2 |
72,4 |
95,0 |
116,0 |
127,8 |
157,0 |
181,6 |
| 114 |
55,8 |
81,9 |
109,0 |
135,0 |
151,0 |
189,2 |
222,0 |
| 116 |
63,9 |
92,6 |
125,0 |
151,0 |
177,4 |
214,3 |
255,0 |
| 118 |
73,1 |
112,5 |
149,0 |
182,0 |
208,1 |
258,6 |
302,0 |
| 120 |
74,0 |
117,7 |
157,0 |
193,0 |
223,0 |
277,0 |
324,0 |
| 122 |
70,9 |
114,1 |
158,0 |
199,0 |
229,0 |
286,1 |
337,0 |
| 124 |
59,1 |
102,1 |
149,0 |
191,0 |
223,0 |
280,4 |
332,0 |
| 126 |
50,2 |
89,0 |
136,0 |
192,0 |
221,0 |
286,6 |
339,0 |
| 128 |
47,3 |
79,0 |
120,0 |
162,0 |
198,2 |
271,2 |
331,0 |
| 130 |
38,8 |
63,5 |
98,0 |
133,0 |
159,6 |
228,2 |
287,0 |
| 132 |
19,0 |
33,0 |
59,0 |
82,0 |
99,7 |
134,2 |
175,0 |
| 134 |
3,4 |
7,1 |
20,4 |
30,0 |
25,3 |
58,3 |
87,0 |

Рисунок 3.18
– Залежність максимального крутного моменту від струму при блокованому роторі
3.2.2 Вимірювання зворотної ЕРС
Напруга зворотної ЕРС, вироблена електродвигуном і генератором виміряна при використанні трохи іншої конфігурації гібридної системи електроприводу. Випробувальні умови і розташування підсистеми для випробування електродвигуна і генератора наведені в таблиці 3.3. На протязі випробувань, осцилограф використовувався, щоб виміряти як середньоквадратичні(VСЕР
) так і максимальні(VМАКС
) значення напруги зворотної ЕРС.
Таблиця 3.3
– Випробувальні умови для вимірювання зворотної ЕРС
| Випробувальний елемент |
Випробування двигуна |
Випробування генератора |
| Границі швидкостей вала, об/хв. |
5000-6000 |
1000-6500 |
| Границі зміни температури оливи, 0
С |
25-80 |
28-80 |
| Ротор двигуна |
Встановлений |
Встановлений |
| Масляний насос |
Встановлений |
Встановлений |
| Сонячна шестерня |
Встановлений |
Встановлений |
| Планетарна передача |
Встановлений |
Встановлений |
Обертання підодиниць
-двигун
-генератор
- планетарна передача
|
Функціонує
Марний хід
Марний хід
|
Функціонує
Функціонує
Функціонує
|
3.2.2.1 Випробування електодвигуна
Виміряні значення ЕРС від електродвигуна показано в таблиці 3.4 і на рисунку 3.11. Температура мастильних матеріалів в процесі випробування двигуна була рівна 250
С. Необхідно відмітити, що VМАКС
по відношенню до VСЕР
було більшим ніж корінь квадратний з 2 із за вмісту гармоніки в зворотній ЕРС.
Таблиця 3.4
– Результати вимірювання зворотної ЕРС електродвигуна Пріус
| Частота обертання осі, об/хв. |
Частота обертання ротора двигуна, об/хв. |
Крутний момент на осі, Н·м |
Електрична частота, Гц |
Виміряна зворотня ЕРС
(VСЕР
), В
|
Виміряна зворотня ЕРС
(VМАКС
), В
|
| 122 |
502 |
8,0 |
33,8 |
42,0 |
75 |
| 243 |
1000 |
8,4 |
66,5 |
85,7 |
150 |
| 365 |
1502 |
9,3 |
99,8 |
132,3 |
225 |
| 486 |
1999 |
10,2 |
134,4 |
181,6 |
300 |
| 608 |
2501 |
10,8 |
168,1 |
221,8 |
350 |
| 729 |
2999 |
11,3 |
200,2 |
269,3 |
425 |
| 851 |
3501 |
12,0 |
233,9 |
315,7 |
500 |
| 972 |
3999 |
12,6 |
265,4 |
354,6 |
575 |
| 1094 |
4501 |
13,1 |
295,7 |
405,5 |
625 |
| 1215 |
4999 |
13,6 |
333,0 |
440,4 |
700 |
| 1337 |
5500 |
14,6 |
366,3 |
503,4 |
775 |
| 1458 |
5998 |
15,6 |
401,3 |
539,8 |
850 |
Відмітимо, що випробування проводились з блокованими диференціалами при температурі оливи, рівній кімнатній.

Рисунок 3.19
– Залежність зворотної ЕРС електродвигуна від частоти обертання ротора
При 3600об/хв. зворотна ЕРС досягає 500В. Постійна напруга в Пріус може бути підвищена лише до 500 В, а не до 850 В, як це показано при 6000 об/хв. Ці величини показують, що необхідно зробити слабшою обмотку збудження або струмовий кут для досягнення високих швидкостей.
Через високі значення зворотної ЕРС виникає потреба в високоефективній ізоляції. В електродвигуні використовується пряме масляне охолодження для його провітрювання і тому олива допомагає збільшувати силу ізоляції.
На рисунку 14 зображено, як змінюється частота і амплітуда зворотної ЕРС електродвигуна від частоти обертання його ротора.

Рисунок 3.20
– Зміна частоти ЕРС електродвигуна Пріус.
3.2.2.2 Випробування генератора
Виміряні значення зворотної ЕРС генератора наведені в таблиці 3.5 і зображені на рисунку 3.12. Температура оливи на протязі цього випробування була рівною 80 0
С.
Таблиця 3.5
– Результати вимірювання зворотної ЕРС генератора Прус
| Частота обертання осі, об/хв. |
Частота обертання ротора генератора, об/хв. |
Крутний момент на осі, Н·м |
Електрична частота, Гц |
Виміряна зворотня ЕРС
(VСЕР
), В
|
Виміряна зворотня ЕРС
(VМАКС
), В
|
| 100 |
1070 |
8,2 |
70,0 |
31,6 |
52,5 |
| 150 |
1605 |
9,4 |
109,4 |
49,4 |
80,0 |
| 200 |
2140 |
9,6 |
141,3 |
67,0 |
110,0 |
| 250 |
2675 |
9,0 |
180,6 |
83,5 |
135,0 |
| 300 |
3210 |
9,1 |
213,3 |
96,5 |
160,0 |
| 350 |
3745 |
9,5 |
247,9 |
113,5 |
190,0 |
| 400 |
4280 |
10,2 |
287,0 |
134,5 |
210,0 |
| 450 |
4815 |
10,8 |
320,6 |
144,5 |
240,0 |
| 500 |
5350 |
11,3 |
357,9 |
167,0 |
260,0 |
| 550 |
5885 |
11,6 |
292,2 |
182,0 |
290,0 |
| 600 |
6420 |
12,2 |
230,5 |
195,0 |
320,0 |

Рисунок 3.21
– Залежність зворотної ЕРС генератора від частоти обертання його ротора
Для того, щоб генератор був зв’язаний з системою механічно – вал електродвигуна був заблокований.
3.2.3 Вимірювання втрат потужності в гібридній системі приводу
Вивчено три типи втрат потужності, які впливають на повну ефективність гібридної системи електроприводу. Ці втрати вимірювались в ватах (Вт) і включають: 1) втрати на тертя в зачепленнях шестерень; 2) втрати в роторі електродвигуна; 3) втрати в планетарній передачі і роторі генератора. Визначення значень цих втрат досягається при окремому випробуванні трьох різних конфігурацій системи гібридного приводу при різних частотах обертання вала електродвигуна і температурах мастильних матеріалів. Встановлені елементи при випробуванні кожної з конфігурацій приведені в таблиці 3.6
Таблиця 3.6
– Конфігурації системи гібридного приводу при вимірюванні втрат потужності
| Конфігурація |
Конфігурація А |
Конфігурація Б |
Конфігурація В |
| ДВЗ |
Не встановлено |
Не встановлено |
Не встановлено |
| Ротор електродвигуна |
Встановлено |
Видалено* |
Видалено |
| Ротор генератора |
Встановлено |
Встановлено |
Видалено |
| Сонячна шестерня |
Встановлено |
Встановлено |
Видалено |
| Планетарна передача |
Встановлено |
Встановлено |
Видалено |
| Головна передача, диференціал, ланцюгова передача |
Встановлено |
Встановлено |
Встановлено |
* ротор електродвигуна заміняють ротором, який не дає навантаження, а лише забезпечує механічний зв’язок коробки передач і планетарної передачі.
Таблиця 3.7
– Сумарні втрати в системі гібридного приводу Пріус*
| Частота обертання осі, об/хв. |
Частота обертання валу електро-двигуна, об/хв. |
Втрати в передачі, Вт |
Втрати в роторі електро-двигуна, Вт |
Втрати в планетарній передачі, роторі генератора і сонячній шестерні, Вт |
Сумарні втрати в системі гібридного приводу, Вт |
| 120 |
494 |
74,9 |
19,8 |
7,1 |
102 |
| 243 |
1000 |
158,5 |
31,6 |
23,7 |
214 |
| 366 |
1506 |
261,8 |
60,2 |
33,2 |
355 |
| 484 |
1991 |
369,8 |
109,0 |
40,5 |
519 |
| 608 |
2501 |
487,9 |
135,9 |
63,6 |
687 |
| 731 |
3007 |
617,2 |
161,7 |
84,2 |
863 |
| 851 |
3501 |
745,2 |
205,3 |
118,8 |
1069 |
| 972 |
3999 |
915,6 |
242,1 |
125,5 |
1283 |
| 1095 |
4505 |
1058,2 |
297,4 |
145,2 |
1501 |
| 1215 |
4999 |
1220,8 |
323,9 |
186,5 |
1731 |
| 1335 |
5492 |
1425,2 |
404,9 |
214,3 |
2044 |
| 1460 |
6006 |
1645,3 |
472,8 |
264,9 |
2383 |
* Випробування проводились при блокованому диференціалі і кімнатній температурі оливи
Повні втрати потужності для всієї гібридної системи приводу виміряні при випробуваннях елементів, що входять в конфігурацію А. Втрати, пов’язані з ротором електродвигуна виміряні при випробуваннях елементів, що входять в конфігурацію В. Це випробування проводилось при видаленні ротора електродвигуна і використанні його моделі(модель ротора складалася із фіктивного вала і підшипників, які використовувались, щоб утримувати в нормальному положенні інші елементи).
Для конфігурації С видалені додаткові елементи, включаючи ротор електродвигуна і генератора, сонячну шестерню і планетарну передачу, залишались лише головна передача, диференціал і ланцюгова передача.
При цьому випробуванні стало можливим визначити втрати в передачі. Це випробування, при виключенні втрат в роторі електродвигуна і шестернях з всієї системи гібридного приводу, дало можливість також визначити втрати пов’язані з планетарною передачею, ротором генератора і сонячною шестернею. Значення втрат потужності наведені в таблиці 3.7 і зображені на рисунку 3.13. Ці дані були зібрані на основі випробувань трьох конфігурацій.

Рисунок 3.22
– Втрати в гібридні системі приводу і її компонентах при температурі оливи 25 0
С.
Втрати, які визначені при дослідженнях конфігурації В при різних температурах оливи приведені в таблицях 3.8-3.13 і зображено на рисунку 3.23. Як видно з рисунку 3.23 значення втрат зменшуються при підвищенні температури оливи. Це можна пояснити зміною в’язкості оливи.
Таблиця 3.8
– Втрати потужності при випробуваннях конфігурації В і температурі оливи 28 0
С
| Частота обертання осі, об/хв. |
Частота обертання валу електродвигуна, об/хв. |
Крутний момент на осі, Н·м |
Втрати, Вт |
Температура оливи, 0
С |
| 122 |
502 |
5,8 |
72,8 |
27,0 |
| Частота обертання осі, об/хв. |
Частота обертання валу електродвигуна, об/хв. |
Крутний момент на осі, Н·м |
Втрати, Вт |
Температура оливи, 0
С |
| 243 |
1000 |
6,7 |
170,4 |
27,0 |
| 365 |
1502 |
7,6 |
291,1 |
27,0 |
| 486 |
1999 |
7,9 |
400,2 |
28,0 |
| 608 |
2501 |
8,4 |
534,6 |
28,5 |
| 729 |
2999 |
8,9 |
681,0 |
29,0 |
| 851 |
3501 |
9,4 |
837,3 |
29,0 |
| 972 |
3999 |
9,8 |
997,0 |
29,5 |
| 1094 |
4501 |
10,3 |
1180,5 |
30,0 |
| 1215 |
4999 |
10,7 |
1360,7 |
30,5 |
| 1337 |
5500 |
11,2 |
1565,0 |
31,5 |
| 1458 |
6006 |
12,1 |
1849,0 |
32,0 |
Таблиця 3.9
– Втрати потужності при випробуваннях конфігурації В і температурі оливи 40 0
С
| Частота обертання осі, об/хв. |
Частота обертання валу електродвигуна, об/хв. |
Крутний момент на осі, Н·м |
Втрати, Вт |
Температура оливи, 0
С |
| 122 |
502 |
5,3 |
66,6 |
40,5 |
| 243 |
1000 |
6,0 |
152,6 |
40,5 |
| 365 |
1502 |
6,7 |
256,7 |
40,5 |
| 486 |
1999 |
7,2 |
364,7 |
41,0 |
| 608 |
2501 |
7,7 |
490,0 |
41,0 |
| 729 |
2999 |
8,2 |
627,4 |
41,5 |
| 851 |
3501 |
8,5 |
757,1 |
42,0 |
| 972 |
3999 |
9,1 |
925,8 |
42,5 |
| 1094 |
4501 |
9,5 |
1088,8 |
43,0 |
| 1215 |
4999 |
10,2 |
1287,1 |
44,0 |
| 1337 |
5500 |
10,6 |
1481,1 |
44,5 |
| 1458 |
6006 |
11,3 |
1726,8 |
45,0 |
Таблиця 3.10
– Втрати потужності при випробуваннях конфігурації В і температурі оливи 50 0
С
| Частота обертання осі, об/хв. |
Частота обертання валу електродвигуна, об/хв. |
Крутний момент на осі, Н·м |
Втрати, Вт |
Температура оливи, 0
С |
| 122 |
502 |
5,2 |
65,3 |
50,0 |
| Частота обертання осі, об/хв. |
Частота обертання валу електродвигуна, об/хв. |
Крутний момент на осі, Н·м |
Втрати, Вт |
Температура оливи, 0
С |
| 243 |
1000 |
6,0 |
152,6 |
50,5 |
| 365 |
1502 |
6,5 |
249,0 |
51,0 |
| 486 |
1999 |
7,0 |
354,6 |
51,5 |
| 608 |
2501 |
7,4 |
470,9 |
51,0 |
| 729 |
2999 |
7,9 |
604,4 |
51,5 |
| 851 |
3501 |
8,3 |
739,3 |
52,0 |
| 972 |
3999 |
8,6 |
874,9 |
52,0 |
| 1094 |
4501 |
9,1 |
1043,0 |
52,5 |
| 1215 |
4999 |
9,7 |
1233,5 |
53,0 |
| 1337 |
5500 |
10,2 |
1425,2 |
53,5 |
| 1458 |
6006 |
10,7 |
1635,1 |
54,5 |
Таблиця 3.11
– Втрати потужності при випробуваннях конфігурації В і температурі оливи 60 0
С
| Частота обертання осі, об/хв. |
Частота обертання валу електродвигуна, об/хв. |
Крутний момент на осі, Н·м |
Втрати, Вт |
Температура оливи, 0
С |
| 122 |
502 |
5,0 |
62,8 |
59,5 |
| 243 |
1000 |
5,5 |
139,9 |
59,5 |
| 365 |
1502 |
6,2 |
237,5 |
60,0 |
| 486 |
1999 |
6,8 |
344,5 |
60,0 |
| 608 |
2501 |
7,2 |
458,2 |
60,0 |
| 729 |
2999 |
7,9 |
604,4 |
60,0 |
| 851 |
3501 |
8,3 |
739,3 |
60,0 |
| 972 |
3999 |
8,6 |
874,9 |
60,0 |
| 1094 |
4501 |
8,9 |
1020,0 |
60,5 |
| 1215 |
4999 |
9,4 |
1195,4 |
61,0 |
| 1337 |
5500 |
10,0 |
1397,3 |
61,5 |
| 1458 |
6006 |
10,6 |
1619,8 |
62,0 |
Таблиця 3.12
– Втрати потужності при випробуваннях конфігурації В і температурі оливи 70 0
С
| Частота обертання осі, об/хв. |
Частота обертання валу електродвигуна, об/хв. |
Крутний момент на осі, Н·м |
Втрати, Вт |
Температура оливи, 0
С |
| 122 |
502 |
4,7 |
59,0 |
70,0 |
| Частота обертання осі, об/хв. |
Частота обертання валу електродвигуна, об/хв. |
Крутний момент на осі, Н·м |
Втрати, Вт |
Температура оливи, 0
С |
| 243 |
1000 |
5,5 |
139,5 |
70,0 |
| 365 |
1502 |
6,2 |
237,5 |
70,0 |
| 486 |
1999 |
6,8 |
344,5 |
70,0 |
| 608 |
2501 |
7,1 |
451,8 |
70,0 |
| 729 |
2999 |
7,7 |
589,1 |
69,5 |
| 851 |
3501 |
8,2 |
730,4 |
69,5 |
| 972 |
3999 |
8,3 |
844,4 |
69,5 |
| 1094 |
4501 |
8,8 |
1008,6 |
70,0 |
| 1215 |
4999 |
9,1 |
1157,2 |
70,5 |
| 1337 |
5500 |
9,6 |
1341,4 |
71,0 |
| 1458 |
6006 |
10,1 |
1543,4 |
71,5 |
Таблиця 3.13
– Втрати потужності при випробуваннях конфігурації В і температурі оливи 80 0
С
| Частота обертання осі, об/хв. |
Частота обертання валу електродвигуна, об/хв. |
Крутний момент на осі, Н·м |
Втрати, Вт |
Температура оливи, 0
С |
| 122 |
502 |
4,0 |
50,2 |
82,5 |
| 243 |
1000 |
4,4 |
111,9 |
82,0 |
| 365 |
1502 |
5,5 |
210,7 |
80,5 |
| 486 |
1999 |
6,1 |
309,0 |
80,5 |
| 608 |
2501 |
6,6 |
420,0 |
80,5 |
| 729 |
2999 |
7,2 |
550,9 |
81,0 |
| 851 |
3501 |
7,8 |
694,8 |
81,0 |
| 972 |
3999 |
8,2 |
834,2 |
81,0 |
| 1094 |
4501 |
8,5 |
974,2 |
81,0 |
| 1215 |
4999 |
8,8 |
1119,1 |
81,5 |
| 1337 |
5500 |
9,2 |
1285,5 |
82,0 |
| 1458 |
6006 |
9,7 |
1482,3 |
82,0 |

Рисунок 3.23
– Залежність втрат потужності від температури оливи при випробуваннях конфігурації В
3.3 Випробування системи гібридного приводу за ефективністю основних елементів
Випробування системи гібридного приводу вимагає вирішення деяких питань:
- визначення обладнання для дослідження інвертора і електродвигуна;
- планування і підготовка алгоритму регулятора, щоб максимізувати крутний момент і забезпечувати його зміну;
- вирішення проблеми зворотного зв’язку для управління електродвигуном;
- обладнання дає при дослідженнях результат з частковою похибкою;
- використання моделі електродвигуна для випробування/підтвердження алгоритму регулятора;
- підготовка системи збору даних;
- калібрування всього обладнання і перевірка всіх давачів.
Метою повного дослідження автомобіля з гібридною системою приводу є опис робочих характеристик електродвигуна, інвертора, підвищувального конвертера. Це не обов’язково відобразить принцип дії цих елементів в транспортному засобі з гібридною системою приводу, оскільки їх режим роботи задаються електронним контрольним приладом, а скоріше дасть поняття про властивості такого автомобіля по максимізації крутного моменту чи ефективності при повному діапазоні швидкостей. Таким чином, ці дослідження дають «закриту» інформацію про автомобіль з гібридним приводом, і дані, які повністю визначають потенціал робочих характеристик, без опису процесу їх керування.
3.3.1 Опис лабораторного обладнання
Схема лабораторного обладнання для дослідження робочих характеристик Пріус зображена на рисунку 3.25. На рисунку зображено комп’ютерні системи для керування системою КЕУ, для вимірювання теплових і електричних параметрів в реальному часі, для отримання і зберігання даних. З рисунку видно, що система автоматичних аналізаторів Yokogawa PZ 4000 і збору даних Keithley 2700 збирають всі електричні, теплові і механічні параметри. Система охолодження із зворотнім зв’язком використовується, щоб регулювати температуру і розхід охолоджуючої рідини, яка відправляється інвертору і постійному магніту синхронного двигуна.
Електродвигун для цих випробувань був змінений так, щоб ротор безпосередньо з’єднувався з валом динамометра, що дозволило валу динамометра обертатися разом із ротором електродвигуна. Це виключає проблеми, пов’язані з втратами потужності в зачепленнях шестерень. На рисунку 3.24 показано фотографію лабораторної установки і елементів, які тестуються на кінцевому етапі випробувань. В кінці випробувань двигун Solectria замінили синхронним двигуном фірми UQM, щоб забезпечити додаткове навантаження на великих швидкостях.

Рисунок 3.24
– Фотографія лабораторної установки для дослідження робочих характеристик
Рисунок 3.25
– Схема лабораторної установки для дослідження робочих характеристик автомобіля з гібридною системою приводу

3.3.2 Загальний план випробувань і перевірки результатів
Цей розділ визначає: обладнання для дослідження робочих характеристик електродвигуна і інвертора; дані для вибору обладнання; дослідження даних ефективності інвертора.
Загальний план випробувань
Вимірювальні дані були отримані від великої кількості давачів і автоматичного аналізатора. Вловлювач крутного моменту фірми Himmelstein встановлений між електродвигуном і динамометром. Він забезпечує навантаження вала електродвигуна. Також встановлено зовнішнє обладнання для вимірювання і регулювання температури охолоджуючої рідини. Результати досліджень електродвигуна отримані, використовуючи систему автоматичних аналізаторів Yokogawa PZ 4000. Давачі, розташовані в інверторі, магнітному статорі синхронного електродвигуна(МССД) , кріпленнях динамометра, забезпечують отримання електричних і теплових величин. При зборі експериментальних даних накладалися певні обмеження, пов’язані з діапазоном зміни швидкості обертання ротора електродвигуна і максимальним навантаженням на нього. Ці обмеження зображені на рисунку 3.17. Випробування обмежувалися максимальною частотою електродвигуна (6000 об/хв.), і, з даних виробника, – довготривалою потужністю (30 кВт) і максимальною потужністю(50 кВт) при 1200-5000 об/хв. для часу 20с. Експериментальні дані не обов’язково можуть співпадати з наведеними. Максимальний крутний момент становить 400 Н·м при 1-1200 об/хв., причому це значення обмежується часом.

Рисунок 3.26
– Залежність максимального значення крутного моменту від частоти обертів електродвигуна
Інші важливі дані приведені в таблиці 3.14.
Таблиця 3.14
– Значення температур елементів системи
| Параметр |
Значення |
Обгрунтування |
| Максимальна температура охолоджуючої оливи, 0
С |
≈160-170 |
Для підтримання ефективного охолодження |
| Максимальна температура обмотки статора, 0
С |
200 |
Підняття границь – див. нижче |
| Нормальна температура в системі охолодження, 0
С |
65 |
Згідно [13] |
| Типова температура в системі охолодження, 0
С |
55 |
Згідно експериментів* |
| Мінімальна витрата охолоджуючої рідини згідно виробника, л/хв. |
10 |
Згідно [13] |
| Фактична витрата охолоджуючої рідини , л/хв. |
10,6 |
Використовується перевірений насос |
* Як показують дані випробувань, при помірному міському їздовому циклі температура в системі охолодження не перевищувала 50 0
С і 60 0
С в більшості необхідних їздових циклів. Тому прийнята температура 55 0
С.
В транспортному засобі Пріус встановлений тепловий захист статора при температурі 174 0
С, що показує клас Н захисту охолодження електродвигуна. Клас Н дозволяє нагрівання до 180 0
С при середньому часі роботи електродвигуна 20000 год. Дані показують, що при нагріванні електродвигуна до температури 200 0
С його час роботи скорочується до 5000 год.
В системі гібридного приводу використовуються двигуни не стабільні в роботі. Електродвигун Пріус повинен розвивати крутні моменти в границях 300-400 Н·м тільки на кілька секунд в процесі високого пришвидшення. Тому двигун не призначений ні для чого більше. Проте для дослідження і побудови карт робочих характеристик необхідно працювати в високому діапазоні крутного моменту при тривалому часі. Тому, при випробуваннях, для захисту статора від перегріву, встановлюється швидша циркуляція охолоджуючої рідини, а в деяких випадках і дуже висока. При випробуванні робочих характеристик інвертора і електродвигуна температура рідини становила 55 0
С при витраті 7 л/хв. При випробуваннях високого крутного моменту температура рідини знижувалась, а її витрата зростала до 10 л/хв. Вентилятор направлений на кожух електродвигуна для реальної імітації руху транспортного засобу Керування струмом інвертора проводилось на основі алгоритмів регулятора. Випробування проводилось при змінах швидкості і навантаження електродвигуна в кілька етапів. При малих швидкостях обертання ротора, вимірювання проводили через кожні 100-200 об/хв., при високих швидкостях, коли ефективність змінюється більш поступово, вимірювання проводили що 400-500 об/хв. При кожній швидкості крутний момент збільшували в декілька етапів. Дані реєструвалися кожні 10 Н·м для навантаження аж до 120%, причому температурні границі не порушувались. В кожній точці швидкості і крутного моменту вимірювався постійний струм для того щоб знайти мінімальний необхідний рівень, якому відповідає найвища ефективність електродвигуна. Кожна точка вимірювання не утримувалась довше 30 с, якщо температурні границі могли бути порушені. При вимірюванні 10 чи більше точок, використовувались середні значення для виключення ефекту розсіювання. Струм інвертора і форми хвилі напруги були зареєстровані при роботі електродвигуна на частотах 1200 і 2500 об/хв. з максимальним номінальним крутним навантаженням.
Здійснення вибірки результатів
Незалежно від швидкості і електричної частоти, використовувався діапазон, що містить щонайменше п’ять фундаментальних циклів для кожної випробувальної швидкості. Це забезпечує те, що інформація не пропущена і потужність виміряна послідовно. Щоб забезпечити додаткову послідовність, автоматичний аналізатор під’єднувався до однієї із фаз змінного струму. Так як частота замірів змінюється з тривалістю вимірювань і швидкістю випробувань, то визначена тривалість вимірювань не використовувалася в процесі всіх випробувань, але може бути приближена для отримання вимірювань з частотою 2,5 зразка за секунду. Програма отримання і накопичення даних записувала дані із множини давачів кожні 4-5 с. Для кожної швидкості і крутного моменту було отримано щонайменше 5 результатів, кожен з яких записувався в рядки великоформатної таблиці. Тому, після проведення експерименту отримані дані співставлялися і перевірялися; результати, що відповідали вірним, зареєстровувалися. Крім цього, дані для кожної операції були усереднені і карта ефективності, зображена нижче, побудована використовуючи середні значення.
Дослідження високої ефективності інвертора
На протязі випробувань інвертора, при визначених швидкостях і навантаженнях, отримані дані, що засвідчують високу ефективність інвертора в межах 99%, що виявилось неочікуваним. Оскільки використовувались тільки відрегульовані інструменти і давачі, то похибка (якщо така існує) могла бути викликана тільки шумами електромагнітних хвиль, що спостерігаються в сигналах вихідного струму інвертора. Визначено декілька рішень і спеціальних випробувань для перевірки результатів.
Для підвищення ефективності досліджень визначено зробити наступні зміни:
- отримати додаткові результати, використовуючи шунтування внутрішнього струму, щоб порівняти їх з даними результатами;
- розташувати автоматичний аналізатор і трансформатор ближче до електродвигуна і інвертора, використовуючи коротші провідники;
- використовувати трансформатор, влаштований в інвертор;
- шукати причину появи високого магнітного поля;
- дослідити той факт, що при видаленні сигналу напруги 500В, що йде на один із входів аналізатора потужності Yokogawa, шум електромагнітного поля знижується.
Найкращий результат вищевказаного дослідження було отримано при проведені випробувань для перевірки раніше отриманих результатів.
Спеціальні випробування включали наступне:
- використовувалося шунтування – випробування проводилися при низькому струмі і використовуючи внутрішнє шунтування приладу Yokogawa, що є, напевне, найточнішим налаштуванням для вимірювань. Три фази інвертора-двигуна були розділені через автоматичний аналізатор для випробування. Результати відповідали більш раннім випробуванням при використанні трансформатора струму на трьохфазних лініях;
- використання фільтрування – дані отримані з і без використання фільтрів не мали істотних розбіжностей при вимірюванні потужності і ефективності;
- використання псевдо нейтралі – отримані дані, при використанні зовнішньої псевдо нейтралі на трифазній лінії, істотно не відрізнялися від даних, отриманих раніше при вимірюванні потужності і ефективності;
- ізоляція лінії – вхід/вихід інвертора було ввімкнено/розімкнено з аналізатором у всіх комбінаціях, щоб перевірити ізоляцію ліній. Таким чином, електричні дані подавались з входу/виходу інвертора прямо на аналізатор. І знову ніяких суттєвих розбіжностей в результатах вимірювання потужності і ефективності не спостерігалося.
Вищевказані випробування підвищили рівень оцінки і показали, що дійсно при різних навантаженнях інвертор показав високу ефективність роботи. Корисна дія інвертора, як очікується, буде високою і в експлуатаційних режимах, починаючи із вибору ширини імпульсу сигналу керування і до створення максимальної напруги, що подається на електродвигун.
3.3.3 Випробування системи електродвигун-інвертор і карти їх ефективності
Цей розділ забезпечує даними для побудови карт ефективності робочих характеристик основних складових системи комбінованого приводу, включаючи створення карт ефективності. Найкращі результати були отримані при високих навантаженнях, оскільки були частими високі теплові зміни в статорі. Проблем з перегрівом не було, оскільки в інвертор інтегровано автоматичний електронний модуль. Для повного навантаження при частоті нижче 1300 об/хв. використовувався допоміжний синхронний двигун, що додавав навантаження до динамометра. Контурна карта ефективності використання електродвигуна в межах 300-6000 об/хв. зображена на рисунку 3.27. Як видно з рисунку максимальна ефективність сягає 93-94% при 1750-3000 об/хв. для помірних значень крутного моменту(50-150 Н·м). Найнижчі ККД спостерігаються в кількох областях краю контуру, особливо при малих швидкостях і високих значення крутного моменту. Так як одним із першочергових застосувань електродвигуна було пришвидшувати транспортний засіб, то такий ефект при низьких швидкостях має велике значення.

Рисунок 3.27
– Контурна карта ефективності електродвигуна
Контурна карта ефективності інвертора в межах 300-6000 об/хв показана на рисунку 3.28. З карти видно, що область високих ККД інвертора, близько 98-99 %, лежить вище 1800 об/хв. Хоча межі позначають зміну ККД на 1%, проте ККД, позначені як «99», мали ефективність 99% в 23 точках швидкості/крутного моменту, 99,1% – в 13 положеннях швидкості/крутного моменту, 99,2% – в 6 точках швидкості/крутного моменту, вище 99,2% – лише в одній точці. На більш низьких швидкостях електродвигуна, ККД інвертора поступово опускається до 92% і нижче в невеликих областях карти. Зрозуміло, що рівні крутних моментів електродвигуна в загальному мають невеликий вплив на ефективність інвертора.
Об’єднану контурну карту ефективності системи електродвигун-інвертор в межах 400-6000 об/хв. показано на рисунку 3.29. ККД системи електродвигун-інвертор знаходиться в межах 92-93% при 2200-3000 об/хв. (в залежності від навантаження) і помірних значеннях крутного моменту (60-140 Н·м). Найнижчий ККД спостерігається в областях швидкості нижче 1500 об/хв., особливо при високих навантаженнях.
Підсумковий набір механічних, експлуатаційних, електричних і теплових результатів, отриманих при дослідженні робочих характеристик наводяться в таблицях додатку.

Рисунок 3.28
– Контурна карта ефективності інвертора

Рисунок 3.29
– Об’єднана контурна карта ефективності системи електродвигун-інвертор
3.3.4 Випробування підвищувального конвертера і карти його ефективності
Цей розділ містить інформацію про підвищувальний конвертер, основану на дослідженнях системи конвертера, інвертора, електродвигуна. Випробування підвищувального конвертера було проведене при мінімальному, середньому і максимальному значеннях вихідної напруги. Робочі характеристики конвертера не були опротестовані. Вхідна напруга на підвищувальний конвертер встановлена 233 В на протязі випробувань. Ця напруга обґрунтовувалась результатами випробувань їздового циклу, які показали, що змінна напруга на вході конвертера становила близько 230 В. Напруга батареї становить 201,6 В, очевидно, що генератор відповідальний за підняття напруги в процесі руху транспортного засобу. Напруга на виході конвертера була встановлена рівною 233, 342 і 500 В, що утворює три частини випробувань.
Випробування конвертера виконувались при наступних умовах:
- частота обертання ротора електродвигуна 1500 об/хв.;
- крутний момент на валу електродвигуна 0-130 Н·м з приростом кожні 10 Н·м;
- механічна потужність на валу електродвигуна 0-20,4 кВт;
- температура електродвигуна, конвертера і інвертора зберігалась рівною 55 0
С;
- діапазон вихідної потужності підвищувального конвертера 0-25 кВт;
- питома витрата охолоджуючої рідини 7л/хв.

Рисунок 3.30
– Залежність ККД підвищувального конвертера від вихідної потужності
Рисунок 3.30 показує ефективність підвищувального конвертера при різних значеннях вихідної потужності для трьох значень вихідної напруги. Рисунок 3.31 показує ефективність підвищувального конвертера при різних значеннях вихідного струму. В результатах видно коливання кривої, що пояснюється пристосуванням системи. Найочевидніший висновок – ефективність знижується при зростанні вихідної напруги підвищувального конвертера. Додатково, для всіх трьох вихідних напруг ККД конвертера є найнижчим при великій вихідній напрузі.

Рисунок 3.31
– Залежність ККД підвищувального конвертера від вихідного струму
Навантаження електродвигуна, ККД і електричні дані , отримані від випробування конвертера зведені в таблицю 3.15. Дані представлені в трьох розділах, щоб показати результати при використанні трьох різних встановлених вихідних напруг конвертера.
Таблиця 3.15
– Результати випробування підвищувального конвертера, включаючи навантаження електродвигуна, ККД і електричні параметри
| Крутний момент, Н·м |
ККД, % |
Потужність, Вт |
Вхідні сер. знач. |
Вихідні сер. знач. |
| Кон-вертер |
Ел. двигун-інвер-тор |
Разом |
Вхідна |
Вихідна |
Меха-нічна |
Напру-га, В |
Струм,А |
Напру-га, В |
Струм,А |
| 10,00 |
97,7 |
85,2 |
83,2 |
1888 |
1844 |
1571 |
232 |
8,6 |
236 |
9,3 |
| 20,00 |
98,1 |
86,8 |
85,1 |
3690 |
3621 |
3142 |
232 |
16,2 |
235 |
16,9 |
| 30,00 |
98,4 |
91,7 |
90,2 |
5222 |
5138 |
4712 |
232 |
22,8 |
235 |
23,2 |
| 40,00 |
98,7 |
91,6 |
90,4 |
6951 |
6860 |
6283 |
232 |
30,2 |
235 |
30,2 |
| 50,00 |
98,7 |
90,3 |
89,1 |
8813 |
8695 |
7854 |
232 |
38,6 |
234 |
38,2 |
| 60,00 |
98,6 |
91,5 |
90,2 |
10446 |
10295 |
9425 |
232 |
45,3 |
234 |
46,2 |
| 70,00 |
98,6 |
92,1 |
90,8 |
12104 |
11934 |
10996 |
232 |
52,5 |
234 |
54,5 |
| 80,00 |
98,5 |
90,8 |
89,5 |
14046 |
13838 |
12566 |
232 |
60,9 |
233 |
63,7 |
| 90,00 |
98,2 |
88,6 |
87,1 |
16240 |
15955 |
14137 |
232 |
70,5 |
233 |
74,6 |
| 100,00 |
98,1 |
86,7 |
85,0 |
18470 |
18118 |
15708 |
231 |
80,4 |
232 |
87,2 |
| Крутний момент, Н·м |
ККД, % |
Потужність, Вт |
Вхідні сер. знач. |
Вихідні сер. знач. |
| Кон-вертер |
Ел. двигун-інвер-тор |
Разом |
Вхідна |
Вихідна |
Меха-нічна |
Напру-га, В |
Струм,А |
Напру-га, В |
Струм,А |
| 110,00 |
97,7 |
84,3 |
82,4 |
20965 |
20492 |
17279 |
231 |
91,1 |
232 |
98,7 |
| 120,00 |
98,8 |
81,5 |
79,7 |
23650 |
23119 |
18850 |
231 |
102,6 |
231 |
110,9 |
| 130,00 |
97,4 |
80,2 |
78,2 |
26118 |
25449 |
20420 |
231 |
113,3 |
231 |
118,9 |
| 10,00 |
98,1 |
80,8 |
79,3 |
1982 |
1944 |
1571 |
231 |
8,7 |
358 |
7,5 |
| 20,00 |
97,5 |
88,6 |
86,4 |
3636 |
3544 |
3142 |
231 |
16,4 |
345 |
13,9 |
| 30,00 |
98,0 |
88,7 |
87,0 |
5418 |
5311 |
4712 |
231 |
24,0 |
345 |
20,2 |
| 40,00 |
97,9 |
90,2 |
88,3 |
7119 |
6966 |
6283 |
231 |
31,5 |
344 |
25,7 |
| 50,00 |
98,1 |
91,4 |
89,7 |
8753 |
8589 |
7854 |
231 |
38,6 |
344 |
30,2 |
| 60,00 |
98,2 |
91,8 |
90,2 |
10454 |
10267 |
9425 |
231 |
46,1 |
343 |
34,8 |
| 70,00 |
98,0 |
92,0 |
90,2 |
12186 |
11946 |
10996 |
231 |
53,3 |
343 |
39,4 |
| 80,00 |
97,8 |
92,4 |
90,4 |
13903 |
13602 |
12566 |
231 |
60,8 |
342 |
44,1 |
| 90,00 |
97,8 |
90,2 |
88,2 |
16022 |
15676 |
14137 |
231 |
70,2 |
341 |
57,0 |
| 100,00 |
97,8 |
90,7 |
88,7 |
17710 |
17314 |
15708 |
231 |
77,6 |
341 |
60,6 |
| 110,00 |
97,7 |
91,2 |
89,0 |
19407 |
18956 |
17279 |
230 |
85,2 |
340 |
64,2 |
| 120,00 |
97,5 |
91,6 |
89,2 |
21120 |
20583 |
18850 |
230 |
92,5 |
339 |
67,8 |
| 130,00 |
97,3 |
92,2 |
89,8 |
22751 |
22146 |
20420 |
230 |
99,5 |
339 |
71,1 |
| 10,00 |
95,5 |
82,3 |
78,5 |
2000 |
1910 |
1571 |
231 |
9,6 |
495 |
6,3 |
| 20,00 |
97,5 |
86,6 |
84,5 |
3719 |
3627 |
3142 |
231 |
16,7 |
468 |
11,8 |
| 30,00 |
97,4 |
89,1 |
86,8 |
5429 |
5286 |
4712 |
231 |
24,6 |
463 |
16,7 |
| 40,00 |
97,4 |
89,6 |
87,3 |
7199 |
7012 |
6283 |
231 |
32,5 |
462 |
21,4 |
| 50,00 |
97,7 |
90,4 |
88,4 |
8889 |
8685 |
7854 |
231 |
40,0 |
461 |
25,7 |
| 60,00 |
97,5 |
90,2 |
87,9 |
10721 |
10449 |
9425 |
231 |
48,1 |
460 |
30,3 |
| 70,00 |
97,8 |
90,3 |
88,4 |
12440 |
12172 |
10996 |
231 |
55,4 |
460 |
35,0 |
| 80,00 |
97,5 |
90,0 |
87,8 |
14314 |
13958 |
12566 |
230 |
63,3 |
458 |
39,8 |
| 90,00 |
97,6 |
91,5 |
89,2 |
15845 |
15458 |
14137 |
230 |
69,6 |
458 |
44,1 |
| 100,00 |
96,9 |
91,7 |
88,9 |
17670 |
17129 |
15708 |
230 |
77,6 |
457 |
47,6 |
| 110,00 |
96,8 |
91,6 |
88,7 |
19482 |
18866 |
17279 |
230 |
85,5 |
456 |
51,3 |
| 120,00 |
97,0 |
91,3 |
88,5 |
21302 |
20656 |
18850 |
230 |
93,5 |
455 |
56,6 |
| 130,00 |
96,7 |
91,5 |
88,5 |
23083 |
22322 |
20420 |
230 |
101,3 |
454 |
60,2 |
4. Дослідження теплових характеристик комбінованої енергетичної установки
4.1 Місця розташування термопар
На рисунку 4.1 показано місця розташування термопар для випробування комбінованої енергетичної установки. Термопари в пазах електродвигуна позначені W1, W2, і W3. Зовнішні місця розташування термопари позначені Т1, Т2, Т3, Т6, Т9, Т10, Т11. Числа в позначеннях місця розташування термопар приблизно збігаються із положеннями годин на годиннику, якщо дивитись від кінця електродвигуна. Також встановлені термопари для визначення температури оливи і водно-етиленових гліколей.

Рисунок 4.1
– Місця розташування термопари в електродвигуні
4.2 Опис лабораторної установки
Лабораторна установка розроблена для використання частоти 60 Гц при живленні електродвигуна не використовуючи інвертор. Це дасть гарну синусоїдальну форму хвилі для живлення електродвигуна, не беручи до уваги вплив інвертора при його роботі. Результат перегріву, отриманий від синусоїдальної форми хвилі був би найкращим для дослідження. Оскільки частота джерела живлення рівна 60 Гц, то частота досліджуваного 8-ми полюсного електродвигуна рівна 900 об/хв..
Оцінка електродвигуна Пріус при обертанні його ротора з частотою 1200 об/хв. може бути підрахована при апроксимації результатів отриманих під час дослідження ротора, що обертався з частотою 900 об/хв., що не викличе великої помилки. На рисунку 4.2 зображена схема лабораторної установки. Електродвигун, що досліджується, зображений у вершині схеми. Його вал з'єднаний з динамометром через вказувач крутного моменту. Інший кінець динамометричного вала з'єднаний з ротором двигуна з регульованою частотою обертання, що може утримувати частоту обертання ротора електродвигуна Пріус на позначці 900 об/хв. при частоті джерела живлення 60 Гц.

Рисунок 4.2
– Схема лабораторної установки, для дослідження теплових характеристик КЕУ
Із схеми видно, що струм трифазної мережі проходить через трансформатор, який понижує напругу із 480В до 120В. Трифазний перемикач синхронізації й три лампочки використовуються, щоб під'єднати електродвигун до мережі. Перемикач синхронізації включений, коли всі три лампочки темні. Система охолодження з’єднана з регулятором температури і регулятором швидкості циркуляції водно-етилен гліколевої рідини в системі охолодження.
На рисунку 4.3 показано з’єднання валів у лабораторній установці: електродвигуна, що підтримує необхідну частоту обертів електродвигуна Пріус, динамометра, вимірювача крутного моменту і електродвигуна Пріус.

Рисунок 4.3
– З’єднання валів у лабораторній установці
Вид збоку з’днання валів у лабораторній установці зображено на рис 4.4.
На рисунку 4.5 показано регулювання температури й регулювання витрати водно-етилен гліколевої рідини, що використовується для випробувань підвищення температури. Термопари розміщені на вході і виході рідини теплообмінника, що приєднаний до електродвигуна.

Рисунок 4.4
– Вид збоку з’єднання валів у лабораторній установці

Рисунок 4.5
– Регулювання температури й витрати водно-етиленових гліколей
4.3 Опис джерела для живлення навантажувального електродвигуна
Щоб вивчати перегрів електродвигуна і зв'язані із ним теплові проблеми керування теплом, використовується електроживлення частотою 60 Гц, що забезпечує синусоїдальну форму хвилі, при відокремленні впливу інвертора на електродвигун. На рисунку 4.6 зображено трифазний регульований трансформатор, що перетворює напругу з 480В на 120В, ряд ламп синхронізації, і перемикач синхронізації, що з’єднує електродвигун Пріус з електромережею 60 Гц.

Рисунок 4.6
– Система електроживлення частотою 60 Гц для випробування електродвигуна на перегрівання

Рисунок 4.7
– Облаштування приміщення керування
На рисунку 4.7 показано набір установок в приміщенні керування. Вікно безпеки відокремлює приміщення перевірки й приміщення керування. Контрольно-вимірювальний пристрій даних з’єднаний із пристроєм одержання й нагромадження даних для того, щоб читати струм, напругу, температуру, електрорушійну силу, витрату, крутний момент і час. Ватметр забезпечує вимірювання електричних даних, регулятор крутного моменту встановлює навантаження для підтримання необхідної частоти, контрольно-вимірювальний пристрій навантажувального кута вказує електричний кут між напругою на затискачах і зворотною ЕРС, і регулювання напруги здійснюється трансформатором, що розташований в приміщенні керування.
4.4 Теплові дослідження КЕУ
Механічні втрати при випробуванні
Електродвигун системи гібридного приводу обертав допоміжний двигун з частотою 900 об/хв. в режимі марного ходу. При цьому були визначені механічні втрати при чотирьох температурах охолоджуючої рідини: 35, 50, 75 і 105ºC. Таблиця 4.1 підсумовує дані механічних втрат.
Таблиця 4.1
– Результати механічних втрат
| Тем-ра охол. рідини на вході |
Частота обертання ротора, об/хв. |
Частота обертання ротора, рад/с. |
Крутний момент, Н∙м |
Механічні втрати, Вт |
| 35 |
900 |
94,25 |
1,7 |
160,2 |
| 50 |
900 |
94,25 |
1,7 |
160,2 |
| 75 |
900 |
94,25 |
1,7 |
160,2 |
| 105 |
900 |
94,25 |
1,6 |
150,8 |
Електродвигун Пріус був перевірений при частоті обертання ротора 900 об/хв., температурі охолоджуючої рідини 35 0
С і напрузі на вході від 80 В до 210 В. Дані випробування при марному режимі роботи зведені в таблицю 4.2. Рисунки 4.8 і 4.9 показують залежність струму і потужності, відповідно, від напруги в режимі марного ходу.
Механічні й електричні втрати без використання навантаження використовуються, щоб встановити місця розташування втрат, для кращого аналізу температурних змін.
Перевірки були виконані, щоб визначити оптимальну напругу, яку необхідно підводити при даному крутному моменті до електродвигуна, якого пускають без навантаження. Крутний момент збільшували з кроком 10 Н∙м, а напругу – 5 В. Оптимальна напруга була визначена при найвищому ККД.
Випробування було виконано при кожній із чотирьох температур охолоджуючої рідини. Температура обмоток не перевищувала 170ºC , а оливи в системі мащення 158ºC, протягом випробувань. Таблиці 4.3, 4.4, і 4.5 підсумовують роботу електродвигуна при 35, 50 і 75ºC.
Таблиця 4.2
– Дані, отримані під час випробувань без навантаження
| Напруга живлення, В |
Крутний момент, Н∙м |
Частота обертання ротора, об/хв. |
Частота обертання ротора, рад/с. |
Механічна потужність, Вт |
Електрична потужність, Вт |
Струм, А |
Температура обмотки, 0
С |
Температура оливи, 0
С |
| 80 |
0 |
900 |
94,2 |
0 |
210 |
1,9 |
33,7 |
33,1 |
| 85 |
0 |
900 |
94,2 |
0 |
220 |
3,8 |
33,7 |
33,2 |
| 90 |
0 |
900 |
94,2 |
0 |
230 |
7,7 |
33,7 |
33,2 |
| 95 |
0 |
900 |
94,2 |
0 |
240 |
11 |
33,8 |
33,3 |
| 100 |
0 |
900 |
94,2 |
0 |
270 |
14,6 |
34 |
33,4 |
| 105 |
0 |
900 |
94,2 |
0 |
280 |
18,3 |
34,4 |
33,5 |
| 110 |
0 |
900 |
94,2 |
0 |
320 |
21,7 |
34,9 |
33,7 |
| 115 |
0 |
900 |
94,2 |
0 |
360 |
24,9 |
35,4 |
33,9 |
| 120 |
0 |
900 |
94,2 |
0 |
400 |
27,5 |
36,1 |
34,1 |
| 125 |
0 |
900 |
94,2 |
0 |
440 |
30,1 |
37 |
34,5 |
| 130 |
0 |
900 |
94,2 |
0 |
480 |
31,4 |
37,9 |
34,9 |
| 135 |
0 |
900 |
94,2 |
0 |
500 |
34,3 |
39,1 |
35,2 |
| 140 |
0 |
900 |
94,2 |
0 |
530 |
37 |
40,5 |
35,7 |
| 145 |
0 |
900 |
94,2 |
0 |
580 |
39 |
41,7 |
36,1 |
| 150 |
0 |
900 |
94,2 |
0 |
640 |
41,6 |
43,2 |
36,7 |
| 155 |
0 |
900 |
94,2 |
0 |
700 |
44,8 |
44,7 |
37,2 |
| 160 |
0 |
900 |
94,2 |
0 |
780 |
48,7 |
46,3 |
37,8 |
| 165 |
0 |
900 |
94,2 |
0 |
870 |
52,5 |
48,3 |
38,5 |
| 170 |
0 |
900 |
94,2 |
0 |
930 |
54,5 |
50,5 |
39,5 |
| 175 |
0 |
900 |
94,2 |
0 |
1,170 |
63,3 |
54,5 |
40,7 |
| 180 |
0 |
900 |
94,2 |
0 |
1,310 |
67,3 |
59,1 |
42,3 |
| 185 |
0 |
900 |
94,2 |
0 |
1,670 |
77,5 |
65,1 |
44,6 |
| 190 |
0 |
900 |
94,2 |
0 |
1,900 |
82,4 |
79,5 |
50 |
| 195 |
0 |
900 |
94,2 |
0 |
2,250 |
89,8 |
85,7 |
53,1 |
| 200 |
0 |
900 |
94,2 |
0 |
2,960 |
103,8 |
100,7 |
59,4 |
| 205 |
0 |
900 |
94,2 |
0 |
4,040 |
119,6 |
119,5 |
65,8 |

Рисунок 4.8
– Залежність струму від напруги при 900 об/хв. в марному режимі

Рисунок 4.9
– Залежність потужності від напруги при 900 об/хв. в марному режимі
Таблиця 4.3
– Залежність крутного моменту від напруги при температурі охолоджувальної рідини 35 0
С
| Напруга живлен-ня, В |
Крутний момент, Н∙м |
Частота обертан-ня ротора, об/хв. |
Частота обертан-ня ротора, рад/с. |
Механічна потуж-ність, Вт |
Електрик-на потуж-ність, Вт |
ККД |
Струм, А |
Коеф. потуж-ності |
Тем-ра обмотки, 0
С |
Тем-ра оливи, 0
С |
| 85 |
0 |
900 |
94,25 |
0 |
130 |
3,5 |
29,6 |
27,8 |
| Напруга живлен-ня, В |
Крутний момент, Н∙м |
Частота обертан-ня ротора, об/хв. |
Частота обертан-ня ротора, рад/с. |
Механічна потуж-ність, Вт |
Електрик-на потуж-ність, Вт |
ККД |
Струм, А |
Коеф. потуж-ності |
Тем-ра обмотки, 0
С |
Тем-ра оливи, 0
С |
| 85 |
10 |
900 |
94,25 |
942 |
1,030 |
0,92 |
7,3 |
0,96 |
35,3 |
34,1 |
| 90 |
20 |
900 |
94,25 |
1,885 |
2,030 |
0,93 |
13,3 |
0,98 |
37 |
35,1 |
| 100 |
30 |
900 |
94,25 |
2,827 |
3,000 |
0,94 |
18,8 |
0,92 |
39,5 |
36,9 |
| 105 |
40 |
900 |
94,25 |
3,770 |
4,020 |
0,94 |
23,9 |
0,93 |
41,7 |
38 |
| 115 |
50 |
900 |
94,25 |
4,712 |
5,030 |
0,94 |
28,5 |
0,89 |
45,9 |
41,6 |
| 120 |
60 |
900 |
94,25 |
5,655 |
6,070 |
0,93 |
33 |
0,89 |
48,7 |
43,1 |
| 130 |
70 |
900 |
94,25 |
6,597 |
7,070 |
0,93 |
37,3 |
0,84 |
56,2 |
49,7 |
| 130 |
80 |
900 |
94,25 |
7,540 |
8,090 |
0,93 |
41,6 |
0,86 |
61,2 |
52,5 |
| 135 |
90 |
900 |
94,25 |
8,482 |
9,130 |
0,93 |
45,7 |
0,86 |
68,0 |
58 |
| 140 |
100 |
900 |
94,25 |
9,425 |
10,190 |
0,92 |
50,1 |
0,84 |
73,9 |
60,8 |
| 150 |
110 |
900 |
94,25 |
10,367 |
11,260 |
0,92 |
54,5 |
0,80 |
83,2 |
68,2 |
| 150 |
120 |
900 |
94,25 |
11,310 |
12,310 |
0,92 |
58,7 |
0,81 |
92,7 |
75,1 |
| 150 |
130 |
900 |
94,25 |
12,252 |
13,440 |
0,91 |
63,2 |
0,82 |
101,8 |
80,4 |
| 155 |
140 |
900 |
94,25 |
13,195 |
14,560 |
0,91 |
67,6 |
0,80 |
109,7 |
84,4 |
| 160 |
150 |
900 |
94,25 |
14,137 |
15,710 |
0,90 |
72,3 |
0,79 |
120,8 |
91,2 |
| 165 |
160 |
900 |
94,25 |
15,080 |
16,910 |
0,89 |
77,1 |
0,77 |
136,8 |
101,2 |
| 165 |
170 |
900 |
94,25 |
16,022 |
18,180 |
0,88 |
82,4 |
0,77 |
159,2 |
115,5 |
Таблиця 4.4
– Залежність крутного моменту від напруги при температурі охолоджувальної рідини 50 0
С
| Напруга живлення, В |
Крутний момент, Н∙м |
Частота обертання ротора, об/хв. |
Частота обертання ротора, рад/с. |
Механічна потуж-ність, Вт |
Електрик-на потуж-ність, Вт |
ККД |
Струм, А |
Коеф. потуж-ності |
Тем-ра обмотки, 0
С |
Тем-ра оливи, 0
С |
| 80 |
0 |
900 |
94,25 |
0 |
140 |
1,5 |
51 |
50,5 |
| 85 |
10 |
900 |
94,25 |
942 |
1,090 |
0,86 |
7,8 |
0,95 |
51,8 |
51,2 |
| 90 |
20 |
900 |
94,25 |
1,885 |
2,060 |
0,92 |
13,9 |
0,95 |
54,2 |
53 |
| 100 |
30 |
900 |
94,25 |
2,827 |
3,070 |
0,92 |
19,4 |
0,91 |
57,2 |
55,3 |
| 105 |
40 |
900 |
94,25 |
3,770 |
4,070 |
0,93 |
24,3 |
0,92 |
60,7 |
57,7 |
| 115 |
50 |
900 |
94,25 |
4,712 |
5,070 |
0,93 |
29,0 |
0,88 |
64,8 |
60,3 |
| 120 |
60 |
900 |
94,25 |
5,655 |
6,090 |
0,93 |
33,4 |
0,88 |
68,6 |
62,5 |
| 130 |
70 |
900 |
94,25 |
6,597 |
7,110 |
0,93 |
37,5 |
0,84 |
71,1 |
63 |
| 130 |
80 |
900 |
94,25 |
7,540 |
8,140 |
0,93 |
42,3 |
0,86 |
79,4 |
69,8 |
| 135 |
90 |
900 |
94,25 |
8,482 |
9,190 |
0,92 |
46,4 |
0,85 |
85,5 |
73,7 |
| 140 |
100 |
900 |
94,25 |
9,425 |
10,220 |
0,92 |
50,6 |
0,83 |
90,2 |
75,4 |
| 140 |
100 |
900 |
94,25 |
9,425 |
10,220 |
0,92 |
50,6 |
0,83 |
90,2 |
75,4 |
| 150 |
110 |
900 |
94,25 |
10,367 |
11,310 |
0,92 |
55,1 |
0,79 |
104 |
86,3 |
| 150 |
120 |
900 |
94,25 |
11,310 |
12,400 |
0,91 |
59,3 |
0,81 |
111,7 |
90,4 |
| 150 |
130 |
900 |
94,25 |
12,252 |
13,500 |
0,91 |
63,8 |
0,82 |
119,9 |
94,5 |
| Напруга живлення, В |
Крутний момент, Н∙м |
Частота обертання ротора, об/хв. |
Частота обертання ротора, рад/с. |
Механічна потуж-ність, Вт |
Електрик-на потуж-ність, Вт |
ККД |
Струм, А |
Коеф. потуж-ності |
Тем-ра обмотки, 0
С |
Тем-ра оливи, 0
С |
| 155 |
140 |
900 |
94,25 |
13,195 |
14,720 |
0,90 |
68,1 |
0,81 |
135 |
103,6 |
| 160 |
150 |
900 |
94,25 |
14,137 |
15,800 |
0,89 |
72,9 |
0,78 |
144,1 |
107,7 |
| 165 |
160 |
900 |
94,25 |
15,080 |
17,040 |
0,88 |
78,0 |
0,77 |
160,7 |
120,3 |
Таблиця 4.5
– Залежність крутного моменту від напруги при температурі охолоджувальної рідини 75 0
С
| Напруга живлення, В |
Крутний момент, Н∙м |
Частота обертання ротора, об/хв. |
Частота обертання ротора, рад/с. |
Механічна потуж-ність, Вт |
Електрик-на потуж-ність, Вт |
ККД |
Струм, А |
Коеф. потуж-ності |
Тем-ра обмотки, 0
С |
Тем-ра оливи, 0
С |
| 85 |
0 |
900 |
94,25 |
0 |
130 |
1,2 |
59,8 |
57,3 |
| 85 |
10 |
900 |
94,25 |
942 |
1,060 |
0,89 |
7,9 |
0,91 |
66 |
63,2 |
| 90 |
20 |
900 |
94,25 |
1,885 |
2,050 |
0,92 |
14 |
0,94 |
68,5 |
65,3 |
| 100 |
30 |
900 |
94,25 |
2,827 |
3,040 |
0,93 |
19,4 |
0,91 |
71,8 |
67,7 |
| 105 |
40 |
900 |
94,25 |
3,770 |
4,040 |
0,93 |
24,5 |
0,91 |
76 |
70,8 |
| 115 |
50 |
900 |
94,25 |
4,712 |
5,050 |
0,93 |
29 |
0,88 |
79,9 |
73,3 |
| 120 |
60 |
900 |
94,25 |
5,655 |
6,060 |
0,93 |
33,6 |
0,87 |
84,7 |
76,4 |
| 130 |
70 |
900 |
94,25 |
6,597 |
7,090 |
0,93 |
37,9 |
0,83 |
89,6 |
79,3 |
| 130 |
80 |
900 |
94,25 |
7,540 |
8,130 |
0,93 |
42,5 |
0,85 |
96,3 |
84,1 |
| 135 |
90 |
900 |
94,25 |
8,482 |
9,180 |
0,92 |
46,5 |
0,85 |
103,60 |
89 |
| 140 |
100 |
900 |
94,25 |
9,425 |
10,230 |
0,92 |
50,8 |
0,83 |
110,6 |
93,4 |
| 150 |
110 |
900 |
94,25 |
10,367 |
11,330 |
0,92 |
55,5 |
0,79 |
118,8 |
97,8 |
| 150 |
120 |
900 |
94,25 |
11,310 |
12,430 |
0,91 |
60 |
0,80 |
131,9 |
106,6 |
| 150 |
130 |
900 |
94,25 |
12,252 |
13,560 |
0,90 |
64,5 |
0,81 |
140,7 |
111,6 |
| 155 |
140 |
900 |
94,25 |
13,195 |
14,770 |
0,89 |
69,1 |
0,80 |
145,9 |
114,1 |
Випробування були виконані, щоб вирішити, що можливість безперервної роботи електродвигуна, при чотирьох температурах охолоджуючої рідини на вході, забезпечується, оскільки теплові параметри машини є нижчі ніж температура обмотки статора і оливи в системі змащення. Таблиці 4.6 і 4.7 підсумовують параметри електродвигуна. Точка входу охолоджуючої рідини розміщена із сторони генератора і точка виходу – із сторони електродвигуна. Із генератора до тягового електродвигуна охолоджуюча рідина протікає через шланги. Результати вимірювань механічних втрат, втрат від опору обмотки і основних втрат для чотирьох температур охолоджуючої рідини зведені в таблиці 4.8.
Таблиця 4.6
– Можливі потужності при 900 об/хв і роботі зі стійкими параметрами
| Напруга жив-лення, В |
Крут-
ний момент, Н∙м
|
Час-
тота обертан-ня ротора, об/хв.
|
Час-
тота обертан-ня ротора, рад/с.
|
Меха-
нічна потуж-ність
Вт
|
Ефект-рик-на потуж-ність, Вт |
ККД |
Струм, А |
Коеф. потуж-ності |
Тем-ра обмотки, 0
С |
Тем-ра
оливи,
0
С
|
Тем-ра
ох. рі-ни,
0
С
|
Тривалість випробування, хв |
| 160 |
167,3 |
900 |
94,2 |
15,768 |
17970 |
0,88 |
81,6 |
0,80 |
166 |
114,3 |
34,6 |
99,1 |
| 165 |
159,6 |
900 |
94,2 |
15,042 |
17090 |
0,88 |
78 |
0,77 |
167,2 |
118,5 |
49,5 |
48,2 |
| 160 |
145,7 |
900 |
94,2 |
13,732 |
15510 |
0,89 |
72 |
0,78 |
168,5 |
118,5 |
73,9 |
66,8 |
| 150 |
117,8 |
900 |
94,2 |
11,102 |
12380 |
0,90 |
60,5 |
0,79 |
166,3 |
130,3 |
103,4 |
80,3 |
Таблиця 4.7
– Оцінки безперервного потоку потужності
| Тем-ра ох. рі-ни, 0
С |
Крутний момент, Н∙м |
Значення потужності при 900 об/хв. |
Значення потужності при 1200 об/хв. |
| 35 |
167,3 |
16 |
21 |
| 50 |
159,6 |
15 |
20 |
| 74 |
145,7 |
14 |
18 |
| 103 |
117,8 |
11 |
15 |
Таблиця 4.8
– Можливі потужності при 900 обертах у хвилину, включаючи теплові дані
| Тем-ра ох. рі-ни, 0
С |
Напруга
жив-
лення,
В
|
Крут-
ний
момент,
ъ Н∙м
|
Тем-ра
охол.
Рідини
на
вході,
0
С
|
Тем-ра охол. рідини всередині, 0
С |
Тем-ра охол. рідини на виході, 0
С |
Потік,
галон/хв.
|
Тривалість випробування, хв |
Поч.,
0
С
|
Кін, 0
С |
Поч. , 0
С |
Кін, 0
С |
| 35 |
160 |
167,3 |
34,6 |
36,0 |
37,6 |
2,4 |
90,1 |
166 |
67,8 |
114,3 |
88,6 |
| 50 |
165 |
159,6 |
49,5 |
50,3 |
51,8 |
2,4 |
163,1 |
167,2 |
114,2 |
118,5 |
48,2 |
| 75 |
160 |
145,7 |
73,9 |
74,1 |
75,1 |
2,4 |
159,1 |
168,4 |
118,3 |
125,3 |
66,8 |
| 105 |
150 |
117,8 |
103,5 |
102,6 |
102,9 |
2,4 |
149 |
166,3 |
117,3 |
130,3 |
80,3 |
Результати оцінки безперервної роботи електродвигуна при частоті обертання ротора 900 об/хв. і чотирьох різних температурах охолоджувальної рідини можуть бути обчисленні для частоти 1200 об/хв. при використанні даних крутного моменту і швидкості, наведених в таблиці 4.6. Результати розрахунку наведені нижче в таблиці 4.7. Відповідні розрахунки потужності при 1200 об/хв. розроблені при апроксимації даних досліджень 900 об/хв. і використанні множника відношення швидкостей (тобто 1200/900=1,333).
Таблиця 4.9 показує можливі потужності при частоті ротора 900 об/хв., включаючи теплові дані при різних температурах охолоджуючої рідини. Таблиця 4.9 також дає дані втрат потужності при різних температурах охолоджуючої рідини.
Таблиця 4.9
– Результати сумарних втрат
| Тем-ра ох. рі-ни, 0
С |
Напруга жив-лення, В |
Крут-ний момент, Н∙м |
Мех. потуж-ність, Вт |
Електр. потуж-ність, Вт |
Сумарні втрати, Вт |
Мех. втрати, Вт |
Втрати в обм. (І2
R), Вт |
Осн. втрати, Вт |
ККД |
Струм наван-таження, А |
Коеф. Потуж-ності |
| 35 |
160 |
167,3 |
15,768 |
17,970 |
2,202 |
160 |
1,019 |
1,023 |
0,88 |
81,6 |
0,80 |
| 50 |
165 |
159,6 |
15,042 |
17,090 |
2,048 |
160 |
935 |
952 |
0,88 |
78 |
0,77 |
| 75 |
160 |
145,7 |
13,732 |
15,510 |
1,778 |
160 |
801 |
817 |
0,89 |
72 |
0,78 |
| 105 |
150 |
117,8 |
11,102 |
12,380 |
1,278 |
151 |
560 |
567 |
0,90 |
60,5 |
0,79 |
Рисунки 4.10-4.17 показують залежність температури в давачах від часу випробувань для різних температур охолоджуючої рідини відповідно. Для безперервної роботи електродвигуна необхідно, щоб температура статора не перевищувала гранично допустимої (170 0
С), а температура оливи в системі мащення не перевищувала 158 0
С.

Рисунок 4.10
– Зміна температури в точках електродвигуна при частоті ротора 900 об/хв., крутному моменті 168,7 Н∙м і температурі охолоджувальної рідини 35 0
С

Рисунок 4.11
– Зміна температури в точках електродвигуна при частоті ротора 900 об/хв., крутному моменті 168,7 Н∙м і температурі охолоджувальної рідини 35 0
С

Рисунок 4.12
– Зміна температури в точках електродвигуна при частоті ротора 900об/хв., крутному моменті 159,6 Н∙м і температурі охолоджувальної рідини 50 0
С

Рисунок 4.13
– Зміна температури в точках електродвигуна при частоті ротора 900об/хв, крутному моменті 159,6 Н∙м і температурі охолоджувальної рідини 50 0
С

Рисунок 4.14
– Зміна температури в точках електродвигуна при частоті ротора 900об/хв., крутному моменті 145,7 Н∙м і температурі охолоджувальної рідини 75 0
С

Рисунок 4.15
– Зміна температури в точках електродвигуна при частоті ротора 900об/хв, крутному моменті 145,7 Н∙м і температурі охолоджувальної рідини 75 0
С

Рисунок 4.16
– Зміна температури в точках електродвигуна при частоті ротора 900об/хв, крутному моменті 117,8 Н∙м і температурі охолоджувальної рідини 105 0
С

Рисунок 4.17
– Зміна температури в точках електродвигуна при частоті ротора 900об/хв, крутному моменті 117,8 Н∙м і температурі охолоджувальної рідини 105 0
С
Таблиця 4.10
– Розосереджена моторна потужність до моторного теплообмінника
| Тем-ра ох. рі-ни, 0
С |
Тем-ра на виході, 0
F |
Тем-ра на вході, 0
F |
Різниця, 0
F |
Витрата, галон/хв. |
Витрата, л/хв. |
Потужність теплообмін-ника, кВт |
| 35 |
99,68 |
94,28 |
5,4 |
0,1514 |
2,2 |
1,678 |
| 50 |
125,24 |
121,1 |
4,14 |
0,1514 |
2,2 |
1,287 |
| 75 |
167,18 |
165,02 |
2,16 |
0,1514 |
2,2 |
0,677 |
| 105 |
217,22 |
218,3 |
-1,08 |
0,1514 |
2,2 |
-0,338 |
Таблиця 4.11 показує ефективність теплообмінника електродвигуна, що визначене відношенням розосередженої потужності електродвигуна до потужності теплообмінника і сумарних втрат в електродвигуні. Коли температура охолоджуючої рідини низька і рівна 350
С то це відношення рівне 0,763. Це відношення зменшується, коли температура охолоджуючої рідини зростає. Як видно, при 1050
С теплообмінник не тільки припиняє охолоджувати електродвигун, а й передає йому свою теплоту, використовуючи при цьому електродвигун як радіатор.
Таблиця 4.11
– Ефективність роботи теплообмінника електродвигуна
| Тем-ра ох. рі-ни, 0
С |
Сумарні втрати, кВт |
Потужність тепло-обмінника, кВт |
ККД теплообмінника |
| 35 |
2,200 |
1,678 |
0,763 |
| 50 |
2,050 |
1,287 |
0,628 |
| 75 |
1,780 |
0,677 |
0,380 |
| 105 |
1,280 |
-0,338 |
-0,264 |
Таблиця 4.12 показує оцінку максимальної потужності за дослідними даними. Залежність температури від часу при різних крутних моментах і механічних навантаженнях зображено на рисунку 4.18.
Таблиця 4.12
– Дослідження при максимальній потужності
| Струм, А |
Напруга, В |
Крутний момент, Н·м |
Мех. потужність, В |
Час випробувань, с |
| 136 |
205 |
265 |
24,976 |
91 |
| 149 |
205 |
300 |
28,275 |
40 |
| 161 |
205 |
320 |
30,160 |
62 |
| 176 |
205 |
335 |
31,574 |
30 |
| 187 |
205 |
344 |
32,422 |
30 |
| 176 |
210 |
338 |
31,857 |
40 |
| 136 |
205 |
265 |
24,976 |
91 |

Рисунок 4.18
– Випробування максимальної потужності при частоті ротора 900 об/хв і напрузі 205 В
Рисунок 4.19 показує залежність швидкості зміни температури від крутного моменту. Спроектована точка – це точка із координатами 400 Н∙м і 2,1 0
С/с. Якщо температура електродвигуна 40 0
С , то для досягнення критичної температури необхідно 62 с((170-40)/2,1). Якщо обмотка електродвигуна гаряча і її температура 160 0
С, то для виконання тієї ж операції необхідно 4,8 с при максимальному навантаженні ((170-160)/2,1).
ККД і коефіцієнти потужності електродвигуна при максимальному крутному моменті наведено в таблиці 4.19. ККД може бути в межах 40-50%, коли навантаження крутного моменту зростає. Коефіцієнт потужності майже еквівалентний активному навантаженню через високі втрати.

Рисунок 4.19. Швидкість зміни температури обмотки при крутному моменті 400 Н∙м
Таблиця 4.13
– ККД і потужності в області максимального крутного моменту
| Темп. обмотки, 0
С |
Крутний момент, Н·м |
Струм, А |
Напруга, В |
Мех. потужність, В |
Електр. потужність, В |
ККД |
| 127,8 |
265,0 |
136,0 |
205,0 |
24976 |
48232 |
0,518 |
0,999 |
| 132,4 |
300,0 |
149,0 |
205,0 |
28275 |
52843 |
0,535 |
0,999 |
| 92,9 |
320,0 |
161,0 |
205,0 |
30160 |
57099 |
0,528 |
0,999 |
| 82,9 |
335,0 |
176,0 |
205,0 |
31574 |
62418 |
0,506 |
0,999 |
| 70,8 |
344,0 |
187,0 |
205,0 |
32422 |
66320 |
0,489 |
0,999 |
5. Основні результати і висновки
Дослідження робочих характеристик комбінованої енергетичної установки, зокрема електродвигуна та інвертора, були досягнуті через оцінку системи, підготовку до випробувань і лабораторні дослідження, які включали вимірювання зворотної ЕРС, визначення втрат потужності, побудову карт ефективності електродвигуна, інвертора і системи електродвигун-інвертор, дослідження роботи підвищувального конвертера, визначення зміни температури в різних точках системи. В основному, повний підхід цього проекту полягав у тому, щоб повністю визначити системи й потім виконати детальну оцінку їхніх робочих характеристик у лабораторному середовищі, яким керують. Цей підхід, як виявилося, був технічно нормальним й успішним. Проведено випробування робочих характеристик у рівнях підсистем:
- форми хвилі і значення напруги зворотної ЕРС для електродвигуна (і для генератора);
- випробування при блокуванні ротора під змінними кутами крутного моменту (по діапазоні 90-1340
);
- визначення втрат потужності від тертя в шестернях і підшипниках для різних операційних швидкостей і температур мастильних матеріалів;
- складання карт робочих характеристик двигуна/інвертора при повній швидкості й при використанню діапазонів нагрівання двигуна/інвертора до температур 50-90 0
С;
- визначення зміни температури в певних точках системи в залежності від температури охолоджувальної рідини і часу випробування.
5.1 Отримані результати і спостереження
Випробування системи комбінованого приводу показало, що зв'язані з коробкою передач втрати тертя, є суттєвими. Ці втрати складають приблизно 2,4 кВт при швидкості обертання ротора електродвигуна 6000 об/хв. Переважні втрати, приблизно 1,6 кВт, пов'язані з головною передачею й ланцюгом двигуна, у той час як електродвигун, коробка розподілу потужності, і генератор привели до втрат приблизно рівних 0,8 кВт. Втрати зубчастої передачі насамперед пов'язані з оливою, що рухається в межах кожуха двигуна, й оливою, що рухається через генератор і електродвигун, щоб забезпечити необхідне змащування й видалення зайвої високої температури. Ці втрати, які наведені в підсумку в таблиці 5.1, були визначені з мастильними матеріалами при кімнатній температурі (при 25°C). Випробування також показали, що повні втрати зменшилися приблизно на 20 %, коли температура мастильних матеріалів збільшилася з 270
С до 800
С. Це зауваження вказує, що повні втрати для гібридної системи електроприводу рівні приблизно 1,9 кВт при температурі мастильних матеріалів 800
С.
Таблиця 5.1
– Сумарні втрати в зубчастій передачі при 25°C
| Елемент |
Втрати, % |
| Головна і ланцюгова передачі |
68 |
| Ротор електродвигуна |
21 |
| Генератор і планетарна передача |
11 |
Передаточні числа передачі були змінені й записані для ротора електродвигуна й для ротора генератора. Ці зміни були насамперед виконані, щоб забезпечити точне обчислення швидкості, крутного моменту, і навантаження, але отримані дані також дали корисну інформацію для порівняння з іншими двигунами й можливість забезпечення технічного вибору і компромісу, які були втілені в частині цієї роботи.
Проведено вимірювання частоти струму і зворотної напруги на електродвигуні і генераторі. Протягом випробувань використовувався динамометр, щоб керувати швидкістю обертання роторів двигуна і генератора. Результати випробування зворотної ЕРС зведені в таблицю 5.2.
Таблиця 5.2
– Результати вимірювань зворотної ЕРС
| Дослідні умови |
Результати |
| Зворотня ЕРС електродвигуна (6000 об/хв.) |
540 В |
| Постійна напруга електродвигуна |
1,33 В/Гц |
| Зворотня ЕРС генератора (6420 об/хв.) |
195 В |
| Постійна напруга генератора |
0,46 В/Гц |
Серія випробувань блокованого ротора була виконана, щоб визначити загальні операційні властивості тягової здатності електродвигуна. Зокрема крутний момент і струм, вивчені протягом випробувань блокованого ротора, дали можливість охарактеризувати здатність крутного моменту при пуску двигуна. Струм і відповідне значення крутного моменту представлені таблиці 5.3.
Таблиця 5.3
– Результати випробувань струму і відповідного йому крутного моменту
| Струм, А |
Максимальний крутний момент, Н∙м |
| 75 |
140 |
| 150 |
260 |
| 250 |
400 |
Дослідження ефективності системи електродвигун-інвертор, що частково супроводжувалося тепловим випробуванням. Ці випробування були успішними у визначенні безперервних оцінок комбінованої енергетичної установки при температурах охолоджуючої рідини в межах 35-105°C. Ця інформація не була випущена компанією по виробництву автомобілів Тойота. Оцінки на основній швидкості (1200 об/хв.) були спроектовані від випробувальних даних при 900 об/хв. Безперервні досліди були налаштовані для використання 15 кВт при температурі 105°C охолоджуючої рідини, і використання 21 кВт при температурі 35°C охолоджуючої рідини. Заключне випробування системи комбінованого приводу – картографування робочих характеристик двигуна/інвертора по повній швидкості й діапазонах навантаження при використанні охолоджуючої рідини температурою 55 0
С. У ранніх випробувальних циклах, використовуючи тільки каліброване інструментування, дослідні дані показали вищу ефективність інвертора ніж передбачалося. Це привело до серії випробувань, призначених для:
- перевірки правильності дослідних даних;
- забезпечення вищого рівня достовірності результатів.
Дослідні дані дозволили зробити графіки контуру ефективності для двигуна, інвертора, і об'єднаної системи двигун-інвертор, що показано на рисунку 5.1. Вони обговорені в розділі 3.3.3.
Відібрана частина механічних, експлуатаційних, електричних, і теплових даних представлена у цій роботі. Додаток 1 забезпечує даними основних і істотних вимірів, що дозволяють характеризувати робочі характеристики підсистем двигуна й інвертора. Щоб зменшити набір таблиць дані були усереднені. Кожен ряд даних таблиці – середнє число з 5-10 наборів даних; які усереднюються, щоб усунути розсіювання даних, ефекти шуму, і т.д.
Таблиця зроблена в порядку зростання кутової швидкості, а потім крутного моменту. Таблиця не утворена в порядку отримання даних. Три колонки показують потужність вхідного змінного струму на інверторі, механічну потужність на валу, і вихідну потужність від інвертора. Три колонки показують ККД інвертора, двигуна, і об'єднані дані двигуна-інвертора. Дві колонки показують постійну напругу електроживлення інвертора. Дві колонки показують трифазні вихідні напруги інвертора й струми, усереднені по цих трьох фазах.
Остання колонка показує температуру статора від одного із трьох давачів, що були вмонтовані між двома обмотками статора. Результати зчитували тільки із одного давача. Цей специфічний давач погоджений з іншими двома при низьких температурах, але під час високих температурних відхилень, забезпечив найвище читання температури (часто вище чим інші два на 5-15 0
C). Цей давач був розташований у верхній лівій області статора. Інші два були розташовані у верхній правій і нижній правій областях. Навіть якби дані від всіх трьох давачів були надані, то це мало б обмежене використання, тому що фактичні температури в значній мірі залежали від того, як довго двигун працював на даному рівні завантаження перш, ніж дані були отримані. Особливо при низьких швидкостях і високих рівнях навантаження вала, дані повинні були бути отримані якнайшвидше, у той час як температури статора швидко піднімалися.
Таким чином, результати випробування комбінованої системи приводу забезпечили великою кількістю інформації щодо цих інноваційних, високо-продуктивних підсистем, які не були доступні раніше.
5.2 Висновки щодо важливості дослідження
Таким чином, проведені випробування забезпечують інформацією щодо ефективності використання комбінованих енергетичних установах. На рівні з дослідною енергоустановкою існує ще багато й інших, конструкція яких в основному залежить від типу транспортного засобу. На ринку все частіше з’являються комерційні автомобілі (особливо легкі позашляховики – джипи) з КЕУ, які можуть внести певні відхилення в дослідну систему комбінованого приводу. Звичайно, можуть бути деякі нововведення в системі ДВЗ, та основна заслуга буде на стороні КЕУ. Важливо покращити паливну економічність транспортного засобу, щоб значно зменшити імпорт нафти. Це може бути зроблене найефективніше при використанні економічних автомобілів. Із глобальним збільшенням попиту на нафту будуть збільшуватися і ціни на неї, що спостерігається і зараз, і споживачі будуть зацікавлені в купівлі економних автомобілів. Крім того програма державної підтримки економічних автомобілів також дає свій результат, хоча найвагоміший чинник, що змушує розробляти гібридні автомобілі – це паливна економічність.

Рисунок 5.1
– Об’єднані контурні карти ефективності системи двигун-інвертор
Список використаних джерел
1. В.А. Щетина, Ю.Я. Морговский, Б.И. Центер, В.А. Богомазов; Под общ. ред. В.А. Щетины Электромобиль: Техника и экономика. – Л.: Машиностроение. Ленингр. отд-ние, 1987. – 253 с.
2. В.В. Карницкий и Л.И. Вахошин; И.М. Минкин, А.С. Разумнов НАМИ Автомобильная энергетика: современные направления и перспективы развития. Журнал "Автомобильная промышленность", 2006 год, № 6
3. Б.Н. Белоусов, Д.Б. Изосимов, К.Г. Лексин МГТУ имени Н.Э. Батмана Автомобили с гибридной трансмиссией и КЭУ. Журнал "Автомобильная промышленность", 2006 год, № 6
4. http://www.uqm.com
5. http://www.autocentre.ua
6. http://journal.agrosector.com.ua/archive/15/288
7. J.S. Hsu, S.C. Nelson, P.A. Jallouk et al., Report on Toyota Prius Motor Thermal Management, ORNL/TM-2005/33, UT-Battelle, LLC, Oak Ridge National Laboratory, Oak Ridge, Tennessee, February 2005.
8. J.S. Hsu, C.W. Ayers, C.L. Coomer, R.H. Wiles, S.L. Campbell, K.T. Lowe, and R.T. Michelhaugh, Report on Toyota/Prius Motor Torque Capability, Torque Property, No-Load Back-EMF, and Mechanical Losses, ORNL/TM-2004/185, UT-Battelle, LLC, Oak Ridge National Laboratory, Oak Ridge, Tennessee, October 2004.
9. Prius Repair Manual, 1, Pub. No. RM1075U1, Toyota Motor Corporation, 2003.
10. Prius Repair Manual, 2, Pub. No. RM1075U2, Toyota Motor Corporation, 2003.
11. Prius Repair Manual, 3, Pub. No. RM1075U3, Toyota Motor Corporation, 2003.
12. J.S. Hsu, C.W. Ayers, and C.L. Coomer, Report on Toyota/Prius Motor Design and Manufacturing Assessment, ORNL/TM-2004/137, UT-Battelle, LLC, Oak Ridge National Laboratory, Oak Ridge, Tennessee, August 2004.
13. Prius New Car Features 2004, Toyota Motor Corporation, 2004.
14. N. Bianchi, S. Bolognani, and B.J. Chalmers, “Salient-Rotor PM Synchronous Motors for an Extended Flux-Weakening Operation Range,” IEEE Transactions on Industry Applications, 36(4), July/August 2000.
15. S.D. Rubira and M.D. McCulloch, “Control Method Comparison of Doubly Fed Wind Generators Connected to the Grid by Asymmetric Transmission Lines,” IEEE Transactions on Industry Applications, 36(4), July/August 2000.
16. F.Z. Peng, Z-Source Inverter for Hybrid Electric and Fuel Cell Vehicles, Michigan State University, March 2004.
17. J.S. Hsu, Ph.D.,C.W. Ayers,C.L. Coomer,R. H. Wiles,Oak Ridge National Laboratory. Report on Toyota Prius motor torque capability, torque property, no-load back EMF, and mechanical losses.
18. Laura D. Marlino, Program Manager Prepared by:Oak Ridge National Laboratory. Report on Toyota Prius motor themal management.
19. J.S. Hsu, C.W. Ayers, C.L. Coomer Oak Ridge National Laboratory . Report on Toyota Prius motor design and manufacturing assessment
20. http://www.hybrids.ru/downloads.asp?r=39
21. http://www.hybrids.ru/downloads.asp?r=2
22. http://www.hybrids.ru/downloads.asp?r=1
|