СОДЕРЖАНИЕ
ВВЕДЕНИЕ
1. ЗАДАЧА 1
1.1 Расчет начального значения периодической составляющей тока при трехфазном КЗ для точки короткого замыкания К3
1.2 Расчёт ударного тока трёхфазного короткого замыкания в точке К3
1.3 Расчет действующего значения периодической составляющей тока трехфазного короткого замыкания для точки К3
1.4 Расчет начального значения периодической составляющей тока при трехфазном КЗ для точки короткого замыкания К3 в именованных единицах
2. ЗАДАЧА 2
2.1 Расчет тока в точке К1 при однофазном КЗ
2.2 Расчет тока в точке К1 при двухфазном замыкании на землю
ЗАКЛЮЧЕНИЕ
СПИСОК ИСПОЛЬЗОВАНОЙ ЛИТЕРАТУРЫ
ВВЕДЕНИЕ
При изучении переходных процессов различают электромагнитные и электромеханические процессы, хотя это деление условно. Под электромагнитными процессами в электроэнергетической системе понимают процессы, вызванные возмущениями в ней (короткие замыкания, сброс и наброс нагрузки, отключения ЛЭП) и связанные с перераспределением электрической и электромагнитной энергии в электрических и электромагнитных цепях.
Под электромеханическими переходными процессами понимают процессы, вызванные возмущениями, которые вызывают изменение взаимного положения роторов синхронно вращающихся электрических машин, значительное изменение скольжения асинхронных двигателей. Электромеханическим переходным процессам предшествуют электромагнитные процессы, которые протекают значительно быстрее электромеханических, поскольку их электромагнитные инерционные постоянные в несколько раз меньше электромеханических инерционных постоянных времени.
Задание по первой части курсовой работы связано с расчетом электромагнитных переходных процессов – токов коротких замыканий в электроустановках свыше 1 кВ, а по второй – электромеханических переходных процессов.
Существующая нормативная документация регламентирует выбор электрических аппаратов и проводников по условиям короткого замыкания (ПУЭ), методы расчета токов короткого замыкания (ГОСТ 27514-87, ГОСТ 29176-91, ГОСТ2825-91).
Расчеты токов КЗ проводятся с целью выбора и проверки электрооборудования по условиям короткого замыкания; выбора установок и оценки возможного действия релейных защит; влияния токов нулевой последовательности линий электропередачи на линии связи; выбора заземляющих устройств. Общие положения при расчете токов КЗ состоят в следующем.
Регламентированы 4 вида коротких замыканий – трехфазное КЗ (обозначение – К(3)), двухфазное КЗ – К(2), двухфазное КЗ на землю – К(1,1), однофазное КЗ – К(1). При выборе оборудования расчетным принимается такой вид КЗ в анализируемой схеме, при котором токи КЗ наибольшие.
Токи КЗ допускается определять путем аналитических расчетов с использованием эквивалентных схем замещения. При расчете токов КЗ должны быть учтены все синхронные генераторы и компенсаторы, а также синхронные и асинхронные электродвигатели мощностью 100 кВт и более, если эти электродвигатели не отделены токоограничивающими реакторами или силовыми трансформаторами.
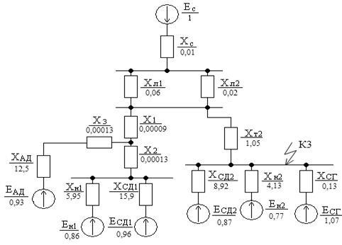
ИСХОДНЫЕ ДАННЫЕ

Рисунок 1.1. Схема системы электроснабжения.
Таблица 1.1 - Технические данные воздушных линий.
| Длина l, км |
x0 ВЛ
, Ом/км на одну цепь |
x0
/x1
|
| ВЛ1 |
25 |
0,32 |
3 |
| ВЛ2 |
7,5 |
0,4 |
3,5 |
Таблица 1.2 - Технические данные синхронного двигателя.
| Тип СД |
PНОМ
, кВт |
cosφ |
, о.е. |
η, % |
| СД1 |
СТД |
800 |
0,89 |
0,162 |
87 |
| СД2 |
1000 |
0,92 |
0,138 |
85 |
Таблица 1.3 - Технические данные трансформатора Т1.
| Тип |
Мощность SНТ
, МВА |
Напряжение обмоток, кВ |
UК
, % |
rPКЗ
, кВт |
| ВН |
НН |
ВН-НН |
| ТДН-40000 |
40 |
121 |
10,5 (6,3) |
10,5 |
175 |
Таблица 1.4 - Технические данные трансформатора Т2.
| Тип |
Мощность SНТ
, МВА |
Напряжение обмоток, кВ |
UК
, % |
rPКЗ
, кВт |
| ВН |
НН |
| ТДН-10000/110 |
10 |
115 |
11 |
10,5 |
58 |
Таблица 1.5 - Технические данные статической нагрузки.
| Н1 |
S= 6 МВА |
сosφ= 0,8 |
| Н2 |
S = 7 МВА |
сosφ= 0,8 |
Таблица 1.6 - Технические данные асинхронного двигателя.
| Тип и количество |
Мощность, кВт |
η, % |
cosφ |
  |
| 2АЗМ |
1250 |
0,89 |
0,89 |
5,5 |
Таблица 1.7 - Технические данные синхронного генератора.
| Тип СГ |
Р, МВт |
cosφ |
 |
| ТВФ |
110 |
0,8 |
0,189 |
В курсовой работе для схемы системы электроснабжения, представленной на рис.1.1, типе электрооборудования и других параметрах схемы, указанных в индивидуальном задании, необходимо:
Задача 1.
Рассчитать:
начальное значение периодической составляющей тока при трехфазном коротком замыкании в точке К3;
ударный ток трехфазного короткого замыкания в точке К3.
значение периодической составляющей тока трехфазного короткого замыкания для времени t = 0,1 с
Задача 2.
Рассчитать для трёх видов несимметричных к.з. в точке К1 начальное значение периодической составляющей тока к.з. аварийных фаз в точке к.з.
1. ЗАДАЧА 1

Рисунок 1.1 - Схема замещения системы.
На рис. 1.1 изображена схема замещения системы. Параметры элементов схемы замещения определяются в именованных или в относительных единицах с приведением значений параметров расчетных схем к выбранной основной (базисной) ступени напряжения сети с учетом фактических коэффициентов трансформации трансформатора.
Теперь непосредственно приступим к расчету параметров схемы замещения системы. Для расчета параметров сразу в базисных величинах, рассчитаем базисные напряжения каждой ступени:
Для расчетов примем МВА.
кВ (на 5% больше номинального).
кВ.
кВ.
кВ.
кА.
кА кА.
кА.
Система.
Ом
о.е.

о.е.
Воздушные линии.
При расчете начального значения трехфазного тока КЗ учитывается только реактивное сопротивление линии:
Ом
Ом
о.е.
о.е.
Трансформатор Т1.
Реактивность трансформатора задается напряжением короткого замыкания в % от номинального напряжения. При расчете начального значения трехфазного тока КЗ реактивность трансформатора принимают численно равной напряжению короткого замыкания в о.е.
ХВ
= 0,00125∙uкВ-Н
= 0,00125∙10,5= 0,013Ом
ХН1
= ХН2
= 0,0175∙uкВ-Н
= 0,0175∙10,5= 0,184Ом


Трансформатор Т2.
Ом
о.е.
Асинхронный двигатель.
Сопротивление асинхронного двигателя при расчете токов КЗ обычно задается сверхпереходным сопротивлением, приведенным к номинальным параметрам двигателя :
Ом
о.е.
Сверхпереходную фазную ЭДС асинхронного двигателя определяем:

где - фазное напряжение асинхронного двигателя кВ:
;
- номинальный ток асинхронного двигателя, кА:
;
.
о.е
Нагрузка.
Реактивность и ЭДС нагрузки в относительных (номинальных) величинах в упрощенных расчетах принимается:
, ,
следовательно:


Синхронный двигатель СД 1.

Сверхпереходную фазную ЭДС генератора:

где - фазное напряжение синхронного двигателя кВ:
;
- номинальный ток синхронного двигателя кА:
;

о.е.
Синхронный двигатель СД 2.

Сверхпереходную фазную ЭДС генератора:

где - фазное напряжение синхронного двигателя кВ:
;
- номинальный ток синхронного двигателя кА:
;

о.е.
Синхронный генератор.
Сопротивление генератора при расчетах токов КЗ обычно задается сверхпереходным сопротивлением, приведенным к номинальным параметрам генератора :

Сверхпереходную фазную ЭДС генератора:

где — фазное напряжение синхронного генератора, кВ,
;
— номинальный ток синхронного генератора, к
А,
; .
Линейное значение ЭДС равно

1.1 Расчет начального значения периодической составляющей тока при трехфазном КЗ для точки короткого замыкания К3

Рисунок 1.2 – Расчётная схема для точки К3.
о.е.
о.е.
о.е.

о.е.
о.е. о.е.
о.е.
 
о.е.
о.е. о.е.
о.е.
 

о.е.
о.е. о.е.
о.е. о.е.
о.е.
о.е.
о.е.
о.е.

Рисунок 1.3 – Окончательно преобразованная схема для точки К3.
Все данные известны для расчета начального значения периодической составляющей тока КЗ для точки короткого замыкания.




Рисунок 1.4 - Схема замещения системы, содержащая только активные элементы.
о.е.
о.е.
о.е.

о.е.
о.е. о.е.
о.е.
 
о.е.
о.е. о.е.
о.е.
 

о.е.
о.е. о.е.
о.е. о.е.
о.е.
о.е.
о.е.
о.е.

Рисунок 1.5 – Окончательно преобразованная схема.
Постоянная времени затухания апериодической составляющей тока КЗ i-ой ветви:

где , - результирующие эквивалентные сопротивления i-ой ветви, Ом; -синхронная угловая частота напряжения сети, рад/с ( ). Тогда постоянная времени для каждой ветви:

1.2 Расчёт ударного тока трёхфазного короткого замыкания в точке К3
Расчет ведется для момента времени t=0,01 с. Поскольку точка короткого замыкания делит заданную схему на радиальные независимые друг от друга ветви, то ударный ток КЗ определяется суммой ударных токов отдельных ветвей:

1.3 Расчет действующего значения периодической составляющей тока трехфазного короткого замыкания для точки К
3
Расчет производим для момента времени t=0,1 c.
Действующее значение периодической составляющей тока трехфазного короткого замыкания определяется:

 где — отношение действующего значения периодической составляющей тока синхронного двигателя в начальный момент КЗ к номинальному току; — отношение действующего значения периодической составляющей тока асинхронного двигателя в начальный момент КЗ к номинальному току; — коэффициент, характеризующий затухание периодической составляющей тока КЗ от синхронного двигателя;
— коэффициент, характеризующий затухание периодической составляющей тока КЗ от асинхронного двигателя.
Теперь определим коэффициент, характеризующий затухание апериодической составляющей тока КЗ для двух моментов времени по графикам: ; , , .
1.4 Расчет начального значения периодической составляющей тока при трехфазном КЗ для точки короткого замыкания К3 в именованных единицах
Значения эдс источников энергии и сопротивлений элементов исходной расчетной схемы приводятся к выбранной ступени напряжения по формулам

где Е и Z – истинные значения эдс источника энергии и сопротивления элемента исходной расчетной схемы; и - их приведенные значения; к1
, к2
, – коэффициенты трансформации трансформаторов, каскадно включенные между основной ступенью напряжения сети и приводимым элементом.
Коэффициент трансформации трансформаторов определяется в направлении от основной ступени напряжения сети как отношение напряжения хх обмотки, обращенной в сторону основной ступени напряжения сети к напряжению хх другой обмотки.
Ом
Ом
Ом
Ом
Ом
Ом (это сопротивление приводить не нужно, т.к. оно выше рассчитано относительно ступени напряжения 10 кВ).
Ом
Ом
Ом
Ом
Ом
Ом
кВ
кВ
кВ
кВ
кВ

Рисунок 1.6 – Расчётная схема для точки К3 в именованных единицах.
Ом
Ом
Ом

Ом
Ом Ом
Ом
 
Ом
Ом Ом
Ом
Ом
 

Ом
Ом Ом
Ом Ом
Ом
кВ
Ом
кВ

Рисунок 1.7 – Окончательно преобразованная схема.
2. ЗАДАЧА
2

Рисунок 2.1 – Расчётная схема для точки К1.
о.е.
о.е.
о.е.
 
о.е.
о.е. о.е.
о.е.
 
о.е.
о.е. о.е.
о.е.
о.е.
 
о.е.
о.е. о.е.
о.е.
о.е.
о.е.
о.е.
о.е.

Рисунок 2.2 – Окончательно преобразованная схема.
2.1 Пусть произошло замыкание одной из фаз на землю
На рисунке 2.2 представлена схема замещения прямой последовательности при однофазном КЗ. Эта схема аналогична схеме замещения симметричного трехфазного КЗ.
На рисунке 2.3 изображена свернутая схема относительно точки К1 для прямой последовательности.
На основании формул преобразования находим параметры схемы:


Рисунок 2.3 – Схема замещения прямой последовательности
На рисунке 2.4 изображена схема замещения для обратной последовательности, которая составляется аналогично схеме замещения прямой последовательности, но ЭДС источников отсутствует. Сопротивления элементов токам обратной последовательности принимаются такими же, как и для токов прямой последовательности.

Рисунок 2.4 - Схема замещения для обратной последовательности при однофазном КЗ.
Результирующее сопротивление обратной последовательности в силу равенства сопротивлений элементов последовательностей: 
=>
Рисунок 2.5 - Схема замещения для нулевой последовательности при однофазном КЗ
Рассчитываем ток прямой последовательности:

Ток аварийной фазы:

Токи симметричных составляющих фазы A:

Ток КЗ неаварийных фаз:


Рисунок 2.6 - Векторная диаграмма токов
Симметричные составляющие напряжений в месте КЗ представлены на векторной диаграмме напряжений на рисунке 2.7.

Рисунок 2.7 - Векторная диаграмма напряжений.
2.2 Расчет тока в точке К1 при двухфазном замыкании на землю
Пусть произошло замыкание на фаз B и С на землю. Запишем граничные условия:

Схемы замещения всех последовательностей при двухфазном КЗ на землю такие же, как и при однофазном КЗ (рис. 2.1), поэтому остались теми же и все параметры схем замещения.
Рассчитываем ток прямой последовательности:

Ток обратной последовательности:

Токи нулевой последовательности:

Токи поврежденных фаз в месте КЗ:
трехфазный ток электроснабжение замыкание

Напряжения в месте КЗ:


Рис. 4.6 - Векторная диаграмма напряжений а), и токов б) в точке двухфазного КЗ на землю.
ЗАКЛЮЧЕНИЕ
В выполненном курсовом проекте не учитывались:
- сдвиг по фазе ЭДС и изменения частоты вращения роторов синхронных генераторов, компенсаторов и электродвигателей;
- ток намагничивания трансформаторов и автотрансформаторов;
- насыщение магнитных систем электрических машин;
- поперечная емкость воздушных линий электропередачи напряжением 110 – 220 кВ, если их длина не превышает 200 км.
СПИСОК ИСПОЛЬЗОВАНОЙ ЛИТЕРАТУРЫ
1. Ульянов С.А. Электромагнитные переходные процессы в электрических системах.-М.: Энергия, 1970. - 520 с.
2. Правила устройства электроустановок, 7-е издание: М, 2000.
3. Методические указания к выполнению курсовой работы. М.А. Новожилов. Иркутский Государственный технический университет; Иркутск, 2001.
|