2. Электрооборудование трактора мтз 82
2.1. Устройство и назначение электрооборудования трактора мтз 82
Электрооборудование, установленное на тракторе, состоит из источников электроэнергии, средств пуска дизеля, контрольно-измерительных приборов, средств освещения и световой сигнализации коммутационной аппаратуры и вспомогательных узлов оборудования кабины.
На тракторе установлено электрооборудование постоянного тока. Приборы соединены по однопроводной схеме, функцию второго провода выполняют металлические части трактора. С «массой» соединены все отрицательные клеммы приборов электрооборудования. Номинальное напряжение в системе 12 В.
источники электроэнергии на тракторе: две аккумуляторные батареи и генератор переменного тока со встроенным выпрямителем и регулятором напряжения.
Система пуска дизеля состоит из электростартера с дистанционным включением, реле стартера, добавочного сопротивления контрольного элемента, электрофакельного подогревателя, или пускового приспособления с электромагнитным приводом и легковоспламеняющейся жидкостью в аэрозольной упаковке с выключателем , трехпозиционного включателя стартера и подогревателя.
Средства освещения и световой сигнализации включают в себя: передние и задние фары; фонари указателей поворота и габаритных огней; задние фонари габаритных огней, стоп-сигнала и указателей поворота; фонарь освещения номерного знака, контрольные лампы щитка приборов; плафон освещения кабины; лампы подсветки щитка приборов; реле указателей поворота; включатель задних фар; центральный переключатель и переключатель дальнего, ближнего света.
Узлы вспомогательного оборудования: электродвигатели системы вентиляций и отопления кабины с выключателями, стеклоочиститель с выключателем, омыватель лобового стекла с выключателем.
Контрольно-измерительные приборы: указатель температуры охлаждающей жидкости дизеля; указатель силы тока (амперметр); указатели давления масла в смазочной системе дизеля, давления масла в гидросистеме управления КП, давления воздуха в Пневматической системе; тахоспидометр; указатель уровня топлива индикатор засоренности воздухофильтра. Потребители электроэнергии и их цепи защищены предохранителями.

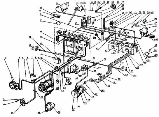
Схема электрооборудования трактора мтз 82.
1 Болт М8-6дх; 2 Шайба; 3 Фара передняя правая;4 Втулка;5 Жгут;6 Панель соединительная;7 Крышка панели;8 Генератор;9 Втулка;10 Кронштейн;
11 Провод;12 Фонарь передний правый;13 Жгут;14 Бачок;15 Провод;16 Щиток с приборами;17 Световозвращатель;18 Жгут;19 Прокладка;20 Фонарь тракторный задний правый;21 Фара задняя;22 Жгут правый;23 Стеклоочиститель;
24 Выключатель;25 Гайка;26 Крышка панели;27 Провод;28 шайба 29Винт;30 Провод;31 Плафон;32 Винт; 33 Болт ;34 Шайба; 35 Перемычка массы;36 Винт; 37 Выключатель массы;38 Гайка; 39 Провод;40 Провод;41 Фонарь тракторный задний левый;42 Винт; 43 Жгут;44 Провод;45 Провод;46 Желоб;
47 Желоб;48 Фонарь передний левый;49 Желоб;50 Желоб;51 Скоба;52 Скоба;53 Шайба 12ОТ 65Г.06 ГОСТ 64022-70;54 Болт М12-6дх45.88.35.019 ГОСТ 7796-70; 55 Стартер;56 Чехол;57 Чехол;58 Фара передняя левая;59 Сигнал звуковой;
60 Манжета;61 Электрофакельный подогреватель;62 Жгут;63 Датчик температуры воды;64 Выключатель "стоп";65 Реле блокировки;66 Наконечник;
67 Реле стартера;68 Жгут;69 Жгут;70 Выключатель;71 Чехол;72 Аккумулятор;
73 Провод;74 Желоб;75 Фонарь освещения номерного знака;76 Провод;
77 Штепсельная розетка;78 Провод;79 Винт М5-6дх35.58.019 ГОСТ 17475-72;
80 Штепсельная розетка;81 Жгут;82 Зам Провод;83 Датчик указателя топлива;
84 Провод;85 Панель соединительная.
Источники электрической энергии
Генератор
Генератор — электрическая машина, преобразующая механическую энергию первичного двигателя в электрическую энергию. Генератор служит для питания потребителей электрической энергией и зарядки аккумуляторной батареи при определенной частоте вращения коленчатого вала двигателя.
Привод генератора осуществляется от коленчатого вала клиноре-менной передачей, имеющей постоянное передаточное число, поэтому частота вращения генератора находится в прямой зависимости от ско-ростного режима двигателя. А так как частота вращения коленчатого вала у тракторных двигателей может изменяться от минимальной до ■ максимальной в отношении I : 3,5, то для поддержания на клеммах-генератора напряжения в заданных пределах, устанавливают регуляторы напря
жения.
Поскольку тракторные генераторы работают в более тяжелых условиях, чем автомобильные (значительная запыленность окружающей среды, сильные вибрации и т.п.)., их делают закрытыми: внутренняя их полость защищена глухими крышками; тепло отводится в основном через поверхности корпуса и крышек. Для лучшего охлаждения применяют вентиляторы внешнего обдува.
Генераторы характеризуются родом тока, напряжением, мощностью, начальной (без нагрузки), при которой достигается номинальное напряжение, и максимальной (под нагрузкой) частотами вращения.
На тракторах устанавливаются трехфазные синхронные генераторы переменного тока с электромагнитным возбуждением.
Их магнитное поле и ротор вращаются с одной и той же частотой — синхронно. Основной магнитный поток создается обмоткой возбуждения, соединенной с аккумуляторной батар.еей, или обмотками статора (питаемой через выпрямитель). Возможен также режим работы генератора с предварительно намагниченной магнитной системой. Катушки статора образуют трехфазную обмотку, соединенную в звезду, реже в треугольник.
Различают генераторы контактного и бесконтактного типов. В контактном генераторе ток возбуждения подводится к обмотке ротора через контактные кольца и щетки. В отличие от генераторов постоянного тока здесь не происходит искрения, так как кольца и щетки не выполняют функций коммутации тока. В бесконтактных генераторахнет контактных колец, щеток и вращающихся обмоток; они отличаются высокой надежностью и выдерживают тяжелые условия эксплуатации, но по габаритам и массе несколько больше генераторов контактного типа.
Для зарядки аккумуляторной батареи и питания некоторых потребителей необходим постоянный ток; часть же потребителей может работать как на постоянном, так и на переменном токе. В автотракторном электрооборудовании принято выпрямление генераторного тока, для чего предусмотрены выпрямители, обычно встроенные в генератор.
Генераторы переменного тока отличаются способностью заряжать аккумуляторную батарею на малой частоте вращения холостого хода двигателя. Относительно высокая частота вращения генератора в этом режиме позволяет, ему развивать достаточную мощность, тем самым освобождая от работы аккумуляторную батарею. У генераторов же постоянного тока номинальная частота вращения якоря- ограничена искрением под щетками; когда же двигатель работает на малой частоте вращения, напряжение генератора меньше напряжения аккумуляторной батареи, и вырабатываемый им ток поступает только в цепь возбуждения и обмотки реле-регулятора.
Установочная мощность генератора определяется в зависимости от тягового класса трактора или грузоподъемности автомобиля и составляет 200—1000 Вт.
Регуляторы напряжения генераторов переменного тока делятся на контактно-транзисторные и бесконтактно-транзисторные.Генераторы переменного тока обладают свойством саморегулирования тока нагрузки, поэтому большинство полупроводниковых регуляторов напряжения не требует ограничителей тока в цепи генератор — аккумуляторная батарея.
У контактно-транзисторны х регуляторов напряжения возможное нарушение упругости пружин контактного устройства может вызвать разрегулировку. Полупроводниковые бесконтактные регуляторы напряжения более совершенны. Они не имеют подверженных механическому износу подвижных деталей, виброустойчивы, не требуют периодических регулировок, быстро действуют и обеспечивают высокую точность регулирования.
Схема генератора двигателя д-243.

1 Крышка регулирующего устройства; 2 Винт М4-6gх12 ОСТ 37001.127-81; 3 Шайба 4Л ОСТ 37.001.115-75; 4 Шайба 4 ОСТ 37.001.144-75; 5 Гайка М6-7Н ОСТ 37.001.124-75; 6 Шайба 5Л ОСТ 37.001.115-7; 7 Шайба 5 01 016 ГОСТ 11371-78; 8 Гайка М6-6Н ОСТ 37.001.124-75; 9 Шайба 6Л ОСТ 37.001.115-75; 10 Шайба 6 01 16 ГОСТ 10450-78; 11 Шайба изоляционная; 12 Изолятор; 13 Крышка задняя;
14 Панель выводов; 15 Болт;
16Выпрямитель;17Втулкраспорная;18Болт;19Изолятор фазный; 20 Втулка разрезная; 21 Катушка возбуждения; 22 Болт стяжной; 23 Шарикоподшипник 6-180502 К1С9 ТУ 4533-76; 24 Винт М5-6gх14,5 ОСТ 37001.127-81; 25 Гайка М16х1,5-6Н.5А.019 ГОСТ 5929-70; 26 Шайба 16Л 65Г 016 ГОСТ 6402-70; 27 Шкив одноручьевой; 28 Вентилятор; 29 Винт М5-6gх26 ОСТ 37001.127-81; 30 Крышка подшипника; 31 Шарикоподшипник; 32 Болт М10-6gх30.88.35.019 ГОСТ 7796-70; 33 Крышка передняя; 34 Щиток; 35 Болт М12-6gх35.88.35.019 ГОСТ 7796-70; 36 Шайба; 37 Втулка ротора; 38 Гайка М8-6Н.6.019 ГОСТ 6915-70; 39 Шайба 8 65Г 06 ГОСТ 6402-70; 40 Шайба 10 65Г 06 ГОСТ 6402-70; 41 Болт М8-6gх100.88.35.019 ГОСТ 7795-70; 42 Гайка М10-6Н.6.019 ГОСТ 5915-70; 43 Болт М10-6gх55.88.35.019; 44 Кронштейн генератора; 45 Растяжка ;46 Ротор; 47 Гайка М4-6Н ОСТ 37001.124-55;48 Статор; 49 Планка; 50 Болт М8-6gх25.88.35.019 ГОСТ 7796-70; 51 Шайба упорная; 52 Винт М8х28; 53 Регулирующее устройство
Аккумуляторная батарея.
Для пуска дизеля с помощью стартера и питания потребителей на тракторе в специальном отсеке за кабиной установлены две соединенные последовательно аккумуляторные батареи ЗСТ-225ЭМ напряжением 6 В и емкостью 225 А • ч каждая.
Аккумуляторная батарея состоит из нескольких одинаковых аккумуляторов напряжением 2В каждый, соединенных последовательно. В ЗСТ-225ЭМ – три аккумулятора (элемента), электроды которых изготовлены на основе свинца, а в качестве электролита применен раствор, составленный в определенных пропорциях из серной кислоты и дистиллированной воды.
Бак батареи выполнен в виде моноблока с перегородками, образующими ячейки для аккумуляторов. В крышке предусмотрены отверстия и заливная горловина, закрытая полиэтиленовой пробкой с вентиляционным отверстием. Бак и крышка изготовлены из эбонита.
В полость между крышкой и баком залита кислотостойкая мастика . Положительные и отрицательные пластины собраны в полублоки, которые присоединены к штырям соответствующей полярности, выведенным на крышку . Вставленные один в другой полублоки образуют блок 6 пластин. Между пластинами установлены сепараторы из мипласта, а над ними – перфорированный щиток из винипласта.
Электролит в аккумуляторной батарее должен быть определенной плотности. В аккумуляторных батареях тракторов, выпускаемых заводом, она составляет 1,27 г/см3.
Аккумуляторные батареи, находившиеся в эксплуатации, хранят залитыми электролитом и полностью заряженными в неотапливаемых помещениях (0… – 30°С). Новые батареи хранят без электролита т.е сухозаряженные.
В процессе эксплуатации аккумуляторные батареи надо содержать в чистоте. Случайно пролитый электролит, грязь или пыль нужно удалять чистой тряпкой, смоченной в 10%-ном растворе нашатырного спирта или кальцинированной соды.
Заливные отверстия в крышках элементов должны быть плотно закрыты пробками, а полости соединены с атмосферой через вентиляционные отверстия. Штыри батарей и клеммы проводов смазывают тонким слоем технического вазелина.
Схема аккумуляторной батареи.

1 Крышка; 2 Рамка; 3 Шплинт 2х12; 4 Шайба 6.01.019; 5 Батарея ЗСТ-215ЭР; 6 Прокладка; 7 Основание; 8 Шайба; 9 Болт М8-6gх16; 10 Шпилька; 11 Шпилька; 12 Гайка М6 .
Потребители электрической энергии.
Стартер.
Стартер представляет собой двигатель постоянного тока последовательного возбуждения, кратковременного режима работы с длительностью не более 10 с. Стартер состоит из электродвигателя, механизма привода и электромагнитных тяговых реле. Номинальная мощность стартера при напряжении 12 В-4 кВт (5,3 л. с). Электродвигатель стартера имеет четыре полюса, с помощью которых на корпусе смонтированы катушки обмотки возбуждения, имеющие последовательно-параллельное соединение. Корпус стартера изготовлен из полосовой стали.
Якорь стартера состоит из вала с напрессованным на него коллектором и пакетом стальных пластин, в пазы которых уложены секции обмотки волнового типа, изготовленные из неизолированного прямоугольного медного провода. Концы секции обмотки зачеканены в пазах и пропаяны.
Коллектор торцового типа, изготовлен из медной пластины и армирован пластмассой типа АГ-.Крышка выполнена из цинкового сплава, к ней приклепаны четыре щеткодержателя. Щетки трапецеидальной формы, надежность контакта их с коллектором обеспечивается усилием цилиндрических пружин , изолированных от «массы» для исключения возможности прохождения через них тока. Изолированные щетки с катушками обмотки возбуждения соединены с помощью штекеров.
Вал якоря вращается в подшипниках скольжения, запрессованных в крышках и , а также в промежуточную опору . Электродвигатель стартера получает питание от аккумуляторных батарей. Поворотом ключа замка зажигания электромагнит реле включается в цепь питания, втягивает якорь , движение которого через тягу и рычаг передается приводу стартера. Привод установлен на валу якоря и состоит из шестерни , роликовой муфты , свободного хода с направляющей втулкой, буферной пружины и втулки отводки.
Муфта свободного хода передает крутящий момент только в одном направлении – к валу дизеля, обеспечивая автоматическое разъединение валов стартера и дизеля после пуска и предохраняя тем самым якорь стартера от разрушения. При включении стартера крутящий момент вала якоря передается на направляющую втулку муфты свободного хода и от нее на наружную обойму. Поворачиваясь по ходу часовой стрелки, обойма заклинивается роликами продолжает вращаться вместе с гладкой цилиндрической поверхностью шестерни. Пружины удерживают ролики в узкой части фасонных пазов наружной обоймы. Вместе с наружной обоймой начинают вращаться шестерня и венец маховика дизеля. После пуска частоты вращения маховика и шестерни возрастают. Ролики увлекаются цилиндрической частью шестерни, перемещаются в более широкую часть фасонных пазов наружной обоймы и расклинивают поверхности. Благодаря этому исключается передача крутящего момента от работающего дизеля к якорю стартера.
Когда выключатель стартера поставлен в положение пуска, напряжение от аккумуляторной батареи подается на обмотку реле РС502, соединенную с «массой». Реле срабатывает, его контакты замыкаются, и через них подается питание на тяговое реле стартера. Последний включается и проворачивает коленчатый вал дизеля, с увеличением частоты, вращения которого повышается напряжение генератора, преобразуемое встроенным выпрямителем и подводимое к его обмотке. Когда напряжение возрастает до 8…9В, что соответствует частоте вращения 10,8… 12,5 с-1 (650…750 об/мин), реле срабатывает, размыкает свои контакты, обесточивается. После размыкания контактов под действием пружины стартер отключается.
Схема стартера для двигателя д-243.

1 Болт контактный; 2 Пружина; 3 Шайба специальная; 4 Скоба; 5 Шайба; 6 Шайба изоляционная; 7 Диск контактный; 8 Плунжер; 9 Втулка; 10 Шайба; 11 Пружина; 12 Ярмо; 13 Прокладка; 14Пружина; 15 Якорь; 16 Штифт; 17 Фланец; 18 Шайба; 19 Винт; 20 Шайба; 21 Ось рычага; 22 Крышка; 23 Вкладыш; 24 Шайба; 25 Гайка; 26 Шайба; 27 Обойма; 28 Полукольцо упорное; 29 Привод; 30 Пружина; 31 Втулка отводки (задняя); 32 Втулка отводки (передняя);33 Кольцо; 34 Подшипник; 35 Шайба; 36 Болт специальный; 37 Якорь; 38 Коллектор; 39 Шайба; 40 Винт; 41 Кожух; 42 Кольцо уплотнительное; 43 Изолятор пружины; 44 Пружина; 45 Щетка неизолированная; 46 Щетка изолированная; 47 Катушки; 48 Рычаг отводки;49 Наконечник; 50 Втулка изоляционная; 51 Корпус; 52 Катушки; 53 Крышка; 54 Болт стяжной; 55 Шайба; 56 Шайба; 57 Винт; 58 Траверса; 59 Шайба; 60 Гайка; 61 Шайба; 62 Гайка; 63 Шайба; 64 Шайба; 65 Крышка; 66 Прокладка
Приборы освещения, сигнализации и контроля
Фары.
фары служат для освещения участка пути, находящегося впереди и сзади движущейся машины. Фара состоит из корпуса, отражателя, стекла. Ободка, токовыводящих проводов и патрона с лампой. Стекло, отражатель и лампа образуют оптический элемент, который соединен с ободком пружинными защелками. Ободок соединен с корпусом соединительным винтом. Оптический элемент прикреплен к корпусу фары пружинами и регулировочными винтами.
Передние фары могут быть установлены по высоте в двух положениях. При выполнении транспортных работ на дорогах общего пользования кронштейны фар крепят к переднему брусу трактора (положение II); при выполнении сельскохозяйственных работ с машинами, навешиваемыми на передний брус трактора, кронштейны фар крепят к боковине капота (положение I). При перестановке кронштейнов фар жгут проводов отъединяют от соединительной панели, расположенной на петле капота, или от фары и пропускают через резиновую втулку, установленную в полке кронштейна фары или закрепляют двумя скобами, приваренными к полке кронштейна .
Передние фары.

1 Болт ; 2 Шайба резиновая 8х2х3; 3 Обойма передняя; 4 Оптический элемент; 5 Лампа А12-4; 6 Патрон лампы; 7 Лампа А12-45+40; 8 Колодка; 9 Корпус; 10 Чашка; 11 Шайба пружинная В318ТGL7403; 12 Гайка шестигранная М18х1,5 DIN9634Д
Задние фары.
1. Оправа с фиксатором ФГ304-3711300; 2 Рефлектор с рассеивателем и прокладкой; 3 Держатель ФГ304-3711005; 4 Лампа А12-40; 5 Кожух ФГ304-3711290; 6 Корпус ФГ304-3711100; 7 Шайба ШП12 8 Гайка М12х1,25; 9 Кронштейн

Задние фанари.
Задние фонари. На крыльях задних колес установлены комбинированные трехсекционные фонари. На наружной секции указателя поворота имеется оранжевый рассеиватель. В ней установлена лампа А12-21-3, включаемая переключателем. В средней и внутренней (к оси трактора) секциях расположен красный рассеиватель. Во внутренней секции стоп-сигнала установлена лампа А12-21-3, включаемая выключателем ВК-415 при нажатии на педали тормозов, сигнализируя водителям идущего сзади транспорта о торможении трактора. В средней секции габаритного огня установлена лампа АС12-5. Включают габаритные огни центральным переключателем.
В процессе эксплуатации задних фонарей их обслуживание не требуется, но необходимо контролировать продолжительность непрерывного свечения. Включение стоп-сигнала более чем на 3 мин может привести к расплавлению рассеивателей. При длительных стоянках необходимо включать не основные тормоза, а стояночно-запасной тормоз. Передние фонари. На передней панели кабины с помощью кронштейнов установлены комбинированные двухсекционные фонари. В одной секции фонаря имеется белый рассеиватель (габаритного огня), в другой – оранжевый (указателя поворота). В секции габаритного огня установлена лампа А25-5, в секции поворота-А12-21-3. Для получения прерывистого светового сигнала в электрическую цель ламп передних и задних указателей поворота включен реле-прерыватель установленный в корпусе щитка приборов. Переключатель указателей поворота и контрольная лампа с рассеивателем зеленого цвета расположены на щитке приборов.
Задние фанари.
1 Корпус; 2 Прокладка; 3 Шайба 6Т ; 4 Винт М6х40; 5 Лампа А12-21+5; 6 Рассеиватель левый; 7 Винт М4х18Н-01; 8 Шайба Н-02; 9 Лампа А12-21; 10 Панель; 11 Прокладка; 12 Панель; 15Шайба Ш8Т; 16 Болт 4М8; 17 Шайба Ш6Т; 18 Гайка.
Фонарь освещения номерного знака.
Фонарь освещения номерного знака. На задней панели кабины установлен фонарь с двумя лампами А12-5 для освещения номерного знака. Включается фонарь центральным переключателем. Плафон кабины. В кабине установлен плафон с лампой А12-21-3. Включается плафон встроенным в него же выключателем.
1 Прокладка; 2 Лампа А12-5; 3 Гайка М6.6Н.6.019; 4 Шайба 6Т 65Г 06; 5 Основание; 6 Корпус; 7 Винт М4х8Н-12.
Указатель поворотов.
Он предназначен для предупреждения о предстоящем маневре трактора. В него входят сигнальные лампы, переключатель и прерыватель.
Контрольная лампа 121.3803 указателей поворота с рассеивателем зеленого цвета и лампой А12-1. Она сигнализирует о включении указателей поворота и мигает с частотой 1…2 Гц. При перегорании одной из ламп указателей поворота частота миганий увеличивается, а при перегорании двух ламп (переднего и заднего фонарей) контрольная лампа горит не мигая.

1 Винт М6-6gх40.58.019; 2 Шайба 6Т 65Г 06; 3 Рассеиватель; 4 Лампа А12-21-3; 5 Прокладка; 6 Корпус; 7 Прокладка; 8 Шайба Н-02; 9 Винт М4х18; 10 Панель
Электрофакельный подогреватель.
Электрофакельный подогреватель установлен во всасывающем коллекторе и необходим для подогрева воздуха, чтобы облегчить пуск дизеля. Электрический ток от аккумуляторной батареи подводится раздельно к катушке электромагнита и к спирали. Подогреватель вводят в работу тем же включателем, что и стартер. В первом положении включателя ток поступает в цепь спирали накаливания и вызывает на ней (совместно с последовательно соединенными контрольным элементом ЦД50-В и добавочным сопротивлением СЭ50-В) падение напряжения в 10 В. Контрольный элемент и добавочное сопротивление размещены на щитке прибора трактора. Разогрев спирали до температуры примерно 950°С происходит за 15…20 с.
1 Корпус с катушкой; 2 Шайба 6 65Г 06; 3 Болт М6-6gх20.88.35.019; 4 Шайба 4.01.019; 5 Шайба 4 65Г 06; 6 Гайка М4.6.019; 7 Корпус клапана; 8 Клапан; 9 Пружина; 10 Штуцер; 11 Болт штуцера; 12 Болт штуцера; 13 Прокладка; 14 Трубопровод; 15 Прокладка; 16 Гайка М5.6.019; 17 Шайба 5 65Г 019; 18 Шайба 5.01.019; 19 Изолятор; 20 Прокладка
Предохранители.
Для защиты электропроводки и отдельных приборов от возможных коротких замыканий и перегрузок в схеме электрооборудования трактора применяют три блока плавких предохранителей ПРП-П, 11Р11-Р, ПР11-С (по четыре предохранителя в каждом блоке).
Блоки предохранителей размещены на щитке приборов. В цепях указателей температуры воды, уровня топлива и поворота установлены предохранители с номинальным током 5 А (третий и пятый слева), в остальных цепях – предохранители на 15 А.
Назначение каждого предохранителя указано на трафарете, размещенном на щитке приборов над блоками.
Исправный предохранитель перегорает за 30 с при нагрузке в цепи, на 50% превышающей номинальную.
Цепь радиоприемника защищена дополнительно автономным предохранителем на 1 А.
Штепсельная розетка.
На задней опоре кабины трактора справа установлена семиштырьковая штепсельная розетка ПСЗООА-100 предназначенная для подключения потребителей электрического тока транспортного прицепа или прицепной сельскохозяйственной машины. Провода потребителей соединены с .розеткой через штепсельную вилку ЦСЗОО-150, в которую заделан жгут проводов.
На розетке и вилке римскими цифрами нанесена маркировка для клемм, которой следует руководствоваться при подсоединении проводов в соответствии со схемой трактора и прицепа. Назначение клемм штепсельного разъема: I-стоп-сигнал, II-левый поворот; III-двусторонняя звуковая сигнализация; IV- правый поворот; V- правый габаритный сигнал; VI – левый габаритный сигнал; М – «масса».
Звуковой сигнал.
Звуковой безрупорный сигнал С311 с электромагнитной вибрационной системой состоит из корпуса электромагнита с сердечником цилиндрической формы, контактной системы (преры вателя), мембраны с якорем и резонатором и крышки. Сигнал прикреплен с помощью рессорной подвески к корпусу гидроусилителя руля.
Включают сигнал кнопочным выключателем ВК-322, установленным на щитке приборов. При включении сигнала якорь электромагнита начинает вибрировать, поскольку цепь тока в обмотке электромагнита периодически разрывается прерывателем. Вибрация якоря передается на мембрану и резонатор. В результате мембрана совершает быстрые колебательные движения, что вызывает вибрацию резонатора и звучание сигнал.
Звуковой сигнал устанавливают на заводе-изготовителе, и, как правило, в эксплуатации его регулировка не требуется. Качество звучания сигнала можно изменять перемещением прерывателя относительно якоря с помощью регулировочного винта, расположенного на корпусе с обратной стороны.
Контрольные приборы.
Контрольная лампа 121.3803 указателей поворота с рассеивателем зеленого цвета и лампой А12-1. Она сигнализирует о включении указателей поворота и мигает с частотой 1…2 Гц. При перегорании одной из ламп указателей поворота частота миганий увеличивается, а при перегорании двух ламп (переднего и заднего фонарей) контрольная лампа горит не мигая. Контрольная лампа 123803 аварийной температуры жидкости в системе охлаждения дизеля с рассеивателем рубинового цвета и лампой А12-1 загорается при перегреве дизеля.
Контрольная лампа 12.3803 падения давления в смазочной системе дизеля с рассеивателем рубинового цвета и лампой А12-1 сигнализирует (загорается) о снижении давления масла в смазочной системе дизеля ниже допустимого предела.
Амперметр
магнитоэлектрического типа относится к контрольно-измерительным приборам и предназначен- для регистрации зарядного и разрядного тока. Внутри стального экрана прикреплены две пластмассовые колодки между которыми помещен подвижный магнит.
С магнитом жестко связаны ось и ограничитель хода стрелки. Ось вращается в подшипнике и направляющей верхней колодки.
Магнит и ограничитель могут поворачиваться на угол в-пределах прорези.
На колодках расположена обмотка из тонкого провода, параллельно которой подключен шунт.
Когда тока в обмотке нет, разноименные полюсы магнитов и притягиваются и стрелка устанавливается на нулевое деление шкалы.
Проходя по обмотке,
ток создает вокруг нее магнитное поле, направленное под углом 90° к- полю подвижного магнита.
В результате взаимодействия этих полей возникает вращающий момент, под действием которого, стрелка /поворачивается на некоторый угол, чем больший, тем больше ток в обмотке .
При изменении направления тока стрелка отклоняется в противоположную сторону шкалы;
Спидометр
фиксирует скорость движения и служит счетчиком пройденного пути. Спидометр с магнитным указателем скорости состоит из постоянного магнита,
прикрепленного к приводному валу, и катушки,
представляющей собой колпачок (диск) из алюминиевого сплава. Магнит закреплен на валике привода спидометра, а катушка насажена на общую со стрелкой и пружиной ось. При вращении магнита его магнитное поле индуктирует в катушке вихревые токи, создающие вращающий момент, под действием которого катушка и стрелка поворачиваются на угол, пропорциональный частоте' вращения магнита. У счетчика пройденного пути шесть барабанов с : цифрами, от 0 до 9 на каждом из них. Начальный барабан приводится во вращение от приводного вала червячной передачей. Один оборот начального барабана соответствует 1 км пути, а каждый последующий барабан соединен с предыдущим с передаточным отношением 1 : 10; при повороте начального барабана на один оборот следующий поворачивается на Vio оборота, то есть на одну цифру, и т. д. Спидометр приводится во вращение гибким валом от вторичного вала коробки передач через специальный редуктор.
Сигнализатор температуры воды
состоит из опорной пластины,
контактов?
биметаллической пластины,
патрона,
корпуса,
изолятора и клеммы.
Сигнализатор устанавливается в верхнем бачке радиатора, контрольная лампа и включатель помещаются на щитке приборов машины. Когда температура воды превысит 93—99°С, биметаллическая пластина, деформируясь от нагрева, замыкает контакты, и в цепь прибора включается контрольная лампа.
Сигнализатор давления масла
содержит датчик,
мембрану, контакты,
опорную пластину.
В цепь сигнализатора включены контрольная лампа,
предохранитель,
включатель зажигания,
амперметр и аккумуляторная батарея.
Контрольная лампа установлена на щитке приборов. При нормальном давлении масла в системе смазки мембрана прогнута давлением масла, опорная пластина приподнята и контакты разомкнуты. Цепь прибора-прервана и контрольная лампане горит. При падении давления масла в системе до 0,04—0,07 МПа мембрана прогибается в противоположную сторону, контактызамыкаются, и конт- -рольная лампа загорается.
2.2 Техническое обслуживание и ремонт электрооборудования
трактора мтз 82.
Электрооборудование является одной из основных систем трактора, наряду с остальными требуя своевременного и качественного технического обслуживания. А это означает, что техническое обслуживание электрооборудования трактора требует более глубоких знаний и более высокой квалификации обслуживающего персонала, что не всегда обеспечивается и, как следствие, является основной причиной выхода из строя.
Практика показывает, что, во-первых, обслуживающий персонал не только недостаточно внимания уделяет изучению электрооборудования трактора, но и вообще халатно относится к эксплуатации. Незнание, совмещенное с чрезмерным энтузиазмом, стало просто бичом наших сервисных служб. При малейшем отказе электрооборудования трактора в работе, операторы, даже не посмотрев на схему, приведенную в пособии, не попытавшись в ней разобраться, начинают выполнять работы по диагностике и восстановлению системы с самого сложного. Разбирают стартер, блок реле, разрушая, тем самым, ключевые узлы электрооборудования. А в большинстве случаев причиной неполадок оказывается элементарное невыполнение правил технического обслуживания.
Ремонт электрооборудования (ЭО) должен производится только после тщательного изучения инструкции по эксплуатации и обслуживанию той или иной системы трактора. Следует помнить, что в основном все возможные неисправности ЭО происходят по причинам:
· выхода из строя конечного потребителя (лампа, сигнал, тяговое реле и т.п.);
· отсутствия контакта там где он требуется (отсутствие «массы» прибора, коррозия контактов цепи питания, обрыв провода);
· наличия контакта там, где его не должно быть (короткое замыкание на массу, о чем чаще всего сигнализирует перегоревший предохранитель);
· окисления, сопровождаемое падением напряжения и интенсивным нагревом нарушенных контактов;
· подгорания контактов в тяговом реле стартера;
· выхода из строя контактов переключателей.
Для предотвращения траты времени на поиск неисправности необходимо проводить диагностирование
Параметры технического состояния, средства диагностирования электрооборудования.
К параметрам технического состояния основных агрегатов электрооборудования относятся:
- уровень электролита в аккумуляторах;
- плотность электролита и разреженность аккумуляторных батарей;
- натяжение ремня генератора;
- напряжение на фазах генератора;
- напряжение, поддерживаемое реле-регулятором;
-ток срабатывания реле защиты;
- зазор между шестерней привода и упорной шайбой стартера в момент включения основных контактов включателя или в момент замыкания контактов электромагнитного реле;
- ток потребляемый стартером при полностью заторможенном якоре;
- сила и тональность звукового сигнала.
При проверке технического состояния электрооборудования применяют следующие средства диагностирования.
Переносной вольтамперметр КИ-1093-ГосНИТИ.
Он предназначен для контроля генераторов, реле-регуляторов, стартеров, звуковых сигналов, стартерных аккумуляторных батарей.
Переносной вольтамперметр имеет металлический футляр, в который вмонтированы амперметр, тахометр, вольтметр и нагрузочный реостат. Для управления прибором и подключения его к проверяемым объектам на передней панели размещены органы управления. Футляр закрывается съемной крышкой. В футляре имеется пространство, в котором размещены шунт и комплект проводов для подключения прибора к контролируемому объекту.
Амперметр имеет шунт на 30 А для испытания генераторов, звуковых сигналов, электродвигателей, а также выносной шунт для стартеров. При использования выносного шунта предел измерения расширяется до 1500 А. диапазон измерения вольтметром- 0…3 В; при введении в электрическую цепь добавочного резистора этот диапазон расширяется до 30 В.
Для измерения напряжения переменного тока в цепь вольтметра введены диод и резистор.
Тахометор прибора- электроимпульсный с диапазоном измерения 0…5000 мин, предназначен для измерения частоты вращения коленчатого вала. Принцип действия тахометра основан на считывании импульсов тока, выдаваемых прерывателем магнето или распределителя. Нагрузочный реостат прибора имеет полное сопротивление 6 Ом и при испытании генераторов рассчитан на максимально допускаемый ток до 25 А в течении 5 мин.
Нагрузочная вилка ЛЭ-2.
Она служит для выявления неисправностей и определения разряженности аккумуляторных батарей по напряжению каждого аккумулятора в отдельности. Нагрузочная вилка включает в себя вольтметр, закрепленный шарнирно на двух контактных ножках, которыми они присоединяются к клеммам аккумулятора. Ножки подключаются к вольтметру двумя нагрузочными сопротивлениями, выполненными из нихромовой проволоки или шины.
Время выдержки при проверке каждого аккумулятора под нагрузкой не должно превышать 5 с.
Нагрузочной вилкой можно также измерить электродвижущуюся силу аккумулятора, отвинтив обе клеммы и тем самым отключив нагрузочное сопротивление.
Проверка уровня и плотности электролита, степени разреженности
аккумуляторной батареи.
Очищают батарею от пыли и грязи. Проверяют, нет ли трещин в баке и мастике. При наличии трещин и течи электролита батарею заменяют.
Вывертывают пробки из банок аккумуляторов. Опускают в заливное отверстие аккумулятора наконечник денсиметра, до упора в защитную решетку. Сжав и разжав грушу, вынимают денсиметр из банки аккумулятора и проверяют, нет ли в колбе электролита. Отсутствие электролита в колбе указывает на то, что его уровень в аккумуляторе не превышает нормальной величины.
Заполняют колбу денсиметра дистиллированной водой и выливают воду в аккумулятор. Затем, опустив наконечник до упора в защитную решетку, снова проверяют уровень электролита, сделав отсос грушей. Если в колбе не окажется электролита, то добавляют в аккумулятор дистилированую воду и опять делают отсос. При избытке электролита в аккумуляторе груша отсосет его через контрольное отверстие, при недостатке добавляют электролит.
После проверки уровня электролита во всех аккумуляторах и долива дистиллированной воды, ввертывают на место пробки, предварительно осмотрев и прочистив вентиляционные отверстия.
Плотность электролита измеряют, погружая поочередно в каждую банку наконечник денсиметра, предварительно сжав резиновую грушу и набрав в пипетку такое количество электролита, при котором ареометр всплывает, но не упирается своим верхним краем в резиновую грушу.
Измеряют температуру электролита. Если она меньше или больше +20 градусов, то в измерительную плотность вносят поправку.
Разница в плотности электролита аккумуляторов одной батареи не должна превышать 20кг/м3. При большей разнице батарею следует заменить.
По наименьшей плотности электролита, измеренной в одном из аккумуляторов одной батареи, определяют разряженность батареи.
Если плотность электролита неизвестна, то определяют разряженность батареи по напряжению под стартерной нагрузкой. Для этого поочередно подключают ножки нагрузочной вилки к выводам каждого аккумулятора батареи на 5 с и определяют показания вольтметра. Разность напряжений аккумуляторов одной батареи не должна превышать 0,2В. При большой разнице батарею следует заменить.
Техническое обслуживание электропроводки, системы освещения и сигнализации, натяжение ремня генератора
Проверяют надежность присоединения проводов к приборам электрооборудования и крепления пучков проводки скобами, а также состояние электропроводки, прежде всего в местах крепления и пересечения с металлическими частями машины. Поврежденную изоляцию следует обмотать изоляционной лентой. Для этого измеряют падение напряжения в проверяемой цепи, пользуясь вольтметром, при включенных потребителях электроэнергии.
Присоединяют к выводам прибора два провода с игольчатыми щупами. Переключатель вольтметра устанавливают в положение «-3В». Игольчатые щупы присоединяют к началу и концу проверяемой цепи.
Проверяют состояние клемм и при необходимости защищают поверхность наконечников и зажимов, подтягивают болты.
Проверяют работу системы освещения при различных положениях выключателей и переключателей и надежность крепления осветительной аппаратуры.
Проверяют состояние электрических цепей указателей поворотов и переключателей. Для этого, переведя рукоятку переключателя вправо и влево, убеждаются в том, что мигание света указателей поворота равномерное и устойчивое. Затем, поворачивая рулевое колесо вправо и влево, проверяют, обеспечивается ли выключение указателей поворота при выходе из поворота на прямую. Если указатель поворота не включается, то регулируют положение переключателя.
Проверяют работу сигнальных ламп выключения тормозов, нажав два-три раза на тормозные педали. Лампы должны работать четко, без перебоев.
Если какой-либо прибор освещения и сигнализации не работает, то проверяют исправность лампочки и проводки, а также убеждаются, не перегорел ли плавкий предохранитель в цепи данного прибора.
Проверка генераторов.
Генератор с реле-регулятором подключают к прибору КИ-1093-ГосНИТИ вывод «V» и амперметра прибора подключают к выводу «В» реле-регулятора, выводы «минус» и реостат- к «массе» трактора. Включают выключатель «массы», пускают дизель, устанавливают номинальную частоту вращения коленчатого вала. Устанавливают реостатом ток нагрузки и фиксируют напряжение на клеммах генератора, которое должно быть не меньше 12,5 В.
Колебания тока и напряжения не допускаются. Если напряжение меньше указанного, то генератор направляют в ремонт.
При проверке генератора со встроенным ИРН подключают выводы «V» и реостата прибора КИ-1093-ГосНИТИ к выходу генератора со встроенным ИРН, вывод «минус» и амперметра соединяют с «массой» трактора. Включают выключатель, пускают дизель, устанавливают номинальную частоту вращения коленчатого вала.
Устанавливают реостатом ток нагрузки и фиксируют напряжение на клеммах генератора, которое должно быть не меньше 12,5 В
Колебания тока не допускаются. Если напряжение меньше указанного, то генератор направляют в ремонт.
Техническое обслуживание стартера
Техническое обслуживание стартера заключается в проверке надежности его крепления и состояния клеммовых соединений. Через каждые 500 моточасов проверяют состояние коллектора и щеток с помощью чистой ветоши, смоченной в бензине, удаляют загрязнения с поверхности коллектора, предварительно подняв щетки, чтобы не занести грязь на них. Через одно ТО-3, а в дальнейшем через два ТО-3 (ориентировочно через 3000 моточасов) стартер снимают с трактора и очищают от пыли и грязи. Затем снимают защитный кожух и проверяют состояние щеточно-коллекторного узла. Загрязнение или незначительное подгорание коллектора устраняют чистой ветошью, смоченной в бензине. Если подгорание невозможно удалить, эти места следует зачистить стеклянной шкуркой. Щетки должны свободно перемещаться в щеткодержателях и прилегать своей плоскостью к коллектору. Сила давления пружин на щетки в момент отрыва должна составлять 29,4 + 2,45 Н (3,0 ±0,25 кгс). После этого снимают крышку с тягового реле и проверяют состояние контактов. Если контакты подгорели, их следует зачистить надфилем и протереть ветошью, смоченной в бензине.
При более серьезных неисправностях стартер следует разобрать и выполнить следующие работы:
—очистить внутренние и наружные поверхности корпуса, крышек и якоря от пыли и грязи;
—проточить коллектор, а затем зачистить шкуркой (зернистостью 80… 100);
—проверить состояние шестерни привода и венца маховика, зачистить напильником выработку или выбоины зубьев, а если износ велик, заменить детали новыми;
—повернуть контактные болты на 180° в случае сильного подгорания, а контактный диск перевернуть другой стороной;
—заменить изношенные щетки на новые;
—смазать все трущиеся детали (подшипники, винтовые шлицы и шейки вала якоря, втулки привода) смазкой ЦИАТИМ-201 или моторным маслом.
Собранный после проведения указанных операций стартер необходимо отрегулировать и проверить в работе. При регулировке на выводную клемму обмоток реле подают напряжение 8… 12 В от специального агрегата или аккумуляторной батареи. Корпус стартера надежно соединяют с отрицательной клеммой батареи. Чтобы якорь стартера не вращался, шину 9 отъединяют от выводного болта корпуса. Когда включенное тяговое реле сработает и якорь займет положение «Включен», т. е. втянут в обмотку, зазор между торцом шестерни привода и упорными полукольцами на валу якоря должен составлять 3 ± 1 мм. Зазор регулируют поворотом эксцентриковой оси рычага 16, которую затем закрепляют гайкой.
2.3 Неисправности электрооборудования и методы их устранения.
1. Отсутствует напряжение в бортовой электросети после включения выключателя «массы».
Необходимо:
· проверить контакты в месте подключения проводов к элементам АКБ;
· проверить исправность предохранителя F1, установленного под капотом трактора на двигателе;
· проверить исправность цепи, ведущей от АКБ к предохранителю.
2. После запуска дизеля отсутствует зарядка.
Необходимо:
· проверить состояние ремня привода генератора и регулировку натяжения;
· проверить исправность предохранителя F1;
· с помощью указателя напряжения проверить величину регулируемого напряжения генератора, которое должно быть равно 13,2–14,1 В в положении «Лето» винта посезонной регулировки или 14,2– 15,2 В в положении «Зима»;
· проверить надежность контактов в цепи, ведущей от генератора к указателю напряжения. Проверку следует проводить при номинальных оборотах дизеля и включенных рабочих фарах.
3. Аккумуляторная батарея систематически недозаряжается.
Необходимо:
· проверить величину регулируемого напряжения и, если оно ниже допустимого, установить винт посезонной регулировки генератора в положение «Зима» или заменить ИРН (интегральный регулятор напряжения);
· проверить техническое состояние АКБ;
· проверить надежность контактов клемм проводов, ведущих от генератора к АКБ, исключив возможность сопротивления, вызванного из-за слабого контакта или окисления.
4. Стартер развивает низкие пусковые обороты.
Необходимо:
устранить возможное ослабление крепления или окисление клемм силовой цепи:
· на аккумуляторных батареях;
· на выключении «массы», в том числе винтах крепления выключателя;
· перемычке «массы» между кабиной и корпусом трактора;
· на клеммах стартера и его креплении; б) проверить степень заряда аккумуляторных батарей.
5. Тяговое реле стартера срабатывает (слышен стук его включения), однако дизель стартером не вращается. При этом контрольная лампа на щитке приборов трактора функционирует нормально или притухает.
Необходимо:
· проверить и, при необходимости, зачистить контакты тягового реле стартера, а также отрегулировать механизм привода;
· проверить состояние щеточно-колекторного узла стартера.
С наступлением холодной поры года возникает необходимость в напоминании пользователям тракторов правил запуска дизеля в условиях низких температур. Итак:
· запуская дизель, обязательно используйте предпусковой подогрев двигателя;
· время непрерывной работы стартера при запуске дизеля должно быть не более 15 с, а при повторном запуске перерыв между циклами должен составлять 1–1,5 мин.;
· до и после пуска на силовую клемму стартера подается напряжение 12 В с допустимым током нагрузки 60 А. Ток ограничен предохранителем F1. Поэтому ни в коем случае нельзя допускать попыток запуска дизеля путем перемыкания клемм тягового реле стартера и установки нестандартных предохранителей.
Технологическая карта.
| Неисправность |
Устронение неисправности |
Инструменты |
1. Отсутствует напряжение в бортовой электросети после включения выключателя «массы».
|
· проверить контакты в месте подключения проводов к элементам АКБ;
· проверить исправность цепи, ведущей от АКБ к предохранителю.
|
Прибор КИ-1093-ГосНИТИ |
| 2. После запуска дизеля отсутствует зарядка. |
· проверить состояние ремня привода генератора и регулировку натяжения;
· с помощью указателя напряжения проверить величину регулируемого напряжения генератора, которое должно быть равно 13,2–14,1 В в положении «Лето» винта посезонной регулировки или 14,2– 15,2 В в положении «Зима»;
· проверить надежность контактов в цепи, ведущей от генератора к указателю напряжения. Проверку следует проводить при номинальных оборотах дизеля и включенных рабочих фарах.
|
Прибор КИ-1093-ГосНИТИ |
| 3. . Аккумуляторная батарея систематически недозаряжается. |
· проверить величину регулируемого напряжения и, если оно ниже допустимого, установить винт посезонной регулировки генератора в положение «Зима» или заменить ИРН (интегральный регулятор напряжения);
· проверить техническое состояние АКБ;
|
Денсиметр, нагрузочная вилка ЛЭ-2, переносной вольтамперметр КИ-1093-ГосНИТИ |
4. Стартер развивает низкие пусковые обороты.
|
устранить возможное ослабление крепления или окисление клемм силовой цепи:
· на аккумуляторных батареях;
· на выключении «массы», в том числе винтах крепления выключателя;
· перемычке «массы» между кабиной и корпусом трактора;
· на клеммах стартера и его креплении; б) проверить степень заряда аккумуляторных батарей.
|
переносной вольтамперметр КИ-1093-ГосНИТИ |
5. Тяговое реле стартера срабатывает (слышен стук его включения), однако дизель стартером не вращается. При этом контрольная лампа на щитке приборов трактора функционирует нормально или притухает.
|
· проверить и, при необходимости, зачистить контакты тягового реле стартера, а также отрегулировать механизм привода;
· проверить состояние щеточно-колекторного узла стартера.
|
переносной вольтамперметр КИ-1093-ГосНИТИ |
89372065560
|