Банк рефератов содержит более 364 тысяч рефератов, курсовых и дипломных работ, шпаргалок и докладов по различным дисциплинам: истории, психологии, экономике, менеджменту, философии, праву, экологии. А также изложения, сочинения по литературе, отчеты по практике, топики по английскому.
Полнотекстовый поиск
Всего работ:
364139
Теги названий
Разделы
Авиация и космонавтика (304)
Административное право (123)
Арбитражный процесс (23)
Архитектура (113)
Астрология (4)
Астрономия (4814)
Банковское дело (5227)
Безопасность жизнедеятельности (2616)
Биографии (3423)
Биология (4214)
Биология и химия (1518)
Биржевое дело (68)
Ботаника и сельское хоз-во (2836)
Бухгалтерский учет и аудит (8269)
Валютные отношения (50)
Ветеринария (50)
Военная кафедра (762)
ГДЗ (2)
География (5275)
Геодезия (30)
Геология (1222)
Геополитика (43)
Государство и право (20403)
Гражданское право и процесс (465)
Делопроизводство (19)
Деньги и кредит (108)
ЕГЭ (173)
Естествознание (96)
Журналистика (899)
ЗНО (54)
Зоология (34)
Издательское дело и полиграфия (476)
Инвестиции (106)
Иностранный язык (62791)
Информатика (3562)
Информатика, программирование (6444)
Исторические личности (2165)
История (21319)
История техники (766)
Кибернетика (64)
Коммуникации и связь (3145)
Компьютерные науки (60)
Косметология (17)
Краеведение и этнография (588)
Краткое содержание произведений (1000)
Криминалистика (106)
Криминология (48)
Криптология (3)
Кулинария (1167)
Культура и искусство (8485)
Культурология (537)
Литература : зарубежная (2044)
Литература и русский язык (11657)
Логика (532)
Логистика (21)
Маркетинг (7985)
Математика (3721)
Медицина, здоровье (10549)
Медицинские науки (88)
Международное публичное право (58)
Международное частное право (36)
Международные отношения (2257)
Менеджмент (12491)
Металлургия (91)
Москвоведение (797)
Музыка (1338)
Муниципальное право (24)
Налоги, налогообложение (214)
Наука и техника (1141)
Начертательная геометрия (3)
Оккультизм и уфология (8)
Остальные рефераты (21692)
Педагогика (7850)
Политология (3801)
Право (682)
Право, юриспруденция (2881)
Предпринимательство (475)
Прикладные науки (1)
Промышленность, производство (7100)
Психология (8692)
психология, педагогика (4121)
Радиоэлектроника (443)
Реклама (952)
Религия и мифология (2967)
Риторика (23)
Сексология (748)
Социология (4876)
Статистика (95)
Страхование (107)
Строительные науки (7)
Строительство (2004)
Схемотехника (15)
Таможенная система (663)
Теория государства и права (240)
Теория организации (39)
Теплотехника (25)
Технология (624)
Товароведение (16)
Транспорт (2652)
Трудовое право (136)
Туризм (90)
Уголовное право и процесс (406)
Управление (95)
Управленческие науки (24)
Физика (3462)
Физкультура и спорт (4482)
Философия (7216)
Финансовые науки (4592)
Финансы (5386)
Фотография (3)
Химия (2244)
Хозяйственное право (23)
Цифровые устройства (29)
Экологическое право (35)
Экология (4517)
Экономика (20644)
Экономико-математическое моделирование (666)
Экономическая география (119)
Экономическая теория (2573)
Этика (889)
Юриспруденция (288)
Языковедение (148)
Языкознание, филология (1140)

Курсовая работа: Розрахунок силового трифазного двохобмоткового масляного трансформатора

Название: Розрахунок силового трифазного двохобмоткового масляного трансформатора
Раздел: Рефераты по физике
Тип: курсовая работа Добавлен 01:21:43 29 декабря 2010 Похожие работы
Просмотров: 366 Комментариев: 20 Оценило: 3 человек Средний балл: 5 Оценка: неизвестно     Скачать

Зміст

1. Завдання на курсовий проект

2. Реферат

3. Загальна конструктивна схема трансформатора

4. Конструкція магнітної системи

5. Система обмоток

6. Визначення основних електричних величин

7. Вибір конструкції магнітопроводу

7.1. Вибір конструкції обмоток

8. Розрахунок обмоток трансформатора. Загальні положення

8.1. Розрахунок обмоток НН. Розрахунок циліндричної обмотки

8.2. Розрахунок обмоток ВН. Неперервна катушечна обмотка

9. Розрахунок втрат короткого замикання

9.1. Розрахунок параметрів короткого замикання

9.2. Розрахунок напруги короткого замикання.

10. Остаточний розрахунок магнітної системи

10.1. Визначення розмірів магнітної системи

10.2. Визначення втрат холостого ходу

10.3. Розрахунок струму холостого ходу

11. Тепловий розрахунок і розрахунок систем охолодження

11.1. Перевірочний тепловий розрахунок обмоток

11.2. Тепловий розрахунок бака

12. Визначення маси основних матеріалів


1. Завдання на курсовий проект

Розрахувати трьохфазний двохобмотковий трансформатор з наступними технічними даними:

Тип трансформатораТМН

Повна потужність трансформатора S, кВА 6300

Число фаз m 3

Частота f, Гц 50

Номінальна лінійна напруга

обмоток високої напруги U1, кВ 35

обмоток низької напруги U2, кВ 11

Напруга кз, Uк, % 7,5

Струм неробочого ходу I,% 0,9

Втрати

короткого замикання Рк, кВт46,5

неробочого ходу Рх, кВт 8

Матеріал обмотокмідь

Вид перемикання обмотокРПН

Схема та групи з’єднання обмотокУ/Д-11

Спосіб охолодження трансформаторарідинний

Характер навантаженнятривалий


2. Реферат

Дані технічні умови розповсюджуються на силовий трифазний двохобмотковий масляний трансформатор, призначений длязагального промислового використання. Розрахунок проводиться для понижуючого трансформатора стержневого типу з концентричними обмотками, з регулюванням напруги без збудження, для помірного та помірно-холодного типу клімату із зовнішнім встановленням. Охолодження масляне з дуттям та природною циркуляцією масла. Клас напруги – 35 кВА. Вимоги до трьохфазних масляних силових трансформаторів загального призначення потужністю 1000 – 80000 кВА з верхньою межею номінальної напруги до 35 кВ затверджені ГОСТ 11920-66.

Для обмотки використовується мідний обмоточний провід марки АПБ з ізоляцією із кабельного паперу класу нагрівостійкості А (гранично допустима температура +105оС) із загальною товщиною 0,55 – 0,62 мм на дві сторони.Умовне позначення трансформатора - ТМН-1600/35.


3. Загальна конструктивна схема трансформатора

У відповідності з ГОСТ 16110-82 трансформатором називається статичний електромагнітний пристрій, який має дві або більше індуктивно зв’язаних обмоток й призначений для перетворення за допомогою електромагнітної індукції одної або ж декількох систем змінного струму в одну або декілька інших систем змінного струму. Силовим називається трансформатор, призначений для перетворення електричної енергії в мережі енергосистем та споживачів електроенергії. Конструктивною та механічною основою трансформатора є його магнітна система, яка називається осердям. Осердя разом з усіма конструкціями та деталями, призначеними для кріплення його окремих частин, називається остовом трансформатора. На остові встановлюються обмотки й кріпляться провідники (відводи), з’єднуючі обмотки з вводами – прохідними фарфоровими ізоляторами або іншими пристроями, що слугжать для приєднання зовнішньої мережі до обмоток. Остов з обмотками та іншими деталями встановлюється на донну частину баку, а потім накривається баком й заливається маслом. На кришці монтуються відводи, розширювальний бак та теплообмінники. Магнітна система утворена стиковим осердям стержневого типу, складається з трьох вертикальних стержнів та двох горизонтальних ярм, затиснутих пресуючими балками. Трансформатор на кожному зі стержнів осердя має по дві концентричні обмотки круглої форми: обмотка НН – всередині, ВН – ззовні.

До допоміжних систем відноситься:

система охолодження, яка складається з розширювального бака, охолоджуючі вентилятори з індивідуальним приводом, системи трубопроводів та радіаторів, регуляторів температури масла;системи контролю та захисту, яка складається з газового реле, реле тиску та температури масла, реле захисту від перевантажень та перенапруг, короткого замикання; пристрою регулювання напруги. Охолодження трансформатора базується на відборі тепла від осердя та обмоток маслом та віддачі його у навколишнє середовище через зовнішні радіатори. Циркуляція масла відбувається внаслідок конвекції, а температура підтримуєтьсь шляхом зміни кількості вентиляторів, увімкнених в роботу.


4. Конструкція магнітної системи

Конструктивною та механічною основою трансформатора є його магнітна система (магнітопровід), призначена для локалізації в ній основного магнітного поля трансформатора. Магнітна система являє собою комплект пластина або других елементів із електротехнічної сталі або іншого феромагнітного матеріалу, зібраних у визначеній геометричній формі. Осердя трансформатора утворює магнітну систему й складається зі стержнів – тих її частин, на яких розміщуються обмотки, і ярма – частин без обмоток, які призначені для замикання магнітного кола. Ярма зазвичай стягуються між пресуючими балками, осердя пресуються охоплюючими стержень бандажами зі стальної стрічки, має поздовжні канали. Орієнтовний діаметр стержня d = 60 – 75 мм, з кількістю ступенів 15, коефіцієнтом Ккр=0,91 – 0,92.

Осердя набране зі сталі марки Э330А по ГОСТ 802-58 з товщиною листів 0,35 мм, рулонної холоднокатаної текстурованої з питомими втратами при індукції 1,5 тл – 1,1 вт/кг.

Ярма та стержні при зборці встановлюються встик, з косими стиками.

4.3.1 Першим завданням при проектуванні трансформатора є вибір його конструктивної схеми. Просторові магнітні системи, дозволяючі зменшити витрати сталі і втрати холостого ходу, вимагають спеціальне обладнання й застосовуються тільки для трансформаторів потужністю до 630 кВА. Ми обираємо простішу, плоску, магнітну систему, але повинен бути вибраний план шихтування пластин і найменші втрати й струм холостого ходу отримуються при шихтуванні з косими стиками пластин в шести кутах. Простіша технологія з косими стиками в чотирьох та прямими в двох кутах призводить до дещо більших втрат й струму короткого замикання, але ми зупинимось на середній за складністю та параметрами холостого ходу схемі з косими стиками в чотирьох та комбінованим ‘напівкосим’ у двох кутах:

4.3.2 Поперечний переріз стержня у стержневих магнітних системах зазвичай має вигляд симетричної ступінчастої фігури, вписаної в коло. Ступінчастий переріз стержня (ярма) утворюється перерізами пакетів пластин. При цьому пакетом називається стопа пластин одного розміру. Чистий переріз сталі в поперечному перерізі стержня або ярма називається активним перерізом стержня або ярма.

Збільшення кількості ступенів (кількості пакетів стержня в одній половині кругу) збільшує коефіціент заповнення площі кругу , але ускладнює заготовку пластин й збірку магнітної системи. Отож, для потужності 6300 кВА з таблиці обираємо діаметр стержня d=0.38, з числом ступенів 8 та = 0,9 з пресуючою пластиною.

4.3.3 При діаметрі стержня від 0,36 мм і вище для забезпечення надійного охолодження внутрішніх частин стержня між його пакетами робляться охолоджуючі канали, поздовжні та поперечні. Поздовжні канали продовжуються й у ярмах, кількість приймається рівною 3, ширина каналу – 6 мм.

4.3.4 Коефіціент заповнення кругу, рівний відношенню площини фігури стержня ,

і рівний 0,900. Коефіціент заповнення площини ступеневої фігури стержня сталлю, тобто відношення активного перерізу стержня до площини ступеневої фігури , обираємо для рулонної сталі із жаростійким покриттям й одноразовим лакуванням при товщині листів 0,35 мм =0,965. Загальний коефіціент заповнення сталлю площини кола , описаного навколо перетину стержня, розраховується по формулі

4.3.5 Пресування стержнів здійснюється бандажами із скло стрічки, ярм – балками, стягнутими стальними напівбандажами. Необхідно, щоб форма перерізу ярма була з числом ступенів на одну-дві менше числа ступенів стержня – 6, коефіціент підсилення ярма – 1,025.

4.3.6 Відповідно рекомендаціям для сучасних трансформаторів застосовуєм холоднокатану текстуровану сталь марок Є330 або Є330А товщиною листів 0,35 мм. Індукція в стержнях трансформатора В=1,6 Тл.

Індукція в ярмі Тл. Число зазорів в магнітній системі на косому стику 6, на прямому 2. Індукція в зазорі на прямому стику Тл.

Коефіціент, враховуючий відношення втрат в обмотках до втрат короткого замикання , а також постійні коефіціенти для мідних обмоток й .


5. Система обмоток

Обмотки трансформаторів розрізняють за призначенням, за способом взаємного розміщення й за формою. Для обмотки використовується мідний обмотковий провід марки АПБ з ізоляцією із кабельного паперу класу нагрівостійкості А (гранично допустима температура +105оС) із загальною товщиною 0,45 – 0,50 мм на дві сторони. У трансформаторі використовуються обмотки концентричного типу круглої форми із зовнішнім розташуванням обмотки ВН. Це спрощує вивід від неї розгалужень, а також зменшує розміри внутрішніх ізоляційних каналів.

За способом розміщення обмоток на осерді вони поділяються на концентричні та такі, що чергуються. Концентричні виконуються кожна у вигляді циліндра й розташовуються на стержні концентрично одна відносно іншої. Висота (вагові розміри) обох обмоток, як правило, робиться рівною. Почергові обмотки застосовуються лише в спеціальних типах трансформаторів, які живлять електропечі. У цьому випадку внаслідок значних струмів на стороні НН зручно з’єднувати їх паралельно, а ізоляційні проміжки при відносно малій напрузі ВН зазвичай невеликі.

За формою виконання обмотки трансформатора поділяються на круглі та прямокутні. Обмотки круглої форми виконуються у вигляді кругових циліндрів, які в поперечному перерізі мають форму кільця. Обмотки прямокутної форми в поперечному перерізі мають форму прямокутної рамки з заокругленими кутами. Перевагою такого типу обмоток є можливість найкращого заповнення простору всередині обмотки активною сталлю осердя. Основними недоліками є: понижена електрична міцність ізоляції проводу у кутках котушки, яка легко пошкоджується при перегині проводу на дугу малого радіуса; ускладнення пресування стержня осердя; мала механічна міцність обмотки такого типу при кз. Прямокутна обмотка при кз під дією виникаючих у ній механічних сил намагається прийняти круглу форму, що призводить до пошкодження ізоляції та руйнуванню обмотки.

Основним елементом всіх обмоток є виток. В залежності від величини струму навантаження виток може бути виконаний одним проводом круглого перерізу або прямокутного, а при достатньо великих струмах – групою паралельних проводів круглого, частіше прямокутного перерізу.


6. Визначення основних електричних величин

Перевірку правильного визначення величин фазних струмів і напруг можна здійснити, визначивши добуток цих величин окремо для обмотки ВН і НН; ці добутки повинні бути рівними між собою

4.1.1.Потужність одної фази

Де с – кількість стержнів (фаз).

4.1.2.Фазні напруги та струми

для Y:

для :

де і – 1,2; індекс 1 відноситься до обмотки НН, індекс 2 – обмотки ВН; - номінальні лінійна напруга і-тої обмотки, яка приведена в завданні.

4.1.3.Активна і реактивна складова напруги КЗ,%

де - у Вт, - в кВ*А.

6.1 Вибір випробувальних напруг та ізоляційних проміжків

Кожний силовий трансформатор при оцінці його електричної міцності може бути зображеним у вигляді трьох систем – системи частин, які знаходяться у ввімкненому трансформаторі під напругою; системи заземлюючих частин й системи ізоляції, розділяючої як перші дві системи, так і окремі частини, які знаходяться під напругою. Ізоляція таких частин між собою й відділяюча їх від заземлених частин, в силових трансформаторах виконується у вигляді конструкцій та деталей із твердих діелектриків – електроізоляційного картону, кабельного паперу, лакотканин, дерева, текстоліту, паперово-бакелітових виробів, фарфору та інших матеріалів.

Ізоляція трансформатора повинна витримувати без пошкоджень електричні, теплові, механічні та фізико-хімічні впливи, яким вона піддається під час експлуатації. Силовий трансформатор в експлуатації постійно знаходиться у ввімкненому стані, а його ізоляція – під тривалим впливом робочої напруги, яку вона повинна витримувати без будь-яких пошкоджень необмежено довго

4.2.1 Випробувальні напруги промислової частоти (50 Гц) для масляних силових трансформаторів (ГОСТ 1516,1-76)

Клас напруги, кВ 35

Найбільша робоча напруга, кВ 40,5

Випробувальна напруга , кВ 85

Для обмотки НН кВ.

4.2.3 Головна ізоляція. Мінімальні ізоляційні відстані обмоток НН з врахуванням конструктивних вимог.

для НН, кВ 85

НН від ярма , мм 75

НН від стержня, мм

4

8

17,5

25

4.2.4 Ширина каналів між котушками обмоток за умовами електричної міцності

де - робоча напруга однієї котушки.

4.2.5 Товщину ізоляції прямокутного проводу АПБ на дві сторони для випробувальної напруги обмотки 85 кВ обираємо 0,50 мм. Додаткова ізоляція вхідних котушок обмоток ВН для трансформатора класу напруги 35 кВ:

для першої катушки, витків – 1,5;

для другої катушки, витків – 1,5.

Підсилена ізоляція при =85 кВ робиться на двох перших (лінійний кінець) та двох останніх (нейтраль) котушках обмотки фази. Ізоляція витків дана на дві сторони, ізоляція котушок на одну.


7. Визначення основних розмірів трансформатора

Розрахунок трансформатора починається з визначення основних електричних величин – потужності на одну фазу і стержень, номінальних струмів на стороні ВН і НН, фазних струмів та напруг.

Потужність однієї фази трансформатора, кВА

,Потужність на одному стержні

,

де с – кількість активних (несучих обмотки) стержнів трансформатора.

Номінальний (лінійний) струм обмотки ВН і НН трьохфазного трансформатора, А,

,

.

Фазний струм обмотки одного стержня, А:

обмоток ВН, при з’єднанні у зірку

,

обмоток НН, при з’єднанні в трикутник

.

Фазна напруга, В:

обмоток ВН, при з’єднанні у зірку

,

обмоток НН, при з’єднанні в трикутник

.

Втрати короткого замикання дають можливість визначити активну складову напруги короткого замикання, %:

,

де - у Вт; - в кВА.

Реактивна складова при заданому визначається за формулою

.

4.4.1 До основних розмірів трансформатора відносяться діаметр стержня , висота обмоток і середній діаметр витка двох обмоток , який зв’язує діаметр стержня з радіальними розмірами обмоток і й осьового каналу між ними .

,

4.4.2 Вибір оптимального значення проводиться з таблиці і береться рівним 2,4.

4.4.3 Індукцію в стержнях трансформатора обираємо рівною В=1,6 Тл.

4.4.4 Ширина приведеного каналу розсіювання визначається по наближеній формулі

,

;

Коефіцієнт Роговського приймаємо

4.4.5 Отримане значення діаметра округляється до найближчого нормалізованого для магнітних систем без поперечних каналів.

4.4.6 Уточнюємо значення

.

4.4.7 Середній діаметр каналу розсіювання

де - радіальний розмір обмотки НН.

Отримане значення є попереднім, воно уточнюється після розрахунку обмотки НН.

4.4.8 Висота обмоток

Це значення висоти обмоток є приблизним; воно уточнюється після розрахунку обмотки НН.

4.4.9 Активний перетин стержня

7.1 Вибір конструкції обмоток

Вибір типу конструкції обмоток при розрахунку трансформатора повинен виконуватися з урахуванням експлуатаційних та виробничих вимог, які пред’являються до трансформатора в цілому.

Напруга одного витка попередньо:

;

4.5.1 Кількість витків на одну фазу обмотки НН.

;

4.5.2 Уточнюють ЕРС одного витка, В

4.5.4 Середня щільність струму в проводах обмотки (тут і надалі в А/мм2)

визначається по формулі , яка витікає з попередніх.

де

4.5.5 Перетин витка (попередньо), мм2

;

4.5.6 Кількість рейок беруть відповідно даним й для трансформатора такої потужності дорівнює 12-16 рейкам.

4.5.7 Вибір типу обмоток проводиться відповідно таблиці:

Обмотка НН – багатошарова циліндрична із прямокутного проводу;

Обмотка ВН – циліндрична багатошарова із круглого проводу.


8. Розрахунок обмоток трансформатора. Загальні положення

8.1. Розрахунок обмоток низької напруги. Розрахунок циліндричної обмотки

Дійсна індукція в стержні, Тл

Число витків у одному шарі:

Орієнтовний осьовий розмір витка, м

За перерізом витка по таблиці обираємо вісім паралельних проводів АПБ перетином 69,1 мм2.

ПБ , ізоляція 4,5 мм на дві сторони.

Перетин витка

Осьовий розмір витка, мм

;

осьовий розмір обмотки, м

.

Радіальний розмір обмотки, м

.

Внутрішній діаметр обмотки, м

;

Зовнішній діаметр обмотки, м

.

Повна поверхня охолодження обмотки НН для всього трансформатора, м2

де - враховує закриті частини поверхні обмотки рейками та іншими ізоляційними деталями.

Середній коефіцієнт додаткових втрат

Знаходимо щільність теплового потоку Вт/м2


.

Маса металу обмотки

8.2 Розрахунок обмоток ВН. Неперервна катушечна обмотка

4.8.1 В трансформаторах із регулюванням напруги на боці ВН шляхом перемикання відгалужень без збудження (ПБЗ) повинна передбачатися зміна числа витків ОВН на від номінального значення.

Обираємо схему регулювання з виводом кінців усіх трьох фаз обмотки до одного трьохфазного перемикача. Найбільша напруга між контактами перемикача в одній фазі:

Робоча В;

Випробувальна В.

Напруга, В Відгалудження обмотки

36750 A2A3 B2B3 C2C3

25875 A3A4 B3B4 C3C4

35000 A4A5 B4B5 C4C5

34125 A5A6 B5B6 C5C6

33250 A6A7 B6B7 C6C7

4.8.3 Розрахунок неперервної котушечної обмотки ВН, ширини каналів в обмотці ВН, виконаної в одному концентраті, розпочинають з визначення кількості витків при номінальній напрузі:

Кількість витків на одній ступені регулювання

.

Напруга, В Кількість витків на розгалудженнях

36750 370+2*28=426

35875 370+28=378

35000 370

34125 370-28=342

33250 370-2*28=314

Орієнтовна щільність струму

А/мм2

Орієнтовний переріз витка:

За перерізом витка по таблиці обираємо чотири паралельних проводи АПБ перетином 63,1 мм2.

АПБ , ізоляція 0,62 мм на дві сторони.

Повний переріз витка 252,4 мм2.

г) перевірка розміру проводу по величині : для двохшарової алюмінієвої обмотки з додаткові втрати складають до 5%.

д) .

Число катушок на одному стержні :

Кількість витків у котушці орієнтовно

Для обмотки з каналами між всіма катушками, м

Висота каналу в місці розриву обмотки й розміщення регулювальних витків вибирається за умовами забезпечення електричної міцності ізоляції. Коефіціент , враховуючий осадження ізоляції після сушіння і опресовки обмотки, .

Радіальний розмір обмотки

де - число витків котушки, округлене до найближчого цілого числа;

- радіальний розмір проводу, мм;

- кількість паралельних проводів у поперечному перерізі.

Внутрішній діаметр обмотки, м:

;

Зовнішній діаметр обмотки, м:

Поверхня охолодження, м2:

Середній коефіціент додаткових втрат

Знаходимо щільність теплового потоку Вт/м2

.

Маса металу обмотки

,

.

для ВН, кВ85

Відстань між обмотками сусідніх стержнів , мм30

Канал між обмотками ВН й НН , мм30

Товщина циліндра , мм6

Виступ циліндра за висоту обмотки , мм50

Відстань обмотки ВН до пресуючого кільця, мм

верхній 120

нижній 80

Товщина міжфазної перегородки , мм3

Переріз витка обмотки ВН із алюмінієвого проводу.


9. Розрахунок втрат короткого замикання

9.1 Розрахунок параметрів короткого замикання

Втрати і напруга КЗ є важливими параметрами, значення і допуски на відхилення яких обмежуються стандартами, у відповідності з ГОСТ 11677-85 повні втрати КЗ при розрахунку трансформатора можуть відхилятися від заданого значення не більше «плюс 5%», а напруга КЗ – не більше «плюс-мінус 5%». В готовому трансформаторі допуски в 2 рази більше (враховуються можливі відхилення при виготовлення трансформатора). Такі жорсткі вимоги обумовленні істотним впливом цих параметрів на техніко-економічні показники трансформатора.

Рекомендації, послідовність і обсяг розрахунків по визначенню втрат і напруги КЗ викладені в [2,37.1 i 7.2 ], а приклад розрахунку [2,37.5]. Для більш повної інформації і прийняття ефективних заходів по виконанню вимог рекомендується повністю провести розрахунок втрат і напруги КЗ, якщо одна або обидві величини мають неприпустиме відхилення.

У тих випадках, коли відхилення розрахункових значень втрат Pkі напруги Uk перевищують допуски, в розрахунок потрібно внести корективи:

а) При перевищенні втрат КЗ допустимих величин треба зменшити щільність струму в обмотках ВН і НН. Треба відзначити, що обмотка ВН, як зовнішня завжди по обсягу і масі більше обмотки НН, тому її частка в сумарних втратах КЗ більша, в цьому випадку при великих щільностях струму в обмотці ВН і невеликих відхиленнях від допуску втрат КЗ виконання умов можна здійснити зменшивши щільність струму в обмотці ВН. Обов’язково при цьому оцінити вплив прийнятих заходів на величину Uk;

б) Якщо щільність струму в обмотках відповідає рекомендованим значення і змінювати її неможливо, то маса обмоток коректується зміною середнього діаметру їх в потрібному напрямі: зменшення його при потребі зменшити масу металу обмотки. Зміна середнього діаметру досягається зміною висоти обмотки: він зменшується при збільшенні висоти і збільшується при її зменшенні. Висота обмотки, виконана із проводу прямокутного перетину, може бути збільшена або зменшена зміною співвідношення розмірів сторін проводу таким чином, щоб розміри а1 і а2 змінились в потрібному напрямі;

в) при відхиленні Uk від заданої величини із урахуванням допуску коригування потрібно вести з урахуванням реактивної складової Uk , оскільки вона для силових трансформаторів складає більшу частину повного значення Uk.. Крім того, змінюючи реактивну складову, можна зберегти величину втрат КЗ, що має значення в тих випадках, коли відхилення втрат Рkлежить в межах допуску і потрібно відкоригувати тільки величину Uk;

г) невеликі зміни реактивної складової Ukможна отримати зміною ширини приведеного каналу розсіювання ар за рахунок зміни розміру а12 або висоти обмотки. Оскільки, звичайно відстань а12 на початку розсіюється в тих випадках, коли Uр потрібно збільшити на невелику величину, і тоді коли маса металу обмоток проектуємого трансформатора виявилась менше маси металу обмоток серійного трансформатора – прототипу, і є запас до допуску на втрати КЗ;

д) якщо для коригування величини Uр звертаються до зміни висоти обмотки, то цю зміну реалізують так, як і при коригуванні величини втрат КЗ. При цьому треба мати на увазі що зміна висоти призводить до зміни маси обмоток і, значить, величини втрат КЗ. Тому, перед тим як застосовувати такий спосіб корекції Uр , потрібно оцінити в якому напрямі зміниться при цьому величина втрат КЗ;

е) якщо розрахункове иk значно відрізняється від заданого, то відповідну зміну результату можна отримати змінного ЕРС витка. Для цього потрібно змінити величину індукції в стержні в напрямі, відповідаючи потрібній зміні иk, причому величина індукції не повинна виходити за границі рекомендованих. Крім того, можливий вибір нового діаметру стержня, якщо порушуються рекомендації по величині індукції в стержні. Запропоновані рекомендації потребують повного перерахунку обмоток НН і ВН.

Визначення втрат КЗ. Втрати КЗ складаються із:

а) електричних втрат (основних і додаткових) в обмотках НН і ВН;

б) електричних втрат в відводах обмоток;

в) втрати в стінках баку і інших металевих елементах конструкції трансформатора, викликаних полем розсіювання обмоток і відводів.

Повні втрати короткого замикання , Вт:

;

Основні втрати в обмотках, кг/м3, мкОмм:

для НН:

.

для ВН:

.

Розрахунок основних втрат у відводах зводиться до визначення довжини відводу та маси металу в них:

для НН:

.

для ВН:

.

де – маса металу проводів відводів

для НН:

.

для ВН:

.

де – загальна довжина проводів відводів:

при зєднанні в зірку.

в трикутник – .

– густина металу відводів ( для алюмінію кг/м3).

Втрати в баку трансформатора на етапі розрахунку, коли розміри баку ще невідомі, обраховуються за формулою

заданого значення.

9.2 Розрахунок напруги короткого замикання

Активна складова напруги КЗ, %:

де - у Вт, - в кВ*А.

Реактивна складова напруги КЗ, %:

При розрахунку втрат потрібно перерахувати коефіціент Роговського по формулі

,

де

;

де – уточнене значення ширини приведеного каналу розсіювання:

, .

;

.

9.3 Перевірка обмоток на механічну міцність при короткому замиканні

Ця перевірка включає:

визначення найбільшого встановленого та найбільшого ударного струму короткого замикання.

Визначення механічних сил між обмотками та їх частинами;

Визначення механічних напруг в ізоляційних опорах, міжкатушкових конструкціях та в проводах обмоток.

Дійсні значення встановленого струму короткого замикання з врахуванням опору мережі:

для ВН:

для НН:.

де – номінальний струмвідповідної обмотки;

– номінальна потужність трансформатора, МВ·А (1МВ·А=103кВ·А);

– потужність короткого замикання электричної мережі, МВ·А;

Миттєве максимальне значення струму короткого замикання

де при , з таблиці .

для ВН:

.

для НН:

.

При розрахунку та конструюванні трансформаторів необхідно враховувати механічні сили, виникаючі між обмотками таїх частинами при короткому замиканні трансформатора. Ці сили можутьвикликати руйнування обмотки, деформацію або обрив витків, руйнування опорних конструкцій.

Сумарна радіальна сила, діюча на зовнішню обмотку ВН

.

Такаж сила, але протилежно направлена, діє на обмотку НН, намагаючись стиснутиїї. Обидві сили рівномірно розподілені по околу обох обмоток

Дія радіальних сил на концентричні обмотки:

а) розподіл сил; б) деформації внутрішньої обмотки; в) поздовжні та поперечні поля в концентричній обмотці.

Середнє стискаюче зусилля в проводі обмотки НН

, .

Середня розтягуюча напруга в проводі обмотки ВН

. .


Поперечное поле рассеяния (линии его индукции расходятся радиально) вызывают осевые силы, сжимающие обмотки в осевом направлении. Для обмоток с плотным прилеганием витков (многослойные цилиндрические или из алюминиевой ленты) осевая сила может быть рассчитана по формуле

де – коефіціент осьової сили

;

; .

; .

з таблиці.

, .

Для обмоток з регулювальними витками, симетрично розміщеними відносно середини висоти обмоток на кожному ступені.

коефіціент осьової сили:

.

Осьова сила, діюча на обмотки:

Стискаюче напруження

, .

де – сумарний радиальний розмір металу обмотки НН;

, .

Для трансформаторів потужністю до 6300 кВ·А необхідно ≤18÷20 МПа.

Температура обмоток через часвремя після виникнення короткого замикання

для алюмінієвих обмоток

,

для НН:

.

для ВН:

.

де – найбільша тривалість короткого замикання на виводах масляного трансформатора; при короткому замиканні на сторонах з номінальною напругою 35 кВ й нижче приймається °C.

– початкова температура обмотки; приймається °C.


10. Остаточний розрахунок магнітної системи

При остаточному розрахунку магнітної системи, виконуваному після повного розрахунку обмоток, параметрів і струмів короткого замикання визначаються: число щаблів у перетині стрижня і ярма, розміри пакетів - ширина пластин і товщина пакетів, повні й активні перетини стрижня і ярма, висота стрижня, відстань між осями стрижнів, маса сталі стрижнів, ярем і кутів магнітної системи, повна маса магнітної системи трансформатора, втрати й струм холостого ходу трансформатора.

10.1 Визначення розмірів магнітної системи

Вибір числа й розмірів пакетів у перетині стрижня плоскої магнітної системи повинен бути зроблений так, щоб площа східчастої фігури його поперечного переріза, вписаного в окружність, була максимально можливою. Для потужності 40000 кВА з таблиці обираємо діаметр стержня d = 0.60, з числом ступенів 15 та = 0,918 з пресуючою пластиною.

Розміри пакетів для магнітних систем з пресуючою пластиною із пресуванням стержнів бандажами зі склострічки.

Діаметр стрижня , м Стрижень Ярмо
0,60 15 0,918 13 325

Розміри пакетів , мм, у стержні:

580*77; 560*31; 540*22; 520*20; 505*12; 485*14; 465*13; 440*15; 410*15; 385*11; 368*7; 350*6; 325*9; 295*9; 250*11; 195*11.

- ширина пластин;

- товщина пакетів;

, - число щаблів у перетині стержня і ярма.

Крайній зовнішній пакет ярма має ширину й товщину, рівну сумі толщин трьох крайніх пакетів стержня.

Повні площі східчастих фігур поперечних перерізів стрижня і ярма для плоских шихтованих магнітних систем й об'єми одного кута магнітної системи наведені в таблиці.

Активний перетин стрижня

, .

Активний перетин ярма

, .

Об'єм стали кута магнітної системи

, .

Довжина стрижня


де й - відстані від обмотки до верхнього й нижнього ярма; при відсутності кілець, що пресують (у трансформаторах з <1000∙ кв А) ; при наявності кілець відстань до верхнього ярма для трансформаторів потужністю 10000-63000 кв А збільшується на 60 мм.

, .

.

Відстань між осями сусідніх стрижнів

, .

значення з таблиці:

.

Маса сталі в стержнях та ярмах плоскої шихтованої магнітної системи визначається підсумовуванням мас прямих ділянок і кутів. Щільність холоднокатаної сталі =7650 кг/м3.

Маса сталі кута при багатосхідчастій формі перетину

. .

Маса стали ярем

, .

де

, .

, .

Маса стали стрижнів

, .

де

, .

, .

де – ширина пластин середнього пакета ярма

Повна маса стали магнітної системи

, .

10.2 Визначення втрат холостого ходу

Для плоскої трифазної шихтованої магнітної системи із взаємним розташуванням стрижнів й ярем по мал. 2.1, зібраній із пластин холоднокатанной анізотропної сталі, із пресуванням стержнів розклиненням із бандажами, а а ярем ярмовыми балками втрати холостого ходу можуть бути розраховані по формулі:

де – коефіцієнт збільшенні питомих втрат у результаті здійснення різання стрічки стали на пластини; для відпаленої сталі марок 3404 й 3405 можна прийняти =1,05 і для невідпаленої - =1,11;

=1,05

– коефіцієнт збільшенні питомих втрат через наявність заусин; якщо заусини відділялися за допомогою ножа, то для відпалених пластин =1, для пластин шириною більше 0,3 м =1;

=1

, , – питомі втрати для сталі стрижнів, ярем і стиків (зазорів), обумовлені з таблиці 5.3 по індукціях відповідно в стрижні, ярмі й на косому стику

, , ,

Індукція в стрижні:

,

Індукція в ярмі:

, .

Індукція в косих стиках (зазорів) по ярму:

, .

Питомі втрати для сталі стрижнів, тут і далі з таблиці 8,1:

,

питомі втрати в зоні шихтованого стику по стрижні:

.

Питомі втрати стали ярма:

,

питомі втрати в зоні шихтованого стику по ярму:

.

Питомі втрати в зоні шихтованого стику (зазору):

.

– коефіцієнт, що враховує збільшення втрат у кутах магнітної системи; для сталі 3404 з товщиною аркуша 0,35 мм у діапазоні індукцій при Гц при косому стику =1,32 при прямому стику ;

При комбінованому стику на середньому стержні:

Число косих стиків – 6;

Прямих – 2.

– площа стиків:

по ярму - , .

косого , .

– коефіцієнт збільшення втрат, що залежить від форми ярма; якщо число щаблів ярма відрізняється на один два щаблі від числа щаблів у перетині стрижня, то =1, якщо співвідношення числа щаблів стрижня і ярма дорівнює 3, те =1,04;

=1,04

– коефіцієнт, що враховує вплив пресування на втрати холостого ходу; при пресуванні стрижнів розклиненням з обмоткою й бандажами зі склострічки, ярма – ярмовими балками без бандажів для відпаленої сталі =1,03, для невипаленої – =1,02;

=1,03

– коефіцієнт, що враховує збільшення втрат через перешихтовку верхнього ярма кістяка при установці обмоток; при потужності трансформаторів

до 250 кв∙ А =1,01, 400-630 кв∙ А =1,02, 1000-6300 кв∙ А =1,04÷1,08.

А =1,08

Розраховуємо втрати холостого ходу:

.

10.3 Розрахунок струму холостого ходу

Повна намагнічуюча потужність:

де – коефіцієнт, що враховує вплив різання смуги рулону на пластини; для відпаленої сталі марки 3404 =1,18, для невипаленої =1,49;

=1,18

– коефіцієнт, що враховує вплив заусин; якщо заусини зняті , то для відпалених пластин =1, для невипалених =1,01; якщо заусини не зняті, то відповідно дорівнює 1,02 й 1,05;

=1

, , – питомі потужності, що намагнічують, для сталі стрижнів, ярем і зазорів (стиків) ; визначаються по індукціях , і для прямих і косих стиків з таблиці 8,16;

, ,

для шихтовки в одну пластину:

.

, ,

для шихтовки в одну пластину:

.

, для шихтовки в одну пластину:

.

– коефіцієнт, що враховує збільшення потужності, що намагнічує, у кутах магнітної системи, його значення для трьохстержневої магнітної системи зі сталі марки 3404 товщиною 0, 35 мм

. .

– коефіцієнт, що враховує збільшення потужності, що намагнічує, у кутах магнітної системи залежно від ширини пластини другого пакета;

– коефіцієнт, що враховує форму перетину ярма; для ярма багатоступінчастого перетину =1,0;

– коефіцієнт, що враховує пресування магнітної системи; при пресуванні стержнів бандажами зі стклострічки, ярем – ярмовими балками без бандажів для відпаленої сталі

=1,05

– коефіцієнт, що враховує перешихтовку верхнього ярма для встановлення обмоток; , .

Повний фазний струм холостого ходу

, .

Відносне значення струму холостого ходу (у відсотках номінального струму)

, .

Активна складова фазного струму холостого ходу

, .

або у відсотках номінального струму

, .

Реактивна складова фазного струму холостого ходу

, .

або у відсотках номінального струму

, .

По вищенаведених формулах розраховується середнє значення струму холостого ходу для всіх стержнів трансформатора з магнітною системою по мал. 2.1 й вважається струмом холостого ходу. Коефіцієнт потужності при роботі трансформатора в режимі холостого ходу при номінальній напрузі

, .


11. Тепловий розрахунок і розрахунок систем охолодження

Внаслідок втрат в обмотках й у сталі магнітної системи ці елементи нагріваються й передають тепло через трансформаторне масло стінкам бака й радіаторів, із зовнішніх поверхонь яких через випромінювання й конвекцію йде віддача тепла навколишньому повітрю. У встановленому режимі все тепло віддається в навколишнє середовище.

Тепловий розрахунок трансформатора проводиться після завершення електромагнітного й механічного розрахунків його обмоток і магнітної системи. При правильному виборі електромагнітних навантажень і правильному розподілі й виборі розмірів охолодних масляних каналів внутрішні температури обмоток і магнітної системи виявляються не вище припустимих значень. По цьому тепловий розрахунок зводиться до визначення перепадів температур всередині обмоток і на їхній поверхні.

Конструкція бака трансформатора залежить від того теплового потоку, що повинен бути відведений з поверхні бака в навколишнє повітря, а так само визначається вимогами механічної міцності. При тепловому розрахунку бака спочатку розраховується припустиме середнє перевищення температури стінки бака над навколишнім повітрям, потім по необхідній тепловіддачі визначається його поверхня охолодження, підбираються конструктивні елементи (їхні розміри й число), що утворять ці поверхні. Далі проводиться перевірочний розрахунок перевищення температури стінок бака й масла над навколишнім повітрям. Якщо при цьому виходять перевищення температури, що відрізняються від припустимих, то виробляється коректування поверхні охолодження шляхом збільшення або зменшення числа або розмірів конструктивних елементів труб, охолоджувачів і т.д.


11.1 Перевірочний тепловий розрахунок обмоток

Внутрішній перепад температури в багатошарових обмотках із прямокутного проводу розраховується в наступній послідовності:

Втрати, що виділяються в 1м3 загального об'єму обмотки:

для обмотки з алюмінієвого проводу (стрічки)

,

для ВН:

,

для НН:

,

у цій формулі й - розміри проводу без ізоляції та з ізоляцією в напрямку руху тепла (м),

і - те ж, але в напрямку перпендикулярному руху тепла (м),

виражені в (м), - в A/м2;

Середня умовна теплопровідність обмотки без обліку міжшарової ізоляції

,

для ВН:

,

для НН:

.

– питома теплопровідність ізоляції (значення з таблиці ).

- теплопровідність міжвиткової ізоляції (з таблиці).

Середня умовна теплопровідність обмотки

,

для ВН:

,

для НН:

.

Повний внутрішній перепад температури

,

для ВН:

,

для НН:

.

- радіальний розмір котушки, м; при наявності в обмотці осьового каналу охолодження розмір дорівнює ширині найбільш широкої з котушок;

Середнє значення внутрішнього перепаду температури в обмотці

,

для ВН:

,

для НН:

.

При розрахунку внутрішнього перепаду в котушках із загальною ізоляцією всієї котушки значення - варто визначати як сумарну товщину ізоляції провідника й загальної ізоляції котушки на одну сторону.

Перепад температури на поверхні циліндричних обмоток з прямокутного провідника:

,

для ВН:

,

для НН:

.

де =0,285.

Середнє перевищення температури обмотки над температурою масла

,

для ВН:

,

для НН:

.

11.2 Тепловий розрахунок бака

Бак трансформатора повинен мати гарну тепловіддачу, бути механічно міцним, простим у виготовленні, мати малі габарити. Тип бака вибирається по потужності трансформу - (табл. 6.2)

Для розрахунку розмірів бака необхідно визначити наступні ізоляційні розрахунки відстані й розміри (мал. 6.1):

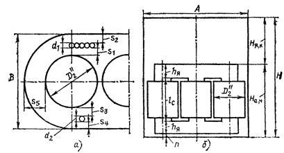
Рис. 6.1. До визначення основних розмірів бака

– ізоляційна відстань від ізольованого відводу обмотки ВН до власної обмотки (по табл. 6.3); ;

– ізоляційна відстань від ізольованого відводу обмотки ВН до стінки бака (по табл. 6.3); ;

– діаметр ізольованого відводу обмотки ВН: при класах напруги 10 й 35 кв при потужності трансформатора до 10000 кв∙ А =20мм, а при більших потужностях =25мм; ;

– ізоляційна відстань від відводу обмотки НН до обмотки ВН (табл. 6.4); ;

– ізоляційна відстань від ізольованого відводу обмотки НН до стінки бака (по табл. 6.3); ;

– діаметр ізольованого відводу від обмотки НН, рівний , або розмір неізольованого відводу НН (шини), рівний 10-15 мм. .

Мінімальна ширина бака

,

.

Мінімальна довжина бака трифазних трансформаторів класів напруги 6, 10 й 35 кВ

,

.

де – відстань від обмотки ВН до стінки бака; при іспитових напругах до 85 кв може бути прийнятий таким же, як і відстань від неізольованого відводу обмотки до обмотки ВН (табл. 6.4), тобто = ; частіше приймають , .

Внутрішні розміри баку й , розраховані по перерахованим вище формулах, звичайно виявляються достатніми й за умовами тепловіддачі.

Глибина бака визначається висотою активної частини й мінімальною відстанню від верхнього ярма до кришки бака, необхідним для розміщення внутрішніх частин прохідних ізоляторів, відводів і перемикачів

, .


де – висота активної частини

, ,

де - ширина середнього листа ярма, ,

– товщина підкладки під нижнє ярмо; = 30÷50 мм;

– відстань від верхнього ярма магнітопроводу до кришки бака; вибирається з таблиці 6.5, .

Для одержання потрібної поверхні охолодження для трансформатора такої потужності використовують радіатори з гнутими трубами, радіатори цього типу кріпляться за допомогою рознімного з’єднання на фланцях.

У кожному разі для установки радіаторів необхідна глибина бака

, ,

.

де = 3,000 – відстань між осями патрубків радіатора (табл. 6.6);

і – відстань осей фланців радіатора від нижнього й верхнього зрізів стінки бака .

Повинне бути . У противному випадку необхідно прийняти .

Начіпні радіатори із гнутими трубами круглого перетину випускаються з одним або ж двома рядами труб, по 16 труб у ряді.

Установка радіатора на баці трансформатора показана на малюнку 6.2.


Рис. 6.2. Трубчастий радіатор із гнутими трубами.

Для радіаторів з двома рядами труб розміри мм, ширина – 710 мм.

.

2. Мінімальні відстані осей фланців радіатора від нижнього й верхнього зрізів стінки бака: =0,170м; = 0,170м.

Перевищення середньої температури масла над температурою навколишнього середовища для найбільш нагрітої обмотки або котушки

, .

де – тривале припустиме середнє перевищення температури обмоток над повітрям при номінальному навантаженні; для обмоток масляних трансформаторів за ДСТ 11677-85 =65°С.

Максимальне перевищення температури стінки бака над температурою навколишнього середовища (нехтуючи перепадом температури між маслом і стінкою бака)

де – коефіцієнт, дорівнює відношенню максимального й середнього перевищень температури масла; можна застосовувати =1,2;

– середнє перевищення температури стінки бака над повітрям

,

.

60°С – перевищення температури верхніх шарів масла над повітрям для трансформаторів герметичне або з розширником.

Якщо наведене вище нерівність не дотримується, то варто прийняти

і °С.

По обраних розмірах бака розраховується поверхня гладких стінок бака при овальному його перетині в плані

,

.

Поверхня випромінювання бака з начіпними радіаторами (орієнтовно)

, .

Де – коефіцієнт, що враховує відношення поверхні випромінювання до поверхні гладкої частини бака; для бака з начіпними радіаторами =1,5.

Необхідна поверхня конвекції для одержання знайденого вище значення середнього перевищення температури зовнішніх стінок бака над температурою повітря (орієнтовно)


,

.

Ця поверхня повинна бути забезпечена елементами системи охолодження масляного трансформатора (стінками бака, кришкою й начіпними радіаторами), тобто повинне бути виконане умова

,

де – поверхня конвекції кришки бака

,

.

0,5 - коефіцієнт, що враховує закриття поверхні кришки вводами й арматурами;

0,16 - подвоєна ширина верхньої рами бака;

– число начіпних радіаторів;

- наведена поверхня конвекції радіатора

, .

– коефіцієнт, що враховує поліпшення тепловіддачі конвекційного радіатора в порівнянні із гладкою стінкою (коефіцієнт приведення поверхні конвекції радіатора до поверхні конвекції гладкої стінки), .

Необхідне число радіаторів (попередньо)


,

, .

Значення округляється до найближчого цілого числа з урахуванням схеми розташування радіаторів на баці.

Уточнене значення поверхні конвекції бака (змінене в результаті округлення )

,

.

Уточнене середнє перевищення температури стінки бака над температурою навколишнього повітря

,

.

де =1,05÷1,10.

Середнє перевищення температури масла поблизу стінки над температурою стінки бака для трансформатора із природним масляним охолодженням

, .


де ,

.

Перевищення температури масла у верхніх шарах над температурою навколишнього повітря

, .

Перевищення температури обмоток над температурою навколишнього повітря розраховується для обмоток ВН і НН окремо по формулі

,

для ВН:

.

для НН:

.


12. Визначення маси основних матеріалів

Маса металу проводів обмоток НН і ВН ( і ) визначена при розрахунку обмоток.

Розрахунок маси провідника з ізоляцією

; ,

де , – маса провідника обмоток НН і ВН із урахуванням ізоляції;

- коефіцієнт збільшення маси ізольованого провідника в порівнянні з неізольованим. Значення

Розрахунок маси провідника з ізоляцією:

, .

Маса стали магнітної системи визначена при остаточному розрахунку розмірів магнітної системи.

Маса конструктивної сталі кістяка (пресуючої балки, шпильки й ін.)

, .

Маса картону в ізоляції обмоток при класах напруги трансформаторів 6,10 й

с алюмінієвими обмотками

, .

Маса активної частини - кістяка з обмотками й відводами

, .

Поверхня дна:

, .

Маса бака

,

де 1,1 - коефіцієнт, що враховує масу підсилюючих елементів;

– товщина стінки бака, м;

;

– товщина кришки, м ;

;

- товщина дна, м;

;

- маса стали радіатора ;

.

Об'єм масла в баці

, .

де – об'єм бака

,

.

– об'єм, займаний активною частиною

, .

– середня щільність активної частини; для трансформаторів з мідними обмотками ≈5500÷6000 кг/м3, з алюмінієвими – ≈5000÷5500 кг/м3.

Маса масла в баці

, .

де =900 кг/м3 щільність трансформаторного масла.

Маса масла в радіаторах

, .

де - маса масла в одному радіаторі (таблиця 6.6),

.

Об'єм розширника звичайно розраховується на 0,1 загального об'єму масла. Тому з урахуванням неповного заповнення розширника загальна маса масла в трансформаторі

, .

де 1,05 - коефіцієнт, що враховує масу масла в розширнику.

Розрахунок робочих характеристик

Будуємо залежність :

;

(cos
0 0
0,25 0,996557
0,5 0,996683
0,75 0,996019
1 0,995159
1,25 0,994221

де = 0; 0,25; 0,5; 0,75; 1; 1,25;

і

Будуємо залежність :

;

де і аналогічні.

Оценить/Добавить комментарий
Имя
Оценка
Комментарии:
Хватит париться. На сайте FAST-REFERAT.RU вам сделают любой реферат, курсовую или дипломную. Сам пользуюсь, и вам советую!
Никита12:50:26 03 ноября 2021
.
.12:50:24 03 ноября 2021
.
.12:50:23 03 ноября 2021
.
.12:50:23 03 ноября 2021
.
.12:50:22 03 ноября 2021

Смотреть все комментарии (20)
Работы, похожие на Курсовая работа: Розрахунок силового трифазного двохобмоткового масляного трансформатора

Назад
Меню
Главная
Рефераты
Благодарности
Опрос
Станете ли вы заказывать работу за деньги, если не найдете ее в Интернете?

Да, в любом случае.
Да, но только в случае крайней необходимости.
Возможно, в зависимости от цены.
Нет, напишу его сам.
Нет, забью.



Результаты(287790)
Комментарии (4159)
Copyright © 2005-2021 HEKIMA.RU [email protected] реклама на сайте