ГООУ НПО ПУ-17
Квалификационная работа
Тема: Электрооборудование трактора
МТЗ-80
Выполнил: уч-ся гр. № 9 3 курса Строев С.В.
Проверил: преподаватель Холев В.Н.
Хлевное-2010
Содержание
1. Введение
2. Аккумуляторная батарея
3. Генератор
4. Реле-регулятор
5. Стартер
6. Приборы освещения, сигнализации, контроля и измерения. Электрическая проводка
7. Техническое обслуживание электрооборудования МТЗ-80
8. Охрана труда при работе на тракторе
9. Список использованных источников
Введение
Электрическое оборудование трактора состоит из источников и потребителей электрической энергии, которые предназначены для пуска дизеля, освещения, звуковой и световой сигнализации при выполнении транспортных и других работ, питания контрольно-измерительных приборов, вентиляции и отопления кабийы, очистки стекол кабины и других целей, где требуется использование электроэнергии.
На тракторе применено электрооборудование постоянного тока с номинальным напряжением 12 В. Электрическая система выполнена по од-нопроводной схеме соединения потребителей с источниками электрической энергии, при которой металлические детали трактора используются как один из проводов тока. Эти детали называют массой трактора, с которой соединяют минусовые клеммы источников электрической энергии.
Источники электрической энергии—генератор и аккумуляторная батарея, включенные параллельно друг другу. Напряжение в заданных пределах регулируется реле-регулятором.
Аккумуляторная батарея служит источником электроэнергии всех систем и приборов электрооборудования при неработающем дизеле, и прежде всего системы пуска дизеля, создающей наибольшую нагрузку на аккумуляторную батарею.
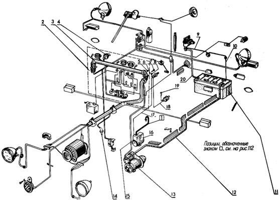
В этот период работы аккумуляторная батарея разряжается. При работающем дизеле, когда напряжение генераторов будет больше э.дх. аккумуляторной батареи, питание всех потребителей осуществляет генератор, в том числе зарядку аккумуляторной батареи. На рис.1 показана принципиальная схема электрооборудования трактора МТЗ-80

Рис.1
АККУМУЛЯТОРНАЯ БАТАРЕЯ
Аккумулятор представляет собой химический источник тока, который в процессе зарядки накапливает (аккумулирует) электрическую энергию, получаемую от постороннего источника постоянного тока, запасает и хранит эту энергию, а в рабочем режиме (то есть при разрядке) расходует ее на питание различных потребителей.
В, процессе зарядки в аккумуляторе происходит преобразование электрической энергии в химическую, а при разрядке, наоборот, химической в электрическую.
Аккумуляторная батарея состоит из нескольких одинаковых аккумуляторов напряжением 2 В каждый,- соединенных между собой последовательно.
Преимущественное распространение получили кислотно-свинцовые аккумуляторные батареи, электроды которых изготовлены на основе свинца, а электролитом служит раствор, составленный в определенных пропорциях из серной кислоты (ГОСТ 667—73) и дистиллированной воды (ГОС* 6709-72).
На трактирах. МТЗ-80 и МТЗ-82 в специальном отсеке за кабиной трактора установлены две соединенные последовательно аккумуляторные батареи ЗСТ-215ЭМ (рис. 79), а на тракторах МТЗ-80Л и МТЗ-82Л-одна батарея 6СТ-60ЭМС. В батарее ЗСТ-215ЭМ три последовательно соединенных аккумулятора (элемента), а в батарее 6СТ-60ЭМС их шесть.
Бак 12 батареи выполнен в виде моноблока с перегородками, отделяющими, ячейки для аккумуляторов. Сверху бак закрыт крышкой 3, в которой предусмотрены ряд отверстий й заливная горловина. Горловина закрыта полиэтиленовой пробкой, в которой сделано вентиляционное отверстие; Бак и крышка изготовлены из эбонита. Зазор между крышкой и баком залит кислотостойкой мастикой 11 Положительные н отрицательные пластины собраны в полублоки, которые присоединены к штырям / и 4 соответствующей полярности, выведенным на крышку 3. Вставленные один в другой полублоки образуют блок б пластин. Между пластинами установлены сепараторы 13 (в батарее ЗСТ-215ЭМ — кз мипласта, в батарее 6СТ-60ЭМС — двойные, из мипласта и стекловолокна). Над пластинами установлен перфорированный щиток 9 из винипласта.
Электролит в аккумуляторной батарее, должен быть определенной плотности (табл. 4).
Плотность электролита в аккумуляторных батареях тракторов, выпускаемых заводом, составляет 1,27 г/см?.
ГЕНЕРАТОР
На тракторах МТЗ-80 и МТЗ-82 установлен трехфазный генератор Г306-Д (рис. 3) переменного тока с односторонним электромагнит-ным возбуждением.
Генератор размещен на кронштейне с правой стороны дизеля и приводится во вращение от коленчатого вала посредством ременной передачи. Таким образом, он преобразует механическую энергию в электрическую энергию переменного тока. Однако аккумуляторная бата-рея вырабатывает постоянный ток, поэтому переменный ток генератора, прежде чем попасть в схему, пропускается через встроенный в генератор трехфазный кремниевый выпрямитель, собранный по мостовой схеме, и преобразуется в постоянный.
Генератор состоит из двух основных частей: неподвижной —статора ■ и вращающейся — ротора.
Статор 8 набран из листов электротехнической стали. На девять выступов с внутренней его стороны надеты катушки трехфазной обмотки.
Рис.3 Генератор Г306-Д
1- шкив; 2 – крыльчатка вентилятора; 3-теплоотвод выпрямителя; 4-корпус выпрямителя; 5-передняя крышка; 6 и 11-шариковые подшипники; 7-катушка возбуждения; 8-статор; 9-ротор; 10-фазная обмотка статора; 12-задняя крышка; 13-панель
Каждая фаза образована тремя катушками, соединенными последовательно, а сами фазы соединены в схему «треугольник». Концы фаз выведены к трем контактным болтам (обозначены «~ ») панели 13
и соединены с выпрямителем.
Ротор 9
набран из листов электротехнической стали в виде шестилучевой звездочки и напрессован на вал, который вращается в двух шариковых подшипниках—6,11
передней 5
и задней /} крышек. На выходной конец вала надет и закреплен гайкой со стопорной шайбой литой чугунный шкив /, к которому прикреплена крыльчатка 2
вентилятора.
К передней крышке 5 приварены две лапы (одна служит для регулировки натяжения ремня, другая—для крепления генератора), а к задней 12—
одна (для крепления). На цилиндрической части крышек предусмотрены отверстия для стока конденсата и попавшей внутрь генератора воды.
На задней крышке 12
расположены две панели 13
с выводными клеммами М, В, Ш
(постоянного тока) и «~» (переменного тока).
К торцу внутри передней крышки прикреплена катушка возбуждения 7. Начало обмотки катушки возбуждения соединено с корпусом, а конец выведен гибким монтажным проводом на клемму Ш.
Статор и крышка зафиксированы от поворота относительно друг друга и стянуты тремя стяжными винтами.
Выпрямитель состоит из корпуса 4
и теплоотвода 3,
отлитых из алюминиевого сплава, и шести кремниевых диодов. Три диода обратной полярности запрессованы в корпус, а три диода прямой полярности— в теплоотвод, изолированный от корпуса. Выводы диодов прямой и обратной полярности попарно соединены в фазы и выведены на клеммы «~» совместно с фазами статора. Положительный полюс выпрямителя выведен с теплоотводами на клемму В,
а отрицательный—через крепежные болты выпрямителя на корпус генератора (снимается с посадочных мест крепежных лап).
Реле-регулятор
Реле-регулятор РР362-Б работает совместно с генератором переменного тока и аккумуляторной батареей.
Реле-регулятор автоматически поддерживает напряжение в сети в заданных пределах и защищает регулирующий орган регулятора-транзистора' в аварийном режиме от теплового разрушения. Этот прибор установлен на корпус гидроусилителя рулевого управления. - /
Реле-регулятор (рис. 81) состоит из трех* основных обмоточных единиц: регулятора напряжения 3, реле защиты 6 и винта 16 сезонной ' регулировки напряжения генератора.
На рисунке 4 показана электрическая схема реле-регулятора РР362-Б.Регулятор напряжения автоматически поддерживает напряжение генератора постоянным в заданных пределах, что необходимо для нор- мальной работы потребителей электроэнергии. Принцип действия этого прибора заключается в следующем. Когда частота вращения коленчатого вала дизеля ниже номинальной, напряжение генератора еще не достигает заданного уровня, то есть ниже регулируемого.Ток в обмотке РД0
регулятора невелик, и электромагнитной силы, создаваемой этой обмоткой, недостаточно для того, чтобы преодолеть усилие противодействующей пружины, притянуть якорь и замкнуть контакты. Следовательно, в данном режиме нижние контакты/W, разомкнуты. Транзистор Г при этом открыт, .поскольку на его базу подается отрицательный по отношению к эмиттеру потенциал и через переход эмиттер—база протекает ток управления транзистором (ток базы), силу которого определяет сопротивление R2. Сопротивление перехода эмиттер— коллектор открытого транзистора малб, и при обмотке возбуждения генератора проходит ток возбуждения. Таким образом, ничто не препятствует возбуждению генератора и его выходу на номинальный режим работы.
 |
Когда в процессе работы дизеля напряжение генератора увеличится и достигнет верхнего заданного предела, появляется необходимость в регулировании, то есть в уменьшении напряжения. Это происходит следующим образом. Вместе с повышением напряжения увеличивается ток в обмотке РН0
регулятора, возрастает создаваемое ею электромагнитное усилие, которое преодолевает усилие противодействующей пружины притягивает якорь и замыкает контакты регулятора. Теперь на базу транзистора Т через замкнутые контакты РН\подается положительный потенциал, а потенциал эмиттера будет ниже потенциала базы на величину падения напряжения на зажимах запирающего диода Д1, обусловленного прохождением тока через этот диод, транзистор запирается, и в цепь обмотки возбуждения генератора включаются сопротивления R3 и R4, в результате чего уменьшается сила тока возбуждения и снижается напряжение генератора. Падение напряжения генератора вновь вызывает размыкание контактоврегулятора, транзистор открывается, и процесс регулирования повторяется Следовательно, регулятор напряжения представляет собой автоматически Действующий вибрационный прибор, который в зависимости от частоты вращения ротора генератора (коленчатого вала дизеля) и нагрузки автоматически изменяет соотношение промежутков времени закрытого и открытого состояния транзистора. Поскольку частота Вибраций контактов достаточно высока (20..J0 Гц), эти колебания напряжения не отражаются на работе потребителей и уровень напряжения можно считать практически постоянным. >Реле защиты
срабатывает при коротком замыкании в цепи обмотки возбуждения генератора и тем самым защищает транзистор Т реле-регулятора от перегрузки аварийным током, который может вызвать пробой транзистора и вывести его из строя.
При нормальной работе реле-регулятора верхняя пара контактов РН2
регулятора напряжения разомкнута, так как зазор между контактами больше амплитуды колебаний якорька регулятора напряжения при его работе, следовательно обмотка Р30
реле защиты обеспечена и контакты его разомкнуты.
В аварийном режиме, то есть при замыкании в цепи обмотки возбуждения генератора на массу, ток в ней резко падает и (напряжение на выходе генератора уменьшается. При этом верхняя пара контактов /Wg замыкается; на обмотку реле защиты поступает ток и контакты реле защиты замыкаются. На базу транзистора подается положительный потенциал, и*потенциал базы становится выше потенциала эмиттера, транзистор запирается, и, следовательно, прерывается ток короткого замыкания,в цепи транзистора, предохраняя его от выхода из строя. Транзистор будет заперт до тех пор, пока не устранена причина аварийного режима или выключен выключатель массы. Реле-регулятор окажется готовым к работе только после устранения короткого замыкания и повторного включения «массы». Переключатель сезонной регулировки ПНР предназначен для изме-нения регулируемого напряжения в пределах 0,8...1,2 В, в зависимости от сезона эксплуатации трактора.
Он состоит из сопротивления R6 и контактного устройства. Сопротивление одним выводом подключено к обмотке РНР
напряжения, другим —через изолированную колодку к контактному диску с регулировочным винтом. Вворачивая регулировочный винт до упора (положение «зима») или выворачивая его (положение «лето»), соответственно соединяют основную обмотку РН0
с корпусом реле-регулятора непосредственно или через дополнительное сопротивление R6 и тем самым корректируют напряжение применительно к сезону эксплуатации.
Устройством сезонной регулировки можно пользоваться, когда возникает явление перезарядки.аккумуляторной батареи (интенсивное выкипание электролита) или в течение нескольких дней наблюдается систематический недозаряд батареи (низкая плотность электролита, затруднен запуск дизеля). В первом случае винт нужно установить в положение «лето», во втором —в положение «зима».
СТАРТЕР
Стартер СТ212-А дизеля Д-240 (рис. 85) объединяет электродвигатель, механизм привода и электромагнитное тяговое реле. Включается стартер выключателем ВК316-Б, расположенным на щитке приборов.
Электродвигатель стартера — четырехполюсный, постоянного тока,» последовательного возбуждения, мощностью 3,5 кВт (4,8 л.,с).
В корпусе 1
расположены четыре стальных полюса с катушками 3
возбуждения. Якорь 2
стартера состоит из вала, напрессованного на него -пакета железа, обмотки, уложенной в пазы пакета, и коллектора, который собран из медных, изолированных друг от друга пластин. Вал

якоря вращается в трех подшипниках скольжения, запрессованных в крышки 8 и 17 ив промежуточную опору ^.Подшипники представляют собой металлокерамические вкладыши, пропитанные маслом.
В крышке 8 со стороны коллектора с внутренней стороны прикреплены четыре щеткодержателя. Щетки ¥ прижаты к коллектору пружинами. Щеточно-коллекторный узел предохранен от загрязнения защитным кожухом 7,
Электродвигатель получает питание от аккумуляторной батареи. Когда ток проходит по обмоткам якоря и возбуждения, образуются магнитные поля, в результате взаимодействия которых якорь начинает вращаться, создавая крутящий момент.
Привод стартера передает крутящий момент вала стартера на коленчатый вал дизеля через шестерню привода и, зубчатый венец маховика.
Привод установлен на валу якоря и состоит из шестерни 21, роликовой муфты 22 свободного хода с направляющей втулкой, буферной пружины 23 и втулки 24 отводки.
Муфта 22- свободного хода передает крутящий момент только в одном направлении—к валу дизеля, обеспечивая автоматическое расцепление валов стартера и дизеля после пуска и предохраняя тем самым якорь стартера от разрущения^ентробежными силами (от явления, так называемого, разноса). При включении стартера крутящий момент вала якоря передается на направляющую, втулку муфты свободного хода и от нее на наружную обойму 27. Поворачиваясь по часовой стрелке, обойма заклинивается роликами 28 и продолжает вращаться вместе с цилиндрической частью шестерни. Пружины 29удерживают ролики в узкой части фасонных пазов наружной обоймы, Таким образом, вместе с наружной обоймой начинают вращаться шестерня и венец маховика дизеля. После пуска скорости вращения маховика и шестерни возрастают. Ролики увлекаются цилиндрической частью шестерни, Перемещаются в более широкую часть фасонных пазов наружной обоймы и расклинивают соединение. Благодаря этому исключается передача крутящего момента от работающего дизеля к якорю стартера.
Электромагнитное тяговое реле; вводит шестерню .привода в зацепление с венцом маховика дизеля и подает питание к электрической части стартера. Это реле закреплено на литом фланце 15, соединяющем реле крышкой со стороны привода. При включении реле его втягивающая (сериееная) И и удерживающая (шунтовая) 12 обмотки создают магнитное поле, усилием которого якорь 13 вводится в полость обмоток. Движение якоря через тягу и рычаг 16 передается приводу стартера. Привод перемещается по винтовым шлицам вала якоря, и его шестерня входит в зацепление с венцом махрвика. В конце хода якорь реле нажимает на плунжер 10, контактный диск которого замыкает главные контакты реле, подключая стартер к. аккумуляторной батарее. В момент замыкания главных контактов сериееная обмотка И исключается из цепи тока, и якорь тягового реле удерживается во втянутом положении только шунтовой обмоткой 12.
Если случится так, что зубья шестерни придутся на торцы зубьев маховика, то она остановится, но рычаг включения будет перемещаться усилием сжатой буферной пружины ^i, что позволит замкнуться контактам реле. Стартер начнет вращаться, и, как только шестерня - .провернется, сжатая пружина введет ее в зацепление с венцом маховика, Пока стартер работает, контакты реле остаются замкнутыми под действием удерживающей обмотки и размыкаются только после отключения тягового реле. При этом усилием возвратной пружины 14
шестерня привода будет выведена из зацепления с венцом маховика, якорь реле вернется в исходное положение, разомкнутся главные контакты реле, и стартер отключится.
Для /автоматического отключения стартера после пуска дизеля и с целью уменьшения токовой нагрузки на контакты включателя в цепь стартера введены два дополнительных электромагнитных реле: промежуточное РС502 и блокировочное РБ1. Первое из них с замыкающими контактами, второе — с размыкающими контактами и выпрямительным мостом из четырех диодов Д226Д.
Когда выключатель ВК316-Б стартера поставлен в положение запуска, напряжение от аккумуляторной батареи подается на обмотку ,реле РС502, соединенную на массу через контакты реле РБ1. Реле РС502 срабатывает, его контакты замыкаются, и через них подается питание на тяговое реле стартера. Стартер включается и запускает дизель.
С увеличением частоты вращения коленчатого вала повышается напряжение генератора, которое преобразуется в постоянное выпрями?-телем реле РБ1 и подводится к его обмотке. Когда напряжение возрастает до 8...9 Б, что соответствует частоте вращения 650...750 об/мин, реле срабатывает, размыкая свои контакты. Реле РС502 обесточивается, его контакты под действием пружины размыкаются и отключают стартер. Одновременно из цепи тока исключается вспомогательная обмотка реле РБ1, включенная «встречно» основной, магнитный поток в сердечнике реле возрастает, благодаря чему работа контактов реле в целом становится более четкой.
Во всем диапазоне рабочих частот вращения контакты реле блокировки разомкнуты, поэтому включить стартер при работающем дизеле невозможно.
На тракторе также установлено специальное блокирующее устройство для предотвращения запуска дизеля при включенной Передаче.
На крышке коробки передач расположен выключатель ВК403, включенный в цепь питания обмотки реле РС502. Когда рычаг коробки передач находится в нейтральном положении, контакты выключателя замкнуты и запуск дизеля возможен. Когда же передача включена, контакты выключателя разомкнуты, цепь питания обмотки реле РС502 разомкнута и, следовательно, включение стартера и запуск дизеля невозможны.
Приборы освещения, сигнализации,
контроля и измерения. Электрическая
проводка
Кприборам освещения и световой сигнализации относятся фары (передние и задние), задние фонари, указатели поворота, фонарь номерного знака, лампы освещения приборов, плафон кабины, выключатели «массы», дальнего света,, фар и указателей поворота, а также коммутационная аппаратура —выключатели -и переключатели всех этих приборов.
Передние фары
8703.11/017 асимметричного светораспределения 'укомплектованы двумя лампами А12-45 + 40 и А12-4. Лампа А12-54 + 40 двухнитевая: нить дальнего света (45 Вт) расположена в фокусе отражателя фары, а нить ближнего света (40 Вт) — впереди фокуса. Под нитью ближнего света помещен экран, отклоняющий пучок света вниз. Наклон под углом 15° левой части экрана позволяет освещать правую сторону дороги на большее расстояние, чем левую. Лампа А12-4 используется в качестве переднего габаритного света при движении по освещенным улицам и на ночных стоянках.Фары включают центральным переключателем ГО05, а переключение с одного света на другой—двухпозиционным рычажным переключателем П57
-Б. Переключатели установлены на щитке приборов; здесь же находится контрольная синяя лампа, сигнализирующая о включении дальнего света. ^
В зависимости от вида выполняемых трактором работ передние фары располагают по высоте в двух положениях. На работах, где колея составляет 1200...1400 мм, "фары должны занимать верхнее положение (так их устанавливают на заводе); на транспортных работах на дорогах общего пользования (при колее 1600...1800 мм) кронштейны фар переставляют в нижнее положение и закрепляют к переднему брусу трактора. Переставляя кронштейны, отсоединяют жгут проводов от панели на кожухе вентилятора двигателя или от фарш и пропускают его через резиновую втулку в полке кронштейна.
Регулировка направления света передних фар—важная операция, требующая тщательного выполнения, поскольку от нее зависят освещение дороги и безопасность движения.Регулировку фар выполняют, установив трактор на ровной площадке в достаточно затемненном помещении перед матовым экраном, на котором должны быть отчетливо видны световые пятна от фар.' Экран размещают, как показано на рисунке 90. Линию А—А расположения центров фар наносят на экран На расстоянии л, равном высоте расположения центра фар над уровнем пола.
Трактор устанавливают так, чтобы расстояние от его фар до экрана составляло 10 м. При этом продольная плоскость симметрии трактора должна пересекаться с экраном по линии О—О,. Ослабляют крепление фар, включают свет и, действуя переключателем, убеждаются в том, что дальний и ближний свет обеих фар загорается одновременно. Включают ближний свет и, закрыв одну из фар, другую устанавливают так, чтобы световое пятно на экране было расположено, как показано на рисунке 90. Таким же образом регулируют вторую фару, следя за тем, чтобы верхние края обоих световых пятен находились на одной высоте.
Задние фары ФГ304
с лампой А12-32 установлены на крыльях задних колес и дают широкий световой пучок, равномерно освещающий достаточно большую площадь. Включаются фары выключателем ВК57, который размещен в пластмассовом защитном кожухе, прикрывающем соединительные панели электропроводки на правом секторе крыла заднего колеса При работе трактора с машинами, оборудованными дополнительными рабочими фарами (не более двух), эти фары присоединяют к трактору через клемму штепсельной розетки и включают совместно с габаритным светом при помощи центрального переключателя П305.
Задние комбинированные фонари
ФП209 (левый) я ФП289-Б (правый) установлены на крыльях задних колес. За красным рассеивателем фонаря помещена двухнитевая лампа А12-21 + 5. Одна ее нить (менее мощная) служит для обозначения габарита трактора и включается центральным переключателем Ш05 одновременно с передним габаритным светом, а другая включается выключателем ВК854 при нажатии на педали тормоза, сигнализируя о торможении трактора. За оранжевым рассеивателем фонаря помещена лампа А12-21-3 указателя поворота, которая включается переключателем П57, расположенным на щитке приборов. Передние указатели поворота УП214с лампой А12-21-3 и рассеивателем оранжевого цвета установлены на кронштейнах передних фар.Направление поворота трактора показывает прерывистое свечение ламп передних и задних фонарей. Мигающий свет (частота 1...2 Гц) возникает в результате работы реле-прерывателя РС410-В, включателей указателей поворота и закрепленного на корпусе щитка приборов. Лампа зеленого цвета на щитке приборов контролирует работу реле-прерывателя указателей поворота.
Фонарь ФП200 с лампой А12-5 для освещения номерного знака размещен на откидной крышке аккумуляторного отсека. Включается фонарь центральным переключателем П305 одновременно с габаритным светом. Номерной знак укреплен на крышке аккумуляторного отсека под фонарем.
Лампы освещения приборов (две лампы А12-5) размещены в специ- альных патронах 1Ш15К-36МК, которые вставляются в гнезда, приварен- ные к нижней панели щитка приборов. Свет от ламп попадает на шкалы приборов, пройдя через специальный рассеиватель из прозрачной пласт- массы, проложенный между панелями щитка приборов. Тахоспидометр автономно освещается лампой А12-1, расположенной в патроне ПП1-200, который вставляется в гнездо корпуса прибора. Включаются лампы освещения приборов центральным переключателем П305 одновременно с габаритным светом.
Плафон FIK201 кабиныс лампой А12-21-3 установлен на ее крышеи включается выключателем ВК57, размещенным в левом верхнем углу передней стенки кабины.
Переносная лампа ПЛ64соединяется проводом длиной (ми штепсельной вилкой на конце со штепсельной розеткой 47К на заднейстенке кабины в отсеке аккумуляторных батарей. Штепсельная розетка подключена непосредственно к аккумуляторной батарее (минуя выключатель «масса»).
В корпус лампы встроен выключатель. Проволочная скоба удерживает штепсельную вилку в розетке при натяжении провода. Переносная лампа комплектуется лампой А12-21-3.
Световозвращателя ФПЗЮ-Екрасного цвета, которые являются дополнительными ночными указателями габаритов трактора, установлены на резиновых брызговиках крыльев задних колес В световозвращателях использованы принцип возвратно-отражающей способности оптического устройства, которое состоит из системы призм, расположенных на обратной стороне поверхности прозрачной пластмассовой пластинки.
Звуковой безрупорный сигнал С311с электромагнитной вибрационной системой (рис. 91) состоит из корпуса 1,
электромагнита 8
с сердечником цилиндрической формы, контактной системы (прерывателя) 4,
мембраны 3
с якорем 5 и резонатором 6
и крышки 7. Сигнал прикреплен при помощи рессорной подвески 10
к корпусу гидроусилителя руля.
 Включают сигнал кнопочным выключателем ВК322, установленным на щитке приборов. При включении сигнала якорь 5 электромагнита начинает вибрировать, поскольку цепь тока в обмотке электромагнита 8
периодически разрывается прерывателем 4.
При втягивании в катуш ку электромагнита якорь в конце хода нажимает на изоляционную пластину подвижного контакта прерывателя и размыкает контакты, то есть размыкает цепь электромагнита. Вибрация якоря передается на мембрану и резонатор, с которыми он скреплен, в результате создаются звуковые колебания воздуха. Звуковой сигнал регулируют на заводе, и в эксплуатации регулировка его не требуется. Однако при необходимости качество звучания сигнала можно отрегулировать изменением положения прерывателя относительно якоря регулировочным винтом 11, расположенным на дне корпуса с обратной стороны. Для этого следует отвернуть гайку, конт-^ рящую регулировочный винт, и поворотом последнего добиться качественного звучания сигнала, после чего винт снова законтрить гайкой. Для обеспечения возможности сигнализации между прицепщиком и трактористом кнопочный выключатель, установленный на с/х машине, соединяют с сигналом трактора через клемму штепсельной розетки.
Контрольно-измерительные приборы
установлены в кабине на щитке приборов: тахоспидометр со счетчиком моточасов, указатель давления масла в смазочной системе двигателя, указатель давления воздуха в пневмосистеме тормозов прицепа, указатель температуры воды в системе охлаждения, амперметр и указатель уровня топлива. На щитке Приборов установлен также сигнализатор засоренности воздухоочистителя.
Тахоспидометр ТХ135 представляет собой комбинированный прибор для измерения скорости движения трактора, частоты вращения дизеля и независимого вала отбора мощности, а также учета времени работы дизеля.
На циферблат прибора (рис. 94) нанесены: шкала частоты вращения дизеля с пределами измерения от 500 до 3000 об/мин и ценой деления 100 об/мин, две шкалы частоты вращения ВОМ с пределами измерений 125...735 и 225...1400 об/мин и ценой деления соответственно 100 и 200 об/мин (надпись «ВОМ» на этих шкалах соответствует стандартной частоте вращения ВОМ; 540 об/мин и 1000 об/мин при 2100 об/мин дизеля), а также семь шкал скоростей движения трактора, соответствующих определенным передачам коробки перемены Передач, начиная с третьей, и шкала счетчика моточасов
Тахоспидометр приводится посредством гибкого вала от распределительного вала дизеля1
через червячный редуктор ПТ3802010-09. Редуктор установлен на крыше шестерен механизма газораспределения и сообщает гибкому валу частоту вращения (800 об/мин) при номинальной частоте вращениядизеля.
Указательдавлениямасла МД21? представляет собой мембранный узел с передаточным механизмом рычажного типа, преобразующим деформацию мембраны под действием давления масла в системе смазки дизеля в угловое отклонение стрелка Указатель служит для контроля за давлением масла в системе смазки дизеля
и соединен трубопроводом со штуцером, ввернутым в корпус центрифуги двигателя.
Трубопровод состоит из двух частей: стальной омедненной трубки с заделанной на ее конце резиновой трубкой и резинового шланга, присоединяемого к прибору. Обе части трубопроводе соединяют на кронштейне.
Шкала прибора (рис. 95) разделена на цветные секторы: зеленый—рабочего давления, с пределами измерения 0,1...0,4 МПа (1...4 кгс/см2
) и два красных —аварийные, с пределами измерения 0...0,1 и 0,4...0,6 МПа (0...1 и 4…6 кгс\см2)Указательдавлениявоздуха МД226 предназначен для контроля за давлением воздуха в пневмосистеме привода тормозов прицепа. Он устроен аналогично рассмотренному выше указателю давления масла и соединен трубопроводом со штуцером ресивера пневмосистемы привода тормозов прицепа. Его шкала также разделена на три цветных сектора: зеленый —рабочего давления, с пределами измерения 0,4...0,8 МПа (4.,.8'кгс/см2
) и два красных—аварийные, с пределами измерения 0...0,4 и 0,8...1,0 МПа (0...4 и 8...10 кгс/см5
};
Указательтемпературыводы УК133 служит для контроля за температурой воды в системе охлаждения дизеля. Он представляет собой логометр магнитоэлектрической системы, работающий в комплекте с полупроводниковым датчиком ТМ100, который установлен в головое блока цилиндра двигателя. Внутри латунного баллона Датчика находится терморезистор, сопротивление которого меняется в зависимости от температуры воды.
Шкала прибора разделена на-три цветных'сектора: зеленый—рабочего давления, с пределами измерения 75...95°С, белый и красный —аварийные» с пределами измерения соответственно 40...75 й 95...120°С.
В процессе эксплуатации необходимо особое внимание обращать на надежность контакта массы в цепи указателя Температуры, поскольку -потеря этого контакта приводит к неправильной работе прибора и токовой перегрузке его обмотки. Все контакты в цепи прибора должны быть надежными, потому что увеличение сопротивления цепи сопровождается занижением показаний прибора.
Амперметр АП10 электромагнитной системы предназначен для измерения силы зарядного тока (стрелка отклоняется в сторону знака <^Ь») или разрядного тока (стрелка отклоняется в сторону знака «—»). Шкала прибора (рис. 96) двусторонняя, с пределами измерения ЗО...О...ЗОА.
Указательуровнятоплива в баке состоит из приемника УВ 126 с магнитоэлектрическим измерительным механизмом и реостатного датчика БМ161-А, сопротивление реостата которого 90 Ом.
Рис. 95. Циферблат указателя давления масла. рис. 96. Циферблат амперметра.Магнитоэлектрический механизм приемника состоит из трех проволочных катушек, навитых на пластмассовый каркас таким образом, что их электромагнитные поля пересекаются в центре каркаса под прямым углом, где на подвижной оси помешен постоянный магнит и стрелка. ■
Контактная щетка проволочного реостата датчика перемещается в зависимости от уровня топлива в баке рычагом с полиэтиленовым поплавком на конце.
При изменении сопротивления реостата датчика в зависимости от уровня топлива в баке (при уменьшении уровня топлива сопротивление реостата снижается) соотношение токов в катушках измерительного механизма приемника изменяется, результирующий вектор электромагнитного поля изменяет свое направление и постоянный магнит со стрелкой поворачивается вслед за ним, показывая на шкале прибора количество топлива в баке.
Сигнализаторзасоренностивоздухоочистителя ОР-9928 ГОСНИТИ предназначен для определения степени засоренности воздухоочистителя и необходимости проведения его технического об- служивания. Сигнализатор соединен с впускным коллектором двига- теля пластмассовым трубопроводом. '
Степень засоренности воздухоочистителя проверяется ежемесячно при работе двигателя на максимальных оборотах холостого хода. Для включения сигнализатора необходимо нажать на колпачок, открывающий клапан, соединяющий внутреннюю полость сигнализатора с впускным коллектором двигателя. Положение поршня сигнализатора красного цвета относительно смотрового окна корпуса характеризует сопротивление воздухоочистителя. Полное перекрытие окна поршнем свидетельствует о предельной засоренности воздухоочистителя и необходимости проведения его технического обслуживания,
Электрическая проводка. На тракторе применена однопроводная электрическая схема, в которой в качестве второго провода исполь-зуготвя металлические части трактора—так называемая масса. Подобная схема позволяет уменьшить число проводов и упростить электрическую систему в целом, но вместе с тем требует внимательного наблюдения за состоянием изоляции проводов и надежностью их крепления. Нарушение изоляции может вызвать короткие замыкания, которые приводят при неисправности плавких предохранителей к выходу из строя приборов, обгоранию изоляции и даже к возникновению пожара.
Во всех цепях электрической схемы трактора используют провода ншкого напряжения марки ПГВА с полихлорвиниловой изоляцией различной расцветки.
Провода собраны в жгуты, прикреплены и соединены при помощи монтажно-установочных устройств (штепсельные разъемы, соединительные панели и т. п.).
При техническом обслуживании следует тщательно проверять состояние изоляции проводов, контактных соединений и устранять причины возможных повреждений. Особое внимание при осмотре должно быть уделено надежности креплений и чистоте проводов.
Техническое обслуживание электрооборудования
МТЗ-80
Техническое обслуживание аккумуляторной батареи.
Батарею нужно периодически осматривать, содержать в чистоте, в заряженном состоянии и полной исправности. Во время ежедневного обслуживания батарею осматривают, очищают от пыли и грязи. Пролитый на поверхность батареи электролит удаляют чистой ветошью, смоченной в 10%-ном растворе нашатырного спирта или кальцинированной соды. При технических обслуживакйях проверяют исправность бака, плотность крепления и контактов, очищают от окислов клеммы и штыри, прочищают вентиляционные отверстия в пробках.
Уровень электролита измеряют, пользуясь тонкой стеклянной труб- кой, которую опускают в заливную горловину до упора в предохрани- тельный щиток, закрывают пальцем, вынимают и по высоте столбика электролита в трубке определяют его уровень (10... 15 мм). Если окажется что уровень понизился, в аккумулятор через горловину добавляют дис- тиллированную воду. '
В районах с резко континентальным климатом при переходе с зимней эксплуатации на летнюю (и наоборот) необходимо снять батарею с трактора и откорректировать плотность электролита.
Плотность электролита изменяется в-зависимости от температуры приблизительно на 0,01 г/см3
на каждые 15°С. Если плотность измеряется при температуре значительно отличающейся от 15°G, то ее нужно привести к действительным условиям в соответствии с приведенными ниже данными. При температуре электролита больше 15°С поправку прибавляют к показаниям ареометра, при температуре ниже 15°С — вычитают.По значениям измеренной и приведенной к нормальной температуре плотности электролита и с учетом исходной плотности электролита полностью заряженной батареи судят о степени ее разряженности
Если при проверке окажется, что батарея разряжена более чем на 50% летом и 25% зимой, то ее следует зарядить в аккумуляторной мастерской.
Полностью разряженную батарею необходимо заряжать не позже чем через 24 ч после разряда.
Очень важно, чтобы пуск дизеля был кратковременным, поскольку электрический стартер создает самую большую нагрузку на аккумуляторную батарею. Аккумуляторные батареи, находящиеся в эксплуатации, хранят залитыми электролитом и полностью заряженными в прохладном помещении (0…-30С). Новые батареи хранят без электролита. При техническом обслуживании генератора необходимо следить за надежностью крепления генератора и проводов, натяжением приводного ремня, общей его исправностью и чистотой. Пыль и грязь удаляют щеткой или влажной тряпкой.
Исправность генератора проверяют до начала работы контрольной лампой, установленной на щитке приборов. Если генератор исправен, контрольная лампа загорается при замыкании включателя «масса» перед пуском дизеля. После пуска контрольная лампа гаснет (на тракторах МТЗ-80, МТЗ-82) или светит вполнакала (на тракторах МТЗ-80Л, МТЗ-82Л).
Остановив дизель, нужно разомкнуть выключатель «масса» (контрольная лампа при этом гаснет), чтобы предотвратить разряд аккумуляторной батареи через обмотку возбуждения генератора.
На тракторе исправность генератора проверяют только при неработающем дизеле, отъединив от всех клемм генератора провода. Проверку выполняют при помощи лампы напряжением 12 В и аккумуляторной батареи.
Проверяя обмотку возбуждения, отрицательный вывод аккумуляторной батареи соединяют с клеммой М генератора, ее положительный вывод — через контрольную лампу с клеммой III генератора. Если обмотка возбуждения исправна, то лампа горит вполнакала (сила тока * 3,0.3,5 А). Полный накал лампы (сила тока более 3,5 А) указывает на короткое замыкание между обмоткой возбуждения и корпусом генератора. Если лампа не горит—имеется обрыв в обмотке возбуждения. Исправность выпрямителя и обмоток статора проверяют так!
1. Отрицательный вывод аккумулятора соединяют с клеммой М генератора, а ее положительный вывод—через контрольную лампу с клеммой В генератора^ В этом случае лампа не должна гореть. Если же лампа горит, то это свидетельствует о следующих неисправностях выпрямителя: короткое замыкание в одном или нескольких диодах обеих полярностей; пробой изоляции между теплоотводом и корпусом выпрямителя; замыкание положительного вывода на корпус генератора.
2. Отрицательный вывод аккумуляторной батареи соединяют одной из клемм переменного тока генератора, а ее положительный вывод — через контрольную лампу с клеммой В генератора. При этом лампа не должна гореть. В Противном случае пробит один или несколько диодов прямой полярности.
3. Положительный вывод аккумуляторной батареи через контрольную лампу соединяют с одной из клемм переменного тока генератора, а ее отрицательный вывод—с клеммой М генератора. Лампа также, не должна гореть. Если же лампа загорается, значит, пробит один, или несколько диодов обратной полярности или произошло короткое замыкание обмотки статора на корпус генератора.
4. Техническое обслуживание реле-регулятора. Начиная с температуры окружающего воздуха 5°С, переключатель (винт) сезонной регулировки устанавливают в положение «лето» и оставляют его в таком положении при эксплуатации трактора в течение весеннего, летнего и осеннего периодов. Когда же установится отрицательная температура окружающей среды, переключатель переводят в положение «зима».
5. Пуск дизеля при отключенном проводе, который соединяет положительные клеммы генератора и реле-регулятора, запрещается, так как это может привести к опасному для выпрямителя повышению напряжения. Не допускается также (даже на короткое время) соединять изолированные клеммы реле-регулятора и генератора с массой (например, для проверки «на искру»).
Один раз в сезон рекомендуется проверить реле-регулятор на стенде или непосредственно на тракторе. Для проверки необходимы' следующие приборы: вольтметр постоянного тока (шкала до 30 В); амперметр постоянного тока (шкала до 20 А); тахометр (с пределом измерения до 4000 об/мин); нагрузочный реостат на ток не ниже 25 А. Проверку ведут при включенной аккумуляторной батарее. Вольтметр присоединяют к клемме В реле-регулятора и «массе». Запускают дизель. Задают ему номинальную частоту вращения и прогревают в течение 10...15 мин. Затем, включив все фары, измеряют напряжение, которое должно составлять 13,2... 14,0 8, когда переключатель сезонной регулировки установлен в положение «лето», и 14,0... 15,2 В, когда переключатель находится в положении «зима». Если измеренное напряжение не укладывается в указанные пределы, реле-регулятор нуждается в регулировке, которая
заключается в увеличении натяжения пружины регулятора РН (щт ходимости повысить регулируемое напряжение) и, наоборот, в нии ее натяжения (когда нужно уменьшить напряжение).
При регулировке следует пользоваться специальной вилкой, ■ которой входит угольник крепления пружины, или плоскогубцам
j .1 I
'РН \РЗ . jj41
Рис. 84. Схема проверки реле защиты на стенде:
Лв
- нагрузочный реостат; R30
- обмотка реле защиты; Г— транзистор; А — а метр; V—вольтметр.
6.
соответствующего размера. Нужно помнить, что детали электромагнитных реле (в том числе"пружины) находятся под напряжением относительно корпуса реле-регулятора. Случайное прикосновение регулировочной вилкой или плоскогубцами к корпусу вызовет короткое замыкание, которое может привести к выходу реле-регулятора из строя.
На стенде регулятор напряжения проверяют и настраивают п© показаниям вольтметра при частоте вращения ротора генератора 3600 об/мин и токе нагрузки 10 А, пользуясь схемой, приведенной на рисунке 83.
Реле защиты проверяют и, настраивают по схеме, показанной на рисунке 84.
Аккумуляторную батарею (или другой источник постоянного тока 12 В) подключают к зажимам реле-регулятора В и М. Плюсовый вывод аккумуляторной батареи через амперметр магнитоэлектрической системы с шунтом на ОД А соединяют с базой транзистора. Зажим Ш через нагрузочный реостат на 30 Ом соединяют с минусовым выводом аккумуляторной батареи. Между зажимами В и Ш подключают вольтметр.
Плавно перемещая ползунок реостата, увеличивают напряжение на обмотке реле защиты до момента его срабатывания, который определяют по спаду тока амперметра или (при отсутствии прибора) визуально по замыканию контактов.
Правильно отрегулированное реле должно срабатывать при напряжении 7 ±04 В. При необходимости реле защиты регулируют изменением натяжения пружины (так же, как регулятор напряжения). Исправность транзистора и диодов проверяют при помощи универсального прибора типа «тестер», который настраивают на измерение минимальных сопротивлений.
Транзистор исправен, если сопротивление, измеренное между двумя любыми' выводами, больше нуля, но не превышает 500 кОм. При перемене местами выводов прибор показывает различные значения сопротивлений одних и тех же переходов. Транзистор неисправен, если сопротивление между двумя любыми выводами равно нулю или бесконечности.
Проверяя диод, измеряют сопротивление на его выводах. При этом меняют местами концы проводов от измерительного прибора и следят за его показаниями. Если одно измерение даст значение сопротивления порядка 100...200 Ом, а другое (при перемене местами концов) —значение порядка сотен кОм, то диод исправен. Диод неисправен, когда при обоих измерениях прибор показывает нуль или бесконечность.
Техническое обслуживание стартера СТ212-А предполагает поддержание общей его чистоты, проверку надежности крепления, состояния клемм и т. п. Стартер потребляет большой ток, поэтому даже незначительные переходные сопротивления в его цепи приводят к несущественному падению напряжения и заметному снижению мощности.
Через 3000 ч работы трактора следует осмотреть стагтер. Для этого стартер демонтируют с дизеля и очищают снаружи от пыли и грязи.Затем снимают защитный кожух и проверяют состояние щеточно-коллекторной сборочной единицы. Если обнаружено загрязнение или незначительное подгорание коллектора, его нужно протереть чистой ветошью, смоченной Щ бензине. Если подгорание невозможно удалить, следует эти места зачистить стеклянной шкуркой. Щетки должны свободно перемещаться в щеткодержателях и прилегать своей плоскостью к коллектору. Сила давления пружин на щетки должна в момент отрыба пружины от тела щетки составлять 7,5...10 Н (0,75...1,0 кгс).
После этого снимают крышку с тягового реле и проверяют состояние контактов. Если контакты подгорели, их следует зачистить бархатным напильником и протереть ветошью, смоченной в бензине.
При более серьезных неисправностях стартер следует разобрать и выполнить следующие работы: очистить внутренние и наружные поверхности корпуса, крышек и якоря от пыли и грязи; проточить коллектор на минимальную глубину (до получения гладкой поверхности), а затем зачистить наждачной бумагой (после проточки биение коллектора относительно шеек вала, измеренное индикатором, не должно "превышать 0,05 мм); проверить состояние шестерни привода и венца маховика, зачистить напильником выработку или выбоины зубьев, а если износ велик, заменить детали новыми; в случае сильного подгорания контактных болтов реле стартера болты повернуть на 180°С, а контактный диск перевернуть другой стороной; щетки, изношенные до высоты Ю мм, заменить новыми; смазать все трущиеся детали (подшипники, винтовые шлицы и шейки вала якоря, втулки привода) смазкой ЦИАТИМ-201 или дизельным маслом.
\ Собранный после проведения указанных работ стартер необходимо отрегулировать и проверить в действии.
:
При регулировке стартера на выводную клемму обмоток реле подают напряжение 8...12 В от специального агрегата или аккумуляторной батареи, Корпус стартера надежно соединяют с отрицательной клеммой батареи. Чтобы якорь стартера не вращался, шину 9 отъединить от выводного болта корпус! Когда включенное тяговое реле сработает и якорь реле займет положение, зазор между торцом шестерни привода и упорными полукольцами на валу якоря должен составлять 3±1 мм. Регулируют зазор, поворачивая эксцентриковую ось рычага 16, которую затем закрепляют гайкой.
Качество сборки стартера проверяют, испытывая его на холостом ходу. С источником тока стартер соединяют проводами сечением 5,0мм3
и примерно такой же длины, как на тракторе. Аккумуляторная батарея должна быть исправна и заряжена не менее чем на 75%.
В процессе испытания измеряют частоту вращения якоря и силу потребляемого тока и убеждаются в их соответствии техническим характеристикам стартера: не менее 5000 об/мин, не более 120 А.
Тугое вращение якоря, которое обычно вызывается перекосами в результате неправильной сборки, задевание якоря за полосы, замыкания обмотки якоря на массу или короткие замыкания между витками приводят к потреблению большого тока, недостаточной частоте вращения. Малая сила потребляемого тока и пониженная частота вращения при нормальной напряжении на зажимах стартера свидетельствуют о плохом контакте в местах электрических соединений или об ослабленном давлении пружин щеток.
Техническое обслуживание приборов освещения и световой сигнализации заключается в наблюдении за работой приборов, периодической наружной очистке рассеивателей, а также в своевременной замене перегоревших ламп и поврежденных рассеивателей. Выявляя причины неисправности приборов, нужно прежде всего проверить состояние предохранителей ламп и электрических цепей по отдельным участкам. Только убедившись в исправности одного участка, можно переходить к проверке следующего: При установке оптического элемента в фару необходимо следить за тем, чтобы поперечные линии рисунка рассеивателя располагались горизонтально, а надпись вверх на установленной на тракторе фаре соответствовала указанному положению
Охрана труда при работе на тракторе
Тракторист-машинист должен выполнять только ту работу, которая поручена администрацией. Перед началом работы он обязан получить инструктаж на рабочем месте, проверить техническое состояние трактора и составить агрегат — навесить или прицепить соответствующую машину. Во время работы механизатор должен использовать инструменты и приспособления по назначению и так, чтобы гарантировать безопасное выполнение работы.
Тракторист-машинист не может изменить состав агрегата без разрешения бригадира, агронома или механика отделения.
Перед пуском проверяют заправку двигателя маслом, водой и топливом, убирают инструменты и заправочный инвентарь, устанавливают рычаг коробки передач и рычаги распределителя навесной системы в нейтральное положение, включают ее насос и выключают вал отбора мощности (приводной шкив).
Перед входом в кабину очищают обувь от грязи и снега. Начинать
движение .можно только после подачи сигнала, убедившись, что на пути трактора нет людей и его движение не опасно для окружающих.
Подъезжать к машине для сцепки или навески нужно на малой скорости, ногу (руку) держать на педали (рычаге) главного сцепления, смотреть на путь следования (назад) и быть готовым к немедленной остановке трактора. Прицеплять или навешивать машину разрешается только после остановки трактора (по разрешающему сигналу водителя или когда он выйдет из кабины). Машину с трактором необходимо соединить так, чтобы во время движения агрегата не произошло самопроизвольного отъединения машины от трактора. При этом проверяют состояние устройств для навески или сцепки и устанавливают все крепежные и фиксирующие детали — чеки, шайбы, шплинты. В случае использования ВОМ крепят его защитный кожух. Если машина приводится в действие от шкива трактора, устанавливают защитное ограждение ременной передачи. Запрещается на ходу надевать, поправлять или снимать ремень, а также натирать его материалами, уменьшающими буксование.
К. месту работы агрегат следует вести по маршруту, указанному соответствующим руководителем (специалистом). Прежде чем выполнить какой-либо маневр, необходимо убедиться, что в данных условиях это неопасно.
Чтобы избежать опрокидывания машины, нельзя ездить поперек крутых склонов и делать крутые повороты на большой скорости, во время спуска иди подъема в гору. При разъезде с встречным транспортом нужно держаться правой стороны и учитывать ширину и длину своего и встречного агрегата. Если на пути движения имеются мосты, броды, топкие места, плотины и т. д., то прежде чем их преодолевать, необходимо убедиться в возможности и безопасности проезда. Особую осторожность нужно соблюдать во время движения по скользкой дороге. На обледеневшей дороге возможно боковое скольжение и буксование.
Железнодорожные пути разрешается пересекать только через переезды, когда нет приближающегося поезда, и так, чтобы не повредить сооружения переезда и электросеть.
Под электролинией разрешается проезжать, когда между высшей точкой агрегата и нижним проводом будет расстояние не менее 2 м.
Перед работой обязательно убирают с поля или отмечают вешками камни, пни, засыпают ямы и канавы. Обрывы, крутые берега оврагов, оползни отмечают контрольными бороздами. Отбивают поворотные полосы. При групповой работе обязательно отмечают места отдыха. Если предстоит работа на участках с крутыми склонами, то предварительно необходимо ознакомится с особенностями выполнения работ. На обычных тракторах допускается работа на участках, крутизна которых не превышает 8…9 градусов.
Список использованных источников
1.В.А Родичев, Г.И. Родичева. Трактор ДТ-75. М; Высшая школа, 1975г
2. Б.М. Гельман, М.В. Москвин Сельскохозяйственные тракторы М; Высшая школа , 1978г.
3 В.В. Курчаткин Техническое обслуживание и ремонт машин в сельском хозяйстве. М; Академия 2003г.
4. Родичев В.А. Тракторы. М.: Академия, 2005г. 256с.
5. Семенов В.М. Трактор. М.: Колос, 1982г. 240с.
6. Гельман Б.М., Москвин М.В. Сельскохозяйственные тракторы и автомобили (книга вторая). М.: Агропромиздат, 1986г. 298с.
7. Козлов Ю.С. Техническое обслуживание и ремонт в сельском хозяйстве. М.: Высш. Школа, 1980г. 222с
|