| Министерство образования Российской Федерации
РАСЧЁТНО-ПОЯСНИТЕЛЬНАЯ ЗАПИСКА
к курсовой работе по курсу:
Технология ИМС
тема: “ Разработка конструкции, топологии и технологического процесса изготовления ИМС усиления тока индикации кассового аппарата“
Базовое предприятие ФГУП «КЗТА»
Калуга 2009 г.
Содержание
Техническое задание
Топологический расчет транзистора
Расчет геометрических размеров резисторов
Расчет геометрических размеров конденсаторов
Расчет топологии полупроводникового кристалла
Технологические процесс изготовления ИМС
Биполярные микросхемы с изоляцией р-п переходом
Заключение
Список литературы
Введение
Основополагающая идея микроэлектроники – конструктивная интеграция элементов схемы – приводит к интеграции конструкторских и технологических решений, при этом главной является задача обеспечения высокой надежности ИМС.
Важнейшей задачей проектирования является разработка быстродействующих и надежных схем, устойчиво работающих при низких уровнях мощности, в условиях сильных паразитных связей (при высоко плотности упаковки) и при ограничениях по точности и стабильности параметров элементов.
При технологическом проектировании синтезируется оптимальная структура технологического процесса обработки и сборки ИМС, позволяющая максимально использовать типовые процессы и обеспечивать минимальные трудоемкость изготовления и себестоимость микросхем.
Техническое задание
Разработка конструкции, топологии и технологического процесса ИМС по заданной электрической схеме.
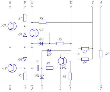
Схема электрическая принципиальная приведена на рис. 1.
Описание работы схемы.
Схема электрическая принципиальная приведена на рис. 1.
Данная схема обеспечивает обработку сигналов, поступающих на вход схемы, и выдачи сигнала на выход. Транзисторы VT1-VT4 обеспечивают усиление по току.

Таблица 1. Номинальные значения элементов
| R1
|
6,8 кОм±5%
|
R6
|
6,8 кОм±5%
|
VT1…VT3=
=BC817-25
|
VT4=
=BC807-25
|
VD1…VD5=
=LL4148
|
| R2
|
6,8 кОм±5%
|
R7
|
120 Ом±5%
|
| R3
|
6,8 кОм±5%
|
R8
|
120 Ом±5%
|
Uкб=50 В
|
Uкб=50 В
|
Uкб=40 В
|
| R4
|
2 кОм±5%
|
R9
|
120 Ом±5%
|
P=1 Вт
|
P=1 Вт
|
P=1 Вт
|
| R5
|
6,8 кОм±5%
|
C1
|
270 пФ±20%
|
I=20 мА
|
I=25 мА
|
I=25 мА
|
Таблица 2. Назначение выводов
| Обозначение
|
1
|
2
|
3
|
4
|
5
|
6
|
7
|
| Назначение
|
RX_BC
|
GND
|
-12_IN
|
TX_X
|
TX
|
----
|
RAS_LAP
|
| Обозначение
|
8
|
9
|
10
|
11
|
12
|
13
|
14
|
| Назначение
|
+5V
|
RTS_BC
|
RX_X
|
RX
|
CTS_BC
|
GTO_BC
|
BC
|
| Контр. параметры
|
| I5=15 мА
|
U5=4±0,5 B
|
| I13=10 мА
|
U13=15±0,5 B
|
Рис.1 Схема электрическая принципиальная
Расчет режимов изготовления эпитаксиально-планарного транзистора
Расчет концентраций примеси в отдельных областях транзистора
Расчет концентраций примеси в отдельных областях транзистора с учетом заданного пробивного напряжения.
Определяется из соотношения:

- напряжение пробоя перехода.
В/см – критическое значение напряженности поля для кремния.
Кл – заряд электрона.
- относительная диэлектрическая проницаемость (для кремния 12).
Ф/см – абсолютная диэлектрическая проницаемость.
N – концентрация примеси на слаболегированной стороне перехода, которую надо отнести к наиболее опасному сечению, т.е. к поверхности.
Усредненная , если , а .
а) Концентрация примеси на поверхности подложки:
| |
Uк-п
|
Uк-б
|
Uб-э
|
| VT1…VT3
|
60
|
50
|
5
|
, при Uпр к-п = 60 В
б) Поверхностная концентрация примеси в коллекторе:
, при Uпр к-б = 50 В.
в) Поверхностная концентрация примеси в базе:
, при Uпр б-э = 5 В.
Окончательно:
Для дальнейших расчетов выберем транзистор VT5 и примем его за базовый элемент нашей ИМС.
Расчет режимов диффузии базовой области.
При двухстадийной диффузии распределение примеси подсчитывается по закону Гаусса:
,
где N – концентрация примеси, .
Q – поверхностная концентрация примеси, .
- диффузионная длина.
Учитывая, что коллектор легирован равномерно и зная концентрацию примеси на поверхности базы и под переходом Б-К (на глубине ), можно записать:
1) при Х = 0:
(1)
2) при : (2)
,
где – коэффициент диффузии на этапе разгонки базы .
– время процесса разгонки базы.
– доза легирования базы .
Из (1) и (2) получим: ;

Задаемся температурой разгонки базы: 

Рис. 2. Температурная зависимость коэффициента диффузии: и - исходная и поверхностная концентрация примеси, 
Из графика находим , а .
Из (1) 
Для этапа загонки примеси в базу можно записать:
, тогда 
Примем температуру загонки базы и из графика . мин.
Окончательно: , , , , , мин, мин.
Расчет режимов диффузии эмиттерной области.
Определим концентрацию примеси на уровне перехода Э-Б .
;
; где ; .
Полагая для высоколегированного эмиттера, что , а , то ,т.к. .
Для определения воспользуемся требованием высокой проводимости эмиттера, которая должна иметь удельное поверхностное сопротивление Ом. Примем . Тогда .

Рис. 3. Зависимость удельного сопротивления Si от концентрации примеси при температуре 
Из графика приближенно определим концентрацию примеси в эмиттере

Рис. 4. Зависимость подвижности электронов от концентрации доноров в кремнии
Из графика .
Тогда
Поделим на , .

Рис. 5. Графики для определения параметра Dt в эмиттерной области (этап разгонки)
Из графика получим
Концентрация примеси доноров в эмиттере . Пусть ,
Из графиков ,
Отсюда Доза легирования в процессе загонки определяется по формуле Отсюда для процесса загонки примеси в эмиттер (5)
Полагая (6).
При по графику , . Из (6) 
Окончательно: ; ; ;
; .
Расчет поверхностного сопротивления областей транзисторов
Для контроля и проектирования диффузионных резисторов необходимо знать величины поверхностных сопротивлений областей транзистора, которые определяются по формуле: .
1) Определим поверхностное сопротивление коллектора: по графику , при
Для равномерно легированного кремния .
2) Определим поверхностное сопротивление базовой области: где - средняя концентрация введенной примеси;  при равномерно легированном коллекторе , – подвижность дырок в области базы, – суммарная концентрация примеси на глубине .

Рис. 6. Зависимость подвижности электронов от концентрации доноров в кремнии при 

Рис. 7. Зависимость подвижности дырок от концентрации акцепторов в кремнии при 
Из графика , тогда , 
3) Определим поверхностное сопротивление эмиттерной области:
;
Для диффузионных областей, где распределение примеси неравномерно по глубине, разность концентраций должна иметь смысл средней концентрации, нескомпенсированной примеси , найденной в пределах . , где – полная концентрация веденной примеси.
– средняя концентрация р - примеси до .
Находим также как и , только берем , , и .

Получим, что
 .
По графику при , тогда .
Окончательно: ; 
Топологический расчет транзистора
Цель топологического расчета – получение в плане минимально возможных размеров областей транзистора, которые зависят от мощности рассчитываемой транзистором и следующими топологическими ограничениями.
а) Минимальный размер элемента топологического рисунка аmin обусловленный разрешающей способностью процесса фотографии (4мкм).
б) Максимальное отклонение размера элемента рисунка ±∆1 = 0,5 мкм обусловлены погрешностями размеров элементов рисунков фотошаблона и погрешностями размеров на операциях экспонирования и травления.
в) Погрешностями смещения ±∆2 = ±2 мкм.
г) Боковая диффузия примеси под маскирующий окисел.
При высоких уровнях тока резко проявляется эффект оттеснения эмиттерного тока. Поэтому токонесущая способность транзистора определяется не площадью эмиттера, а периметром. Отсюда при проектировании эмиттера необходимо обеспечить максимальное отношение периметра к площади.
Рассчет эмиттерной области
Размер окна под эмиттерный контакт lЭКмин =аmin = 4мкм.
Примем lЭК = 10мкм
Размер проводника над эммитером:

Рис.8
lЭП ³ lЭК + 2 ∆2+2 ∆1 = 15 мкм.
При дальнейшем расчете необходимо учесть следующие требования:
а) Расчет вести на наиболее неблагодарное сочетание погрешностей;
б) Отсутствие перекрытия перехода кромкой проводника (уменьшение паразитной емкости);
в) Полное заполнение металлом окна под контакт;
г) Расстояние между боковыми переходами смежных областей равно диффузионной длине не основных носителей.

Рис.9
Учитывая условие б) имеем:
lЭ = lЭП +2∙∆l + 2 ∙∆2=15 + 1 + 4 = 20 мкм
Размер окна под диффузию эммитерной области:
lОЭ = lЭ – 2 ∙ Хпер(Э-Б)= 20 – 4 = 16 мкм.
Периметр эмиттерной области можно определить по формуле:
П = 6 ∙ JЭ1 = 2 ∙ l Э1 + 2 ∙ l Э2 (в мкм) (*)
Jэ – максимальный ток эмиттерной области, мА.
l Э1, l Э2 – длина и ширина эмиттерной области, мкм.
l Э1min =amin=2Xпер Э-Б=4+4=8 мкм
Примем l Э1 = 25 мкм;
Из формулы (*): мкм; при JЭ =20 мА.
Окончательно: l ЭП =15 мкм; lЭК = 10 мкм;
lОЭ = 16 мкм; lЭ=20 мкм;
Расчет размеров базовой области
Топологический расчет базовой области сводится к определению расстояния между переходами в месте расположения базового контакта dБ1
и расстояния dБ2 на участках, где нет контакта.
Размер окна под базовый контакт lБК≥ 2аmin.
Размер базового проводника
lБПмин = lБК + 2∙∆1 + 2∙∆2=8 +1 + 4 = 13 мкм.
Примем lБП=17,5
Учитывая требования б), размер между переходами Э-Б и Б-К, где есть базовый контакт:
dБ1= lБП+2∙∆1+2∙∆2+аmin= 17,5 + 1 + 4 + 4 = 26,5 мкм.

Рис.10
Размер между переходами Э-Б и Б-К со стороны, где нет базового контакта

Рис.11
При соблюдении требования г) {lПБ = 4 мкм.}
dБ2 = lПБ + ∆1 + ∆2 = 6.5 мкм. Примем dБ2 = 7 мкм.
Определим большую сторону базовой области:
lБ1 = lЭ + dБ1 + dБ2 = 25 + 26,5 + 7 = 58,5 мкм.
Определим размер меньшей стороны базовой области:
lБ2 = lЭ + 2 ∙ dб2= 25 + 14 = 39 мкм.
Размеры окна под диффузию базы:
lБО1 = lБ1 – 2∙Хпер.(Б-К) = 52,5 мкм.
lБО2 = lБ2 – 2∙Хпер.(Б-К) = 33 мкм.
Окончательно: lБК = 8 мкм; lБ2= 39 мкм. lБО1= 52,5 мкм.
lБП= 17,5 мкм. lБ1= 58,5 мкм. lБО2= 33 мкм.
Расчет размеров коллекторной области
Размер окна под коллекторный контакт примем:
lon+ = lКК = 2аmin = 8 мкм.
Тогда размер коллекторного проводника:
lКП = lКК + 2 ∙ ∆1 + 2 ∙ ∆2 = 13 мкм.
а размер между переходами К-П и Б-К в стороне контакта:
dК1 = lКП + 2 ∙ ∆1 + 2 ∙ ∆2 + аmin = 22 мкм.
Размер между переходами К-П и К-Б в стороне, где нет контакта, но есть n+-область:
ln+ = lоn+ +2 ∙ Хпер.(Б-Э)= 8 + 4 = 12 мкм.
dK2 = ln+ + 2 ∙ ∆1 + 2 ∙ ∆2= 12+ 1 + 4 = 17 мкм.

Рис.12
Размер большой стороны коллекторной области:
lK1 = lБ1 + dК2 + dК1=58,5 + 39 = 97,5 мкм.
lК2 = lБ2 + 2∙dК2= 67+ 39 = 106 мкм.
Размер окна под разделительную диффузию примем lор = аmin = 4 мкм.
Тогда размер между коллекторными областями в плане (ширина изолирующего канала):
B = lOP + 2∙Хпер(К-П)=4 + 2 ∙ 2 = 8 мкм.
Окончательно: lКК = 8 мкм lК2 = 97,5 мкм ln+ = 12 мкм lOP = 4 мкм
lКП= 13 мкм lК1= 106 мкм в = 8 мкм
Расчет геометрических размеров резисторов
Расчет геометрических размеров интегрального полупроводникового резистора начинают с определения его ширины. За расчетную ширину b резистора принимают значение, которое не меньше наибольшего значения одной из трех величин: bтехн, bточн, bр, т.е. , где bтехн - минимальная ширина резистора, определяемая разрешающей способностью технологических процессов (4 мкм); bточн - минимальная ширина резистора, при которой обеспечивается заданная погрешность геометрических размеров; bр - минимальная ширина резистора, определяемая из максимально допустимой мощности рассеяния.
Расчет геометрических размеров резистора R1-R3, R5, R6 (Б.О.):
Расчет геометрических размеров резистора R4(Б.О.):
Расчет геометрических размеров резистора R7-9(Б.О.):
Расчет геометрических размеров конденсаторов

Рис.13
Тип конденсаторов выберем на основе базово-коллекторного перехода, т.к. он обладает высокой добротностью, достаточным пробивным напряжением и средней удельной емкостью
 

Расчет топологии полупроводникового кристалла
1. Определим площадь, занимаемую элементами на кристалле. Площадь, занимаемая активными элементами:
,
где - площадь одного транзистора; n – число активных элементов.
2. Определим площадь под диоды:

где - площадь одного диода;
3. Определим площадь под резисторы:

где m – число резисторов.
3. Определим площадь под конденсаторы:

4. Площадь активной зоны: К – коэффициент запаса, зависит от плотности разводки металлизации.

Процесс сборки упрощается при квадратной форме кристалла:

Интегральная схема 13 выводов (контактных площадок). При термокомпрессии проводом 28 мкм ширина площадки будет равна , где D – диаметр проволоки; K – коэффициент, равный отсюда с запасом 100 мкм. Расстояние между центрами контактных площадок не менее 200 мкм. Линия скрайбирования для уменьшения вероятности скола взята шириной 100 мкм.
Примечания:
1. Проводники металлизации алюминием выполняются толщиной 1 мкм. Ширина проводника определяется из соотношения (находится в пределах 10:20 мкм).
2. Нумерация выводов на кристалле может начинаться с любого угла и должна идти по порядку (по часовой стрелке).
3. В случае пересечения – выполнять его над резистором, кроме проводников питания, которые над резистором выполнять не рекомендуется.
Пример выполнения пересечения над резистором:

Рис.14
Технологические процесс изготовления ИМС
| А
|
005
|
Комплектование
|
| Б
|
|
Комплектовочный стол
|
| О
|
|
Формировать партию пластин.
Уложить в тару цеховую.
|
| А
|
010
|
Гидромеханическая отмывка пластин
|
| Б
|
|
Ванна с раствором ситанола АЛМ-10
|
| О
|
|
Операция выполняется в растворе ситанола АЛМ-10 в деионизированной воде с помощью щеток для удаления механических загрязнений и увеличения смачиваемости поверхности пластин.
|
| А
|
015
|
Химическая обработка
|
| Б
|
|
Оборудование — линия “Лада-125”
|
| О
|
|
Обработка пластин смесью Каро (H2SO4+H2O2) и перикисьно-амиачной смесью для удаления любых органических загрязнений с поверхности полупроводниковых пластин при температуре 90 ºС.
|
| А
|
020
|
Сушка
|
| Б
|
|
Сушильный шкаф
|
| О
|
|
Операция проводится сначала в парах этилового спирта, а затем в потоке горячего осушенного азота в центрифуге при частоте обращения 20000 оборотов в минуту.
|
| А
|
025
|
Окисление
|
| Б
|
|
Диффузионная печь СДО-125/3-12
|
| О
|
|
Окисление проводится в два этапа:
- газовая полировка(проводится в специальных печах);
устанавливается нужное распределение температуры и печи с потоком азота;
устанавливается поток газа-носителя (водород, 8 л/мин; печь с
внутренним диаметром трубы 35 мм), а поток азота перекрывается;
вносят лодочку с пластинами и выжидают 5 мин до установления теплового равновесия;
к газу-носителю добавляют требуемый поток хлористого водорода;
полируют в течение 10 мин (обычная продолжительность полировки);
прекращают поток НСl и вынимают пластины.
Скорость полировки зависит от температуры и концентрации хлористого водорода. Удельное сопротивление, тип проводимости и поверхностная обработка кремния не оказывают заметного влияния на скорость полировки.
Качество полировки связано с чистотой хлористого водорода. В выпускаемом промышленностью хлористом водороде иногда присутствует ацетилен; это нежелательно, поскольку приводит к образованию матовых поверхностей.
Нежелательным является также наличие двуокиси углерода и воды.
- Окисление
От газовой полировки можно переходить сразу к процессу
окисления простым изменением состава газового потока. При этом не
требуется вынимать пластины из печи. Для быстрого получения качественной плёнки, окисление производят сначала в сухом кислороде для формирования пленки, затем длительно окисляют во влажном кислороде и окончательной стадией является формовка окисла в сухом кислороде.
|
| А
|
030
|
Первая фотолитография
|
| Б
|
|
Установка нанесения фоторезиста НВ-100, линия “Лада-125”
|
| О
|
|
С использованием фотолитографии проводится легирование локальных областей подложки с целью создания скрытых слоёв
Нанесение фоторезиста дискретное.
Получение равномерного слоя фоторезиста на поверхности полупроводниковых пластин толщиной 1,1 мкм, с предварительной фильтрацией используемого фоторезиста ФП-383 на установке нанесения НВ-100.
Экспонирование ультрафиолетовым лучом контактное.
Операция переноса изображения с фотошаблона на полученный ранее слой фоторезиста.
Проявление и термообработка фотослоя.
Операция превращения засвеченных участков фотослоя в растворимую соль, с использованием 5%-го раствора гидроокиси калия в качестве проявителя. Последующая термообработка проводится в два этапа:
1-й этап: 30 минут при температуре 90ºС.
2-й этап: 60 минут при температуре 150ºС
Контроль горизонтальных размеров рисунка.
Удаление фоторезиста в смеси неорганических кислот.
Контроль фотолитографии.
Контроль ухода линейных размеров полученного рисунка по отношению к маске.
|
| А
|
035
|
Диффузия бором, I стадия
|
| Б
|
|
Диффузионная печь СДО-125/3-12
|
| О
|
|
При диффузии в качестве источника диффузанта используется ВВrз. Диффузия проводится в две стадии. Первый этап двухстадийной диффузии, для создания поверхностного слоя легирующей примеси повышенной концентрации – источника примеси для второго этапа. Проводится при температуре 960ºС в течение 40 мин.
|
| А
|
040
|
Снятие боросиликатного стекла
|
| Б
|
|
Установка “08 ПХО 100Т-001”
|
| О
|
|
С поверхности кремния удаляется боросиликатное стекло mВ2О3nSiO2. Для травления используется плавиковая кислота HF.
|
| А
|
045
|
Диффузия бором, II стадия
|
| Б
|
|
Диффузионная печь СДО-125/3-12
|
| О
|
|
Разгонка бора и формирование области скрытого слоя. Боковая диффузия составляет 5,2 мкм. Общее увеличение размера рисунка на пластине относительно фотошаблона ∆l=6 мкм. Для разгонки примеси пластины подвергают высокотемпературному нагреву, которым одновременно осуществляется и отжиг. Во время разгонки происходит окисление кремния.
|
| А
|
050
|
Эпитаксия
|
| Б
|
|
Установка эпитаксиального наращивания для индивидуальной обработки подложек – ЕТМ 150/200-0,1
|
| О
|
|
Наращивание на поверхность пластины эпитаксиальной плёнки n-типа толщиной 9 мкм.
|
| А
|
055
|
Окисление
|
| Б
|
|
Диффузионная печь СДО-125/3-12
|
| О
|
|
Операция проводится в потоке хлороводорода для получения пленки двуокиси кремния на поверхности полупроводниковых пластин, которая будет использоваться в качестве маски в процессе диффузии. Толщина получаемого окисла 0,8 мкм.
На ней в процессе второй фотолитографии формируется защитная маска под локальную (разделительную) диффузию бора с целью создания изолирующих областей р-типа. Окисление проводится в потоке кислорода с изменением его влажности в три этапа: сухой — влажный — сухой.
|
| А
|
060
|
Вторая фотолитография
|
| Б
|
|
Установка нанесения фоторезиста НВ-100, линия “Лада-125”
|
| О
|
|
Получение рисунка изолирующих областей.
Подготовка пластин к нанесению фоторезиста.
Обработка пластин в парах трихлорэтилена для улучшения адгезии маски к поверхности пластины, удаления жировых плёнок и других органических соединений.
Нанесение фоторезиста дискретное.
Получение равномерного слоя фоторезиста на поверхности полупроводниковых пластин толщиной 1,1 мкм, с предварительной фильтрацией используемого фоторезиста ФП-383 на установке нанесения НВ-100.
Экспонирование ультрафиолетовым лучом контактное.
Операция переноса изображения с фотошаблона на полученный ранее слой фоторезиста.
Проявление и термообработка фотослоя.
Операция превращения засвеченных участков фотослоя в растворимую соль, с использованием 5%-го раствора гидроокиси калия в качестве проявителя. Последующая термообработка проводится в два этапа:
1-й этап: 30 минут при температуре 90ºС.
2-й этап: 60 минут при температуре 150ºС
Контроль горизонтальных размеров рисунка.
Удаление фоторезиста в смеси неорганических кислот.
Контроль фотолитографии.
Контроль ухода линейных размеров полученного рисунка по отношению к маске.
|
| А
|
065
|
Разделительная диффузия бором, I стадия
|
| Б
|
|
Диффузионная печь СДО-125/3-12
|
| О
|
|
В качестве источника диффузанта используется ВВr3. Диффузия проводится в две стадии.
Первый этап двухстадийной диффузии предназначен для создания поверхностного слоя легирующей примеси повышенной концентрации – источника примеси для второго этапа. Проводится при температуре 940ºС в течение 35 мин.
|
| А
|
070
|
Снятие боросиликатного стекла
|
| Б
|
|
Установка “08 ПХО 100Т-001”
|
| О
|
|
С поверхности кремния удаляется боросиликатное стекло mВ2О3nSiO2. Для травления используется плавиковая кислота HF.
|
| А
|
075
|
Разделительная диффузия бором, II стадия
|
| Б
|
|
Диффузионная печь СДО-125/3-12
|
| О
|
|
В процессе второй стадии диффузии, проводимой, в отличие от первой, в окислительной среде, создается новая пленка SiO2, выполняющая в дальнейшем не только маскирующие, но и защитные функции. После разделительной диффузии образуются диффузионные слои р-типа с сопротивлением 2 ... 12 Ом/□. Второй этап двухстадийной диффузии – перераспределение примеси на определенную глубину (формирование области разделения). Проводится при температуре 1050ºС с одновременным термическим оксидированием в течение 24 мин.
|
| А
|
080
|
Третья фотолитография
|
| Б
|
|
Установка нанесения фоторезиста НВ-100, линия “Лада-125”
|
| О
|
|
Аналогично операции 060.
Используется набор фотошаблонов для получения рисунка базовых областей n-p-n транзисторов, конденсаторов и р-кармана для изготовления резисторов (без снятия ф/р). Увеличение размера на пластине относительно фотошаблона ∆l=0,6 мкм.
Подготовка пластин к нанесению фоторезиста.
Обработка пластин в парах трихлорэтилена для улучшения адгезии маски к поверхности пластины, удаления жировых плёнок и других органических соединений.
Нанесение фоторезиста дискретное.
Получение равномерного слоя фоторезиста на поверхности полупроводниковых пластин толщиной 1,1 мкм, с предварительной фильтрацией используемого фоторезиста ФП-383 на установке нанесения НВ-100.
Экспонирование ультрафиолетовым лучом контактное.
Операция переноса изображения с фотошаблона на полученный ранее слой фоторезиста.
Проявление и термообработка фотослоя.
Операция превращения засвеченных участков фотослоя в растворимую соль, с использованием 5%-го раствора гидроокиси калия в качестве проявителя. Последующая термообработка проводится в два этапа:
1-й этап: 30 минут при температуре 90ºС.
2-й этап: 60 минут при температуре 150ºС
Контроль горизонтальных размеров рисунка.
Удаление фоторезиста в смеси неорганических кислот.
Травление двуокиси кремния.
Удаление пленки окисла из полученных окон для последующего процесса ионной имплантации примеси с помощью буферного травителя: HF : NH4F : H2O=1:3:7
Контроль фотолитографии.
Контроль ухода линейных размеров полученного рисунка по отношению к маске.
|
| А
|
085
|
Химическая обработка
|
| Б
|
|
Автомат химической обработки полупроводниковых пластин АФОП
|
| О
|
|
Операция проводится кипячением в смеси NH4OH : H2О : H2О2 (1:1:1) и промывкой в деонизированной воде.
|
| А
|
090
|
Диффузия бором, I стадия
|
| Б
|
|
Диффузионная печь СДО-125/3-12
|
| О
|
|
Аналогично операции 065.
Для создания транзисторной структуры в качестве источников диффузантов используются ВВг3 и РС13 (или РОС13). Диффузионный процесс получения базовой области проводится также в две стадии.
На первой стадии создается сильно легированный тонкий слой р+-типа с сопротивлением около 90 Ом/. Температура 800ºС, время 52 мин.
|
| А
|
095
|
Снятие боросиликатного стекла
|
| Б
|
|
Установка “08 ПХО 100Т-001”
|
| О
|
|
На этой стадии для удаления боросиликатного стекла используется химическое травление в растворе следующего состава: 10 частей HNO3, 15 частей HF и 300 частей Н2О. Этот раствор с высокой скоростью травит боросиликатное и фосфоросиликатное стекла, практически не разрушая SiO2.
|
| А
|
100
|
Диффузия бором, II стадия
|
| Б
|
|
Диффузионная печь СДО-125/3-12
|
| О
|
|
Вторая стадия диффузии, в процессе которой толщина слоя увеличивается до 1,8... 2,2 мкм, а его удельное сопротивление (в результате перераспределения бора) повышается до 170... 330 Ом/. Поскольку вторая стадия проводится в окислительной среде, на поверхности кремния образуется пленка SiO2 толщиной около 0,4 мкм. Температура 1000ºС, время 255 мин.
|
| А
|
105
|
Четвертая фотолитография
|
| Б
|
|
Установка нанесения фоторезиста НВ-100, линия “Лада-125”
|
| О
|
|
Аналогично операции 060.
Используется набор фотошаблонов для получения рисунка эмиттерных областей транзисторов, а также областей n+ конденсаторов. На ее основе формируется маска для проведения локальной диффузии при создании эмиттерной области. Толщина диффузионного эмиттерного сдоя 1,0...1,4 мкм, удельное сопротивление слоя 3 ... 5 Ом/.
Подготовка пластин к нанесению фоторезиста.
Обработка пластин в парах трихлорэтилена для улучшения адгезии маски к поверхности пластины, удаления жировых плёнок и других органических соединений.
Нанесение фоторезиста дискретное.
Получение равномерного слоя фоторезиста на поверхности полупроводниковых пластин толщиной 1,1 мкм, с предварительной фильтрацией используемого фоторезиста ФП-383 на установке нанесения НВ-100.
Экспонирование ультрафиолетовым лучом контактное.
Операция переноса изображения с фотошаблона на полученный ранее слой фоторезиста.
Проявление и термообработка фотослоя.
Операция превращения засвеченных участков фотослоя в растворимую соль, с использованием 5%-го раствора гидроокиси калия в качестве проявителя. Последующая термообработка проводится в два этапа:
1-й этап: 30 минут при температуре 90ºС.
2-й этап: 60 минут при температуре 150ºС
Контроль горизонтальных размеров рисунка.
Удаление фоторезиста в смеси неорганических кислот.
Травление двуокиси кремния.
Удаление пленки окисла из полученных окон для последующего процесса ионной имплантации примеси с помощью буферного травителя: HF : NH4F : H2O=1:3:7
Контроль фотолитографии.
Контроль ухода линейных размеров полученного рисунка по отношению к маске.
|
| А
|
110
|
Химическая обработка
|
| Б
|
|
Автомат химической обработки полупроводниковых пластин АФОП
|
| О
|
|
Операция проводится кипячением в смеси NH4OH : H2О : H2О2 (1:1:1) и промывкой в деионизированной воде.
|
| А
|
115
|
Диффузия фосфором, I стадия
|
| Б
|
|
Диффузионная печь СДО-125/3-12
|
| О
|
|
Аналогично операции 065.
Для создания транзисторной структуры в качестве источников диффузантов используется РС13. Диффузионный процесс получения эммитерной области проводится также в две стадии.
Первый этап двустадийной диффузии для создания поверхностного слоя повышенной концентрации легирующей примеси – источника примеси для второго этапа. Проводится при температуре 1050ºС в течение 20 мин.
|
| А
|
120
|
Диффузия фосфором, II стадия
|
| Б
|
|
Диффузионная печь СДО-125/3-12
|
| О
|
|
Второй этап диффузии – «разгонка» фосфора. Проводится при температуре 1000ºС с одновременным термическим оксидированием в течение 22 мин.
|
| А
|
125
|
Пятая фотолитография
|
| Б
|
|
Установка нанесения фоторезиста НВ-100, линия “Лада-125”
|
| О
|
|
Вскрытие контактных окон к соответствующим диффузионным областям.
Подготовка пластин к нанесению фоторезиста.
Обработка пластин в парах трихлорэтилена для улучшения адгезии маски к поверхности пластины, удаления жировых плёнок и других органических соединений.
Нанесение фоторезиста дискретное.
Получение равномерного слоя фоторезиста на поверхности полупроводниковых пластин толщиной 1,1 мкм, с предварительной фильтрацией используемого фоторезиста ФП-383 на установке нанесения НВ-100.
Экспонирование ультрафиолетовым лучом контактное.
Операция переноса изображения с фотошаблона на полученный ранее слой фоторезиста.
Проявление и термообработка фотослоя.
Операция превращения засвеченных участков фотослоя в растворимую соль, с использованием 5%-го раствора гидроокиси калия в качестве проявителя. Последующая термообработка проводится в два этапа:
1-й этап: 30 минут при температуре 90ºС.
2-й этап: 60 минут при температуре 150ºС
Контроль горизонтальных размеров рисунка.
Удаление фоторезиста в смеси неорганических кислот.
Травление двуокиси кремния.
Удаление пленки окисла из полученных окон для последующего процесса ионной имплантации примеси с помощью буферного травителя: HF : NH4F : H2O=1:3:7
Контроль фотолитографии.
Контроль ухода линейных размеров полученного рисунка по отношению к маске, произвести по виду А.
|
| А
|
130
|
Химическая обработка
|
| Б
|
|
Автомат химической обработки полупроводниковых пластин АФОП
|
| О
|
|
Операция проводится кипячением в смеси NH4OH : H2О : H2О2 (1:1:1) и промывкой в деионизированной воде.
|
| А
|
135
|
Напыление алюминия
|
| Б
|
|
Установка “Магна 2М”
|
| О
|
|
Электрическая разводка создается напылением алюминия.
Проводится за счет приложения магнитного поля, с помощью Установки “Магна 2М”. Толщина слоя алюминия 1,2±0,1 мкм.
|
| А
|
140
|
Шестая фотолитография
|
| Б
|
|
Установка нанесения фоторезиста НВ-100, линия “Лада-125”
|
| О
|
|
Фотолитография по пленке алюминия для создания рисунка разводки и контактных площадок.
Подготовка пластин к нанесению фоторезиста.
Обработка пластин в парах трихлорэтилена для улучшения адгезии маски к поверхности пластины, удаления жировых плёнок и других органических соединений.
Нанесение фоторезиста дискретное.
Получение равномерного слоя фоторезиста на поверхности алюминия полупроводниковых пластин толщиной 1,1 мкм, с предварительной фильтрацией используемого фоторезиста ФП-383 на установке нанесения НВ-100.
Экспонирование ультрафиолетовым лучом контактное.
Операция переноса изображения с фотошаблона на полученный ранее слой фоторезиста.
Проявление и термообработка фотослоя.
Операция превращения засвеченных участков фотослоя в растворимую соль, с использованием 5%-го раствора гидроокиси калия в качестве проявителя. Последующая термообработка проводится в два этапа:
1-й этап: 30 минут при температуре 90ºС.
2-й этап: 60 минут при температуре 150ºС
Контроль горизонтальных размеров рисунка.
Удаление фоторезиста в смеси органических кислот.
Травление алюминия.
Контроль фотолитографии.
Контроль ухода линейных размеров полученного рисунка по отношению к маске, произвести по виду Б.
|
| А
|
145
|
Пассивация
|
| Б
|
|
Вертикальный реактор с инфракрасным нагревателем установки осаждения УО-15.
|
| О
|
|
Осаждение низкотемпературной пленки двуокиси кремния на всю поверхность полупроводниковой пластины. Операция проводится в среде азота при температуре 475ºС для растворения тонкой пленки двуокиси кремния.
|
| А
|
150
|
Седьмая фотолитография
|
| Б
|
|
Установка нанесения фоторезиста НВ-100, линия “Лада-125”
|
| О
|
|
Фотолитография по пленке защитного диэлектрика для вскрытия окон к контактным площадкам.
Подготовка пластин к нанесению фоторезиста.
Обработка пластин в парах трихлорэтилена для улучшения адгезии маски к поверхности пластины, удаления жировых плёнок и других органических соединений.
Нанесение фоторезиста дискретное.
Получение равномерного слоя фоторезиста на поверхности алюминия полупроводниковых пластин толщиной 1,1 мкм, с предварительной фильтрацией используемого фоторезиста ФП-383 на установке нанесения НВ-100.
Экспонирование ультрафиолетовым лучом контактное.
Операция переноса изображения с фотошаблона на полученный ранее слой фоторезиста.
Проявление и термообработка фотослоя.
Операция превращения засвеченных участков фотослоя в растворимую соль, с использованием 5%-го раствора гидроокиси калия в качестве проявителя. Последующая термообработка проводится в два этапа:
1-й этап: 30 минут при температуре 90ºС.
2-й этап: 60 минут при температуре 150ºС
Контроль горизонтальных размеров рисунка.
Удаление фоторезиста в смеси органических кислот.
Травление пленки двуокиси кремния.
Контроль фотолитографии.
Контроль ухода линейных размеров полученного рисунка по отношению к маске, произвести по виду А.
|
| А
|
155
|
Контроль электрических параметров микросхемы.
|
| Б
|
|
Установки: система измерительная Н2001 (“Интеграл”); зонд измерительный ОМ6010;
|
| О
|
|
Настроить зонд по расположению контактных площадок на кристалле.
Провести контроль токов I5=15 мА, I13 =10 мА и напряжений U5=4±0,5 B, U13=15±0,5 B на 5й и 13й контактных площадках соответственно.
В случае если параметры кристалла не соответствуют нормам, он закапывается специальными магнитными чернилами.
|
| А
|
160
|
Скрайбирование
|
| Б
|
|
Установка скрайбирования «ЭМ-210», микроскоп «ММУ-3», полуавтомат «ПЛП-3».
|
| О
|
|
Для разделения пластин на кристалы используется лазерное скрайбирование, для данного метода необходим твердотельный лазер (оптический квантовый генератор ОКГ) активный элемент которого, выполнен из алюминиевого граната с примесью неодима (АИГ:Nd), а длина волны составляет 1,06 мкм.
На пластины наносят на центрифуге защитное покрытие для предохранения структур от повреждения.
Пластины закрепляют вакуумным прижимом на столе установке
Проводят скрайбирование, Скорость скрайбирования в
пределах от 100 до 200 мм /сек. Скрайбирование целесообразно производить на установке ЭМ-210, позволяющей скрайбировать пластины диаметром 100 мм и толщиной 460 мкм за 3 прохода при скорости скрайбирования 120 мм/сек и глубине 100 мкм /проход
Контроль качества скрайбирования производится при помощи микроскопа ММУ-3.
Осуществляют разламывание пластин на кристаллы, на полуавтомате ПЛП-3. При этом необходимо соблюдать следующие режимы: сила нажатия на пластины должна быть в пределах от 100 до 1500 Н, а скорость движения ленты с пластиной порядка 40 мм/сек.
|
| А
|
165
|
Контроль
|
| Б
|
|
Микроскоп «ММУ-3»
|
| О
|
|
Контроль кристаллов производится при помощи микроскопа ММУ-3.
Кристаллы, закапанные магнитными чернилами удалить.
|
| А
|
170
|
Сборка
|
| Б
|
|
Установка термокомпрессионной сварки «ЭМ-439М»
|
| О
|
|
Кристалл крепить к ситалловой подложке клеем ВК-32-200.
Положку с кристаллом крепить к выводной рамке клеем ВК-32-200.
Разваривать выводы кристалла с помощью алюминиевой проволоки к выводной рамке методом термокомпресии.
|
| А
|
175
|
Маркировка
|
| Б
|
|
Маркировочный стол
|
| О
|
|
Маркировать серийный номер микросхемы краской
|
Биполярные микросхемы с изоляцией р-п переходом
Структура биполярного транзистора микросхемы рассмотрена на рис.15. Схема технологического процесса представлена в графической части (лист – 3).

Рис.15. Упрощенная структура кристалла
Заключение
В данной работе произведен анализ функционирования ИМС, рассчитаны элементы схемы и разработаны топология кристалла и конструкция микросхемы, что позволяет изготовить рабочие фотошаблоны.
Разработан технологический процесс изготовления кристалла. При разработке технологического процесса большое внимание обращалось на безопасность труда и уменьшение влияния техпроцессов на окружающую среду.
Список литературы
Коледов Л.А. - Конструирование и технология микросхем.М.: Высшая школа, 1984.
А.В. Нефедов, В.И. Гордеева – Отечественные полупроводниковые приборы и их зарубежные аналогии, М.: Радио и связь, 1990.
Пономарев М.Ф. « Конструкция и расчет микросхем и микроэлементов ЭВА» М: Радио и связь, 1982г.
Агахонян Г.М. « Интегральные микросхемы » М: Энергоатомиздат, 1983г.
Коледов Л.А. «Технология и конструкции микросхем, микропроцессоров и микросборок» М: Радио и связь, 1989г.
|