Практическая работа № 7
1. Тема: Ознакомление с устройством, расположением и креплением системы питания дизелей.
2. Цель работы: Ознакомление с устройством элементов системы питания, их расположением и креплением на двигателе.
3. Конструкция элементов:
3.1. Топливные баки
Топливные баки служат для хранения на автомобиле или тракторе дизельного топлива и обладают емкостью, обеспечивающей работу дизеля с нагрузкой в течение 10—12 ч.
3.2. Топливные фильтры
Топливные фильтры предназначены для очистки топлива от механических примесей в воды. Топливо очищается в фильтрах грубой и тонкой очистки.
Фильтр грубей очистки очищает топливо от крупных частиц (40-80 мкм) механических примесей. Он включается в систему питания между баком и топливоподкачивающим насосом. Фильтр грубой очистки состоит из корпуса, крышки, фильтрующего элемента и крана для слива отстоя. Фильтрующий элемент состоит из сетчатого металлического каркаса с навитым на него ворсистым хлопчатобумажным шнуром. Правильность установки фильтрующего элемента обеспечивается розеткой. Между корпусом и крышкой установлена прокладка.
Топливо, поступающее в корпус фильтра, проходит между витками хлопчатобумажного шнура, оставляя на его ворсинках механические примеси. Очищенное топливо поступает во внутреннюю полость фильтрующего элемента и далее в отводящий топливопровод.
Фильтры тонкой очистки обеспечивают очистку топлива от механических частиц небольшого размера (4-6 мкм). Их включают в систему питания между топливоподкачивающим насосом и насосом высокого давления. Фильтрующие элементы фильтров тонкой очистка устанавливаемых на автотракторных дизелях, изготовляют из хлопчатобумажной нити или минеральной шерсти.
3.3. Топливоподкачивающие насосы
Топливоподкачивающие насосы предназначены, для непрерывной подачи топлива из бака в насос высокого давления под постоянным избыточным давлением (0,1 -03 МПа). Топливоподкачивающие насосы, применяемые на дизелях, по конструкции делят на поршневые шестеренчатые и коловратные. В автотракторных дизелях широко применяют поршневые насосы, которые устанавливают на корпус топливного насоса высокого давления и приводят в действие от его кулачкового вала. Топливоподкачивающий насос состоит из корпуса, поршня с пружиной, роликового толкателя со штоком и пружиной, всасывающего и нагнетательного клапанов с пружинами и пробок. Нагнетательный клапан центрируется в пробке. Над всасывающим клапаном расположен насос для ручной прокачки топлива, имеющий отверстие для, центрирования всасывающего клапана. Насос ручной прокачки топлива служит для заполнения системы питания при пуске дизеля. Он состоит из цилиндра с крышкой. В цилиндре движется поршень со штоком и рукояткой. На две цилиндра имеется уплотнительное кольцо, которое зажимается при взвинчивании рукоятки штока на крышку цилиндра. Топливо в насос подводится по каналу, а отводится по топливливопроводу. Топливоподкачивающий насос работает следующим образом. Во время работы дизеля эксцентрик кулачкового вала насос высокого давления, набегая на ролик толкателя, перемещает его и поршень вверх. В результате над поршнем давление повышаете под поршнем создается разрежение. Под действием давления клапан закрывается, а нагнетательный открывается и топливо по каналу из полости А протекает в полость Б. При дальнейшем вращении эксцентрика роликовый толкатель освобождается от его действия и пружина перемещает поршень вниз. Во время перемещения поршня вниз в полости А создается разрежение, а в полости Б повышается давление, всасывающий клапан открывается, и топливо по каналу поступает в полость А Одновременно с этим клапан закрываете» и топливо из полости Б нагнетается по каналу в топливопровод, ведущий к фильтру тонкой очистки. Если давление за насосом превышает давление, создаваемое пружиной, то перемещение поршня может прекратиться, следовательно, прекратится и подача топлива. Просочившееся топливо по зазору межу штоком я корпусом собирается в кольцевую канавку и сливается наружу через отверстие.
3.4.
Топливопроводы.
Топливопроводы, соединяющие отдельные элементы системы, делят на топливопроводы высокого и низкого давления. Топливопроводы высокого давления соединяют топливный насос с форсунками. Их изготовляют из цельнотянутых стальных труб с внутренним диаметром 1,5-2,5 мм и толщиной стенок 2,5-3 мм. Топливопроводы высокого
соединяются со штуцерами насоса к форсунок с помощью накидной гайки, колечка ж высаженного на конце топливопровода конуса.
Топливопроводы низкого давления соединяют между собой остальные элементы топливной системы. Их изготовляют из цельнотянутых стальных или медных труб с внутренним диаметром 6-10 мм и толщиной стенок 1,0-1,5 мм. Топливопроводы низкого давления соединяются с элементами системы с помощью штуцеров и накидныхгаек.
3.5. Воздухоочиститель
Воздухоочиститель предназначен для очистки воздуха, поступающего в цилиндры дизеля. На дизелях, как и в карбюраторных двигателях, применяют комбинированные воздухоочистители (масляно-инерционные) с двумя ступенями очистки.
3.6. Впускные трубопроводы
Впускные трубопроводы предназначены для распределения воздуха по цилиндрам двигателя. Их отливают чугуна и снабжают патрубками для крепления воздухоочистителя
Впускные трубопроводы выполняют с плавными обводами, без резких изменений сечений и существенных изменений направления потока воздуха, что обеспечивает меньшее сопротивление впуску.
3.7. Выпускные трубопроводы
Впускные трубопроводы предназначены для отвода отработавших газов из цилиндров двигателя. Их отпивают из чугуна, они имеют фланец для крепления выхлопного трубопровода, идущего к глушителю.
3.8. Топливные насосы высокого давления.
Топливный насос предназначен для подачи под давлением к форсунке каждого дизеля, в момент, обеспечивающий хорошие условия смесеобразования и сгорания. В автотракторных дизелях наиболее распространены топливные насосы золотникового типа с постоянным ходом плунжера. В этих насосах количество подаваемого топлива регулируют поворотом плунжера.
В качестве примера рассмотрим конструкцию и принцип действия топливного насоса 4ТН9ХЮ (четырехплунжерный топливный насос с диаметром плунжера 9 мми ходом плунжера 10 мм).
Устройство насоса. Он состоит из корпуса, кулачкового вала, головки, четырех секций насоса и механизма регулирования количества додаваемого топлива.
Корпус представляет собой отпитую из чугуна коробку, к которой крепят головку с помощью болтов и в которой размещают узлы и детали насоса. Корпус внутри имеет горизонтальную перегородку, которая делит его на верхнюю и нижнюю полости. В верхней полости размещены механизм регулирования количества подаваемого топлива и выступающие из головки части плунжерных пар, а в нижней — кулачковый вал. В горизонтальной перегородке имеются четыре отверстая, в которых установлены толкатели. С правой стороны корпуса имеется для установки топливоподкачивающего насоса. К заднему торцу корпуса крепят регулятор частоты вращения, а к переднему торцу — плиту и установочный фланец.
Кулачковый вал служит для периодического перемещения плунжеров из нижнего положения в верхнее. Вал установлен на шариковых подшипниках. Он имеет четыре кулачка тангенциального профиля и эксцентрик для привода в действие топливоподкачивающего насоса, Вал приводится во вращение от шестерни, установленной на фланец. Шестерня соединяется с валом с помощью шлицевой втулки, которая насажена на его конический хвостовик. На конце вала со стороны регулятора закреплена шестерня, с помощью которой приводится во вращение механизм регулятора. Кулачковый вал у четырехтактных дизелей вращается в два раза медленнее коленчатого вала. Вал изготовляют штамповкой из углеродистой стали.
Головка представляет собой фасонную отливку из чугуна, в которой размещены детали секций насоса, два продольных каната, соединенных между собой поперечным каналом, и шариковый перепускной клапан. Топливо из фильтра тонкой очистки поступает к канал, а из него - в канал.
Головка насоса соединена с корпусом шпильками. Секция насоса состоит из гильзы, плунжера, пружины плунжера, нагнетательного клапана с седлом и пружиной, штуцера, толкателя с роликом и регулировочным болтом.
Гильза представляет собой цилиндр, в верхней утолщенной части которого расположены два сквозных отверстия: верхнее— впускное и нижнее — перепускное. Впускное отверстие каждой гильзы соединено, с каналом, а перепускное — с каналом. Гильзу устанавливают в головке насоса в определенном положении и фиксируют от проворачивания установочным винтом.

|
Плунжер предназначен для подачи топлива под давлением к форсунке и является золотником для регулирования количества подаваемого топлива соответственно нагрузке дизеля. В верхней части плунжер имеет кольцевую выточку и вертикальный паз, имеющий с одной стороны спиральную отсечную кромку для регулирования количества подаваемого плунжером топлива. Головка плунжера имеет центральное вертикальное и радиальное отверстия. На цилиндрической части плунжера предусмотрена кольцевая выточка для распределения смазки по трущимся поверхностям плунжера и гильзы. В нижней части плунжера имеется выступ, на который устанавливают тарелку плунжера. На конце плунжера напрессован поводок. Плунжер перемещается в гильзе, как поршень в цилиндре. Нагнетательный клапан служит для периодического разобщения внутренней полости топливопровода высокого давления с надплунжерным пространством. Клапан имеет коническую запорную фаску, цилиндрический разгрузочный поясок и хвостовик с продольными пазами. Седло клапана, установленное на торец гильзы, прижимается к ней с помощью штуцера, ввертываемого в головку насоса. Гильза, плунжер, нагнетательный клапан и седло клапана изготовляют из легированной стали.
Толкатель служит для передачи движения от кулачкового вала к плунжеру. Он представляет собой тонкостенный стальной стакан. Сверху в толкатель ввернут регулировочный болт с контргайкой. В нижней части корпуса толкателя запрессована ось ролика.
Механизм регулирования количества подаваемого топлива предназначен для увеличения или уменьшения количества топлива, подаваемого в цилиндры, при изменении
режима работы дизеля. Механизм состоит из рейки, на которой стяжными болтами закреплены хомутики и скобы. В пазы хомутиков входят поводки плунжеров. Рейка с помощью скобы связана с регулятором частоты вращения. Трущиеся поверхности подвижных деталей топливного насоса, кроме гильзы и плунжера, смазываются дизельным маслом которое находится в нижней полости корпуса насоса. Поверхности гильзы и плунжера смазываются дизельным топливом.
Принцип действия топливного насоса. Рабочий цикл насоса состоит из трех процессов; наполнение, нагнетание и перепуск.
Наполнение. Плунжер под действием пружины перемещается вниз. При этом впускное отверстие открывается и топливо под давлением, создаваемым топливом подкачивающим насосом, из канала поступает в надплунжерное пространство, заполняя его.
Нагнетание. При набегании кулачка вала на ролик толкателя плунжер поднимается. В начальный период подъема плунжера часть топлива перетекает из гильзы через впускное отверстие в канал. После того как верхняя кромка плунжера перекроет впускное отверстие, давление топлива в надплунжерном пространстве повышается. Под действием давления топлива нагнетательный клапан, преодолевая сопротивление пружины, откроется, и топливо по топливопроводу высокого давления поступит к форсунке.
Перепуск топлива. При дальнейшем перемещении плунжера вверх наступит момент, когда отсечная кромка откроет перепускное отверстие и топливо из надплунжерногопространства через отверстия и паз перетекает в канал. Давление топлива в надплунжерном пространстве падает, и нагнетательный клапан под действием пружины садится на своё седло, разобщая надплунжерное пространство с внутренней полостью топливопровода высокого давления. Подача топлива к форсунке прекращается, несмотря на продолжающееся движение плунжера вверх. При опускании нагнетательного клапана в седло цилиндрический разгрузочный поясок, действуя как плунжер, отсасывает из топливопровода высокого давления некоторое количество топлива. В результате давление топлива в топливопроводе высокого давления резко падает, и форсунка мгновенно прекращает подачу топлива в цилиндр дизеля.
Количество подаваемого топлива регулируют изменением полезного хода плунжера, т. е. хода, в течение которого происходят подача топлива к форсунке. Изменение полезного хода плунжера достигается поворотом его вокруг продольной оси. Плунжер поворачивается с помощью рейки и хомутиков, в пазы которых входят поводки плунжеров. При перемещении рейки вдоль оси хомутики поворачивают плунжеры в гильзах. Перемещение рейки вперед (по направлению к проводу насоса) увеличивает подачу топлива, а перемещение рейки назад уменьшает подачу его.
Начало подачи топлива секцией насоса по углу поворота коленчатого вала (угла начала подачи) регулируют изменением длины толкателя с помощью регулировочного болта. При вывертывании болта из толкателя топливо начинает раньше подаваться к форсунке, т. е. угол опережения подачи топлива возрастает, а при завертывании болта топливо начинает позднее поступать к форсунке, т. е. угол опережения подачи топлива уменьшается.
Для изменения угла опережения впрыска топлива в зависимости от частоты вращения коленчатого вала в автомобильных дизелях устанавливают на переднем конце кулачкового вала насоса высокого давления автоматическую муфту опережения впрыска топлива- Муфта изменяет момент впрыска топлива за счет дополнительного поворота кулачкового вала насоса во время в ту или другую сторону относительно вала привода насоса.
3.9. Форсунки
Форсунка предназначена для впрыска топлива в камеру сгорания и распыливания его на мелкие частицы. Форсунки, применяемые на дизелях, разделяют на закрытые и открытые. Закрытымитыми называют такие форсунки, у которых топливопровод высокого давления в период между впрысками топлива разобщен с камерой сгорания специальной задорной иглой.
Управление иглой в форсунках осуществляется механическим яла гидравлическим приводом. В автотракторных дизелях широко распространены форсунки с гидравлическим управлением (под действием давления топлива). Закрытые форсунки в зависимости от способа смесеобразования имеют различную конструкцию распиливающего устройства.
По конструкции распылители бывают игольчатые с одним или несколькими сопловыми отверстиями и штифтовые с одним сопловым отверстием я коническим или цилиндрическим штифтом на конце иглы. Игольчатые распылители с несколькими сопловым отверстиями (4 -10) применяют, как правило, в дизелях с неразделенными камерами сгорания. Штифтовые распылители, как и игольчато распылители с одним сопловым отверстием, обычно применяют в дизелях с раз деленными камерами сгорания.
В качестве примера рассмотрим конструкцию и принцип действия закрытой штифтовой форсунки с гидравлическим управлением иглой. Форсунка состоит из сильного корпуса, к которому гайкой крепится распылитель с запорной иглой. Игла запорным конусом прижимается к коническому седлу в распылителе посредством пружины и штанга- На нижнем конце иглы имеется конический штифт, который выступает из соплового отверстая. Нижний торец пружины упирается в тарелку штанги, а верхний — в тарелку регулировочного винта, который ввернут в гайку, завернутую до упора в корпус форсунки. Положение регулировочного винта фиксируется контргайкой. Регулировочный винт сверху. Закрывается колпаком, навернутым на гайку. Колпак уплотняется с корпусом с помощью медной прокладки. Распылитель и иглу затопляют из легированной стали и подвергают термической обработке. Чтобы обеспечить требуемую герметичность в прецизионной паре распылитель — игла, их трущиеся поверхности протирают друг к другу. Замена деталей в пере не разрешается. При работе двигателя топливо из насоса по топливопроводу высокого давления, присоединенному накидной гайкой к корпусу, поступает через каналы в корпусе кольцевую канавку и канал в распылителе в полость.

|
При нагнетательном ходе плунжера давление топлива в полости возрастает. Это давление передается на коническую поверхность иглы. В момент, когда давление топлива на иглу преодолевает усилие пружины, игла распылителя приподнимается и топливо впрыскивается в камеру сгорании через узкую кольцевую щель между сопловым отверстием распылителя и штифтом иглы. Топливо под большим давлением, проходя через кольцевую щель, приобретает большую скорость и распиливается па мелкие истицы. Штифт придает струе распыленного топлива форду конуса, что обеспечивает хорошее смесеобразование. После окончания подачи топлива насосом давление в полости упадет, и игла под действием пружины прижимается конусом к седлу, разобщая полость я камеру сгорания.
Несмотря на, герметичность прецизионной пары распылитель - игла, небольшое количество топлива прорывается через зазор между деталями пары. Просочившееся топливо
поступает в сливную трубку через отверстие в гайке и сверленый болт.
Форсунку крепят к головке цилиндров с помощью двух шпилек. При установке форсунки для лучшего уплотнения под гайку устанавливают медную прокладку.
Открытыми называют такие форсунки, у которых отсутствует запорное устройство
между трубопроводом высокого давления и камерой сгорания. Открытые форсунки по сравнен с закрытыми имеют ряд существенных недостатков: подтекание топлива через сопловое отверстие из-за недостатка четкого начала и конца впрыска топлива; плохое распиливание топлива при малой частоте вращения коленчатого вала вследствие резкого уменьшения давления впрыска. Из-за указанных недостатков открытые форсунки на дизелях применяются редко.
3.10. Регуляторы частоты вращения
В процессе эксплуатации автотракторные дизели работают с переменными нагрузками. Изменение нагрузки на дизель вызывает изменение частоты вращения коленчатого вала (скоростного режима).
Работа дизеля с непрерывно меняющимся скоростным режимом приводит к повышенным износам его деталей и снижению экономических показателей. Поэтому для поддержания заданного скоростного режима работы дизеля необходимо с изменением нагрузки изменять подачу топлива. При увеличении нагрузки частота вращения коленчатого вала уменьшается, поэтому подачу топлива необходимо увеличить, иначе дизель может остановиться. С уменьшением нагрузки частота вращения увеличивается, поэтому подачу топлива следует уменьшить, иначе частота вращения еще более увеличится и может произойти разнос дизеля.
Изменение подачи топлива в цилиндры дизеля при изменении нагрузки осуществляется специальным механизмом — регулятором частоты вращения, который автоматически поддерживает заданный скоростной режим при изменяющейся нагрузке. На автотракторных двигателях устанавливают центробежные регуляторы, которые по принципу действия делят на одно-, двух- и всежимные.
Однорежимные регуляторы поддерживают только один скоростной режим работы двигателя. Их применяют на карбюраторных пусковых двигателях. Двухрежимные регуляторы ограничивают максимальную частоту вращения коленчатого вала и обеспечивают устойчивую работу на минимальных оборотах холостого хода. Их применяют на двухтактных дизелях.

|
Всережимные регуляторы обеспечивают устойчивую работу двигателя на всех скоростных режимах, начиная от холостого хода и кончая максимальной частотой сращения коленчатого вала. Их широко применяют на автотракторных дизелях (ЯМЗ-236, ЯМЗ-238, СМД-14,Д-108 и др.). В качестве примера рассмотрим конструкцию и принцип действия центробежного всережимного регулятора. Регулятор размещен в корпусе, прикрепленном болтами к топливному насосу высокого давления. В корпусе расположен вал регулятора на двух шарикоподшипниках. Вал приводятся во вращение от кулачкового вала топливного насоса посредством шестерен. На валу установлена державка, на которой кренятся грузы и муфта с упорным подшипником. При вращении вала грузы расходятся под действием центробежных сил, отжимают муфту, которая через подшипник и ось пяты поворачивает рычаг. Рычаг расположен на общей оси с двуплечим рычагом и находится под действием пружины, которая одним концом закреплена на рычаге, а другим — на рычаге 12. На ось пяты надет рычаг рейки, один конец которой соединен с кулисой, а другой тягой — с рейкой топливного насоса.

|
Принцип действия регулятора. Если нагрузка на двигатель уменьшается, а подача топлива в цилиндры остается неизменной, то частота вращения коленчатого вала, а следовательно, и вала топливного насоса увеличивается. Под действием центробежной силы грузы расходятся в стороны и перемещают муфту вместе с пятой вправо, вызывая поворот рычага, управляющего рейкой насоса, по часовой стрелке. Рейка выдвигается аз корпуса уменьшая подачу топлива. С перемещением пяты вправо поворачивается рычаг. При этом пружина растягивается и сопротивление перемещению рычага увеличивается. Уравновешивание действия силы пружины и центробежной силы грузов на рычаг прекращает дальнейшее перемещение рычажной системы, и рейка насоса, заняв определенное положение, позволяет поддерживать постоянную частоту вращения вала двигателя.
Если нагрузка на двигатель увеличивается при неизменной подаче топлива, то частота вращения коленчатого вала, а следовательно, и центробежная сила, действующая на грузы, уменьшаются. При снижении частоты вращения пружина преодолевает сопротивление грузов и поворачивает рычаг по часовой стрелке. Рычаг перемещает пяту и муфту влево. С перемещением муфты рычаг поворачивается против часовой стрелки, а рейка вдвигается в корпус насоса, увеличивая подачу топлива.
Необходимый скоростной режим работы двигателя устанавливается рычагом, связанным тягами с педалью управления топливным насосом в кабине водителя. При нажатии на педаль рычаг поворачивается на некоторый угол влево, натяжение пружины увеличивается, и рейка под действием пружины перемещается в сторону увеличения подачи. Частота вращения коленчатого вала двигателя при этом увеличивается до тех пор, пока центробежная сила груздков не уравновесит силу натяжения пружины. Для полного прекращения подачи топлива и остановки двигателя рычаг выключения подачи опускают вниз. При этом кулиса перемещает рычаг в крайнее правое положение и рейха полностью выдвигается из корпуса насоса и подача топлива прекращается. Резкое изменение подачи топлива предотвращается буферной пружиной и корректором. Минимальная и максимальная частоты вращения регулируются соответственно болтами.

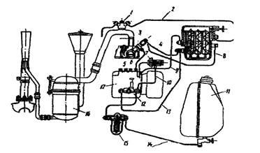
1-предпусковой подогреватель;
2,9,10,13,14-топливопровод низкого давления;
3-форсунки;
4-трубка слива топлива;
5-камера сгорания;
6-топливопровод высокого давления;
7-перепускной клапан;
8-фильтр;
11-бак;
12-подкачивающий насос;
15-фильтр грубой очистки;
16-воздухоочиститель;
17-насос.
4.Вывод:
Ознакомился с устройством элементов системы питания дизелей, их расположением и креплением на двигателе.
|