Учня 11-А класу Безпечного Петра Лабораторний практикум №1
Одержання зображень за допомогою лінзи. Визначення її фокусної відстані і оптичної сили.
Мета: навчитися отримувати зображення за допомогою збиральної лінзи. Визначити оптичну силу і фокусну відстань.
Обладнання: збиральна лінза на підставці, свічка, екран, лінійка, джерело струму, ключ.
Хід роботи:
f
-
відстань від лінзи до зображення;
d
-
відстань від предмета до лінзи;
d = 24 см
f = 6 см
Таблиця
№
|
d
м
|
f
м
|
F
м
|
D
дптр
|
Вид
зображення
|
1
|
0,24
|
0,06
|
0,048
|
20,83
|
Зменшене
|
Зробіть схематичне зображення досліду в масштабі який ви обрали.
Контрольні запитання:
1.
Чи можна за допомогою куска льоду запалити сірник?
2.
Коли опукла лінза дає збільшене зображення?
3.
За допомогою лінзи дістати чітке збільшене зображення. Як воно зміниться якщо поміняти місцями екран та свічку?
4.
Де необхідно розмістити свічку, щоб на екрані зображення було такого самого розміру як свічка?
Відповіді:
1.
Так, за допомогою куска льоду можна запалити сірник, якщо використовувати його як лінзу.
2.
Опукла (збиральна) лінза дає збільшене якщо предмет розмістити між фокусом та подвійним фокусом.
3.
Якщо поміняти місцями свічку і екран зображення зменшиться.
4.
Щоб отримати зображення такого самого розміру як предмет потрібно розмістити предмет на відстані від лінзи рівній подвійному фокусі.
Висновок: протягом цього практикуму ми обчислили оптичну силу та фокусну відстань даної лінзи, схематично зобразили проведений дослід.
Лабораторний практикум №2
Визначення принципу дії телефонного зв’язку
Мета: ознайомитися з принципом роботи і будовою телефонів.
Обладнання: Демонстраційний пристрій для демонстрування азбуки Морзе, телефон.
Хід роботи:
1.
Історія виникнення телефонного зв’язку.
2.
Ознайомимося з будовою пристрою для передавання повідомлень за допомогою азбуки Морзе
Будова пристрою для прийому повідомлень азбуки Морзе: реле, пишучий пристрій, контакти, паперова стрічка.
Схема:
Ознайомимося з будовою телефонного апарату. Телефонний апарат складається з двох елементів: слухавки та корпусу. В слухавці містяться мікрофон та динамік, а в корпусі пристрій для набору інформації.
Висновок: ми ознайомилися з будовою телефону. Вивчили будову схеми пристрою для передавання азбуки Морзе. Розглянули історію створення телефонного зв’язку.
Лабораторний практикум №3
Вимірювання електроємності конденсатора
Мета: вивчити будову та принцип роботи конденсатора.
Обладнання: набір конденсаторів, джерело електроживлення, перемикач, провідники.
Теоретичні відомості:
Конденсатор це прилад який дозволяє у малій ділянці простору накопичити великий заряді складається з двох близько розташованих провідників відокремлених шаром діелектрика.

Схематичне зображення конденсатора:
Схема:
Таблиця
№
|
С
мФ
|
n
число поділок
|
k
|
k
|
1
|
0
,
5
|
5
|
0,1
|
0,11
|
2
|
1
|
9
|
0,11
|
0,11
|
3
|
1,2
|
10
|
0,12
|
0,11
|
 
Контрольні запитання:
1.
Фізичний зміст коефіцієнта
k
2.
Приведіть приклади практичного застосування конденсаторів.
Відповіді:
1.
k
- коефіцієнт пропорційності, який являє собою електроємність що відповідає одній поділці гальванометра.
2.
Конденсатори широко застосовуються в електро- і радіотехніці.
Висновок: на цій лабораторній роботі ми розглянули різні види конденсаторів, їхню будову та властивості.
Лабораторний практикум №4
Вивчення роботи і будови трансформаторів. Вимірювання коефіцієнта трансформації.
Мета: ознайомитися з будовою і роботою трансформатора і визначення коефіцієнта трансформації.
Обладнання: ампервольтметр, реостат, вимикач, трансформатор лабораторний, провідники.
Теоретичні відомості:
Трансформатор – пристрій, який перетворює змінний струм однієї напруги у змінний струм іншої напруги при незмінній частоті.
Будова трансформатора: замкнене осердя, яке виготовляється з листової трансформаторної сталі, на якому розташовані дві котушки (обмотки).
Схема:
Обмотка, яка підключається до джерела називається первинною, а до споживача вторинною.
k
>1 –
знижувальний
k
<1 -
підвищувальний
Таблиця:
№
|
U
В
|
U
В
|
k
|
1
|
45
|
30
|
1
,
5
|
2
|
9
|
7
|
1,4
|
Контрольні запитання:
1.
Який трансформатор називається підвищувальним, а який знижувальний?
2.
Чи змінює трансформатор частоту перетворювального струму?
Відповіді:
1
. Підвищувальним називається трансформатор в якому
число витків в первинній котушці менше, ніж у вторинній, і навпаки.
2.
Трансформатор не змінює частоту перетворювального струму.
Висновок: ми ознайомилися з будовою і роботою трансформатора і визначили коефіцієнт трансформації.
Лабораторний практикум №5
Вимірювання прискорення вільного падіння за допомогою маятника
Мета: визначити прискорення вільного падіння в даному місці Землі за допомогою математичного маятника.
Обладнання: штатив з муфтою і кільцем, кулька, нитка, вимірювальна стрічка годинник з секундною стрілкою.
Теоретичні данні:
Математичний маятник — це система, яка складається з матеріальної точки, підвішеній на невагомій, нерозтяжній нитці.
№
|
l
м
|
n
|
t
с
|
g
|
|
1
|
0,75
|
26
|
42
|
11,27
|
11,23
|
2
|
0,45
|
20
|
25
|
11,36
|
11,23
|
3
|
1,2
|
15
|
34
|
11,05
|
11,23
|
Таблиця:
Контрольні запитання:
1.
Від
яких величин і як залежить значення
g
?
2.
Як залежить період коливань від маси?
3.
Що називається математичним маятником?
4.
Відповіді:
1.
Прискорення вільного падіння залежить, в даному випадку, від довжини нитки та періоду коливань.
2.
Період коливань не залежить від маси тягарця.
3.
Математичний маятник — це система, яка складається з матеріальної точки, підвішеній на невагомій, нерозтяжній нитці.
4.
Відповідь: прискорення вільного падіння, в даному місці, дорівнює .
Висновок: протягом лабораторної роботи ми визначили прискорення вільного падіння в нашій місцевості за допомогою математичного маятника.
Лабораторний практикум №6
Визначення показника заломлення скла
Мета: користуючись скляною пластинкою з паралельними гранями, визначити показник заломлення скла.
Обладнання: скляна пластинка з паралельними граннями, аркуш паперу, шпилька, лінійка, олівець.
Теоретичні відомості:
-
показник заломлення другого середовища відносно першого.
Хід роботи:
Таблиця
№
|
CL
мм
|
CO
мм
|
OF
мм
|
FK
мм
|
n
|
1
|
20
|
29
|
46
|
18
|
1
,76
|
Контрольні запитання:
1.
Чому в спеку далекі предмети здаються розпливчастими?
2.
Чому туман, що складається з прозорих крапель, не прозорий?
3.
Що називається абсолютним і відносним показником заломлення?
Відповіді:
1.
У спеку далекі предмети здаються розпливчастими , тому що відбувається заломлення світла через вологу, яка випаровується.
2.
Краплі в тумані розсіюють світло. Тому туман непрозорий.
3.
При всіх змінах кутів падіння і заломлення відношення синуса кута падіння до синуса кута заломлення для двох даних середовищ є сталими, і називається показником заломлення одного середовища відносно іншого. Якщо світло заломлюється на межі «Вакуум – Прозоре середовище» то відповідний показник називається абсолютним показником заломлення прозорого середовища.
Висновок: Визначили показник заломлення світла за допомогою скляної пластинки з паралельними гранями.
Лабораторний практикум №7
Спостереження інтерференції та дифракції світла
Мета: спостерігати і пояснити інтерференцію та дифракцію світла.
Обладнання: дві скляні пластинки, дротяна рамка, мильний розчин, лінійка, фольга, нитка.
Теоретичні відомості:
Інтерференція — взаємне послаблення або посилення двох або більше хвиль під час їхнього накладання одна на одну в різних точках простору.
Дифракція — відхилення від прямолінійного поширення хвиль або огинання перешкод.
Хід роботи:
1.
Старанно витер пластинки, капнув краплю води, стиснув пластинки разом. В окремих місцях виникає інтерференційна картина у вигляді яскравих кольорових смуг.
2.
Опустивши дротяну рамку в мильну воду, а потім витягши її, утворилась мильна плівка. Спрямувавши на плівку, за допомогою лінзи, світло, спостерігали на екрані інтерференційну картину у вигляді горизонтальних кольорових смуг.
3.
Розмістивши нитку за скляними пластинками, спостерігав відхилення нитки від вертикального положення.
Висновок: спостерігали інтерференцію та дифракцію світла .
Лабораторний практикум №8
Вимірювання довжини світлової хвилі за допомогою дифракційної решітки.
Мета: навчитися вимірювати довжину світлової хвилі за допомогою дифракційної решітки.
Обладнання: дифракційна решітка, прилад для вимірювання довжини світлової хвилі.
Теоретичні відомості:
За допомогою явища дифракції світла можна визначити довжину світлової хвилі. В цьому нам допоможе дифракційна решітка.
Дифракційна решітка — це сукупність багатьох дуже вузьких щілин, розділених непрозорими проміжками.
Задача.
Відповідь:
Контрольні запитання:
1.
Назвіть приклади дифракційних явищ, які ви спостерігали в житті.
2.
Чому дифракційна решітка прекрасний оптичний прилад?
Відповіді:
1.
Дифракційні явища можна дуже часто спостерігати в повсякденному житті. Наприклад, якщо дивитися крізь запітніле вікно на Сонце.
2.
За допомогою дифракційної решітки можна визначати довжину хвиль (частоту хвиль).
Висновок: навчилися визначати довжину світлової хвилі за допомогою дифракційної решітки.
Лабораторний практикум №9
Спостереження суцільного і лінійчастого спектрів.
Мета: навчитись спостерігати і пояснювати явище дисперсії, суцільні і лінійчасті спектри, пригадати особливості проходження світла через призму.
Обладнання: спектроскоп, спектральні трубки, світлофільтри, насичений розчин солі, кольорові олівці.
Теоретичні відомості:
Спектри випромінювання бувають суцільними і лінійчастими.
Суцільні спектри дають розжарені рідкі і тверді тіла.
Хід роботи:
Розмістимо перед щілиною коліматора джерело світла, надівши на нього ковпак з прорізом, спостерігаємо спектр. Щоб дістати спектр Натрію необхідно в полум’я спиртівки внести шматок азбесту змоченого розчином кухонної солі. Спостерігаємо спектр жовтого кольору. Перед щілиною коліматора розміщуємо розрядну трубку приєднану до джерела живлення, спостерігаємо лінійчастий спектр.
Контрольні запитання:
1.
У чому полягає спектральний аналіз?
2.
Чим відрізняються спектри випромінювання і поглинання даної речовини?
3.
Що таке явище дисперсії?
Відповіді:
1.
Спектральний аналіз — метод визначення хімічного складу речовини.
2.
Спектри поглинання і випромінювання даної речовини відрізняються переходом атомів зі стану з більшою енергією і навпаки(випромінювання—з більшого у менший, поглинання — з меншого у більший).
3.
Дисперсія світла — залежність показника заломлення від довжини хвилі світла.
Висновок: ми спостерігали дисперсії, суцільні і лінійчасті спектри, пригадали особливості проходження світла через призму.
Лабораторний практикум №10
Визначення
заряду електрона
Мета: ознайомитися із методом вимірювання елементарного заряду, навчитися застосовувати закон Фарадея для визначення елементарного електронного заряду.
Обладнання: електролітична ванна з розчином сульфату міді, мідні електроди, джерело постійного струму, секундомір, амперметр, терези, провідники.
Теоретичні дані:
 


Хід роботи:

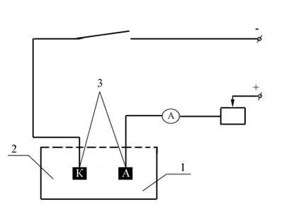
1-електролітична ванна
2-розчиен
3-електроди
Контрольні запитання:
1.
Яка різниця між носіями струму в газах і рідинах?
2.
Що таке електролітична дисоціація?
Відповіді:
1.
Іонізація — утворення позитивних та негативних іонів і вільних електронів із електрично нейтрального газу внаслідок співударянь атомів газу один з одним під час нагрівання. Рідини можуть бути провідниками, діелектриками та напівпровідниками.
2.
Процес розпаду молекул розчиненої речовини на іони під впливом розчинника називають електролітичною дисоціацією.
Висновок: ми навчилися застосовувати закон Фарадея для визначення елементарного електричного заряду, використовуючи розчин сульфату купруму .
Лабораторний практикум №11
Визначення питомого опору провідника
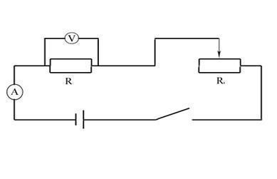
Мета: визначити питомий опір провідника, закріпити навички користування амперметром, вольтметром і реостатом.
Обладнання: провідник з великим питомим опором, вольтметр, амперметр, реостат, джерело постійного струму, лінійка, з’єднувальні провідники.
Теоретичні відомості:
 
Таблиця:
U
В
|
I
А
|
l
м
|
d
м
|
S
|
2,4
|
0,6
|
1,5
|
0,002
|
8,37
|
Контрольні запитання:
1.
Що називається питомим опором?
2.
Від чого залежить опір?
3.
У скільки разів змінюється опір провідника, якщо його скласти вдвоє?
Відповіді:
1.
Коефіцієнт, що характеризує електричні властивості речовини, з якої виготовлено провідник, називається питомим опором цієї речовини.
2.
опір залежить від
поперечного перерізу та довжини провідника.
3.
Опір зменшиться в два рази.
Висновок: ми визначили питомий опір провідника, закріпили навички користування амперметром, вольтметром і реостатом.
|