|
2.7 Остаточний розрахунок колекторного кола передкінцевого каскаду.[2] Була обрана схема передкінцевого каскаду з навантаженням у вигляді джерела стабільного струму, тому необхідно провести уточнення і розрахувати опір навантаження. Для правильного функціювання схеми потрібно, щоб виконувалась наступна умова: Мінімальне значення напруги ДСС.
На практиці UДСС min ≈ 3...3,5 В, Uке ≈ 1 В , а решта залишається на UR 14 . R14 та R10 потрібні для симетрії схеми через розкид параметрів і площ кристалів транзисторів струмового дзеркала, а також для збільшення вихідного опору схеми. Тому обираємо: UДСС = 3,5 В Uке = 1 В UR е = 2,5 В Струм спокою прикінцевого каскаду:
Початковий струм ДСС:
Потужність, що розсіюється на транзисторі VT9 ДСС :
Потужність розсіювання на транзисторі VT8ДСС дуже мала, оскільки для нього завжди виконується Uке VT 8 =UбеVT9 , тобто
Вимоги до частотних властивостей транзисторів ДСС:
де
За значеннями Р,І,f,U обираємо для джерела стабільного струму пару транзисторів КТ814Г[13]. Їхні параметри зведено до таблиці 2.4 Таблиця 2.4 Параметри транзисторів струмового дзеркала.
Розрахунок опорів резисторів R14, R10 та R17в емітерних колах:
Із стандартного 10% ряду обираємо резистори номіналом по 100 Ом і потужністю 0,125 Вт кожен. Розрахунок потужності резисторів:
Розраховується опір резистора R11:
де Uбе = 0,8 В – напруга зміщення (обрана за ВАХ)
Із стандартного 20% ряду обираємо резистор номіналом 1,8 кОм, потужністю 2 Вт. Розрахунок потужності резистора:
Розрахунок транзисторної схеми стабілізації Струм, що протікає крізь подільник R15,R16 вибирається рівним Розрахуємо опори R15 та R16:
Іко VT 10 = 10 мА. Тоді:
де Uбе0 VT 5 = 3 B
Із стандартного 20% ряду обираємо змінний резистор номіналом 3,3 кОм, потужністю 0,125 Вт. Розрахунок потужності резистора:
R15 отримаємо від різниці результату формул (2.48) і (2.49) R15= 3500-3000=500(Ом) (2.50) Із стандартного 10% ряду обираємо резистор номіналом 510 Ом, потужністю 0,125 Вт. Розрахунок потужності резистора:
Знайдемо вихідний опір джерела стабільного струму.
де Uy - потенціал Ерлі =45 (В )
Рисунок 2.4(Знаходження потенціалу Ерлі транзистора КТ814Г )
SVT 9 – крутизна транзистору:
де φt = 25мВ – температурний потенціал R14 = 100 Ом , тоді:
Розрахуємо коефіцієнт підсилення за напругою передкінцевого каскаду без зворотнього зв`язку. Вхідний опір двотактного емітерного повторювача:
де rбе VT 8 = 13 Ом, тоді
Коефіцієнт підсилення другого каскаду буде:
2.8 Розрахунок базового кола передкінцевого каскаду[2]. Визначимо робочу точку транзистора VT7.
Знайдемо максимальний струм бази VT7:
Визначимо амплітуду змінної складової струму бази:
Визначимо вхідний опір каскаду на VT7:
Амплітуда змінної напруги на вході другого каскаду:
Корисна потужність яку треба подати у базове коло:
2.9 Розрахунок вхідного каскаду[3] В якості першого каскаду підсилення з напруги був обраний диференційний каскад Розрахунок колекторного кола вхідного каскаду: Корисна потужність, що вимагається від першого каскаду, повинна з деяким запасом перевищувати вхідну потужність передкінцевого каскаду:
Амплітуда змінної складової струму колектора:
Для забезпечення режиму А вхідного каскаду стала складова струму колектора повинна бути
тож Максимальне значення колекторного струму:
Потужність, що споживатиметься від джерела живлення, практично дорівнює потужності розсіювання на колекторі:
Максимальна напруга між колектором і емітером:
Значення частоти
| |||||||||||||||||||||||||||||||||||||||||||||||||||||||||||||||||||||||||||||||||||||||||||||||||||||||||||||||||||||||||||||||||||||||||||||||||||||||||||||||||||||||||||||||||||||||||||||||||||||||||||||||||||||||||||||||||||||||||||||||||||||||||||||||||||||||||||||||||||||||||||||||||||||||||||||||||||||||||||||||||||||||||||||||||||||||||||||||||||||||||||||||||||||||||||||||||||||||||||||||||||||||||||||||||||||||||||||||||||||||||||||||||||||||||||||||||||||||||||||||||||||||||||||||||||||||||||||||||||||||||||||||||||||||||||||||||||||||||||||||||||||||||||||||||||||||||||||||||||||||||||||||||||||||||||||||||||||||||||||||||||||||||||||||||||||||||||||||||||||||||||||||||||||||||||||||||
| Транзистор |
КТ209М |
| Параметр |
|
| перехід Uке max Iк max Pк max Uке нас h21 e m і n fгр Cк |
p-n-p 60 В 0,3 А 0,2 Вт 0.4 В 40 6 МГц 50пФ |
Зробімо розрахунок ДСС1 на транзисторах VT5, VT6
Мінімальне значення напруги ДСС1.
(2.68)
Приймаємо:
UДСС 1 =5 В,
Uке ≈ 1 В ,
а решта залишається на UR 5 .
R5 та R8 потрібні для симетрії схеми через розкид параметрів і площ кристалів транзисторів струмового дзеркала, а також для збільшення вихідного опору схеми. Тому обираємо:
UДСС = 5 В
Uке = 1 В
UR е = 2,5 В
Струм спокою прикінцевого каскаду:
(2.69)
![]()
(2.70)
![]()
(2.71)
![]()
За значеннями Р,І,U обираємо для джерела стабільного струму VT5, VT6 пару транзисторів КТ3102Б[13]. Їхні параметри зведено до таблиці 2.6
Таблиця 2.6 Параметри транзисторів струмового дзеркала.
| транзистор |
КТ3102Б |
| параметр |
|
| перехід Uке max Iк max Pк h21 e m і n |
n-p-n 50 В 0,2 А 0,25Вт 100 |
Далі розраховуємо R5, R8 у струмовому дзеркалі [3]:
R5= R8 >
= 3900 Ом (2.72)
Із стандартного 10% ряду обираємо резистори номіналом 3,9 кОм кожен, потужністю 0.125 Вт. Розрахунок потужності резисторів:
![]()
За заданим коефіцієнтом зворотнього зв'язку, наприклад, N=5 розрахуємо опір резисторів R4 та R7 [3]:
R4 = R7 =
= 208 Ом (2.73)
Де:
=25мВ - напруга теплового шуму
Із стандартного 2% ряду (щоб зменшити розкид параметрів) обираємо резистори номіналом 210 Ом кожен,
потужністю 0.125 Вт. Розрахунок потужності резисторів:
![]()
Для струмового дзеркала ДСС2 на VT3, VT4 оберемо транзистори такі ж як і вхідні, бо в них є запас з потужності, який повністю задовольняє умови.
Задаємося напругою струмового дзеркала - 5В, тоді максимальне припустиме значення R2 та R6 знаходиться на максимальних межах вхідної напруги [3].
(2.74)
Із стандартного 5% ряду обираємо резистори номіналом 4.2 кОм кожен,
потужністю 0.125 Вт. Розрахунок потужності резисторів:
![]()
Звідси знаходимо опір резистора R3:
(2.75)
Із стандартного 10% ряду обираємо резистор номіналом 36 кОм ,
потужністю 0.125 Вт. Розрахунок потужності резистора:
![]()
Знайдемо вихідний опір транзистора VT6
(2.76)
де Uy - потенціал Ерлі =100 (В )

Рисунок 2.5(Знаходження потенціалу Ерлі транзистора КТ3102Б )
RД
CC
2
=
+ R8 = 50000 + 3900 = 5,39 (кОм) (2.77)
За допомогою співвідношення (2,76) визначимо коефіцієнт гармонік в підсилювачі без зворотного зв’язку:
(2.78)
де c - коефіцієнт асиметрії вихідних транзисторів, вибирається у межах (0,3…0,5). Тоді:

Задаємося приблизним фактором зворотного зв’язку F = 35дБ (вибрано з метою уникання специфічних динамічних спотворень, які проявляються у вигляді різких перепадів вхідного сигналу).
![]()
![]()
Знайдемо коефіцієнт гармонік із ВЗЗ:
(2.79)

Опір резистора R18 визначимо так:
(2.80)
![]()
Для того, щоб опір не вносив значних змін у роботу кінцевого каскаду, номінал цього опору бажано збільшити. Отже обираємо R18=18 кОм 20% потужністю 0,125 Вт, так як ![]()
тоді ![]()
Визначимо номінал резистора R12:
(2.81)
![]()
Із стандартного 10% ряду обираємо резистор номіналом 7,5 Ом ,
потужністю 0.125 Вт. Розрахунок потужності резистора:
![]()
Перевіримо виконання умови:
(2.82)
![]()
2.11 Остаточний розрахунок вхідного диференційного каскаду[3].
. (2.83)

З ВАХ визначимо відповідне їй навантаження на базах першого і другого транзисторів:
![]()
Розрахуємо потенціали емітерів диференційної пари для двополярного живлення:
(2.84)
![]()
Визначимо опір R1 у базовому колі VT1:
(2.85)
![]()
Із стандартного 5% ряду обираємо резистор номіналом 20 кОм ,
потужністю 0.125 Вт. Розрахунок потужності резистора:
![]()
На опорі R9 та R13 повинно падати 10% Ежном , тому:
(2.86)
![]()
Із стандартного 10% ряду обираємо резистор номіналом 2,4 кОм ,
потужністю 0.125 Вт. Розрахунок потужності резистора:
![]()
Визначимо коефіцієнт підсилення каскаду з розімкненим ВЗЗ:
(2.87)

Таким чином:
(2.88)

2.12 Розрахунок кіл захисту вихідного каскаду[3]
Так як для подачі сигналу на бази вихідних транзисторів були використані транзистори КТ814Г і КТ815Г , то й у схемі захисту використаємо аналогічні транзистори VT12 - КТ814Г, VT11 - КТ815Г.
З умови, що опори R21, R22 - захищають транзистори Т11 і Т12 від кидків струму в колах бази.
То приймемо їх опори рівними по 100 Ом кожен.
Якщо R19 > R21, то при зменшенні вихідної напруги Uвих знижується також максимальний струм I вих max, внаслідок чого зменшується й потужність розсіювання при короткому замиканні.
Знайдемо R19, R20 з виразу

Із стандартного 10% ряду обираємо резистори номіналом 2 кОм кожен.
Розрахуємо потужність послідовно ввімкнутих опорів R19, R21, R23, R25 коли VT13 замкнений
|
|
Отже обираємо резистори R19 - R21 потужністю 1 (Вт).
2.13 Розрахунок номіналів конденсаторів[2]
У діапазоні нижніх частот (ДНЧ) спад частотної характеристики для даної схеми визначається двома конденсаторами: розділювальним на вході (С1) та блокувальним у ланцюгу ВЗЗ (С4). Проведемо остаточний розподіл спотворень між цими ємностями:
Мн = - 1 дБ (за умовою), тому:
- вхідне коло – МнС1 = - 0,2 дБ;
- ланцюг ВЗЗ – МнС4 = - 0,8 дБ.
Перетворимо Мн у рази:
![]()
![]()
Розподіл спотворень між каскадами проведений нерівномірно, тому що не рекомендується на вході підсилювача встановлювати великі ємності, оскільки це призведе до значних нелінійних спотворень.
Розрахуємо вхідний опір першого каскаду підсилювача без ЗЗ:
(2.90)

При розрахунку вхідного опору із увімкненим ВЗЗ необхідно враховувати опір резистору зміщення першого каскаду:
(2.91)

(2.92)
де
- без зворотного зв’язку буде
(2.93)


Розрахуємо мінімальні значення ємностей
(2.94)

Обираємо зі стандартного ряду С1– 0,47мкФ.
(2.95)

Обираємо із стандартного ряду С4– 2000мкФ
Ємність фільтруючого конденсатора С2 та С3 розраховується за формулою:
(2.96)
де
- частота пульсацій.
![]()
обираємо із стандартного ряду С2=С3 – 200мкФ
Оскільки цей підсилювач живиться двополярним джерелом живлення з досить високим потенціалом (± 48 В), то ємності фільтруючих конденсаторів С5 та С7 звичайно обирають дуже великими. Але для того, щоб уникнути паразитної індуктивності, яка з’являється завдяки електролітичним конденсаторам, у паралель їм встановлюють блокувальні, керамічні конденсатори.
(2.97)
Де
;


Таким чином, обираємо (с запасом) із стандартного ряду конденсатори:
С6 = С8 — 0,15 мкФ
2.14 Вимоги до джерела живлення[6]
(2.98)
![]()
Потужність, що вимагається від джерела живлення:
(2.99)
![]()
2.15 Розрахунок підсумкових характеристик підсилювача[2]
Коефіцієнт підсилення з напруги з розімкненим зворотним зв’язком :
(2.100)

Коефіцієнт підсилення за струмом:
(2.101)
![]()
Коефіцієнт передачі кола ВЗЗ:
(2.102)
![]()
Звідси глибина зворотнього зв'язку буде:
(2.103)
![]()
(2.104)

(2.105)

2.16 Розрахунок компенсатора Цобеля-Буше [3]
Імпеданс (повний електричний опір) гучномовців має максимуми і мінімуми. В області середніх частот він має мінімум, що дорівнює приблизно половині опору звукової котушки динаміка, і максимум поблизу частоти резонансу рухомої системи. Імпеданс в зоні резонансу перевищує номінальний у декілька разів. Із зростанням частоти він збільшується – це відбувається із-за індуктивності звукової котушки. На режим роботи підсилювачів особливо негативно впливають, перешкоди, з боку різноманітних комутуючих пристроїв, що викликають різке короткочасне зникнення сигналу. З вищесказаного слідує, що індуктивність гучномовця може викликати миттєве збільшення потужності і навіть призвести до пробою, коли піки перешкод перевищують UK Е max .
Для компенсації індуктивної складової імпедансу застосовується компенсатор Цобеля-Буше. Він являє собою послідовне RC – коло, яке підключається паралельно до динаміка. В результаті імпеданс навантаження стає практично активним не залежить від частоти.
Зробимо розрахунок елементів компенсатора:
(2.106)
Із стандартного ряду обираємо прецизійний резистор номіналом 8,2 Ом.
Потужність резистора на практиці обирають такою, що дорівнює 2Вт.
Знайдемо значення конденсатора в компенсаторі:
(2.107)
Де L- індуктивність звукової котушки, при даній потужності і номінальному опору навантаження беремо L = 0,6 мГн. Тоді:

Із стандартного 20% ряду обираємо ємність номіналом 10 мкФ.
3. Електричний розрахунок ППЗЧ на інтегральних мікросхемах
3.1 Вибір елементів підсилення схеми
Для прикінцевого каскаду ППЗЧ оберемо мікросхему підсилювача потужності (закордонної фірми)[8] яка забезпечує потрібне підсилення сигналу з потужності в заданому навантаженні згідно з технічним завданням.
Початкові дані наведенні з технічного завдання:
| Р н = 60 Вт |
- |
потужність у навантаженні; |
| R н = 8 Ом |
- |
опір навантаження; |
| f в = 25 кГц |
- |
верхня робоча частота; |
| f н = 25 Гц |
- |
нижня робоча частота |
| Ес = 0,25 В |
- |
вхідний сигнал; |
| R дж =47кОм |
- |
опір джерела сигналу; |
| Мн = -1дБ |
- |
лінійні спотворення на нижній частоті; |
| Мв = -1дБ |
- |
лінійні спотворення на верхній частоті; |
| Кг = 0,1% |
- |
коефіцієнт нелінійних спотворень. |
Вибираємо прикінцевий підсилювач, який при опорі навантаження Rн = 8 Ом зможе забезпечити вихідну потужність Рвих=60Вт, буде мати , f в
= 25 кГц , f н
= 25 Гц ,
. За даними довідника [8] обираємо мікросхему STK085 фірма виробник: SANYO , додаткові данні та рекомендована схема включення якої наведенні у додатку В та таблиці [3.1].
Таблиця 3.1

Знайдемо Кu мікросхеми STK085 у разах.
За довідниковими даними у неї Кu=33дБ:
(3.1)
Для визначення потрібного коефіцієнта підсилення усього підсилювача візьмемо спочатку вихідну напругу, знайдену за формулою [1.2]:
![]()
Розрахуємо потрібний коефіцієнт підсилення всього ППЗЧ [7]:
![]()
![]()
де Uвх = Ес = 0.25 В – ввідна напруга або напруга джерела сигналу задана за технічним завданням.
Бачимо що мікросхема STK085 не забезпечує потрібного підсилення 124>44.7, тобто потрібно розрахувати попередній каскад підсилення.
На вхід підсилювача потужності встановимо каскад на операційному підсилювачі (ОП), тому що він має диференціальний вхід, що дозволяє забезпечити велике послаблення синфазних складових сигналу, тобто зменшується рівень шумів. Сам ОП має дуже великий коефіцієнт підсилення, підключивши до нього зворотний зв'язок можна значно розширити його смугу пропущення. А також згідно технічного завдання ми розраховуємо одноканальний ПЗЧ, так що вибір ОП буде обґрунтований й економічно.
Для вхідного каскаду оберемо ОП з високим вхідним опором і підвищеною швидкодією. К544УД2 (виробництва СНГ) параметри якого наведені у таблиці [3.2] Електрична схема ОП містить вхідний диференціальний каскад на польових транзисторах з p-n переходом, проміжний диференціальний каскад на p-n-p транзисторах, і вихідний двотактний повторювач напруги. Частотна корекція здійснюється внутрішнім інтегруючим конденсатором та резистором.
Таблиця 3.2

Рисунок 3.1 (Схема балансування напруги зсуву К544УД2)
З початкової формули розрахунку коефіцієнта підсилення всього ПЗЧ [7].
(3.3)
Знайдемо який коефіцієнт підсилення повинен бути в каскаді на ОП
Коефіцієнт підсилення всього підсилювача повинен бути 124, згідно (3.2), а каскад на мікросхемі STK085 забезпечує
=44,7, значить, знайдемо потрібний коефіцієнт підсилення каскаду на мікросхемі DA1:
![]()
Принципова електрична схема ППЗЧ приведена в додатку Г.
3.2 Розрахунок додаткових елементів ОП [7]
Розрахуємо додаткові елементи яки задають коефіцієнт підсилення ОП необхідний для завдання параметрів всього підсилювача.
При розрахунку потрібного коефіцієнта підсилення для DA1, підключеного по схемі інвертуючого підсилювача рисунок 3.2, спочатку треба задати вхідний опір підсилювача, який на практиці обирають для ОП від сотень ом до декількох десятків кілоом.

Рисунок 3.2 (Cхема підключення к ОП зворотного зв’язку)
Оберемо Rвх = R1 = 47 кОм Коефіцієнт підсилення для ОП, з поданим сигналом на інвертую-чий вхід дорівнює:
(3.5)
З цього виразу знайдемо значення резистора R2:
![]()
Із стандартного 5% ряду обираємо резистор номіналом 130 кОм потужністю 0.125 Вт. Розрахунок потужності резистора:

Значення оперу R3- схеми балансування напруги зсуву ОП обирається рівним 150 кОм 0,125Вт згідно рекомендації заводу виробника.
3.3 Розрахунок параметричного стабілізатора [11]
Тому що вихідна мікросхема запитана від джерела з напругою +48В, а ОП повинен бути запитаним номінальною напругою +15В, то необхідно підключити ОП через параметричний стабілізатор.
З довідника [9] по напівпровідникових приладах вибираємо стабілітрон VD1 та VD2 типу КС515А, що має напругу стабілізації Uст = 15 В; виписуємо з довідника також його робочий діапазон струму:
Iст.мін = 1 мА, Iст.макс = 53 мА
При мінімальній напрузі живлення U = 48 - 15 = 32 В визначаємо мінімальний струм баластового резистора з обліком, що струм через стабілітрон не повинен бути менший за 1 мА. Візьмемо з деяким запасом:
Iст.мін = 3 мА, тоді
Iбал = Iст.мін + Iнаван (3.5)
Де
Iнаван – максимальна споживча потужність ОП, поділена на напругу живлення = 0,3/15 = 0,02 А.
Iбал = 3 + 20 = 23 мА
Визначимо опір баластового резистора:
(3.6)
Із стандартного 10% ряду обираємо резистор номіналом 1,5 кОм потужністю 1 Вт. Розрахунок потужності резистора:
![]()
Перевіримо значення максимального робочого струму з запасом, що проходить крізь стабілітрон:
(3.7)
Максимальний струм крізь стабілітрон не перевищує Iст.макс.ДОП
ВИСНОВОК
У процесі курсового проектування був розрахований безтрансформаторний ППЗЧ з усіма параметрами та вимогами, заданими у технічному завданні. В якості схеми для дискретного виконання була обрана двокаскадна схема з диференціальним каскадом на вході. Переваги диференціального каскаду – зручність створення підсилювача з неінвертуючим та інвертуючим виходами, простота досягнення високої стабільності роботи та реалізації різних видів зворотнього зв'язку. Симетрична схема забезпечує підсилення лише різниці вхідних сигналів, а отже високої точності та стабільності схем із зворотнім зв'язком.
Передкінцевий каскад підсилення виконано за схемою з СЄ. Ця схема підсилює як струм, так і напругу, отже потужність. Для отримання максимального коефіцієнту підсилення зі струму та з напруги обрано транзистор з максимальним значенням h21e. Недоліком схеми з СЕ є його недостатньо великий вхідний опір, через що від попереднього каскаду важко отримати високий коефіцієнт підсилення з напруги.
На виході розраховано прикінцевий каскад, реалізований на двотактному емітерному повторювачі на складених транзисторах. Ця схема підсилює лише за струмом, але головна її перевага – вхідний опір, що дозволяє навіть при низькому опорі навантаження не мати важких умов роботи попереднього каскаду.
Підсилювач охоплений загальним ВЗЗ Н - типу. Завдяки зворотньому зв’язку підвищується вхідний опір, зменшується вихідний, стабілізується коефіцієнт підсилення та розширюється смуга робочих частот.
Також у підсилювачі розрахована схема захисту вихідних транзисторів від перенавантаження, а також від замикання в колі навантаження.
Також був розрахований ППЗЧ на інтегральних мікросхемах. Він складеться з двох каскадів. Другий на потужній мікросхемі закордонної фірми з елементами рекомендованими виробником. Перший на ОП з розрахованими додатковими елементами.
ПЕРЕЛІК ПОСИЛАНЬ
1. СТП 15-96. Пояснювальна записка до курсових та дипломних проектів. Вимоги і правила оформлення – Запоріжжя, ЗДТУ, 1996. – 36с.
2. Методичні вказівки до виконання курсового проекту з дисципліни “Пристрої підсилення сигналів” для студентів спеціальності 8. 090 701/ Укл. В. С. Кабак.–Запоріжжя: ЗНТУ,1999.– 47с.
3. Шкритек П. Справочное руководство по звуковой схемотехнике. Пер. с нем. – М: Мир, 1991 – 446 с.
4. Хоровиц П., Хилл У. Искусство схемотехники. М.: Мир, 1998.
5. Остапенко Г.С. Усилительные устройства: Учеб. пособие для вузов. - М.: Радио и связь, 1989. – 400с.
6. Варакин Л.Е. Беcтрансформаторные усилители мощности. – М.: Радио и связь, 1984.– 128 с.
7. Фолкенберри Л. Применения операционных усилителей и линейных ИС. – М.: Мир, 1985. – 572с.
8. Авторы-разработчики ПО: Шульгин О. А., Шульгина И. Б., Воробьев А. Б. Электронный справочник по аналоговым микросхемам для аудиоаппаратуры.
9. Москатов Е. А. Справочник по полупроводниковым приборам. – М.: Журнал “Радио”, 2005. – 208 с.,
10. Савилин А. И. Зарубежные интегральные микросхемы и их аналоги. ДМК прес, 2001. - 328с.
11. Примеры решения задач по электронике . http://www.nspu.net/fileadmin/library/books/19/act/data/02/02_09.htm
12.Титце У., Шенк К. Полупроводниковая схемотехника: Справочное руководство. Пер. с нем.–М.: Мир,1983.–512с.
13. Лавриненко В. Ю.Справочник по полупроводниковым приборам. 10-е изд., перераб. и доп. — К.: Техніка, 1984.—424 с.
Додаток А

Додаток Б
Перелік елементів підсилювача на дискретних елементах
зона |
Поз.познач. |
Найменування |
Кіль-кість |
Примітки |
|
|
|
Конденсатори |
|
|
|
|
С1 |
К52-17-25В-0,47мкФ АЖЯР 673543.003 ТУ |
1 |
|
|
|
С2, С3 |
К52-17-63В-200мкФ АЖЯР 673543.003 ТУ |
2 |
|
|
|
С4 |
К52-17-63В-2000мкФ АЖЯР 673543.003 ТУ |
1 |
|
|
|
С5 |
К52-17-63В-33000мкФ АЖЯР 673543.003 ТУ |
||
|
|
С6 |
К 71-7 - 15 0В- 0,15мк Ф- M 750 ОЖО 461.133 ТУ |
1 |
|
|
|
С7 |
К52-17-63В-33000мкФ АЖЯР 673543.003 ТУ |
1 |
|
|
|
С8 |
К 71-7 - 15 0В- 0,15мк Ф- M 750 ОЖО 461.133 ТУ |
1 |
|
|
|
С9 |
К 71-7 - 15 0В-1 0, 0 мк Ф- M 750 ОЖО 461.133 ТУ |
1 |
|
|
|
|
Резистор и |
|
|
|
|
R1 |
С2-33Н- 0,125 -20 кОм ±5% ОЖО.467.173 ТУ |
1 |
|
|
|
R2 |
С2-33Н- 0,125 - 4,2 кОм ±5% ОЖО.467.173 ТУ |
1 |
|
|
|
R3 |
С2-33Н- 0,125 -3,9 кОм ±10% ОЖО.467.173 ТУ |
1 |
|
|
|
R4 |
С2-33Н- 0,125 - 210 Ом ±2% ОЖО.467.173 ТУ |
1 |
|
|
|
R 5 |
С2-33Н- 0,125 -3,9 кОм ±10% ОЖО.467.173 ТУ |
1 |
|
|
|
R 6 |
С2-33Н- 0,125 - 4,2 кОм ±5% ОЖО.467.173 ТУ |
1 |
|
|
|
R 7 |
С2-33Н- 0,125 - 210 кОм ±2% ОЖО.467.173 ТУ |
1 |
|
|
|
R 8 |
С2-33Н- 0,125 -3,9 кОм ±10% ОЖО.467.173 ТУ |
1 |
|
|
|
R 9 |
С2-33Н- 0,125 - 2,4 кОм ±10% ОЖО.467.173 ТУ |
1 |
|
|
|
R 10 |
С2-33Н- 0,125 - 100 кОм ±10% ОЖО.467.173 ТУ |
1 |
|
|
|
R 11 |
С2-33Н- 2 - 1,8 кОм ±20% ОЖО.467.173 ТУ |
1 |
|
|
|
R 12 |
С2-33Н- 0,125 - 7,5 Ом ±10% ОЖО.467.173 ТУ |
1 |
|
|
|
R 13 |
С2-33Н- 0,125 - 2,4 кОм ±10% ОЖО.467.173 ТУ |
1 |
|
|
|
R 14 |
С2-33Н- 0,125 - 100 Ом ±10% ОЖО.467.173 ТУ |
1 |
|
|
|
R 15 |
С2-33Н- 0,125 - 510 Ом ±10% ОЖО.467.173 ТУ |
1 |
|
|
|
R 16 |
СП3-44Н-0,25-3,3кОм ±10%-Н ОЖО.468.369 ТУ |
1 |
|
|
|
R 17 |
С2-33Н- 0,125 - 100 Ом ±10% ОЖО.467.173 ТУ |
1 |
|
|
|
R 18 |
С2-33Н- 0,125 - 18к Ом ±20% ОЖО.467.173 ТУ |
1 |
|
|
|
R 19, R 20 |
С2-33Н- 0,125 - 2 кОм ±10% ОЖО.467.173 ТУ |
2 |
|
|
|
R 21, R 22 |
С2-33Н- 0,125 - 100 Ом ±10% ОЖО.467.173 ТУ |
2 |
|
|
|
R 23, R 24 |
Р1-72-2 -0,4 Ом ±0,5% -А АБШК.434110.049 ТУ |
2 |
|
|
|
R 2 6 |
Р1-72-2 -8,2 Ом ±0,5% -А АБШК.434110.049 ТУ |
1 |
|
|
|
|
|
||
|
|
|
Транзистори |
|
|
|
|
VT1 - VT 4 |
КТ 209М а А 0 . 336 . 065 ТУ |
4 |
|
|
|
VT 5, VT 6 |
КТ 3102Б ЖК3.365.186 ТУ |
2 |
|
|
|
VT 7 |
КТ 815Г аА0.336.189 ТУ |
1 |
|
|
|
VT 8, VT 9 |
КТ 814Г аА0.336.256 ТУ |
2 |
|
|
|
VT 10, VT 11 |
КТ 815Г аА0.336.189 ТУ |
2 |
|
|
|
VT1 2 |
КТ 814Г аА0.336.256 ТУ |
1 |
|
|
|
VT1 3 |
КТ 827А АДБК.432140.993 ТУ |
1 |
|
|
|
VT 1 4 |
КТ 825А аА0.336.306ТУ |
1 |
Додаток В
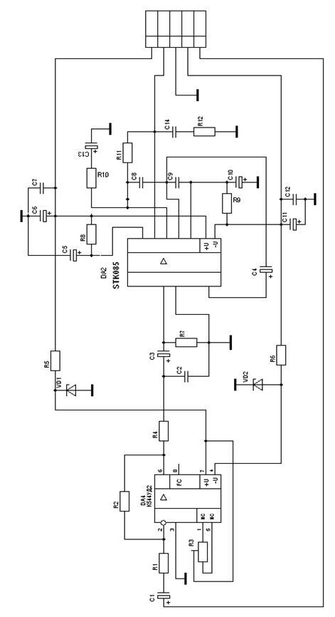
Типова схема включення STK085.

Додаток Г

Додаток Д
Перелік елементів підсилювача на мікросхемах
зона |
Поз.познач. |
Найменування |
Кіль-кість |
Примітки |
|
|
|
Конденсатор и |
|
|
|
|
С1 |
К50-24 –100 В – 1 мкФ ±20% ОЖО.952.087 ТУ |
1 |
|
|
|
С2 |
К-10-17-100В-470пФ ±10% ОЖО.460.068 ТУ |
1 |
|
|
|
С3 |
К50-24 –63 В – 4,7 мкФ ±10% ОЖО.952.087 ТУ |
1 |
|
|
|
С4 |
К50-24 –100 В – 1 мкФ ±20% ОЖО.952.087 ТУ |
1 |
|
|
|
С5, С6 |
К50-24 –100 В – 220 мкФ ±20% ОЖО.952.087 ТУ |
2 |
|
|
|
С7 |
К-10-17-100В-0,1мкФ ±10% ОЖО.460.068 ТУ |
1 |
|
|
|
С8 |
К-10-17-1 0 0В-2 рФ ±10% ОЖО.460.068 ТУ |
1 |
|
|
|
С9 |
К-10-17-1 0 0В-180 рФ ±10% ОЖО.460.068 ТУ |
1 |
|
|
|
С10, С11 |
К50-24 –100 В – 220 мкФ ±20% ОЖО.952.087 ТУ |
2 |
|
|
|
С12 |
К-10-17-100В-0,1мкФ ±10% ОЖО.460.068 ТУ |
1 |
|
|
|
С13 |
К50-24 –100 В – 47 мкФ ±20% ОЖО.952.087 ТУ |
1 |
|
|
|
С14 |
К-10-17-60В-47нФ ±10% ОЖО.460.068 ТУ |
1 |
|
|
|
|
|
|
|
|
|
|
Мікросхеми |
|
|
|
|
DA1 |
К544УД2 /СНД/ |
1 |
|
|
|
DA2 |
STK 085 /SANYO/ |
1 |
імпорт |
|
|
|
|
|
|
|
|
|
Резистор и |
|
|
|
|
R1 |
С2-23 – 0,125 – 47 кОм ± 10% ОЖО.467.093 ТУ |
1 |
|
|
|
R2 |
С2-23 – 0,125 – 13 0кОм ± 5% ОЖО.467.093 ТУ |
1 |
|
|
|
R3 |
СП3-44Н-0,25-3,3кОм ±10%-Н ОЖО.468.369 ТУ |
1 |
|
|
|
R4 |
С2-23 – 0,125 – 1 кОм ± 10% ОЖО.467.093 ТУ |
1 |
|
|
|
R5.R6 |
С2-23 – 1 – 1, 5 кОм ± 10 % ОЖО.467.093 ТУ |
2 |
|
|
|
R7 |
С2-23 – 0,125 – 56 кОм ± 10% ОЖО.467.093 ТУ |
1 |
|
|
|
R 8 ,R9 |
С2-23 – 0, 5 – 100 Ом ± 10% ОЖО.467.093 ТУ |
2 |
|
|
|
R1 0 |
С2-23 – 0,125 – 1,2к Ом ± 10% ОЖО.467.093 ТУ |
1 |
|
|
|
R1 1 |
С2-23 – 0,125 – 56 кОм ± 10% ОЖО.467.093 ТУ |
1 |
|
|
|
R12 |
С2-23 – 0, 5 – 4,7 Ом ± 5 % ОЖО.467.093 ТУ |
1 |
|
|
|
|
|
||
|
|
|
Діоди |
|
|
|
|
VD1,VD2 |
КС515А 3362084г41 а А 0 . 336 . 002 ТУ |
2 |
|
|
|
|
|
|
|
|
|
|
З’єднувач |
|
|
|
|
Х1 |
ШР 12 П 10 Э 9 –К НКЦС.434410.111.ТУ |
1 |
|
| |||||
| |||||
| |||||
| |||||
|
Меню |
||||
| Главная Рефераты Благодарности |
||||
Опрос |
||||