Содержание
ВВЕДЕНИЕ
1. РАЗРАБОТКА СТРУКТУРНОЙ СХЕМЫ
1.1 Описание структурной схемы
1.2 Обзор температурных датчиков. Обоснованиевыбора
1.3 Обзор АЦП
1.4 Описание микропроцессорной части
1.5 Описание платы индикации и клавиатуры
1.6 Обзор и сравнение характеристик силовых при
2. РАЗРАБОТКА ПРИНЦИПИАЛЬНОЙ СХЕМЫ
2.1 Выбор и расчет схемы компенсации температурысвободных концов термопары
2.2 Выбор и расчет усилителя
2.3 Выбор коммутатора, его характеристики
2.4 Выбор АЦП
2.5 Выбор гальванической развязки силовой частии схемы управления
2.6 Выбор схемы управления нагревателем
2.7 Выбор силового тиристора
2.8 Электрический расчет электронагревателей
ЗАКЛЮЧЕНИЕ
СПИСОК ИСПОЛЬЗОВАННОЙ ЛИТЕРАТУРЫ
ВВЕДЕНИЕ
Рабочим заданием данной работы было устройство, которое поддерживает температуру технологического процесса (объекта) по заданной программе, которая вводится с клавиатуры, в течении определенного времени по восьми каналам, после чего отключает регуляторы (резистивного типа), при этом отображать информацию на дисплее.
Без системы регулирования температуры многие промышленные процессы непроизводительны, а иногда просто невозможны. Регуляторы используются везде: хим. цеха энергетических и нефтегазовых объектов, легкая промышленность и т. п.
В настоящее время на российском рынке не так много фирм разрабатывают подобные устройства. Поэтому приобретение подобных аппаратов у малоконкурирующих фирм обойдется довольно большим денежным эквивалентом. В разработанной мною микропроцессорной восьмиканальной системе регулировки температуры рабочие характеристики не уступают характеристикам подобных устройств производственного объединения «Овен» и даже имеют некоторые дополнительные сервисные возможности, такие как звуковая и световая сигнализация, защита от короткого замыкания в канале каждого регулятора и др.
Разработанное мною устройство поддерживает диапазон регулирования температуры от 90 до 170 ºС с высокой степенью точности в ±2 ºС.
Для достижения заданной цели в своей бакалаврской работе я составил структурную схему работы аппарата. Подробно обдумывая каждый структурный узел схемы, я выбирал наиболее рациональные и энергетически выгодные методы решения поставленной задачи. Во многих структурных узлах я использовал новейшую элементную базу. По ходу проектирования были проведены обзоры наиболее важных узлов, влияющих на количественную составляющую измерительного и регулирующего каналов, таких как аналого-цифровой преобразователь, термодатчиков, силовых полупроводниковых приборов и др. А также произведены расчеты канала измерения (датчиков температуры, усилителя, сумматора, АЦП, погрешности квантования АЦП) и канала регулировки (силового ключа, параметров нагревателя). Составлены принципиальные схемы микропроцессорной части с датчиками температуры, силовой части со схемой управления полупроводниковыми силовыми ключами, а также части контроллера клавиатуры и дисплея
1.
РАЗРАБОТКА СТРУКТУРНОЙ СХЕМЫ
1.1 Описание структурной схемы
Структурная схема электрического аппарата приведена на плакате Э1.
В этой схеме можно выделить три части:
1) измерительную (термопары, датчик температуры, усилители, коммутатор, аналого-цифровой преобразователь);
2) аппаратуру программного управления и обработки данных (микропроцессор, клавиатура, дисплей, контроллер клавиатуры и дисплея, оперативно-запоминающее устройство, постоянно-запоминающее устройство, регистры и формирователи);
3) силовую (схема управления, электронагреватели).
Толстыми стрелками на схеме показано направление взаимодействия цифровых сигналов, а тонкими – аналоговых.
Режим работы аппарата устанавливается клавиатурой, с помощью которой выбирают канал измерения, программу регулировки температуры. Сигналы с клавиатуры преобразуются с помощью контроллера клавиатуры и дисплея в коды и поступают на шину данных. Микропроцессор в соответствии подпрограммой установки режима анализирует данные с клавиатуры, сравнивая их с константами из ПЗУ, при этом микропроцессор вырабатывает управляющие коды на коммутатор для подключения канала измерения и подает коды на схему управления электронагревателями. Вводимая информация с клавиатуры и информация выводимая микропроцессором отображается на дисплее.
Температуру объекта измеряют восемь термопар, вырабатывая термоЭДС. Эту, небольшой величины ЭДС, усиливает усилитель. В то же время другой датчик температуры, находящийся вблизи подсоединения свободных концов термопары к аппарату, выдает компенсирующее напряжение. Сумматор производит вычитание величин ЭДС с выхода усилителя термопары и напряжения термодатчика свободных концов. Компенсированное сумматором напряжение поступает на вход АЦП, последний в свое время преобразует его в цифровой код. Режим измерения начинается с подачи команды «ПУСК» с клавиатуры. Сформированные в АЦП коды поступают в микропроцессор, где производится их обработка по заданной программе. В случае отклонения температурного режима от заданного микропроцессор подает сигнал на схему управления, которая в свою очередь повышает или понижает температуру канала при помощи полупроводниковых силовых ключей.
1.2 Обзор температурных датчиков. Обоснование выбора
Температура объекта или технологического процесса может измеряться несколькими наиболее популярными датчиками температуры:
1) Терморезистор. При повышении температуры терморезистора его электрическое сопротивление увеличивается линейно. При использовании терморезисторов в качестве датчиков температура терморезистора практически определяется только температурой окружающей среды. Ток, проходящий через терморезистор, очень мал и практически не нагревает его. Наибольшее распространение получили терморезисторы типов ТСП (платиновые) и ТСМ (медные). Диапазон измерения температур ТСП (-200…+750ºС), а ТСМ (-50…+150ºС).
В процессе измерения температуры с помощью терморезисторов могут возникать следующие погрешности:
· от колебания напряжения питания;
· от изменения сопротивления соединительных проводов при колебаниях температуры окружающей среды;
· от собственного нагрева датчика, под действием протекающего через него тока;
· динамическая погрешность (при быстром изменении температуры).
2) Полупроводниковые терморезисторы. Сопротивление полупроводниковых терморезисторов (термисторов) резко уменьшается с ростом температуры. Их чувствительность значительно выше, чем металлических, поскольку температурный коэффициент сопротивления термисторов примерно на порядок больше, чем у металлических. Если для металлов α=(4…6)∙10-3
1/ºС, то для полупроводниковых терморезисторов α>4∙10-2
1/ºС. Правда, для термисторов этот коэффициент непостоянен, он зависит от температуры и им редко пользуются при практических расчетах. Электрическое сопротивление термистора при окружающей температуре +20ºС для термисторов типов ММТ-1, ММТ-4, ММТ-5 может составлять 1 - 200 кОм, а для типов КМТ-1, КМТ-4 от 20 до 1000 кОм. Верхний диапазон измеряемых температур для типа ММТ - 120ºС, а для типов КМТ - 180ºС. Ток, проходящий через термистор, настолько мал, что не вызывает дополнительного разогрева термистора.
3) Термопары. Термоэлектрические датчики относятся к датчикам генераторного типа. Их работа основана на одном из термоэлектрических явлений – появлении термоЭДС. В зависимости от материала электродов термопары разделяются на две основные группы: из благородных и неблагородных металлов. Наибольшее распространение из первой группы получила термопара типа ТПП (платинородий – платина). Эта термопара может использоваться как образцовая. Достоинством ее является химическая стойкость к окислительной среде, взаимозаменяемость термоэлектродов, повторяемость характеристик. Недостаток – малое значение термоЭДС. Термопара типа ТПП может длительно работать при температуре 1300ºС.
Существенно большие значения термоЭДС имеют термопары из неблагородных металлов. Наибольшее распространение получили термопары типа ТХА (хромель – алюмель) и типа ТХК (хромель – копель). ТХА применяют для измерения температур в пределах от -50 до +1000ºС. Они способны работать в окислительной среде, поскольку образуемая при нагреве тонкая защитная пленка препятствует проникновению кислорода внутрь металла. Зависимость термоЭДС от температуры для ТХА очень близка к линейной. Термопары типа ТХК имеют самую высокую чувствительность – 6,95 мВ на 100ºС. Однако диапазон измеряемых температур от -50 до +600ºС несколько ниже, чем у термопар типа ТХА. Зависимость термоЭДС от температуры для ТХК менее линейна. Их достоинством является более высокая влагостойкость.
Для непосредственного измерения температуры объекта (технологического процесса) выбираем термопару типа ТХА, т.к. ее зависимость термоЭДС от температуры более линейна в сравнении с другими типами термопар, что дает дополнительную точность измерения, а также термопара типа ТХА прекрасно работает в окислительных средах.
Зависимость термоЭДС от температуры для термопары типа ТХА:
,
где - температура рабочего спая термопары, ºС; - температура свободных концов термопары, ºС; - термоЭДС термопары, В; - коэффициент термопары типа ТХА, В/ ºС.
Идеальным было бы, если температура свободных концов была равна 0ºС или всегда была постоянна. Но так как в реальности температура свободных концов никогда не бывает постоянной и всегда имеет различную температуру, в зависимости от места положения аппарата, то проектируемый аппарат нуждается в дополнительном датчике температуры для компенсации температуры свободных концов термопары. Решим эту задачу использованием термопреобразователя сопротивления типа ТСМ. Зависимость сопротивления термопреобразователя от температуры определяется по формуле:
,
где - сопротивления терморезистора при температуре Т, ºС; - сопротивление терморезистора при 0 ºС; - температурный коэффициент меди, 1/ºС; - температура свободных концов термопары, ºС.
Медные термометры сопротивления имеют наиболее распространенные градуировки 50М и 100М. Числа 50 и 100 обозначают сопротивления чувствительного элемента при 0 ºС (50 Ом и 100 Ом), а буква М обозначает материал обмотки терморезистора – медь. Выберем градуировку 100М. Для нее зависимость сопротивления терморезистора от температуры свободных концов термопары:
.
1.3 Обзор АЦП
АЦП являются устройствами, которые принимают входные аналоговые сигналы и генерируют соответствующие им цифровые сигналы, пригодные для обработки микропроцессорами и другими цифровыми устройствами.
В настоящее время известно большое число методов преобразования напряжение – код. Эти методы существенно отличаются друг от друга потенциальной точностью, скоростью преобразования и сложностью аппаратной реализации.
Классификация АЦП по методам преобразования показана на рис.1.

Рис.1. Классификация АЦП по методам преобразования
1. Параллельные АЦП осуществляют квантование сигнала одновременно с помощью набора компараторов, включенных параллельно источнику входного напряжения. По параллельному методу входное напряжение одновременно сравнивают с n опорными напряжениями и определяют, между какими двумя опорными напряжениями оно лежит. Благодаря одновременной работе компараторов параллельный АЦП является самым быстрым. Недостатком этой схемы является высокая сложность, а, следовательно, высокая стоимость (сотни долларов США) и значительная потребляемая мощность.
2. Последовательно – параллельный АЦП является компромиссом между стремлением получить высокое быстродействие и желанием сделать это по возможности меньшей ценой. Последовательно – параллельные АЦП занимают промежуточное положение по разрешающей способности и быстродействию между параллельными АЦП и АЦП последовательного приближения. Такие АЦП являются преобразователями мгновенных значений напряжения, и входной сигнал за время преобразования существенно не изменяется.
А) В многоступенчатом АЦП процесс преобразования входного сигнала разделен в пространстве и во времени. Такой АЦП работает в три такта. В первом такте осуществляется грубое квантование входного сигнала, и результат этого квантования поступает на выход в качестве старших разрядов. Во втором такте эти разряды с помощью ЦАП преобразуются в напряжение, которое сравнивается с входным, и разность от этого сравнения поступает на вход второго АЦП. В третьем такте осуществляется преобразование этой разности в четыре младших разряда выходного кода. Очевидно, что быстродействие такого АЦП в три раза меньше, чем аналогичного параллельного, однако для его построения требуется и меньшее (в несколько раз) число компараторов. Грубо приближенная и точная величины должны, естественно, соответствовать одному и тому же входному напряжению. Из-за наличия задержки сигнала в первой ступени возникает, однако, временное запаздывание. Поэтому при использовании данного способа входное напряжение необходимо поддерживать постоянным с помощью устройства выборки и хранения (УВХ) до тех пор, пока не будет получено все число.
Б) В многотактных последовательно – параллельных АЦП процесс преобразования разделен во времени. Входное напряжение многотактного АЦП во время преобразования должно быть неизменным, для чего между его входом и источником входного сигнала следует включить УВХ. Преобразователь такого типа оказывается медленнее двухступенчатого преобразователя, однако он проще и дешевле. По быстродействию многотактные АЦП занимают промежуточное положение между многоступенчатыми АЦП и АЦП последовательного приближения. Реагирует на мгновенное значение напряжения.
В) Конвейерные АЦП. Применив конвейерный принцип многоступенчатой обработки входного сигнала можно повысить быстродействие многоступенчатого АЦП. В обыкновенном двухступенчатом АЦП вначале происходит формирование старших разрядов выходного слова преобразователем АЦП1
, а затем идет период установления выходного сигнала ЦАП. На этом интервале АЦП2
простаивает. На втором этапе во время преобразования остатка преобразователем АЦП2
простаивает АЦП1
. Введя элементы задержки аналогового и цифрового сигналов между ступенями преобразователя, получим конвейерный АЦП. Роль аналогового элемента задержки выполняет УВХ, а цифрового – четыре D-триггера. Триггеры задерживают передачу старшего полубайта в выходной регистр на один период тактового сигнала CLK. Таким образом, конвейерная архитектура позволяет существенно (в несколько раз) повысить максимальную частоту дискретизации многоступенчатого АЦП. Конвейерную архитектуру имеет большое количество выпускаемых в настоящее время многоступенчатых АЦП. При выборе конвейерного АЦП следует иметь в виду, что многие из них не допускают работу с низкой частотой дискретизации. Это вызвано тем, что внутренние УВХ имеют довольно высокую скорость разряда конденсаторов хранения, поэтому работа с большим тактовым периодом приводит к значительному изменению преобразуемого сигнала в ходе преобразования и, как следствие, к ошибкам преобразования. Конвейерные АЦП потребляют довольно маленькую мощность.
3) Последовательные АЦП.
А) АЦП последовательного счета. Этот преобразователь является типичным примером последовательных АЦП с единичным приближением и состоит из компаратора, счетчика и ЦАП. На один вход компаратора поступает входной сигнал, а на другой – сигнал обратной связи с ЦАП. Работа преобразователя начинается с прихода импульса запуска, который включает счетчик, суммирующий число импульсов, поступающих от генератора тактовых импульсов ГТИ. Выходной код счетчика подается на ЦАП, осуществляющий его преобразование в напряжение обратной связи VFB
. Процесс преобразования продолжается до тех пор, пока напряжение обратной связи сравняется с входным напряжением и переключится компаратор, который своим выходным сигналом прекратит поступление тактовых импульсов на счетчик. Переход выхода компаратора из «1» в «0» означает завершение процесса преобразования. Выходной код, пропорциональный входному напряжению, в момент окончания преобразования считывается с выхода счетчика. Время преобразования АЦП этого типа является переменным и определяется входным напряжением. Его максимальное значение соответствует максимальному входному напряжению и при разрядности двоичного счетчика N и частоте тактовых импульсов fCLK
равно
tMAX
=(2N
–1)/fCLK
.
АЦП данного типа без УВХ пригодны для работы с постоянными или медленно изменяющимися напряжениями, которые за время преобразования изменяются не более, чем на значение кванта преобразования. Таким образом, особенностью АЦП последовательного счета является небольшая частота дискретизации, достигающая нескольких килогерц. Достоинством АЦП данного класса является сравнительная простота построения, определяемая последовательным характером выполнения процесса преобразования. В настоящее время такие АЦП не изготавливаются в виде интегральных микросхем.
Б) АЦП последовательного приближения (АЦП с поразрядным уравновешиванием) являются наиболее распространенным вариантом последовательных АЦП. В основе работы этого класса преобразователей лежит принцип дихотомии, т. е. последовательного сравнения измеряемой величины с 1/2, 1/4, 1/8, и т. д. от ее возможного максимального значения. Это позволяет для N – разрядного АЦП последовательного приближения выполнить весь процесс преобразования за N последовательных шагов (итераций) вместо 2N
–1 при использовании последовательного счета и получить существенный выигрыш в быстродействии. В тоже время статическая погрешность этого типа преобразователей, определяемая в основном используемым в нем ЦАП, может быть очень малой, что позволяет реализовать разрешающую способность до 18 двоичных разрядов при частоте дискретизации до 200 кГц. Быстродействие АЦП данного типа определяется суммой времени установления tC
ЦАП до установившегося значения с погрешностью, не превышающей 0,5 МЗР, времени переключения компаратора tK
и задержки распространения сигнала в регистре последовательного приближения tЗ
. Сумма tK
+tЗ
является величиной постоянной, а tC
уменьшается с уменьшением веса разряда. Следовательно, для определения младших разрядов может быть использована более высокая тактовая частота. При поразрядной вариации fCLK
возможно уменьшение времени преобразования на 40%. Для этого в состав АЦП может быть включен контроллер. При работе без УВХ апертурное время равно времени между началом и фактическим окончанием преобразования, которое так же, как и у АЦП последовательного счета, по сути, зависит от входного сигнала, т. е. является переменным. Возникающие при этом апертурные погрешности носят также нелинейный характер. Поэтому для эффективного использования данного АЦП между его входом и источником преобразуемого сигнала следует включать УВХ. Большинство выпускаемых в настоящее время ИС АЦП последовательного приближения имеют встроенные УВХ или, чаще, устройства слежения и хранения (track-and-hold), управляемые сигналом запуска АЦП. Устройство слежения и хранения отличается тем, что постоянно находится в режиме выборки, переходя в режим хранения только на время преобразования сигнала. Данный класс АЦП занимает промежуточное положение по быстродействию, стоимости разрешающей способности между последовательно – параллельными и интегрирующими АЦП и находят широкое применение в системах управления, контроля и цифровой обработки сигналов. Недостатком рассмотренных выше последовательных АЦП является низкая помехоустойчивость результатов преобразования. Действительно, выборка мгновенного значения входного напряжения обычно включает слагаемое в виде мгновенного значения помехи. Впоследствии при цифровой обработке последовательности выборок эта составляющая может быть подавлена, однако на это требуется время и вычислительные ресурсы.
В АЦП, рассмотренных ниже, входной сигнал интегрируется либо непрерывно, либо на определенном временном интервале, длительность которого обычно выбирается кратной периоду помехи. Это позволяет во многих случаях подавить помеху еще на этапе преобразования. Платой за это является пониженное быстродействие интегрирующих АЦП.
В) АЦП многотактного интегрирования. Принцип действия состоит в определении отношения двух отрезков времени, в течение одного из которых выполняется интегрирование входного напряжения интегратором на основе операционного усилителя (напряжение UИ
на выходе интегратора изменяется от нуля до максимальной по модулю величины), а в течение следующего – интегрирование опорного напряжения UОП
. Одним из основных преимуществ АЦП данного типа является высокая помехозащищенность. Случайные выбросы входного напряжения, имеющие место в течение короткого времени, практически не оказывают влияния на погрешность преобразования. Кроме того, для получения высокой точности преобразования не требуется высокой точности применяемых элементов, стабильности тактовой частоты генератора импульсов. Недостаток – малое быстродействие. Интегрирующий АЦП реагирует на среднее значение входного напряжения. Можно выделить две главные группы АЦП многотактного интегрирования: схемы с параллельным или последовательным выходом для сопряжения с микропроцессором; схемы с двоично-десятичными счетчиками с дешифраторами для управления семисегментными индикаторами, в том числе мультиплексированными.
Г) Сигма-дельта АЦП. В этом названии отражается два процесса: интегрирование за малое время и сложение результатов интегрирования. В этом АЦП осуществляется дискретизация аналогового сигнала с частотой во много раз большей, чем минимальная частота дискретизации. Минимальная частота дискретизации должна быть по меньшей мере в два раза выше максимальной частоты в спектре преобразуемого сигнала. Такая супердискретизация (дискретизация с повышенной частотой) позволяет интерполировать входное аналоговое напряжение между теми точками данных, где были взяты отсчеты с минимальной частотой дискретизации. На выходе АЦП при этом формируется импульсный сигнал, содержащий варьируемое количество «1» и «0» в зависимости от величины входного сигнала. Причем длительность как «единичного», так и «нулевого» уровней строго кратна периоду тактовой частоты супердискретизации ТС
. Сравнение сигма-дельта АЦП с АЦП многотактного интегрирования показывает значительные преимущества первых. Прежде всего, линейность характеристики преобразования сигма-дельта АЦП выше, чем у, аналогичной по стоимости, АЦП многотактного интегрирования. Это объясняется тем, что интегратор сигма-дельта АЦП работает в значительно более узком динамическом диапазоне, и нелинейность переходной характеристики усилителя, на котором построен интегратор, сказывается значительно меньше. Емкость конденсатора интегратора у сигма-дельта АЦП значительно меньше (десятки пикофарад), так что этот конденсатор может быть изготовлен прямо на кристалле ИС. Как следствие, сигма-дельта АЦП практически не имеет внешних элементов, что существенно сокращает площадь, занимаемую им на плате, и снижает уровень шумов. Сигма-дельта АЦП высокого разрешения имеют развитую цифровую часть, включающую микроконтроллер. Это позволяет реализовать режимы автоматической установки нуля и самокалибровки полной шкалы, хранить калибровочные коэффициенты и передавать их по запросу внешнего процессора.
1.4 Описание микропроцессорной части
Микропроцессорная часть содержит следующие элементы:
Центральный процессор управления (CPU) – D12, постоянное запоминающее устройство (ПЗУ) – D20, оперативное запоминающее устройство (ОЗУ) – D14, коммутатор напряжения (К590КН6) – D11, аналого-цифровой преобразователь (АЦП) –D17, регистр адреса – D13, дешифратор адреса – D22, а также формирователи (Ф) – D18, D19, D16, D15 и регистр – D10 для обмена с внешними и внутренними устройствами. В качестве CPU использована 8 – разрядная однокристальная микроЭВМ серии К1816ВЕ31. Порт P0 используется для организации шины данных, так и шины адреса. Порт P2 используется для организации шины адреса, порт P1 для управления коммутатором и АЦП, выводы порта P3, а также выводы PME и ALE образуют шину управления этой микропроцессорной системы. Шины данных микропроцессорной системы D0 и D7 имеют 8 разрядов. Шина адреса – 16 разрядная: A0 – A15. Поскольку P0 используется и для шины адреса и для шины данных, то при выполнении операций чтение по какому- либо адресу и запись в какой – либо адрес, для временного хранения адреса используется регистр адреса D13. При выполнении команд чтения адреса (запись в ОЗУ) вначале на портах P0 и P2 устанавливается 16 – разрядный адрес. Младший байт адреса по шине D0 – D7 под действием сигнала ALE записывается в регистр адреса, после чего код адреса из порта P0 убирается и в P0 производится прием данных из ОЗУ или передача данных из Р0 в ОЗУ. Аналогичным образом считывается информация из ПЗУ. Для управления различными внутренними и внешними устройствами системы используется дешифратор адреса D22, на входы которого 0, 1 и 2 подаются старшие разряды адреса соответственно А13, А14 и А15. Когда А13=0, А14=0, А15=0 то активный сигнал “0” будет на выходе 0 (вывод 15 микросхемы), на остальных выходах будут логические “1”. Этот сигнал с выхода 0, если установить код 001, то есть А15=0, А14=0, А13=0, то появится на выходе 1, на остальных выходах будет “1”. Этот сигнал поступает на двунаправленный формирователь D15 (микросхема К555АП6). Это позволяет передавать и принимать данные из контроллера, клавиатуры и дисплея (ККД). По адресу 010 возможно считывание младшего байта АЦП (активен вывод 2 микросхемы D22), по адресу 011 возможно считывание старшего байта АЦП (вывод 3). Выход 4 позволяет записывать информацию для управления внешними цифровыми устройствами в регистр управления D10 (К555ИР22).
Поскольку АЦП К1108 ПВ2 имеет 12 выходных разрядов: D0 – D11, то для согласования этих выходов с 8 – разрядной шиной данных используются два формирователя D18 и D19. D18 передает младшие байты Q1 –Q8 от АЦП к микропроцессору (на шину данных ШД), а D19 старшие разряды Q9 – Q12. На вход 13 АЦП (IN) подается измеряемое напряжение. На вход 32 АЦП с выходом порта Р1 поступает сигнал пуск, означающий начало аналого-цифрового преобразования. По окончанию преобразования на выходе RAD (вывод 18 DD17) появляется сигнал “готов”, означающий конец преобразования. После этого возможно считывание выходных разрядов D0 – D11 с АЦП. Выводы 19 и 21 – питающие (+5 В, -6В), вывод 29 – аналоговая земля, вывод 40 – цифровая земля.
Поскольку требуется измерять несколько аналоговых напряжений, целесообразно применять один АЦП и многоразрядный коммутатор аналоговых сигналов, коммутатор D11 имеет 8 аналоговых входов 1, 2, 3…8; 3 цифровых входов адреса (А, В, С); вход разрешения Е и один выход Q. Когда Е=1, то в зависимости от кода на адресных входов А, В, С напряжение на выходе коммутатора равно напряжению на выбранном входе. Например, А=1, В=0, С=0, то на выход Q поступает напряжение со входа 2 (вывод 5 микросхемы D11). Запись в ОЗУ и ККД осуществляется под действием сигнала RD. Чтение данных из ПЗУ осуществляется с помощью сигнала PSEN.
1.5 Описание платы индикации и клавиатуры
Плата индикации и клавиатуры содержит контроллер клавиатуры и дисплея ККД (D24), дешифратор D25 для сканирования клавиатуры и дисплея, формирователь D26 для усиления сигнала. ККД осуществляет динамическую индикацию четырех светодиодных индикаторов серии АЛС321Б с объединенными анодами. В начале на выходах SL0 – SL3 устанавливается логический 0, в результате на выходе 0 дешифратора D25 появится 0, а на остальных выходах дешифратора D25 будет логическая 1. Этот 0 открывает транзистор VT9, в результате через этот транзистор течет ток (от +5В через VT9 в индикатор HG1). Одновременно с этим на выходах ККД А0 – А3, В0 – В3 формируется код для засветки семисегментного индикатора. Пусть, например, высвечивается цифра 1, тогда А0=0, А1=1, А2=1, А3=0, В0 – В3=0. Эти сигналы усиливаются по току микросхемы D26 и поступают на базы транзисторов VT14, VT15, если на базе транзистора высокое напряжение, то транзистор открывается, что обеспечивает прохождение тока через соответствующий светодиод индикатора HG1. Таким образом, ток потечет через светодиоды к соответствующим сегментам В и С. Для высвечивания других цифр на выходах В0 – В3 подаются соответствующие коды. Таким образом, высвечивается цифра первого разряда, далее на выходах SL0 – SL3 появляется код 0001, то есть SL0=1, остальные равны 0. В результате получается логический “0” на выходе 1 дешифратора D25, что обеспечивает свечение индикатора HG2. Одновременно с этим на выходах В0 –В3 вырабатываются коды для засветки второго индикатора HG2. Остальные индикаторы светиться не будут, так как из транзисторов VT9 – VT12 будет открыт только VT10. Аналогичным образом высвечиваются индикаторы HG3 и HG4, после чего процесс повторяется. Частота отдельных вспышек каждого индикатора составляет десятки Гц, что производит впечатление непрерывного свечения. Данные, которые выводятся на индикацию, поступают от CPU по шине данных через формирователь D18 и записываются во внутренние ОЗУ ККД под действием сигналов WR и CS. Эти данные хранятся до тех пор, пока не будут замещены новыми. Кроме того ККД обеспечивает опрос клавиатуры размером 16 клавиш. Когда на входе дешифратора D25 присутствует логический “0”, то при нажатии кнопки, например, S6 напряжение низкого уровня оказывается приложенным к входу RL5. ККД определяет, что имело место нажатия кнопки, записывает в ОЗУ клавиатуры код, присутствующий на входах RL0 – RL7 и формирует сигнал на выходе IRQ – запрос на прерывание. Этот сигнал поступает на процессор D12 и обрабатывается в зависимости от алгоритма программы. При выполнении прерывания микропроцессор приостанавливает выполнение основной программы и переходит на подпрограмму обработки прерывания. При этом микропроцессор с помощью сигнала RD и CS считывает код нажатой кнопки из ККД и возвращается к выполнению основной программы. Диоды нужны для того, чтобы нажатая кнопка S2 не воспринималась как нажатие кнопки S10.
1.6 Обзор и сравнение характеристик силовых приборов
Перечислим управляемые силовые полупроводниковые приборы (дискретные или использующиеся в модулях и силовых интегральных схемах), которые наиболее широко применяются в настоящее время:
· IGBT;
· МДП – транзистор;
· Биполярный транзистор;
· SIT;
· Тиристор;
· Симистор;
· Запираемый тиристор.
Выпускаемые промышленностью отдельные конкретные типы всех перечисленных выше транзисторов и тиристоров имеют высокие значения максимально допустимых напряжений (сотни вольт) и максимально допустимых токов (сотни ампер).
Существуют конкретные типы тиристоров, запираемых тиристоров и IGBT, для которых максимально допустимое напряжение существенно больше 1000 В, а максимально допустимый ток существенно больше 1000 А.
Рекордные значения максимально допустимого напряжения и максимально допустимого тока по каждому силовому полупроводниковому прибору постоянно растут.
Выбор полупроводникового прибора в качестве основы устройства силовой электроники является ответственным этапом. От этого выбора сильно зависят технико-экономические показатели разрабатываемого устройства.
При выборе прибора часто приходится учитывать большое число факторов. Из технических факторов обычно наиболее важными являются значения: коммутируемых токов; коммутируемых напряжений; выходной мощности разрабатываемого устройства; частоты коммутации (переключения).
Перечислим характерные особенности полупроводниковых приборов. Эти особенности необходимо учитывать при выборе прибора.
МДП – транзистор имеет наилучшие динамические свойства. Он обладает неоспоримыми преимуществами при повышенной (более 100 кГц) частоте коммутации (т.к. другие приборы практически неспособны работать на такой частоте). Другими характерными преимуществами МДП – транзистора является высокая теплостойкость и простота формирования сигналов управления.
IGBT обладает хорошими динамическими свойствами (частота коммутации до 100 кГц). Высоковольтный IGBT имеет меньшее напряжение в открытом состоянии в сравнении с соответствующим МДП – транзистором. IGBT обладает высокой теплостойкостью. Для него несложно сформировать управляющие сигналы.
Биполярный транзистор характеризуется малым напряжением в открытом состоянии. Однако его динамические свойства невысоки (частота коммутации до 10 кГц).
SIT в некоторых случаях имеет меньшее напряжение в открытом состоянии в сравнении даже с биполярным транзистором.
Тиристор способен коммутировать очень большие токи и напряжение, однако он может использоваться при достаточно низкой частоте коммутации (десятки, сотни и, иногда, тысячи герц).
В настоящее время наиболее перспективными силовыми приборами часто называют МДП – транзисторы, тиристоры и IGBT.
Для определения области предпочтительного применения прибора используют координатную плоскость (рис. 2.), откладывая по оси абсцисс частоту f коммутации, а по оси ординат – выходную мощность P устройства силовой электроники.

Рис.2. Области предпочтительного применения прибора
Из выбора и расчета схемы управления нагревателем, а также по соотношениям количественных и качественных характеристик с экономическими, выбираем в качестве силового ключа - полупроводниковый тиристор.
2. РАЗРАБОТКА ПРИНЦИПИАЛЬНОЙ СХЕМЫ
2.1 Выбор и расчет схемы компенсации температуры свободных концов термопары
Рассмотрим схемы работы измерительного канала:
1. Первый способ (рис.3.)

Рис.3 Схема измерительного канала с компенсацией в МП
Термопара измеряет температуру объекта (технологического процесса) и преобразует ее в термоЭДС. Датчик температуры (терморезистор) измеряет температуру свободных концов термопары, изменяя свое электрическое сопротивление. Коммутатор по сигналу микропроцессора сначала подключает на вход АЦП сигнал термопары - термоЭДС, АЦП преобразует ее в цифровой код и направляет в микропроцессор. Затем микропроцессор подает сигнал коммутатору о подключении датчика температуры (терморезистора). Изменение сопротивления терморезистора преобразуется в напряжение с помощью преобразователя П, затем АЦП преобразует это напряжение в цифровой код, который подается в микропроцессор. Вычитая из первого цифрового кода второй, микропроцессор делает коррекцию и выдает реальную температуру объекта.
Достоинства:
· Мало электронных узлов в схеме;
· Малая погрешность канала.
Недостатки:
· Загруженность микропроцессора;
· Использование не менее 9-канального коммутатора для восьми каналов измерения.
Рассчитаем преобразователь сопротивление - напряжение.
Преобразование сопротивления в напряжение будем производить с использованием операционного усилителя (рис.4.).

Рис.4. Преобразователь «Сопротивление-напряжение».
Элементы схемы R1, R2 и VD1 представляют собой стабилизированный источник напряжения на стабилитроне VD1. Rт – терморезистор. Напряжение питания схемы 15 В.
Выбираем стабилитрон КС147А.
Характеристики стабилитрона КС147А:
Рабочий ток =20 мА;
Напряжение стабилизации =4,7 В.
Сопротивление находим по формуле:
Ом;
Мощность рассеивания резистора :
Вт
Достаточно выбрать резистор мощностью 0,5 Вт.
;
,
Следовательно,
Ом.
Выбираем с запасом равным 10 кОм.
Мощность, которую может рассеять резистор :
Вт ≈ 0
Достаточно выбрать резистор мощностью 0,125 Вт.
Напряжение на входе операционного усилителя В.
Преобразователь сопротивление – напряжение построен на инвертирующем усилителе напряжения. Для него справедлива формула:
,
где - сопротивление терморезистора, Ом; - выходное напряжение ОУ, В.
Сопротивление терморезистора при температуре 60 ºС находим по формуле:
Ом;
Максимальное выходное напряжение ОУ (входное на АЦП) равно 3 В.
Ом ≈ 100 Ом.
Мощность рассеивания резистора :
Вт
Достаточно выбрать резистор мощностью 0,125 Вт.
Шаг квантования АЦП:
В.
Относительная погрешность квантования:
%.
Шаг квантования АЦП по температуре:
ºС.
Относительная погрешность квантования при 60 ºС:
%
2. Второй способ (рис.5.).

Рис.5. Схема измерительного канала с компенсацией в сумматоре
Этот способ отличается от первого тем, что здесь коррекцию производит не микропроцессор, а дополнительно введенный в схему сумматор, который автоматически суммирует (вычитает) напряжения термопары и терморезистора.
Достоинства:
· Микропроцессор менее загружен;
· Можно использовать 8-канальный коммутатор для восьми каналов измерения.
Недостатки:
· Дополнительный узел – сумматор;
· Сумматор вносит дополнительную погрешность в канал измерения.
Рассчитаем сумматор.
При = 100 ºС и = 0 ºС:
 

Коэффициент усиления ОУ:

Тогда напряжение на входе сумматора равно 1,5 В.
Пусть =10 ºС.
Тогда
В;
В;
В.
Следовательно, В.
При повышении температуры свободных концов на каждые 10 ºС напряжение повышается на 0,15 В.
Сопротивление терморезистора при 10 ºС:
Ом;
Тогда сопротивление R в схеме операционного усилителя равно:
Ом.
Резистор R будет составным: 1000, 560, 56 и18 Ом.
Мощность рассеивания резистора R:
Вт ≈ 0
Достаточно выбрать резистор мощностью 0,125 Вт.
Для компенсации температуры свободных концов термопары выбираем второй способ с сумматором. Общая схема соединения показана на рис. 6.
В качестве сумматора выбираем операционный усилитель К140УД7.

Рис.6. Схема соединения датчиков температуры одного канала
2.2 Выбор и расчет усилителя
Операционные усилители (ОУ) – это высококачественный усилитель, предназначенный для усиления как постоянных, так и переменных сигналов, и выполняющие различные операции над аналоговыми величинами при работе в схеме с отрицательной обратной связью.
В проектируемом аппарате термоЭДС с выхода термопары должна быть усилена с помощью усилителя до максимального входного напряжения АЦП. По рабочему заданию измеряемая температура объекта (технологического процесса) находится в пределах 90…170 ºС, погрешность измерения ±2 ºС. Рассчитаем коэффициент усиления в схеме измерения температуры с запасом до 200 ºС.
Будем усиливать сигнал с термопары операционным усилителем.
На входе АЦП максимальное значение напряжения должно быть равно 3В. Рассчитаем коэффициент усиления по формуле:
,
где - напряжение на выходе ОУ и на входе АЦП, В; - измеряемая температура, ºС; - коэффициент термопары, В/ ºС; - коэффициент усиления ОУ.
Максимальное напряжение на входе АЦП устанавливается, когда измеряемая температура равна 200 ºС. При максимальной температуре , коэффициент усиления ОУ равен:

Выбираем схему неинвертирующего усилителя (рис.7.):


Рис.7. Схема неинвертирующего операционного усилителя
Здесь ; должен находиться в пределах от единицы кОм до сотен кОм. При больших сопротивлениях начинают сказываться токи утечки ОУ, при малых – возможны броски тока, что снижает надежность.
Выберем значение равным 500 Ом, тогда
Ом.
Максимальное напряжение на входе ОУ не более 3В.
Мощность резистора :
Вт ≈ 0
Выходное напряжение не может превышать ± 3 В. Напряжение на резисторе не может превышать
В.
Мощность резистора :
Вт ≈ 0
Достаточно выбрать резисторы мощностью 0,125Вт.
Выбираем прецизионные резисторы марки С2 – 33. Сопротивление делаем составным: 150 кОм; 22 кОм и 12 кОм.
По справочнику [3] выбираем операционный усилитель К140УД7.
Характеристики ОУ:
· Напряжение смещения нуля = 4 мВ;
· Дрейф напряжения смещения = 6 мкВ/ ºС;
· Средний входной ток = 200 нА;
· Коэффициент ослабления синфазного сигнала = 70 дБ;
· Максимальный выходной ток = 20 мА;
· Максимальное выходное напряжение = 11,5 В;
· Напряжение питания = ±15 В;
· Наличие внутренней коррекции;
· Наличие защиты выхода в режиме короткого замыкания.
2.3 Выбор коммутатора, его характеристики
Коммутатором называют комбинационное устройство, обеспечивающее передачу в желаемом порядке аналоговой информации, поступающей по нескольким информационным входам на один выход. Они представляют собой набор аналоговых ключей с внутренними цифровыми схемами управления.
Сигналы на адресных входах определяют, какой конкретно информационный канал подключен к выходу. Если между числом информационных входов n и числом адресных входов m действует соотношение n=2m
, то такой мультиплексор называют полным. Если n<2m
, то мультиплексор называют неполным.
Разрешающие входы используют для расширения функциональных возможностей мультиплексора. Они используются для наращивания разрядности мультиплексора, синхронизации его работы с работой других узлов. Сигналы на разрешающих входах могут разрешать, а могут и запрещать подключение определенного входа к выходу, т.е. могут блокировать действие всего устройства.
Так как из расчетов схем работы измерительного канала (см. п. 2.1) мы выбрали схему с сумматором, то из справочника [3] выбираем коммутатор К590КН6.
Основные характеристики коммутатора К590КН6:
· Число каналов 8;
· Напряжение питания = ±15 В;
· Коммутируемое напряжение = ±15 В;
· Коммутируемый ток = 20 мА;
· Сопротивление открытого канала = 300 Ом;
· Время включения = 0,3 мкс;
· Входной ток утечки = 50 нА;
· Выходной ток утечки = 70 нА.
2.4 Выбор АЦП
По справочнику [4] выбираем 12-разрядный АЦП последовательных приближений с интерфейсом микропроцессора К1108ПВ2,поскольку требуется измерить мгновенное значение
Микросхема представляет собой быстродействующий 12-разрядный аналого-цифровой преобразователь последовательного приближения, сопрягаемый с микропроцессорами, со временем преобразования не более 2 мкс и предназначена для преобразования входного аналогового напряжения в выходной прямой двоичный код. Содержит ЦАП, встроенный источник опорного напряжения (ИОН), компаратор напряжения, генератор тактовых импульсов (ГТИ), регистр последовательных приближений, схему управления, выходной регистр на 3 состояния с хранением информации преобразования в течение последующего цикла преобразования и схему перевода в 8-разрядный режим работы с временем преобразования 0.75 мкс.
Предусмотрены режимы работы АЦП с внешним и внутренним тактированием и запуском, режим работы с внешним и внутренним ИОН, униполярный и биполярный диапазоны входного аналогового напряжения. Выходы имеют три состояния.
Имеется дополнительный цифровой выход переполнения OVF. Уровни соответствуют ТТЛ-схемам.
Цикл преобразования длится 14 тактов (первый и последний — служебные). Изменение входного сигнала допускается только во время первого такта. Сигнал переполнения с уровнем логической 1 появляется на выводе 5, если амплитуда входного сигнала превышает допустимое значение на 1 МЗР. Временные диаграммы показаны на рис.8.
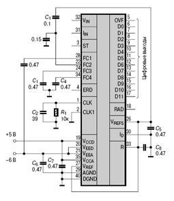
Внутренний ГТИ может работать как в автоколебательном режиме, так и в режиме управления внешними импульсами. В первом случае к выводу 1 подключают частотозадающий конденсатор или кварцевый резонатор (на частоту до 7.3 МГц), во втором его соединяют с цифровой землей, а на вывод 2 подают импульсы с уровнями ТТЛ и длительностью не менее 60 нс. При биполярном преобразовании вывод 33 соединяют с землей. Управление микросхемы по входам CLK, ST и ERD осуществляется управляющим напряжением ТТЛ НИЗКОГО уровня. Назначения выводов сведены в табл.1., а схема подключения АЦП с внутренними ИОН и ГТИ показана на рис.9.
Для уменьшения уровня помех, приведенных к входу, управление выходным регистром по входу ERD и изменение сигнала на цифровых выходах желательно осуществлять после завершения цикла кодирования.
Выход внутреннего ИОН можно подключать к внешним устройствам с током нагрузки не более 1 мА.
Предельно допустимые режимы работы и основные электрические параметры сведены в таблицах 2 и 3 соответственно.
Максимальное измеряемое напряжение в биполярном режиме ±3 В.
Входное сопротивление АЦП не менее 1 Мом.

Рис.8. Временные диаграммы
Табл.1. Назначение выводов


Рис.9. Схема включения АЦП с внутренними ИОН и ГТИ
Табл.2. Предельно допустимые режимы работы

Табл. 3. Основные электрические параметры

2.5 Выбор гальванической развязки силовой части и схемы управления
В электрическом аппарате должна быть предусмотрена гальваническая развязка цепей управления и силовых цепей. Она используется для предотвращения поражения электрическим током обслуживающего персонала и защиты цепей управления. Гальваническая развязка может защитить цепи управления не только от высоковольтных сигналов, способных вывести их из строя, но и от электромагнитных помех, создаваемых силовыми цепями.
Обычно для гальванической развязки используют оптроны или трансформаторы.
Импульсными трансформаторами называются специальные типы сигнальных трансформаторов, которые предназначены для трансформации или формирования импульсов напряжения (тока) различной формы в схемах управления.
Недостатками импульсных трансформаторов являются:
· довольно большие искажения формы трансформируемого импульса;
· большая длительность фронта импульса tф
(быстрого нарастания сигнала) – обусловлена действием индуктивности рассеяния Ls
1
и собственной емкости C трансформатора;
· относительно большой спад вершины импульса – объясняется конечным значением индуктивности намагничивания L1
;
· размагничивающее действие вихревых токов;
· гистерезис;
· увеличение габаритов и массы электрического аппарата.
Оптрон – полупроводниковый прибор, содержащий источник и приемник излучения, объединенные в одном корпусе, и связаны между собой оптически. Широко распространены оптроны, у которых в качестве приемника излучения используется фоторезистор, фотодиод, фототранзистор и фототиристор.
Для оптической коммутации высоковольтных сильноточных цепей главным образом используются тиристорные оптроны. Быстродействие тиристорных оптронов характеризуется временем переключения, которое часто лежит в диапазоне 5…50 мкс.
Принципиальные достоинства оптронов, обусловленные использованием фотонов в качестве носителей информации, заключаются в обеспечении высокой электрической изоляции входа и выхода, однонаправленности потока информации, отсутствии обратной связи с выхода на вход и широкой полосе пропускания. Кроме того, важными достоинствами оптронов являются:
· возможность бесконтактного (оптического) управления электронными объектами и обусловленные этим разнообразие и гибкость конструкторских решений управления;
· невосприимчивость оптических каналов связи к воздействию электромагнитных полей, что в случае оптронов с протяженным оптическим каналом обусловливает высокую помехозащищенность, а также исключает взаимные наводки;
Оптронам присущи и определенные недостатки:
· низкий КПД, обусловленный необходимостью двойного преобразования энергии (электричество – излучение – электричество), и значительная потребляемая мощность;
· сильная температурная зависимость параметров;
· высокий уровень собственных шумов.
Так как для моей схемы управления нужен достаточно большой коэффициент передачи сигнала с наименьшими потерями, то для гальванической развязки будем использовать маломощный трансформатор.
2.6 Выбор схемы управления нагревателем
Рассчитаем номинальный ток нагревателя одного канала. Силовая цепь изображена на рис.10.

Рис.10. Силовая цепь
Uсети
= 220 В ± 10 %;
f = 50 Гц;
Pн
= 2 кВт;
=> Ом;
А.
При максимальном напряжении сети 242 В ток в цепи будет равен:
А.
Мощность в нагрузке можно регулировать двумя наиболее популярными способами:
1) Фазовое управление. При фазовом управлении тиристор отпирается импульсом управления и подключает напряжение питающей сети к нагрузке на определенную (регулируемую) часть периода, что позволяет экономично регулировать среднее значение мощности, подводимой к нагрузке. Регулировка мощности осуществляется путем изменения фазового угла φ, при котором происходит отпирание ключа – тиристора. В момент замыкания или размыкания ключа при фазовом регулировании из-за резкого изменения тока возникают перенапряжения и, как следствие, радиопомехи, коммутационные помехи и т.п. Это основной недостаток фазового регулирования.
2) Синхронная коммутация. При синхронной коммутации или коммутации при нулевом напряжении ключ отпирает и запирает цепь в момент, когда напряжение питающей сети проходит через нуль. При этом мощность в нагрузке регулируется путем изменения отношения длительности замкнутого состояния ключа (тиристор открыт), когда к нагрузке прикладывается целое число периодов питающей сети, к длительности его разомкнутого состояния (тиристор закрыт). Коммутационные помехи в этом случае резко уменьшаются.
Как для проектирования электрического аппарата с высокой степенью точности измерения и регулировки температуры, выбираем фазовое управление мощностью на нагрузке.
Регулировку будет осуществлять непосредственно микропроцессор. Микропроцессор постоянно делает тактовые отсчеты и в любой из этих отсчетов микропроцессор может подать управляющий импульс. Но микропроцессору нужна какая-то начальная точка отсчета. Этой начальной точкой для МП будет датчик нуля напряжения (ДНН) показанный на рис.11.

Рис.11. Схема датчика нуля напряжения
Схема ДНН состоит из понижающего трансформатора напряжения с коэффициентом трансформации к=10, диодного моста VD1-VD4, резистора R62
и стабилитрона VC2. На вход трансформатора подается сетевое напряжение, на выходе оно стает равным
В.
На выходе мостового выпрямителя получается однонаправленное пульсирующее напряжение. Стабилитрон служит для ограничения выходного напряжения до напряжения стабилизации. Таким образом, на выходе ДНН получается пульсирующее напряжение, ограниченное сверху, задевающее область нуля. Выход ДНН подключается к порту микропроцессора p1.7, откуда микропроцессор получает сигнал о переходе сетевого напряжения через нуль. И в зависимости от программы управления подает цифровой импульс на схему управления с определенной задержкой времени через цифровые выходы. Схема управления представляет собой транзисторный каскад с общим коллектором (эмиттерный повторитель) (рис.12.). При подаче на базу транзистора логической «1», его выходное напряжение повторяет входное с вычетом сопротивления p-n перехода транзистора. Т. е. входное напряжение трансформатора, служащего как гальваническая развязка, равно 5-0,7=4,3 В. У трансформатора Т1 коэффициент трансформации к=1.

Рис.12. Схема управления тиристорным ключом
Напряжения 4,3 В достаточно для открывания тиристора VS1. Транзистор VT1 питается от источника питания +5 В.
Рассчитаем сопротивление на ДНН. Выберем стабилитрон марки КС147А.
Характеристики стабилитрона КС147А:
Рабочий ток = 20 мА;
Напряжение стабилизации = 4,7 В.
Сопротивление находим по формуле:
Ом;
Мощность рассеивания резистора :
Вт
Достаточно выбрать резистор мощностью 0,5 Вт.
2.7 Выбор силового тиристора
Основные параметры тиристоров, по которым производится выбор полупроводникового прибора для выбранного силового блока:
· Максимально допустимый ток через тиристор ;
· Обратное напряжение ;
· Минимальное управляющее напряжение ;
· Рассеиваемая мощность .
Из выбора схемы управления нагревателя по расчетам максимальный ток, проходящий через тиристор равен 10 А, максимальное напряжение приложенное к тиристору 242 В, управляющее напряжение с микропроцессора 5 В.
Максимальная мощность рассеиваемая тиристором:
Вт;
По нижеуказанным данным, по справочнику [3] выбираем тиристор марки ВТ152.
Основные параметры тиристора ВТ152:
· Максимально допустимый ток через тиристор А;
· Обратное напряжение В;
· Минимальное управляющее напряжение В;
· Рассеиваемая мощность Вт.
2.8 Электрический расчет электронагревателей
Задачей электрического расчета нагревателя является определение материала и основных размеров нагревателя - сечение, длины.
Расчет ведется на одну фазоветвь и одну ветвь в фазе, если есть еще параллельные ветви.
Исходные данные для расчета:
1) мощность нагревателя на фазоветвь Р=2000 Вт;
2) напряжение на нагревателе U=220 В;
3) температура, до которой нужно нагреть изделие Тн
=170 .
По температуре нагрева выбирается материал нагревателя. Рабочая температура нагревателя должна быть больше температуры изделия и меньше максимально допустимой температуры для материала данного нагревателя.
По исходным данным диапазон регулирования температуры составляет 90-170 . Для данных температур выбираем материал нагревателя – сортовая сталь (прокат). Характеристики материала нагревателя:
· максимальная рабочая температура 400-500 ;
· плотность 7860 кг/м3
при 20 ;
· удельное электрическое сопротивление 10∙10-8
Ом∙м при 0 ;
· теплоемкость 0,481∙10-3
Дж/(кг∙ );
· теплопроводность 45-55 Вт/(м∙ );
· температурный коэффициент сопротивления 9∙10-3
К-1
.
Расчетные формулы для определения основных размеров нагревателя получаются совместным решением двух уравнений, одно из которых отражает условие теплообмена, а другое дает связь между электрическими параметрами.


Но
, ,
Тогда

Откуда

Из первого уравнения следует
,
где P- мощность нагревателя на фазоветви, кВт;
U- напряжение на нагревателе, В;
R- сопротивление нагревателя, Ом;
- удельное сопротивление материала нагревателя в горячем состоянии, Ом м;
l- длина нагревателя, м.
S- сечение нагревателя, м2
;
- периметр нагревателя, м;
Fн
- площадка поверхности нагревателя, м2
;
Wдоп
- удельная поверхностная мощность реального нагревателя, Вт/м2
;
d- диаметр проволочного нагревателя, м.
Приравниваем полученные выражения

Для нагревателя круглого сечения
и 
Подставляя значение периметра и сечение в полученное равенство, выведем формулу для диаметра:

Откуда диаметр проволоки:
м;
Ом∙м;
Удельная поверхностная мощность реального нагревателя или значение зависят от конструкции нагревателя, условий его размещения на стенках печи, материала нагреваемого изделия, а также от относительных тепловых потерь.
Выбираем проволочный зигзагообразный свободно подвешенный нагреватель, нагреваемый материал - алюминий.
Для него =0,68;
Удельная поверхностная мощность реального нагревателя определяется формулой:
Вт/м2
;
где - удельная поверхностная мощность идеального нагревателя. Теоретически это вариант, когда тепловые потери отсутствуют и вся мощность от нагревателя передается изделию.
Величину удельной поверхностной мощности идеального нагревателя , полагая его абсолютно черным, определяемой по графикам зависимости (рис.2) от температуры изделия и рабочей температуры нагревателя Тн
.
Вт/см2
=0,01∙104
Вт/м2
;
Полученные значения округляются до ближайших значений по стандарту.
Выбираем диаметр проволочного нагревателя равным 6 мм.
м2
;
Длина проволоки на фазоветвь:
м;
ЗАКЛЮЧЕНИЕ
Цель бакалаврской работы успешно выполнена. Спроектирован электрический аппарат на базе микропроцессора, способный измерять и регулировать температуру в заданном диапазоне температур.
При выполнении бакалаврской работы мною были закреплены навыки работы с технической, справочной и методической литературой, действующими отраслевыми и государственными стандартами, получен опыт разработки конструкторской документации.
СПИСОК ИСПОЛЬЗОВАННОЙ ЛИТЕРАТУРЫ
1. Гордон А. Н. Основы температурных измерений. - М.: Энергоатомиздат, 1992. – 304 с.
2. Крамарухин Ю. Е. Приборы для измерения температуры. - М: Машиностроение, 1990. – 208 с.
3. Тули М. Карманный справочник по электронике: Пер. с англ. – М.: Энергоатомиздат, 1993. – 176 с.
4. Микросхемы АЦП и ЦАП. – М.: Издательский дом «Додэка-ХХI», 2005.- 432 с.
5. Гусев В. Г. Электроника и микропроцессорная техника. - М: Высшая школа, 2005. – 790 с.
6. Коваленко А. А. Основы микроэлектроники. - М: Издательский центр «Академия», 2006. – 240 с.
7. Ефимов И. Е., Козырь И. Я. Микроэлектроника: Проектирование, виды микросхем, функциональная микроэлектроника. - М: Высшая школа, 1987. – 416 с.
8. Лачин В. И., Савелов Н. С. Электроника. – Ростов н/Д: Феникс, 2007. – 703 с.
9. Основы метрологии и электрические измерения. Под ред. Е. М. Душина.- Л.: Энергоатомиздат, 1987. – 480 с.
10. Пароль Н. В. Знакосинтезирующие индикаторы и их приминение: Справочник. – М.: Радио и связь, 1988. – 128 с.
11. Электротехнологические промышленные установки. Под ред. А. Д. Свенчанского. – М.: Энергоиздат, 1982. – 399 с.
12. Проектирование электрических аппаратов. Под ред. Г. Н. Александрова.- Л.: Энергоатомиздат, 1985. – 448 с.
13. Семенов Б. Ю. Силовая электроника: от простого к сложному. – М.: Солон-пресс, 2006. – 416 с.
|