| 1. Полупроводниковый
p
-
n
переход и его свойства.
К полупроводниковым веществам относятся вещества, которые при комнатной температуре имеют удельное сопротивление ρ больше, чем проводники (для металлов
), но меньше, чем непроводники (для диэлектриков
).
Электронно-дырочная проводимость обусловлена структурой кристаллической решетки некоторых веществ, например, кремния (
Si
),
германия (
Ge
)
- элементов четвертой группы периодической системы химических элементов им. Д.И. Менделеева.
Кристаллическая решетка атомов Si
включает электроны, образующие валентные связи. Если по каким-либо причинам из решетки будет "выбит" электрон, то на его месте образуется положительно заряженная "дырка". Такая дырка ведет себя подобно частице с элементарным положительным зарядом. Электроны и дырки являются подвижными носителями зарядов, которые под действием разности потенциалов создают ток в полупроводнике; при этом электроны будут двигаться к положительному электроду (аноду), а дырки - к отрицательному (катоду).
Если в кристаллическую решетку Si
ввести примесные атомы, то можно изменить соотношение между свободными электронами и дырками в кристалле. Например, если ввести в решетку Si
пятивалентный атом фосфора (Р),
то четыре его валентных электрона вступят в связь с четырьмя электронами соседних атомов кремния, образуя устойчивую оболочку из восьми электронов. Девятый электрон может легко отрываться и становиться свободным. При этом атом фосфора превращается в неподвижный ион с единичным положительным зарядом. Свободные электроны примесного происхождения добавляются к собственным свободным электронам, поэтому проводимость полупроводника делается преимущественно электронной (основные подвижные носители тока – электроны) или п-типа.
Если в решетку Si
ввести трехвалентный атом бора (В),
то для образования устойчивой оболочки из восьми электронов потребуется дополнительный электрон, который может быть взят от соседнего атома кремния. При этом на месте изъятого электрона образуется дырка, а атом бора превращается в неподвижный ион с единичным отрицательным зарядом.
Дырки, образованные примесными атомами, добавляются к собственным дыркам, поэтому проводимость полупроводника становится преимущественно дырочной (основные подвижные носители тока – дырки) или р-типа.
При соединении полупроводников р-
и n
-
типа идеальной прокладкой возникает пограничный слой или р-п-переход,
который играет основную роль в полупроводниковых приборах (рис. 1).

Рис. 1.
Пространственное распределение зарядов в р-п
переходе
В пограничной области часть дырок (+) из р-
слоя перейдёт в n
-
слой, оставляя в p
-
слое неподвижные отрицательные ионы (-) примеси, а часть электронов (-) из n
-
слоя перейдет в p
-
слой, оставляя в n
-
слое неподвижные положительные (+) ионы. Таким образом, в пограничном слое образуется "обеднённый" электронами и дыркам запирающий слой, и возникает разность потенциалов между неподвижными примесными ионами (
U
з
)
– запирающее напряжение. Возникающее между этими слоями электрическое поле – "потенциальный барьер" – препятствует дальнейшей диффузии свободных электронов и дырок через границу раздела и ток через р-п-
переход прекращается.
Если ЭДС Ев
приложена минусом к р-
слою, а плюсом – к n
-
слою (обратное включение),
то высота потенциального барьера увеличивается (результирующее напряжение, Upn
=
U
з
+
U
в
),
и ток через р-п
переход не идёт, где U
в
– падение напряжения на р-п
переходе от внешнего источника (Ев
).
Ток в полупроводнике 
При увеличении Up
n
прямой ток I
пр
уменьшается до нуля, а обратный ток I
обр
увеличивается до тока насыщения. Таким образом, I =
I
обр
.
Если ЭДС Ев
приложена плюсом к р-
слою,
а минусом - к n
-
слою (прямое включение),
высота потенциального барьера уменьшается: .
Ток в полупроводнике: ,
где I
пр
–
прямой ток, образованный основными носителями заряда (дырки); I
обр
–
обратный ток, образованный неосновными носителями зарядов (электроны).
Через р-п
переход потечет ток после преодоления потенциального барьера (когда U
з
<
U
в
).
В идеальном р-п
переходе электрический ток основных носителей может быть только одного направления (рис. 1.1). При уменьшении напряжения на р-п
переходе (
Upn
)
обратный ток (
I
обр
)
уменьшается до нуля. Следовательно, при прямом включении ток образован основными носителями зарядов, т.е. I
=
I
пр
.
На базе полупроводников р-
и n
-
типа разработано большое разнообразие полупроводниковых приборов, представляющих собой комбинацию слоев с различной проводимостью. К ним относятся: диод –
полупроводниковый прибор состоящий из двух слоев с р-
и n
-
проводимостью и с одним р-п
переходом, триод - трехслойный с двумя р-п
переходами, тиристор - четырехслойный с тремя р-п
переходами и т.д.
2. Полупроводниковые диоды, их свойства и область применения.
Полупроводниковый диод –
прибор с одним р-п
переходом, расположенный на границе раздела двух полупроводников с различными типами проводимости (электронной n
и дырочной р),
и имеющий два вывода, которые называются анодом А
и катодом К
(рис. 2).

Рис. 2.
Условное обозначение (а)
и вольт-амперная характеристика (б)
диода общего назначения
Диоды используются в электрических схемах для формирования тока одного направления (в схемах ограничения, выпрямления и логического преобразования электрического сигнала).
На рис. 2 изображены условное обозначение и вольт-амперная характеристика диода. Вольт-амперная характеристика диода –
это зависимость тока через диод I
Д
от напряжения между анодом (А)
и катодом (К)
диода Uak
(кривая 1).
Характерные точки на графике: U
n
–
начало резкого возрастания тока после преодоления потенциала р-п
перехода (рис. 1). Для германиевого (
Ge
)
диода U
n
составляет 0,2-0,4 В, а для кремниевого (
Si
)
диода – 0,4-0,8 В; I
пр
– средний прямой ток через диод; U
np
– падение напряжения на диоде при I
пр
;
U
обр
– максимально допустимое обратное напряжение, при превышении которого происходит разрушение ("пробой") диода; I
обр
– обратный ток через диод при U
обр
.
Сопротивление диода R
д
на участке U
>
U
n
составляет менее 0,8-0,1 Ом, а на участке от 0
до U
обр
достигает 105
-106
Ом и более.
Состояние диода зависит от знака приложенного напряжения: на участке от 0
до + U
np
вольт-амперной характеристики диод "открыт"; на участке от 0
до – U
обр
диод "закрыт" для тока в направлении от анода к катоду.
При анализе электрических цепей в ряде случаев достаточно знать "открыт" или "закрыт" диод для тока в ветви электрической цепи, содержащей данный диод. Состояние диода определяется напряжением на аноде Ua
и катоде U
к
диода:
а) если Ua
>
U
к
,
то диод "открыт", сопротивление мало. б) если Ua
<
U
к
,
то диод "закрыт", сопротивление велико. Для диодов Ro
6
p
>>
Rnp
.
Часто при анализе цепей принимают сопротивление , .
В этом случае вольт-амперная характеристика «идеального диода» представлена на рис. 2 пунктиром (ломаная линия 2).
Основными характеристиками полупроводниковых диодов являются: номинальный прямой ток (среднее значение тока) I
н
;
максимально допустимый прямой ток I
т
;
номинальное падение напряжения ΔU
н
на диоде, соответствующее номинальному прямому току вентиля; допустимое обратное напряжение U
обр.н
;
обратный ток вентиля I
о6р
,
при U
обр.
m
и температуре +20 С.
3. Принцип действия транзистора.
Транзистор -
трехслойный (р-п-р
или п-р-п)
полупроводниковый прибор с двумя р-п
переходами, имеющий три вывода. Транзистор в электрических цепях постоянного тока является управляемым нелинейным элементом с управлением током одного направления.
Среди большого разнообразия видов транзисторов наибольшее распространение получили биполярные
и полевые
транзисторы, которые различаются способом управления током, протекающим через транзистор.
Принцип работы биполярного транзистора.
Биполярные транзисторы
представляют собой тонкую пластинку слаболегированного германия или кремния с электронной или дырочной проводимостью, на которой методом вплавления или диффузии получены два электронно-дырочных перехода.
Биполярные транзисторы (или просто транзисторы) имеют три вывода: коллектор К,
базу Б
и эмиттер Э (рис 3). В зависимости от комбинации р-п
перехода транзисторы делятся на два типа: р-п-р
и п-р-п.
Рис. 3.
Схема транзисторов типа р-п-р
с прямой (а)
и п-р-п
с обратной (б) проводимостями и их условные обозначения для р-п-р («) и
для п-р-п (г): Э -
эмиттер; Б -
база; К -
коллектор; рп
t
-
открытый р-п
переход; рп2
-
закрытый р-п
переход.
При соединении полупроводников с различным типом проводимости на границе раздела образуется область, обеднённая носителями тока {запирающий слой).
Наличие трёх полупроводников в плоском триоде приводит к образованию двух запирающих слоев по обе стороны среднего полупроводника (рт
и pni
).
Таким образом, полупроводниковый триод в отличие от диодов содержит два электронно-дырочных перехода.
Устройство германиевого биполярного транзистора типа р-п-р
показано на рис. 3,а.
В кристалл германия с электронной проводимостью с двух сторон вплавлены кусочки индия, образующие области кристалла с дырочной проводимостью. Кристалл с электронной проводимостью имеет неинжектирующий вывод и называется базой
транзистора. Область кристалла с дырочной проводимостью с п-р
переходом малой площади называется эмиттером,
а переход соответственно называется эмиттерным п-р
переходом. Область кристалла с дырочной проводимостью и п-р
переходом большой площади называется коллектором,
а переход называется коллекторным. Условное обозначение транзистора типа р-п-р
в электронных схемах показано на рис. 3, в
.
Биполярный транзистор типа п-р-п
(рис. 3,а)
отличается от транзистора типа р-п-р
тем, что основной кристалл, образующий базу транзистора, имеет дырочную проводимость, а благодаря вплавлению или диффузии создаются у поверхности области кристалла, имеющие электронную проводимость. Условное обозначение транзистора типа п-р-п
показано на рис. 3, г
.
Обе разновидности транзистора отличаются только типом основных носителей заряда и полярностью внешних напряжений. Принцип действия у них один и тот же. Поясним его на примере транзистора типа р-п-р,
включение которого в цепь источников питания показано на рис. 4.

Рис. 4.
Принцип действия транзистора типа р-п-р.
Для того чтобы полупроводниковый триод усиливал входной сигнал, его надо соединить с двумя внешними источниками тока так, чтобы один электронно-дырочный переход был включен в прямом направлении, а второй - в обратном (рис. 4.).
Переход, включаемый в прямом направлении, называют эмиттерным,
а переход, включаемый в обратном направлении - коллекторным.
Источник ЭДС Ек
выходной цепи транзистора включен между коллектором и базой в непроводящем направлении, поэтому коллекторный п-р
переход закрыт и через него проходит только небольшой тепловой ток I
КБО
,
обусловленный дрейфом через коллекторный переход неосновных носителей зарядов: электронов (-) из коллектора в базу и дырок (+) из базы в коллектор.
Если во входную цепь транзистора включить в прямом направлении источник Еэ
,
то эмиттерный п-р
переход откроется и через него в обоих направлениях пойдут основные носители зарядов: электроны из базы в эмиттер и дырки из эмиттера в базу через открытый рп1
переход.
Поскольку дырки в базе являются неосновными носителями зарядов, а ширина базы меньше диффузионной длины, на которую успевают продвинуться дырки до рекомбинации (нейтрализации) с электронами, то подавляющее большинство дырок, инжектированных из эмиттера в базу, создадут диффузионный ток в направлении к коллекторному п-р
переходу и там, попадая в электрическое поле закрытого коллекторного перехода, создадут дрейфовый ток, вызывая резкое увеличение коллекторного тока. В силу закона электрической нейтральности заряды дырок, прошедших из эмиттера через базу в коллектор, будут компенсированы свободными электронами, приходящими в коллектор из внешней цепи и создающими в ней ток коллектора I
К
.
Электроны, являющиеся основными носителями зарядов в базовой области транзистора, под действием электрического поля источника ЭДС Еэ
пройдут через эмиттерный п-р
переход и создадут ток базы транзистора
Одной из характеристик транзистора является коэффициент передачи по току а
= (при U
=
const
).
Как правило, а
= 0,92-0,99.
Если не учитывать очень малый по величине тепловой ток коллектора I
кбо
,
то можно в соответствии с первым законом Кирхгофа написать:

откуда

или

4.
Схема включения транзистора с общей базой.
Схема с общей базой «ОБ»
(рис. 5) названа так потому, что базовый электрод транзистора VT
является общим для входной и выходной цепей транзистора. В схеме с общей базой входной ток равен току эмиттера I
Э
,
который обычно на один-два порядка больше тока базы IS
,
поэтому входное сопротивление транзистора мало. Усиление по току отсутствует, так как I
К
<
I
Э
.

Рис. 5.
Схема включения транзистора с общей базой; (
RH
-
сопротивление нагрузки,
Rx
-
сопротивление между эмиттером и базой)
Коэффициент усиления по току:

Усиления по току не происходит, так как К
i
<
1.
Коэффициент усиления по напряжению:

Определим R
вх
:


Усиление по напряжению происходит, так как Ku
>1.
Коэффициент усиления по мощности:

Усиление по мощности происходит, так как К
P
>1.
Схема с общей базой применяется в некоторых усилителях сигналов с трансформаторной связью между каскадами. Недостатком схемы является трудность согласования большого выходного сопротивления предыдущего каскада с малым входным сопротивлением последующего каскада.
5.
Схема включения транзистора с общим эмиттером.
Схема с общим эмиттером «ОЭ»
(рис. 6) является наиболее распространенной схемой включения транзистора. Во входной цепи протекает сравнительно маленький ток базы i
Б
,
поэтому входное сопротивление транзисторов VT
в схеме с ОЭ достаточно велико.

Рис. 6.
Схема включения транзистора с общей эмиттером; (
RH
-
сопротивление нагрузки,
Rx
-
сопротивление между эмиттером и базой)
Выходное сопротивление меньше, чем в схеме с общей базой, что позволяет осуществить согласование между каскадами усилителя без применения согласующих трансформаторов.
Коэффициент усиления по току:

Ток в схеме с общим эмиттером усиливается, так как Ki
>
1.
Коэффициент усиления по напряжению:

Определим R
вх
:

так как 

так как RH
>>
R
ЭБ
,
то напряжение в схеме с общим эмиттером усиливается, Ки
>
1.
Коэффициент усиления по мощности:

Мощность также усиливается, так как К
P
>
1.
Схема с «ОЭ» широко применяется в усилительных каскадах, так как усиливаются ток, напряжение и мощность.
Схема с общим эмиттером «ОЭ», называемая также "усилителем напряжения" или "инвертором", изображена на рис. 7.

Рис. 7.
Схема с общим эмиттером (инвертор)
В данной схеме эмиттер соединён с землёй, поэтому изменение напряжения на базе от 0 до 0,4 В (что то же самое, что и изменение U
БЭ
)
приведёт к изменению выходного напряжения на коллекторе транзистора Uk
от +
U
до -0 В.
Усилителем напряжения эту схему называют потому, что коэффициент усиления входного сигнала Ки
>>1.
Типовое значение Ки
составляет 30 ÷ 120.
Если на вход инвертора подать электрический сигнал в виде прямоугольного импульса, то на выходе получим также прямоугольный импульс, но "перевёрнутый" на 180°.
6.
Схема включения транзистора с общим коллектором.
Схема с общим коллекторам «ОК»
(рис. 8) отличается малым выходным сопротивлением, так как в выходной цепи течет ток эмиттера i
Э
.
Входное сопротивление большое, так как входным является ток базы. Схема с общим коллектором, называемая «эмиттерным повторителем», применяется в усилителях в качестве согласующего элемента между нагрузкой с малым сопротивлением и выходом предыдущего каскада, обладающим большим выходным сопротивлением. Усиления по напряжению транзистор в схеме с общим коллектором не даёт.

Рис. 8.
Схема включения транзистора с общей коллектором; (
RH
-
сопротивление нагрузки,
Rx
-
сопротивление между эмиттером и базой)
Коэффициент усиления по току:

Усиление тока происходит, так как К
i
>
1.
Коэффициент усиления по напряжению:

Определим R
вх
из второго закона Кирхгофа для замкнутой цепи (рис. 8):

откуда:

так как R
ЭБ
<<RН
, то


Напряжение в схеме с «ОК» не усиливается, так как Ки
=
1.
Схема работает как согласующий усилитель.
Коэффициент усиления по мощности:

Мощность схемы усиливается, так как КР
>
1.
Схема с общим коллектором используются как согласующий усилитель с большим входным сопротивлением.
Схема с общим коллектором, называемая также "эмиттерным повторителем" или "усилителем мощности", изображена на рис. 9.

Рис. 9.
Схема с общим коллектором (эмиттерный повторитель)
В данной схеме для того, чтобы транзистор был "открыт", напряжение , на базе U
Б
должно быть на 0,4 В больше напряжения на эмиттере U
Э
.
Из этого следует, что если U
Б
будет равно 0, то напряжение на эмиттере U
Э
также будет равно 0. Если на базу подать напряжение + U
Б
(
U
Б
>
0,4 В), то напряжение на эмиттере будет равно U
Э
=
U
Б
-
U
БЭ
, где U
БЭ
изменяется в диапазоне от 0 до 0,4 В. Таким образом, напряжение на эмиттере U
Э
"повторяет" с точностью до U
БЭ
напряжение на базе U
Б
.
Коэффициент усиления эмиттерного повторителя К
u
<
1.
Типовое значение К
u
составляет 0,8-0,95. Усилителем мощности данную схему называют потому, что мощность выходного сигнала Рвых
,
получаемого на нагрузке R
Н
,
может быть значительно больше мощности входного сигнала Рвх
:

так как i
Э
>> i
Б
,
то Рвых
>>Рвх
.
Если на вход повторителя подать электрический сигнал в виде прямоугольного импульса, то на выходе получим так же прямоугольный импульс, по форме повторяющий входной сигнал.
7. Однополупериодный выпрямитель, принцип действия, коэффициент пульсации выпрямленного тока.
Схема однополупериодного выпрямителя (рис. 10) включает однофазный трансформатор TV
,
во вторичную обмотку которого включены последовательно диод VD
и нагрузочное сопротивление RH
.
Первичная обмотка трансформатора присоединена к сети переменного тока. При подаче переменного напряжения на первичную обмотку трансформатора напряжение на зажимах его вторичной обмотки также будет переменным. Если напряжение на первичной обмотке является синусоидальным ( ), мгновенное напряжение на вторичной обмотке трансформатора при этом будет меняться во времени по синусоидальному закону ( ). Диод, как известно, проводит электрический ток только в том случае, когда его анод относительно катода будет иметь положительный потенциал. Поэтому ток в цепи (вторичная обмотка трансформатора TV
, диод VD
,
нагрузка RH
)
будет протекать только в одном направлении, т.е. в течение положительного полупериода переменного напряжения и1
на первичной обмотке трансформатора.

Рис. 10.
Принципиальная схема однополупериодного выпрямителя переменного тока: и1
, и2
,
i
1
,
i
2
- мгновенные значения напряжения и тока первичной и вторичной обмоток трансформатора соответственно.
В результате этого ток, протекающий в цепи нагрузки, оказывается пульсирующим, неизменным по направлению, но изменяющимся по величине во времени. Временные диаграммы изменения напряжений и токов, соответствующих однофазному однополупериодному выпрямителю, представлены на рис. 11.

Рис. 11.
Временные диаграммы токов и напряжений однофазного однополупериодного выпрямителя.
Из рис. 11 видно, что рассматриваемое выпрямительное устройство характеризуется значительными пульсациями выпрямленного тока i
2
и напряжения на нагрузке ин
.
Максимальное значение тока, проходящего через диод:

где U
2т
,
U
2
-
максимальное и действующее значения напряжений.
Мгновенное значение тока i
2
, после разложения в гармонический ряд Фурье имеет вид:

Первое слагаемое этого ряда

представляет собой среднее значение тока нагрузки за период Т
' и называется постоянной составляющей выпрямленного тока.
Амплитуда первой гармоники гармонического ряда Фурье

называют переменной составляющей выпрямленного тока (основной гармоникой),
она имеет частоту ω
напряжения на входе трансформатора (сети). Остальные слагаемые ряда называют составляющими высших гармоник.
Амплитуды высших гармоник относительно невелики, поэтому при анализе их можно не учитывать.
Среднее выпрямленное напряжение на нагрузке:

Уравнение связывает среднее выпрямленное напряжение Ucp
со вторичным действующим значением напряжения трансформатора U
2
.

Действующее значение тока I
2
во вторичной обмотке трансформатора TV
находят как среднеквадратичное значение тока за период T
:


Максимальное обратное напряжение U
обр.т
диода равно амплитудному значению вторичного напряжения трансформатора, так как в отрицательный полупериод ток равен нулю и падения напряжения на RH
нет.

Качество выпрямления оценивается коэффициентом пульсации.
Для рассматриваемого однополупериодного однофазного выпрямителя:

Это означает, что амплитуда A
1
переменной составляющей выпрямленного тока в 1,57 раза больше постоянной составляющей I
ср
.
Диод в схеме должен выдерживать максимальное обратное напряжение выпрямителя, т.е. при выборе вентиля для выпрямителя следует выбирать

Однополупериодный выпрямитель имеет низкую эффективность из-за высокой пульсации выпрямленного напряжения и находит ограниченное применение.
8. Двухполупериодный выпрямитель, принцип действия, коэффициент пульсации выпрямленного тока.
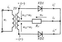
- Однофазный двухполупериодный выпрямитель с нулевой точкой
Схема однофазного двухполупериодного выпрямителя с нулевой точкой представлена на рис. 12. Вторичная обмотка трансформатора в данной схеме имеет выведенную нулевую точку 2, поэтому диоды VD
1
и VD
2
питаются вторичными напряжениями и12
и u
32
,
сдвинутыми по фазе на 180° относительно друг друга. Двухполупериодный выпрямитель с нулевой точкой можно рассматривать как два однополупериодных выпрямителя, работающих поочерёдно на общую нагрузку RH
.
Рис.12.
Схема однофазного двухполупериодного выпрямителя с нулевой точкой 2
В этой схеме каждый из диодов проводит ток только в течение той части периода, когда анод имеет более высокий потенциал относительно катода, в этом случае диод открыт.
За период входного напряжения u
1
или вторичного напряжения u
2
в один полупериод диод VD
1
проводит ток i
’2
, а в другой полупериод - проводит ток i
"2
диод VD
2.
В результате временные диаграммы токов и напряжений двухполупериодного выпрямителя приобретают вид, представленный на рис. 13.

Рис. 13.
Временные диаграммы токов и напряжений двухполупериодной выпрямительной схемы с нулевой точкой.
Кривую выпрямленного тока iH
,
протекающего в цепи нагрузки, разложим в гармонический ряд Фурье:

где Im
- максимальное значение выпрямленного тока.
Среднее значение выпрямленного тока:

При этом частота первой (основной) гармоники для двухполупериодного выпрямителя равна удвоенной частоте напряжения на входе трансформатора (сети). Все другие (высшие) гармонические составляющие имеют более высокие частоты, кратные основной частоте, а их амплитуды уменьшаются по мере повышения частоты гармоники.
Пульсация тока при двухполупериодном выпрямлении значительно уменьшается, так как коэффициент пульсаций в данном случае:

где -
амплитуда основной гармоники выпрямленного тока во втором слагаемом ряда Фурье.
Среднее значение тока нагрузки складывается из средних значений токов вентилей VD
1
и VD
2,
поэтому среднее значение тока через диод:

Максимальное значение тока диода:

Максимальное обратное напряжение диода равно максимальному напряжению на вторичной полуобмотке трансформатора Um
2
,
поэтому его значение:

Действующее значение вторичного тока I
2
можно рассчитать с учётом того, что во вторичной обмотке трансформатора ток протекает в течение всего периода. Действующее значение тока во вторичной полуобмотке трансформатора:

тогда

Действующее значение напряжения на вторичной полуобмотке трансформатора:

Полученные соотношения показывают, что эффективность однофазного двухполупериодного выпрямителя значительно выше, чем однополупериодного, поэтому он нашел широкое использование в схемах ИВЭ.
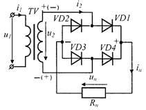
- Однофазный двухполупериодный мостовой выпрямитель
Однофазный двухполупериодный мостовой выпрямитель представлен на рис. 14. Диоды VD
1 -
VD
4
соединены по схеме моста: катоды диодов VD
1,
VD
4
объединены, а общая точка присоединена к одному полюсу нагрузки, аноды диодов VD
2,
VD
3
также объединены и присоединяются к другому полюсу нагрузки. Общие точки анода VD
\
и катода VD
2,
а также катода VD
3
и анода VD
4
присоединяются к выводам вторичной обмотки трансформатора TV
.
При присоединении трансформатора к сети на вторичной обмотке появляется синусоидальное напряжение и2
.
При этом в течение нечётных полупериодов ток протекает в цепи - вентиль VD
1, сопротивление нагрузки RH
и вентиль VD
3,
а в течение чётных полупериодов в цепи - вентиль VD
4,
нагрузке RH
и вентиль VD
2.
Причём в любой полупериод ток в цепи нагрузки протекает в одном и том же направлении.

Рис. 14.
Мостовая схема однофазного двухполупериодного выпрямителя переменного тока.
Временные диаграммы токов и напряжений мостового двухполупериодного выпрямителя приведены на рис. 15.

Рис. 15.
Временные диаграммы токов и напряжений для двухполупериодной выпрямительной мостовой схемы:
i
1
-
i
4
- мгновенные токи через 1 - 4 диоды.
При сравнении временных диаграмм токов и напряжений рассматриваемых двухполупериодных схем (мостовой и с нулевой точкой, рис. 13), можно видеть, что выпрямленные ток и напряжение на нагрузке изменяются по одному закону, поэтому коэффициент пульсаций в мостовой схеме будет определяться так же, как и в схеме с нулевой точкой.

Среднее значение тока в цепи диодов:

Максимальное значение тока в цепи диодов:

Амплитудное обратное напряжение диода:

Так как ток во вторичной обмотке трансформатора в мостовой схеме изменяется в течение периода по синусоидальному закону, его действующее значение:

Действующее значение напряжения во вторичной обмотке трансформатора:

В мостовой схеме к запертым диодам прикладывается меньшее обратное напряжение.
Однофазный двухполупериодный мостовой выпрямитель широко используется в источниках вторичного питания.
9. Емкостной электрический фильтр в выпрямительной схеме и его влияние на коэффициент пульсации выпрямленного тока.
Схема ёмкостного фильтра показана на рис. 16.
Постоянная составляющая тока I
ср
не проходит через конденсатор фильтра С
, а замыкается только через цепь нагрузки RH
.

Рис. 16.
Однополупериодиая схема с ёмкостным фильтром.
(а)
и временные диаграммы напряжений и токов (б)
Сглаживающее действие конденсатора как фильтра заключается в том, что через него шунтируются высшие гармонические составляющие тока выпрямителя, так как конденсатор имеет малое ёмкостное сопротивление (
),
которое значительно ниже нагрузочного сопротивления RH
.
Высшие гармонические составляющие вызывают дополнительное падение напряжения в сопротивлении выпрямителя, что приводит к сглаживанию выходного напряжения UH
.
Коэффициент сглаживания в однополупериодной схеме с ёмкостным фильтром:

Из уравнения следует что, чем больше ёмкость С (
),
тем лучше сглаживается ток. Не допуская большой погрешности, можно считать, что через RH
проходит только постоянная составляющая тока I
ср
,
а переменная составляющая тока проходит целиком через конденсатор С.
На рис. 17 представлены временные диаграммы токов и напряжений для ёмкостного фильтра.

Рис. 17.
Временные диаграммы напряжений и токов.
На участках 1-2, 3-4 напряжение на ёмкости меньше, чем напряжение сети, в этот момент через диод проходит ток и емкость заряжается. Электрическая энергия накапливается в электрическом поле емкости. На участках 2-3, 4-5 напряжение на ёмкости больше, чем напряжение сети, ёмкость разряжается через нагрузку RH
.
Напряжение и ток нагрузки поддерживаются за счет электрической энергии накопленной в емкости.
Чем больше ёмкость С
, тем больше постоянная цепи разряда и ёмкость медленнее разряжается, т.е. лучше сглаживается ток нагрузки.

Рис. 18.
Схема емкостного фильтра с мостовым двухполупериодным выпрямителем (а)
и временные диаграммы напряжений и токов (б)
.
Схема и временные диаграммы двухполупериодного мостового выпрямителя с ёмкостным фильтром приведены на рис. 18. Емкость конденсатора С выбирают такой величины, чтобы сопротивление конденсатора хс
для основной гармоники выпрямленного напряжения (частота f
о.г
) было много меньше RH
,
т.е.

При таком выборе величины ёмкости конденсатора его постоянная времени разряда значительно больше периода по сравнению с её величиной в отсутствии фильтра. Изменения выпрямленного напряжения и конденсатор C
разряжается сравнительно медленно, т.е. напряжение на нём уменьшается незначительно. Это приводит к увеличению среднего значения напряжения UH
.
cp
на сопротивлении нагрузки.
Коэффициент пульсаций в однополупериодной схеме с емкостным фильтром рассчитывается по формуле:

Применение ёмкостного фильтра более эффективно при высокоомном нагрузочном сопротивлении, так как выпрямленное напряжение и коэффициент сглаживания имеют большие величины, чем при низкоомном нагрузочном сопротивлении.
На практике для сглаживания пульсаций применяют более сложные и эффективные LC
фильтры.
10. Индуктивный электрический фильтр в выпрямительной схеме и его влияние на коэффициент пульсации выпрямленного тока.
Для упрощения предположим, что индуктивный фильтр в виде дросселя (рис. 19, а), включённый между выпрямителем и нагрузкой, имеет индуктивное сопротивление ,
а активное сопротивление R
д
=0.
Puc
. 19.
Индуктивный фильтр (а)
и график его работы в однополупериодном выпрямителе (б)
.
При активном сопротивлении дросселя равным нулю постоянное напряжение на выходе индуктивного фильтра равно U
ср
.
Переменная составляющая выпрямленного напряжения создаёт падение напряжения как на индуктивности L
,
так и на сопротивлении нагрузки RH
.
При достаточно большой величине L
в индуктивном сопротивлении (
)
будет теряться большая часть переменной составляющей напряжения (рис. 19, б).
Коэффициент сглаживания фильтра:

Из уравнения следует, что фильтр более эффективен при больших XL
(
L
)
и малых RH
.
Поэтому индуктивные фильтры целесообразно применять при малых RH
,
т.е. при малых выпрямленных напряжениях Ucp
и больших токах I
ср
.
В однополупериодных выпрямителях при любом значении индуктивного сопротивления фильтра выпрямленный ток останется прерывистым (рис. 19, 6). На схеме с индуктивностью L
нарастание тока в нагрузке идёт медленнее, чем при активной нагрузке, так как этому препятствует встречно направленная ЭДС самоиндукции eL
.
При нарастании выпрямленного напряжения и тока нагрузки i
электрическая энергия запасается в магнитном поле дросселя L
,
а при снижении напряжения ток в нагрузке поддерживается за счет накопленной электрической энергии дросселя.
Индуктивный фильтр более эффективно работает в двухполупериодных выпрямителях (рис. 20, а). Импульсы тока, проходящие поочередно через диоды VD
1
и VD
2,
создают в нагрузочном резисторе RH
непрерывный ток iH
(рис. 20, б).

Рис. 20.
Схема индуктивного фильтра с двухполупериодным выпрямителем (а)
и временные диаграммы напряжений и токов (б)
При этом, как следует из временных диаграмм, форма кривой выпрямленного напряжения такова, что коэффициент пульсаций Kn
значительно уменьшается.
Коэффициент пульсации на нагрузке:

|