ФЕДЕРАЛЬНОЕ АГЕНСТВО ПО ОБРАЗОВАНИЮ
НЕГОСУДАРСТВЕННОЕ ОБРАЗОВАТЕЛЬНОЕ УЧРЕЖДЕНИЕ
«МЕЖДУНАРОДНЫЙ ИНСТИТУТ КОМПЬЮТЕРНЫХ ТЕХНОЛОГИЙ»
Кафедра ЕНД
РЕФЕРАТ
на тему
<<Сглаживающие фильтры>>
Выполнил:
студент группы СКо-08-1
Мурзаханов В.И
Руководитель:
Голобурдин С.А
Липецк,2010
Содержание
1.Введение______________________________________________________ 3
2.Основные параметры сглаживающих фильтров______________________4
3.Пассивные сглаживающие фильтры________________________________6
3.1.Сглаживающие LC-фильтры_________________________________7
3.2.Резонансные LС-фильтры__________________________________10
3.3.Сглаживающие RC-фильтры_________________________________13
4.Активные сглаживающие фильтры_________________________________15
4.1.с последовательным включением РЭ________________________16
4.2.с параллельным включением РЭ____________________________16
5.Транзисторные сглаживающие фильтры____________________________17
6.Выбор конденсаторов для сглаживающих фильтров__________________19
7.Заключение____________________________________________________ 20
8.список используемой литературы__________________________________21
1.Введение
Слово «фильтр» пришло в русский язык из средневековой латыни (по латыни filtrum — войлок). Через войлок алхимики процеживали жидкости, пытаясь отделить находящиеся в них твердые частицы.
В каком-то смысле электрический фильтр подобен войлочному, только процеживают через него не жидкости, а электрические сигналы, а критерием фильтрации, является их частота.
Электрические фильтры — важнейший элемент практически любой электронной схемы, их можно встретить в радиоприемной и передающей аппаратуре, источниках питания, вычислительной технике, устройствах автоматики и телемеханики, звукозаписывающей и воспроизводящей аппаратуре.Электрические фильтры относятся к частотно-избирательным устройствам, в которых ослабление сигнала в некоторой области частот мало по сравнению с другими участками частотного диапазона.
В данном реферате я намерен описать сглаживающие фильтры, Сущность и принцип работы сглаживающих фильтров. Классификация и виды. Величины, которые характеризуют качество фильтра. Расчет коэффициента сглаживания. Проектирование активных и пассивных сглаживающих фильтров: достоинства, недостатки, и применение.
2.Основные параметры сглаживающих фильтров
Сглаживающий фильтр – электрическая цепь, позволяющая уменьшить пульсации напряжения, получаемые на выходе выпрямителя. Основной характеристикой фильтра является коэффициент сглаживания пульсаций S, представляющий собой отношение коэффициента пульсаций на входе фильтра Pвх к коэффициенту пульсаций на выходе Pвых
S = Pвх / Pвых . (1)
Качество сглаживающего фильтра (СФ) характеризуется следующими величинами:
(2)
(3)
Коэффициент сглаживания:
(4)
Коэффициент сглаживания учитывает подавление пульсаций и передачу постоянной составляющей U.
Для устройств, беспрепятственно передающих постоянную составляющую, коэффициент сглаживания – это деление пульсаций между нагрузкой и фильтром (при этом считается, что ).
- коэффициент деления (5)
При расчёте коэффициента сглаживания применяются различные определения коэффициента пульсаций. Интенсивность пульсации оценивают различными способами – вычисляют:
действующее значение U; амплитуду ; значение ;
(6)
По частотному составу различают:
- низкочастотную пульсацию (<300Гц)
- высокочастотную пульсацию (>300Гц).
Применяются разнообразные фильтры:
1) по принципу действия:
а) пассивные
б) активные
2) по степени сложности:
а) простые (однозвенные)
б) сложные (многозвенные или резонансные);
3) по виду элементов:
а) LC-фильтры
б) RC-фильтры.
При проектировании фильтров как и при проектировании других электронных систем и устройств используются общесистемные критерии оптимальности: минимальная стоимость, минимальная масса, и минималь-ные габариты
Минимизация сводится к минимизации суммарной ёмкости и индуктивности.
3.Пассивные сглаживающие фильтры
Строится на индуктивностях, емкостях, сочетаниях активных сопротивлений и емкостей.
L-фильтры
Простейший пассивный фильтр: L-фильтр.
Для него справедливы следующие соотношения:
(7)
(8)
(9)
(10)
С-фильтр
Рисунок.1
Для него справедливы следующие соотношения:
(11)
(12)
(13)
(14)
Из формулы (13) следует, что С-фильтр эффективен в выпрямителях с малым количеством m импульсов за период выпрямленного напряжения и в устройствах с малым током нагрузки, т.о. область применения С-фильтра противоположна применению L-фильтра.
При необходимости достижения повышенного коэффициента сглаживания, применяют LC-фильтры.
3.1.Сглаживающие LC-фильтры
Для увеличения КПД и уменьшения потерь выпрямленного напряжения на элементах фильтра широко применяются индуктивно-емкостные (LC) фильтры. На рисунке изображен однозвенный Г-образный LC-фильтр, состоящий из дросселя Др1 и конденсатора Сф1

рисунок.2
Этот фильтр отличается от однозвенного RС -фильтра тем, что резистор R1 заменен дросселем Др1. Дроссель обладает большим сопротивлением переменному току и малым сопротивлением постоянному току. В результате напряжение пульсаций, имеющихся на выходе выпрямителя, перераспределяется на делителе Др1Сф1 таким образом, что основная его часть падает на дросселе и несущественная — на конденсаторе Сф1. В то же время из-за малого сопротивления дросселя постоянному току напряжение на выходе фильтра будет мало отличаться от напряжения на выходе выпрямителя, т. е. КПД LC-фильтра оказывается выше, чем КПД RС -фильтра.
Для увеличения коэффициента сглаживания можно последовательно с одним звеном LC-фильтра включить точно такое же второе звено.
Уменьшить напряжение пульсаций на выходе однозвенного LC-фильтра можно также, если параллельно дросселю Др1 включить бумажный конденсатор С2, который вместе с индуктивностью дросселя Др1 образует параллельный колебательный контур. Сопротивление контура на резонансной частоте значительно выше сопротивления дросселя. Поэтому, если емкость конденсатора С2 выбрать такой, чтобы резонансная частота контура С2Др1 равнялась частоте пульсаций (50 Гц при однополупериодном выпрямлении или 100 Гц при двухполупериодном выпрямлении), большая часть напряжения пульсаций выделится в этом контуре и незначительная пойдет в нагрузку.
LC-фильтры могут быть:
- однозвенные;
- Г-образные;
- П-образные;
- многозвенные;

Рисунок. 3
Для Г-образных фильтров:
(15)
В данном случае, в отличие от случая использования L- или C-фильтров по заданному коэффициенту сглаживания непосредственно рассчитать необходимые значения L и C, пользуясь формулой для не удаётся, но может быть определено следующее:
(16)
П-образные LC-фильтры можно рассматривать как последовательность включения простого С-фильтра и Г-образного LC-фильтра.
(17)
Для многозвенного LC-фильтра:
(18)
В теории фильтров показано, что если зафиксировано дозволенное значение суммарной индуктивности и суммарной емкости фильтра, то максимальное значение коэффициента сглаживания в многозвенном фильтре достигается при одинаковых индуктивностях и емкостях в каждом звене.
Количество звеньев многозвенных фильтров выбирается исходя из критерия оптимальности. Фильтры с минимальной стоимостью содержат иное количество звеньев, чем фильтры с минимальными массой и габаритами.
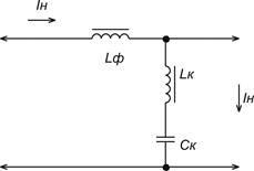
Коэффициент сглаживания можно повысить, используя резонансное явление и основанный на нем LC-фильтр.
3.2.Резонансные
L
С-фильтры.
Резонансные сглаживающие фильтры используются на выходе выпрямительных устройств, в которых переменная составляющая выпрямленного напряжения близка по уровню к первой гармонике. Также они используются для аппаратуры, которая не чувствительна к высшим гармоническим составляющим напряжения.
При больших отклонениях частоты питающего напряжения происходит “расстройка” относительно собственной частоты контура, что ухудшает сглаживающие свойства фильтра. Поэтому не допускается использование таких фильтров при больших отклонениях частоты питающего напряжения. Изменение тока нагрузки приводит к изменению индуктивности контура, что также уменьшает значение коэффициента сглаживания. Для исключения этого явления в дроссель вводят зазор или обмотку обратной связи, поддерживающую постоянство индуктивности. Последнее приводит к громоздкости фильтра и уменьшению его к.п.д., поэтому рекомендуется использовать такие фильтры при постоянстве тока нагрузки. Для подавления гармонических составляющих напряжения, кроме первой, используют дополнительные реактивные элементы.
По сравнению с другими пассивными сглаживающими фильтрами этот тип фильтров менее громоздкий и имеет больший к.п.д.

Рисунок .4
(19)
(20)
(21)
, (22)
где
Возможна схема с использованием последовательного резонанса (рисунок 4).

Рисунок .5
(23)
(24)
Использование резонансных LC-фильтров позволяет в 2-3 раза увеличить коэффициент сглаживания против LC-фильтров со сравнительными затратами.
Однако резонансные фильтры сложны в настройке и могут расстроится из-за старения элементов, за счет изменения тока I подмагничивания дросселя.
С использованием реактивностей могут быть построены и фильтры с компенсацией переменной составляющей.
Недостатки: значительные масса и габариты, обусловленные в основном конструктивными особенностями L (дросселя). Поэтому в маломощных выпрямителях со слабым током нагрузки широко применяются RC-фильтры.
3.3.Сглаживающие RС-фильтры
Фильтры используются для сглаживания пульсаций выпрямленного напряжения. Простейшим фильтром является конденсатор большой емкости, подключаемый к выходу выпрямителя. Обычно в качестве такового используют оксидные (электролитические) конденсаторы емкостью от нескольких десятков до нескольких тысяч микрофарад.
Однако степень сглаживания пульсаций выпрямленного напряжения емкостным фильтром при больших токах нагрузки оказывается недостаточной.
Для повышения уровня сглаживания пульсаций выпрямленного напряжения к выходу выпрямителя подключают более сложные фильтры, в состав которых помимо конденсаторов входят резисторы, дроссели, электронные лампы или транзисторы. Чтобы определить, какой фильтр лучше, вводят специальный параметр — коэффициент сглаживания. Он рассчитывается как отношение коэффициента пульсаций на выходе фильтра (Крвых) к коэффициенту пульсаций на его входе (Крвх):
Кс = Крвых/Крвх
Наиболее простым является Г-образный реостатно-емкостный фильтр, состоящий из резистора R1 и конденсатора Сф1
рисунок .6
На рисунке показан также конденсатор С1, включенный на выходе выпрямителя. О назначении этого конденсатора сказано в предыдущем параграфе.
Резистор R1 и конденсатор Сф1 образуют делитель напряжения пульсаций, возникающих на выходе выпрямителя (конденсатора С1). Во сколько раз сопротивление конденсатора Сф1 меньше сопротивления резистора R1 току пульсаций, во столько же раз напряжение пульсаций на конденсаторе Сф1 будет меньше, чем напряжение пульсаций на конденсаторе С1.
Уменьшить напряжение пульсаций на нагрузке при заданной емкости конденсатора Сф1 можно путем увеличения сопротивления резистора R1. Но поскольку через R1 протекает постоянная составляющая выпрямленного тока, на резисторе теряется часть выпрямленного напряжения, и напряжение на нагрузке (на конденсаторе Сф1) оказывается меньше, чем напряжение на выходе выпрямителя (на конденсаторе С1).
Если коэффициент сглаживания однозвенного RС-фильтра недостаточен, т. е. амплитуда пульсаций в выпрямленном напряжении слишком велика, применяют двухзвенный RС -фильтр. В таком фильтре общий коэффициент сглаживания равен произведению коэффициентов сглаживания отдельных звеньев R1CФ1 и R2CФ2.

а) б)
Рисунок .7
(25)
RC-фильтры в своем схемном очертании и аналитическом описании во многом подобны соответствующим LC-фильтрам.
Достоинства:
-простота;
-малые габариты.
Недостаток: невозможность использования в цепях с большими токами из-за недопустимых падений напряжения на сопротивлении фильтра, действующих при больших токах нагрузки .
Общий недостаток LC- и RC-фильтров является трудность получения больших коэффициентов сглаживания.
Значительный коэффициент сглаживания обеспечивают активные сглаживающие фильтры.
4.Активные сглаживающие фильтры
Активные фильтры строятся с использованием электронных ламп по 2 схемам:
- с последовательным включением регулировочного элемента (РЭ);
- с параллельным включением РЭ;
Рассмотрим полупроводниковые варианты таких фильтров.
4.1.Транзисторный активный сглаживающий фильтр с последовательным включением РЭ.
Работа фильтра основана на том, что промежуток коллектор-эмиттер имеет большое сопротивление для переменного тока, или сравнительно небольшое для постоянного, задаваемого рабочей точкой (током базы). Для уменьшения проникновения пульсации в управляющую сеть базы, фильтр R-базы С-фильтра можно усложнить (добавить с ). Кроме этого, вместо VT можно использовать схему РЭ, чтобы уменьшить ток I по сопротивлению .
(26)
Недостаток: необходимость пропускания мощного тока нагрузки через VT. Данный недостаток исключает VT-фильтр с параллельным включением РЭ.
4.2.Транзисторный активный сглаживающий фильтр с параллельным включением РЭ.

Рисунок. 8
Схема с последовательным включением (по отношению к нагрузке) VT предъявляет высокие требования к пропускной способности этого VT по току. Кроме того на VT рассеивается значительная мощность, что снижает КПД устройства.
В схеме с параллельным включением VT, этот VT может быть маломощным, но на добавочном сопротивлении при больших токах нагрузки действует значительное падение напряжения и потери мощности.
Схема с параллельным включением VT предпочтительнее в маломощных устройствах и при импульсном потреблении энергии.
Недостаток: трудность обеспечения значительных мощностей.
В технической электронике во многих случаях требуется регулируемое выходное напряжение источника питания (или ток). Кроме того, из-за нестабильности (непостоянства) напряжения U первичного источника питания меняется и U ИВЭП, что может оказаться для потребителя неприемлемо. В этих случаях оказывается целесообразным регулировать и стабилизировать U и I ИВЭП.
5.Сглаживающие транзисторные фильтры
Для сглаживания пульсаций выпрямленного напряжения в несколько единиц или десятков вольт широко применяются фильтры с транзисторами. Одна из схем такого фильтра показана на рисунке рисунок .9
Для пояснения принципа работы этой схемы напомним, что если напряжение базы транзистора (в данном случае на резисторе R2) увеличивается по отношению к напряжению эмиттера, то ток, протекающий через транзистор, уменьшается. Уменьшение тока равносильно увеличению сопротивления транзистора. Если на вход фильтра поступает постоянное напряжение, то напряжение между эмиттером и базой также будет постоянным, и, значит, постоянным будет напряжение на выходе фильтра. При наличии пульсаций в выпрямленном напряжении (на зажимах 1—1) на резисторе R1 создается также пульсирующее напряжение. При увеличении напряжения на входе фильтра повышается и напряжение на резисторе R1. Это приращение напряжения через конденсатор С2 подается на базу. Напряжение базы возрастает, что приводит к увеличению сопротивления транзистора. Возрастание сопротивления транзистора вызывает уменьшение изменения тока в цепи. И наоборот, при уменьшении напряжения на входе фильтра снижается и напряжение на резисторе R1. Это уменьшение напряжения передается на базу транзистора и снижает его сопротивление. Таким образом, данная схема как бы следит за всеми быстрыми изменениями напряжения на ее входе и регулирует сопротивление транзистора проходящему через него току так, что выходное напряжение фильтра изменяется значительно меньше, чем напряжение на его входе.
Недостатком данной схемы является то, что часть напряжения бесполезно тратится на резисторе R1, вследствие чего напряжение на выходе фильтра оказывается меньшим, чем на входе. Поэтому чаще применяют другую схему транзисторного фильтра. Сглаживание пульсаций в ней происходит за счет различий в сопротивлениях транзистора для постоянного и переменного (пульсирующего) токов: сопротивление транзистора переменному току в тысячу и даже десятки тысяч раз больше, чем постоянному току. Вследствие этого постоянная составляющая напряжения передается через такой фильтр почти без ослабления, в то время как переменная составляющая (пульсации) чуть ли не вся выделяется на транзисторе и на выход фильтра едва поступает.
6.Выбор конденсаторов для сглаживающих фильтров
Как уже отмечалось, чем больше емкость конденсатора, тем он лучше сглаживает пульсации выпрямленного напряжения, поэтому в фильтрах применяют электролитические конденсаторы, обладающие при малых габаритах и весе большой емкостью. Емкость конденсатора фильтра может составлять десятки, сотни и даже тысячи микрофарад (мкФ). Чем больший ток потребляет нагрузка, тем большую емкость должны иметь конденсаторы фильтра. Для получения значительной емкости вместо одного конденсатора можно применять несколько параллельно включенных.
Другим важным параметром, по которому выбираются конденсаторы фильтра, является его рабочее напряжение, которое не должно быть меньше, чем выпрямленное напряжение. Если, например, выпрямленное напряжение составляет 30 В, а для его фильтрации используется электролитический конденсатор с рабочим напряжением 25 В, может произойти пробой конденсатора, в результате чего, его сопротивление упадет почти до нуля и последует короткое замыкание выходной цепи выпрямителя, которое вызовет резкое увеличение тока, протекающего через диоды и вторичную обмотку трансформатора.
При увеличении тока возможны выход из строя выпрямительных диодов или перегорание вторичной (или даже первичной) обмотки трансформатора.
7.Заключение
Дано определение коэффициента сглаживания, подходящее для любого сглаживающего фильтра.
Получены расчетные формулы комплексных коэффициентов сглаживания простых и составных пассивных фильтров.
Индуктивный фильтр эффективен для низкоомной нагрузки, емкостный – для высокоомной.
8.Список используемой литературы
1. Алексеев О.В., Китаев В.Е., Шихин А.Я. Электрические устройства/Под ред. А.Я.Шихина: Учебник. – М.: Энергоиздат, 200– 336 с.
1. Интернет – www.google.ru
.
|