| МОСКОВСКИЙ ГОСУДАРСТВЕННЫЙ
УНИВЕРСИТЕТ ПУТЕЙ СООБЩЕНИЯ (МИИТ)
Кафедра
Ю.П. ЧЕПУЛЬСКИЙ
КОНТРОЛЬНО–ИСПЫТАТЕЛЬНЫЕ СТАНЦИИ ЖЕЛЕЗНОДОРОЖНОГО ТРАНСПОРТА
Рекомендовано редакционно-издательским советом университета в качестве учебного пособия для студентов специальности
«Стандартизация и сертификация»
Москва – 2008
УДК 006:621.317:656.2
Ч–44
Чепульский Ю.П.
Контрольно–испытательные станции железнодорожного транспорта. Учебное пособие. – М.: МИИТ. 2008. – 180 с., ил. 97.
Рассмотрены основные положения разработки курсового проекта, его составные части и порядок оформления.
Приведен примерный перечень тем проектов и список литературных источников, способных помочь студенту в работе над проектом, а также варианты оформления графической части.
При написании пособия использованы материалы АО ВАСТ (СПб., 1997 г.), ССФЖТ, проекты дипломников В. Тороповой и Е. Ильиной, выполненные под руководством автора.
Автор выражает благодарность доценту МИИТа Ю.И. Миловидову за прочтение рукописи и сделанные замечания.
Рецензенты:
Сергеев Б.В. – д.т.н. доцент кафедры "Вагоны и вагонное хозяйство" РГТУПС. Пузанков А.Д. – профессор МИИТа
© Московский государственный университет путей сообщения (МИИТ), 2009.
ВВЕДЕНИЕ
Назначение контрольно–испытательной станции (КИС) вытекает из самого названия: контролировать качество и испытывать продукцию, предназначенную для нужд железнодорожного транспорта и, в первую очередь, подвижного состава железных дорог. Для решения определенных задач КИС должна иметь сеть подразделений, способных решать различные задачи в широком диапазоне потребностей железнодорожного транспорта: контроль качества всех элементов подвижного состава, выявление причин дефектов комплектующих изделий, испытание образцов новой техники и оценку её надежности, поиск способов повышения эффективности и повышения работоспособности подвижного состава и ряд других. С этой целью КИС должна быть оборудована совершенной измерительной и испытательной техникой, работающей преимущественно в автоматическом режиме, исключающей вмешательство оператора. По всей видимости, в одной КИС не реально организовать все виды испытаний, поэтому имеет место их специализация: испытание локомотивов, дизелей, вагонов, тормозных систем, контактной сети и пр.
Современный подвижной состав представляет собой сложную механическую систему, на которую при движении ее по железнодорожному пути действуют разнообразные эксплуатационные нагрузки (вертикальные динамические, горизонтальные поперечные и продольные), носящие, как правило, случайный стохастический характер. Поэтому расчетным путем можно приближенно определить параметры подвижного состава и размеры его отдельных деталей, а также приближенно исследовать напряженно– деформированное состояние отдельных узлов и элементов. При этом некоторые элементы вследствие их высокой конструкционной сложности и формы или действия нагрузок, носящих случайный характер, вообще не рассчитываются, а их размеры и прочность определяются только на основании экспериментальных данных путем измерения напряжений в элементах натурного вагона с помощью тензодатчиков и сравнения измеренных напряжений с допускаемыми.
1 ВИДЫ ИСПЫТАНИЙ ЖЕЛЕЗНОДОРОЖНОЙ ТЕХНИКИ
Для создания долговечной и надежно работающей конструкции с хорошими динамическими качествами и хорошими показателями воздействия её на железнодорожный путь наряду с теоретическими предусмотрены обязательно и экспериментальные исследования. Они являются завершающим этапом проектирования и постройки или модернизации существующих конструкций.
Экспериментальные исследования подразделяются на лабораторные, стендовые, ходовые, эксплуатационные с натурным подвижным составом на эксплуатируемых участках железнодорожного пути или на испытательных полигонах. Для их реализации применяются современные средства диагностики (табл. 1).
Испытания в процессе отработки конструкции выполняют разработчики конструкции, поэтому они называются заводскими. Контрольные и приемочные испытания отработанной конструкции выполняются заказчиками и разработчиками совместно. Наиболее полно выполняются экспериментальные исследования и испытания образцов новой техники, менее полно – контрольные приемосдаточные.
В методике испытаний должно обосновываться:
1 цель испытаний;
2 способ подготовки к испытаниям;
3 режимы нагрузок и порядок проведения испытаний;
4 способы приложения экспериментальных нагрузок;
5 необходимое оборудование и приспособления;
6 измерительные приборы для каждого этапа испытаний; 7 порядок и место установки первичных преобразователей;
8 методы обработки результатов испытаний с оценкой погрешностей измерения опытных данных.
Конкретные цели лабораторных испытаний многообразны. Чаще всего при лабораторных испытаниях проводится сопоставление результатов расчетов и испытаний с целью уточнения расчетной схемы в целом или его отдельных узлов.
Таблица 1.1 Классификация средств технической диагностики [32]
| Стадия жизненного цикла вагона
|
Сборочные единицы вагона
|
| Колесные пары
|
Тележки
|
Буксовый узел
|
Автосцепное
устройство
|
Автотормоз
|
Кузов
|
| 
|
Принципы диагностирования
|
По инфракрасному излучению
|
Тензометрический
|
По инфракрасному излучению
|
Визуальный
|
Измерение давления и расхода воздуха
|
Визуальный
|
| Виброакустический
|
Измерительный
|
| Фотоэлектрический
|
Фотэлектрический
|
| Типы
устройств
|
ДИСК-2
ПОНАБ
УПГ, ДДК
|
ТУ
|
ДИСК-2 ПОНАБ
|
САКМА
|
УЗОТ-Р
АСОТ
УСОТ
|
АРМОВ
|
| Шаблоны
|
| 
|
Принципы диагностирования
|
Визуальный
|
Дефектоскопия
|
Визуальный
|
Измерение давления и расхода воздуха
|
Ультразвуковой
|
| Измерительный
|
Измерительный
|
По инфракрасному излучению
|
| Дефектоскопия
|
Дефектоскопия
|
| Типы
устройств
|
Измерительный инструмент
|
Дефектоскопы:
вихретоковыи;
магнитный;
феррозондовый
|
Измерительный инструмент
|
Шаблоны
|
СИТОВ
УКВР-2
УКАР-2м АСОТ
УСОТ
|
ПОИСК
A Line-
32D
ДУ-101-Б
|
| Дефектоскопы: ультразвуковой; магнитопорошковый; вихретоковыи;
МАИК
|
| Дефектоскопы: магнитопорошковый; вихретоковыи; ультразвуковой
|
Дефектоскопы:
вихретоковый;
магнит-
ный;
феррозондовый
|
Применяемое при лабораторных испытаниях оборудование разнообразно, выбор его зависит от поставленных перед испытателем конкретных задач, которые необходимо исследовать в процессе проектирования и отработки конструкции в целом.

Рис. 1.1
Классификация методов диагностики
Например, для испытания на долговечность вплоть до разрушения надрессорных балок и боковых рам тележки применяются специальные вибростенды, работающие в автоматическом режиме по заданной программе.
Стендовым испытаниям подвергаются узлы и целые конструкции. Так, в практике отечественного и зарубежного вагоностроения применяется следующее стендовое оборудование для испытания вагонов [2, 31]:
· Стенды и катковые станции различной конструкции для изучения колебаний вагона в целях отработки типа и параметров рессор и гасителей колебаний вагонов. Современные стенды оборудованы устройствами, с помощью которых можно управлять возбуждением колебаний вагона в вертикальной и горизонтальной плоскости по заданной программе.
· Передвижной стенд–вагон (опытный вагон) с переменными массами, моментами инерции, положением центра массы вагона, а также с тележками, в которых могут быть смонтированы гасители колебаний различного вида для гашения амплитуд вынужденных колебаний вагона (фрикционные, гидравлические).
· Стенды для снятия параметров, характеристик, а также для испытания и проверки работы фрикционных и гидравлических гасителей колебаний.
Рис. 1.2
Катковый
(барабанный) испытательный стенд
· Стенды–копры для снятия характеристик и для ударных испытаний поглощающих аппаратов автосцепки. При нанесении одиночных и повторных ударов на них можно измерять также энергоемкость поглощающих аппаратов и определять их силовые характеристики.
· Стенды–горки для испытания натурных вагонов на соударение с целью уточнения расчетных схем нагружения элементов вагона при их динамическом взаимодействии в продольной плоскости и отработки характеристик поглощающих аппаратов автосцепки.
Катковый испытательный стенд обычно располагается в отдельно расположенном и специально оборудованном помещении (рис. 1.2) с железнодорожным путем, снабженный массивным виброизолированным фундаментом и мощным приводом в виде колёсомоторных блоков (КМБ) 1
.

Рис. 1.3
Виды дефектов на поверхности катания:
1-
уширение обода, дефект фаски; 2
- неравномерный наплыв на фаску; 3
- местное уширение дорожки качения; 4
- закатавшийся ползун; 5 -
закатавшийся навар;
6 -
небраковочные дефекты
На КМБ устанавливается испытываемый вагон 4
и соединяется через автосцепку со стойкой 3
стенда. Возмущения, передаваемые на колесные пары вагона 2,
создаются в основном специальными неровностями различного вида (рис. 1.3), сделанными на КМБ и на колесных парах испытываемого вагона, а также дополнительно электрогидравлическими устройствами с программным управлением. Катковые стенды позволяют имитировать движение вагонов со скоростями до 250 км/ч и воспроизводить условия испытаний, близкие к эксплуатационным. Жесткость железнодорожного пути имитируется резиновыми прокладками между корпусами букс и их опорами.
Рис. 1.4
Принципиальная схема стенда для испытания рессорного подвешивания
Технология испытаний состоит в том, что в зависимости от целей катковым стендом воспроизводятся возмущающие воздействия и измеряются необходимые характеристики.
Измерительные приборы устанавливаются на вагоне и соединяются с регистрирующей аппаратурой (магнитографы, измерительными и анализирующей аппарату-
рой на базе цифровой техники) или с измерительно-вычислительным комплексом, расположенном в отдельном помещении.
На рис. 1.4 представлена принципиальная схема стенда для испытания и проверки расчетных характеристик буксового рессорного подвешивания. На раме 1
стенда установлены пульт управления 2
и фиксирующее устройство 3
тележки 4.
Колесную пару с испытываемым буксовым рессорным подвешиванием устанавливают на поднимающийся участок рельса 5
, который через измерительное устройство 6
опирается на домкрат 7
.
Под воздействием домкрата периодически нагружается и разгружается испытываемый буксовый комплект с одновременной записью на измерительном устройстве 6
диаграммы «нагруз-
ка–деформация», по которой определяются жесткость пружин и силы трения фрикционного кли нового гасителя колебаний в буксовом подвешивании.
Рис. 1.5
Петля гистерезиса рессорного комплекта
При испытании включается в работу домкрат 4
и одновременно записывается диаграмма «нагрузка–деформация» рессорного комплекта, по которой определяются жесткость рессорного ком-
плекта и сила трения, создаваемая фрикционным гасителем колебаний при нагружении и разгружении рессорного комплекта (рис. 1.5). Полученные результаты измерения сопоставляются с расчетными величинами.
Рис. 1.6
Принципиальная
схема стенда для испыта-ния центрального рессорного под-
вешивания
тележки
Для испытанияцентрального рессорного подвешивания грузовой те-лежки можно применять стенд, принципиальная схемакоторого показана на рис. 1.6. На раме 1
стенда располо-жены пульт управления 2,
записывающее устройство 3
и электрический домкрат 4,
на штоке 5
которого уста-новлен измеритель 6 нажимного усилия, создаваемогодомкратом, и центрирующее приспособление с пятником для посадки его на подпятник надрессорной балки тележки 7.
Для более полной оценки работы фрикционных клиновых гасителей колебаний грузовой тележки можно применять стенд, принципиальная схема которого показана на рис. 1.7.
Рис. 1.7
Принципиальная схема стенда для испытания клинового гасителя
колебаний
Каретка 1
стенда, в которой размещается рессорный комплект 2
с фрикционным клиновым гасителем колебаний, обеспечивает вынужденные поперечные перемещения фрикционных клиньев гасителя колебаний с амплитудой 210 мм и частотой 1,0-5,0 Гц. Одновременное движение фрикционного клина в вертикальном и горизонтальном поперечном направлении исследуется при свободных ко-
лебаниях массы 3
, имитирующей массу кузова вагона, с частотой 2-2,5 Гц. Имитация воздействия железнодорожного пути производится через каток 4
и толкатель 5.
Стрелками на рис. 4 показано перекрестное движение фрикционного клина гасителя колебаний.
Сила трения, создаваемая гасителем колебаний в вертикальном направлении в зависимости от частоты поперечных перемещений фрикционного клина, определяется по декременту затухания свободных колебаний системы.
При проектировании новых конструкций вагонов возникает необходимость определения закона распределения напряжений опытным путем, когда полной конструкции вагона еще не имеется. В этом случае испытания проводят в лабораторных условиях на стендах, применяя уменьшенные модели конструкции вагона в целом или его отдельных узлов и элементов, выполненных с использованием теории подобия. Испытания на моделях позволяют значительно сократить затраты при проектировании новых конструкций вагонов и сократить время на созда ние опытного образца вагона новой конструкции.
Силовое нагружение модели может производиться различными способами в зависимости от того, на действие какой силовой нагрузки испытывается модель элемента вагона. При действии только вертикальной нагрузки обычно используются специальные мерные грузы 4
определенной массы, имитирующие статическую и динамическую нагрузки. При исследовании модели элемента вагона на нагружение продольными растягивающими или сжимающими силами используются специальные гидравлические прессы.
Рис. 1.8
Принципиальная схема стенда испытаний тележек на вертикальные нагрузки
Для испытания элементов и деталей тележки вагона в натуральную величину под действием вертикальных сил применяются механические, электрические, гидравлические или пневматические стенды. На этих стендах производятся исследования прочности надрессорных балок, боковых балок рамы тележки, люлечных подвесок и других деталей.
Несущая рама 1
стенда (рис. 1.8) установлена на мощном фундаменте и снабжена передвижными опорами 2,
на которые устанавливается испытываемая тележка 3,
кото-
рая нагружается через измерительное устройство 4
для измерения прикладываемой к тележке вертикальной нагрузки с помощью пневматического, гидравлического или электрического нагрузочного устройства 5.
Подобные стенды применяются также для исследования прочности отдельных деталей вагонов.
При исследовании динамической прочности отдельных узлов и деталей вагона на многократные повторные удары испытания можно проводить также на маятниковых копровых установках. При этих испытаниях производится оценка выносливости конструкции узлов и деталей вагона от воздействия полного комплекса ударных нагрузок, действующих на них в течение установленного полного срока службы вагона. Испытания при многократно повторяющихся ударных нагрузках производятся также при исследовании узлов и деталей вагонов, изготовленных из стали новых марок или других материалов. Эти испытания позволяют также оценить влияние климатических условий на прочность конструкции отдельных узлов вагона. Испытания проводятся при низких температурах в специальных холодильных камерах с охлаждением до -40…50°С.
Рис. 1.9
Схема копра для ударных испытаний единиц подвижного состава
Ударные маятниковые установки, применяемые для прочностных исследований, бывают одно- и двухмаятниковые. На рис. 1.9 показан одномаятниковый репетиционный ударный копер УКМ–1, предназначенный для одиночных или многократно повторяющихся ударов. Копер состоит из маятника 1
весом 8,0 т, подвешенного на подвесных тягах 2
к жесткой раме 3.
Для возбуждения колеба-
ний маятника на раме копра установлен пневматический толкатель 4,
шток которого шарнирно соединен с маятником. Испытываемый узел 5 устанавливается на раме 6,
заделанной в железобетонный устой 7 тупика.
Поступающий в пневматический толкатель 4
сжатый воздух давит на его поршень, от ко торого усилие передается через шток на маятник, который при этом отклоняется от нижнего своего положения. При достижении маятником крайнего верхнего положения воздухораспределительный механизм прекращает подачу сжатого воздуха в рабочую полость цилиндра пневматического толкателя 4,
а имеющийся там сжатый воздух выходит в атмосферу. Маятник 1
под действием силы тяжести, стремясь вернуться из крайнего верхнего отклоненного положения в нижнее, начинает двигаться в обратном направлении и в момент прохождения своего нижнего положения ударяет по испытываемому узлу. При этом маятник перемещает поршень толкателя 4
в первоначальное исходное положение. Одновременно с ударом маятника в испытываемый узел воздухораспределительный механизм срабатывает так, что сжатый воздух снова поступает в рабочую полость цилиндра толкателя 4.
После удара маятника в испытываемый узел вагона он снова отбрасывается из нижнего своего положения в верхнее под действием упругих сил, возникающих в испытываемом узле вагона, и давления сжатого воздуха на поршень; и процесс работы копра повторяется сначала.
Величина энергии удара или скорости удара маятника регулируется изменением давления воздуха, поступающего в цилиндр пневматического толкателя 4.
Сила удара маятника достигает 50-250 тс, а частота – 50 ударов в минуту.
У двухмаятникового ударного копра УКМ–2 маятники работают навстречу друг другу. На одном маятнике закрепляется испытываемый узел или деталь вагона, а на другом – боек. При ударе маятника используется упругая отдача испытываемого узла или детали вагона. Привод этого копра пневматический, вес одного маятника 12 т, сила удара ±50…200 тс (растяжение, сжатие) с частотой 100 ударов в минуту.
Для испытания, приработки и записывания диаграммы «сила–деформация» поглощающих аппаратов автосцепки применяются вертикальный ударный копер и специальный стенд. Ударный копер имеет электромеханический привод и падающий груз массой 13 т; максимальная энергия удара составляет 30 000 кг или 30 кДж.
Специальный стенд для испытаний и записывания фактической диаграммы «сила– деформация» поглощающих аппаратов автосцепки показан на рис. 1.10.
Рис. 1.10
Стенд для испытания поглощающих аппаратов автосцепки
Стенд состоит из станины 1
, пневматического или гидравлического цилиндра 2,
силоизмерительного устройства 3,
записывающего устройства 4,
рычажной системы 5
, соеди-
ненной одним концом с испытываемым поглощающим аппаратом, а другим – с цилиндром 2
через силоизмерительное устройство 3.
При испытании пружинно–фрикционного поглощающего аппарата автосцепки его сначала подвергают многократному притирочному нагружению (несколько циклов «сжатие–отдача»), а затем записывают диаграмму «сила–деформация».
Для испытания в лабораторных условиях натурных вагонов на продольные растягивающие и сжимающие силы применяется специальный гидравлический стенд–пресс. Такой стенд состоит из гидравлической станции,
которая подает рабочую жидкость (масло) в силовой гидравлический цилиндр,
взаимодействующий с автосцепкой испытываемого вагона (рис 1.11).
Несущая прямоугольная горизонтальная рама,
продольная ось симметрии которой совпадает с продольной осью рельсового пути, снабжена упором,
закрепленным на поперечной балке, которая передвигается по длине стенда с шагом 2 м для установки в раме вагонов с различной базой. Давление в гидравлическом цилиндре до 50,0 МПа создается насосом с приводом от элек-
тродвигателя. Гидравлическая станция обеспечивает плавное повышение/понижение давления масла и его постоянство в процессе испытаний.

Рис. 1.11
Элементы испытательного стенда
Испытываемый вагон помещается в замкнутую несущую раму и сжимается или растягивается расчетными продольными силами, значение которых устанавливается нормами расчета вагонов на прочность.
Компоновка стенда разнообразна. Так, например, смонтированная на стенде–прессе электронная измерительная система может обеспечивать одновременную регистрацию показаний тензодатчиков, с помощью которых определяется напряжение, в выбранных точках конструкции. Для этого вдоль стенда–пресса с каждой его стороны расположены электрические щиты, снабженные электрическими клеммами, соединенные с выходными панелями, которые размещены на измерительном столе. Максимальная продольная расчетная сила, получаемая на стенде–прессе, составляет 4000 кН. На стенде–прессе предусматривается пневматическое устройство для испытания кузова вагона на вертикальную статическую нагрузку, максимальное значение которой достигает 3000 кН.

Рис. 1.12
Принципиальная схема стенда–горки для испытания вагонов на соударение
Для испытания вагонов на продольные ударные нагрузки с целью оценки напряженного состояния, проверки прочности и устойчивости вагона и его узлов при ударе в автосцепку с заданной величиной продольной силы или скоростью соударения применяется стенд–горка, показанный на рис. 1.12. Стенд–горка имеет рельсовый путь 2
с уклоном спуска 50 ‰, в конце которого внизу установлен мощный П–образный упор 1
общей массой 5500 т. П–образный упор имеет центральный стальной вкладыш с металлоконструкцией массой 190 т и два боковых стальных вкладыша с металлоконструкцией массой по 58 т. Для испытания на растягивающие силы имеется траверса 5,
прикрепляемая жестко к испытываемому вагону 4
перед началом испытаний, и ударяющаяся в боковые части П–образного упора.
Стенд–горка позволяет производить как одиночные удары, так и серию ударов, осуществляемую автоматически по заданной программе. Подъем вагона на горку после удара в упор 1
производится лебедкой, установленной в машинном отделении 3.
Мощность электродвигателя лебедки равна 125 кВт, наибольшее тяговое усилие лебедки составляет 140 кН.
Наибольшая масса испытываемого вагона может составлять 264 т, а скорость подъема вагона на верх горки равна 5,9 км/ч при массе испытываемых вагонов до 132 т и 2,8 км/ч при массе испытываемых вагонов от 132 до 264 т. Максимальная расчетная скорость соударения вагона с упором 7 стенда–горки равна 25,2 км/ч. Время одного цикла испытаний вагонов на соударение (подъем–скатывание с горки) при скорости соударения вагона 25,2 км/ч равно 2 мин при массе испытываемых вагонов до 132 т и 3,5 мин при массе испытываемых вагонов от 132 до 264 т.
Несколько модифицированный стенд может применяться для проверки качества ручного тормоза. В настоящее время, согласно действующему требованию, учитывающему допустимый уклон железнодорожной колеи, угол наклона горки должен составлять 5°. При этом эффективность тормоза может быть избыточной, что отражается на его конструктивном и механическом исполнении. Поэтому головной образец целесообразно испытывать на горке с изменяющимся углом наклона и по результатам определять оптимальную характеристику и конструкцию ручного тормоза. Обе горки могут быть объединены, что позволит расширить возможность испытания вагонов на соударение в соответствии с предстоящим ростом скоростного движения.
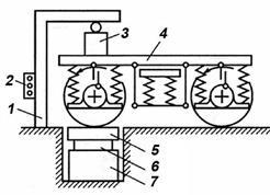
Одной из проблем, обеспечивающей безопасность движения, является совершенствование контроля нагрева буксовых узлов подвижного состава в движении. В настоящее время для этой цели используется система ПОНАБ, которая по причине определенных недостатков заменяется более совершенными способами контроля. Современным уровнем решения данной задачи может стать применение термовизоров, изготовленных на основе цифровой технологии (рис. 1.13).
Рис. 1.13
Применение
1
термовизора в системе контроля нагрева букс:
1
-термовизор;
2
-контрлируемая букса; 3
-диспетчерский пункт
2
Приемник такого прибора чувствителен к инфракрасному излучению, а программное обеспечение способствует
БД 3
распознаванию температурных полей с последующей оценкой температурного режима каждого из них. Применение современной оптической системы позволяет устанавливать термовизор на различном расстоянии от объекта, что определяет диаметр пятна контроля в зависимости от фокусного расстояния объектива:
RS
-232C
Расстояние, м 1,15 1,5 2,5 10,0
Диаметр пятна, мм 19 29 58 280
Для работы в темное время суток прибор оснащен фотовспышкой, срабатываемой автоматически при недостаточном уровне освещенности, что необходимо для фокусирования оптики при создании контрольного снимка.
Термовизор оснащен внутренней энергонезависимой памятью, куда записываются результаты измерений: дата, время, порядковый номер кадра (буксы) и температурные поля. Сам прибор питается от встроенных перезаряжаемых аккумуляторов.
Методы неразрушающего контроля
(МНК) широко используются для обнаружения дефектов любого типа. Классификация МНК приведена в табл. 1. При контроле ответственных деталей подвижного состава с целью большей полноты контроля может применяться система, представляющую собой совокупность нескольких методов. Так оси колесных пар контролируются акустическим зеркально-теневым, эхо- и магнитопорошковым методами.
В настоящее время трудно найти отрасль хозяйства, где бы не применялся акустический вид НК. Состоящий из множества методов, в основу которых положено свойство акустических колебаний проникать в глубь материалов и отражаться от раздела двух сред, он нашел широкое применение при контроле изделий из различных материалов — пластмасс, бетона, металлов и т.д.
Широкий спектр деталей железнодорожного подвижного состава (оси локомотивов и вагонов, бандажи и цельнокатаные колеса, коленчатые валы дизелей и компрессоров, детали тяговых передач локомотивов и т.п.) контролируется акустическими методами. На их долю приходится 35-40 % общего объема операций неразрушающего контроля, выполняемых при изготовлении и ремонте подвижного состава. Применение системы акустических методов НК наряду с другими способствует повышению безопасности движения на железнодорожном транспорте.
2 ТРЕБОВАНИЯ К ОФОРМЛЕНИЮ ПРОЕКТА
Объем курсового проекта задается, исходя из требований учебного плана, и должен содержать не менее 40 страниц текста с учетом иллюстраций и 4–5 слайдов в формате PowerPoint
. Макет титульного листа показан в приложении 1.
Выполнение пояснительной записки.
Пояснительная записка должна в краткой и четкой форме раскрывать замысел проекта, содержать методы исследования и расчета, а также сами расчеты, описание проведенных экспериментов, их анализ, выводы. Текст должен дополняться иллюстрациями (рисунками, диаграммами, схемами и т.п.).
В пояснительную записку включаются:
1. Титульный лист.
2. Задание на проектирование.
4. Оглавление.
5. Введение.
6. Содержание работы по главам.
7. Выводы.
8. Перечень слайдов (чертежей).
9. Список литературы с указанием выходных данных.
10. Приложения.
В оглавлении
приводится полное наименование разделов и подразделов с указанием соответствующих страниц.
Во введении
показывается развитие и состояние рассматриваемого вопроса, дается обзор отечественной и зарубежной литературы по данному вопросу.
В главах, отражающих основное содержание работы,
приводятся исходные условия и требования, описывается последовательность и методика решения вопросов; дается анализ выполненных расчетов и сравниваемых результатов.
Математические расчеты, программы, таблицы, все иллюстрации приводятся по ходу их выполнения в полном объеме, позволяющем проследить ход рассуждений.
Обязательной составляющей проекта является обоснование испытательной станции и её конфигурация в соответствии с темой проекта
(рис. 2.1). Сюда должны входить: испытательное оборудование, выбор типа первичного преобразователя; прибора согласования между ним и последующей измерительной системой; необходимое приборное обеспечение для исследования изучаемого процесса (аналоговое или цифровое), а также устройства представления результатов: принтер, графопостроитель, монитор и т.п.

Рис. 2.1
Элементы испытательной станции:
1
–эталонный возбудитель; 2
–измерительный преобразователь;
3
–согласующее устройство; 4
–измерительно-вычислительный комплекс; 5
–вывод результата; 6
– база данных; 7
–программное обеспечение; 8
–объект испытаний;
9
–испытательная нагрузка
Согласующее устройство 3
выполняется в виде усилителя сигнала или преобразователя импеданса (усилитель с коэффициентом усиления, равном единице) при использовании первичного преобразователя на основе пьезоэлемента, что последний позволяет подключать широкий класс измерительной техники.
Измерительно-вычислительный комплекс включать в себя блок 3
, а при цифровом исполнении и аналого-цифровой преобразователь. При многоточечной системе сбора данных должен использоваться мультиплексор.

Рис. 2.2
Элементы комплекса виброиспытаний
Характеристики элементов КИС 1, 2, 8
и 9
зависят от типа объекта и вида испытаний (рис. 2.2), а остальные составляющие в дополнительных пояснениях не нуждаются.
Требования техники безопасности
, промышленной санитарии и противопожарной техники учитываются при выполнении всех разделов проекта.
В выводах
формулируются основные результаты, полученные в ходе выполнения проекта.
Дается оценка, ожидаемого результата от внедрения данного проекта.
В перечне слайдов
(чертежей) проекта указывается название каждого из них.
Список литературы
приводится в конце пояснительной записки с полным указанием выходных данных.
В приложение
включают промежуточные расчеты, таблицы вспомогательных цифровых данных, иллюстрации вспомогательного характера и др.
Пояснительная записка должна быть написана грамотно, четко, инженерным языком. Все физические положения нужно отражать кратко и понятно.
Расчеты и данные к ним должны сопровождаться краткими пояснениями и ссылками на литературу. При использовании какого–либо метода расчета формулы приводятся в буквенном выражении, а затем – в цифровом; результаты вычислений указываются с размерностями полученных величин. Многократно повторяющиеся расчеты приводятся только один раз, а результаты сводятся в таблицы.
Для получения аналитической зависимости результаты испытаний следует выравнивать методом наименьших квадратов или полиномом Ньютона.
Пояснительная записка к проекту выполняется в редакторе Word
(Microsoft Office
2007) на одной стороне листа белой бумаги формата А4 (210х297 мм) кеглем 14 пт, фонт Times New Roman cyr
. с 1,5-строчным интервалом и выравниванием по ширине. Формулы вписываются в формате Equation
или MathType
. Не допускается впечатывание скопированных формул!
Поля страницы: слева – 30 мм, справа – 15, сверху/снизу – 20 мм. Страницы нумеруются, начиная с титульного листа. Номер страницы ставится в верхнем колонтитуле с выравниванием вправо
. На титульном листе номер не ставится!
Каждый раздел (глава) пояснительной записки должен начинаться с новой страницы. Разделам присваиваются порядковые номера, обозначенные арабскими цифрами с точкой после цифр. При наличии подразделов, параграфов и пунктов ставятся двух– и трехкратные номера, разделяемые точками. Например, пункт 3 параграфа 5 главы 2 обозначается 2.5.3 и т. д. Переносы слов в заголовках не допускаются, точку в конце заголовка не ставят. Наименования разделов и подразделов должны быть краткими, соответствовать содержанию, а их номера указываются без знака параграфа – §.
Условные буквенные обозначения математических, и физических величин должны соответствовать стандартам.
Выражениям (формулам) присваивается номер, обозначаемый арабскими цифрами в круглых скобках в пределах одной главы. При написании формул использование редактора формул обязательно!
Ссылки в тексте на порядковый номер даются в круглых скобках, например: Расчет коэффициента передачи приведен в (2.1). Значения символов и числовых коэффициентов, входящих в формулы, должны быть приведены непосредственно после соответствующих выражений, например:
T
= ( 1
+
2
)(2
2Dq
)2
2
, (2.1)
1-q
+(2Dq
)
где Т
– коэффициент передачи; D
– коэффициент относительного демпфирования; q
– отношение частоты вынужденных f
вын
к частоте собственных f
0
колебаний; q=f
вын
/f
0
.
Когда в тексте записки приводится ряд цифровых величин одной размерности, единицы измерения указываются только в конце ряда, например: 20, 37, 115, 230 лк (люкс).
Все иллюстрации и таблицы (рисунки, эскизы, схемы, графики) называются рисунками. Их нумеруют арабскими цифрами и обозначают: рис. 1.1, рис. 3.4 и т. д. в пределах раздела. Первая цифра соответствует номеру раздела, вторая – порядковому номеру рисунка в разделе. Ссылки на иллюстрации и таблицы даются так: (рис. 3.1), (табл. 4.2).
Таблица оформляется со слова Таблица и ее номер с выравниванием вправо. Тематический заголовок таблицы оформляется на следующей строке по центру полужирным шрифтом
и размещается над таблицей. Таблица должна изготавливаться с применением иконки . Вставка таблиц копированием из первоисточника не допускается!
Не допускается копирование таблиц из первоисточников, а также представление рисунков без дополнительной обработки (чистка, выравнивание линий и т.п.). По этим же правилам должна оформляться и информация из Internet
.
Схемы, графики, и т. п. необходимо располагать на отдельных страницах
. Они должны быть выполнены с применением графических возможностей IBM PC
или пакетов специальных программ AutoCad
, Photoshop
, Компас и т.п. Таблицы размещаются по ходу текста.
Каждому приложению дается название. Ссылку на приложение указывают буквой П, например, в приложении 2 – в П.2 или табл. П.3 т. д.
Ссылки на литературу приводятся в тексте в квадратных скобках в порядке их использования, например [5].
Оформление графического материала
. Чертежи и схемы должны быть выполнены в соответствии с правилами Единой системы конструкторской документации (ЕСКД) на листах формата А1 (594х840 мм). Масштаб и степень детализации должны выбираться с учетом их целесообразности и наглядности. При сканировании из первоисточников иллюстрации должны быть вычищены, шрифты на всех – идентичны.
Размеры и пример заполнения основной надписи при изготовлении чертежей на листах показаны на рис. 2.3 и. 2.4.
Слайды выполняются в стандартном формате PowerPoint
в книжной или альбомной ориентации. Оформление должно соответствовать техническим документам без «украшательства». Применение анимации поощряется.
Не допускается копирование таблиц из первоисточников, а также представление рисунков без дополнительной обработки (чистка, выравнивания прямых линий и т.п.). По этим же правилам должна оформляться и информация из Internet.

Рис. 2.3
Размеры основной надписи

Рис. 2.4
Пример заполнения основной надписи
3 АТТЕСТАЦИЯ ИСПЫТАТЕЛЬНОГО ОБОРУДОВАНИЯ
Все виды испытаний должны проводиться на аттестованном оборудовании. Аттестация – проверка оборудования с целью определения его соответствия установленным требованиям (например, требованиям сертификации).
Испытательный стенд любого назначения должен иметь возможности воспроизведения условий испытаний в пределах допускаемых отклонений и установление пригодности использования испытательного оборудования в соответствии с его назначением. Эти характеристики подтверждаются в процессе аттестации всего испытательного оборудования [57].
При вводе в эксплуатацию в данном испытательном подразделении испытательное оборудование подвергают первичной аттестации.
В процессе эксплуатации испытательное оборудование подвергают периодической аттестации через интервалы времени, установленные в эксплуатационной документации на испытательное оборудование или при его первичной аттестации.
Примечание
. Интервалы времени периодической аттестации могут быть установлены по результатам контроля состояния испытательного оборудования в процессе его эксплуатации. Для различных частей испытательного оборудования эти интервалы могут быть различны.
В случае ремонта или модернизации испытательного оборудования, проведения работ с фундаментом, на котором оно установлено, перемещения стационарного испытательного оборудования и других причин, которые могут вызвать изменения характеристик воспроизведения условий испытаний, испытательное оборудование подвергают повторной аттестации.
Для аттестации испытательного оборудования, используемого при обязательной сертификации продукции, при испытаниях продукции на соответствие обязательным требованиям стандартов и при производстве продукции, поставляемой по контрактам для государственных нужд, должны применяться средства измерений утвержденных типов в соответствии с ПР 50.2.009 [58], экземпляры средств измерений должны быть поверены, методики выполнения измерении должны быть аттестованы в соответствии с ГОСТ Р 8.563 [56].
При аттестации испытательного оборудования для испытаний продукции, используемой в других сферах, должны применяться поверенные иди калиброванные средства измерений.
Испытания, поверку и калибровку средств измерений, используемых в качестве испытательного оборудования или в его составе, осуществляют в соответствии с нормативными документами государственной системы обеспечения единства измерений.
Первичная аттестация
испытательного оборудования заключается в экспертизе эксплуатационной и проектной документации (при наличии последней), на основании которой выполнена установка испытательного оборудования, экспериментальном определении его технических характеристик и подтверждении пригодности использования испытательного оборудования (содержание протокола первичной аттестации см. с. 36).
Первичную аттестацию испытательного оборудования проводят в соответствии с действующими нормативными документами на методики аттестации определенного вида испытательного оборудования и/или по программам и методикам аттестации конкретного оборудования.
Объектами первичной аттестации является конкретное испытательное оборудование с нормированными техническими характеристиками воспроизведений условий испытаний.
Технические характеристики испытательного оборудования, подлежащие определению или контролю при первичной аттестации, выбирают из числа нормированных технических характеристик, установленных в технической документации и определяющих возможность воспроизведения условий испытаний в заданных диапазонах с допускаемыми отклонениями в течение установленного интервала времени.
Первичную аттестацию испытательного оборудования проводит комиссия. В состав комиссии включают представителей:
· подразделения предприятия (организации), проводящего испытания на данном испытатель ном оборудовании;
· метрологической службы предприятия (организации), подразделение которого проводит испытания продукции;
· государственных научных метрологических центров и/или органов государственной метрологической службы при использовании испытательного оборудования для испытаний продукции с целью ее обязательной сертификации или испытаний на соответствие обязательным требованиям государственных стандартов или при производстве продукции, поставляемой по контрактам для государственных нужд.
Комиссию назначает руководитель предприятия (организации) по согласованию с государственным научным метрологическим центром и/или органом государственной метрологической службы, если их представители должны участвовать в работе комиссии.
Аттестацию испытательного оборудования могут также проводить организации, аккредитованные на право проведения такой работы.
Испытательные подразделения представляют испытательное оборудование на первичную аттестацию с технической документацией и техническими средствами, необходимыми для его нормального функционирования и для проведения первичной аттестации. В состав представляемой технической документации должны входить:
· эксплуатационные документы по ГОСТ 2.601, включая формуляр при его наличии (для импортного оборудования – эксплуатационные документы фирмы-изготовителя, переведенные на русский язык);
· программа и методика первичной аттестации испытательного оборудования;
· методика периодической аттестации испытательного оборудования в процессе эксплуатации, если она не изложена в эксплуатационных документах.
Программа и методика первичной аттестации испытательного оборудования могут быть разработаны подразделением, проводящим испытания.
В процессе первичной аттестации устанавливают:
· возможность воспроизведения внешних воздействующих факторов и/или режимов функционирования объекта испытаний, установленных в документах на методики испытаний продукции конкретных видов:
· отклонения характеристик условий испытаний от нормированных значений;
· обеспечение безопасности персонала и отсутствие вредного воздействия на окружающую среду;
· перечень характеристик испытательного оборудования, которые проверяют при периодической аттестации оборудования, методы, средства и периодичность ее проведения.
Результаты первичной аттестации оформляют аттестатом (см. с. 37). Содержание протокола первичной аттестации испытательного оборудования приведено в приложении А.
Протокол первичной аттестации испытательного оборудования подписывают председатель и члены комиссии, проводившие первичную аттестацию. При положительных результатах первичной аттестации на основании протокола первичной аттестации оформляют аттестат.
Отрицательные результаты первичной аттестации указывают в протоколе.
Сведения о выданном аттестате (номер и дата выдачи), полученные значения характеристик испытательного оборудования, а также срок последующей периодической аттестации испытательного оборудования и периодичность ее проведения в процессе эксплуатации вносят в формуляр или специально заведенный журнал.
Периодическую аттестацию
испытательного оборудования в процессе его эксплуатации проводят в объеме, необходимом для подтверждения соответствия характеристик испытательного оборудования требованиям нормативных документов на методики испытаний и эксплуатационных документов на оборудование и пригодности его к дальнейшему использованию.
Номенклатуру проверяемых характеристик испытательного оборудования и объем опера ций при его периодической аттестации устанавливают при первичной аттестации оборудования, исходя из нормированных технических характеристик оборудования и тех характеристик конкретной продукции, которые определяют при испытаниях.
Периодическую аттестацию испытательного оборудования в процессе его эксплуатации проводят сотрудники подразделения, в котором установлено оборудование, уполномоченные руководителем подразделения для выполнения этой работы, и представители метрологической службы предприятия.
Результаты периодической аттестации испытательного оборудования оформляют протоколом, содержание которого приведено на с. 35. Протокол с результатами периодической аттестации подписывают лица, ее проводившие. Утверждает протокол руководитель подразделения.
При положительных результатах периодической аттестации в паспорте (формуляре) делают соответствующую отметку, а на испытательное оборудование прикрепляют бирку с указанием даты проведенной аттестации и срока последующей периодической аттестации.
При отрицательных результатах периодической аттестации в протоколе указывают мероприятия, необходимые для доведения технических характеристик испытательного оборудования до требуемых значений.
Протокол первичной аттестации
испытательного оборудования содержит следующие данные:
1 Состав комиссии с указанием фамилии, должности, наименования предприятия (организации).
2 Основные сведения об испытательном оборудовании наименование, тип, заводской (инвентарный) номер, наименование завода–изготовителя.
3 Проверяемые характеристики испытательного оборудования.
4 Условия проведения первичной аттестации: температура, влажность, освещенность и т.п.
5 Документы, используемые для первичной аттестации: программа и методика аттестации, стандарты, технические условия, эксплуатационные документы и т.п.
6 Характеристики средств измерений, используемых для проведения первичной аттестации испытательного оборудования:
· наименование;
· тип;
· заводской (инвентарный) номер;
· завод–изготовитель;
· сведения о поверке (калибровке).
7 Результаты первичной аттестации.
Внешний осмотр (комплектность, отсутствие повреждений, функционирование узлов, агрегатов, наличие действующих документов на методики поверки (калибровки) встроенных или входящих в комплект средств измерений).
Значения характеристик испытательного оборудования, полученные при первичной аттестации.
Заключение комиссии о соответствии испытательного оборудования требованиям нормативных документов на испытательное оборудование и на методики испытаний продукции конкретных видов и возможности использования испытательного оборудования для их испытаний.
Рекомендации комиссии:
а) перечень нормированных характеристик, которые определяют при периодической атте-
стации испытательного оборудования в процессе его эксплуатации.
б) периодичность периодической аттестации испытательного оборудования в процессе его
эксплуатации.
в) дополнительные рекомендации комиссии (при необходимости).
Повторная аттестация
. Номенклатуру проверяемых характеристик испытательного обо рудования и объем операций при повторной аттестации устанавливают исходя из тех нормированных характеристик, которые могут существенно измениться по следующим причинам:
· ремонта или модернизации испытательного оборудования;
· проведения работ с фундаментом, на котором оно установлено;
· перемещения стационарного испытательного оборудования;
· другие причины, которые могут вызвать изменения характеристик воспроизведения условий испытаний.
Протокол периодической (повторной) аттестации
испытательного оборудования содержит следующие данные:
1 Основные сведения об испытательном оборудовании [наименование, тип, заводской (инвентарный) номер, наименование завода-изготовителя].
2 Проверяемые характеристики испытательного оборудования.
3 Условия проведения периодической (повторной) аттестации: температура, влажность, освещенность и т.п.
4 Результаты периодической (повторной) аттестации.
5 Внешний осмотр (отсутствие повреждений, функционирование узлов, агрегатов, наличие эксплуатационных документов на испытательное оборудование и документов, подтверждающих сведения о поверке/калибровке встроенных или входящих в комплект средств измерений).
6 Характеристики средств измерений, используемых для проведения периодической (повторной) аттестации испытательного оборудования, наименование, тип, заводской (инвентарный) номер, наименование завода-изготовителя). Периодическую аттестацию испытательного оборудования, и сведения об их поверке (калибровке).
7 Значения характеристик испытательного оборудования, полученные при предыдущей аттестации.
Примечание
– Вместо содержания протокола по п.п. 2 и 3 могут быть приложены соответствующие документы.
8 Значения характеристик испытательного оборудования, полученные при периодической (повторной) аттестации.
9 Заключение о соответствии испытательного оборудования требованиям нормативных и эксплуатационных документов на испытательное оборудование и на методики испытаний продукции конкретных видов.
ФОРМА АТТЕСТАТА
АТТЕСТАТ № _______
Дата выдачи ____________
Удостоверяется, что ___________________________________________ наименование и обозначение испытательного
_________________________________________________________________ оборудования, заводской или инвентарный номер, принадлежащее
_________________________________________________________________ наименование предприятия (организации), подразделения, центра
по результатам первичной аттестации, протокол № ____ от _________, признано пригодным для использования при испытаниях по
________________________________________________________________ наименование продукции наименование и обозначение документов
_________________________________________________________________
на методики испытаний (при необходимости)
Периодичность периодической аттестации ____________________ месяцев, лет Аттестат выдан ________________________________________________ наименование предприятия (организации), выдавшей аттестат
Руководитель предприятия (организации), выдавшего аттестат
Личная подпись ______________ _________________________________ расшифровка подписи
(печать)
4 ТЕМАТИКА КУРСОВОГО ПРОЕКТИРОВАНИЯ
В качестве тем курсового проектирования могут рассматриваться:
· процедурные вопросы обязательной и добровольной сертификации, сертификация и аттестация испытательного центра (лаборатории), аккредитация;
· вопросы сертификации объектов или отдельных конструкций подвижного состава;
· сертификационные испытания тормозной системы, рессорного подвешивания, рамы тележки, локомотива, системы кондиционирования воздуха кабины машиниста или салона пассажирского вагона, виброзащитного кресла машиниста и многое другое, что соответствует требованию "применять при строительстве и ремонте подвижного состава только сертифицированные изделия".
Для примера ниже приводится краткий перечень тем для курсового проектирования. Помимо этого перечня студенту предлагается самостоятельно выбрать тему проекта в соответствии с его предпочтениями и доступом к первоисточникам.
Темы курсового проекта
1. Организация контрольно-испытательной станции железнодорожного транспорта.
2. Оценка эффективности кресла машиниста. Точность и достоверность измерений.
3. Контроль качества подшипниковых узлов колесных пар.
4. Первичная аттестация испытательного центра.
5. Применение анализирующе-вычислительных систем для определения остаточного ресурса.
6. Выбор метода и организация вибродиагностики редуктора колесно-моторного блока.
7. Разработка системы измерения уровня и расхода жидкости на основе цифровой техники.
8. Обоснование метода измерения параметров вибрации с применением методов спектрального анализа.
9. Организация контроля рессорного подвешивания: виды исполнения систем испытаний, методы и критерии.
10. Оценка работоспособности демпфирующего устройства и контроль качества рессорного подвешивания.
11. Испытание тормозной системы подвижного состава.
12. Организация контроля систем жизнеобеспечения пассажирских вагонов.
13. Организация лаборатории диагностики подшипниковых узлов колесно-моторного блока.
14. Разработка системы технической диагностики: выбор диагностического параметра и оценка погрешностей измерений.
16. Диагностика ходовых частей подвижного состава.
17. Проведение сертификационных испытаний рамы тележки вагона.
18. Организация диагностирования рессорного подвешивания подвижного состава. Выявление случайных погрешностей.
19. Организация лаборатории тензометрических испытаний конструкций подвижного состава.
20. Разработка испытательной лаборатории с учетом эргономических требований.
21. Разработка типового автоматизированного рабочего места оператора контрольноиспытательной станции.
22. Стендовые испытания электрооборудования локомотивов на механические нагрузки.
23. Виды дефектов колесных пар и способы их выявления.
24. Выбор параметров электрического и теплового нагружения электрооборудования подвижного состава при испытаниях.
25. Диагностика колёсно-моторного блока локомотива на основе комплекса «Прогноз–1».
26. Испытание систем обеспечения микроклимата в кабинах машиниста.
27. Современные способы выявления дефектов роторных машин.
28. Организация контроля рессорного подвешивания.
29. Проведение тензометрических испытаний автосцепки.
30. Неразрушающий контроль колесных пар подвижного состава.
31. Магнитно–порошковый метод дефектоскопии колесных пар.
32. Организация и проведение измерений сертификационного параметра "вибрация" в кабине машиниста.
33. Организация и проведение измерений сертификационного параметра "шум" в кабине машиниста.
34. Применение калибров при контроле состояния колес.
35. Дистанционный контроль нагрева буксовых узлов подвижного состава в режиме движения.
36. Организация и проведение испытаний тормозных колодок подвижного состава.
37. Контроль состояния колес подвижного состава с применением шаблонов.
38. Применение феррозондового способа контроля элементов подвижного состава.
39. Тензометрические исследования рамных конструкций подвижного состава железных дорог.
40. Применение "термовизора" для контроля температурного режима буксовых узлов в движении.
41 Диагностика зубчатых колес редукторов колесно-моторного блока локомотива.
42 Обоснование диагностических критериев колесно-моторного блока локомотива.
43 Испытания электрооборудования локомотива на тепловое нагружение.
44 Оценка акустического режима в салоне пассажирского вагона.
45 Обоснование выбора первичных преобразователей при испытаниях рамных конструкций подвижного состава.
46 Организация и проведение виброиспытаний подвижного состава.
47 Обоснование измерительного комплекса при вибродиагностике узлов подвижного состава.
48 Аттестация испытательной лаборатории: порядок, документы (назначение и тип лаборатории выбрать самостоятельно).
49 Виды стендовых испытаний вагонов: вид испытаний, характеристика стенда и измерительного комплекса.
50 Организация испытаний и комплектация измерительно-вычислительного комплекса для получения спектральных характеристик.
51 Сертификационные испытания объектов подвижного состава в ССФЖТ.
52 Диагностика колесно-моторного блока электровоза в локомотивном депо (ТЧ).
53 Выявление дефектов колесных пар с помощью дефектоскопа УД2-12.
54 Эксплуатационные испытания объектов подвижного состава в ССФЖТ.
55 Гигиенические сертификационные испытания рабочих помещений персонала подвижного состава.
Для пояснения требований к выполнению курсового проекта и представлению результатов ниже приводится несколько примеров.
5 СЕРТИФИКАЦИОННЫЕ ИСПЫТАНИЯ РАМЫ ТЕЛЕЖКИ[1]
Аккредитация испытательного центра
Испытательный центр – (ИЦ), проводящий сертификационные испытания должен быть аккредитован, а стенд и все измерительные приборы должны быть аттестованы по Правилам ССФЖТ. Аккредитация ИЦ проводится федеральным органом исполнительной власти в области железнодорожного транспорта (ФОИВ ЖТ), являющимся в ССФЖТ органом по аккредитации. Аккредитация
– процедура признания.
Испытательный центр может быть аккредитованы в других системах аккредитации государств–участников Содружества в соответствии с ПМГ 39–2001 [60].
Аттестация ИЦ проводится комиссией органа по аккредитации с участием в случае необходимости представителей национального органа по аккредитации и иных заинтересованных организаций в порядке, установленном настоящими правилами. В качестве ИЦ могут быть аккредитованы технически компетентные и признанные независимыми от изготовителей (поставщиков, исполнителей) и потребителей юридические лица, независимо от их отраслевой принадлежности и формы собственности, удовлетворяющие требованиям настоящих правил.
Возможна аккредитация ИЦ в качестве только технически компетентного при условии проведения испытаний под контролем представителя органа по сертификации либо уполномоченного органом по сертификации, путём выдачи доверенности, сотрудника экспертного центра по сертификации или иного компетентного лица. Структура сертификационных испытаний показана на рис. 5.1.
СТРУКТУРА СЕРТИФИКАЦИОНЫХ ИСПЫТАНИЙ
1.
ЗАЯВКА НА ИСПЫТАНИЕ
1.1 От органа по сертификации 1.2 От производителя или продавца продукции
2.
Менеджмент образца
2.1 Выбор метода и средств отбора образцов
2.2 Идентификация и маркировка
2.3 Транспортировка и хранение
3.
Подготовка к испытаниям
3.1 Анализ требований заказчика
3.2 Выбор методов и средств испытаний
3.3 Подготовка образцов и средств испытаний
3.4 Проверка условий испытаний
4.
Испытания
4.1 Регистрация и контроль результатов и условий испытаний
Идентификация и маркировка Оформление протокола после испытаний испытаний. Хранение образца
5.
ВЫДАЧА РЕЗУЛЬТАТОВ
5.1 Протокола испытаний
5.2 Образца (по условиям договора)
Рис. 5.1
Этапы сертификационных испытаний
Испытательные Центры, созданные на базе научно-исследовательских, учебных, проектных и проектно-конструкторско-технологических организаций железнодорожного транспорта и промышленности, признаются независимыми при соблюдении следующих условий:
· наличие устава организации, подтверждающий её статус как третьей (независимой) стороны в сфере заявляемой области аккредитации;
· наличие утверждённой организационной структуры, обеспечивающей выполнение работ в заявленной области аккредитации;
· наличие внутреннего счёта в банке или внутреннего субсчёта;
· отсутствие у руководителя ИЦ контракта с вышестоящей организацией, заинтересованной в результатах испытаний (железнодорожной администрацией, корпорацией, концерном, акционерным обществом и т.д.).
Испытательные Центры, созданные на базе предприятий–изготовителей, могут быть признаны независимыми в части проведения испытаний ТСЖТ других предприятий-изготовителей, если документально подтверждено что:
· виды однородной продукции, заявляемые в области аккредитации, не изготовляются на предприятии–заявителе на аккредитацию;
· предприятие-заявитель на аккредитацию не связано никакими коммерческими отношениями с предприятиями, изготавливающими виды однородной продукции, заявляемые в области аккредитации.
Окончательное решение о признании статуса независимой ИЦ принимается органом по аккредитации. Все аккредитованные ИЦ подлежат обязательной регистрации в Реестре, который ведётся органом по аккредитации.
Деятельность ИЦ должна осуществляться в соответствии с положением об ИЦ на основе аттестата аккредитации (документа об уполномочивании) или иного документа на право проведения испытаний ТСЖТ для целей сертификации, выдаваемого органом по аккредитации.
Основные требования к ИЦ
ИЦ должен обеспечить заявителю беспрепятственный доступ к информации о представляемых им услугах и процедурах испытаний, не должен выдвигать неприемлемых для заявителя финансовых или иных условий, не обусловленных объективными причинами. Процедуры, с помощью которых ИЦ осуществляет свою деятельность, не должны носить дискриминационного характера.
ИЦ должен иметь (рис. 5.2):
· юридический статус в соответствии с законодательством Российской федерации. ИЦ может обладать статусом юридического лица в качестве самостоятельного структурного подразделения, деятельность которого определена соответствующим распорядительным документом. ИЦ может входить в состав экспертного центра по сертификации;
· быть укомплектован персоналом, соответствующим требованиям настоящих правил, обладающим определенным опытом работы с нормативными документами, опытом работы в области испытаний и оценки качества ТСЖТ в соответствии с заявленной областью аккредитации;
· испытательное оборудование, аттестованное в соответствии с ГОСТ Р 8.568 [57], средства измерений, проверенные или калиброванные в соответствии с Законом Российской Федерации «Об обеспечении единства измерений, позволяющие проводить испытания ТСЖТ в соответствии с областью аккредитации;
· подробные документированные процедуры проведения испытаний ТСЖТ, учитывающие структуру в соответствии с требованиями правил;
· быть способным продемонстрировать при аккредитации практическое проведение контрольных испытаний в соответствии с организационными методическими документами ИЦ;
· необходимые помещения для проведения работ и средства обеспечения в них параметров окружающей среды, соответствующих установленным требованиям;
· выполнять функции, обеспечивающие проведение испытаний ТСЖТ в соответствии с заявленной областью аккредитации;
· предотвращать коммерческое, финансовое, или другое давление на персонал ИЦ, способное оказать влияние на результаты испытаний ТСЖТ;
· обладать компетентностью, позволяющей объективно и достоверно проводить испытания ТСЖТ;
· актуализированный фонд нормативных документов, устанавливающих требования к ТСЖТ и методы испытаний;
· иметь систему регистрации результатов испытаний ТСЖТ и хранения материалов, подтверждающих результаты проведенных испытаний;
· документированную функционирующую систему обеспечения качества;
ИЦ не должен заниматься деятельностью, способной подорвать доверие в отношении его независимости и беспристрастности при проведении испытаний ТСЖТ.
При аккредитации ИЦ, не имеющего собственного юридического лица и входящего в состав другого юридического лица, его структура должна быть определена приказом руководителя юридического лица, подающего заявку на аккредитацию.
Организационная структура ИЦ
Структура ИЦ должна гарантировать его беспристрастность и обеспечивать четкое выполнение всех его функций, в первую очередь процедуры проведения испытаний ТСЖТ в соответствии с заявленной областью аккредитации.

Рис. 5.2
Требования к Испытательному Центру
В этом случае создаваемая структура может не рассматриваться как постоянно действующее подразделение, а только предназначаться для функционирования в целях проведения сертификационных испытаний в ССФЖТ.
В этом случае допускается, чтобы сотрудники ИЦ имели две должности: одну в рамках структуры ИЦ, аккредитованного в ССФЖТ, а вторую – по своей основной работе в структуре юридического лица, подающего заявку на аккредитацию.

Рис. 5.3
Этапы проведения работ по сертификации
ИЦ должен иметь постоянный (штатный) квалифицированный и прошедший специальную подготовку и аттестацию персонал, возлагаемый руководителем ИЦ. Под штатным персоналом ИЦ, не имеющего собственного юридического лица, понимается штатный персонал организации, на базе которого создан ИЦ, который участвует в работе организационной структуры ИЦ, утверждённой при аккредитации. Этапы сертификации испытательного центра иллюстрирует рис. 5.3.
ИЦ должен иметь испытательное оборудование и расходные материалы, необходимые для проведения испытаний, а также средств измерений параметров, определенные областью аккредитации (рис. 5.4).
Характеристики испытательного оборудования и средств измерений должны соответствовать требованиям нормативных документов на методы испытаний, указанных в области аккредитации, и методик проведения испытаний.

Рис. 5.4
Элементы лабораторного комплекса тензоизмерений
Для обеспечения признания результатов испытаний нормативные документы на методы испытаний должны быть согласованы с железнодорожными администрациями. При необходимости может быть предусмотрена возможность использования аттестованного испытательного оборудования и поверенных средств измерений других организаций на условиях аренды, обеспеченной договорами или другими документами. Испытательное оборудование должно проходить периодическую аттестацию, а средства измерений – периодическую поверку или калибровку в установленном порядке.
Испытательное оборудование и средства измерений должны содержаться в условиях, определенных эксплуатационной документацией и обеспечивающих сохранность и защиту от повреждений и внешних воздействующих факторов.
Для оборудования, требующего периодического технического обслуживания, должны быть разработаны и утверждены инструкции и графики технического обслуживания.
Каждая единица испытательного оборудования и средств измерений должна быть зарегистрирована. Регистрационный документ на каждую единицу оборудования должен включать следующие сведения:
· наименование и вид;
· наименование страны, предприятия изготовителя (фирмы); обозначение типа/марки, заводской и/или инвентарный номера;
· даты изготовления, получения и ввода в эксплуатацию;
· состояние при покупке (новое, бывшее в употреблении, после ремонта и т.п.);
· место нахождения ИЦ (при необходимости);
· данные о неисправностях, ремонтах и техническом обслуживании; · данные об аттестациях и проверках.
Неисправное испытательное оборудование и средства измерений должны сниматься с эксплуатации и этикетироваться соответствующим образом, указывающим на их непригодность для выполнения своих функций.
В ИЦ должен быть установлен и задокументирован порядок проведения аттестации испытательного оборудования, проверки и калибровки средств измерений, в котором должны быть отражены полномочия ИЦ в части проведения этих работ собственными силами.
Методики аттестации и проверки должны быть аттестованы в установленном порядке соответствующими компетентными органами.
ИЦ должен располагать документированными процедурами и средствами для проведения ремонта испытательного оборудования и средств измерений в пределах своей компетенции, а также иметь договора или другие документы на выполнение остальных форм ремонта в специализированных организациях.
Средства измерений должны иметь этикетки (ярлыки, клейма) с указанием даты последней поверки (калибровки) и предполагаемой даты следующей поверки (калибровки).
Аттестация испытательного стенда
Основная цель аттестации стендов – подтверждение возможности осуществления при проведении испытаний: контроля нагружения испытываемого элемента рамы тележки в необходимых пределах и с заданной точностью; фиксации числа циклов нагружения с заданной точностью; измерения механических напряжений в испытываемом элементе рамы тележки с заданной точностью. При вводе в эксплуатацию стенд подвергается первичной аттестации. Содержание и порядок рассмотрения технической документации, представленной на первичную аттестацию, приведены в табл. 5.1. В процессе эксплуатации стенд подвергается периодической аттестации через каждые два года. Для аттестации стенда, используемого при сертификации продукции, должны применяться средства измерения утвержденных типов в соответствии с ПР 50.2.009–94 [58].
Таблица 5.1
Порядок рассмотрения технической документации
| Содержание требований по рассмотрению НТД
|
Указания по методике рассмотрения
|
| 1. Метрологическая экспертиза ТО, предусматривающая оценку соответствия технических характеристик, точностных характеристик и способов их нормирования требованиям НТД; правильность использования единиц физических величин, допущенных к применению в РФ; применение терминов и определений, установленных стандартами
|
Соответствие требованиям: МИ 1314–86
МИ 1325–86
ГОСТ 15.001–88
|
| 2. Метрологическая экспертиза эксплуатационной документации с целью выявления возможности воспроизведения испытательным оборудованием и поддержания режимов и условий испытаний в заданных диапазонах с требуемой точностью и стабильностью
|
ГОСТ 2.601–68
МИ 1325–86
ГОСТ 1.25–76
ГОСТ 15.001–88
|
| 3. Оценка эксплуатационной документации (ТО) с точки зрения контроля технических характеристик испытательного оборудования, указанных в технических требованиях, существующими методами и средствами измерений
|
ГОСТ 24555–81
ГОСТ 8.326–78
ГОСТ 8.001–80
|
| 4. Оценка возможности периодической аттестации испытательного оборудования
|
ГОСТ 24555–81 ГОСТ 8.326–78
|
Экземпляры средств измерения должны быть проверены и методики выполнения измерений должны быть аттестованы в соответствии с ГОСТ Р 8.563–96 [56].
Испытания, проверку и калибровку средств измерений, используемых в качестве испытательного оборудования, осуществляют в соответствии с нормативными документами государственной системы обеспечения единства измерений. На первичную аттестацию представляются: · собственно стенд;
· техническое описание и инструкция по эксплуатации (ТО) в соответствии с ГОСТ 2.601–
95 [61];
· программа аттестации.
· Программа первичной аттестации устанавливает:
· содержание и порядок рассмотрения технической документации;
· средства экспериментального определения технических характеристик стенда, способность воспроизводить и поддерживать режимы и условия испытаний в заданных диапазонах с требуемой точностью;
· методы и средства проведения периодических аттестаций и интервал между ними; · порядок оформления результатов.
Стенд предназначен для проведения вибрационных испытаний рам тележек и их элементов с целью определения их сопротивления усталости, с построением кривых усталости, коэффициентов концентрации напряжений, долговечности в циклах нагружения при проведении сравнительных испытаний вариантов конструкции элемента.
Процедуры проведения испытаний
ИЦ должен располагать документированными процедурами испытаний. Программы испытаний в общем случае должны содержать следующие разделы:
· область применения;
· объект испытаний;
· цель испытаний;
· номенклатура контролируемых характеристик;
· виды и последовательность испытаний;
· условия проведения испытаний;
· отчетность;
· распределение обязанностей и ответственности участников испытаний.
Методики проведения испытаний, в общем случае, должны содержать следующие разделы, например [86]:
· область применения;
· объект испытаний;
· определяемые характеристики;
· метод испытаний;
· условия проведения испытаний;
· средства проведения испытаний;
· отбор образцов;
· процедура испытаний;
· обработка результатов испытаний и оценка их точности;
· оформление результатов испытаний;
· требования безопасности и охрана окружающей среды.
В качестве методик проведения испытаний могут применяться процедуры, изложенные в нормативных документах, в случае, если они удовлетворяют приведенным выше требованиям и степень подробности изложенных в них действий достаточна для качественного проведения испытаний.
Как правило, при проведении сертификационных испытаний, должны применяться собственные методики ИЦ, учитывающие специфику средств испытаний ИЦ и организацию работ. Собственные методики ИЦ должны быть разработаны и аттестованы в соответствии с П ССФЖТ 46–2002 [59] на основе методов, установленных нормативными документами на методы испытаний.
Отбор образцов для сертификационных испытаний производится представителем органа по сертификации, путем выдачи доверенности, сотрудника экспертного цента по сертификации или иного компетентного лица (инспектора приемки ОАО РЖД, сотрудника испытательного центра и т.п.). Отбор образцов производится в соответствии с порядком, установленным органом по сертификации.
Основанием для начала работ по сертификационным испытаниям в ИЦ является заявка от заказчика или приказ руководителя организации, в случае, если заказчиком является организация, на базе которой аккредитован ИЦ. Как правило, началу испытаний предшествует подача заказчиком заявки на сертификацию ТСЖТ в орган по сертификации и выпуск органом по сертификации решения по заявке, в котором в том числе рекомендуются испытательные центры, имеющие в области аккредитации соответствующие ТСЖТ.
При приемке образцов в ИЦ его сотрудниками должна быть проведена процедура идентификации образцов на соответствие данным, указанным в акте отбора. По результатам идентификации оформляется акт. Процедура идентификационных образцов, поступивших на испытания, должна предусматривать их маркировку и документирование данных для исключения возможных ошибок при сопоставлении образцов и результатов проведенных испытаний. При необходимости хранения образцов в особых условиях такие условия должны быть обеспечены, а также должны быть установлены порядок и процедуры контроля условий хранения, которые подлежат обязательной регистрации в установленном порядке.
В ИЦ должны быть установлены и документированы процедуры, обеспечивающие наличие в установленных местах актуализированных нормативных документов, инструкций, руководств, необходимых в процессе проведения испытаний, а также связанных с обеспечением качества работ, техникой безопасности и регистрацией полученных результатов.
Все данные, полученные расчетными методами или с использованием средств передачи данных, должны подвергаться соответствующей проверке. Автоматизированные системы обработки данных должны обладать характеристиками, исключающими возможность искажения. Должна быть предусмотрена возможность обнаружения неисправностей вычислительных средств в процессе обработки данных для принятия соответствующих мер. Если при обработке данных применяется программное обеспечение, то оно должно быть аттестовано компетентной комиссией ИЦ, с привлечением при необходимости специалистов сторонних подразделений или организаций.
Описание вибростенда и принципа его работы
Стенд состоит из следующих основных частей.
1. Механическая часть, предназначенная для установки в ней испытываемой рамы тележки и для восприятия нагрузок, реализуемых при нагружении рамы гидродомкратами.
2. Гидравлическая часть, в которую входят гидравлический насос, трубопроводы и гидродомкраты.
3. Электрическая часть, включающая в себя электродвигатели, электропроводку, силовые шкафы с электрической аппаратурой и пульт управления. Общий вид стенда показан на рис. 5.5.

Рис. 5.5
Общий вид стенда для испытания рам тележек
Стенд нагружает испытываемую раму пульсирующими нагрузками, приложенными в вертикальной и горизонтальной плоскостях. Вертикальные нагрузки посредством гидродомкратов прилагаются в местах, которыми рама опирается на рессорное подвешивание.
Боковые нагрузки, изменяющиеся реализуются при помощи гидродомкрата с одной стороны и гидроаккумулятора с постоянным давлением – с другой. Для предотвращения вращения рам, они удерживаются винтовыми домкратами. Элементы испытательного стенда показаны на рис. 5.6.
Гидродомкраты создают в раме напряженное состояние, близкое к возникающему при эксплуатации, поскольку в раме воспроизводятся деформации, соответствующие различным видам колебаний подвижного состава в эксплуатации: галопирование, подпрыгивание, боковая качка в сочетании с вилянием и боковыми перемещениями в любых комбинациях и при любом смещении фаз нагрузок относительно друг друга.

Рис. 5.6
Элементы испытательного стенда
Несущая конструкция предназначена для установки на ней испытываемой рамы тележки и для передачи на нее любой реальной комбинации нагрузок, возникающих при нагружении рамы тележки. Она состоит из основания, в котором закреплены шкворни неподвижный и подвижный для установки рам тележек и 6 колонн, несущих продольные и поперечные балки.
На основании закреплены боковые упоры, для перемещения которых вдоль стенда в основании имеются пазы. На упорах в вертикальной плоскости перемещаются суппорты, несущие на себе домкраты (гидравлические или винтовые), обеспечивающие горизонтальное нагружение рамы. Основание представляет собой собранную из стальных листов толщиной 30 мм решетчатую конструкцию типа сотов высотой 1000 мм, закрытую сверху листами. Размеры основания рассчитаны для восприятия всех передающихся нагрузок. Основание погружено в бетонный фундамент и связано с его арматурой.
На продольных балках расположены одиночные или сдвоенные гидродомкраты, которые могут перемещаться вдоль балок. Балки, в свою очередь, могут перемещаться поперек стенда. Расстояние между балками меняется в пределах от 2100 до 3150 мм в зависимости от ширины испытываемой рамы. Перемещения балок осуществляются электродвигателем, пульт управления которого размещен на одной из колонн. После установки балок на заданной ширине, они закрепляются болтами.
Поперечные балки опираются на гайки, навернутые на колонны. Усилия от гидродомкратов передаются через продольные балки, поперечные балки и колонны на основание.
Вертикальные перемещения поперечных балок вдоль осей колонн осуществляются двумя электродвигателями через двойную червячную передачу со скоростью 200 мм/мин. Пульт управления механизмом подъема также установлен на одной из колонн. Перемещения всех балок ограничены концевыми выключателями.
Колонны устанавливаются в гнезда основания и крепятся снизу гайками, для обеспечения доступа к которым в фундаменте выполнены ниши. Испытываемая рама подается на стенд на тележках по рельсам. Все операции с рамой и тяжелыми деталями стенда производятся мостовым краном, имеющимся в помещении, где расположен стенд.
По оси основания расположены два шкворня – неподвижный и подвижный – для крепления испытываемой рамы и передачи на основание горизонтальных и вертикальных усилий, реализуемых при нагружении рамы.
Боковые упоры имеют суппорты, с помощью которых перемещаются установленные на них домкраты по вертикальной плоскости в заданных пределах и по горизонтальной плоскости вдоль оси тележки на 250 мм в каждую сторону. Такая конструкция облегчает подготовку стенда к испытаниям.
Стенд комплектуется серийно изготавливаемыми Армавирским заводом ЗИМ пульсаторами типа П–300, имеющими теоретическую производительность 300 см3
/ход при частоте до 15 Гц. Практическая производительность пульсаторов не превышает 180–200 см3
/ход.
Применение 25–тонных гидродомкратов при прогибе испытываемых узлов 5 мм требует развивать производительность пульсаторов около 80 см3
/ход. Учитывая сжатие жидкости и деформации трубопроводов, полезная производительность гидропульсатора составляет 150 см3
/ход.
Пульсаторы установлены на раме фундамента и соединены муфтами, позволяющими смещать по фазе динамические нагрузки, реализуемые при нагружении рамы.
Шесть пульсаторов для вертикального нагружения имеют механизм синхронизации для одновременного вывода пульсаторов из нулевого положения и для обеспечения равной их производительности. Также объединены механизмы вывода трех пульсаторов горизонтальных гидродомкратов.
Схема управления механизмами вертикального и горизонтального перемещений балок стенда.
Для подъема траверс (поперечных балок) стенда установлены два электродвигателя типа АОЛ–42–4, мощностью 2,8 кВт. Двигатели включены на параллельную работу.
Управление электродвигателями производится с помощью реверсивного магнитного пускателя и трехкнопочного пульта, установленного на колонне стенда. В крайних положениях установлены ограничивающие движение конечные выключатели.
Горизонтальные перемещения продольных балок стенда осуществляются электродвигателем типа АОЛ–32–4, мощностью 1 кВт и реверсивным магнитным пускателем с двухкнопочным пультом управления.
В комплект стенда входят 8 шт. тензорных датчиков давления. Стенд комплектуется измерительно-вычислительным комплексом (ИВК).
Вся пусковая и защитная аппаратура стенда размещается в четырех распределительных щитах. В трех одинаковых распределительных щитах размещена аппаратура шести одинарных пульсаторов, по два блока в каждом щите.
В щите распределительном общем установлены главный рубильник и контактор стенда, пусковая и защитная аппаратура строенного пульсатора, гидроаккумулятора и электродвигателей перемещения стенда.
Обоснование выбора первичного преобразователя
Первичным преобразователем являются тензодатчики (тензорезисторы). Изменение электрического сопротивления тензорезистора, закреплённого на механически напряжённом элементе конструкции, пропорционально продольной деформации поверхности этого элемента. Точность такого преобразования зависит от свойств самого тензорезистора, его закрепления на объекте измерения и воздействия влияющих величин, таких, как, например, температура окружающей среды. Кроме того, на точность преобразования влияют характеристики электрических цепей и приборов, служащих для измерения, индикации или регистрации измерения сопротивления тензорезистора. Следует отметить, что рациональное размещение тензорезистров снижает влияние различных факторов.
Резистивный тензодатчики состоит из тонкой проволоки, прикрепляемой цементом или клеем к исследуемому или испытуемому объекту. Так как площадь поперечного сечения проволоки датчика очень мала, используемый для крепления тензодатчика клей гарантирует надежное ее механическое соединение с поверхностью объекта. Следовательно, деформация объекта непосредственно вызывает соответствующую деформацию проволоки без всякого рода скольжения тензодатчика и коробления проволоки при сжатии. Небольшие изменения длины проволоки датчика, вызываемые нагрузкой на исследуемый или испытуемый объект, создают небольшие изменения сопротивления проволоки датчика. Отметим, что первым этот эффект описал лорд Кельвин. Изменения сопротивления тензодатчика регистрируются электрической измерительной аппаратурой. Отношение изменений сопротивления и длины (деформации) тензодатчика определяется масштабным коэффициентом k
, т. е.
k
=dR R
=d
R
, dl l
eR
где R –
сопротивление тензодатчика; dR
– изменение сопротивления тензодатчика; l –
длина тензодатчика; dl –
изменение длины тензодатчика; e – единица деформации.
Одним из самых важных факторов, определяющих рабочую характеристику и области применения отдельных тензодатчиков, является материал, из которого изготовлена проволока. Идеальным считается материал, изготовленная из которого проволока обеспечивает наибольший масштабный коэффициент тензодатчика, т. е. материал, гарантирующий возможно большие изменения сопротивления датчика даже при малых деформациях. Следовательно, материал должен иметь, возможно, большое удельное сопротивление для того, чтобы обеспечить большие изменения сопротивления при деформации, т. е. высокую разрешающую способность.
Эти качества гарантируют высокую чувствительность резистивного тензодатчика даже к малым деформациям.
Кроме того, кратным определенной деформации должны соответствовать идентичные кратные изменения сопротивления тензодатчика, т. е. его масштабный коэффициент должен быть линейным и он не должен изменяться при изменении нагрузки. Так как масштабный коэффициент тензодатчика также должен быть неизменным во времени и повторяющееся приложение определенной нагрузки должно вызывать идентичные изменения сопротивления датчика.
Во избежание вызываемой изменениями температуры кажущейся деформации, величина которой может даже превышать действительную измеряемую деформацию, материал проволоки тензодатчика должен быть как можно мало чувствителен к температуре и ее изменениям. Отметим, что современные материалы тензодатчиков часто такие, что их температурную зависимость можно использовать для компенсации температурной зависимости материала, из которого изготовлен исследуемый или испытуемый объект.
Инженер или техник, занимающийся измерением деформации, не обязан заботиться о выборе материала проволоки тензодатчика. Тензодатчики обычно являются изделиями серийного производства и лишь в специальных случаях применяются проволочные тензодатчики, изготовленные на месте применения. Изготовители тензодатчиков тщательно выбирают материалы и методы их обработки с тем, чтобы разрабатывать и выпускать ассортимент тензодатчиков с гарантированными параметрами и возможно широкими областями применения. Следовательно, специалисты по измерительной и испытательной технике заботятся лишь о подборе тензодатчиков, характеристики которых как можно точно соответствуют техническим требованиям и условиям отдельных измерений и испытаний.
Тензорезисторы применяют преимущественно для решения двух групп измерительных задач:
–измерение деформаций поверхности элементов конструкций;
–измерение различного рода механических величин через деформацию поверхности соответствующих элементов конструкций.
Выделяют несколько групп тензодатчиков:
· полупроводниковые;
· проволочные; · плёночные; · фольговые.
Проволочные тензодатчики
Тензодатчики ранних моделей имели проволоку диаметром около 0,025 мм, изготовленную на основе сплавов из никеля и меди или никеля и хрома. Для достижения возможно большой длины датчика, нужной для больших изменений сопротивления при деформации, и одновременно минимальной площади сечения датчика, определяющей точность аппроксимации точечной деформации, активный элемент принимает вид сетки, подобной показанной на рис. 5.7.
Такое расположение проволоки обеспечивает большую длину датчика, но почти не увеличивает его чувствительность в поперечном направлении. Однако присущую тензодатчикам поперечную чувствительность следует учитывать во всяком случае. Проволочные тензодатчики обычно отличаются малым весом материала подложки и клейкого слоя.

Рис. 5.7
Типичный проволочный тензодатчик
При проведении усталостных испытаний рам тележек подвижного состава используют проволочные тензодатчики, которые устанавливают на раме тележки в местах наибольшей вероятности возникновения усталостных трещин. Обычно используют проволочные тензодатчики с базой 5, 10 и 20 мм, имеющих сопротивления от 100 до 200 Ом.
Технические данные серийно выпускаемых и имеющихся в продаже проволочных тензодатчиков аналогичны и их типичные примеры приводятся ниже.
Масштабный коэффициент тензодатчика.
Этот параметр, определяемый с точностью до двух десятичных цифр, обычно является индивидуальной характеристикой датчика или набора датчиков с соответствующим допуском, например, ±1 %.
Сопротивление
:
стандартные величины 120,
350,
600 и 1000 Ом.
При этом указывается допустимый разброс сопротивления, например, ±0,25%.
Линейность
:
погрешность измерения из–за нелинейности не превышает 0,1 % до 4000 me и 1% до 10 000 me (me – миллионная доля единицы деформации).
Разрушающая деформация
:
от 20 000 до 25 000 me.
Долговечность
:
до 107
перемен знака деформации.
Температурная компенсация
: имеются тензодатчики с автоматической температурной компенсацией, соответствующей температурному коэффициенту расширения Q,
трех общеприменяемых металлов, т. е.
конструкционной стали Qt
=
11х10–6
/°С;
нержавеющей стали Qt
=
17х10–6
/ °С;
алюминия Qt
=
23х10–6
/°С.
Таблица 5.2
Характеристика проволочных тензодатчиков
| Маркировка тензодатчиков
|
Номинальное сопротивление, (Ом)
|
Рабочий диапазон
температур,
К
|
Габаритные размеры, мм
|
| длина
|
ширина
|
| ПКБ–3–50
|
50
|
225– 325
|
15
|
3
|
| ПКБ–5–50
|
50
|
20
|
3
|
| ПКБ–5–100
|
100
|
20
|
3
|
| ПКБ–10–100
|
100
|
25
|
3
|
| ПКБ–10–200
|
200
|
25
|
4,5
|
Некото-рые изготовители такжеразрабатывают и выпус-кают тензодатчики с ав-токомпенсацией для при-менения на титане, маг-ниевых сплавах и различ-ных пластмассах. Вызывае-мая изменениями темпе-ратуры кажущаяся дефор- мация, измеряемая нормальными тензодатчиками с автокомпенсацией, не превышает ±1,5 me/°С
в температурном диапазоне от –20 до +150°С
при условии, что датчик прикреплен к материалу, коэффициент растяжения которого соответствует характеристике сопротивление/температура тензодатчика. Параметры некоторых тензодатчиков приведены в табл. 5.2
Специальные тензодатчики
Все тензодатчики, рассматриваемые до сих пор, относились к датчикам с одним активным элементом, предназначенным для измерения линейной деформации. Однако применение тензодатчиков с несколькими активными элементами или со специальной конфигурацией может повысить точность и надежность измерения или углубить получаемую при измерении информацию даже при минимальном увеличении общих расходов.
Установлено, что применение трех тензодатчиков обеспечивает информацию, необходимую в тех случаях, когда направление главных осей неизвестно. Однако, подготовка и крепление трех тензодатчиков всегда более трудоемки и их применение возможно лишь при условии достаточных размеров исследуемого или испытуемого объекта. Вычисление и обработка данных от трех тензодатчиков также более сложны и затруднительны, в частности при общих углах между отдельными датчиками.

Рис. 5.8
Тензометрическая розетка типа «дельта» слева и розетка с тремя активными элементами справа
Во избежание вышеупомянутых затруднений часто используются тензометрические «розетки», содержащие на общей подложке два, три или четыре активных элемента (сетки). Подготовка и крепление тензометрической розетки так же просты и удобны, как монтаж одного тензодатчика. С целью упрощения обработки данных и расчета углы между активными элементами стандартных тензометрических розеток составляют точно 45°, 60° или 90°.
Для работы со стандартными розетками часто предусмотрены номограммы, расчетные таблицы или счетные линейки, обеспечивающие непосредственное или требующее лишь минимальное количество простых арифметических операций определение величин деформации и направлений главных плоскостей.
Приведенная на рис. 5.8 розетка типа «дельта» широко распространена и применяется для определения направления главных осей и величин деформации в направлении этих осей.

Рис. 5.9
Двухэлементный тензодатчик
Розетка с идентичной областью применения приведена на рис. 5.9. Эта розетка имеет слоистую конструкцию, гарантирующую малые размеры датчика и более точную аппроксимацию измерения деформации в одной точке. Отметим, что возбуждение этой розетки более высоким напряжением может создать затруднения, связанные с отводом рассеиваемого расположенными вблизи друг друга тензодатчиками тепла.
Угол между активными элементами приведенного на рис. 8 двухэлементного тензодатчика составляет 90°. Такая конструкция отличается увеличенными изменениями сопротивления датчика при деформации, т. е. большим масштабным коэффициентом (в ≈1,3 раза).
Рис. 5.10
Тензорозетка типа «елочка»
На рис. 5.10 приведена розетка с двумя тензодатчиками, сетки которых имеют вид «елочки». Эта розетка и ей подобные розетки с четырьмя расположенными под углами 90° тензодатчиками часто применяются при измерении деформации кручения валов.
Расположение нейтральной оси определяется из простых геометрических соотношений, а величина линейной деформации устанавливается на основе разности проектируемых на обе поверхности объекта деформа-
ций. Деформация изгиба поверхности объекта определяется среднеарифметическим значением проектируемых на обе поверхности деформаций.

Рис. 5.11
Тензодатчик для измерения тангенциальной деформации (слева) и радиальной деформации (справа)
Приведенные на рис. 5.11 тензодатчики предназначены для измерения тангенциальной, радиальной или сложной, т. е. тангенциальной и радиальной, деформации тонких мембран и диафрагм.
Тензодатчики этого типа имеют разные диаметры. Серийно выпускаются даже датчики диаметром около 5 мм (рис. 5.12). При проведении усталостных испытаний рам тележек подвижного состава используют тензоиндикатор. Этим универсальным прибором можно управлять посредством оператора и компьютера. Управление с помощью компьютерных программ более эффективно, т.к. позволяет исключить влияние человеческого фактора на результаты измерений.
Рис. 5.12
Тензодатчики для измерения деформации мембран и диафрагм
Сам сигнал с тензодатчиков подаётся на тензоусилитель, встроенный в тензоиндикатор, а затем в компьютере появляются результаты измерений.
Общий вид комплекта измерительных приборов показан на рис. 5.13. Перечислим особенности тензоиндикатора модели 1526 (B
&K
, Дания): · простота применения;
· автономные устройства уравновешивания и управления мостовой конфигурацией в пяти измерительных каналах;
· цифровой индикатор деформации, масштабного коэффициента и параметров равновесия;
· уникальный принцип без необходимости ёмкостного уравновешивания; · отсчёт деформации от 0,1me; · аналоговый выход на индикаторы
· возможность эксплуатации в четверть–, полу– и полномостовой конфигурации; · возможность применения тензодатчиков сопротивлением от 50 до 2000 Ом;
 Рис. 5.13
Общий вид комплекта измерительных приборов (вверху) и организация передачи
информации (справа)
· диапазон настройки масштабного коэффициента 1,00–10,00;
· низкое мостовое напряжение (0,3 В) для малой теплоотдачи;
· внутренние фильтры нижних частот;
· запоминающее устройство для измерения непериодических процессов; · выход калибровочного сигнала на регистрирующую аппаратуру;

Рис. 5.14
Основные положения СТ ССФЖТ ЦТ 15-98
Типовая методика динамико-прочностных испытаний изложены в СТ ССФЖТ ЦТ 15–98, основные положения которой приведены на рис. 5.14.
База испытаний принята N
=107
циклов. Во время проведения испытаний, при появлении усталостных трещин в раме тележки до прохода указанной базы испытаний предусматривается ремонт мест с этими трещинами с использованием технологии, разработанной совместно лабораторией стендовых испытаний отделения Механики экипажей тягового подвижного состава и лабораторией прочности и ремонта сварных конструкций подвижного состава отделения Сварки
ВНИИЖТ.
Требования к персоналу
Понятно, что проведение столь сложных и ответственных испытаний нельзя поручить любому испытателю. Для обеспечения надежных результатов персонал должен соответствовать ряду требований [88].
Результаты испытаний
Стендовые испытания рамы тележки на сопротивление усталости производились при нагружении рамы вертикальными и горизонтальными силами.
Ремонт производится по мере обнаружения трещин. Поиск трещин проводится два раза в сутки, при работе стенда, с помощью смеси керосина с маслом, которой смачиваются кисточкой наиболее напряжённые места испытываемой рамы тележки, где можно ожидать появления усталостных трещин. В случае наличия усталостной трещины вдоль её длины появляются пузырьки из указанной смеси.
После ремонта мест с обнаруженными усталостными трещинами испытания продолжаются. Таким образом, поступают до тех пор, пока не будет пройдена вся принятая база испытаний, что позволяет выявить все слабые места рамы.
В процессе проведения испытаний стабильность режима контролируется наблюдением за показаниями датчиков давления на гидродомкратах. Предусматривается запись напряжений в испытываемой раме, соответствующих принятому режиму нагружения при испытании на сопротивление усталости. Для этого используется кроме тензодатчиков сопротивления базой 5, 10 и 20 мм ещё и модернизированный прибор СИИТ–3, приспособленный для замера динамических напряжений, допустимая погрешность которого составляет ±5%.
Допустимая погрешность измерения давления (нагрузки) в гидроцилиндрах стенда с помощью комплекса тензорезисторного датчика давления с модернизированным прибором СИИТ– 3 составляет:
– при статических нагружениях ±5% ,
– при циклических нагружениях от 2 до 10% в зависимости от величины нагрузки, но не превышает 4 кН.
Испытанный образец рамы обладает достаточным сопротивлением усталости в случае отсутствия в нём усталостных трещин по достижении базы испытаний 107
циклов нагружений. При возникновении в процессе испытаний в узлах образца рамы усталостных трещин, будут даны рекомендации технологического или конструктивного характера по повышению сопротивления усталости этих узлов. Усталостные испытания рамы тележки согласно методике проводились на вибрационном стенде испытаний рам тележек подвижного состава.
Проведения испытаний показали, что рама тележки не обладает достаточным сопротивление усталости. В стыковых сварных соединениях нижних полок боковин были обнаружены усталостные трещины. Трещина №1 (рис.5.15) была зафиксирована при числе циклов нагружения равном 5,15·106
, а трещина №2 – при 5,6·106
циклов нагружения. Усталостная трещина на правой боковине выявлена при 8,56·106
циклов нагружения.

Рис. 5.15
Дислокация усталостных трещин в сварных швах
Отчёт по проведённым испытаниям
Проведённые усталостные стендовые испытания образца рамы тележки электровоза ЭП200 на базе 107
циклов нагружения, согласно принятой «Типовой методике стендовых вибрационных испытаний рам тележек СТ ССФЖТ ЦТ 20–98» показали, что она обладает достаточной сопротивляемостью усталости, за исключением некоторых узлов.
Наиболее нагруженными местами оказались:
· зоны сопряжения шкворневого бруса и боковин;
· зоны сопряжения поперечных балок и боковин;
· зоны установки шпинтов на боковинах – усталостных трещин не обнаружено.
В трёх стыковых сварных соединениях нижних полок боковин рамы в процессе испытаний при достижении циклов нагружения 5,150·106
; 5,600·106
и 8,560·106
, возникли усталостные трещины, причиной которых является технологический непровар в этих сварных стыковых соединениях.
Для обеспечения равномерного сопротивления усталости рамы тележки необходимо:
· обеспечить полный провар в сварных соединениях, для чего необходимо строгое соблюдение в процессе изготовления рам требований конструкторской документации;
· исключить на элементах рамы засверловок, следов керновки, подрезов, прерывности сварных швов и кратеров;
· стыковые сварные соединения в элементах рамы располагать в сечениях, имеющий наименьший уровень напряжений.
Заключение
Как следует из проведенного анализа тензопреобразователей, наиболее приемлемыми являются проволочные конструкции. Они просты в изготовлении и, следовательно, дёшевы. Кроме того, они изготовляются в широком диапазоне масштабного коэффициента.
Выбранный для испытаний вибростенд с гидроприводом позволяет обеспечить как статическую и циклическую, так и пространственную нагрузку, характерную для работы подвижного состава.
Известно, что напряжение концентрируется в местах перехода сечений, сварных соединений и прочее, но рассмотренный вид испытаний позволяет выявить количество циклов до появления трещин и, таким образом, обоснованно рекомендовать временные интервалы контроля состояния рам тележек.
6 НЕРАЗРУШАЮЩИЙ КОНТРОЛЬ КОЛЕСНЫХ ПАР
Основой для ведения неразрушающего контроля (НК) для объектов железнодорожного транспорта является руководящий документ РД 32.144–2000 [83]. Он издан с тензопреобразователцелью повышения качества колесных пар подвижного состава и недопущения поставки на железные дороги дефектной продукции. Он обязывает руководителей предприятий и организаций разработать и, по согласованию с Департаментом технической политики, утвердить планы мероприятий по внедрению данного документа, привести требования, содержащиеся в документации по приемочному неразрушающему контролю цельнокатаных колес, бандажей и осей колесных пар подвижного состава в соответствие с указанным нормативным документом.
Область применения РД 32.144–2000[2]
распространяется на приемочный неразрушающий контроль цельнокатаных колес (по ГОСТ 9036, ГОСТ 10791), бандажей (по ГОСТ 398, ГОСТ 3225, ГОСТ 5000) и осей колесных пар (по ГОСТ 22780, ГОСТ 30237, ГОСТ 30272) подвижного состава железнодорожного транспорта и обязателен для предприятий, изготавливающих указанные элементы колесных пар.
Настоящий РД устанавливает:
· условия, порядок проведения НК и перечень применяемых видов НК;
· требования к вариантам методов НК;
· общие требования к аппаратуре НК и квалификации персонала, выполняющего НК;
· значения приемочных критериев по результатам НК по требованиям стандартов на элементы колесных пар.
Настоящий РД составлен с учетом требований ИСО 5948 и ИСО 6933.
Под неразрушающим контролем
понимается контроль качества продукции, который должен не нарушать ее пригодность к использованию по назначению. Каждый метода неразрушающего контроля – это совокупность приемов и значений основных параметров данного метода неразрушающего контроля. При этом каждый объект должен обладать свойством контролепригодности
– свойство объекта, характеризующее его пригодность к проведению диагностирования (контроля) заданными средствами диагностирования (контроля). Классификация методов неразрушающего контроля приведена в табл. 6.1.
Результаты должны обеспечивать достоверность контроля
, т.е. степень объективного соответствия результатов контроля действительному техническому состоянию объекта.
Этому способствует предельная чувствительность
– чувствительность ультразвукового контроля, характеризуемая минимальной эквивалентной площадью (мм2
) отражателя, который еще обнаруживается на заданной глубине в изделии при данной настройке аппаратуры в зоне контроля
– части объекта контроля или стандартного образца, в пределах которой контролируемый параметр может быть определен с заданной степенью достоверности. Реальностью становится применение бесконтактных методов акустического контроля
с использованием электромагнито-акустических преобразователей. Методы акустического неразрушающего контроля подразделяют на две группы: активные и пассивные.
Таблица 6.1 Классификация видов и методов НК [32]
| Виды НК
|
Методы неразрушающего контроля
|
| Акустический
|
Ультразвуковые: теневой, зеркально-теневой, эхометод эхо-зеркальный, дельта-метод и др.
|
| Магнитный
|
Магнитопорошковый, магнитографический, феррозондовый, индукционный, пондеромоторный, магниторезисторный, прочие методы
|
| Тепловой
|
Пирометрический с применением жидких кристаллов, термокрасок, термобумаг, термолюминофоров, термозависимых параметров, калориметрический, отраженного излучения, собственного излучения, прочие методы
|
| Электромагнитный
|
Вихретоковый: трансформаторный, параметрический
|
| Оптический
|
Интерференционный, голографический, рефрактометрический, визуально-оптический отраженного излучения, собственного излучения
|
| Электрический
|
Электростатический порошковый, электропараметрический, электроискровой, экзоэлектронной эмиссии, шумовой, контактной разности потенциалов
|
| С использованием проникающих веществ
|
Цветной (хроматический), яркостный (ахроматический), люминесцентный, люминесцентно-цветной с использованием фильтрующихся частиц, массспектрометрический, пузырьковый, галогенный, радиоактивный, химический, катарометрический и др.
|
| Радиационный
|
Сцинтилляционный, ионизационный, с использованием вторичных электронов, радиографический, радиоскопический
|
| Радиоволновый
|
Детекторный, болометрический, термисторный, интерференционный, голографический, с применением жидких кристаллов, калориметрический, с применением термолюминофоров, термобумаг, фотоуправляемых полупроводниковых пластин
|
Активные методы
основаны на излучении и приеме волн, а пассивные – только на приеме волн, источником которых служит сам объект контроля. Активные методы делят на методы прохождения, отражения, комбинированные, импедансные и методы собственных частот.
Методы прохождения используют излучающие и приемные преобразователи. В их основу положен анализ сигналов, прошедших через контролируемый объект. К методам прохождения относят: амплитудно-теневой метод,
основанный на регистрации уменьшения амплитуды волны, прошедшей через объект контроля, вследствие наличия в нем дефекта; временной теневой метод,
основанный на регистрации запаздывания импульса, вызванного увеличением его пути в изделии при огибании дефекта; велосимметрический метод,
основанный на регистрации изменения скорости распространения дисперсионных мод упругих волн в зоне дефекта.
К методам отражения относятся: эхо-метод,
основанный на регистрации эхо-сигналов от дефекта; эхо-зеркальный метод,
основанный на анализе сигналов, испытавших зеркальное отражение от донной поверхности и дефекта; дельта-метод; дифракционно-временной метод,
в основу которого положено измерение амплитуды и времени прихода сигналов от верхнего и нижнего концов дефекта; реверберационный метод,
основанный на анализе влияния дефекта на время затухания многократно отраженных ультразвуковых импульсов в контролируемом объекте.
В комбинированных методах используются явления, как прохождения, так и отражения акустических волн. К ним относятся: зеркально-теневой метод,
основанный на измерении амплитуды донного сигнала; эхо-теневой метод,
в основу которого положен анализ как прошедших, так и отраженных волн; эхо-сквозной метод,
при котором фиксируют сигналы многократного отражения волн от дефекта и испытавших также отражение от верхней и нижней поверхности изделия.
Методы собственных частот основаны на измерении этих частот (спектров) колебаний контролируемых объектов при возбуждении в изделиях свободных (при воздействии механического импульса) колебаний и вынужденных колебаний (при воздействии гармонической силы меняющейся частоты).
Различают интегральные и локальные методы. В интегральных методах анализируют собственные частоты изделия, колеблющегося как единое целое, в локальных – колебания отдельных его участков. Акустико-топографический метод
основан на возбуждении в изделии интенсивных изгибных колебаний непрерывно меняющейся частоты, возбуждаемых преобразователем, и регистрации распределения амплитуд колебаний с помощью наносимого на поверхность порошка.
Импедансные
методы используют зависимость импедансов изделий при их упругих колебаниях от параметров этих изделий и наличия в них дефектов. При этом используют изгибные и упругие продольные волны, возбуждаемые стержневыми и плоскими преобразователями.
Метод контактного импеданса,
применяемый для контроля твердости, основан на оценке механического импеданса зоны контакта алмазного индентора стержневого преобразователя, прижимаемого к контролируемому изделию с постоянной силой.
Пассивные акустические методы
основаны на анализе упругих колебаний волн, возникающих в самом контролируемом объекте.
Входит в практику НК пассивный метод акустической эмиссии
(надрессорные балки, боковые рамы тележек грузовых вагонов, котлы железнодорожных цистерн), позволяющий выявлять зарождающиеся дефекты и прогнозировать остаточный ресурс деталей, проработавших уже более нормативного срока службы.
Из рассмотренных акустических методов контроля наибольшее применение получил эхометод (более 90 % объектов, контролируемых акустическими методами, проверяют эхо-методом). Этот метод используется для дефектоскопии поковок, отливок, сварных соединений, неметаллических материалов, в толщинометрии, при определении физико-механических свойств материалов.
Как видно из рассмотренных примеров, диапазон испытаний широк, что требует многообразия стендов и соответствующей измерительной аппаратуры. Когда же стоит задача проведения испытаний локомотивов или контактной сети, то добавляется еще целый ряд специфических задач, связанных с энергетической установкой, тяговыми двигателями, системами энергоснабжения, управления и др.
Отсюда следует, что КИС могут быть узкоспециализированным подразделением, предназначенными для конкретных видов испытаний, высокая эффективность которых может быть обеспечена только на основе передовой измерительной и вычислительной техники, автоматизации процессов измерений и обработки их результатов.
В практике НК деталей и узлов подвижного состава наибольшее распространение получили зеркально-теневой, эхо-метод, магнитопорошковый, феррозондовый, вихретоковый, тепловой и электрический методы.
Акустическая ось преобразователя
– линия, соединяющая точки максимальной интенсивности акустического поля в дальней зоне преобразователя и ее продолжения в ближней зоне.
АРД–диаграмма
– графическое изображение зависимости амплитуды отраженного или прошедшего сигнала от глубины залегания модели дефекта с учетом его размера и типа преобразователя.
Эквивалентная площадь отражателя
– площадь плоскодонного искусственного отражателя, ориентированного перпендикулярно акустической оси преобразователя и расположенного на том же расстоянии от поверхности ввода, что и дефект, при которой значения сигнала акустического прибора от дефекта и отражателя равны;
Плоскодонный искусственный отражатель
– искусственный отражатель в виде плоского дна цилиндрического отверстия, ориентированного перпендикулярно оси цилиндра.
Цилиндрический боковой искусственный отражатель
– искусственный отражатель в виде боковой поверхности цилиндрического отверстия, ось которого перпендикулярна направлению падающего акустического пучка.
Эталонный отражатель
– искусственный отражатель в стандартном образце, используемый для настройки основных параметров контроля.
Условное расстояние между дефектами
– минимальное расстояние между положениями точки ввода луча (центра преобразователя) на контролируемой поверхности, в которых амплитуда регистрируемых сигналов достигает величины, установленной в технологической документации на контроль.
6.1 Порядок проведения приемочного НК
1.1 Конкретные виды испытаний по ГОСТ 16504, виды НК по ГОСТ 18353 и варианты методов НК по ГОСТ 18353 при проведении приемочного НК по ГОСТ 16504 элементов колесных пар по ГОСТ 4835 и ГОСТ 11018, на которые распространяется настоящий РД, могут быть обязательными или дополнительными.
Виды испытаний, виды и варианты методов НК, приведенные в настоящем РД как дополнительные, применяются по указанию ПМС России и могут быть отнесены к обязательным, сто должно быть отражено в заказе и технических условиях на продукцию
Применение видов и вариантов, методов НК, не предусмотренных настоящим РД, является предметом специального рассмотрения.
1.2 Требования к применяемым видам и вариантам методов НК устанавливаются для разных категории объектов НК– элементов. колесных пар. Выбор категории осуществляется заказчиком продукции с учетом назначения, условий эксплуатации и контролепригодности объекта НК и указывается в заказе на продукцию и технических условиях на продукцию, согласованных МПС России и предприятием–изготовителем.
1.3. Приемочный НК элементов колесных пар должен выполняться на основании технологической документации (инструкций, методик) на НК, соответствующей требованиям настоящего РД прошедшей экспертизу и согласование МПС России и утвержденной предприятием изготовителем.
1.4 Приемочный НК включает следующие виды испытаний:
· структуру металла осей;
· отсутствие внутренних дефектов элементов колесных пар;
· отсутствие поверхностных дефектов элементов колесных пар;
· распределение остаточных механических напряжений в ободьях цельнокатаных колес.
1.5 Приемочный НК элементов колесных пар выполняется до и после окончательной механической обработки, но после термообработки с учетом того, что дефекты могут возникнуть через определенное время после остывания металла.
6.2 Объемы проведения приемочного НК
2.1 Виды и варианты методов приемочного НК, отнесенные настоящим РД к обязательным, применяются к каждому поставляемому элементу колесной пары.
2.2 Виды и варианты методов приемочного НК, отнесенные настоящим РД к дополнительным, применяются к каждому поставляемому элементу или выборке из каждой партии элементов колесных пар. Объем выборки определяется настоящим РД. Объем и порядок формирования выборки указываются в технологической документации на приемочный НК элементов колесных пар. Несоответствие требованиям настоящего РД одного элемента колесной пары в выборке влечет за собой проверку еще одной выборки из той же партам. Несоответствие требованиям настоящего РД одного элемента колесной пары в повторной выборке влечет за собой проверку всей партии.
Допускается применять виды и варианты методов НК, отнесенные настоящим РД к дополнительным, для уточнения характеристик дефектов, обнаруженных при использовании видов и методов НК, отнесенных к обязательным. В таком случае порядок и объемы их применения определяются предприятием–изготовителем и должны быть отражены в технологической документации на НК.
2.3 Элементы колесных пар признаются соответствующими требованиям (критериям) приемочного НК только в том случае, если они соответствуют требованиям (критериям) приемочного НК по результатам всех установленных видов испытаний и всех видов и вариантов методов НК (как обязательных, так и дополнительных), применение которых регламентировано технологической документацией на НК.
2.4 Проводимый по решению предприятия–изготовителя или заказчика инспекционный НК по ГОСТ 16504 элементов колесных пар признанных годными по результатам приемочного НК, должен выполняться с использованием тех же средств НК по ГОСТ 16504, по той же технологической документации и в таком же состоянии объекта контроля, как и ранее проведенный приемочный НК.
6.3 Виды, методы НК и выявляемые дефекты
1 Структура металла осей оценивается путем сравнения проницаемости оси для ультразвуковых волн ("прозвучиваемости") с "прозвучиваемостью" стандартного образца, а также по результатам НК зеркально–теневым акустическим методом по ГОСТ 23829.
2 Отсутствие внутренних дефектов элементов колесных пар проверяется по результатам НК эхоимпульсным методом акустического (ультразвукового) НК по ГОСТ 23829. Выявлению подлежат внутренние дефекты, расположенные в зонах контроля по 5.1.1, 6.2.1 и не соответствующие требованиям, приведенным в 5.1.3,6.2.3.
3 Отсутствие поверхностных дефектов элементов колесных пар проверяется по результатам визуального контроля по ГОСТ 16504.
В качестве обязательного или дополнительного контроля применяют также магнитопорошковый метод НК по ГОСТ 24450 или вихретоковый вид НК по ГОСТ 18353. Выявлению подлежат произвольно ориентированные поверхностные дефекты (закалочные трещины, волосовины, плены и расслоения), расположенные в зонах контроля по 5.3.1, 6.3.1 и не соответствующие требованиям, приведенным в 5.3.5, 6.3.3.
4 НК распределения остаточных механических напряжений в ободьях цельнокатаных колес выполняется акустическим (ультразвуковым) методом, основанным на измерении скоростей распространения поперечных ультразвуковых волн, поляризованных в радиальном и окружном направлениях. Это обеспечивает оценку распределения окружных компонент напряжений по глубине от поверхности катания колеса.
5 Зоны контроля элементов колесных пар, а также типы и размеры эталонных отражателей и стандартных образцов регламентируются в разделах 5 и 6 настоящего РД.
6.4 Требования к контролепригодности
1 Приемочный НК элементов колесных пар должен выполняться по поверхности, удовлетворяющей требованиям, указанным в технологической документации на НК.
2 Содержащиеся в технологической документации на требования к поверхностям элементов колесных пар, подвергаемым НК, а также поверхностям, по которым в процессе НК производится сканирование, и отражающим поверхностям должны обеспечивать достоверность НК. Шероховатость поверхностей, прошедших механическую обработку, должна соответствовать стандартам и техническим условиям на продукцию; необработанные поверхности должны быть очищены от отслаивающейся окалины и загрязнений. Не допускается наличие на поверхностях клейм, по которым в процессе НК производится сканирование. Шероховатость поверхностей, прошедших механическую обработку, должна соответствовать стандартам и техническим условиям на продукцию:
– необработанные поверхности должны быть очищены от отслаивающейся окалины и загрязнений;
– не допускается наличие на поверхностях клейм и маркировок, кроме тех, которые предусмотрены стандартами и техническими условиями на изделие и упомянуты в технологической документации на НК.
6.5 Требования к средствам НК
1 Для приемочного НК элементов колесных пар должны использоваться средства НК, функциональные возможности и характеристики которых обеспечивают реализацию требований к видам и вариантам методов НК, содержащихся в настоящем РД.
Средства НК должны быть укомплектованы эксплуатационной документацией по ГОСТ 2.601.
2 Средства акустического (ультразвукового) и вихретокового НК должны быть оснащены автоматизированным сканирующим устройством и автоматической системой сигнализации обнаружения дефекта, а также обеспечивать регистрацию в электронном виде и на бумажном носителе протоколов НК каждого элемента колесной пары.
Применение средств акустического (ультразвукового) и вихретокового НК без автоматизированного сканирующего устройства и ведение рукописных журналов НК, форма которых регламентирована технологической документацией на НК, допускается по согласованию с МПС России.
3 Средства приемочного НК элементов колесных пар, в том числе автоматизированные установки или блоки, входящие в их состав, дефектоскопы с преобразователями и стандартные образцы (государственные, отраслевые или стандартные образцы предприятий по ГОСТ 8.315, ГОСТ 14782), должны быть сертифицированы (аттестованы) в соответствии с нормативной документацией Госстандарта России и МПС России и указаны в технологической документации на НК.
4 Средства НК должны проходить периодическую поверку (калибровку) в установленные сроки а также ежедневную проверку работоспособности и значений основных параметров в соответствии с технологической документацией на НК.
6.6 Требования к персоналу по НК
1 Персонал по НК должен быть сертифицирован на соответствующий уровень квалификации по ГОСТ 30489 и иметь сертификат установленного образца по ПР 32.113.
2 К проведению приемочного НК элементов колесных пар допускается персонал, имеющий I или II уровень квалификации по соответствующему виду НК элементов колесных пар.
3 К оценке качества элементов колесных пар по результатам приемочного НК допускается персонал, имеющий уровень квалификации не ниже II по соответствующему виду НК элементов колесных пар.
4 Руководитель или заместитель руководителя лаборатории (подразделения), выполняющей приемочный НК, должен иметь II уровень квалификации – по всем видам НК, применяемым при НК элементов колесных пар, или III уровень квалификации по одному из видов НК, применяемых при НК элементов колесных пар.
Общие рекомендации по аттестации персонала приведены в [88].
6.7 Требования к организации НК
1 Приемочный НК элементов колесных пар вводится на предприятии–изготовителе при наличии средств НК, удовлетворяющих требованиям 5 настоящего РД, технологической документации на НК, прошедшей экспертизу, согласованной МПС России и утвержденной предприятием–изготовителем в установленном порядке, а также персонала, удовлетворяющего требованиям 6 настоящего РД.
2 Лаборатория (подразделение) НК предприятия–изготовителя должна быть аккредитована на право осуществлять НК элементов колесных пар в соответствии с приказом Госстандарта России от 16.09.96 №282 и ПР 32.151.
6.8 Приемочный неразрушающий контроль цельнокатаных колес и бандажей
1 Требования к акустическому (ультразвуковому) НК.
1.1 Порядок применения и варианты методов акустического (ультразвукового) НК
Характеристики вариантов методов акустического (ультразвукового) НК (зоны контроля, схемы прозвучивания и значения основных параметров) приведены в табл. 1 и на рис. 6.1 и 6.2.
Обод цельнокатаного колеса, бандаж
К обязательным относятся следующие варианты методов акустического (ультразвукового) НК, основные параметры которых указаны в табл. 1:
· D
1 – контроль эхоимпульсным методом с поверхности катания обода (бандажа) продольными волнами в радиальном направлении;
· D
2а
– контроль эхоимпульсным методом с внутренней боковой поверхности обода (бандажа) продольными волнами в осевом направлении.
К дополнительным, применяемым к каждому колесу (бандажу), относятся следующие варианты методов акустического (ультразвукового) НК, основные параметры которых указаны в табл. 1:
· D
2b
– контроль зеркально–теневым методом с внутренней боковой поверхности обода (бандажа) продольными волнами в осевом направлении (за исключением участков с нанесенными клеймами);
· D
3 – контроль эхоимпульсным методом с внутренней боковой поверхности обода (бандажа) поперечными волнами в окружном направлении (угол ввода 40°).
Диск цельнокатаного колеса
К дополнительному, применяемому к выборке объемом 10 процентов из каждой партии колес, относится следующий вариант метода НК, основные параметры которого указаны в табл. 1:
W
– контроль эхоимпульсным методом с внутренней боковой поверхности диска продольными волнами в направлении, перпендикулярном поверхности.
Ступица цельнокатаного колеса.
К обязательным относится вариант метода НК, основные параметры которого указаны в табл. 6.1:
Н
– контроль эхоимпульсным методом с внутренней боковой поверхности ступицы продольными волнами в осевом направлении.
1.2 Настройка чувствительности
Настройка предельной чувствительности при НК эхоимпульсным методом по вариантам, указанным в таблице 1, выполняется по отраслевым стандартным образцам или стандартным образцам предприятия с плоскодонными эталонными отражателями, залегающими на минимальной, средней и близко к максимальной глубине зоны контроля при данном варианте метода. Стандартные образцы должны быть изготовлены из контролируемого материала или материала с близкими значениями коэффициента затухания ультразвука.
Допускается применять для настройки предельной чувствительности стандартные образцы с альтернативными эталонными отражателями (например, в виде цилиндрических боковых искусственных отражателей), глубина залегания и эквивалентная площадь которых равны глубине залегания и площади плоскодонных эталонных отражателей в стандартном образце.
Допускается выполнять настройку предельной чувствительности при НК эхоимпульсным методом по одному плоскодонному или альтернативному эталонному отражателю, в том числе по донному эхо–сигналу в стандартном образце или в контролируемом ободе (бандаже) или ступице, если при этом применяются также АРД–диаграммы, которые построены по экспериментальным данным, полученным на эталонном отражателе и стандартном образце по 8.1.2.1 с помощью электроакустических преобразователей, используемых при НК.
Настройка чувствительности при контроле зеркально–теневым методом выполняется по донному эхо–сигналу в стандартном образце или в контролируемом ободе (бандаже).
1.3 Оценка результатов НК.
Обод цельнокатаного колеса, бандаж.
а) Не соответствуют требованиям (критериям) приемочного НК колеса, в которых при кон-
троле по эхоимпульсному методу (варианты D
1, D
2а по 8.1.1.1) обнаружены внутренние дефекты, амплитуда эхо–сигналов от которых равна или превышает амплитуду эхо–сигнала от эталонного плоскодонного отражателя, залегающего на той же глубине, что и дефект.

Диаметры эталонных отражателей для колес различных категорий составляют: · категория А
– 1,0 мм;
· категория В
– 2,0 мм; категория С
– 3,0 мм. (Эквивалентная площадь дефекта – равна или более 0,8 мм2
, 3,2 мм2
и 7,1 мм2
для колес категорий А
, В
и С
соответственно);
б) Не соответствуют требованиям (критериям) приемочного НК колеса, в которых при кон-
троле по эхоимпульсному методу (вариант D
3 по 8.1.1.1) обнаружены внутренние дефекты:
· амплитуда эхо–сигналов от которых равна или превышает амплитуду эхо–сигнала от эталонного плоскодонного отражателя диаметром 3,0 мм, залегающего на той же глубине, что и дефект (эквивалентная площадь которых равна или более 7,1 мм2
).
в) Не соответствуют требованиям (критериям) приемочного НК колеса, в которых при кон-
троле по зеркально–теневому методу (вариант D
2b
по 8.1.1.1) обнаружены зовы, в которых:
· ослабление донного сигнала превышает значение, установленное технологической документации на НК, и если они не соответствуют требованиям 8.1.3.1 а) для колес следующей боле высокой категории.
Диск цельнокатаного колеса
Не соответствуют требованиям (критериям) приемочного НК колеса, в которых при контроле по эхоимпульсному методу (вариант W
по 8.1.1.1) обнаружены внутренние дефекты:
а) амплитуда эхо–сигналов от которых равна или превышает амплитуду эхо–сигнала от эталонного плоскодонного отражателя диаметром 5,0 мм, залегающего на той же глубине, что и дефект (эквивалентная площадь которых равна или более 19,6 мм2
);
б) амплитуда эхо–сигналов от которых равна или превышает амплитуду эхо–сигнала от эталонного плоскодонного отражателя диаметром 3,0 мм, залегающего на той же глубине, что и дефект (эквивалентная площадь которых равна или более 7,1 мм2
), если:
1) в одном колесе их обнаружено 10 или более;
2) минимальное условное расстояние между любыми двумя из них менее 50 мм.
Ступица цельнокатаного колеса.
Не соответствуют требованиям (критериям) приемочного НК колеса, в которых при контроле по эхоимпульсному методу (вариант Н
по 8.1.1.1) обнаружены внутренние дефекты:
· амплитуда эхо–сигналов от которых равна или превышает амплитуду эхо–сигнала от эталонного плоскодонного отражателя диаметром 5,0 мм, залегающего на той же глубине, что и дефект (эквивалентная площадь которых равна или более 19,6 мм2
);
· амплитуда эхо–сигналов от которых равна или превышает амплитуду эхо–сигнала от эталонного плоскодонного отражателя диаметром 3,0 мм, залегающего на той же глубине, что и дефект (эквивалентная площадь которых равна или более 7,1 мм2
), если:
1) в одном колесе их обнаружено 4 или более;
2) минимальное условное расстояние между любыми двумя из них менее 50 мм.
2 Требования к НК распределения остаточных механических напряжений в ободьях цельнокатаных колес.
2.1 Оценка распределения остаточных механических напряжений применяется как дополнительный метод НК к выборке колес объемом 5 процентов из каждой партии колес.
2.2 Для оценки остаточных механических напряжений в ободьях цельнокатаных колес следует применять метод НК, заключающийся в осевом прозвучивании обода поперечными ультразвуковыми волнами, поляризованными в радиальном и окружном направлении, измерении относительной разности времени распространения волн и расчете по известному значению коэффициента акустоупругости разности радиальных и осевых напряжений.
Значение коэффициента акустоупругости, а также необходимость и метод учета влияния анизотропии упругих свойств указывается в технологической документации на НК.
2.3 НК остаточных механических напряжений должен выполняться в ряде точек по высоте обода на глубинах от 10 мм и более от круга катания.
2.4 Максимальное значение остаточных напряжений вблизи круга катания должно быть отрицательным (сжимающим). Разница значений напряжений, измеренных в разных точках по высоте обода, не должна превышать значения, указанного в технологической документации на контроль. Глубина точки под поверхностью обода, в которой напряжения достигают нулевого значения (становятся растягивающими) должна быть не менее 40 мм.
3 Требования к магнитопорошковому и вихретоковому неразрушающему контролю.
3.1 Магнитопорошковый или вихретоковый НК применяется в качестве дополнительного к выборке цельнокатаных колес (бандажей) объемом 10 процентов от каждой партии колес (бандажей).
Магнитопорошковому или вихретоковому НК подвергаются следующие зоны поверхности цельнокатаных колес и бандажей:
· внутренние и наружные боковые поверхности обода;
· внутренняя расточенная поверхность бандажа;
· внутренние и наружные боковые поверхности ступицы;
· внутренние и наружные поверхности диска в зонах галтельных переходов в обод и ступицу в пределах до 150 мм.
3.2 Варианты магнитопорошкового метода НК
Магнитопорошковый НК должен выполняться способом приложенного поля или способом остаточной намагниченности. Напряженность магнитного поля, тип магнитного индикатора и способ его нанесения указываются в технологической документации на НК.
3.3 Настройка (проверка) чувствительности магнитопорошкового НК выполняется по стандартным образцам предприятия с поверхностным дефектом, ширина раскрытия которого не превышает 25 мкм (условный уровень чувствительности – "В
" по ГОСТ 21105).
3.4 Настройка (проверка) чувствительности вихретокового НК выполняется по стандартным образцам предприятия с поверхностным дефектом, размер которого указывается в технологической документации на НК.
3.5 Оценка результатов НК.
Не соответствуют требованиям (критериям) приемочного НК колеса, в которых при магнитопорошковом или вихретоковом НК обнаружены поверхностные дефекты, длина которых превышает 6 мм.
4 Приемочный неразрушающий контроль осей
1 Требования к акустическому НК структуры металла осей 1.1 Приемочный НК структуры осей выполняется:
а) методом контроля "прозвучиваемости" (проницаемости оси для ультразвуковых волн) –
в качестве обязательного для чистовых и черновых осей;
б) зеркально–теневым ультразвуковым методом НК – в качестве дополнительного для чис-
товых осей.
1.2 Обязательный приемочный НК "прозвучиваемости" осей выполняется методом акустического (ультразвукового) НК, заключающимся в прозвучивании оси с торцевой поверхности продольными волнами в осевом направлении и сравнении амплитуды эхо–сигнала от противоположного торца с амплитудой эхо–сигнала от эталонного отражателя в стандартном образце. Характеристики метода контроля "прозвучиваемости" (вариант Т1) приведены в табл. 2.
1.3 Настройка чувствительности при контроле "прозвучиваемости" выполняется по донному эхо–сигналу в стандартном образце СО–2 по ГОСТ 14782 (рис. 3).
Допускается применять для настройки чувствительности стандартные образцы предприятия с альтернативными эталонными отражателями, обеспечивающими воспроизводимость настройки чувствительности, при условии, что значение отношения амплитуд эхо–сигнала от альтернативного эталонного отражателя и донного эхо–сигнала в СО–2 для данного варианта метода указано в паспорте на стандартный образец и в технологической документации на НК.
1.4 Не соответствуют требованиям (критериям) приемочного контроля оси, для которых отношение (в дБ) амплитуды донного эхо–сигнала в СО–2 к амплитуде эхо–сигнала от противоположного торца оси превышает 46 дБ.
1.5 Дополнительному приемочному НК структуры металла осей зеркально–теневым методом акустического (ультразвукового) НК подвергается каждая ось. НК выполняется с цилиндрической поверхности оси продольными волнами в радиальном направлении при значениях основных параметров, приведенных в табл. 2 (вариант Т2).
1.6 Настройка чувствительности при контроле зеркально–теневым методом выполняется по донному эхо–сигналу в контролируемой оси или в стандартном образце предприятия, изготовленном из оси.
1.7 Не соответствуют требованиям (критериям) приемочного контроля оси, в которых при контроле по зеркально–теневому методу (вариант Т2 по 9.1.5) обнаружены структурные неоднородности, приводящие к ослаблению донного сигнала более, чем на 6 дБ.
2 Требования к акустическому (ультразвуковому) НК на отсутствие внутренних дефектов.
2.1 Варианты методов акустического (ультразвукового) НК Обязательно применение вариантов методов ультразвукового НК, схемы прозвучивания и значения основных параметров которых приведены в табл. 2:
· А1 – контроль эхоимпульсным методом с каждого торца оси (чистовой, черновой) продольными волнами в осевом направлении;
· А2 – контроль эхоимпульсным методом с цилиндрической поверхности чистовой оси продольными волнами в радиальном направлении.
· АЗ – контроль эхоимпульсным методом с цилиндрической поверхности чистовой оси поперечными волнами в осевом направлении (угол ввода 50°).
2.2 Настройка чувствительности
Настройка чувствительности при НК эхоимпульсным методом по вариантам, указанным в табл. 2, выполняется по отраслевым стандартным образцам или стандартным образцам предприятия с плоскодонными эталонными отражателями, залегающими на минимальной, средней и близко к максимальной глубине зоны контроля при данном варианте метода. Стандартные образцы должны быть изготовлены из оси, прошедшей приемочный контроль, материал которой имеет максимальные значения коэффициента затухания ультразвука, при которых еще обеспечивается "прозвучиваемость" оси.
Допускается применять для настройки чувствительности стандартные образцы предприятий с альтернативными эталонными отражателями (например, в виде цилиндрических боковых искусственных отражателей), залегающими на той же глубине и дающими такую же амплитуду эхо–сигнала, что и плоскодонные эталонные отражатели в стандартном образце.


Рис. 6.4
Зоны контроля при ультразвуковом НК осей Допускается выполнять настройку чувствительности эхоимпульсного метода по одному отражателю, в том числе по донному эхо–сигналу в стандартном образце или в контролируемой оси (при контроле с цилиндрической поверхности), если при этом применяются также АРД– диаграммы которые построены по экспериментальным данным, полученным на стандартном образце с помощью электроакустических преобразователей, используемых при НК.
2.3 Оценка результатов НК.
а) Не соответствуют требованиям (критериям) приемочного контроля оси, в которых при
контроле по эхоимпульсному методу (вариант А
1 по 9.2.1) обнаружены внутренние дефекты:
· амплитуда эхо–сигналов от которых равна или превышает амплитуду эхо–сигнала от эталонного плоскодонного отражателя, залегающего на той же глубине, что и дефект и имеющего диаметр:
1) 3,0 мм (эквивалентная площадь 7,1 мм2
), при глубине залегания до 380 мм;
2) 5,0 мм (эквивалентная площадь 19,6 мм2
), при глубине залегания до 700 мм; 3) 9,0 мм (эквивалентная площадь 63,6 мм2
), при глубине залегания более 700 мм;
б) Не соответствуют требованиям (критериям) приемочного контроля оси, в которых при
контроле по эхоимпульсному методу (вариант А
2 по 9 2.1) обнаружены внутренние дефекты:
· амплитуда эхо–сигналов от которых равна или превышает амплитуду эхо–сигнала от эталонного плоскодонного отражателя диаметром 5,0 мм, залегающего на той же глубине, что и дефект (эквивалентная площадь которых равна или более 19,6 мм2
);
· амплитуда эхо–сигналов от которых равна или превышает амплитуду эхо–сигнала от эталонного плоскодонного отражателя диаметром 3,0 мм, залегающего на той же глубине, что и дефект (эквивалентная площадь которых равна или более 7,1 мм2
), если:
1) в одной оси их обнаружено 6 или более;
2) минимальное условное расстояние между любыми двумя из них менее 50 мм;
в) Не соответствуют требованиям (критериям) приемочного контроля оси, в которых при контроле по эхо–импульсному методу (вариант А
3 по 9.2.1) обнаружены внутренние дефекты: амплитуда эхо–сигналов от которых равна или превышает амплитуду эхо–сигнала от эталонного плоскодонного отражателя диаметром 3,0 мм, бегающего на той же глубине, что и дефект (эквивалентная площадь которых равна или более 7,1 мм2
).
3 Требования к магнитопорошковому НК
3.1 Варианты метода НК
Магнитопорошковый НК применяется в качестве обязательного для контроля чистовых осей на отсутствие поверхностных дефектов.
Магнитопорошковому НК подвергаются цилиндрические поверхности осей.
НК должен выполняться способом приложенного поля. Напряженность магнитного поля, тип магнитного индикатора и способ его нанесения указываются в технологической документации на НК.
3.2 Настройка (проверка) чувствительности магнитопорошкового НК производится по стандартным образцам предприятия с поверхностным дефектом, минимальная ширина раскрытия которого не превышает – 10 мкм (условный уровень чувствительности – "Б" по ГОСТ 21105).
3.3 Оценка результатов НК.
Не соответствуют требованиям (критериям) приемочного контроля оси, в которых обнаружены поверхностные дефекты, длина, количество и расположение которых не соответствует требованиям ГОСТ 30237.
Заключение
Таким образом, бандажи колесных пар необходимо контролировать эхоимпульсным методом – ультразвуковой контроль. Они не могут быть признаны годными при обнаружении внутренних дефектов, так как в противном случае такой бандаж может стать причиной аварии транспортного средства.
Магнитопорошковый метод обязателен для контроля цилиндрических поверхностей чистовых осей на отсутствие поверхностных дефектов. Оси колесных пар при обнаружении внутренних трещин.
Для реализации рассмотренных методов КИС должна быть оснащена современными приборами неразрушающего контроля, сертифицированными по правилам системы сертификации ФЖТ.
7 ВИБРОДИАГНОСТИКА
КОЛЕСНО-МОТОРНОГО БЛОКА[3]
7.1 Назначение комплекса и принцип диагностирования
Комплекс предназначен для определения технического состояния и остаточного ресурса (промежуток времени до следующей обязательной проверки) подшипников качения и зубчатых передач по результатам одного цикла измерения, обработки, регистрации и анализа сигналов вибрации и частоты вращения механических узлов оборудования. Окончательное заключение по результатам диагностирования дается в виде рекомендации: "В эксплуатацию допустить" – "Заменить подшипник". Рекомендация выдается с учетом результатов предыдущих диагностирований, если они были.
Оценка технического состояния подшипников производится путем определения относительной количественной оценки (ОКО) развития следующих основных дефектов возникших в процессе эксплуатации:
· биение вала (повышенная вращающаяся нагрузка на подшипник, неуравновешенность ротора, обкатывание наружного кольца);
· неоднородный радиальный натяг (является обычно дефектом сборки, в частности, следствием посадки подшипника на вал, диаметр которого больше допустимого, перекоса вращающегося кольца, повышенной осевой нагрузки на подшипник);
· перекос наружного кольца (возникает обычно при монтаже подшипника и из-за дефектов посадочного места);
· износ наружного кольца (почти всегда происходит локально, изменяя коэффициент трения качения на отдельных участках поверхности наружного кольца);
· раковины (трещины) на наружном кольце (диагностические признаки раковины и трещины практически совпадают);
· износ внутреннего кольца (как правило, происходит локально, но зона повышенного коэффициента трения захватывает область, превышающую расстояние между точками контакта ближайших двух тел качения);
· раковины на внутреннем кольце;
· износ тел качения и сепаратора (относится к наиболее опасным дефектам, так как развивается достаточно быстро);
· раковины и сколы на телах качения (относится к числу наиболее опасных и наиболее быстро развивающихся дефектов);
· дефекты группы поверхностей качения;
· проскальзывание кольца в посадочном месте (является достаточно редким дефектом и может обнаруживаться лишь в том случае, если проскальзывание происходит в момент измерения вибрации);
· недостаток смазки (дефекты смазки);
· не идентифицированный дефект.
Каждый из обнаруженных дефектов, в соответствии с порогом относительной количественной оценки, установленным в программе, относится к одному из следующих классификационных состояний подшипника (рис. 7.1):
СЛАБЫЙ ДЕФЕКТ – обнаружены признаки зарождающегося дефекта не препятствующие дальнейшей эксплуатации;
СРЕДНИЙ ДЕФЕКТ – зарождающийся дефект, за которым следует продолжить наблюдение при дальнейшей эксплуатации);
СИЛЬНЫЙ ДЕФЕКТ – развитый дефект, который требует ограничения по срокам следующей проверки;
ЗАМЕНИТЬ ПОДШИПНИК – дальнейшая эксплуатация подшипника может привести к его разрушению.

Рис. 7.1
Классификационные состояния подшипника
Пороговые значения относительной количественной оценки для каждого из классификационных состояний подшипника устанавливаются пользователем при конфигурации программы и могут быть уточнены в процессе эксплуатации при достаточно большом количестве статистического материала (не менее тридцати экспертных оценок для каждого уточняемого порога дефекта по степени его развития).
Количественная оценка остаточного ресурса подшипников (срок очередного диагностирования) определяется программой в зависимости от вида обнаруженного дефекта, степени его развития и от значения общего ресурса подшипника, установленного в данном конкретном узле. Для локомотивов установлены следующие соотношения между степенью развития дефекта и сроком следующего диагностирования:
· при слабом дефекте – следующий срок диагностирования через один ТО 3;
· при среднем дефекте – следующее диагностирование на следующем ТО 3
· при сильном дефекте – следующее диагностирование при любом очередном заходе локомотива на ТО или ТР.

Рис. 7.2
Вид разрушенного роликового подшипника
Остаточный ресурс может быть уточнено в процессе эксплуатации комплекса при достаточно большом количестве статистического материала с учетом критериев безопасности и экономической целесообразности. Некачественная диагностика может стать причиной аварии, вызванной разрушением подшипника (рис. 7.2).
7.2 Методы диагностирования подшипников качения
Методы диагностирования подшипников качения работающей машины, основаны на анализе вибрации, создаваемой силами трения в подшипниках. Дефекты подшипников характеризуются частотой появления импульса от дефектного участка (детали).
Специфика сил трения качения во вращающихся узлах машин такова, что при отсутствии дефектов в подшипниках качения они стабильны по времени. При недостаточной точности изготовления подшипника, его монтажа в посадочном месте, а также при износе поверхности трения, силы трения в этом подшипнике перестают быть стабильными и зависят от угла поворота вращающегося кольца или сепаратора.

Рис. 7.3
Характерный спектр дефектного подшипника
Постоянная сила трения возбуждает случайную вибрацию подшипника в широкой полосе частот. Максимум ее спектральной плотности обычно приходится на частоты порядка 2–10 кГц. Частота спектральной плотности зависит в первую очередь от скорости вращения и размеров подшипника, качества поверхностей трения и смазки. При появлении дефектов а, следовательно, нестабильности силы трения, возбуждаемая случайная вибрация становится нестационарной, т.е. величина спектральной плотности на любой частоте периодически изменяется во времени. Именно нестационарность случайной вибрации подшипниковых узлов является объективным признаком появления дефектов трущихся поверхностей в подшипниках качения.
Количественные характеристики нестационарной случайной вибрации определяются в результате спектрального анализа огибающей этой вибрации (рис.7.3). Нестационарность, представляющая собой амплитудную модуляцию высокочастотной вибрации периодическим процессом, например, с периодом вращения узлов подшипника, приводит к тому, что в спектре огибающей кроме случайных составляющих появляются еще и гармонические, с частотой вращения этих узлов. В результате по частотам появившихся составляющих определяются виды имеющихся в подшипнике дефектов (рис. 3), а по превышению амплитуд этих составляющих над линией фона – глубина каждого из обнаруженных дефектов. Диагностируемые параметры подшипника проиллюстрированы на рис. 7.4.
Рис. 7.4
Основные диагностируемые параметры подшипника
Этот метод анализа сигналов вибрации (метод огибающей) позволяет обнаружить и идентифицировать все основные виды дефектов, определяющих ресурс подшипниковых узлов.
Для обнаружения сильно развитых дефектов анализируются прямые спектры вибрации.
Возможные варианты диагностирования: · в эксплуатации (ТО 1, ТО 2, ТО 3);
· для диагностирования агрегатов поступающих в ремонт и направляемых после ремонта в эксплуатацию.
Нормальные условия эксплуатации комплекса:
· температура окружающего воздуха – (от +15 до +35)°С; (298±10)К;
· относительная влажность от 50 до 80% при температуре +25°С
· изменение давления окружающей среды от 84 до 106,7 кПа
· допустима эксплуатация комплекса на тракционных путях при отсутствии ветра, пыли, осадков
· в зимний период диагностирование должно проводиться в цехе на оттаявшем оборудовании после предварительной прокрутки подшипников (ориентировочно в течение пяти минут) с номинальной для диагностирования частотой вращения (для разогрева и равномерного распределения смазки по подшипнику
).
7.3 Состав испытательного комплекса
В состав комплекса вибродиагностики входят:
1. персональный компьютер с программным обеспечением реализации следующие функции:
· установку дискретных значений коэффициента усиления тракта;
· преобразование сигнала в цифровую форму;
· цифровую обработку входных сигналов на основе БПФ (Быстрое Преобразование Фурье) – фильтрацию, выделение огибающей; · обмен информацией с компьютером.
2. Внешний блок с возможностями:
· подключения датчика частоты вращения;
· подключения, питания и коммутация восьми датчиков вибрации со встроенными усилителями;
· дискретной установки значений коэффициента усиления;
· фильтрации входного сигнала для устранения эффекта наложения спектральных составляющих сигнала при его преобразовании в цифровую форму.
3. Датчики вибрации (пьезоэлектрические акселерометры). Их конструкции разнообразны, что определяется множеством особенностей приемов локализации источника вибрации. В настоящее время получили распространение акселерометры со встроенными усилителями заряда (рис. 7.5). Такое решение позволяет применять соединительные кабели между акселерометром и последующей измерительной аппаратурой практически любой длины.

Рис. 7.5
Акселерометр со встроенным усилителем (слева) и общий вид (справа)
Основные варианты конструкции показаны на рис. 6. Присоединительный разъем может находиться сбоку или сверху корпуса. Последнее решение связано с необходимостью установки акселерометра в труднодоступных и ограниченных по площади местах.

Рис. 7.6
Варианты конструкции акселерометра
Другая особенность конструктивного исполнения относится к способу размещения чувствительного элемента. Размещение его непосредственно у основания (рис. 7.6, 1
и 3
) может оказать влияние на результат измерения при нагреве основания. С этой точки зрения варианты 2
и 4
предпочтительны.
Кроме того, пьезоэлемент может работать как на сжатие, так и на сдвиг (рис. 7.6, 4
). В последнем случае конструкция способствует наилучшей изоляции пьезоэлемента от корпуса и обеспечивает достаточно высокую резонансную частоту.

Рис. 7.7
Способы крепления акселерометра
В конструкции «кольцевой сдвиг» пьезоэлемент P
и сейсмическая масса M
сформированы в кольцо вокруг центральной опоры (рис. 7.8). Указанные элементы предварительно нагружены конструктивом S
, что обеспечивает высокую устойчивость к деформации основания B
и температурным переходным процессам в объекте и в нем.
Рис. 7.8
Акселерометр кольцевой конструкции
Выпускаемые в настоящее время пьезоакселерометры перекрывают диапазон ускорений 2·10-5
–106
м/с2
. Наиболее высокочастотные акселерометры имеют собственную частоту до 200 кГц при чувствительности 0,004 пКл/(м·с-2
). Наиболее высокочувствительные пьезоакселерометры имеют чувствительность до 1000 пКл/(м·с-2
), но их собственные частоты не превышают 1 кГц.
Конструкция, выполненная по принципу центрального сжатия, – традиционная (рис. 7.6, 13
). Она простая, но обеспечивает умеренно высокую чувствительность к перемещению массы. Система «пьезоэлемент-пружина-масса» закреплена на центральной опоре, вмонтированной в основание акселерометра.
Конструкция плоского типа DeltaShear
(рис. 9) представляет собой два прямоугольных среза материала кристалла, которые размещены по сторонам центральной опоры. Пьезоэлемент такого акселерометра подвергается деформации сдвига.
Рис. 7.9
Акселерометр с плоским сдвиговым пьезоэлементом
Сейсмические массы закреплены поверх пьезоэлементов с помощью стяжного кольца высокого сопротивления разрыву. Основание вибропреобразователя и пьезоэлементы эффективно изолированы друг от друга, что обеспечивает превосходную защиту от деформации основания и колебаний его температуры.
Из рассмотренного можно сделать следующий вывод: для измерений параметров вибрации целесообразно применять акселерометр, пьезоэлемент которого работает на сдвиг любого конструктивного исполнения (рис. 7.9). Если же имеется риск появления пироэффекта, то целесообразно применять конструкцию, в которой пьезоэлемент изолирован от основания. Рис. 7.10
Малогабаритный тахометрический датчик
Датчик частоты вращения
работает как отметчик времени и как сигнал синхронизации процесса усреднения: определяет начало и конец периода усреднения одного и того же участка процесса. Один из принципов его конструктивного исполнения состоит в том, что два полупроводниковых элемента вмонтированы по соседству. Один из них является светодиодом, другой фотоприемником. На рис. 7.10 показан тахометрический датчик (ММ
0012, B
&K
– Дания). Датчик отличается малыми габаритами, что способствует удобному размещению относительно исследуемого объекта. Отно-
сительным недостатком его является малое расстояние от отражающей поверхности – не более 10 мм. Время отклика не превышает 200 мс.

Рис. 7.11
Общий вид тахометрического датчика (справа) и разъём подключения кабеля (слева)
Более совершенным прибором такого типа является тахометрический датчик ММ
0024 той же фирмы (рис. 7.11). Он может устанавливаться на расстоянии до 800 мм от отражающей поверхности и работает на объектах с частотой вращения 200-20000 об/мин.
Циклограмма работы этого датчика показана на рис. 7.12, где под циклом движения понимается период вращения, возвратно-поступательного движения или иного периодического процесса.

Рис. 7.12
Циклическая диаграмма датчика ММ 0024
Перечисленные устройства в сочетании с комплектующими и соответствующим программным обеспечением решают следующие основные задачи:
· коммутацию измерительных каналов;
· регистрацию выборок виброизмерительной информации;
· преобразование аналогового сигнала в цифровую форму;
· полосовую фильтрацию входных сигналов и их детектирование в выбранной полосе; · спектральный анализ прямых сигналов;
· спектральный анализ огибающей сигналов;
· измерение частоты вращения механизма;
· защиту программного обеспечения от несанкционированного доступа.

Рис. 7.13
Сравнительная калибровка акселерометра
Как видно из перечисления, в комплект не входит процедура калибровки измерительного тракта в целом. С этой целью применяются два метода: относительная и абсолютная калибровка. В условиях производства относительная калибровка предпочтительней из экономических соображений. Её принципиальная схема представлена на рис. 7.13.
Рис. 7.14
Общий вид ручного калибратора
Если есть уверенность в исправном состоянии акселерометра (он не подал, не подвергался высоким ускорениям и т.п.), то для сквозного контроля измерительного тракта достаточно применить ручной калибратор, например, 4294 фирмы Brüel &Kjær
(Дания), показанный на рис. 7.14. Это компактный батарейный источник вибрации с фиксированной частотой 160 Гц и ускорением 10 м·с-2
(СКЗ).
Его применение достаточно простое: собрать измерительный тракт, закрепить акселерометр на головке калибратора и включить его нажимной кнопкой на корпусе. Головка стола придет в движение с указанными параметрами, которое автоматически прекратиться после 100 с работы. Этого времени достаточно для контроля показаний измерительного прибора и экономит источник питания.
Рис. 7.15
Общий вид прибора "Прогноз-1"
Для диагностики подшипников качения могут применяться переносные приборы и стационарные системы мониторинга. Отечественный прибор "Прогноз-1" (рис. 7.15) широко распространен в локомотивных депо и применяется по
регламентам ТО 2, ТО 3 и ТО 4.
Аналогичным по функциональному назначению является анализатор вибрации 2515 фирмы Brüel &Kjær
(рис. 7.16). Он создан еще в 80-х годах прошлого столетия, но не потерял актуальности и отвечает всем современным требованиям диагностики подшипников методом огибающей высокочастотных составляющих спектра, планового контроля машинного оборудования и его балансировки.
Более совершенными, но и более дорогими, являются стационарные комплексы: они универсальны, совершенны и применяются в основном в массовом производстве.

Рис. 7.16
Анализатор вибрации подшипников 2515
7.4 Подготовка объекта контроля к диагностированию
Датчик оборотов закрепляется на агрегате так, чтобы зазор между торцевой поверхностью датчика и индуктором составлял от 7 до 10 мм. Индуктором может служить магнит (или пластина из ферромагнитного материала), установленный на вращающуюся часть контролируемого объекта, а также белая отражающая метка или полоска алюминиевой фольги при применении оптического датчика (рис. 7.17). В последнем случае датчик числа оборотов имеет встроенный излучающий светодиод и приемник отраженного света, по сигналу которого начинается процесс съема информации и усреднение результата.
Рис. 7.17
Размещение датчика числа оборотов ММ
0012
Креплению акселерометров на объекте исследования необходимо уделять серьезное внимание. Крепление должно надежно фиксировать акселерометр на протяжении всего эксперимента и не создавать помехи в виде электрических наводок и шума соединительного кабеля (рис. 7.18).
Так как засверловка отверстия и крепление с помощью шпильки не допустимо, акселерометр устанавливается на объекте с помощью магнита. Его удерживающая сила составляет, примерно, 140 Н, что вполне достаточно при действующих ускорений корпуса КМБ в процессе исследований.

Рис. 7.18
Рекомендация по креплению кабеля акселерометра
Датчики вибрации на магнитном креплении устанавливаются в контрольных точках (рис. 7.19). Места установки датчиков должны быть очищены от грязи, краски, окиси и других загрязнений и иметь ровную поверхность, которую необходимо смазать тонким слоем (около 0,5 мм.) консистентной смазки, например, солидол, циатим и др.
Оси вращения диагностируемых подшипников и зубчатых передач должны быть расположены по возможности наиболее близко к горизонтали. Перекос оси приводит к появлению шумов от трения торцовых поверхностей в узлах и, соответственно, к снижению достоверности определения технического состояния узла.
Вывесить КМБ исследуемой колесной пары согласно технологической карте. Для этого в депо предусмотрена гидростанция с домкратами и специальные упоры на тележке.
Собрать схему прокрутки тягового двигателя колесно-моторного блока, установить акселерометры в контрольные точки и датчик числа оборотов. Закрепить индуктор на ободе колеса.

Рис. 7.19
Размещения точек контроля спектров КМБ
7.5 Технология проведения диагностики
Привести во вращение тяговый двигатель и при достижении колесной парой установившегося значения оборотов (не менее 150 об/мин), провести измерение. Во время съема информации уход частоты вращения будет отслеживаться программой. Вибросигнал, при частоте вращения, вышедшей за допустимую 20% зону, игнорируется и исключается из усреднения. Одновременно с измерением, производимым под управлением программы, необходимо прослушивать сигнал с датчика вибрации через наушники, подключаемые к соответствующему разъему. Такое прослушивание дает возможность оператору более уверенно контролировать процесс диагностики. Повторить описанную процедуру для всех контрольных точек.
7.6 Выбор периодичности измерений, режимов работы и пороговых значений
Периодичность диагностических измерений для подшипников качения в программах определяется двумя различными способами.
Первый способ
относится к массовому диагностическому обслуживанию по однократным измерениям спектра огибающей вибрации. В этом случае периодичность измерений определяется разработчиками пакета программ на основании данных диагностики более 100 тысяч подшипников в разных отраслях промышленности. Оптимальная периодичность измерений связана с данными о среднем ресурсе подшипника в конкретных машинах пользователя, и этот ресурс задает сам пользователь при конфигурировании конкретной точки измерения (диагностируемого узла). Как показывают многолетние исследования, если в подшипнике нет скрытых дефектов изготовления и его правильно эксплуатируют, нижняя граница безаварийной работы в случае, когда подшипник не имеет, по крайней мере, средних дефектов монтажа и износа, составляет 2025% от его среднего ресурса. Однако, учитывая тот факт, что даже при неработающей машине могут происходить структурные изменения состояния смазки подшипника, разработчики установили максимальный интервал между диагностическими измерениями для бездефектных подшипников, равный 6 месяцам. Снижение рекомендуемого интервала производится в том случае, если установленный пользователем средний ресурс подшипника ниже 2,5 лет, и в том случае, когда по результатам диагностики обнаружены средние или сильные дефекты.
Второй способ
выбора интервалов между диагностическими измерениями используется при диагностике ротора (линии вала) с подшипниками качения по периодическим измерениям спектров вибрации и их огибающих. В этом случае интервалы между измерениями вибрации бездефектных машин устанавливает пользователь, исходя из имеющейся у него информации о скоростях развития дефектов. Рекомендуемый интервал составляет один - три месяца, но он может быть откорректирован как в меньшую, так и в большую сторону с учетом тех затрат на работы по диагностике, которые пользователь может допустить, а также с учетом периодичности проведения профилактического обслуживания машин.
Если в диагностируемом узле обнаружены изменения состояния, соответствующие появлению одного среднего дефекта, рекомендуемый интервал сокращается в два раза. Изменения, соответствующие появлению двух средних или одного сильного дефекта, приводят к автоматическому снижению рекомендуемого интервала между измерениями еще в 3 раза. В более сложных случаях предлагается либо заменить (отремонтировать) диагностируемый узел, либо, если вероятность аварийного выхода узла из строя не слишком велика, программа сокращает исходный интервал между измерениями в 10 раз. В том случае, когда количества измерений, выбираемых программой для автоматической диагностики, не хватает для постановки диагноза по периодическим измерениям, предлагается произвести повторное измерение через 20% от установленного пользователем интервала для бездефектных машин.
Основной рекомендацией по выбору режима работы машины при диагностике подшипников качения является обеспечение одной и той же скорости ее вращения во время каждого из периодических измерений вибрации. Для диагностики используются только те группы измерений, которые уложились по частоте в диапазоне ±10% от среднего значения. Для многоскоростных машин рекомендуется выбирать тот режим, в котором она работает наиболее продолжительное время, т.е. номинальный режим работы машины. Если пользователь не может обеспечить измерение вибрации подшипниковых узлов в номинальном режиме работы, он может выбрать любой из режимов, в котором условия смазки подшипника укладываются в технические требования, предъявляемые к нормальной работе подшипника качения.
Еще одной рекомендацией по выбору режима работы является отсутствие динамических нагрузок на подшипник от других узлов машины, особенно если эти нагрузки имеют ударный характер. При необходимости пользователю рекомендуется отключать на время измерений те узлы машины, которые могут создать ударные нагрузки на подшипник. Наиболее удобным является режим работы машины без нагрузки на холостом ходу.
Все дефекты, автоматически обнаруживаемые при обработке данных измерений, по глубине делятся на три группы: слабые
(I
), средние
(M
) и сильные
(S
).
Все пороговые значения, используемые для обнаружения, идентификации вида и определения глубины дефекта, задаются пользователем, однако в программе или инструкции по ее использованию всегда приводятся рекомендуемые значения порогов, основанные на имеющихся у разработчиков статистических данных по диагностике подшипников с последующей их визуальной дефектацией.
Величина рекомендуемого порога сильного дефекта составляет 20 дБ над средним уровнем соответствующей составляющей спектра. Рекомендуемое значение порога среднего дефекта в два раза меньше и составляет 10 дБ.
Опыт диагностики различных машин и оборудования позволяет утверждать, что предлагаемые пороговые значения при стабильном режиме работы минимизируют вероятность ошибочных решений, которая является суммой вероятностей пропуска дефекта и ложного срабатывания. При диагностике подшипников качения многорежимных машин оператор может установить более высокие пороги. Если машина непрерывно работает при относительно стабильных внешних условиях (температура, влажность и т.п.), а ее частота вращения и нагрузка не изменяются, значения порогов можно снизить. Это даст возможность обнаруживать дефекты на ранней стадии их развития, но требует принятия индивидуальных решений о продолжении эксплуатации машины, если программой обнаружены сильные дефекты. Дело в том, что к множеству подшипников с сильными дефектами в этом случае программа относит и те, в которых глубина дефекта еще не дошла до аварийно опасных значений.
При диагностике подшипников качения по спектру огибающей задается три пороговых значения для каждого из видов дефектов, за исключением дефектов смазки, для которых, как и в предыдущем случае, задаются пороги сильного и среднего дефектов.
Пороги определяются в величинах (процентах) глубины модуляции для всех дефектов, кроме дефекта смазки, для которого они определяются в приращениях уровня высокочастотной вибрации, измеряемой в дБ виброускорения. Пользователю рекомендуется уточнять исходные пороги сильных дефектов по мере накопления информации об их величине, получаемой при дефектации подшипников во время ремонтов.
В качестве отправных можно рекомендовать значения порогов сильных дефектов, составляющих для дефектов смазки 20 дБ, а для остальных видов дефектов 20% (по глубине модуляции). Пороги средних дефектов определяются автоматически, как среднее значение от порога сильного и слабого дефектов. Для дефектов смазки порог слабого дефекта отсутствует, а порог среднего дефекта составляет 10 дБ. Порог слабого дефекта по глубине модуляции всегда определяется автоматически и зависит от чувствительности диагностической аппаратуры, используемой для выделения слабых гармонических составляющих на фоне случайных составляющих спектра белого шума.
Таблица 7.1 Перечень типовых дефектов
| Вид дефекта
|
Частота признака
|
| основного
|
дополнительного
|
| Окатывание неподвижного кольца
|
f
ВР
|
Нет роста ВЧ
|
| Неоднородный радиальный натяг
|
2kf
ВР
|
Нет роста ВЧ
|
| Перекос неподвижного кольца
|
2f
Н
|
-
|
| Износ неподвижного кольца
|
f
Н
|
Рост ВЧ
|
| Раковины, трещины наружного (неподвижного) кольца
|
kf
Н
|
Рост ВЧ
|
| Износ внутреннего кольца
|
kf
ВР
|
Рост ВЧ
|
| Раковины, трещины внутреннего кольца
|
kf
В
|
Рост ВЧ, kf
ВР
, k
1f
ВР±k
2fВР
|
| Износ тел качения и сепаратора
|
kf
С
|
Рост ВЧ, k
(f
ВР-f
С)
|
| Раковины, сколы тел качения
|
2kf
ТK
|
2k
1f
ТK±k
2f
С
|
| Проскальзывание кольца
|
kf
ВР
, k
> 10
|
Рост ВЧ
|
| Дефект смазки
|
Рост ВЧ
|
Низкий уровень дефектов качения
|
Приведем трактовку легенд, использованных в табл. 7.1:
f
ВР
– частота вращения вала; f
ТК
– частота вращения тел качения;
f
В
, f
Н
– частота перекатывания тел качения по внутреннему и наружному кольцу соответст-
венно; f
С
– частота вращения сепаратора; ВЧ – высокочастотная область спектра; k
= 1, 2, 3, 4 ... – ряд чисел для обозначения гармоник.
7.7 Типовые диагностические признаки дефектов
Вопросами диагностики и разработкой специальных комплексов активно занимается фирма АО ВАСТ (С.– Петербург). Разработанные ими комплексы рекомендованы к применению в подразделениях ОАО РЖД. В табл. 7.1 приведен перечень типовых диагностических признаков дефектов, обнаруживаемых и идентифицируемых при диагностике подшипников качения по однократным измерениям спектра огибающей вибрации. Эти признаки можно использовать для распознавания дефекта в случае, если этот дефект единичен, т.е., при условии отсутствия в данное время развитых дефектов в других узлах диагностируемого объекта, например дефектов вала соединительной муфты, зубчатой передачи и т.д.
Обкатывание наружного (неподвижного) кольца
подшипника не является дефектом собственно подшипника, а свидетельствует лишь о режиме его работы с повышенной вращающейся нагрузкой на подшипник, снижающем его ресурс. В машинах с горизонтальным валом этот дефект указывает на сильную неуравновешенность ротора или на бой вала.
В машинах с вертикальным валом обкатывание является естественным режимом работы подшипника, не снижающим его ресурс. Признаком этого режима работы подшипника является появление в спектре огибающей вибрации небольшого (до трех-четырех) числа гармонических составляющих вибрации с частотами kf
вр
, из которых максимальные амплитуды приходятся на 13 гармоники.
Работа подшипника качения в составе роторной машины при наличии в нем дефектов может оказывать влияние на вибрацию и модулирующие ее процессы с частотой вращения сепаратора:
æ d
тк
cosaö÷÷
f
c
= 0,5 f
вр
ççè1- d
с
ø,
где f
с
– частота вращения сепаратора относительно наружного кольца; f
вр
– частота вращения подвижного кольца относительно неподвижного; a – угол контакта тел и дорожек качения; d
– диаметр тела качения; d
с
– диаметр сепаратора:
d
c
»d
н
-
d
в
2 ,
d
н
и d
в
– наружный и внутренний диаметры кольца.
Частота перекатывания тел качения по наружному и внутреннему кольцам определяются выражениями:
f
н
= 0,5 f z
вр
çæ1 -d
тк
cosa
ö
÷ =z f
× c
è d
с
ø
f
в
= 0,5 f
врz
ççæ1+ dd
тк
с
cosaöø÷÷ = z
×(f
вр
- f
c
) è
Частота вращения тел качения относительно колец определяется более сложным выражением:
f
тк
= 0,5 f
вр
dd
с
æçç1- dd
тк
2с
2 cos2aö÷÷ø тк
è
где z
– число тел качения.
Приведенные выражения определяют частоты только основных гармоник спектров вибрации при различных видах дефектов.

Рис. 7.20
Вид спектра огибающей при неоднородном натяге
Неоднородный радиальный натяг
подшипника является обычно дефектом его сборки, в частности, следствием посадки подшипника на вал, диаметр которого больше допустимого, перекоса вращающегося кольца, повышенной осевой нагрузки на подшипник. Признаком этого дефекта является рост гармонических составляющих в спектре огибающей вибрации на четных и, прежде всего, на второй гармонике частоты вращения вала (рис. 7.20). Проявляется этот дефект обычно сразу после установки нового подшипника.
Перекос наружного кольца
подшипника возникает обычно при монтаже из-за дефектов посадочного места. Он проявляется сразу после монтажа и признаком его является рост составляющих спектра огибающей на частотах kf
Н
, преимущественно при четных k
и, особенно, на второй гармонике 2f
Н
.
Износ наружного кольца
подшипника практически всегда происходит локально, изменяя коэффициент трения качения на отдельных участках поверхности наружного кольца. В результате появляется плавная модуляция высокочастотной вибрации частотой f
Н
и в спектре огибающей вибрации растут гармонические составляющие на частотах kf
Н
, причем наибольший рост происходит на первой гармонике, а амплитуда кратных гармоник быстро падает.
Раковины
(трещины) на наружном кольце
подшипника приводят к появлению коротких ударных импульсов при контакте каждого тела качения с раковиной (трещиной). В результате появляется ряд гармоник с частотами kf
Н
в спектре огибающей высокочастотной вибрации, причем число этих гармоник достаточно велико, а их амплитуда слабо снижается с ростом k
.
Износ внутреннего кольца
подшипника, как правило, происходит локально, поэтому при диагностике внутреннего кольца диагностическим признаком является появление в спектре огибающей ряда гармоник с частотами kf
ВР
. Достаточно часто при износе внутреннего кольца растет и высокочастотная вибрация подшипника, что является дополнительным признаком дефекта.
Раковины
(трещины) на внутреннем кольце
подшипника приводят к появлению коротких ударных импульсов при контакте каждого тела качения с раковиной (трещиной). В результате в спектре огибающей вибрации появляется ряд гармоник с частотами kf
В
, причем из-за того, что при слабом радиальном натяге в подшипнике величина удара зависит от нагрузки, т.е. от угла поворота внутреннего кольца, у ряда гармоник в спектре огибающей появляются боковые составляющие, отличающиеся на ±k
1
f
ВР
.
Раковины, сколы на телах качения
в подшипнике – наиболее опасные и быстро развивающиеся дефекты. Они сопровождаются появлением и ростом ударных импульсов, действующих между телом качения и поверхностями колец подшипника с основной частотой ударов 2f
ТК
. Так как амплитуды ударных импульсов при контакте с наружным и внутренним кольцом могут различаться, спектр огибающей вибрации содержит ряд составляющих с частотами k
1
f
ТК
±k
2
f
С
, причём амплитуды составляющих с четными гармониками k
1
больше, чем с нечетными (рис. 7.21).

Рис. 7.21
. Спектры огибающей вибрации при раковинах или сколах на телах качения Износ тел качения и сепаратора
относится к наиболее опасным дефектам и развивается достаточно быстро. По спектру огибающей вибрации обнаруживается в первую очередь дефект, представляющий собой выкрашивание поверхности одного (группы) тела качения (рис. 7.22).
Косвенно это указывает и на ускоренный износ того участка сепаратора, который контактирует с дефектным телом качения. Именно этот признак является общим для рассмотренных двух дефектов подшипника.
Признаком износа тела качения является появление в спектре вибрации гармонической составляющей с частотой f
ВР - f
С.
Рис. 7.22
Спектры
огибающей вибрации при износе тел качения
8 Примеры оформления графической части проекта
Представление демонстрационных материалов
(слайдов)
■
Защиту проекта рекомендуется проводить на основе комплекта слайдов, созданных в пакете Power Point
версии Microsoft Office
2003.
Количество слайдов не должно быть менее 10, включая разделы по безопасности жизнедеятельности и экономике. Содержание слайдов должно соответствовать последовательности работы над проектом и отражать их результаты (см. для примера тему 6).
1. Структура Системы сертификации на федеральном железнодорожном транспорте.
2. Структура сертификационных испытаний.
3. Аккредитация испытательной лаборатории (ИЦ):
Основные цели аккредитации;
3.2 Порядок проведения аккредитации.
4. Организация испытательного центра.
5. Статистические методы управления качеством.
6. Организация теплопотоков в вагоне.
7. Автоматизация сертификационных испытаний.
8. Расположение контрольных точек измерений.
9. Безопасность жизнедеятельности.
10. Экономическая оценка эффективности.
8.1 СЕРТИФИКАЦИОННЫЕ ИСПЫТАНИЯ
АВТОСЦЕПКИ

Рис. 8.1
Общий вид стенда

Рис. 2
Последовательность процедуры сертификации

Рис. 3
Классификация дефектов автосцепки

Рис. 4
Схема монтажа тензодатчиков на корпусе автосцепки
sр
= 6bP
x
h
×
2x
Рис. 5
Калибровочная балочка тензодатчиков

Рис. 6
Измерительная часть испытательного комплекса

Рис. 7
Схемы измерительных цепей

Рис. 8
Сварочный пост восстановления автосцепки
8.2 СЕРТИФИКАЦИОННЫЕ ИСПЫТАНИЯ
КРЕСЛА МАШИНИСТА

Рис. 1
Размещение кресла в кабине машиниста

Рис. 2
Основные положения правил П ССФЖТ 47–2001

Рис. 3
Ускорение пола кабины машиниста

Рис. 4
Схема стендовых испытаний кресла

Рис. 5
Элементы испытательного стенда

Рис. 6
Схема измерительного тракта

Рис. 7
Статистическая обработка исходной реализации
8.3 ДИНАМИКО–ПРОЧНОСТНЫЕ ИСПЫТАНИЯ ЭЛЕМЕНТОВ ЛОКОМОТИВА

Рис. 1
Основные положения СТ ССФЖТ ЦТ 15-98

Рис. 2
Схема проволочного тензодатчика (тензорезистора)

Рис. 3
Стенд для испытания рам тележек

Рис. 5
Элементы испытательного стенда
| 
|

|
| Рис. 6
Общий вид комплекта измерительных приборов (вверху) и организация передачи информации (справа)
|
|

Рис. 7
Виды градуировок и размещение тензодатчиков Характеристика тензодатчиков
| Маркировка тензодатчиков
|
Номинальное сопротивление,
Ом
|
Габаритные размеры, мм
|
| длина
|
ширина
|
| ПКБ–3–50
|
50
|
15
|
3
|
| ПКБ–5–50
|
50
|
20
|
3
|
| ПКБ–5–100
|
100
|
20
|
3
|
| ПКБ–10–100
|
100
|
25
|
3
|
| ПКБ–10–200
|
200
|
25
|
4,5
|
Рис. 8
Последовательность процедуры сертификации
8.4 УЛЬТРАЗВУКОВОЙ КОНТРОЛЬ КОЛЕСНЫХ ПАР

Рис. 1
Основные положения РД 32.144-2000

Рис. 2
Лицевая панель дефектоскопа УД2–70

Рис. 4
Стандартный образец СО–1 (ГОСТ 14782–86) ДИАГНОСТИКА ОСЕЙ

Рис. 5
Дефектограмма оси колесной пары
ДИАГНОСТИКА КОЛЁС

Рис. 6
Акустическая схема и дефектограмма бандажа колесной пары

Рис. 8
Дефекты поверхности катания:
1–уширение обода; 2–наплыв на фаску; 3–уширение дорожки качения; 4,5–закатавшиеся ползун и навар

Рис. 9
Общий вид испытательного стенда "Пеленг–автомат"
8.5 ДИАГНОСТИЧЕСКИЙ КОМПЛЕКС ЛОКОМОТИВА

Рисунок.
Элементы диагностики локомотива
8.6 СЕРТИФИКАЦИОННЫЕ ИСПЫТАНИЯ
МИКРОКЛИМАТА КАБИН УПРАВЛЕНИЯ



БИБЛИОГРАФИЯ
1 Соколов М.М., Варава В.Н., Левит Г.М.
Измерения и контроль при ремонте и эксплуатации вагонов. – М.: Транспорт, 1991. – 157 с.
Изложены системы контроля технического состояния вагонов, методы и средства измерения, технология измерения основных параметров и структура метрологического обеспечения. Рассмотрен контроль технического состояния ходовой, рессорной, тормозной, энергетической систем и систем кондиционирования воздуха. Приведены краткие сведения по точности измерений и анализу диагностических сигналов.
Для инженеров–технологов и других инженерно–технических работников вагонного хозяйства, связанных с контролем технического состояния вагонов.
2 Соколов М.М.
Диагностирование вагонов. – М.: Транспорт, 1990. – 197 с.
3 Эрлер В., Вальтер Л.
Электрические измерения неэлектрических величин полупроводниковыми тензорезисторами. – М,: Мир, 1974. – 286 с.
4 Платонов Г.А.
Эргономика на железнодорожном транспорте. – М.: Транспорт, 1986. – 296 с.
5 Вудсон У., Коновер Д.
Справочник по инженерной психологии для инженеров и художников–конструкторов. – М.: Мир, 1968. – 519 с.
6 Исаев И.П., Матвеевичев А.П., Козлов Л.Г.
Ускоренные испытания и прогнозирование надежности электрооборудования локомотивов. – Транспорт, 1984. – 248с.
9 Коротков В.П., Тайц А.М.
Основы метрологии и теории точности измерительных устройств. – М.: Издательство стандартов, 1978. – 352 с.
10 Тюрин Н.И.
Введение в метрологию. – М.: Издательство стандартов, 1973. – 280 с.
11 Мердок Дж.
Контрольные карты/Пер. с англ.; Предисл. Ю.П. Адлера. – М.: Финансы и статистика, 1986. – 151., ил. 42.
13 Кукуш В.Д.
Электрорадиоизмерения: Учебн. пособие для вузов. – М.: Радио и связь, 1985. – 368 с., ил.
14 Коллакот Р.А.
Диагностирование механического оборудования. – Л.: Судостроение,
1980. – 296 с., ил.
15 Болтон У.
Карманный справочник инженера–метролога – М.: Издательский дом «Додэка– XXI», 2002 – 384 с.
16 Подвижной состав и основы тяги поездов:
Учебник для техникумов ж.–д. транспорта / П. И. Борцов, В. А. Валетов, П.И. Кельперис, Л.И. Менжинский и др. Под. ред. С. И. Осипова. 3–е изд., перераб. и доп. – М.: Транспорт, 1990. – 336 с.
Описаны устройство основного оборудования электровозов п электропоездов, тепловозов и дизель–поездов, а также вагонов; приведены основные сведения о системе обслуживания и ремонта всех видов подвижного состава. Рассмотрены вопросы тяги поездов, тормозных расчетов, подготовки информации для тяговых расчетов на ЭВМ.
17 Вершинский С.В., Данилов В.Н., Хусидов В.Д.
Динамика вагона: Учебник для вузов ж.–д. трансп. / Под. ред. С.В. Вертинского.–3–е изд., перераб. и доп.–М.: Транспорт, 1991. – 360 с.
Изложены основы теоретических и экспериментальных методов исследования динамики вагона. Освещены вопросы безопасного и плавного движения вагона, определения динамических сил взаимодействия пути и ходовых частей, вагонов и локомотивов в поезде, а также установления критериев для отыскания оптимальных динамических и конструктивных параметров вагонов и пути для современных и перспективных условий эксплуатации.
19 Потапов В. Н.
Диагностирование авиационных электрических машин. М.: Транспорт, 1989.– 101 с.
Дан анализ условий работы авиационных электрических машин, причин отказов и физических процессов, сопутствующих появлению дефектов, а также характерных признаков, предшествующих отказам изделий. Предложена методика экспериментальной оценки параметров диагностических моделей. Приведены структурные схемы, поясняющие принципы реализации методов диагностирования. Освещены вопросы автоматизации процессов диагностирования с помощью измерительно–вычислительных комплексов.
20 Спичкин Г. В., Третьяков А. М.
Практикум по диагностированию автомобилей: Учеб.
пособие – 2–е изд., перераб. и доп. – М.: Высш. шк., 1986. – 439 с.: ил.
Рассмотрены параметры, характеризующие техническое состояние агрегатов, систем и механизмов отечественных автомобилей; приведены методы и средства для определения степени и вида износа автомобилей.
Второе издание (1–е – 1979 г.) дополнено сведениями о новых методах и средствах диагностирования автомобилей.
21 Тольский В.Е.
Виброакустика автомобиля. –М.: Машиностроение, 1988. –144 с.: ил.
Р
ассмотрены основные показатели, определяющие виброакустические качества автомобиля, дан анализ влияния его агрегатов и систем на образование шума, приведены виброакустические модели автомобиля, результаты исследования виброакустических показателей, рекомендации по их улучшению.
22 Краус М., Вошни Е.
Измерительные информационные системы, Берлин, 1972, пер. с нем., 16 л.
Книга посвящена изучению характеристик измерительного тракта с позиций информационного и системного анализа; такая тематика представляет большой интерес для информационно–измерительной техники.
В качестве важнейших рассматриваются критерии минимума среднеквадратической погрешности и максимума потока информации. Интересны подходы к оценке достоверности результатов измерений, а также исследования пределов оптимизации информационного канала.
23 Четыркин Е.М.
Статистические методы прогнозирования. Изд. 2–е, перераб. и доп. М., «Статистика»; 1977. – 200 с.: ил.
Автор рассматривает пути использования трендов и регрессий, проблемы обработки динамических рядов, оценки параметров различного рода кривых и доверительных интервалов. В специальном приложении рассматриваются математические основы нелинейного метода наименьших квадратов. В работе анализируются предпосылки и условия применения соответствующих методов прогностического анализа.
24 Молодык Н. В., Зенкин А. С.
Восстановление деталей машин. Справочник. – М.: Машиностроение, 1989. – 480 с.: ил.
Приведены характерные неисправности деталей машин, описаны современные методы их восстановления. Даны примеры и конкретные рекомендации по подготовке деталей к процессу восстановления, выполнению технологических приемов восстановления деталей непосредственно на рабочих местах с указанием применяемого оборудования, материалов, режимов операций
.
25 Веклич В. Ф.
Диагностирование технического состояния троллейбусов. – М.: Транспорт, 1990. – 295 с.
Рассмотрены основы управления техническим состоянием троллейбусов, методы и средства диагностирования наиболее ответственных систем и узлов подвижного состава. Приведена система технического обслуживания и ремонта с использованием диагностической информации. Изложены принципы формирования организационно–технологических и планировочных структур троллейбусных депо, в которых предусматривается широкое использование контрольно–диагностического оборудования и комплексов по механизации ремонтно– обслуживающих процессов.
26 Тюки Дж.
Анализ результатов наблюдений. Изд–во «Мир», – М.: 1981. – 693 с.
В книге, написанной известным американским специалистом по математической статистике, изложены основы разведочного анализа данных, т. е. первичной обработки результатов наблюдений, осуществляемой посредством простейших средств – карандаша, бумаги и логарифмической линейки. На многочисленных примерах автор показывает, как представление наблюдений в наглядной форме с помощью схем, таблиц и графиков облегчает выявление закономерностей и подбор способов более глубокой статистической обработки. Автор дает много практических рекомендаций, мало упоминавшихся в литературе. Изложение сопровождается многочисленными упражнениями с привлечением богатого материала из практики.
27 Тензометрия в машиностроении.
Справочное пособие. Под ред. канд. техн. наук Р.А. Макарова. М.: «Машиностроение», 1975.
В справочном пособии рассмотрены методы и средства тензометрии в машиностроении. В нем описаны тензорезисторы различных типов; приведены основные схемы и формулы для расчета тензорезисторных преобразователей механических величин, даны примеры их конструктивного выполнения; изложены вопросы методики тензометрирования: выбор мест установки тензорезисторов, тензометрирование вращающихся и движущихся объектов, первичная оценка результатов
.
28 Электрорадиоизмерения:
Учебник. /В.И. Нефедов, А.С. Сигов, В.К. Битюков и др. /Под ред. профессора А.С. Сигова. – М.: ФОРУМ: ИНФРА–М, 2005. – 384 с.: ил. – (Серия «Профессиональное образование»).
Рассмотрены цели, задачи, принципы и основы метрологии, а также методы и средства измерений электрических величин. Материал представлен с учетом современных достижений и тенденций развития теории измерений и измерительной техники. Изложение базируется па действующей нормативно–технической государственной документации и рекомендациях международных организаций в области метрологии и измерительной техники.
29 Щурин К.В.
Основы теории надежности мобильных машин: Учебное пособие. – М.: МГУЛ, 2004. – 216 с.: ил.
Учебное пособие содержит основные сведения о математическом аппарате анализа показателей надежности, повреждающих процессах, формирующих отказы, расчетах и экспертных оценках показателей надежности сложных технических систем.
30 Попков В. И., Мышинский Э. Л., Попков О. И.
: Виброакустическая диагностика в судостроении. – 2–е изд., перераб. и доп. – Л. : Судостроение, 1989. –256 с. ил. – (Качество и надежность)
Рассмотрены методы и средства экспериментальных исследований вибраций, динамических сил, потоков колебательных мощностей и механических сопротивлений пространственных конструкций. Описаны способы локализации источников колебаний. Проанализированы типы неисправностей и характерные износы, их влияние на вибрацию механизмов.
31 Анисимов П.С.
Испытания вагонов: Монография. – М.: Маршрут, 2004. – 197 с: ил.
В монографии рассмотрены основные виды испытаний вагонов: лабораторные и стендовые, статические, динамические (ходовые), по воздействию на путь, испытания на соударение вагонов, вибрационные. Указаны типы тензодатчиков, применяемых при испытаниях вагонов. Приведены основные данные по измерительным приборам и устройствам, динамометрам измерения вертикальных динамических сил и поперечных горизонтальных сил; тензометрическим усилителям измеряемых
сигналов, электромагнитным лучевым осциллографам, магнитографам. Даны пакеты программ с использованием современных ЭВМ и компьютеров для автоматизации обработки результатов испытаний и автоматизации процессов измерения сигналов от тензодатчиков. Приведена методика определения погрешностей измерения опытных данных.
32 Криворудченко В.Ф., Ахмеджанов Р.А.
Современные методы технической диагностики и неразрушающего контроля деталей и узлов подвижного состава железнодорожного транспорта: Учебное пособие для вузов ж.–д. транспорта/Под ред. В.Ф. Криворудченко. – М.: Маршрут, 2005. – 436 с.
Изложены физические основы методов неразрушающего контроля, технического состояния деталей подвижного состава, применяемых на предприятиях по производству и ремонту вагонов и локомотивов; приведены технические характеристики, устройство, принцип действия средств технического диагностирования, а также технологические процессы неразрушающего контроля деталей.
33 Загорский Г.С.
Контрольные карты Шухарта: Учебное пособие – М.:МИИТ,2004. – 40 с.
Изложены основы разработки и примеры использования контрольных карт Шухарта – одного из основных инструментов статистического управления технологическими процессами.
34 Загорский Г.С.
Приемочный контроль: Учебное пособие. – М.:МИИТ,2004.– 47 с.
В учебном пособии изложены основы статистического приемочного контроля по качественному и количественному признакам.
35 Миловидов Ю. И..
Физические величины и измерительные шкалы: Методические указания,– М: МИИТ, 2006 – 48 с.
Излагаются понятия о физических величинах, их шкалах и единицах физических величин. Предназначены для студентов специальности «Стандартизация и сертификация» при подготовке к лабораторным работам, тестированию и экзаменам по первой части дисциплины «Общая теория измерений».
36 Миловидов Ю. И.
Погрешности измерений: характер проявления. Методические указания.– М.; МИИТ, 2006 – 64 с.
Излагаются понятия о случайных и систематических составляющих погрешности измерений и методах их оценки.
37 Логин В.В.
Метрология: Учебное пособие – М.: МИИТ, 2002, 118 с.
Пособие посвящено проблемам измерения линейно–угловых размеров, отклонений формы, шероховатости и взаимного расположения поверхностей, а также вопросам метрологического обеспечения изделий машиностроения. Рассмотрен широкий спектр современных средств измерений и контроля.
38 Солодилов В.Я.
Контроль и испытания при сертификации. Учебное пособие: – М.: МИИТ, 2006. –
56с.
ил..
Изложены общие положения контроля и испытаний и условия их проведения в Системе сертификации на железнодорожном транспорте Российской Федерации. Рассматриваются способы проведения испытаний при воздействии внешних факторов, нормативно–методическое, метрологическое и техническое обеспечение испытаний. Приводятся требования к средствам испытаний, а также к составу, содержанию и условиям применения программ и методик проведения испытаний.
39 Чепульская О.В., Чепульский Ю.П.
Оценка параметров видеодисплейных терминалов для целей сертификации: Учебное пособие. – М: МИИТ.
2006. – 61 с: ил. 12.
Предназначено для студентов специальностей «Безопасность жизнедеятельности», «Стандартизация и сертификация» и может быть использовано студентами старших курсов всех специальностей университета в учебном процессе и при работе над соответствующим разделом дипломного проекта.
40 Чепульский Ю.П.
Сертификация систем обеспечения микроклимата: Учебное пособие – М.: МИИТ, 2006. – 95 с., ил. 28.
Изложены основы измерений и нормирования параметров микроклимата в кабинах управления подвижного состава – одного из сертифицируемых факторов, определенных стандартом СТ ССФЖТ ЦТ-ЦП 129-2002.
41 Чепульский Ю.П.
Первичные преобразователи механических величин: Учебное пособие. – М.: МИИТ, 2007. – 108 с, ил. 80.
Рассмотрены принципы построения первичных преобразователей, их конструктивное исполнение и применение для средств диагностики механических узлов подвижного состава.
42 Гольдин С.Л.
Испытания и сертификация железнодорожной техники. – М.: Интекст, 2002. – 143 с.
43 П ССФЖТ 31/ПМГ 40–2003
Система сертификации на федеральном железнодорожном транспорте. Порядок сертификации технических средств железнодорожного транспорта.
44 П ССФЖТ 47–2001
Система сертификации на федеральном железнодорожном транспорте. Порядок организации и проведения сертификационных испытаний железнодорожной техники.
45 РД 32.144–2000
Контроль неразрушающий приемочный. Колеса цельнокатаные, бандажи и оси колесных пар подвижного состава. Технические требования.
46 П ССФЖТ 47–2001
Система сертификации на федеральном железнодорожном транспорте. Порядок организации и проведения сертификационных испытаний железнодорожной техники.
47 СТ ССЖТ ЦТ 15–98
Система сертификации на федеральном железнодорожном транспорте. Тяговый подвижной состав. Типовая методика динамико-прочностных испытаний локомотивов.
48 СТ ССФЖТ ЦТ16–98
Тяговый подвижной состав. Методика динамико-прочностных испытаний электропоездов и дизель–поездов.
49 П ССФЖТ 48–2003
Система сертификации на федеральном железнодорожном транспорте. Порядок сертификации средств технической диагностики, контролирующих показатели безопасности технических средств железнодорожного транспорта.
50 СТ ССФЖТ ЦТ–ЦП 128–2002
Кабины, салоны, служебные и бытовые помещения. Методики испытаний по показателям микроклимата.
51 СТ ССФЖТ ЦТ–ЦП 129–2002
Кабины, салоны, служебные помещения. Методики испытаний по показателям систем обеспечения микроклимата.
52 Мердок Дж.
Контрольные карты /Пер. с англ.; Предисл. Ю. П. Адлера. – М.: Финансы и статистика, 1986. – 151 с, ил.– (Б-чка иностр. книг для экономистов и статистиков).
В книге английского ученого подробно описаны методы построения и использования контрольных карт – одного из основных инструментов статистического контроля качества. Обсуждаются карты Шухарта, кумулятивные карты, элементы планов выборок.
53 Хенли Э. Дж., Кумамото X.
Надежность технических систем и оценка риска: Пер. с англ. В. С. Сыромятникова, Г. С. Деминой. Под общ. ред. В. С. Сыромятникова. – М.: Машиностроение, 1984. – 528 с, ил.
Рассмотрены методы качественного анализа надежности и безопасности простых и сложных систем, позволяющие воздействовать на характеристики последних при отсутствии точных данных о количественных параметрах отдельных компонентов. Исследована возможность углубленного количественного анализа систем с получением важных практических результатов.
54 ПР 50.2.009–94
Государственная система обеспечения единства измерений. Порядок проведения испытаний и утверждения типа средств измерений.
55 ГОСТ 2.601–95
Единая система конструкторской документации. Эксплуатационные документы.
56 ГОСТ 16504–1
Система государственных испытаний продукции. Испытания и контроль качества продукции. Основные термины и определения.
57 ГОСТ Р 8.563–96
Государственная система обеспечения единства измерений. Методики выполнения измерений.
58 ГОСТ Р 8.568–97
Аттестация испытательного оборудования. Основные положения
59 ПР 50.2.009
Государственная система обеспечения единства измерений. Порядок проведения испытаний и утверждения типа средств измерений.
60 П ССФЖТ 46–2002
Порядок разработки и аттестации методик сертификационных испытаний железнодорожной техники.
61 ПМГ 39–2001
Система сертификации на железнодорожном транспорте. Требования к испытательным центрам (лабораториям) и порядок их аккредитации
62 ГОСТ 2.601–95
Единая система конструкторской документации. Эксплуатационные документы.
63 ГОСТ 8.315–97
Государственная система обеспечения единства измерений. Стандартные образцы состава и свойство веществ и материалов. Основные положения.
64 ГОСТ 398–96
Бандажи из углеродистой стали для подвижного состава железных дорог широкой колеи и метрополитена. Технические условия.
65 ГОСТ 3225–80
Бандажи черновые для локомотивов железных дорог широкой колеи. Типы и размеры.
66 ГОСТ 4835–80
. Колесные пары для вагонов магистральных железных дорог колеи 1520 (1524) мм. Технические условия.
67 ГОСТ 5000–83
Бандажи черновые для вагонов и тендеров железных дорог колеи 1520 мм. Размеры.
68 ГОСТ 9036–88
Колеса цельнокатаные. Конструкция и размеры.
69 ГОСТ 10791–89
(ИСО 1005–6–82) Колеса цельнокатаные. Технические условия.
70 ГОСТ 11018–87
(ИСО 1005–7–82) Колесные пары для тепловозов и электровозов железных дорог колеи 1520 мм. Технические условия.
71 ГОСТ 14782–86
Контроль неразрушающий. Соединения сварные. Методы ультразвуковые.
72 ГОСТ 16504–81
Система государственных испытаний продукции. Испытания и контроль качества продукции. Основные термины и определения.
73 ГОСТ 18353–79
Контроль неразрушающий. Классификация видов и методов.
74 ГОСТ 20911–89
Техническая диагностика. Термины и определения.
75 ГОСТ 21105–87
Контроль неразрушающий. Магнитопорошковый метод.
76 ГОСТ 22780–93
(ИСО 1005–9–86) Оси вагонов железных дорог колеи 1520 (1524) мм.
Типы, параметры и размеры.
77 ГОСТ 23829–85
Контроль неразрушающий акустический. Термины и определения.
78 ГОСТ 24450–80
Контроль неразрушающий магнитный. Термины и определения.
79 ГОСТ 30237–96
(ИСО 1005–3–82) Оси чистовые для подвижного состава железных дорог колеи 1520 мм. Технические условия.
80 ГОСТ 30272–96
(ИСО 1005–3–82) Оси черновые (заготовки профильные) для подвижного состава железных дорог колеи 1520 мм. Технические условия.
81 ГОСТ 30489–97
(ЕN
473–92) Квалификация и сертификация персонала в области неразрушающего контроля. Общие требования.
82 Руководящий документ
«Аккредитация лабораторий неразрушающего контроля. Основные положения» приказ Госстандарта России от 16.09.96 г. №282.
83 ПР 32.113–98
Правила сертификации персонала по неразрушающему контролю технических объектов железнодорожного транспорта.
84 РД 32.144–2000
Контроль неразрушающий приемочный. Колеса цельнокатаные, бандажи и оси колесных пар подвижного состава. Технические требования.
85 ПР 32.151–2000
Система аккредитации лабораторий неразрушающего контроля предприятий железнодорожного транспорта. Правила и порядок проведения аккредитации лабораторий неразрушающего контроля.
86 Конструкция,
расчет и проектирование локомотивов: Учебник для студентов втузов, обучающихся по специальности «Локомотивостроение»/А. А. Камаев, Н. Г. Апанович, В. А. Камаев и др.; Под ред. А. А. Камаева – М.: Машиностроение, 1981, 351 с, ил.
87 ТМ 47-01-2004
Рамы тележек (и их элементы) локомотивов и моторвагонного подвижного состава магистральных железных дорог. Типовая методика стендовых испытаний.
88 Борисова Б. А.
Оценка и аттестация персонала. – СПб.: Питер, 2003. — 288 с: ил. — (Серия «Теория и практика менеджмента»).
Рассматривается оценка и аттестация как один из важнейших инструментов управления персоналом. Теоретические положения дополняются рекомендациями по практическому применению и примерами из реальных ситуаций. Особое внимание уделяется взаимосвязи аттестации и других разделов управления персоналом.
89 Чепульский Ю.П.
Сертификация систем управления окружающей средой организации: Учебное пособие. – М.: МИИТ, 2006. – 86 с, ил. 15.
Рассмотрены принципы управления окружающей средой и требования к системам управления окружающей средой предприятия. Изложены основные положения ГОСТ ИСО 14000-98, аналогия процедур сертификации систем качества и систем управления окружающей средой, включая вопросы совместимости этих систем.
90 . Аттестация рабочих мест
/ Чепульский Ю.П., Бекасов В.И., Под общ. ред. Ю.П. Чепульского. – М.: «Альфа-Композит», 1998. – 304 с.: ил.
Приведены официальные документы, определяющие задачи и методику проведения аттестации рабочих мест, рассмотрены факторы производственной среды, подлежащие оценке, выбор соответствующей измерительной техники и методика выполнения исследований. Порядок проведения аттестации показан на примере рабочих мест операторов путевых машин, применяемых для ремонта железнодорожного пути.

2
ЗАДАНИЕ
на курсовой проект по дисциплине
«Контрольно–испытательные станции железнодорожного транспорта»
Выдано студенту гр. ТСС – 411 ________
_______________
(Фамилия, инициалы)
ТЕМА ПРОЕКТА Организация контроля рессорного подвешивания тележки КВЗ–ЦНИИ
1. Цели и задачи контроля.
2. Организационная структура контроля.
3. Документирование результатов измерений.
4. Нормативные требования и регламенты по рессорному подвешиванию.
Раскрыть тему задания с использованием основных терминов и определений, используемых при измерениях и статистической обработке результатов. Рассмотреть измерительную аппаратуру (дополнительную литературу подобрать в библиотеке университета.и Internt).
Задание выдал _____________________________________
Дата: _______________________ 200___ года
Литература:
1. Соколов М.М., Варава В.Н., Левит Г.М. Измерения и контроль при ремонте и эксплуатации вагонов. – М.:
Транспорт, 1991. – 157 с.
2. Соколов М.М. Диагностирование вагонов. – М.: Транспорт, 1990. – 197 с.
3.Коллакот Р.А. Диагностирование механического оборудования. – Л.: Судостроение, 1980. – 296 с., ил.

Система сертификации на федеральном железнодорожном транспорте
Испытательный центр железнодорожной техники
ИЦ ЖТ ФГУП ВНИИЖТ
РАМЫ ТЕЛЕЖЕК (И ИХ ЭЛЕМЕНТЫ)
ЛОКОМОТИВОВ И МОТОРВАГОННОГО
ПОДВИЖНОГО СОСТАВА МАГИСТРАЛЬНЫХ
ЖЕЛЕЗНЫХ ДОРОГ Типовая методика стендовых вибрационных испытаний
Дата введения 2004-02-01 1 Область применения
1.1 Настоящая типовая методика испытаний (далее - ТМ) устанавливает общий методический порядок проведения стендовых вибрационных испытаний рам тележек (и их элементов) локомотивов и моторвагонного подвижного состава магистральных железных дорог.
1.2 Настоящая ТМ применяется при проведении сертификационных, приемочных и периодических испытаний рам тележек (и их элементов) локомотивов и моторвагонного подвижного состава магистральных железных дорог.
1.3 На основе настоящей ТМ, при необходимости, ИЦЖТ может разрабатывать рабочую методику проведения испытаний конкретного типа рам тележек и элементов, учитывающую требования рабочей программы испытаний, без изменений основных принципов испытаний, заложенных в настоящей ТМ.
2 Нормативные ссылки
В настоящей ТМ использованы ссылки на следующие нормативные документы:
ГОСТ Р 8.568-97 Государственная система обеспечения единства измерений. Аттестация испытательного оборудования. Основные положения
ГОСТ 12.2.003-91 ССБТ Оборудование производственное. Общие требования безопасности
ГОСТ 12.2.004-79 ССБТ Организация обучения работающих безопасности труда. Общие положения
ГОСТ 12..3.002-75 ССБТ Процессы производственные. Общие требования безопасности
ГОСТ 12.3.003-86 ССБТ Работы электросварочные. Требования безопасности
ГОСТ 25.502-79 Расчеты и испытания на прочность в машиностроении. Методы механических испытаний металлов. Методы испытаний на усталость
ГОСТ 27.002-89 Надежность в технике. Основные понятия. Термины и определения
ГОСТ 15150-69 Машины, приборы и другие технические изделия. Исполнения для различных климатических районов. Категории, условия эксплуатации, хранения и транспортирования в части воздействия климатических факторов внешней среды
ГОСТ 16504-81 Испытания и контроль качества продукции. Основные термины и определения
ГОСТ 23207-78 Сопротивление усталости. Основные термины, определения и обозначения
ОСТ 32.55-96 Система испытаний подвижного состава. Требования к составу, содержанию, оформлению и порядку разработки программ и методик испытаний и аттестации методик испытаний
Примечание
- При пользовании настоящей ТМ целесообразно проверить действие ссылочных стандартов по указателю "Государственные стандарты", составленному на 1 января текущего года, и соответствующим информационным указателям, опубликованным в текущем году. Если ссылочный документ заменен (изменен), то при пользовании настоящим стандартом следует руководствоваться замененным (измененным) стандартом. Если ссылочный документ отменен без замены, то положение, в котором дана ссылка на него, применяется в части, не затрагивающей эту ссылку.
3 Термины и определения
3.1 База испытаний:
Предварительно задаваемая продолжительность испытаний 107
циклов.
3.2 Циклическая долговечность рам тележек (элементов):
Показатель, характеризующий сопротивление усталости в условиях стендовых вибрационных испытаний до базы 107
циклов.
3.3 Периодическое нагружение:
Нагружение, характеризующееся периодическим изменением нагрузок.
3.4 Регулярное нагружение:
Нагружение, характеризующееся периодическим законом изменения нагрузок с одним максимумом и с одним минимумом в течение одного периода при постоянстве параметров цикла нагружений в течение всего времени испытаний.
Остальные термины и определения, применяемые в настоящей ТМ, соответствуют МС ИСО 8402, ГОСТ 16504, ГОСТ 23207, ГОСТ 27.002.
4 Объекты испытаний
Объектами испытаний являются рамы тележек (и их элементы) локомотивов и моторвагонного подвижного состава.
5 Определяемые характеристики (показатели)
При проведении испытаний определяется показатель, согласно [1][4]
и [2], характеризующий соответствие объекта испытаний нормативным требованиям, указанным в табл. П.3.1.
Таблица П.3.1 Характеристики (показатели), нормативные требования и методы контроля
| Наименование определяемых характеристик
(сертификационных показателей) продукции
|
Единицы измерения
|
Значение и допуск показателя
в соответствии с
нормативным документом
|
Регламентируемый способ подтверждения
соответствия
|
| Циклическая долговечностьсопротивление усталости рамы тележки (элементов) при нагружении до базы испытаний 107
циклов (условия нагружения установлены в п.п. 9.4, 9.5 данной ТМ)
|
Цикл
|
Отсутствие трещин
|
Механические испытания
|
При проведении испытаний возможно определение дополнительных показателей, характеризующих объект испытаний в соответствии с нормативной документацией и не отраженных в настоящей ТМ. Перечень и методы определения этих показателей регламентируются рабочими методиками, аттестованными в установленном порядке.
6 Методы испытаний
Рамы тележек (и их элементы) при стендовых вибрационных испытаниях подвергают статическому и периодическому регулярному нагружению силами, одновременно действующими в вертикальной, горизонтальной (продольной и поперечной) плоскостях.
Таблица П.3.2 Сведения об испытательном оборудовании
| Наименование характеристики
(показателя)
|
Наименование ИО и СИ
|
Основные характеристики
ИО и СИ
|
Документ о поверке или ка-
либровке
ИО и СИ
|
| Циклическая долговечность сопротивление усталости рамы тележки (элементов) при нагружении до базы испытаний 107
циклов
|
Стенд для испытаний рам тележек подвижного состава
|
Максимальная величина усилия, реализуемая в точке приложения нагрузки - 500 КН [Частота нагружения, Гц -
5+0,5
Суммарная погрешность задания нагрузки в динамическом режиме измеряется в диапазоне от 5% до 10% в зависимости от величины нагрузки, но не превышает
0,4 Тс
|
Аттестат
№26/02 от
19.12.02;
2 года
|
| Стенд для испытаний элементов рам тележек подвижного состава № 1
|
Максимальная величина усилия, реализуемая в точке приложения нагрузки – 500 кН. Частота нагружения
5±0,5 Гц
Суммарная погрешность задания нагрузки в динамическом режиме измеряется в диапазоне от 5% до 10% в зависимости от величины нагрузки, но не превышает
0,4 Тс
|
Аттестат №27/02 от 19.12
2002 г.;
2 года
|
ИО
–испытательное оборудование; СИ
–средства измерений
7 Условия испытаний
Стендовые вибрационные испытания проводятся в помещении, в котором, в соответствии с ГОСТ 15150, должны соблюдаться следующие условия:
Температура воздуха в помещении, °С 25±10.
Атмосферное давление, ГПа 840-1067
Относительная влажность воздуха, % 45-80
8 Средства испытаний
8.1 При проведении испытаний должно применяться испытательное оборудование (далее ИО), отвечающее требованиям табл. П.3.2.
Все испытательное оборудование проходит аттестацию в соответствии с ГОСТ Р 8.568-97 [57] с периодичностью, установленной соответствующей НД.
9
Порядок проведения испытаний
9.1 Отбор образцов.
Для проведения испытаний завод - изготовитель представляет один образец испытываемой продукции.
Для сертификационных испытаний образец испытываемой продукции отбирают и оформляют акт отбора образцов уполномоченные представители PC ФЖТ. Форма акта отбора определяется документами ССФЖТ.
Для всех остальных категорий испытаний образец отбирает представитель заводаизготовителя.
На испытания вместе с отобранными образцами заявитель направляет конструкторскую, технологическую и эксплуатационную документацию по перечню, согласованному с РЩ ЖТ.
9.2 Производится визуальный осмотр рамы (элемента)
9.3 Рама (элемент) устанавливается на испытательный стенд для испытаний рам (элементов) тележек.
9.4 Перечисленные нагрузки воспроизводят в виде следующих режимов:
№1 - нагружение вертикальными силами тяжести (веса) кузова;
№2 - нагружение вертикальными силами тяжести (веса) кузова и динамическими составляющими сил, действующими от рессорного подвешивания 1- ой ступени при вертикальных колебаниях экипажа в прямых участках пути;
№3 - нагружение вертикальными силами тяжести (веса) кузова, тяговых двигателей и другого оборудования, расположенного на раме тележки, динамическими составляющими, действующими от рессорного подвешивания 1- ой ступени при вертикальных колебаниях экипажа в прямых участках пути, инерционными нагрузками от колебаний масс тяговых двигателей и другого оборудования;
№4 - суммарное нагружение силами, указанными для третьего режима, и рамными силами (силами, действующими между рамой тележки и буксами в поперечном относительно пути направлении);
№5 - суммарное нагружение силами, указанными для четвертого режима, и инерционными нагрузками, возникающими при продольной динамике подвижного состава;
№6 - нагружение силами, указанными для пятого режима, и квазистатическими силами, возникающими при движении подвижного состава в режиме тяги;
№7 - нагружение силами, указанными для пятого режима, и квазистатическими силами, возникающими при торможении подвижного состава, (действие которых противоположно по направлению усилиям от сил тяги).
Используемый режим нагружения указывают в рабочей программе и рабочей методике испытаний образца рамы тележки (элемента).
9.5 Значения сил принимают равными:
· расчетным, нормируемым [1] – для рам тележек локомотивов и [2] – для рам тележек моторвагонного подвижного состава;
· расчетным, полученным по результатам предварительных динамических расчетов;
· максимальным, полученным по результатам ранее проведенных динамико-прочностных испытаний при движении соответствующего подвижного состава в прямых участках пути, элементом конструкции которого является испытуемая рама тележки (элемент), если эти испытания проводились до стендовых испытаний.
9.6 Нагрузки и частоту колебаний задают насосной установкой и гидропульсаторами. Контроль нагрузок выполняют не реже одного раза в час измерительными преобразователями избыточного давления. Число циклов нагружения контролируют по счетчику.
9.7 Регистрацию числа циклов нагружения производят один раз за рабочую смену.
9.8 Испытания проводят до базы, равной 107
циклов.
9.9 Для обнаружения усталостных трещин используют метод "Керосиновой пробы" [3].
10 Обработка данных и оформление результатов испытаний
10.1 Циклическую долговечность рамы тележки (элементов) определяют по числу циклов нагружения, которое выдержала рама (элемент) до появления усталостной трещины при заданном нагружении.
10.2 Результаты испытаний считают положительными, если при базе испытаний N
=107
в испытуемой раме тележки (элементе) не возникли усталостные трещины.
Полученные результаты заносят в протокол испытаний.
11 Требования по охране труда
11.1 Требования безопасности при подготовке стенда
11.1.1 Стропольные работы при транспортировке испытуемых образцов с помощью мостового крана могут производить только лица, имеющие на это право.
11.1.2 Транспортировку испытуемого образца на стенд и со стенда следует производить только на транспортных тележках, обеспечив надежное крепление к ним образца.
11.1.3 Переходные устройства на испытуемом образце должны быть надежно укреплены.
11.1.4 Перед пуском стенда закрыть дверцы шкафов с электрическими щитками, установив на место съемные щиты пультов управления.
11.1.5 До пуска стенда выпустить воздух из гидросистемы.
11.1.6 Установить под испытуемый образец предохранительные упоры.
11.1.7 Следить за тем, чтобы не были загромождены проходы около стенда и на стенде.
11.2 Запуск стенда и работа на нем.
11.2.1 Запрещается запускать стенд с неубранными приспособлениями и инструментом.
11.2.2 Во время запуска и в период работы стенда категорически запрещается присутствие около него лиц, не имеющих отношения к его обслуживанию и работе на нем, а также лиц, не ознакомившихся с инструкцией по технике безопасности.
11.2.3 Недопустимо оставлять разлитым масло на полу стенда и помещения.
11.2.4 Запрещается поправлять испытуемый образец, опоры и приспособления во время работы стенда.
11.3 Электробезопасность.
11.3.1 Запрещается лицам, не имеющим квалификацию электромонтера, открывать шкафы с электроаппаратурой.
11.3.2 Производить работы на стенде следует с местным освещением напряжением не более 12 В.
11.3.3 В случае загорания электропроводки или электродвигателя немедленно выключить главный рубильник стенда и только после этого можно приступать к тушению пожара при помощи углекислого огнетушителя.
11.4 Охрана окружающей среды
11.4.1 Стенд не оказывает негативного влияния на окружающую среду t
при проведении подготовительных работ и в процессе испытаний.
11.4.2 Для снижения уровня шума, создаваемого насосами пультов стенда, последние помещены в звукоизоляционную камеру.
Обслуживающий персонал должен пользоваться звукоизоляционными наушниками.
11.4.3 Опасные места стенда должны быть ограждены, в помещении стенда должны висеть плакаты, предупреждающие об опасности.
11.5 Требования безопасности при проведении стендовых и динамико-прочностных испытаний
11.5.1 Все работы по подготовке и проведению испытаний проводят под непосредственным руководством и контролем руководителя испытаний с соблюдением требований производственной санитарии, правил и инструкций по охране труда и технике безопасности в промышленности и на железнодорожном транспорте.
11.5.2 Все участники испытаний перед началом испытаний проходят инструктаж по технике безопасности. Порядок и виды обучения, а также организацию инструктажа участвующих в работах по подготовке и проведению испытаний осуществляют в соответствии с ГОСТ 12.0.004.
11.5.3 Применяемые во время подготовки и проведения испытаний оборудование, вспомогательные средства и инструмент должны обеспечивать безопасность обслуживания и использования, иметь соответствующие свидетельства о поверках, удовлетворять требованиям ГОСТ 12.2.003 и ГОСТ 12.2. 027.
11.5.4 Электросварочные работы на испытуемом объекте следует проводить согласно требованиям ГОСТ 12.3.003 с обеспечением надежного заземления узлов, на которых производится сварка.
Библиография
[1] Нормы для расчета и оценки прочности несущих элементов и динамических качеств и воздействия на путь экипажной части локомотивов железных дорог МПС РФ колеи 1520 мм./ М. ВНИИЖТ. 1998.
[2] Нормы для расчета и оценки прочности несущих элементов и динамических качеств экипажной части моторвагонного подвижного состава железных дорог МПС РФ колеи 1520 мм./ М. ВНИИЖТ. 1997.
[3] Основные технические требования к перспективной прокатной стали для несущих сварных конструкций подвижного состава. ОТТ-ВНИИЖТ-03. М. 2003.
ОГЛАВЛЕНИЕ
ВВЕДЕНИЕ 3
1 Виды испытаний железнодорожной техники 4
2 Требования к оформлению проекта 21
3 Аттестация испытательного оборудования 28
4 Тематика курсового проектирования 37
5 Сертификационные испытания рамы тележки 41
6 Неразрушающий контроль колёсных пар 74
7 Вибродиагностика колесно-моторного блока 102
8 Примеры оформления графической части проекта 130 8.1 Сертификационные испытания автосцепки 131
8.2 Сертификационные испытания кресла 135
машиниста
8.3 Динамико-прочностные испытания элементов 139 локомотива
8.4 Ультразвуковой контроль колесных пар 143 8.5 Диагностический комплекс локомотива 147
8.6 Сертификационные испытания микроклимата 148 кабин управления
БИБЛИОГРАФИЯ 151
Приложение 1. Титульный лист проекта 163 Приложение 2. Бланк задания на курсовое 164
проектирование
Приложение 3. Типовая методика стендовых 165 вибрационных испытаний ТМ 47-О1-2004
Св. план 2008 г. поз.
Юрий Петрович ЧЕПУЛЬСКИЙ
КОНТРОЛЬНО–ИСПЫТАТЕЛЬНЫЕ СТАНЦИИ ЖЕЛЕЗНОДОРОЖНОГО ТРАНСПОРТА
Учебное пособие

Формат 69х84 1/16. Подписано к печати –
Заказ Усл. – п.л. 11,25
Тираж – 100 экз.

127994, Москва, ул. Образцова, 15. Типография МИИТ

МОСКОВСКИЙ ГОСУДАРСТВЕННЫЙ
УНИВЕРСИТЕТ ПУТЕЙ СООБЩЕНИЯ (МИИТ)
Кафедра
"Машиноведение и сертификация транспортной техники"
Ю.П. ЧЕПУЛЬСКИЙ
КОНТРОЛЬНО–ИСПЫТАТЕЛЬНЫЕ СТАНЦИИ
ЖЕЛЕЗНОДОРОЖНОГО ТРАНСПОРТА
Учебное пособие для студентов специальности
"Стандартизация и сертификация"
Москва – 2009
[1]
По материалам проекта В. Тороповой (2006 г.)
[2]
Рассматривается с изменением нумерации позиций
[3]
По материалам проекта Е. Ильиной (2007 г.)
[4]
Литература приведена в библиографии этого раздела на с. 176
|