Банк рефератов содержит более 364 тысяч рефератов, курсовых и дипломных работ, шпаргалок и докладов по различным дисциплинам: истории, психологии, экономике, менеджменту, философии, праву, экологии. А также изложения, сочинения по литературе, отчеты по практике, топики по английскому.
Полнотекстовый поиск
Всего работ:
364139
Теги названий
Разделы
Авиация и космонавтика (304)
Административное право (123)
Арбитражный процесс (23)
Архитектура (113)
Астрология (4)
Астрономия (4814)
Банковское дело (5227)
Безопасность жизнедеятельности (2616)
Биографии (3423)
Биология (4214)
Биология и химия (1518)
Биржевое дело (68)
Ботаника и сельское хоз-во (2836)
Бухгалтерский учет и аудит (8269)
Валютные отношения (50)
Ветеринария (50)
Военная кафедра (762)
ГДЗ (2)
География (5275)
Геодезия (30)
Геология (1222)
Геополитика (43)
Государство и право (20403)
Гражданское право и процесс (465)
Делопроизводство (19)
Деньги и кредит (108)
ЕГЭ (173)
Естествознание (96)
Журналистика (899)
ЗНО (54)
Зоология (34)
Издательское дело и полиграфия (476)
Инвестиции (106)
Иностранный язык (62791)
Информатика (3562)
Информатика, программирование (6444)
Исторические личности (2165)
История (21319)
История техники (766)
Кибернетика (64)
Коммуникации и связь (3145)
Компьютерные науки (60)
Косметология (17)
Краеведение и этнография (588)
Краткое содержание произведений (1000)
Криминалистика (106)
Криминология (48)
Криптология (3)
Кулинария (1167)
Культура и искусство (8485)
Культурология (537)
Литература : зарубежная (2044)
Литература и русский язык (11657)
Логика (532)
Логистика (21)
Маркетинг (7985)
Математика (3721)
Медицина, здоровье (10549)
Медицинские науки (88)
Международное публичное право (58)
Международное частное право (36)
Международные отношения (2257)
Менеджмент (12491)
Металлургия (91)
Москвоведение (797)
Музыка (1338)
Муниципальное право (24)
Налоги, налогообложение (214)
Наука и техника (1141)
Начертательная геометрия (3)
Оккультизм и уфология (8)
Остальные рефераты (21692)
Педагогика (7850)
Политология (3801)
Право (682)
Право, юриспруденция (2881)
Предпринимательство (475)
Прикладные науки (1)
Промышленность, производство (7100)
Психология (8692)
психология, педагогика (4121)
Радиоэлектроника (443)
Реклама (952)
Религия и мифология (2967)
Риторика (23)
Сексология (748)
Социология (4876)
Статистика (95)
Страхование (107)
Строительные науки (7)
Строительство (2004)
Схемотехника (15)
Таможенная система (663)
Теория государства и права (240)
Теория организации (39)
Теплотехника (25)
Технология (624)
Товароведение (16)
Транспорт (2652)
Трудовое право (136)
Туризм (90)
Уголовное право и процесс (406)
Управление (95)
Управленческие науки (24)
Физика (3462)
Физкультура и спорт (4482)
Философия (7216)
Финансовые науки (4592)
Финансы (5386)
Фотография (3)
Химия (2244)
Хозяйственное право (23)
Цифровые устройства (29)
Экологическое право (35)
Экология (4517)
Экономика (20644)
Экономико-математическое моделирование (666)
Экономическая география (119)
Экономическая теория (2573)
Этика (889)
Юриспруденция (288)
Языковедение (148)
Языкознание, филология (1140)

Учебное пособие: Методические указания к выполнению лабораторных работ рпк

Название: Методические указания к выполнению лабораторных работ рпк
Раздел: Остальные рефераты
Тип: учебное пособие Добавлен 15:02:06 31 августа 2011 Похожие работы
Просмотров: 187 Комментариев: 12 Оценило: 0 человек Средний балл: 0 Оценка: неизвестно     Скачать

ФЕДЕРАЛЬНОЕ АГЕНТСТВО ПО ОБРАЗОВАНИЮ

ВОЛГОГРАДСКИЙ ГОСУДАРСТВЕННЫЙ
ТЕХНИЧЕСКИЙ УНИВЕРСИТЕТ

Кафедра "Автотракторные двигатели"

Диагностика электронной системы управления двигателем.

Датчики

Методические указания к выполнению лабораторных работ

РПК

«Политехник»

Волгоград

2007


УДК 62I.43

Диагностика электронной системы управления двигателем. Датчики: метод. указ. к выполнению лабораторных работ / сост.: В. М. Славуцкий, В. И. Липилин, Е. А. Салыкин; Волгоград. гос. техн. ун-т. – Волгоград, 2007. – 20 с.

Приведены методические указания для выполнения лабораторных работ по диагностике датчиков электронной системы управления двигателем на примере двигателя ВАЗ-2112 с распределенным последовательным впрыском топлива (контроллер Январь 5.1).

Предназначается для студентов дневной формы обучения
специальности "Двигатели внутреннего сгорания"

Ил. 8. Библиогр.: 2 назв.

Рецензент А. В. Курапин

Печатается по решению редакционно-издательского совета
Волгоградского государственного технического университета

© Волгоградский

государственный

технический

университет, 2007

Введение

Цель лабораторных работ по диагностике датчиков электронной системы управления автомобильным двигателем – изучение основных принципов работы датчиков различных физических величин, методик диагностики датчиков на предмет оценки их работоспособности.

Содержание работы предполагает изучение студентом сведений, приводимых в данных методических указаниях по каждому датчику и закрепление на практике отдельных диагностических мероприятий.

Материал, касающийся отдельных датчиков, позволяет установить следующее:

1) назначение, принцип работы и место установки датчика;

2) выходной сигнал и параметры работы двигателя, с ним связанные;

3) характерные признаки неисправностей, их влияние на работу двигателя, установленного на автомобиле;

5) неисправности, обнаруживаемые системой самодиагностики ЭСУД, соответствующие коды ошибок самодиагностики и условия их занесения в память контроллера;

6) схему подключения к контроллеру;

7) диагностические мероприятия при наличии каждой из возможных ошибок.

Выполнение каждой лабораторной работы предполагает изучение материалов для одного или двух датчиков в соответствии с индивидуальным заданием, устанавливаемым преподавателем.

По результатам каждой работы студентом оформляется рукописный отчет , включающий в себя информацию, подтверждающую выполнение индивидуального задания.

Датчик положения коленчатого вала

Датчик положения коленчатого вала (ДПКВ) предназначен для оценки скорости вращения коленчатого вала двигателя, определения положения коленчатого вала, соответственно и положения поршней в цилиндрах. В основу работы ДПКВ положен принцип электромагнитной индукции. В результате изменения магнитного поля постоянного магнита ДПКВ, при взаимодействии с ним зубьев вращающегося задающего диска, на выводах катушки индуктивности ДПКВ возникают импульсы напряжения. По частоте импульсов напряжения от ДПКВ контроллер определяет скорость вращения задающего диска и коленчатого вала. Пропуск двух зубьев на диске приводит к изменению частоты следования импульсов от ДПКВ при каждом обороте коленчатого вала, что позволяет определять положение коленчатого вала.

ДПКВ установлен на двигателе со стороны привода генератора, а именно на крышке масляного насоса, на расстоянии 1±0,4 мм от вершин зубьев задающего диска.

Выходным сигналом ДПКВ являются импульсы напряжения, величина которых возрастет при увеличении частоты вращения коленчатого вала.

С помощью мотор-тестера МТ-4 отображаются параметры электронной системы управления (ЭСУД), непосредственно связанные с работой ДПКВ:

BITSTP – признак остановки двигателя (да/нет);

FREQ – частота вращения коленчатого вала (об/мин);

FREQX – частота вращения коленчатого вала на холостом ходу (об/мин).

Нарушения в работе ДПКВ сопровождаются неустойчивой работой двигателя на холостом ходу. Отказ ДПКВ приводит к неработоспособности ЭСУД.

Отображаемым кодом ошибки является:

P0335 – ошибка угловой синхронизации. Ошибка фиксируется, если коленчатый вал проворачивается, и за один оборот коленчатого вала контроллер считывает меньше или больше 58 зубьев на задающем диске шкива коленчатого вала.

Диагностика ДПКВ

Выключить зажигание, отсоединить колодку жгута от контроллера, измерить мультиметром сопротивление между контактами «48» и «49» колодки жгута (рис. 1):

а) если сопротивление 750 Ом и более – неисправны соединительные провода 85 Б, 86 Б или датчик;

б) если сопротивление 550 Ом и менее – провода 85 Б, 86 Б замкнуты между собой или неисправен датчик;

в) если сопротивление в пределах 550-750 Ом – проворачивать коленчатый вал, измеряя с помощью мультиметра напряжение между контактами «48» и «49» колодки жгута. Если напряжение ниже 0,3 В –

Рис. 1. Схема подключения датчика положения коленчатого вала

неисправны соединения или неисправен датчик. Если напряжение выше 0,3 В – присоединить колодку жгута к контроллеру, очисть с помощью МТ-4 коды неисправностей из оперативной памяти контроллера. Проворачивать коленчатый вал в течение 10 секунд или до пуска двигателя. При повторной фиксации кода ошибки P0335 проверить состояние задающего диска. Если задающий диск исправен – заменить контроллер.

Датчик фаз

Датчик фаз (ДФ) предназначен для определения контроллером фаз газораспределения для каждого из цилиндров двигателя. Принцип работы ДФ основан на использовании эффекта Холла. В пазу ДФ находится обод задающего диска с прорезью. Когда прорезь диска, установленного на распределительном валу, проходит через паз ДФ, выходное напряжение ДФ уменьшается до нуля, что соответствует положению поршня первого цилиндра в такте сжатия.

ДФ установлен на головке цилиндров двигателя, в передней ее части со стороны впускного коллектора.

Выходным сигналом ДФ является постоянное напряжение, равное напряжению бортовой сети – около 12 В. В момент нахождения в пазу ДФ прорези задающего диска напряжение скачком падает до уровня «земля» (около 0 В).

При обнаружении системой самодиагностики неисправности ДФ ЭСУД переходит с фазированного впрыска топлива на попарно-параллельный – это резервный режим работы. Факт работы ЭСУД в этом режиме легко определить с помощью МТ-4: длительность впрыска INJ уменьшается примерно вдвое по сравнению с фазированным впрыском. Топливо впрыскивается при менее благоприятных для смесеобразования условиях, поэтому признаком неисправности ДФ может служить ухудшение топливной экономичности двигателя.

Отображаемым кодом ошибки является:

P0340 – неверный сигнал ДФ. Ошибка фиксируется, если сигнал ДФ отсутствует в течение двух оборотов коленчатого вала.

Рис. 2. Схема подключения датчика фаз

Диагностика ДФ

1) включить зажигание, отсоединить колодку жгута от ДФ. Измерить мультиметром напряжение между «+» аккумуляторной батареи и контактом «А» колодки жгута (рис. 2). Если напряжение около 0 В – обрыв проводов 95, 13К, 68К или неисправен контроллер;

2) измерить мультиметром напряжение между массой и контактом «B» колодки жгута. Если напряжение около 0 В – обрыв провода 94РЧ или неисправен контроллер;

3) выключить зажигание, отсоединить колодку жгута от контроллера. Измерить мультиметром сопротивление провода 93БЧ. Если сопротивление больше 1 Ом – обрыв провода 93 БЧ или неисправен контроллер;

4) включить зажигание. Измерить мультиметром напряжение между массой и контактом «С» колодки жгута. Если напряжение больше 0 В – замыкание провода 93 БЧ на источник питания;

5) измерить мультиметром напряжение между клеммой «+» аккумуляторной батареи и контактом «С» колодки жгута. Если напряжение больше 0 В – замыкание провода 93 БЧ на массу, иначе – неисправен ДФ.

Датчик положения дроссельной заслонки

Датчик положения дроссельной заслонки (ДПДЗ) предназначен для определения степени открытия дроссельной заслонки. ДПДЗ представляет собой резистор потенциометрического типа, один из выводов которого соединен с опорным напряжением (5 В) контроллера, а второй – с массой контроллера. Третий вывод, соединенный с подвижным контактом потенциометра, положение которого зависит от угла поворота оси дроссельной заслонки, является выходом сигнала ДПДЗ. Измеряя напряжение сигнала ДПДЗ, контроллер определяет текущее положение и скорость открытия или закрытия дроссельной заслонки.

ДПДЗ устанавливается на корпусе дроссельной заслонки.

Выходным сигналом ДПДЗ, регистрируемым с помощью мультиметра, является напряжение переменной величины на контакте «С»:
0,3-0,7 В – при полностью закрытой дроссельной заслонке и 4,05-4,75 В – при полностью открытой дроссельной заслонке (рис. 3).

Рис. 3. Схема подключения датчика положения дроссельной заслонки

С помощью МТ-4 регистрируется напряжение ДПДЗ – ADC_THR (АЦП датчик положения дроссельной заслонки, В). Также отображается (в процентах от полного открытия) текущее положение дроссельной заслонки: THR – положение дроссельной заслонки, %.

Характерными признаками неисправности ДПДЗ, при исправной механической части двигателя, может быть следующее:

1) частота вращения коленчатого вала на холостом ходу в зависимости от теплового режима двигателя 1500-3000 мин-1 (резервный режим работы ЭСУД);

2) не уменьшается (медленно уменьшается) частота вращения коленчатого вала при отпускании педали дроссельной заслонки. Резкое открытие дроссельной заслонки («перегазовка») позволяет уменьшить частоту вращения коленчатого вала.

3) рывки при разгоне автомобиля.

Отображаемыми кодами ошибок являются:

P0122 – низкий уровень сигнала ДПДЗ. Ошибка фиксируется, если двигатель работает и напряжение сигнала ДПДЗ менее 0,2 В;

P0123 – высокий уровень сигнала ДПДЗ. Ошибка фиксируется, если напряжение сигнала ДПДЗ более 4,8 В.

Диагностика ДПДЗ

Проверить трос привода дроссельной заслонки на заедание, привод – на исправность.

При наличии кода ошибки P0122:

1) отсоединить колодку жгута от ДПДЗ, включить зажигание, измерить мультиметром напряжение питания ДПДЗ между контактом «А» колодки жгута и массой (см рис. 3). В случае, если напряжение не равно 4,9-5,1 В – обрыв или замыкание на массу проводов 35 СБ и 36 СБ (неисправность сопровождается ошибками по датчику температуры и датчику массового расхода воздуха) или неисправен контроллер;

2) измерить мультиметром напряжение между контактами «С» и «А» колодки жгута. В случае, если напряжение не равно 4,9-5,1 В – обрыв провода 24 ГО, иначе – ДПДЗ неисправен.

При наличии кода ошибки P0123:

Включить зажигание, измерить мультиметром напряжение между контактом «С» колодки жгута и массой. Возможно следующее:

а) напряжение более 10 В – провод 24 ГО замкнут на источник напряжения или неисправен контроллер;

б) напряжение 4,9-5,1 В – замыкание провода 24 ГО и проводов 35 СБ и 36 СБ или неисправен контроллер;

в) напряжение около 0 В. Измерить напряжение между клеммой «+» аккумуляторной батареи и контактом «В» колодки жгута. В случае, если напряжение менее 10 В – обрыв проводов 5 З, 51 ЗП или неисправен контроллер, иначе – неисправен ДПДЗ.

Датчик детонации

Датчик детонации (ДД) предназначен для оценки уровня вибрации двигателя на различных режимах работы. В ДД использован пьезокерамический чувствительный элемент, генерирующий сигнал напряжения. Амплитуда и частота сигнала зависят от амплитуды и частоты вибрации двигателя. При возникновении детонации амплитуда вибраций определенной частоты повышается. Контроллер при анализе показаний датчика выделяет сигнал этой частоты и изменяет угол опережения зажигания для устранения детонации.

ДД установлен на блоке цилиндров двигателя со стороны впускного коллектора – между вторым и третьим цилиндрами.

Выходным сигналом ДД, регистрируемым с помощью мультиметра, является напряжение переменной величины. Величина напряжения, соответствующая появлению детонации для различных двигателей, различна, так как алгоритм гашения детонации ЭСУД является адаптивным к условиям работы конкретного двигателя.

С помощью МТ-4 регистрируется напряжение ДД – ADC_KNK (АЦП датчик детонации, В). Также отображается работа двигателя в зоне детонации:

KNOCK – признак детонации (да/нет);

RDET – признак попадания в зону детонации (да/нет);

LASTKNOCK – признак попадания в зону детонации в прошлом цикле (да/нет).

Характерными признаками неисправности ДД, при исправной механической части двигателя, может быть следующее:

1) слышимый характерный звон двигателя (детонация), особенно при резком набросе нагрузки в режиме разгона автомобиля;

2) уменьшение топливной экономичности и мощности двигателя, из-за постоянной его работы с малыми углами опережения зажигания.

Отображаемыми кодами ошибок являются:

P0325 – обрыв или короткое замыкание ДД. Ошибка фиксируется, если при работающем двигателе в течение 5 секунд сигнал ДД ниже порогового значения;

P0327 – низкий уровень сигнала ДД. Ошибка фиксируется, если при частоте вращения коленчатого вала выше 1300 об/мин и температуре охлаждающей жидкости выше 60ºС сигнал ДД ниже порогового значения;

P0328 – высокий уровень сигнала ДД. Ошибка фиксируется, если при частоте вращения коленчатого вала выше 1300 об/мин и температуре охлаждающей жидкости выше 60ºС сигнал ДД выше порогового значения.

Рис. 4. Схема подключения датчика детонации

Диагностика ДД

При наличии кода ошибки P0325:

проверить провода 91Г и 92 (рис. 4) на обрыв и короткое замыкание. При исправном контроллере и исправных проводах 91Г и 92 – ДД неисправен.

При наличии кода ошибки P0327:

проверить провода 91Г, 92 и 51ЗП на обрыв и короткое замыкание. При исправном контроллере и исправных проводах 91Г, 92 и 51ЗП – ДД неисправен.

При наличии кода ошибки P0328:

проверить исправность экрана. При исправном контроллере и исправном экране – ДД неисправен.

Датчик массового расхода воздуха

Датчик массового расхода воздуха (ДМРВ) предназначен для оценки циклового наполнения цилиндров двигателя воздухом. ДМРВ –термоанемометрический. Использованы терморезистры и нагреватель, выполненные в виде тонких пленок. С помощью гибридной электронной схемы в ДМРВ формируется сигнал, однозначно характеризующий массовый расход воздуха.

ДМРВ установлен между корпусом воздушного фильтра и шлангом впускной трубы.

Выходным сигналом ДМРВ, регистрируемым с помощью мультиметра, является постоянное напряжение: 1-5 В – при прямом потоке воздуха, 0-1 В – при обратном потоке воздуха.

С помощью МТ-4 регистрируется напряжение ДМРВ – ADC_MAF (АЦП датчик массового расхода воздуха, В). Также отображаются результаты расхода воздуха:

JAIR – массовый расход воздуха, кг/час;

JGBC – цикловой расход воздуха, мг/такт.

При обнаружении системой самодиагностики неисправности ДМРВ ЭСУД переходит на резервный режим работы – устанавливается повышенная частота вращения коленчатого вала в режиме холостого хода. Характерный признак неисправности ДМРВ – невозможность запуска двигателя: двигатель запускается и сразу останавливается. При последующем отключении ДМРВ двигатель запускается и работает с высокой частотой вращения коленчатого вала в режиме холостого хода.

Отображаемыми кодами ошибок являются:

P0102 – низкий уровень сигнала ДМРВ. Ошибка фиксируется, если частота вращения коленчатого вала выше 560 об/мин и расход воздуха ниже 2,5 кг/ч;

P0103 – высокий уровень сигнала ДМРВ. Ошибка фиксируется, если в течение 1 секунды расход воздуха превышает пороговое значение, зависящее от частоты вращения коленчатого вала.

Рис. 5. Схема подключения датчика массового расхода воздуха

Диагностика ДМРВ

Выключить зажигание, отсоединить колодку жгута от ДМРВ. Включить зажигание. Измерить мультиметром напряжение между контактами колодки жгута (рис. 5). Величины напряжений должны быть:

между контактами «2» и «3» – более 10 В;

между контактами «3» и «4» – 5 В;

между контактами «3» и массой – 0 В.

Если какое-либо из напряжений отличается от указанных значений – обрыв или замыкание на массу соответствующих цепей. Если напряжения в норме, то рекомендуются следующие действия.

При наличии кода ошибки P0102:

выключить зажигание. Измерить мультиметром сопротивление между контактом «5» колодки жгута и массой. Возможно следующее:

а) сопротивление более 100 кОм – обрыв провода 3Ж или неисправен контроллер;

б) сопротивление около 0 Ом – замыкание провода 3Ж на массу или неисправен контроллер;

в) сопротивление 4-6 кОм – ДМРВ неисправен.

При наличии кода ошибки P0103:

при включенном зажигании измерить мультиметром напряжение между контактом «5» колодки жгута и массой. Если значение напряжения отлично от 0 В – замыкание провода 3Ж на источник питания или неисправен контроллер, иначе – ДМРВ неисправен.

Датчик температуры охлаждающей жидкости

Датчик температуры охлаждающей жидкости (ДТОЖ) предназначен для оценки ЭСУД теплового состояния двигателя. ДТОЖ представляет собой термистор, т. е. полупроводниковый элемент, сопротивление которого зависит от температуры.

ДТОЖ установлен в верхней части двигателя – со стороны маховика на отводящем патрубке системы охлаждения.

Выходным сигналом ДТОЖ, регистрируемым с помощью мультиметра, является его сопротивление, зависящее от температуры.

С помощью МТ-4 регистрируется напряжение ДТОЖ – ADC_TW (АЦП датчик температуры охлаждающей жидкости, В), получаемое при подаче на ДТОЖ от контроллера опорного напряжения. Также отображается вычисляемый контроллером параметр, характеризующий тепловой режим двигателя:

TWAT – температура охлаждающей жидкости, ºС.

При обнаружении системой самодиагностики неисправности ДТОЖ, ЭСУД переходит на резервный режим работы – включается вентилятор системы охлаждения, устанавливается повышенная частота вращения коленчатого вала в режиме холостого хода. Температура двигателя устанавливается по времени его работы от 0 до 85ºС. Поэтому признаком неисправности ДТОЖ может служить повышенная частота вращения коленчатого вала в режиме холостого хода. При отказе ДТОЖ также затруднен пуск двигателя и наблюдается повышенный расход топлива.

Отображаемыми кодами ошибок являются:

P0117 – низкий уровень сигнала ДТОЖ. Ошибка фиксируется, если двигатель работает и напряжение сигнала ДТОЖ соответствует температуре ниже – 40ºС;

P0118 – высокий уровень сигнала ДТОЖ. Ошибка фиксируется, если двигатель работает и напряжение сигнала ДТОЖ соответствует температуре выше + 135ºС.

Рис. 6. Схема подключения датчика температуры охлаждающей жидкости

Диагностика ДТОЖ

При наличии кода ошибки P0117:

выключить зажигание, отсоединить колодку жгута от ДТОЖ. Перемкнуть контакты колодки жгута перемычкой (рис. 6). Включить зажигание. Контролировать температуру охлаждающей жидкости (TWAT) по МТ-4. Возможно следующее:

а) температура ниже 135ºС.

Снять перемычку. Соединить перемычкой контакт «В» с массой. В случае, если температура ниже 135ºС – обрыв провода 15О или неисправен контроллер, иначе – обрыв проводов 6З, 51ЗП или неисправен контроллер;

б) температура выше 135ºС.

Снять перемычку. Измерить мультиметром напряжение между контактами «А» и «В» колодки жгута. Если напряжение не равно 5 В – провод 15О замкнут на источник питания, если 5 В – ДТОЖ неисправен.

При наличии кода ошибки P0118:

выключить зажигание, отсоединить колодку жгута от ДТОЖ. Включить зажигание. Контролировать температуру охлаждающей жидкости (TWAT) по МТ-4. Если температура выше – 40ºС – провод 15О замкнут на массу или на провода 6З и 51ЗП, или неисправен контроллер, иначе – неисправен ДТОЖ.

Датчик скорости автомобиля

Датчик скорости автомобиля (ДСА) предназначен для определения ЭСУД скорости движения автомобиля. Сигнал от ДСА подается также на маршрутный компьютер и электронный спидометр. Принцип работы ДСА основан на использовании эффекта Холла. При вращении ведущих колес ДСА выдает 6 импульсов напряжения на метр движения автомобиля. На основе частоты следования импульсов контроллер определяет скорость движения автомобиля.

ДСА установлен на коробке перемены передач со стороны выпускного коллектора двигателя.

Выходным сигналом, регистрируемым с помощью мультиметра, являются импульсы напряжения. От контроллера на ДСА поступает постоянное опорное напряжение (около 12 В). В виде импульсов, получаемых при срабатывании ДСА, сигнал затем поступает на контроллер.

С помощью МТ-4 может быть определен, рассчитываемый контроллером по показаниям ДСА параметр JSPEED – скорость автомобиля, км/ч.

Характерными признаками неисправности ДСА может быть следующее:

1) неустойчивая работа двигателя при движении автомобиля – при резком сбросе нагрузки (выключение передачи) двигатель останавливается;

2) ухудшение динамики автомобиля при открытии дроссельной заслонки;

3) неверные показания скорости автомобиля электронным спидометром или маршрутным компьютером.

Отображаемым кодом ошибки является:

P0501 – неверный сигнал ДСА. Ошибка фиксируется, если в течение 3 секунд частота вращения коленчатого вала выше 2500 об/мин, двигатель работает в режиме частичных нагрузок или мощностного обогащения, сигнал скорости автомобиля соответствует 3 км/ч и менее.

Рис. 7. Схема подключения датчика скорости автомобиля

Диагностика ДСА

Выключить зажигание, отсоединить колодку жгута от ДСА. Включить зажигание. Несколько раз за секунду прикоснуться к контакту «2» колодки жгута перемычкой (рис. 7), один конец которой соединен с массой.

Возможно следующее:

а) скорость автомобиля (JSPEED), контролируемая по МТ-4, равна нулю.

Измерить напряжение между контактом «2» колодки жгута и массой. Если напряжение в пределах 9-12 В – неисправен контроллер, иначе – обрыв или замыкание на массу проводов 17С, 18С, или неисправен котроллер;

б) скорость автомобиля (JSPEED) не равна нулю.

Измерить напряжение между контактом «1» колодки жгута и массой. Если напряжение равно нулю – обрыв проводов 55РЧ и 82РЧ.

Измерить напряжение между контактом «3» колодки жгута и источником питания. Если напряжение равно нулю – обрыв проводов 12К и 68К, иначе – ДСА неисправен.

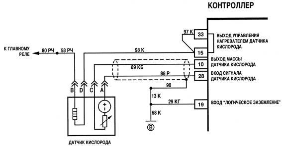
Датчик кислорода

Датчик кислорода (ДК) предназначен для оценки количества свободного кислорода в отработавших газах, зависящего от состава смеси, поступившей в цилиндры двигателя. Наименее токсичный выхлоп двигателя, оборудованного трехкомпонентным каталитическим нейтрализатором, обеспечивается при составе смеси близком к стехиометрическому (коэффициент избытка воздуха α=1±0,005). Почти такого же состава смеси (α=1±0,03) удается достичь ЭСУД на большинстве скоростных и нагрузочных режимов, используя сигнал ДК в качестве обратной связи. Постоянная проверка количества кислорода в отработавших газах позволяет контроллеру оперативно корректировать продолжительность впрыскивания топлива (количество топлива), поддерживая заданный состав рабочей смеси. Чувствительный элемент ДК работает по принципу гальванического элемента с твердым электролитом (принцип Нернста). Работоспособность ДК зависит от температуры его чувствительного элемента: наибольшая эффективность и надежность обеспечиваются при температуре от 350ºС. Для ускорения выхода ДК на рабочий режим и включения обратной связи после запуска двигателя, в ЭСУД предусмотрен электроподогрев чувствительного элемента ДК.

Рис. 8. Схема подключения датчика кислорода

ДК устанавливается на приемной трубе системы выпуска перед каталитическим нейтрализатором.

Выходным сигналом ДК, регистрируемым с помощью мультиметра, является напряжение на контакте «А» (рис. 8): 0,49 В (постоянное по величине) – при непрогретом ДК и 0,05-0,9 В (изменяющееся по величине) – при прогретом ДК.

С помощью МТ-4 регистрируется напряжение ДК – ADC_O2 (АЦП датчик кислорода, В). Также отображаются и другие параметры ЭСУД, непосредственно связанные с работой ДК:

COINJ – коэффициент коррекции времени впрыска (больше 1 – обогащение смеси, меньше 1 – обеднение смеси);

CURLAM – текущее состояние датчика кислорода (0 – бедная смесь,
1 – богатая смесь);

DO2Ready – датчик кислорода готов (да/нет);

HO2SENS – нагрев датчика кислорода разрешен (да/нет);

LASTLAM – прошлое состояние датчика кислорода (0 – бедная смесь, 1 – богатая смесь);

LEARN – признак сохранения результатов обучения по датчику кислорода (да/нет);

MODEDO2 – флаг состояния датчика кислорода;

UO2SENS – напряжение датчика кислорода, В;

WRKLAM – признак работы в зоне регулирования по датчику кислорода (да/нет).

Характерными признаками неисправности ДК, при исправной механической части двигателя, может являться следующее:

1) периодические колебания, так называемая «раскачка» частоты вращения коленчатого вала в режиме холостого хода;

2) повышенный расход топлива.

Отображаемыми кодами ошибок являются:

P0131 – низкий уровень сигнала с ДК. Ошибка фиксируется, если при работе двигателя управление топливоподачей осуществляется в режиме обратной связи по ДК и напряжение сигнала ДК ниже порогового значения в течение 20 секунд;

P0132 – высокий уровень сигнала с ДК. Ошибка фиксируется, если при работе двигателя напряжение сигнала ДК выше порогового значения в течение 20 секунд;

P0134 – отсутствие сигнала ДК. Ошибка фиксируется, если двигатель проработал больше 75 секунд и напряжение сигнала ДК находилось в диапазоне 400-580 мВ в течение 3 секунд;

P0135 – неисправность цепи управления нагревателем ДК. Ошибка фиксируется, если подана команда на включение нагревателя ДК и цепь управления ДК оборвана или замкнута на источник питания;

P0171 – нет отклика ДК при обеднении смеси. Ошибка фиксируется, если двигатель работает с управлением топливоподачей в режиме обратной связи по ДК и напряжение сигнала ДК выше порогового значения в течение определенного времени, несмотря на то, что ЭСУД пытается привести состав топливовоздушной смеси к стехиометрическому путем уменьшения длительности впрыскивания топлива;

P0172 – нет отклика ДК при обогащении смеси. Ошибка фиксируется, если двигатель работает с управлением топливоподачей в режиме обратной связи по ДК и напряжение сигнала ДК ниже порогового значения в течение определенного времени, несмотря на то, что ЭСУД пытается привести состав топливовоздушной смеси к стехиометрическому путем увеличения длительности впрыска топлива.

Диагностика ДК

При наличии кодов ошибок P0131 и Р0132:

отсоединить колодку жгута от ДК, включить зажигание. С помощью МТ-4 проконтролировать напряжение сигнала датчика кислорода – параметр ADC_O2. В случае, если напряжение равно 0,45 В – ДК неисправен, иначе провод 88 Р замкнут на массу или неисправен контроллер.

При наличии кода ошибки P0134:

1) отсоединить колодку жгута от ДК, включить зажигание. С помощью МТ-4 проконтролировать напряжение сигнала датчика кислорода – параметр ADC_O2. В случае, если напряжение не равно 0,45 В – провод 88 Р оборван или неисправен контроллер;

2) мультиметром замерить напряжение между источником питания и контактом «С» колодки жгута. В случае, если напряжение равно нулю – провод 89 КБ оборван или замкнут на источник питания, или неисправен контроллер.

3) мультиметром замерить напряжение между источником питания и контактом «D» колодки жгута. В случае, если напряжение отлично от нуля – провод 98 К замкнут на массу или неисправен контроллер;

4) мультиметром замерить напряжение между массой и контактом «D» колодки жгута. В случае, если напряжение отлично от нуля – провод 98 К замкнут на источник питания или неисправен контроллер;

5) мультиметром замерить напряжение между массой и контактом «B» колодки жгута. В случае, если напряжение равно нулю – провода 58РЧ и 80РЧ оборваны или замкнуты на массу, иначе провод 98 К оборван или ДК неисправен.

При наличии кода ошибки P0135:

1) отсоединить колодку жгута от ДК. Измерить мультиметром сопротивление между контактами «B» и «D» ДК. В случае, если сопротивление не равно 0,5-10 Ом – ДК неисправен;

2) включить зажигание. Мультиметром замерить напряжение между массой и контактом «B» колодки жгута. В случае, если напряжение равно нулю – провода 58РЧ и 80РЧ оборваны;

3) мультиметром замерить напряжение между массой и контактом «D» колодки жгута. В случае, если напряжение не равно нулю – провода 97К и 98К замкнуты на источник питания;

4) выключить зажигание, отсоединить колодку жгута от контроллера. Измерить мультиметром сопротивление провода 98 К. В случае если сопротивление более 1 Ом – провод 98 К оборван, иначе – контроллер неисправен.

При наличии кодов ошибок P0171 и P0172:

1) выполнить проверку элементов системы подачи топлива, в том числе «баланс форсунок». Выключить зажигание, отсоединить колодку жгута от ДК. Включить зажигание. Мультиметром замерить напряжение между массой и контактом «A» колодки жгута. В случае, если напряжение больше нуля – провод 88 Р замкнут на источник питания или неисправен контроллер;

2) выключить зажигание, отсоединить колодку жгута от контроллера. Мультиметром измерить сопротивление проводов 88 Р, 89 КБ и 98К. В случае, если сопротивление больше 1 Ом – соответствующий провод неисправен;

3) присоединить колодку жгута к контроллеру, включить зажигание. Мультиметром замерить напряжение между массой и контактом «B» колодки жгута. В случае, если напряжение равно нулю – провода 58 РЧ и 80 РЧ оборваны или замкнуты на массу, иначе – ДК неисправен.

Литература

1. Косарев, С.Н. Системы управления двигателем ВАЗ-2112 (1,5 л 16кл.) с распределенным последовательным впрыском топлива под нормы токсичности ЕВРО-2 (контроллеры M1.5.4N и Январь-5.1) автомобилей ВАЗ-21103, 21113, 2112: руководство по техническому обслуживанию и ремонту / С.Н. Косарев. – М.: АСТ: Астрель: Люкс, 2005. – 175 с.

2. Системы управления бензиновыми двигателями. Перевод с немецкого. Первое русское издание. – М.: ООО «Книжное издательство
«За рулем», 2005. – 432 с.

Составители: Виктор Михайлович Славуцкий
Валентин Иванович Липилин
Евгений Александрович Салыкин

Диагностика
электронной системы управления двигателем.

Датчики

Методические указания к выполнению лабораторных работ

Темплан 2007 г. Поз. №

Подписано в печать 2007. Формат 6084 1/16.

Печать офсетная. Бумага газетная. Усл. печ. л. .

Тираж 100 экз. Заказ № . Бесплатно.

Волгоградский государственный технический университет.

400131 Волгоград, просп. им. В. И. Ленина, 28.

РПК «Политехник»

Волгоградского государственного технического университета.

400131 Волгоград, ул. Советская, 35.

Оценить/Добавить комментарий
Имя
Оценка
Комментарии:
Хватит париться. На сайте FAST-REFERAT.RU вам сделают любой реферат, курсовую или дипломную. Сам пользуюсь, и вам советую!
Никита02:02:37 06 ноября 2021
.
.02:02:35 06 ноября 2021
.
.02:02:34 06 ноября 2021
.
.02:02:33 06 ноября 2021
.
.02:02:31 06 ноября 2021

Смотреть все комментарии (12)
Работы, похожие на Учебное пособие: Методические указания к выполнению лабораторных работ рпк

Назад
Меню
Главная
Рефераты
Благодарности
Опрос
Станете ли вы заказывать работу за деньги, если не найдете ее в Интернете?

Да, в любом случае.
Да, но только в случае крайней необходимости.
Возможно, в зависимости от цены.
Нет, напишу его сам.
Нет, забью.



Результаты(294344)
Комментарии (4230)
Copyright © 2005-2023 HEKIMA.RU [email protected] реклама на сайте