Банк рефератов содержит более 364 тысяч рефератов, курсовых и дипломных работ, шпаргалок и докладов по различным дисциплинам: истории, психологии, экономике, менеджменту, философии, праву, экологии. А также изложения, сочинения по литературе, отчеты по практике, топики по английскому.
Полнотекстовый поиск
Всего работ:
364139
Теги названий
Разделы
Авиация и космонавтика (304)
Административное право (123)
Арбитражный процесс (23)
Архитектура (113)
Астрология (4)
Астрономия (4814)
Банковское дело (5227)
Безопасность жизнедеятельности (2616)
Биографии (3423)
Биология (4214)
Биология и химия (1518)
Биржевое дело (68)
Ботаника и сельское хоз-во (2836)
Бухгалтерский учет и аудит (8269)
Валютные отношения (50)
Ветеринария (50)
Военная кафедра (762)
ГДЗ (2)
География (5275)
Геодезия (30)
Геология (1222)
Геополитика (43)
Государство и право (20403)
Гражданское право и процесс (465)
Делопроизводство (19)
Деньги и кредит (108)
ЕГЭ (173)
Естествознание (96)
Журналистика (899)
ЗНО (54)
Зоология (34)
Издательское дело и полиграфия (476)
Инвестиции (106)
Иностранный язык (62791)
Информатика (3562)
Информатика, программирование (6444)
Исторические личности (2165)
История (21319)
История техники (766)
Кибернетика (64)
Коммуникации и связь (3145)
Компьютерные науки (60)
Косметология (17)
Краеведение и этнография (588)
Краткое содержание произведений (1000)
Криминалистика (106)
Криминология (48)
Криптология (3)
Кулинария (1167)
Культура и искусство (8485)
Культурология (537)
Литература : зарубежная (2044)
Литература и русский язык (11657)
Логика (532)
Логистика (21)
Маркетинг (7985)
Математика (3721)
Медицина, здоровье (10549)
Медицинские науки (88)
Международное публичное право (58)
Международное частное право (36)
Международные отношения (2257)
Менеджмент (12491)
Металлургия (91)
Москвоведение (797)
Музыка (1338)
Муниципальное право (24)
Налоги, налогообложение (214)
Наука и техника (1141)
Начертательная геометрия (3)
Оккультизм и уфология (8)
Остальные рефераты (21692)
Педагогика (7850)
Политология (3801)
Право (682)
Право, юриспруденция (2881)
Предпринимательство (475)
Прикладные науки (1)
Промышленность, производство (7100)
Психология (8692)
психология, педагогика (4121)
Радиоэлектроника (443)
Реклама (952)
Религия и мифология (2967)
Риторика (23)
Сексология (748)
Социология (4876)
Статистика (95)
Страхование (107)
Строительные науки (7)
Строительство (2004)
Схемотехника (15)
Таможенная система (663)
Теория государства и права (240)
Теория организации (39)
Теплотехника (25)
Технология (624)
Товароведение (16)
Транспорт (2652)
Трудовое право (136)
Туризм (90)
Уголовное право и процесс (406)
Управление (95)
Управленческие науки (24)
Физика (3462)
Физкультура и спорт (4482)
Философия (7216)
Финансовые науки (4592)
Финансы (5386)
Фотография (3)
Химия (2244)
Хозяйственное право (23)
Цифровые устройства (29)
Экологическое право (35)
Экология (4517)
Экономика (20644)
Экономико-математическое моделирование (666)
Экономическая география (119)
Экономическая теория (2573)
Этика (889)
Юриспруденция (288)
Языковедение (148)
Языкознание, филология (1140)

Реферат: Радиотехническая система связи

Название: Радиотехническая система связи
Раздел: Рефераты по радиоэлектронике
Тип: реферат Добавлен 15:28:00 09 июля 2005 Похожие работы
Просмотров: 925 Комментариев: 19 Оценило: 5 человек Средний балл: 4.4 Оценка: неизвестно     Скачать

Министерство образования Российской Федерации

Уральский государственный технический университет

Кафедра “Радиотехнических систем”

РАДИОТЕХНИЧЕСКАЯ СИСТЕМА СВЯЗИ

 

КУРСОВАЯ РАБОТА

 

ПОЯСНИТЕЛЬНАЯ ЗАПИСКА

200700 000000 010 ПЗ

 

                                                                                   Подпись                        Ф.И.О.

Руководитель                                 ________________                         Белых Д.П.

Студент гр. Р-585                          ________________                         Кузьмин Л.О.

Номер зачетной книжки               09712410

Екатеринбург 2001


 

ТЕХНИЧЕСКОЕ  ЗАДАНИЕ

Вариант задания:

-номер варианта задания в десятичной системе счисления,

- номер варианта задания в пятиричной системе счисления, причем  и  - младший и старший разряд кода номера задания соответственно.

Исходные данные:

1. Параметры преобразования сообщения:

a)    среднеквадратическое (эффективное) значение сообщения X  В;

b)    плотность распределения   ,

c)     где   -нормированная величина;

d)   параметр распределения     ;

e)    спектральная плотность распределения   ;

f)    суммарная относительная среднеквадратическая ошибка входных

преобразований .

2. Параметры радиолинии передачи информации с объекта:

a)    вид модуляции  АМн;

b)    число сигналов        ;

c)    число каналов  ;

d)   число служебных канальных промежутков в кадре  ;

e)    надежность передачи информации  ;

f)    допустимая вероятность ошибки на один разряд цифрового сообщения

            1/разр;

g)    время передачи сообщения  с.

3. Параметры радиолинии измерения координат объекта:

a)    расположение:   центральный пункт - наземный,

     объект - шар-зонд;

b)    максимальное расстояние до объекта  км;

c)    вероятность ложной тревоги  ;

d)   рабочая длина волны  м;

e)    измеряемые параметры R, a, b.

4. Константы:

a)    скорость света   м/с;

b)    постоянная Больцмана   Дж/К.

Выбрать и рассчитать:

1.    Частоту дискретизации и , а также ;

2.    Шаг (интервал) квантования сообщения h;

3.    Максимальное отклонение сообщения от среднего значения хm и пик-фактор Пх;

4.    Число разрядов двоичного кода n;

5.    Число уровней квантования m;

6.    Длительность канального сигнала Тк;

7.    Длительность разрядного импульса tn;

8.    Структуру информационного пакета со служебными сигналами

9.    Полосу частот группового сигнала Dfå;

10.  Параметры модуляции сигнала во второй ступени;

11.  Полосу частот радиолинии Dfрл;

12.  Спектральную плотность шумов N0, приведенных ко входу приемника;

13.  Пороговое отношение мощности сигнала к мощности шума qпор2, обеспечивающее заданное значение допустимой вероятности ошибки РД (1/бит);

14.  Рабочее отношение мощности сигнала к мощности шума q2раб, обеспечивающее заданную надежность передачи информации РН;

15.  Основные параметры приемной и передающей антенн: коэффициенты полезного и направленного действия, значения ширины диаграммы направленности каждой из них;

16.  Пиковую и среднюю мощность излучаемого сигнала;

17.  Вероятность ошибки приема (выделения) кодовой комбинации при допустимой вероятности ошибки выделения разрядного импульса РД;

18.  Эффективное значение результирующей относительной ошибки сообщения на выходе системы с учетом действия шумовой помехи;

19.  Параметры канала управления, способ его организации, протокол взаимодействия.


СОДЕРЖАНИЕ

СОДЕРЖАНИЕ. 4

ПЕРЕЧЕНЬ ИСПОЛЬЗУЕМЫХ СОКРАЩЕНИЙ. 5

Расчет параметров радиотехнической системы.. 6

1. Расчет параметров преобразования сообщения в цифровую форму. 6

2. Расчет параметров канала связи «объект - ЦП». 8

3. Расчет параметров радиолинии «ЦП - объект». 12

4. Выбор характеристик системы определения координат объекта. 12

5. Описание структурной схемы центральной станции. 14

6. Описание структурной схемы объекта. 15

Выводы.. 16

БИБЛИОГРАФИЧЕСКИЙ СПИСОК. 17

Приложение 1. Структурная схема центральной наземной станции. 18

Приложение 2. Структурная схема объекта. 19


ПЕРЕЧЕНЬ ИСПОЛЬЗУЕМЫХ СОКРАЩЕНИЙ

АМ        - амплитудная модуляция;

ВРК       - временное разделение каналов;

ДН         - диаграмма направленности;

ЗИ          - зондирующий импульс;

ИС         - импульс синхронизации;

КвАМн - квадратичная амплитудная манипуляция;

КИ         - канальный интервал;

КИМ     - кодовая импульсная модуляция;

КНД      - коэффициент направленного действия;

ОБП      - одна боковая полоса;

РЛС       - радиолокационная станция;

СПИ      - система передачи информации;

ТЗ          - техническое задание;

УДС      - угломерно-дальномерная система;

ФАР      - фазированная антенная решетка;

ЦП         - центральный пункт.


Расчет параметров радиотехнической системы
1.    Расчет параметров преобразования сообщения в цифровую форму

В этой части необходимо выбрать и рассчитать параметры преобразования аналогового сообщения в цифровой первичный сигнал (двоичный код) для передачи в информационном канале системы измерения и сбора информации. Сообщение представлено в виде реализации случайного стационарного процесса, заданного плотностью распределения своих мгновенных значений W(x) и спектральной плотностью G(w) и подвергается преобразованию в цифровой сигнал с заданной суммарной ошибкой преобразования dS.

Рис. 1. Нормированная плотность распределения мгновенных значений.

Перейдем к другой переменной (зависимости от самой величины х, а не от нормированного значения y):

  

Рис. 2. Нормированная плотность распределения мгновенных значений.

Математическое ожидание величины х равно [2]:

       В.

Расчет рекомендуется провести, по крайней мере, для трех вариантов распределения между составляющими суммарной ошибки и выбрать параметры, обеспечивающие большую длительность t0 [5]. Рассмотрим вариант, когда δд2 = δкв2= δогр2= δS2/3, то есть значения ошибок дискретизации, квантования и ограничения равны

;       ;     ;

;      ;     .

Максимальное отклонение сообщения от среднего значения  выбираем при величине ошибки ограничения динамического диапазона из выражения [5]:

.

решая которое, находим числовое значение искомой величины

,   .

Проверим правильность выбора . Для этого вычисляем среднеквадратическое отклонение ограниченного сообщения:

                    В.

Пикфактор сообщения вычисляем по формуле [5]:

         

Верхняя частота спектра определяется из трех условий [5]:

а) как частота соответствующая

Находим частоту, на которой G(w) принимает свое максимальное значение:

,     ,        рад/с.

Вычисляем значение верхней частоты из следующего уравнения:

откуда               рад/с.

б) как эквивалентная полоса частот  

откуда   .            рад/с.

в) как частота  при выбранной ошибке дискретизации.

Частоту находим из выражения [3]:

,

преобразовав которое, получаем  ,    рад/с,

откуда   ,   рад/с.

Выбираем   ,   рад/с.

Вычисляем шаг квантования исходя из заданной ошибки квантования

 ,        В.

Число уровней квантования находим по формуле:

 ,           .

Число разрядов двоичного кода сообщения

 ,       .

Найдем длительность разрядного импульса многоканального сигнала:

период дискретизации равен  ,   с;

длительность канального сигнала  с;

тогда   ,   с.

Проводя аналогичные вычисления еще для трех вариантов распределения ошибок, заполним сводную таблицу:

Таблица 1

dд

dкв

dогр

хm

Пх

wд

wв

hкв

mкв

n

t0

% % % В - рад/с рад/с В - - мкс
33.3 33.3 33.3 17.35 4.34 638.55 319.27 0.24 146 8 123
50 20 30 17.45 4.36 622.38 311.19 0.186 189 8 126.2
30 50 20 17.83 4.46 642.68 321.34 0.294 122 7 139.7

В таблице ошибки заданы процентах (%) от суммарной ошибки. Как видно, наибольшая длительность разрядного импульса t0 обеспечивается в последнем (третьем случае).

Вероятность попадания сообщения в i-й интервал   ,   .

Вычислим значение энтропии сообщения [3]:

,     - значение энтропии;

,             - максимальное значение энтропии.

2.    Расчет параметров канала связи «объект - ЦП»

1. Определение параметров системы с ВРК и АМн.

Ранее были определены следующие временные параметры:

-  период дискретизации                          с;

-  длительность канального сигнала       с;

-  длительность разрядного импульса    с.

При расчете подразумевалось, что вся информация (вместе с признаками синхронизации) передается со скоростью преобразования сообщения в цифровую форму (с частотой дискретизации). Длительность временного интервала, отводимого на передачу одного разряда, вычислялась исходя из того, что за один КИ передается 7 информационных разрядов.

На рисунке ниже приведена структура информационной посылки.

Рис. 3. Временная диаграмма информационной посылки.

Можно определить скорость передачи канальной информации:

,           Бод.

Так как импульсы синхронизации (ИС) не несут информации, то скорость передачи полезной информации равна:

,          Бод.

Для однократного сеанса связи достаточно 8-ми разрядного ОЗУ. Его емкость находим по формуле:

,        Кбайт.

При формировании канальных сигналов необходимо учесть, что для уменьшения межсимвольных (при последовательной передаче разрядов) искажений длительности разрядных импульсов должны быть меньше :    [5]. Выберем:

         

Полоса группового сигнала определяется из следующего выражения [5]:

         Гц.

Где gк=1 коэффициент, определяемый видом манипуляции сигнала в канале (КИМ-АМн).

Для передачи информации используем перенос на несущую частоту с помощью ОБП (т.е. во второй ступени используется амплитудная модуляция), тогда требуемая полоса радиолинии составит:

               Гц.

где - параметр, зависящий от вторичной ступени модуляции.

2. Расчет энергетических характеристик

К энергетическим характеристикам относятся: мощность сигнала на входе приемника, мощность излучаемого сигнала, а также мощность шума, приведенная ко входу приемника.

Пороговое отношение мощности сигнала к мощности шума, обеспечивающее заданную вероятность ошибки на разряд , находим из выражения (для АМ) [4, 5]:

Откуда   ,   .

Рабочее отношение мощности сигнала к мощности шума, обеспечивающее заданную надежность , находим из выражения:

Откуда   ,   .

Считаем, что полоса пропускания линейной части приемника на 10% превышает полосу частот радиолинии:

               Гц.

Эффективную шумовую температуру приемника находим для частоты 6 ГГц (считаем, что приемник выполнен на полупроводниках):  К.

Спектральная плотность шумов  равна [5]:

,   Вт/Гц.

Мощность шумов, приведенная к входу приемника

,   Вт/Ом.

Считаем, что сопротивление антенны приемника равно 75 Ом, тогда мощность на входе будет равна   ,   Вт.

Умножая полученное значение мощности шума на значения порогового и рабочего отношений сигнал /шум, можно получить соответственно пороговую и рабочую мощности сигнала на входе приемника [5]:

,   Вт;

,   Вт.

Задаваясь характеристиками антенн и коэффициентом потерь энергии при заданном максимальном расстоянии до объекта, найдем рабочее значение мощности передатчика при использовании рабочей мощности сигнала на входе приемника. Будем считать, что на объекте установлена ненаправленная антенна с КНД . Имеем радиолинию с активным ответом, которая состоит из линии запроса и линии ответа.

КНД антенны, установленной на ЦП выберем, исходя из заданного разрешения, которое составляет 1% от максимально измеряемого угла. Размеры диаграммы направленности антенны равны (в градусах):                                   

Выбрав распределение в виде косинус на пьедестале, рассчитаем размеры апертуры антенны:

         м;              м.

Тогда КНД вычисляется по формуле:                   

Коэффициент затухания, обусловленный потерями в атмосфере для м и для интенсивности осадков Q=10 мм/ч составляет:   дБ/км [1].

Тогда можно найти относительное уменьшение дальности действия РЛС из-за затухания радиоволн в атмосфере:  ,   раз [4].

Истинная дальность действия РЛС будет равна   ,   км.

Коэффициент потерь энергии сигнала при распространении радиоволн и в антенно-фидерных трактах приемника и передатчика: .

Тогда значение рабочей мощности передатчика на объекте равно [5]:

Вт.

Расчет относительной среднеквадратической ошибки воспроизведения сообщения, вызванной действием шумовой помехи, можно выполнить по формуле [5]:

,   .

Тогда эффективное значение результирующей относительной ошибки сообщения на выходе системы с учетом действия шумовой помехи равно:

            

3. Организация синхронизации

Вероятность ошибки приема (выделения) кодовой комбинации из 8 разрядов при допустимой вероятности ошибки выделения разрядного импульса (ошибки приема разрядов независимы) находим из выражения [3, 5]:

,    

В системе организована канальная синхронизация. То есть, в начале каждого цикла передачи информации (первый канальный интервал) передается 2 одинаковых ИС. Кадровое синхрослово по своей структуре должно существенно отличаться от всех возможных кодовых комбинаций, поэтому необходимыми требованиями к синхросигналу являются: энергия больше энергии, передаваемой в информационном канале, а так же чтобы его форма не повторяла форму сигнала [3].

Для выделения ИС в приемнике используется дискретный согласованный фильтр, настроенный на ИС. В него поочередно записываются принимаемые кодовые слова, а в момент превышения выходным напряжением порога выделяется импульс кадровой синхронизации. В начале каждого цикла обмена на приемной стороне запускается тактовый генератор и производится синхронизация. Используя повторяемость ИС, можно, накапливая их, увеличить помехоустойчивость устройства синхронизации [3]. Если по прошествии двух периодов дискретизации не приходит синхропризнак, то система переводится в режим пониженного энергопотребления до появления следующего ИС или окончания связи. Это обеспечивает, в целом, малое потребление системы.

Вероятность ошибки синхронизации при такой организации можно определить так:

             

Как видно, эта вероятность ошибки намного меньше, чем вероятность ошибки РД, приходящейся на один информационный разряд.

3.    Расчет параметров радиолинии «ЦП - объект»

Считаем, что после сеанса связи (если на данном направлении нет больше объектов) система переходит в режим поиска. ЦП излучает гармонический сигнал длительностью ТК, после чего переходит в режим приема и ожидает ответ от объектов. Если ответ получен, то ЦП переходит в режим определения координат объекта.

Энергетические соотношения в этом случае определяются вероятностью ложной тревоги F и надежностью связи РН при обнаружении сигнала со случайной амплитудой и фазой.

Зависимость вероятности правильного обнаружения от отношения сигнал/шум определяется формулой [4]:

Принимая вероятность правильного обнаружения равной надежности, находим порог обнаружения:

 ,         

Рис. 4. График зависимости вероятности правильного обнаружения от отношения сигнал/шум.

Тогда мощность принимаемого сигнала, которая будет обеспечивать выбранное отношение сигнал/шум, равна

,   Вт.

Мощность передатчика наземной станции составляет [5]:

,   Вт.

4.    Выбор характеристик системы определения координат объекта

Радиоизмерительная система ЦП осуществляет поиск объектов, их опознавание по ответному сигналу, измерение заданных параметров взаимного расположения ЦП и объекта, прием и хранение информации. Точность измерения и разрешения координат объекта не хуже 1% от максимальной величины измеряемого параметра (угла или дальности), причем угловое или дальномерное разрешение измерителя в зоне поиска позволяет проводить сеанс связи только с одним из объектов. Общее число объектов в зоне обслуживания не превышает тридцати единиц. Запросно-ответная радиолиния ЦП–объект обеспечивает, заданную вероятность ложной тревоги F и выбранную вероятность правильного опознавания объекта, равную надежности связи РН [5].

Наиболее часто в РЛС используют последовательный метод обзора, при котором ДН антенны отклоняется в пределах заданного сектора (зоны) обзора. Обеспечение большой дальности действия (при ограничении энергии излучаемого сигнала) и чувствительности приемного устройства, а также повышение угловой разрешающей способности и точности системы возможно лишь за счет сужения ДН, что, в свою очередь, приводит к увеличению времени, необходимого для обзора заданного объема пространства [4].

Предположим, что минимальная высота объекта над земной поверхностью 5 км, а максимальная – не более 20 км. Тогда, выбрав винтовой способ обзора [1, 4], при котором каждая точка ДН описывает линию, близкую к винтовой, пространство сканирования ограничится координатами:

  - по дальности,

  - по азимуту,

  - по углу места.

Движение ДН представляет собой комбинацию кругового вращения по азимуту и постоянного подъема по углу места. Причем обратный ход по углу места происходит значительно быстрее.

Рис. 5. Винтовой метод обзора пространства.

Для исключения возможности пропуска целей обеспечивается двойное перекрытие ДН на смежных витках при отклонении по углу места.

Полагаем, что ДН перемещается равномерно, и каждый элемент сектора обзора находится в равных условиях, а для надежного обнаружения и для определения координат цели необходимо принять несколько сигнальных импульсов в пределах ДН, тогда скорость её отклонения должна быть снижена.

Для определения координат объекта на ЦП используется комбинированный угломерно-дальномерный метод. Этот метод позволяет найти местоположение объекта из одной точки (и это является большим преимуществом данного метода) и наиболее часто используется в РЛС, которые измеряют наклонную дальность R, азимут a и угол места b.

Рис. 6. Определение координат объекта.

Считаем, что на станции установлен моноимпульсный измеритель угловых координат. Наиболее совершенным является суммарно-разностный вариант моноимпульсного измерителя, так как теоретически он позволяет исключить влияние изменений амплитуды и фазы принимаемых сигналов на стабильность равносигнального направления и пеленгационной характеристики и тем самым обеспечить наибольшую точность определения направления. При суммарно-разностной обработке сравниваются амплитуды сигналов. Для исключения влияния неравенства и нестабильности коэффициентов усиления каналов сравнение амплитуд производится до приемных каналов непосредственно после облучателей антенны с помощью высокочастотных мостовых схем, выполняемых на волноводах или коаксиальных линиях в зависимости от рабочего диапазона системы [4].

Слежение за объектом ведется путем совмещения равносигнальной оси с направлением на объект.

Достоинством моноимпульсной суммарно-разностной системы является возможность принципиального устранения влияния флуктуаций амплитуды сигнала, с помощью сравнения амплитуд и фаз сигналов, принятых по нескольким каналам [1].

5.    Описание структурной схемы центральной станции

Центральная наземная станция состоит из двух связанных систем: угломерно-дальномерной и системы приема информации с объекта. Угломерно-дальномерная система определяет угол места и азимут на объект, а также расстояние (наклонную дальность) до объекта. Структурная схема ЦП приведена в приложении 1.

При двумерном слежении по азимуту и углу места  измеряются рассогласования по a b. Антенна имеет четыре излучателя, симметрично смещенных относительно фокуса зеркала. В измерителе три суммарно-разностных моста: два – для образования разностных сигналов по a и b, третий – для формирования общего суммарного сигнала. Разносный выход третьего моста замкнут на поглощающую нагрузку. Приемное устройство содержит соответственно три приемных канала: суммарный и два разностных. Выделенные на выходе фазовых детекторов напряжения рассогласования по a и b с помощью следящих систем управляют положением равносигнальной оси, непрерывно совмещая ее с направлением на сопровождаемый объект [4].

Устройство управления антенной (УУА) служит для винтового обзора пространства. В качестве углового датчика используется ФАР, выполняющая функцию пространственного фильтра.

Как было отмечено выше, на ЦП используется импульсный режим излучения, поэтому в момент окончания очередного зондирующего радиоимпульса (ЗИ) антенна переключается от передатчика (Прд) к приемнику (Прм) и используется для приема до начала генерации следующего зондирующего радиоимпульса, после чего антенна снова подключается к передатчику и т.д. Эта операция выполняется переключателем прием-передача (ППП). Пусковые импульсы, задающие период повторения зондирующих сигналов и синхронизирующие работу всех подсистем ЦП, генерирует устройство управления и синхронизации (УУС), от которого зависит также вся логика работы. Сигнал с Прм после цифрового устройства селекции движущихся целей (ЦСДЦ) поступает на аппаратуру первичной обработки информации (АПОИ), где выполняется обнаружение сигнала и измерение координат (ИК) объекта. Окончательно отметки целей формируются в устройстве ФО. Сформированные сигналы вместе с информацией об угловом положении антенны передаются для дальнейшей обработки, а также для контроля на индикатор обзора (ИО).

Такая станция обычно ведет обработку информации в цифровой форме, для чего предусмотрено устройство преобразования сигнала в цифровой код (АЦП).

Система приема информации на ЦП имеет стандартную структуру системы выделения информации с ВРК (приложение 1).

Сигналы с объекта через антенну поступают в приемное устройство дискретных сообщений (ПрУ), где производится предварительная фильтрация и усиление. Затем в ДМII для детектирования (снятие вторичной модуляции). На выходе ДМ выделяется оценка группового сигнала. Выделенный групповой сигнал подается на селектор синхроимпульсов (ССИ). ССИ может представлять собой, например, интегрирующую цепь (ИЦ) с пороговым устройством на выходе, срабатывающим при действии на входе ИЦ синхроимпульса (ИС). Выделенные ИС поступают на генератор канальных селекторных импульсов (ГКСИ), имеющий Nкан выходов. ГКСИ вырабатывает последовательности канальных импульсов, открывающих соответствующие временные канальные селекторы (КСi), представляющие собой схемы «И». Канальные сигналы поступают на канальные демодуляторы (КДМi), где снимается первичная модуляция. На выходе КД формируются оценки переданных сообщений (снимается первичная модуляция), поступающие к получателям (Пi) [2, 3].

Для приема данных приемник ЦП должен иметь системы ФАПЧ и БАРУ.

Обращение к объекту осуществляется с помощью адреса.

6.    Описание структурной схемы объекта

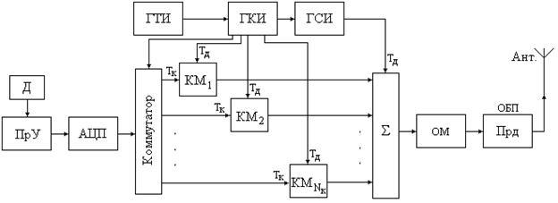
Система сбора и передачи информации шар-зонда согласно ТЗ имеет структуру системы с ВРК (приложение 2).

Аналоговый сигнал с датчиков через фильтр и усилитель согласующего устройства поступает на АЦП, где преобразуется в цифровой код.

Ритм работы системы задается высокостабильным генератором тактовых импульсов (ГТИ). Тактовые импульсы поступают на генератор канальных импульсов (ГКИ), имеющий Nкан+1 выходов, где Nкан – число каналов. Канальные импульсы поступают соответственно на канальные модуляторы (КМi), где модулируются сообщениями, поступающими с коммутатора, а также на генератор синхронизирующих импульсов (ГСИ). На выходах КМ формируются модулированные канальные сигналы (первая ступень модуляции КвАМн). Параметры модуляции выбраны так, чтобы импульсы различных модулированных канальных сигналов (КС) не перекрывались. КС подаются на линейный сумматор (S) одновременно с последовательностью ИС, вырабатываемых ГСИ, которые необходимы для синхронизации работы приемной части. На выходе сумматора образуется групповой сигнал, состоящий из последовательности ИС и модулированных канальных импульсов. Групповой сигнал поступает на модулятор второй ступени (ОМ) и модулирует по амлитуде высокочастотную несущую (ОБП), вырабатываемую передатчиком (Прд).


Выводы

В курсовой работе спроектирована система сбора информации с метеорологических шар-зондов. Она обладает следующими параметрами:

-     частота дискретизации                                                                                 102.3 Гц;

-     шаг квантования                                                                                           0.294 В;

-     максимальное отклонение сообщения от среднего значения                  17.83 В;

-     пик-фактор                                                                                                     4.46;

-     число разрядов двоичного кода                                                                  7;

-     число каналов                                                                                                8;

-     длительность канального сигнала                                                              978 мкс;

-     длительность импульса                                                                                139.7 мкс;

-     полоса частот радиолинии                                                                           18.8 кГц;

-     пороговое отношение мощности сигнала к мощности шума                  38.9;

-     рабочее отношение мощности сигнала к мощности шума                      174.74;

-     необходимая мощность передатчика зонда                                                           282 мВт;

-     необходимая мощность передатчика ЦП                                                   231 мВт;

-     рабочая длина волны                                                                                    5 см.

В начале кодовой посылки находится синхропризнак, амплитуда которого значительно превышает длительность информационного импульса. Синхропризнак всегда появляется с одним и тем же периодом, поэтому накапливая необходимое число отсчетов, можно добиться абсолютно четкой работы СПИ.

С целью улучшения системы сбора информации можно применить для шар-зонда антенную систему с большим КНД вследствие чего снизится рабочая мощность передатчика.


БИБЛИОГРАФИЧЕСКИЙ СПИСОК

1.    Бакулев П.А., Сосновский А.А Радиолокационные и радионавигационные системы: Учебное пособие для вузов. М.: Радио и связь, 1994. 296с.

2.    Пенин П.И., Филиппов Л.И. Системы передачи цифровой информации: Учебное пособие для вузов. М.: Сов. Радио, 1984. 256с.

3.    Радиотехнические системы передачи информации: Учеб. пособие для вузов/ Под ред. В.В. Калмыкова. М.: Радио и связь, 1990. 304с.

4.    Радиотехнические системы: Учеб. пособие для вузов/ Под ред. Ю.М. Казаринова. М.: Высшая школа, 1990.496 с.

5.    Белых Д.П. Методические указания к выполнению курсовой работы. Екатеринбург: УГТУ-УПИ, 2000. 32с.


Приложение 1. Структурная схема центральной наземной станции

Система определения координат объекта

Угловой датчик и преобразователь суммарно-разностного радиопеленгатора

Система приема информации с объекта


Приложение 2. Структурная схема объекта

Система передачи информации с объекта

Оценить/Добавить комментарий
Имя
Оценка
Комментарии:
Делаю рефераты, курсовые, контрольные, дипломные на заказ. Звоните или пишите вотсап, телеграмм, вайбер 89675558705 Виктория.
06:18:12 18 октября 2021
Срочная помощь учащимся в написании различных работ. Бесплатные корректировки! Круглосуточная поддержка! Узнай стоимость твоей работы на сайте 64362.ru
19:26:56 10 сентября 2021
Если Вам нужна помощь с учебными работами, ну или будет нужна в будущем (курсовая, дипломная, отчет по практике, контрольная, РГР, решение задач, онлайн-помощь на экзамене или "любая другая" учебная работа...) - обращайтесь: https://clck.ru/P8YFs - (просто скопируйте этот адрес и вставьте в браузер) Сделаем все качественно и в самые короткие сроки + бесплатные доработки до самой сдачи/защиты! Предоставим все необходимые гарантии.
Ватслав00:11:14 23 июня 2020
Привет студентам) если возникают трудности с любой работой (от реферата и контрольных до диплома), можете обратиться на FAST-REFERAT.RU , я там обычно заказываю, все качественно и в срок) в любом случае попробуйте, за спрос денег не берут)
Olya13:06:29 01 сентября 2019
.
.13:06:28 01 сентября 2019

Смотреть все комментарии (19)
Работы, похожие на Реферат: Радиотехническая система связи

Назад
Меню
Главная
Рефераты
Благодарности
Опрос
Станете ли вы заказывать работу за деньги, если не найдете ее в Интернете?

Да, в любом случае.
Да, но только в случае крайней необходимости.
Возможно, в зависимости от цены.
Нет, напишу его сам.
Нет, забью.



Результаты(286386)
Комментарии (4153)
Copyright © 2005-2021 HEKIMA.RU [email protected] реклама на сайте