| МІНІСТЕРСТВО ОСВІТИ І НАУКИ УКРАїНИ
СУМСЬКИЙ ТЕХНІКУМ ХАРЧОВОї ПРОМИСЛОВОСТІ
П О Я С Н Ю В А Л Ь Н А З А П И С К А
ДО КУРСОВОї РОБОТИ
НА ТЕМУ:
«
Синтез логічної функції та аналіз комбінаційних схем
»
по курсу
“Прикладна теорія цифрових автоматів”
Керівник роботи: Оксана ВалеріївнаКущенко
Роботу виконав студент групи е-03: Андрій Сергійович .Зігуля
2000
РОЗГЛЯНУТО НА ЗАСІДАННІ ЦИКЛОВОї КОМІСІї
ЕЛЕКТРОННО-ОБЧИСЛЮВАЛЬНОї ТЕХНІКИ
“ ” 2000р. ПРОТОКОЛ № .
голова комісії О.І.Перелука
Сумський технікум харчової промисловості
Спеціальності 5.091504 “Обслуговування комп`ютерних та інтелектуальних систем і мереж”
Курс Група Семестр .
З А В Д А Н Н Я
НА КУРСОВУ РОБОТУ
1.Тема роботи:
2.Термін здачі студентом закінченої роботи:
3.Вихідні дані до роботи:
Зміст пояснювальної записки (перелік питаннь, що підлягають розробці):
4.Перелік графічного матеріалу (з точним вказанням обов`язкових креслень):
Дата видачі: 2000р.
Дата закінчення: 2000р.
Студент: .
Консультант: .
Викладач-керівник: .
Зміст
| 1.
Вступ.
2.
Переведення чисел в різні системи числення.
3.
Побудова таблиці становищ та аналітичного виразу логічної функції.
4.
Мінімізація логічних функцій в різних базисах.
5.
Аналіз заданої схеми.
6.
Висновок.
7.
Література.
|
Сторінка
|
Вступ
Значення імпульсної техніки в радіоелектроніці
Імпульсні режими роботи відіграють велику роль в радіоелектроніці. Імпульсний метод роботи дає можливість знайти принципіальне і поруч з цим просте рішення такої важливої задачі, як вимірювання відстанейй за допомогою радіоволн, що викликало розвиток імпульсної радіолокації. Цей же принцип використовується в радіонавігації (в імпульсних системах управління літаками, а також визначення виссоти їхнього польоту). Імульсні методи роботи дають змогу зробити кодирований зв`язок, який відрізняється високою скритністю і захищеністю від завад, а також багатоканальний зв`язок на одній волні. Широко використовуються імпульсні режими у телебаченні, де сигнали зображення і синхронізації являються імпульсними, радіотелеуправлінні повітряними апаратами, в космічній радіоелектронній і електронній апаратурі, в інформаційно-вимірювальній техніці і при різних областях науки і техніки.
Важливу виконуючу роль відіграють імпульсні методи роботи у сучасних ЕОМ і різних цифрових автоматах, при автоматичній обробці інформації.
В широко розвинених каскадах таких автоматів виконуються різні функціональні перетворення імпульсних сигналів, передаючих інформацію і виконуються потрібні логічні операції над імпульсами за допомогою спеціальних логічних схем і пристроїв селекції імпульсів. Таким шляхом виконується виділення імпульсних сигналів , несучих інформацію, аналіз і впізнавання потрібного змісту інформації і форматування сигналів для регістрації обработаної інформації або для управління роботою пристроїв, реалізуючих прийняту інформацію.
Розвиток автоматичних методів обробки інформації тісно пов`язаний з розвитком швидкодіючих ЕОМ і цифрових автоматів на основі широкого використання напівпровідникових пристроїв і високо надійних мікро-електронних схем, також працюючих в імпульсному режимі.
1. Переведення чисел в різні системи счислення
Існують два способи перекладу чисел з однієї позиційної системи числення з основою h в іншу з основою h*.
Вони відрізняються один від одного системою числення, в якій виробляються дії над числами в процесі перекладу.
Розглянемо перший спосіб перекладу з використанням арифметики початкової системи числення. Для цього способу порядок перекладу цілих чисел відрізняється від перекладу дробів. Для того щоб перевести ціле число Х
з системи з основою h в нову систему з основою h*, необхідно послідовно ділити задане число і що виходять в процесі розподілу приватні на основу нової системи h*,
виражену в колишній (початкової) системі, доти, поки останнє приватне не виявиться менше нової основи h*. Результат перекладу запишеться у вигляді послідовності цифр, записаних зліва направо починаючи з останнього приватного і кінчаючи першим залишком (тобто число молодшого розряду є перший залишок і т. д.). Всі арифметичні дії в процесі розподілу числа виготовляються в початковій h-системі.
Задані 5ть десяткових цифр перевести в коди:
1.1 двійковий:
 1.1.1 4 2
 - 4 2 2
0 2 1
0
4(10)
=100(2)
     1.1.2 6 2
 - 6 3 2
0 2 1
1
6(10)
=110(2)
  1.1.3 8 2
  - 8 4 2 2
0 4 2 1
 0 2
0
8(10)
=1000(2)
  1.1.4 12 2
  - 12 6 2 2
0 6 3 1
 0 2
1
12(10)
=1100(2)
  1.1.5 15 2
  - 14 7 2 2
1 6 3 1
 1 2
1
15(10)
=1111(2)
1.2 вісімковий:
1.2.1 4(10)
=4(8)
1.2.2 6(10)
=6(8)
1.2.3 8(10)
=10(8)
1.2.4 12(10)
=14(8)
1.2.5 15(10)
=17(8)
1.3 шістнадцятковий:
1.3.1 4(10)
=4(16)
1.3.2 6(10)
=6(16)
1.3.3 8(10)
=8(16)
1.3.4 12(10)
=С(16)
1.3.5 15(10)
=F(16)
2.Виконання арифметичних дій в різних позиційних системах
2.1 До першого числа додати четверте:
Додавання у різних системах счисленя відбувається по аналогії з додаванням у десятковому коді, але за один десяток в різних системах числення вважається різне число, наприклад у восмирічній 10(10)
=8(8)
і т.д.
2.1.1 0100(2)
+1100(2)
=100000(2)
1
0100
  + 1100
10000
2.1.2 4(8)
+8(8)
=16(8)
4
+ 8
16
2.1.2 4(16)
+С(16)
=10(16)
4
+ С
10
2.2 помножити друге число на третє:
Множення, у різних системах счисленя, також відбувається по аналогії з множенням у десятковому коді, але за один десяток в різних системах числення вважається різне число.
2.2.1 0100(2)
´1100(2)
=0110000(2)
0100
 ´ 1100
0000
+ 1000
+ 1000
+ 0000
0110000
2.2.2 14(8)
´6(8)
=92(8)
3
14
´ 6
110
2.2.3 С(16)
´6(16)
=48(16)
3
12
   ´ 6
72 16
+ 64 4
8
2.3 відняти двійковий код 2го числа від 5 у прямому зворотньому та додатковому коді:
2.3.1 віднімання в прямому коді:
1111
0110
1001 3 2 1 0
Перевірка -> 15(10)
-6(10)
=9(10)
1001(2)
=23
+30
=8+1=9(10)
2.3.2 віднімання у зворотньому коді:
0 1111
1 0110
101000
1
 1001
2.3.3 віднімання у додатковому коді:
1111
0110
1001
0110 – прямий код
1001 – зворотній код
1010 – додатковому коді
3.Побудова таблиці становищ та аналітичного виразу логічної функції
2.4 Скласти таблицю станів з двох кодів:
| х1
х2
х3
х4
|
У
|
| 1
2
3
4
5
|
0 1 0 0
0 1 1 0
1 0 0 0
1 1 0 0
1 1 1 1
|
0
0
1
1
1
|
3. За складеною таблицею і заданою функцією у:
3.1 Знаййти аналітичний вираз логічної функції за допомогою СДНФ:
_ _ _ _ _
f=x1
x2
x3
x4
Ú x1
x2
x3
x4
Ú x1
x2
x3
x4
3.2 Знаййти аналітичний вираз логічної функції за допомогою СКНФ:
_ _ _
f=(x1
Úx2
Úx3
Úx4
)(x1
Úx2
Úx3
Úx4
)
3.3 Мінімізувати отримані логічні функції використовуючи карти Карно та закони булевої алгебри:
_ _ _ _ _
СДНФ: f=x1
x3
x4
(x2
Úx2
)Úx1
x2
x3
x4
=x1
x3
x4
Úx1
x2
x3
x4
СКНФ:
f=x1
Úx1
x2
Úx1
x3
Úx1
x4
Úx2
x1
Úx2
Úx2
x3
Úx2
x4
Úx3
x1
Úx3
x2
Úx3
x4
Úx4
x1
Úx4
x2
Úx4
x3
Úx4
Карта Карно:
Мал.1

Мал.2
3.5 Записати отримане рівняння:
_ _
y=x1
x3
x4
Úx1
x2
x3
x4
4.Мінімізація логічних функцій в різних базисах
Мінімізація – називається пошук коротких форм представлення, перемикаючих функцій для скорочення числа фізичних елементів призначених для реалізації цих функцій.
Мінімізація досягається за допомогою законів булевої алгебри.
Існує декілька законів:
1. Аналітичний.
2. Графічний.
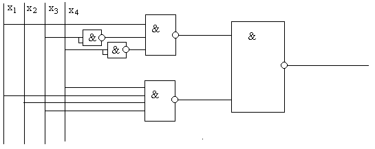
3.6 Синтезувати мінімізовану функцію в базисах И-НЕ, И-ИЛИ-НЕ, ИЛИ-НЕ.
И-ИЛИ-НЕ

Мал.3 Базис И-ИЛИ-НЕ
И-НЕ

Мал.4 Базис И-НЕ
_ _
y=x1
x3
x4
Úx1
x2
x3
x4
ИЛИ-НЕ
   _ _
y=x1
x3
x4
Úx1
x2
x3
x4

Мал.5 Базис ИЛИ-НЕ
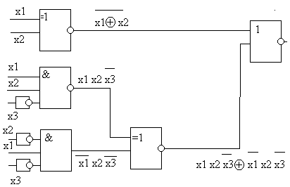
5.Аналіз заданої схеми
4. Проаналізувати задану схему:
4.1 намалювати задану схему:

Мал 6. Задана схема.
4.2 скласти аналітичний вираз функції заданої схеми:
_ _ _
y=(x1
Åx2
)Ú((x1
x2
x3
)Å(x1
x2
x3
))
Висновок
При виконанні цієї курсової роботи я закріпив той матеріал, який ми проходили по курсу “Прикладна теорія цифрової автоматизації”. Також зрозумів практичне примінення синтезу логічних функцій та аналізу комбінаційних схем.
Література:
1. Я.С.Ицхоки, Н.И.Овчинников “Импульсные и цифровые устройства” Москва “Советское радио” 1973.
2. Б.А.Трахтенброт “Алгоритмы и вычислительные автоматы” Москва “Советское радио” 1974
3. О.В.Кущенко “Конспект лекцій з предмету: “Прикладна теорія цифрових автоматів”” Суми СТХП 2000
|