ИНИСТЕРСТВО
ОБЩЕГО И ПРОФЕССИОНАЛЬНОГО
ОБРАЗОВАНИЯ
РОССИЙСКОЙ
ФЕДЕРАЦИИ
МОСКОВСКИЙ
ГОСУДАРСТВЕННЫЙ
ТЕХНОЛОГИЧЕСКИЙ
УНИВЕРСИТЕТ
«СТАНКИН»

ОТЧЕТ
ПО
Лабораторным
работам № 3, 4
ПО КУРСУ
УПРАВЛЕНИЕ
ЦИКЛОВОЙ
АВТОМАТИКОЙ
Выполнил
ст. гр. КС-9-8:
Копычев
Е.А.
Москва
2000
Задача
№ 1
Имеются
две автоматические
линии. На пульте
управления
имеется шесть
кнопок.
Существует
возможность
управления
линиями:
первая и вторая
кнопки используются
для включения
и выключения
первой линии,
соответственно;
третья и четвертая
кнопки используются
для включения
и выключения
второй линии,
соответственно;
пятая и шестая
кнопки используются
для включения
и выключения,
соответственно
двух линии
одновременно.

Задача
№ 2
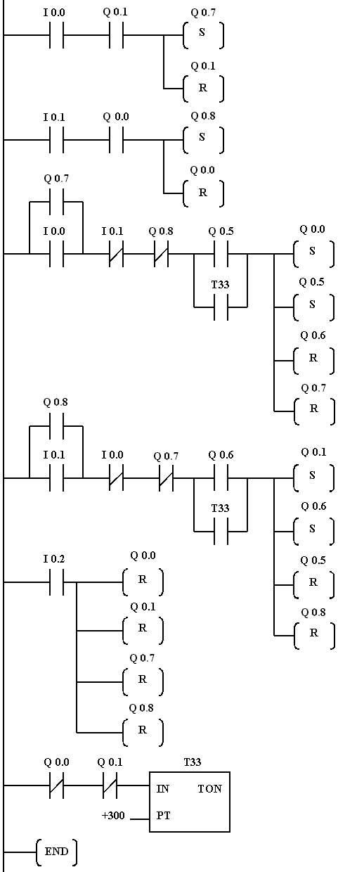
Имеется реверсивный
привод, управляемый
тремя кнопками:
Вариант
а): Напишите
управляющую
программу,
которая разрешает
реверсирование
двигателя
только через
кнопку `Стоп`.

I 0.0 – кнопка
включения
двигателя по
часовой стрелке;
I 0.1 – кнопка
включения
двигателя
против часовой
стрелке;
I 0.2 – кнопка
выключения
двигателя;
Q 0.0 – светодиод,
имитирующий
работу двигателя
по часовой
стрелке;
Q 0.1 – светодиод,
имитирующий
работу двигателя
против часовой
стрелке.
Вариант
б): Напишите
УП в которой,
реверс двигателя
через кнопку
`Стоп`
был бы возможен
только с истечением
трехсекундной
выдержки, а
перезапуск
в том же направлении
осуществлялся
без задержки
после остановки
кнопкой `Стоп`.

I 0.0 – кнопка
включения
двигателя по
часовой стрелке;
I 0.1 – кнопка
включения
двигателя
против часовой
стрелке;
I 0.2 – кнопка
выключения
двигателя;
Q 0.0 – светодиод,
имитирующий
работу двигателя
по часовой
стрелке;
Q 0.1 – светодиод,
имитирующий
работу двигателя
против часовой
стрелке;
Q 0.5 – светодиод,
говорящий что
до нажатия
кнопки стоп
двигатель
вращался по
часовой стрелке;
Q 0.6 – светодиод,
говорящий что
до нажатия
кнопки стоп
двигатель
вращался против
часовой стрелки;
T33
– таймер, осуществляющий
задержку
реверсирования
двигателя.
Диаграмма
работы двигателя
при реверсировании

Вариант
в): Напишите
УП управления
двигателем,
расширив условие
варианта
`б`
так, чтобы двигатель
можно было
реверсировать
без использования
кнопки `Стоп`:
двигатель
запускается
в другом н аправлении
по истечению
трехсекундной
задержки.
Задача
№ 3
 Тележка
перемещается
по рельсам от
одного склада
к другому. Тележка
за один цикл
должна съездить
5 раз туда – обратно
и остановится.
Запускается
цикл с помощью
кнопки без
фиксации. Конечники
имитируются
любыми двумя
кнопками. Время
стоянки на
усмотрение
программиста.
Самый простой
вариант с нулевым
временем стоянки.
Три светодиода
должны индицировать
текущее количество
сделанных
перемещений
туда – обратно.
По окончании
цикла должен
гореть только
один светодиод,
который не
горит во время
выполнения
цикла.
М ИНИСТЕРСТВО
ОБЩЕГО И ПРОФЕССИОНАЛЬНОГО
ОБРАЗОВАНИЯ
РОССИЙСКОЙ
ФЕДЕРАЦИИ
МОСКОВСКИЙ
ГОСУДАРСТВЕННЫЙ
ТЕХНОЛОГИЧЕСКИЙ
УНИВЕРСИТЕТ
«СТАНКИН»

ОТЧЕТ
ПО
Лабораторным
работам № 1, 2
ПО КУРСУ
УПРАВЛЕНИЕ
ЦИКЛОВОЙ
АВТОМАТИКОЙ
Выполнил
ст. гр. КС-9-8:
Копычев
Е.А.
Москва
2000
Лабораторная
работа № 1
Задача
№ 1
Напишите управляющую
программу, в
которой использовалась
бы одна кнопка,
при нажатии
которой загорается
лампочка.

Задача
№ 2
Построить
схему RS
– триггера.

Лабораторная
работа № 2
Задача
№ 1
Имеется робот.
Он включается
и выключается
кнопкой с фиксацией.
У робота есть
датчик. Работу
датчика имитирует
любая кнопка.
Датчик следит
за тем, чтобы
в рабочем
пространстве
робота не было
людей. Если
появится человек,
то робот автоматически
выключается
и сигнализирует
об этом. Работе
робота соответствует
включение
любого светодиода,
сигнализация
организуется
тоже посредством
светодиода.
Напишите
УП для робота.

I 0.0 – кнопка
включения
робота;
I 0.1 – кнопка,
имитирующая
датчик;
Q 0.0 – светодиод,
отражающий
работу робота;
Q 0.1 – светодиод
сигнализации
датчика.
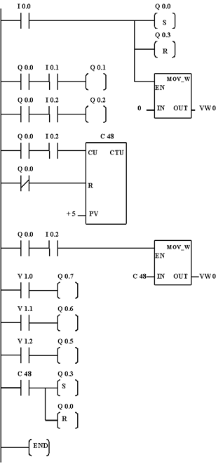
Задача
№ 2
Напишите УП
для манипулятора,
который работает
по следующему
циклу: подача
заготовок с
рабочего места
`А` на
рабочее место
`Б` и
назад – готовых
деталей. На
месте `А`
манипулятор
должен простоять
1 сек., пока его
разгрузят и
загрузят, на
месте `Б`
– 4 сек., пока будет
обработана
заготовка.
Включается
манипулятор
и выключается
одной кнопкой
с фиксацией.
Манипулятор
узнает о том,
что он дошел
до места `А`
или `Б`
по двум конечникам,
которые имитируются
кнопками с
фиксацией.
Четыре светодиода
должны отображать
состояние
манипулятора:
нахождение
на месте `А`,
`Б`,
движение от
`А` к
`Б` и
от `Б`
к `А`.
Один светодиод
индицирует
включение
манипулятора.

I 0.0 –
кнопка включающая
манипулятор;
I 0.1 –
кнопка имитирующая
конечный выключатель
`А`;
I 0.2 –
кнопка имитирующая
конечный выключатель
`Б`;
Q 0.0 –
светодиод,
отражающий
работу манипулятора;
Q 0.1 – светодиод,
сигнализирующий
о нахождении
манип. на месте
`А`;
Q 0.2 – светодиод,
говорящий о
движении манип.
от места `А`
к месту `Б`;
Q 0.3 – светодиод,
говорящий о
движении манип.
от места `Б`
к месту `А`;
Q 0.4 – светодиод,
сигнализирующий
о нахождении
манип. на месте
`Б`;
T33 – таймер,
осуществляющий
задержку манип.
на месте `А`
на 1 сек.;
T34 – таймер,
осуществляющий
задержку манип.
на месте `Б`
на 4 сек.;





|