Банк рефератов содержит более 364 тысяч рефератов, курсовых и дипломных работ, шпаргалок и докладов по различным дисциплинам: истории, психологии, экономике, менеджменту, философии, праву, экологии. А также изложения, сочинения по литературе, отчеты по практике, топики по английскому.
Полнотекстовый поиск
Всего работ:
364139
Теги названий
Разделы
Авиация и космонавтика (304)
Административное право (123)
Арбитражный процесс (23)
Архитектура (113)
Астрология (4)
Астрономия (4814)
Банковское дело (5227)
Безопасность жизнедеятельности (2616)
Биографии (3423)
Биология (4214)
Биология и химия (1518)
Биржевое дело (68)
Ботаника и сельское хоз-во (2836)
Бухгалтерский учет и аудит (8269)
Валютные отношения (50)
Ветеринария (50)
Военная кафедра (762)
ГДЗ (2)
География (5275)
Геодезия (30)
Геология (1222)
Геополитика (43)
Государство и право (20403)
Гражданское право и процесс (465)
Делопроизводство (19)
Деньги и кредит (108)
ЕГЭ (173)
Естествознание (96)
Журналистика (899)
ЗНО (54)
Зоология (34)
Издательское дело и полиграфия (476)
Инвестиции (106)
Иностранный язык (62791)
Информатика (3562)
Информатика, программирование (6444)
Исторические личности (2165)
История (21319)
История техники (766)
Кибернетика (64)
Коммуникации и связь (3145)
Компьютерные науки (60)
Косметология (17)
Краеведение и этнография (588)
Краткое содержание произведений (1000)
Криминалистика (106)
Криминология (48)
Криптология (3)
Кулинария (1167)
Культура и искусство (8485)
Культурология (537)
Литература : зарубежная (2044)
Литература и русский язык (11657)
Логика (532)
Логистика (21)
Маркетинг (7985)
Математика (3721)
Медицина, здоровье (10549)
Медицинские науки (88)
Международное публичное право (58)
Международное частное право (36)
Международные отношения (2257)
Менеджмент (12491)
Металлургия (91)
Москвоведение (797)
Музыка (1338)
Муниципальное право (24)
Налоги, налогообложение (214)
Наука и техника (1141)
Начертательная геометрия (3)
Оккультизм и уфология (8)
Остальные рефераты (21692)
Педагогика (7850)
Политология (3801)
Право (682)
Право, юриспруденция (2881)
Предпринимательство (475)
Прикладные науки (1)
Промышленность, производство (7100)
Психология (8692)
психология, педагогика (4121)
Радиоэлектроника (443)
Реклама (952)
Религия и мифология (2967)
Риторика (23)
Сексология (748)
Социология (4876)
Статистика (95)
Страхование (107)
Строительные науки (7)
Строительство (2004)
Схемотехника (15)
Таможенная система (663)
Теория государства и права (240)
Теория организации (39)
Теплотехника (25)
Технология (624)
Товароведение (16)
Транспорт (2652)
Трудовое право (136)
Туризм (90)
Уголовное право и процесс (406)
Управление (95)
Управленческие науки (24)
Физика (3462)
Физкультура и спорт (4482)
Философия (7216)
Финансовые науки (4592)
Финансы (5386)
Фотография (3)
Химия (2244)
Хозяйственное право (23)
Цифровые устройства (29)
Экологическое право (35)
Экология (4517)
Экономика (20644)
Экономико-математическое моделирование (666)
Экономическая география (119)
Экономическая теория (2573)
Этика (889)
Юриспруденция (288)
Языковедение (148)
Языкознание, филология (1140)

Реферат: Устройство селективного управления работой семисегментного индикатора

Название: Устройство селективного управления работой семисегментного индикатора
Раздел: Рефераты по радиоэлектронике
Тип: реферат Добавлен 19:15:37 25 июля 2005 Похожие работы
Просмотров: 748 Комментариев: 24 Оценило: 4 человек Средний балл: 5 Оценка: неизвестно     Скачать

САНКТ-ПЕТЕРБУРГСКАЯ ИНЖЕНЕРНАЯ ШКОЛА ЭЛЕКТРОНИКИ

КУРСОВОЙ ПРОЕКТ

Пояснительная записка

Тема : УСТРОЙСТВО СЕЛЕКТИВНОГО УПРАВЛЕНИЯ РАБОТОЙ

СЕМИСЕГМЕНТНОГО ИНДЕКАТОРА

КП 2201 453К

Преподаватель Швайка О. Г.


Учащийся Бляхман Е.С.

УТВЕРЖДЕНО

предметной комиссией

« » __________________________ 2004г.

Председатель _______________________

З А Д А Н И Е

на курсовое проектирование по курсу ЭЦВМ и МП

учащемуся Бляхман Е.С. IV курса 453-К группы

СПИШЭ техникума

(наименование среднего специального учебного заведения)


(фамилия, имя, отчество)

Тема задания Устройство селективного управления работой семисегментного индикатора

Курсовой проект на указанную тему выполняется учащимися техникума в следующем объеме:

1. Пояснительная записка.

Введение.

1. Общая часть.


1.1. Назначение устройства управления.


1.2. Составление таблицы истинности работы устройства.


1.3. Минимизация логической функции.


1.4. Выбор и обоснование функциональной схемы устройства.


1.5. Синтез электрической принципиальной схемы в базисе И-НЕ.


1.6. Выбор элементной базы проектируемого устройства.


1.7. Описание используемых в схеме ИМС и семисегментного индикатора.


2. Расчетная часть проекта ______________________________________________________

2.1. Ориентировочный расчет быстродействия и потребляемой мощности устройства


управления.


2.2. Расчет вероятности безотказной работы устройства управления и среднего


времени наработки на отказ.


4. Графическая часть проекта _______________________________________________

Схема электрическая принципиальная.


Устройство селективного управления работой семисегментного индикатора.


Заключение.


Список литературы.


Дата выдачи ______________________________

Срок окончания ______________________________

Зав. отделением ______________________________

Преподаватель ______________________________

ВВЕДЕНИЕ

Развитие микроэлектроники способствовало появлению малогабаритных, высоконадежных и экономичных вычислительных устройств на основе цифровых микросхем. Требования увеличения быстродействия и уменьшения мощности потребления вычислительных средств привело к созданию серий цифровых микросхем. Серия представляет собой комплект микросхем, имеющие единое конструктивно – технологическое исполнение. Наиболее широкое распространение в современной аппаратуре получили серии микросхем ТТЛ, ТТЛШ, ЭСЛ и схемы на МОП – структурах.

ТТЛ схемы появились как результат развития схем ДТЛ в результате замены матрицы диодов многоэмиттерным транзистором. Этот транзистор представляет собой интегральный элемент, объединяющий свойства диодных логических схем и транзисторного усилителя.

1. Общая часть.

1.1. Назначение устройства


На рисунке в виде “черного ящика” показана комбинационная схема (КС) управляющая семисегментным индикатором. На вход схемы подаются различные комбинации двух сигналов X1 , X2 , X3 , X4 (X1 - старший). На индикатор предполагается выводить лишь отдельные цифры из множества шестнадцатеричных цифр. На выходе Y должна быть единица, если соединенный с этим выходом сегмент должен загореться при отображении цифр (для логической схемы). Требуется:

1 . Составить совмещенную таблицу истинности, комплект карт Карно для функции Y, провести совместную минимизацию в СДНФ и записать логические формулы, выражающие Y через X, выполнить преобразование этих формул к виду, обеспечивающему минимально возможную реализацию КС в системе логических элементов ТТЛ серии типа К155 или К555;

2 . Выполнить принципиальную электрическую схему устройства, провести расчет быстродействия и мощности;

3 . Выполнить расчет надежности.

1.2. Составление таблицы истинности работы устройства .

Создание таблицы истинности работы устройства по следующему набору комбинаций 1, 2, 3, 4, 7, 8, B , C , F .

N

X1

X2

X3

X4

Y1

Y2

Y3

Y4

Y5

Y6

Y7

1

0

0

0

1

1

0

0

0

0

0

1

2

0

0

1

0

1

1

0

1

1

1

0

3

0

0

1

1

1

1

0

1

0

1

1

4

0

1

0

0

1

0

1

1

0

0

1

7

0

1

1

1

1

1

0

0

0

0

1

8

1

0

0

0

1

1

1

1

1

1

1

B

1

0

1

1

0

0

1

1

1

1

1

C

1

1

0

0

0

1

1

0

1

1

0

F

1

1

1

1

0

1

1

1

1

0

0

1.3. Минимизация логической функции.

Составить СДНФ по таблице, построить карты Карно и минимизировать их .

1

1

1

1

1

1

1

1

1

1

1

1

1

1

1

1

1

1

1

1

1

1

1

1

1

1

1

1

1

1

1

1

1

1

1

1

1

1

1


1.4. Выбор и обоснование функциональной схемы устройства.

1.5. Синтез электрической принципиальной схемы

в базисе «И-НЕ».

Можно уменьшить количество наименований схем. Это можно сделать путем преобразования с помощью формул:

В результате получаем только схемы “И-НЕ” и схемы отрицания

Повторяющиеся значения формул СДНФ

1.6. Выбор и обоснование элементной базы.

Для проектирования было предложено выбрать элементы ТТЛ серий 155 и 555. После сравнения характеристик этих двух серий мною была выбрана 555 серия.

Потому что:

¾ во-первых, коэффициент разветвления у неё в два раза больше, чем у 155 серии, что в дальнейшем даст возможность не использовать дополнительные резисторы на входе схемы

¾ во-вторых, элементы 555 серии потребляют меньше мощности в отличие от серии 155, так как их максимальное напряжение и сила тока меньше, чем у 155 серии.

В 555 серию входят различные логические элементы общим числом 98 наименований. Их назначение заключается в построении узлов ЭВМ и устройств дискретной автоматики с высоким быстродействием и малой потребляемой мощностью.

Элементы И – НЕ в 555 серии содержат простые n-p-n транзисторы VT2 – VT4, многоэмиттерный транзистор VT1, а так же резисторы и диоды, количество которых зависит от конкретного элемента. Такая схема обеспечивает возможность работы на большую емкостную нагрузку при высоком быстродействии и помехоустойчивости.

В качестве индикатора выбран семисегментный индикатор АЛС320Б, один из немногих индикаторов способный отображать не только цифровую информацию, но и буквенную, что необходимо в проектируемом устройстве.

В моей схеме используется следующие микросхемы серии К555:

К555ЛА1, К555ЛА2, К555ЛА4, К555ЛН1, К555ЛН2

1.7. Описание используемых в схеме ИМС и семисегментного индикатора.

К555ЛА1

Два логических элемента 4И-НЕ


выв.

Назначение


выв.

Назначение

1

2

3

4

5

6

7

Вход Х1

Вход Х2

Свободный

Вход Х3

Вход Х4

Выход Y1

Общий

8

9

10

11

12

13

14

Выход Y2

Вход Х5

Вход Х6

Свободный

Вход Х7

Вход Х8

Ucc


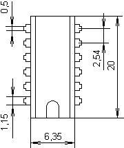
DIP14

Пластик


Тип микросхемы

К555ЛА1

Фирма производитель

СНГ

Функциональные особенности

2 элемента 4И-НЕ

Uпит

5В ± 5%

Uпит (низкого ур-ня)

≤ 0,5В

Uпит (высокого ур-ня)

≥ 2,7В

Iпотреб (низкий ур-нь Uвых )

≤ 2,2мА

Iпотреб (высокий ур-нь Uвых )

≤ 0,8мА

Iвых (низкого ур-ня)

≤ |-0.36|мА

Iвых (высокого ур-ня)

≤ 0,02мА

P

7,88мВт

tзадержки

20нСек

Kразвёртки

20

Корпус

DIP14

К555ЛА2

Логический элемент 8И-НЕ


выв.

Назначение


выв.

Назначение

1

2

3

4

5

6

7

Вход Х1

Вход Х2

Вход Х3

Вход Х4

Вход Х5

Вход Х6

Общий

8

9

10

11

12

13

14

Выход Y1

Свободный

Свободный

Вход Х7

Вход Х8

Свободный

Ucc


DIP14

Пластик


Тип микросхемы

К555ЛА2

Фирма производитель

СНГ

Функциональные особенности

элемент 8И-НЕ

Uпит

5В ± 5%

Uпит (низкого ур-ня)

≤ 0,5В

Uпит (высокого ур-ня)

≥ 2,7В

Iпотреб (низкий ур-нь Uвых )

≤ 1,1мА

Iпотреб (высокий ур-нь Uвых )

≤ 0,5мА

Iвых (низкого ур-ня)

≤ |-0,4|мА

Iвых (высокого ур-ня)

≤ 0,02мА

P

4,2мВт

tзадержки

35нСек

Kразвёртки

20

Корпус

DIP14

К555ЛА4

Три логических элемента 3И-НЕ


выв.

Назначение


выв.

Назначение

1

2

3

4

5

6

7

Вход Х1

Вход Х2

Вход Х4

Вход Х5

Вход Х6

Выход Y2

Общий

8

9

10

11

12

13

14

Выход Y3

Вход Х7

Вход Х8

Вход Х9

Выход Y1

Вход Х3

Ucc


DIP14

Керамический


Тип микросхемы

К555ЛА4

Фирма производитель

СНГ

Функциональные особенности

3 элемента 3И-НЕ

Uпит

5В ± 5%

Uпит (низкого ур-ня)

≤ 0,5В

Uпит (высокого ур-ня)

≥ 2,7В

Iпотреб (низкий ур-нь Uвых )

≤ 1,2мА

Iпотреб (высокий ур-нь Uвых )

≤ 0,8мА

Iвых (низкого ур-ня)

≤ |-0.36|мА

Iвых (высокого ур-ня)

≤ 0,02мА

P

11,8мВт

tзадержки

15нСек

Kразвёртки

20

Корпус

DIP14

К555ЛН 1

Шесть инверторов


выв.

Назначение


выв.

Назначение

1

2

3

4

5

6

7

Вход Х1

Выход Y1

Вход Х2

Выход Y2

Вход Х3

Выход Y3

Общий

8

9

10

11

12

13

14

Выход Y4

Вход Х4

Выход Y5

Вход Х5

Выход Y6

Вход Х6

Ucc

12


DIP14

Пластик


Тип микросхемы

К555ЛН1

Фирма производитель

СНГ

Функциональные особенности

6 инверторов

Uпит

5В ± 5%

Uпит (низкого ур-ня)

≤ 0,5В

Uпит (высокого ур-ня)

≥ 2,7В

Iпотреб (низкий ур-нь Uвых )

≤ 6,6мА

Iпотреб (высокий ур-нь Uвых )

≤ 2,4мА

Iвых (низкого ур-ня)

≤ |-0.36|мА

Iвых (высокого ур-ня)

≤ 0,02мА

P

23,63мВт

Tзадержки

≤ 20нСек

Kразвёртки

20

Корпус

DIP14

К555ЛН2

Шесть инверторов с открытым коллекторным выходом


выв.

Назначение


выв.

Назначение

1

2

3

4

5

6

7

Вход Х1

Выход Y1

Вход Х2

Выход Y2

Вход Х3

Выход Y3

Общий

8

9

10

11

12

13

14

Выход Y4

Вход Х4

Выход Y5

Вход Х5

Выход Y6

Вход Х6

Ucc

12


DIP14

Пластик


Тип микросхемы

К555ЛН2

Фирма производитель

СНГ

Функциональные особенности

6 инверторов с открытым коллекторным выходом

Uпит

5В ± 5%

Uпит (низкого ур-ня)

≤ 0,5В

Uпит (высокого ур-ня)

≥ 2,7В

Iпотреб (низкий ур-нь Uвых )

≤ 6,6мА

Iпотреб (высокий ур-нь Uвых )

≤ 2,4мА

Iвых (низкого ур-ня)

≤ |-0.36|мА

Iвых (высокого ур-ня)

≤ 0,02мА

P

23,63мВт

Tзадержки

≤ 32нСек

Kразвёртки

20

Корпус

DIP14

ИНДИКАТОР ЦИФРОВОЙ

АЛС320Б


Название

АЛС320Б

Цвет свечения

зеленый

Н, мм

5

М

1

Lmin, нм

555

Lmax, нм

565

Iv, мДж

0.15

при Iпр, мА

10

Uпр max(Uпр max имп), В

3

Uобр max(Uобр max имп), В

5

Iпр max(Iпр max имп), мА

12

Iпр и max, мА

60

при tи, мс

1

при Q

12

Т,°С

-60…+70

2. Расчетная часть

2.1. Расчет быстродействия и потребляемой мощности устройства

· Расчет номиналов резисторов

Из расчетов видно, что сопротивление равно 758 Ом, а его наминал,
равен 1 кОм. Сопротивление индикатора равно 167 Ом, а его
наминал, равен 250 Ом.

· Расчет быстродействия

Таким образом, из расчета, время задержки составляет 127 нс.

· Расчет мощности

Таким образом, из расчета я получил потребляемую мощность

равную 402,88 мВт

2.2. Расчет вероятности безотказной работы устройства и
среднего времени наработки на отказ.

Наименее

Обозначение
на схеме

Кол-во
элементов

lо

10-6

Режим работы

Усл. раб.
Кl

Коэф.
а

li =a×кl ×lо

10-6

10-6

Кн

tс

Резисторы

R1

1

1

1

50

1,6

2,7

4,32

4,32

R2-8

7

0,4

1,728

12,096

ИМС

DD1 -DD10

10

0,1

1

50

1

2,7

0,27

2,7

ИМС

(К555ЛН2)

DD11 -DD12

2

0,08

1

50

1

2,7

0,216

0,432

Индикатор

VD

7

5

1

50

1,6

2,7

21,6

151,2

1. Прикидочный расчет

2. Ориентировочный расчет

3. Окончательный расчет

Графическая часть проекта.


Заключение.

В курсовом проекте я разработал электрическую принципиальную схему управления семисегментного индикатора.

Изначально, по заданию, составив таблицы истинности и минимизировав логическую функцию, получили те сигналы, которые поступят непосредственно на индикатор (пройдя предварительную инверсию). Преобразовав полученные формулы и выделив повторяющиеся блоки, оптимизировал работу схемы. В ней используются микросхемы серии К555, т.к. они являются более новыми, чем серия К155, а также рассчитывались номинал резисторов, быстродействие, потребляемая мощность и вероятность безотказной работы устройства.

Значение прикидочного расчета больше, так как при его расчете было взято максимальное значение коэффициента интенсивности отказов, а в ориентировочном расчете для каждого элемента свое. Из-за этой разницы в ориентировочном расчете увеличилось P(t) и Tср.

Список литературы.

1. «Справочник по интегральным микросхемам» Тарабин; Москва 1981г.

2. «Цифровые интегральные микросхемы» Богданович М.И., Грель И.Н., Похоренко В.А., Шалимо В.В.; Минск, Беларусь 1991г.

3. Конспект по предмету «Конструирование ЭВМ» преподаватель – Пушницкая И.В.

4. Конспект по предмету «Типовые элементы и устройства цифровой техники» преподаватель – Золотарев И.В., Тихонов Б.Н.

5. методическая указания к выполнению курсового проекта по предмету «Электронные цифровые вычислительные машины и микропроцессоры» Пушницкая И.В., Чечурина А.В.

Ленинград 1990г.

6. Методические рекомендации по оформлению курсовых и дипломных проектов Лагутина Н.И.; Ленинград 1987г.

7. «Справочник по полупроводниковых электронных приборов» Иванов В.И.

8. «Справочник интегральных микросхем» Нефедов

9. «Импульсные и цифровые устройства» Браммер Ю.А., Пащук И.Н.

Оценить/Добавить комментарий
Имя
Оценка
Комментарии:
Хватит париться. На сайте FAST-REFERAT.RU вам сделают любой реферат, курсовую или дипломную. Сам пользуюсь, и вам советую!
Никита02:19:46 02 ноября 2021
.
.02:19:44 02 ноября 2021
.
.02:19:44 02 ноября 2021
.
.02:19:44 02 ноября 2021
.
.02:19:43 02 ноября 2021

Смотреть все комментарии (24)
Работы, похожие на Реферат: Устройство селективного управления работой семисегментного индикатора

Назад
Меню
Главная
Рефераты
Благодарности
Опрос
Станете ли вы заказывать работу за деньги, если не найдете ее в Интернете?

Да, в любом случае.
Да, но только в случае крайней необходимости.
Возможно, в зависимости от цены.
Нет, напишу его сам.
Нет, забью.



Результаты(287856)
Комментарии (4159)
Copyright © 2005-2021 HEKIMA.RU [email protected] реклама на сайте