Центр образования Карасунскго Административного округа.
Творческий проект.
По специальности:
«автослесарь».
Тема:
«Система охлаждения автомобиля Зил-130».
Подготовил:
ученик 11 класса «В» сош. №53
Радченко Артем Александрович
Руководитель проекта:
Марков Виктор Фёдорович.
Г. Краснодар – 2003г.
Содержание:
Введение.
1.Устройство и принцип действия системы охлаждения Зил-130.
1.1.Назночение системы охлаждения Зил-130.
1.2.Принцып действия системы охлаждения Зил-130.
1.3.Устройство системы охлаждения Зил-130.
1.3.1.Радиатор.
1.3.2.Пробка радиатора.
1.3.3.Жалюзи.
1.3.4.Вентилятор.
1.3.5.Электротепловой указатель температуры.
1.3.6.Водяной насос.
1.3.7.Термостат.
2.Возможные неисправности системы охлаждения Зил-130.
2.1.Перегрев двигателя.
2.2.Переохлаждение двигателя.
2.3.Недостаточное количество охлаждающей жидкости.
2.4.Неплотности в соединениях.
2.5.Пробуксовка ремня радиатора.
2.6.Невключение электрофрикционной магнитной муфты.
2.7.Заедание термостата.
2.8.Заедание жалюзи.
3.Техническое обслуживание системы охлаждения Зил-130.
3.1.Применение Антифриза.
3.2.Ежидневное техническое обслуживание.
3.3.Обслуживание дважды в год.
3.4.ТО-1.
3.5.ТО-2.
3.6.Регулировка ременных передач.
3.7.Промывка системы.
4.Ремонт системы охлаждения автомобиля Зил-130.
4.1.Радиатор трех рядный трубчатый.
4.2.Водяной насос.
Список использованной литературы.
Введение.
Создание конструкции и освоение производства новых грузовых автомобилей семейства ЗИЛ-130, принципиально отличающихся, является серьезной трудовой победой коллективов Московского автомобильного завода имени И.А. Лихачева и многочисленных заводов поставляющих приборы, агрегаты, материалы, заготовки и оборудование для производства автомобилей. Московский автозавод имени И.А. Лихачева первый среди автомобильных заводов страны приступил к массовому выпуску автомобилей с мощными карбюраторами 8-ми цилиндровыми двухрядными двигателями. В связи с большим запасом мощности двигателя высокоэффективное использование автомобилей ЗИЛ-130 и его модификации достигается прежде всего, при использовании с ними прицепов и полуприцепов. Новые возможности получения высоких эксплутационных показателей возникают при использовании длиннобазного автомобиля ЗИЛ - 130 Г. Автомобили ЗИЛ – 130 обладают высокой долговечностью и надежностью. В результате дальнейшего совершенствования конструкции автомобилей, применения новых материалов и новой технологии производства в 1966 году завод должен обеспечить пробег до капитального ремонта 200 тысяч километров. Возможность получения высоких эксплутационных показателей в значительной степени зависит от совершенства знаний конструкции автомобилей работниками эксплуатации, соблюдения или правил технического обслуживания и подготовки технических служб автохозяйств к приёму новых автомобилей. Следует иметь в виду, что высокая эффективность использования, долговечность и надежность в эксплуатации автомобилей, ЗИЛ – 130 гарантированны только при условии применения предусмотренных заводов высококачественных топлив и смазочных материалов.
Автомобиль ЗИЛ – 130 обладает значительно более высокими динамическими качествами Внешняя характеристика двигателя ЗИЛ – 130 составляет 41 кГн. Высокие мощные показатели двигателя ЗИЛ – 130 получены за счёт увеличения степени сжатия. Максимальная скорость, развиваемая полностью груженым автомобилем на горизонтальном, прямом и равном автомобильной дороги с твердым покрытием составляет 80 – 85 км/час.
1.Устройство и принцип действия системы охлаждения Зил-130.
1.1.Назночение системы охлаждения Зил-130.
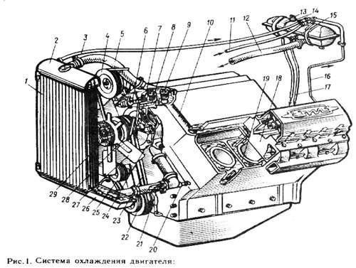
Система охлаждения предназначена для принудительного отвода от деталей лишней теплоты и передачи её окружающему воздуху.В результате этого создается определённый температурный режим, при котором двигатель не перегревается и не переохлаждается, т.е. рабочий цикл протекает нормально.Наивыгоднейший тепловой режим работы двигателя создается при температуре охлаждающей жидкости 80 –95 градусов Цельсия и обеспечивается системой охлаждения двигателя (рис.1.).

На двигатели ЗИЛ-130 приняты жидкостная система охлаждения закрытого типа, т. е. она не связана непосредственно с атмосферой, в результате чего давление в системе увеличивается и повышается температура кипения охлаждающей жидкости (до 108 – 119°), а также снижается расход жидкости на испарение.
В систему охлаждения входят:
рубашки охлаждения блока
, головок
цилиндров и впускного трубопровода
, радиатор
, патрубки
, шланги
, водяной насос
, вентилятор
, термостат
, жалюзи
, сливные краники
.
1.2. Принцип действия системы охлаждения Зил-130.
Система охлаждения должна быть полностью заполнена охлаждающей жидкостью. Если жидкости не достаёт 5-7 % от ёмкости системы, может прекратиться её циркуляция, что при низких температурах приводит к образованию накипи, а при высоких температурах к перегреву двигателя. Для контроля температурного состояния системы в рубашке охлаждения впускного трубопровода установлен датчик указателя температуры охлаждающей жидкости. Если температура охлаждающей жидкости свыше 115° (у Зил-130) на щетке загорается сигнальная лампа, включаемая датчиком, установленным в верхнем бочке радиатора.
Охлаждающая жидкость из радиатора поступает по нижнему патрубку с распорной пружиной в водяной насос, из которого по двум раструбам и поступает в правую и левую рубашки охлаждения блока цилиндров. Охлаждающая жидкость в рубашке охлаждения двигателя нагревается за счет отбора теплоты от цилиндров. По рубашке охлаждения жидкость поднимается вверх и по каналам, проходящим у выпускных клапанов, поступает в рубашки охлаждения головок цилиндров, из которых горячая жидкость проходит в рубашку впускного трубопровода и нагревает его, обеспечивая лучшие условия смесеобразования. Далее жидкость проходит через клапан термостата и по выпускному патрубку и его шлангу возвращается в радиатор, где она растекается по тонким латунным трубкам и отдаёт им свою теплоту. Охлаждению жидкости способствует интенсивный обдув радиатора и двигателя встречным воздухом, усиленным вентилятором который приводится во вращение вместе с валом водяного насоса от шкива коленчатого вала.
Смотрите дальше.
1.3. Устройство системы охлаждения Зил-130.
1.3.1. Радиатор.
Радиатор состоит из
нижнего и верхнего бачков
, сердцевины
, патрубков
, горловины с пробкой и пароотводной трубки
.
Радиатор, расположенный на раме впереди двигателя, крепят на резиновых подушках с пружинами. Он охлаждается встречным потоком воздуха, а вентилятор установленный между радиатором и двигателем, усиливает этот поток.
Наиболее распространены трубчатые и пластинчатые радиаторы.
У трубчатых
сердцевина образована несколькими рядами латунных трубок пропущенных через горизонтальные пластины увеличивающие поверхность охлаждения и предающих радиатору жесткость.
У пластинчатых
сердцевина состоит из одного ряда плоских латунных трубок, каждая из которых изготовлена из спаянных между собой по краям гофрированных пластин.
Верхний бачок радиатора (кроме КАМАЗа) имеет заливную горловину и пароотводную трубку. Горловина радиатора герметически закрывается пробкой имеющей два клапана.
1.3.2. Пробка радиатора.
Пробка радиатора закрывается герметично, что уменьшает потери воды от испарения или расплескивания. Паровой клапан предохраняет систему, и особенно радиатор, от разрыва и выпучивания: он открывается, когда вода закипает и давление в системе достигает 1,25 кгс/см2
(125 кн/м2
). Воздушный клапан предотвращает смятие радиатора при охлаждения (конденсации паров воды). При разрежении 0,8 кгс/см2
(80 кн/м2
) он открывается и в радиатор поступает воздух. В герметично закрытую систему охлаждения не нужно часто доливать воду, это уменьшает отложение накипи на стенках рубашки головки и блока цилиндров и теплопередачу стенок не ухудшает. У автомобиля КАМАЗ и Газ-24 в системе охлаждения имеется расширительный бачок, позволяющий охлаждающей жидкости изменить объем при расширении или охлаждении.
1.3.3. Жалюзи.
Жалюзи (металлические створки), установленные перед радиатором, позволяют водителю регулировать поток воздуха, проходящий через радиатор. При прогреве двигателя и движении в холодное время жалюзи прикрывают, чтобы обеспечить наиболее выгодную температуру охлаждающей жидкости.
1.3.4. Вентилятор.
Вентилятор усиливает поток воздуха через сердцевину радиатора. Ступицу вентилятора крепят на валу водяного насоса, они вместе приводятся во вращение от шкива колен вала одним или двумя трапециевидными ремнями. Вентилятор заключен в установленный на рамке радиатора кожух, что способствует увеличению скорости потока воздуха проходящего через радиатор.
1.3.5. Электротепловой указатель температуры.
Температуру воды в системе охлаждения контролируют по электротепловому термометру. Он состоит из датчика, установленного в головке блока цилиндров и указателя, расположенного на щитке приборов.
При включенном зажигании термометр не действует и стрелка занимает положение за 100°. Когда зажигание включено, ток через замкнутые контакты датчика протекает по спирали указателя и нагревает биметаллическую пластину. Пластина изгибается, и ее верхний конец перемещает стрелку в крайнее левое положение (за число «40»). Биметаллическая пластина датчика, нагретая током, проходящим по спирали, изгибается и размыкает контакты, прерывая цепь тока по спирали. Пластина охлаждается и начинает выпрямляться. Одновременно охлаждается и пластина датчика, так как по ее спирали также прекратится течение тока. Контакты датчик снова замкнутся.
У непрогретого двигателя размыкание контактов кратковременно, пластина датчика интенсивно нагревается, и стрелка показывает соответствующую низкую температуру. С увеличением температуры воды контакты разомкнуты длительнее. Стрелка перемещается вправо и указывает более высокую температуру.
1.3.6. Водяной насос.
Охлаждающая жидкость в системе охлаждения должна прокачиваться до 10 раз в 1 минуту. Для обеспечения циркуляции жидкости в систему охлаждения двигателя ЗИЛ-130 включен укрепленный на переднем торце блока двигателя ЗИЛ-130 центробежный водяной насос (рис.2) с односторонним подводом жидкости. Вал (рис.2) привода водяного насоса (6) установлен в чугунном корпусе (9) на двух шариковых подшипниках между которыми находится распорная втулка. Крыльчатка наоса находится на одном валу с вентилятором. Для предупреждения попадания жидкости в корпус подшипников (5) на заднем конце вала (6) в ступице крыльчатки помещен самоподжимный сальник, состоящий из резиновой манжеты (2) с пружиной (1), обоймы (4) и текстолитовой шайбы (3), которая плотно прижимается к торцу корпуса насоса (9).

Охлаждающая жидкость поступает в центр крыльчатки 7 насоса от радиатора по патрубку, и далее от крыльчатки подаётся под паром 1,4 – 2,6 кГ/см.2
через раструбы в правую и левую группы цилиндров двигателя.
В корпусе подшипников (5) имеется отверстие, через которое при износе деталей сальника жидкость вытекает наружу. Для смазки подшипников в их корпусе имеются масленка и контрольное отверстие для выхода лишнего смазочного материала.
1.3.7. Термостат.
Термостат установлен на выходе охлаждающей жидкости из рубашки охлаждения впускного трубопровода двигателя (у двигателя ЗИЛ-645 два термостата, установленных в закрепленной на крышке распределительных шестерен термостатной коробке). В системе охлаждения двигателя ЗИЛ-130 и ЗИЛ-645 применен термостат (рис.3.4.б, в) с твердым наполнителем, состоящим из смеси церезина с медным порошком.

Наполнитель помещен в медном баллоне (14), закрытом резиновой диафрагмой (15), упирающейся в резиновый буфер (9). Сверху буфера установлен шток (10), соединенный с рычагом, который при помощи пружины удерживается в закрытом положении. При нагревании охлаждающей жидкости до70° C наполнитель в баллоне начинает плавиться и, расширяясь, поднимает диафрагму вверх. Давление диафрагмы через буфер и шток передается на рычаг, который открывает заслонку (11) термостата. У двигателя ЗИЛ-645 имеется, помимо основного радиаторного клапана (20), перепускной клапан (22), который открыт при прогреве двигателя и закрывается при нагреве жидкости до температуры 78°…95° C. При этом открывается основной клапан и жидкость начинает циркулировать через радиатор.
При работе двигателя жидкость из нижнего бачка радиатора (26) через отводящий шланг (21) нагнетается водяным насосом в рубашку охлаждения блока цилиндров и головок блока. При прогреве холодного двигателя патрубок, соединяющий рубашку охлаждения двигателя, перекрыт клапаном термостата и жидкость циркулирует по малому кругу, минуя радиатор и поступая из рубашки охлаждения (включая рубашку охлаждения компрессора пневматического привода тормозов) опять к водяному насосу. При прогреве жидкости открывается клапан термостата, и она начинает циркулировать по большому кругу через радиатор, который обеспечивает необходимый отвод тепла.
Смотрите дальше.
2.Возможные неисправности системы охлаждения Зил-130.
2.1.Перегрев двигателя.
Перегрев двигателя возможен в результате появления следующих неисправностей: недостаточное количество охлаждающей жидкости, пробуксовка или обрыв ремня вентилятора и водяного насоса, не включение электромагнитной фрикционной муфты, выключения вентилятора, заедание термостата и жалюзи радиатора в закрытом положении, отложение большого количества накипи. Перегрев ухудшает количественное наполнение цилиндра горючей смесью, вызывает разжижение и выгорание масла, в результате чего могут заклинится поршни в цилиндрах и выплавится вкладыши подшипников.
2.2.Переохлаждение двигателя
Переохлаждения двигателя может быть при заедании термостата и жалюзи в открытом положении, а также при отсутствии утеплительных чехлов в зимнее время. При переохлаждении увеличиваются потери на трении, уменьшается мощность двигателя на холодных деталях конденсируются поры бензина и в виде капель стекают по зеркалу цилиндра смывая смазку, возрастает износ деталей и чаще требуется заменять масла.
2.3.Недостаточное количество охлаждающей жидкости.
Недостаточное количество охлаждающей жидкости возможно в случае ее утечки или выкипания.
Вытекание жидкости происходит через не плотности в соединениях шлангов и сливных кранов, трещин в радиаторе и рубашке охлаждения, при повреждении сальника водяного насоса или повреждении прокладки головки цилиндров.
2.4.Неплотности в соединениях.
Не плотности в соединениях шлангов устраняют подтяжкой хомутиков (если резьба натяжного болта хомутика использована полностью, то под снятый хомутик подкладывают тонкую металлическую полоску), а краники пропускающие жидкость следует притереть. Для этого их снимают с двигателя, разгибают, на рабочую поверхность наносят притирочную пасту (такую же, как и для притирки клапанов газораспределительного механизма) и возвратно-вращательным движением притирают до появления матовой полости на всей рабочей поверхности краника. Трещины в радиаторе устраняют пайкой. Признаком повреждения сальника водяного насоса являются течь охлаждающей жидкости через контрольное отверстие в корпусе насоса.
При появлении этой неисправности необходимо слить охлаждающую жидкость, ослабить ремень вентилятора и снять его, ослабить хомутики, отсоединить резиновый шланг и осторожно снять водяной насос с тем, чтобы не повредить прокладки, отвернув болт крепления крыльчатки, снять ее. В сальнике может быть повреждена либо резиновая ланжета, либо самоподвижная шайба, поврежденные деталей заменить, насос собрать и установить. В случае повреждения прокладки головки цилиндров ее следует заменить.
2.5.Пробуксовка ремня радиатора.
Пробуксовка ремня радиатора возможна из-за замасливания его или приводных шкивов, а также в результате слабого его натяжения. Замасленный ремень и шкивы следует протереть сухой тряпкой, а натяжения ремня отрегулировать. Натяжение ремня вентилятора двигателя ЗИЛ-130: шкив вентилятора приводится в действие двумя ремнями.
2.6.Невключение электрофрикционной муфты.
Натяжение одного из них регулируют перемещением генератора, а второго – перемещением насоса гидроуселителя рулевого управления. Не включение электрофрикционной магнитной муфты возможно в результате повреждения теплового реле, скользящего контакта или обмотка электромагнита.
2.7.Заедание термостата.
Заедание термостата в закрытом положении прекращает циркуляцию жидкости через радиатор. В этом случае двигатель перегревается, а радиатор остается холодным. При заедании термостата в открытом положении происходит переохлаждение двигателя. В обеих случаях термостат следует проверить предварительно выпустив жидкость из системы охлаждения и осторожно сняв патрубок. Для проверки термостат опускают в сосуд с водой. Нагревая воду, следят за клапаном термостата и термометром. Клапан должен начать открываться при температуре 70° C и полностью открывается при температуре 83-90° C. При осмотре термостата необходимо обратить внимание на отсутствие накипи и чистоту отверстия в клапане, предназначенного для пропуска воздуха.
2.8.Заедание жалюзи.
Заедание жалюзи возможно в следствии недостаточной или несвоевременной смазки его привода. Трос вместе с оболочкой необходимо снять, промыть в керосине (или дизельном топливе), и смазав, поставить на место.
Для проверки действия жалюзи рукоятку отводят в крайнее переднее положение (при этом жалюзи впереди радиатора должны полностью открыться), а затем – в крайнее заднее (жалюзи должны полностью закрыться). Рукоятка должна двигаться свободно и фиксироваться в любом положении.
Смотрите дальше.
3.Техническое обслуживание системы охлаждения Зил-130.
3.1.Применение Антифриза.
Систему охлаждения автомобиля работающего при низких температурах целесообразно заправлять низкозамерзающей жидкостью антифризом состоящим из смеси этиленгликоля и воды. Низко замерзающую жидкость выпускают двух марок 40° и 65°.
Антифриз марки 40 состоит из 53 % этиленгликоля и 47 % воды, его применяют при температуре до 40° C.
Антифриз марки 65 состоит из 66 % этиленгликоля и 34 % воды, его применяют при температуре до 65° C.
Учитывая большой коффициэнт объема расширения антифриза, систему охлаждения заправляют только на 93 – 95 % ее вместимости. В процессе эксплотации следят за уровнем антифриза и доливают только воду так – как она испаряется быстрее этилен гликоля.
Для системы охлаждения КАМАЗ применяют жидкость ТАСОЛ содержащую кроме этиленгликоля присадки уменьшающие коррозию метала.
Этиленгликолевые жидкости ядовиты, при наступлении летнего времени антифриз надо слить, промыть и заполнить водой систему, слитый антифриз профильтровать герметически закрыть и хранить до следующей Зимы.
Жидкость ТАСОЛ применяют в течении всего года так как она не вызывает коррозии.
3.2.Ежидневное техническое обслуживание.
При ЕО проверяют уровень охлаждающей жидкости и отсутствие ее подтекания. При необходимости доливают жидкость или чистую воду. Путем осмотра соединений шлангов с патрубками и спускных краников, а также пола под автомобилем убеждаются, что вода не подтекает. То же самое проделывают после пуска и прогрева двигателя до начала движения. Подтекания устраняют.
В условиях безгаражного хранения автомобилей при использовании в системе охлаждения воды в холодное время года после окончания работы воду сливают.
3.3.Обслуживание дважды в год.
Дважды в год рекомендуется снять и проверить термостат, контролировать действие жалюзи и удалить накипь из системы охлаждения.
3.4.ТО-1.
При ТО-2 смазывают солидолом подшипники валика водяного насоса и вентилятора. Смазку нагнетают солидолонагнетателем до тех пор, пока из контрольного отверстия корпуса не появится свежая смазка.
3.5.ТО-2.
ТО-2: проверить герметичность системы охлаждения и при необходимости устранить утечку жидкости.
Закрепить радиатор, его облицовку, жалюзи и утеплительный капот (в холодное время года).
Закрепить водяной насос и проверить натяжение ремня привода вентилятора; при необходимости отрегулировать натяжные ремни.
Закрепить вентилятор и проверить действие электромагнитной фрикционной муфты (ЗМЗ-53). Для проверки муфты закрыто жалюзи и довести температуру в системе охлаждения до 88° C, при этой температуре вентилятор должен включатся. Открыв жалюзи, довести температуру в системе охлаждение до 80° C, при этом вентилятор должен так же включатся.
Смазать подшипник водяного насоса (по графику).
Проверить действие и герметичность системы отопления.
Проверить действие жалюзи. При крайнем переднем положении рукоятки пластины жалюзи должны быть полностью открыты, постепенно закрываясь при перемещении рукоятки на себя.
Проверить действие паро-воздушного клапана пробки радиатора.
3.6.Регулировка ременных передач.
При замасливании приводных ремней и ослабление их натяжения возможна пробуксовка. Замасленные ремни необходимо протереть тряпкой, слегка смоченной в бензине. Регулировку натяжения ремня привода вентилятора и генератора производят поворотом генератора на его опоре, после чего генератор закрепляют кулисой. При нажатии с силой в 4 кГ прогиб ремня посередине между шкивами генератора и вентилятора должен быть 10-15 мм. Регулировку натяжения ремня насоса гидроусилителя рулевого управления производят передвигая кронштейн с насосом. Требования к натяжению ремня привода компрессора регулируют раздвиганием половинок его шкива.
3.7.Промывка системы.
При сезонном обслуживании и не реже чем через 30000 – 40000 км, пробега автомобиля необходимо с целью удаления накипи, промывать систему охлаждения двигателя. Когда охлаждение накипи незначительны, промывку системы рекомендуется производить сильной струёй воды, подаваемой в направлении, обратном нормальной циркуляции. При этом радиатор и рубашку охлаждения двигателя при снятом термостате промывают раздельно. Когда отложение накипи велики и накипь прочна (в случаи работы на жесткой воде) применяют химические способы очистки. Эти способы очистки направлены на разрушение нерастворимых солей накипи с помощью различных растворов. Состав некоторых растворов, применяемых для удаления накипи в двигателях с головками цилиндров из алюминиевых сплавов.
При промывке насыщенным раствором тринатрийфосфата его в течение 2 – 3 дней работы автомобиля через каждые 12 часов доливают в систему охлаждения и радиатор раздельно, промывая водой. При проливе растворами хромового ангидрида и кальцинированной соды их заливают в систему и по истечению времени указанного в таблице №1 пускают и прогревают двигатель на малых оборотах холостого хода в течении 10 –20 минут доводя раствор до кипения. После этого раствор при работающем двигателе сливают и одновременно систему промывают водой.
Состав растворов , применяемых
для удаления накипи.
Таблица №1.
Состав раствора
|
Количество на 10 литров воды |
Время, потребное для удаления накипи |
| Насыщенный раствор тринатрийфосфата (100 г. на 1 литр воды) |
50 – 100 см.
куб. |
2 – 3 дня |
| 0,2 – процентный раствор хромового ангидрида |
20 г. |
8 – 10 часов |
Смесь состоящая из:
кальцинированной соды
хромпика
раствор ингибированной соляной кислоты
|
1000 – 1200 г
20 30 г
0,5 – 0,6 л
|
10 –12 и более
10 – 12 и более
1 – 2 и более
|
При промывке раствором ингибрированоой соляной кислоты, сначала двигатель тщательно промывают водой ( в течении 10 15 мин). Затем заливают раствор, пускают двигатель и нагревают раствор до температуры не выше 60 – 70 град. Цельсия, после 10 минут работы двигателя раствор сливают, а систему тщательно ( до 4 раз) промывают водой при работающем двигателе. Продолжительность первой и второй промывок по 5 минут, а последующие по 10 – 15 минут. При третьей промывке на каждый литр воды добавляют 5 грамм безводной соды и 5 грамм хромпика.
Смотрите дальше.
4.Ремонт системы охлаждения автомобиля Зил-130.
4.1.Радиатор трех рядный трубчатый.
Трубки радиатора изготовлены из топкана Л – 90. Охлаждающая лента (змейка) так же как и охлаждающие пластины радиатора изготовлены из меди М3.Радиатор вместе с жалюзи и кожухом вентилятора закреплён с помощью болтов в специальной рамке, которая крепиться центральным болтом к поперечине рамы автомобиля через резиновые подушки. Верхние концы рамки, замкнутые стяжкой и усилителем облицовки радиатора, служат передней опорой оперения автомобиля включая облицовку радиатора. Вода из полости радиатора сливается через кран, вентиль которого подводится с помощью рукоятки. Для разборки радиатора надо сначала отсоединить масленый радиатор. Для этого следует: отвернуть болты крепления кроме подвески жидкостного радиатора, снять масленый радиатор в сборке с кронштейнами.
Для отсоединения шлангов от трубок надо освободить с помощью отверстий стяжные винты и снять резиновые шланги. Для снятия кронштейнов с масленого радиатора, надо отвернуть гайку, вынуть болты и снять два кронштейна с масленого радиатора.
Для демонтажа рамки подвески с радиатора надо отвернуть болты крепления правой и левой пластин радиатора и отсоединить радиатор от рамки подвески. Затем отвернуть болты крепления кожуха вентилятора, к правой и левой пластинам радиатора, вынуть болты, отсоединить кожух радиатора и снять распорку рамки радиатора. Для снятия жалюзи надо отвернуть болты крепления жалюзи к пластинам радиатора, вынуть болты и отсоединить жалюзи от радиатора.
Перед сборкой необходимо радиатор очистить от грязи и промыть обычной водопроводной водой. Воду под напором следует направить на нижний патрубок радиатора для того, чтобы она выливать через верхний патрубок. Пробка радиатора должна быть закрыта. Промывку можно закончить после того, как сливаемая вода станет чистой. Очищенный и промытый радиатор необходимо проверить на герметичность воздухом под давлением 0,15 Мпа (1,5 кгс/см. кв.) поместив его в водяную ванну. Сборку узлов радиатора проводят в обратной последовательности.
4.2.Водяной насос.
Ремонт водяного насоса автомобиля ЗиЛ-130 представлено в виде таблицы.
| № выполняемых работ |
Наименование и содержание работ |
Приборы, инструменты, приспособления, модель, тип. |
Технические требования. |
| 1. |
Установите водяной насос в сборе в тиски и закрепите |
Верстак слесарный, тиски |
| 2. |
Отверните гайки М8 крепления корпуса подшипников водяного насоса, снимите пружины шайбы, корпус водяного насоса, прокладку и положите корпус на стол для дефектовки. |
Головка сменная 14 мм, коловорот, стол для дефектовки деталей. |
| 3. |
Выверните болт крепления крыльчатки, снимете шайбу, крыльчатку и положите её на стол. |
Съёмник для снятия крыльчатки, ключ гаечный 19 мм, стеллаж для деталей и узлов. |
| 4. |
Закрепите конец вала в тиски, отверните гайку М 14 крепления шкива, снимите шайбу и ступицу шкива, конусную втулку, упорное кольцо переднего подшипника и шпонку, положите все детали на верстак. |
Верстак слесарный, тиски, губки предохранительные, пассатижи, ключ гаечный 22 мм, съемник для снятия ступицы и шкива, зубило слесарное , молоток. |
| 5. |
Установите корпус подшипников водяного насоса на пресс, впрессуйте валик вместе с подшипниками и положите на стол для дефектовки. |
Пресс гидравлический модели 2153-М2, стол для дефектовки деталей. |
Впрессовывать валик со стороны крепления крыльчатки. |
| 6. |
Снимите с вала водяного насоса передний подшипник , раскосную втулку, задний подшипник , водосбрасыватель, пружинное кольцо, положите все детали на верстак. |
Оправка для выпрессовки подшипников, молоток, отвертка, верстак слесарный, тиски. |
| 7. |
Закрепите крыльчатку в тиски, снимите с крыльчатки обойму, упорную гайку, уплотнитель и положите все детали на верстак. |
Верстак слесарный, тиски. |
| 8. |
Промойте детали водяного насоса. |
Ванна для мойки деталей. |
| 9. |
Проверти состояние деталей водяного насоса в соответствии с картой дефектовки и при необходимости замените негодные детали. |
Стол для дефектовки деталей , оправка с бруском, станок настольно-сверлильный модели 2И112. |
Риски и задиры на поверхности прилегания уплотнительной шайбы не допускаются. Торец поверхности прилегания уплотнительной шайбы должен быть плоским.
Шлифование торца допускается до размера не более 19,2 мм. Устранение рисок и овальности производится путём шлифования поверхности прилегания уплотнительной шайбы обрезным бруском на оправе.
|
| 10. |
Установите в корпус крыльчатки уплотнитель, упорную шайбу, смазанную графитной смазкой и закрепите обойму. |
Верстак слесарный, бочок с графитной смазкой, отвертка, молоток. |
Применять графитную смазку УС с А ГОСТ 3333-55. |
| 11. |
Закрепить конец вала в тиски, наденьте на вал последовательно пружинное кольцо, водосбрасыватель, задний подшипник, распорную втулку и подшипник передний. |
Тиски, губки предохранительные. |
| 12. |
Заполните корпус подшипников водяного насоса консистентной смазкой. |
Банка со смазкой 1-13 |
Применять смазку 1-13 жировую ГОСТ 1631-61. |
| 13. |
Установите корпус подшипников водяного насоса на пресс. |
Пресс гидровличесский модели 2153-М2 |
| 14. |
Запрессуйте вал с подшипником в корпус подшипников водяного насоса. |
Пресс гидровличесский модели 2153-М2, оправка. |
| 15. |
Установите корпус подшипников водяного насоса в тиски и закрепите конец вала. |
Тиски, гудки предохранительные. |
Закрепить конец вала следует со стороны крепления крыльчатки. |
| 16. |
Установите в корпус подшипников упорное кольцо переднего подшипника, вставьте шпонку в шпоночный паз вала, наденьте конусную втулку шкива на вал, установите ступицу шкива на втулку, наверните на вал шайбу, наверните и затените гайку М 14Х1,5, крепление шкива и зашилингуйте гайку. |
Пассатижи, молоток, ключ гаечный 22 мм. |
| 17. |
Установите корпус подшипников на пресс и напрессуйте крыльчатку на вал |
Пресс гидровличесский модели 2153-М2. |
| 18. |
Наденьте на болт шайбу , придерживая гайку М 14Х1,5 ключом, произведите затяжку болта крепления крыльчатки. |
Ключ гаечный 22 мм, головка сменная 19 мм, ключ динамометрический. |
Момент затяжки болта крепления крыльчатки 1,5 – 1,7 кг/см. |
| 19. |
Затените посадочные места корпуса подшипников и корпуса водяного насоса под прокладку, установите прокладку смазанную уплотнительной пастой. |
Шабер трёхгранный, банка с пастой УН-25, кисть |
Для смазки прокладки применять пасту УН – 25. |
| 20. |
Присоединить корпус водяного насоса к корпусу подшипников. |
| 21. |
Наденьте на шпильку крепление корпуса подшипников пружинные шайбы , наверните гайки и затените их. |
Головка сменная 14 мм, коловорот. |
Гайки затягивать последовательно через одну. |
| 22. |
Установите водяной насос на стенд и проверьте его работу. |
Стенд для испытания водяного насоса. |
Проверять работу водяного насоса при 30000 об/мин. в течении 10 – 15 минут.
При этом не допускается задевание крыльчатки за корпус подшипников насоса, подтекание воды через сальник и перегрев подшипников.
|
| 23. |
Снимите водяной насос со стенда и положите на стеллаж. |
Стеллаж для деталей и узлов. |
Список использованной литературы.
Устройство и техническое обслуживание грузовых автомобилей.
(В.И. Карогодин, С.К. Шестопалов)
Практикум по автомобилю.
(В.П. Беспалько, М.И. Ерецкий, З.В. Розен)
Автомобиль.
(В.С. Камсский, А.И. Маизон, П.Е. Нагула)
Техническая эксплуатация автомобилей.
(Е.С. Кузнецов, В.П. Воронов, А.П. Болдин)
Положение о техническом обслуживании и ремонте подвижного состава автомобильного транспорта.
(М.: Минавтотранс РСФСР)
Автотехобслуживание.
(Фастовцев Г.Ф.)
|