и микропроцессоров
Задание на курсовое проектирование
В данном курсовом проекте требуется разработать комплект конструкторской документации интегральной микросхемы К 237 ХА2. По функциональному назначению разрабатываемая микросхема представляет собой усилитель промежуточной частоты. Микросхема должна быть изготовлена по тонкопленочной технологии методом свободных масок (МСМ) в виде гибридной интегральной микросхемы (ГИМС).

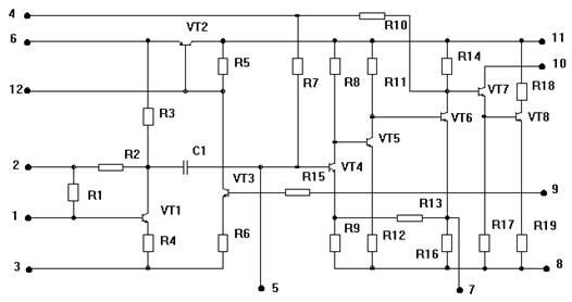
Рис. 1. Схема электрическая принципиальная
Таблица 1. Номиналы элементов схемы:
| Элемент |
Номинал |
Элемент |
Номинал |
Элемент |
Номинал |
Элемент |
Номинал |
| R1 |
950 Ом |
R7 |
4,25 кОм |
R13 |
1 кОм |
R19 |
1 кОм |
| R2 |
14 кОм |
R8 |
12,5 кОм |
R14 |
3,5 кОм |
C1 |
3800 пФ |
| R3 |
45 кОм |
R9 |
500 Ом |
R15 |
10 кОм |
VT1-VT8 |
КТ 312 |
| R4 |
35 кОм |
R10 |
3 кОм |
R16 |
3,5 кОм |
E |
7,25 В |
| R5 |
12,5 кОм |
R11 |
10 кОм |
R17 |
2,5 кОм |
| R6 |
950 Ом |
R12 |
500 Ом |
R18 |
1 кОм |
Для подачи на схему входного сигнала и снятия выходного к микросхеме требуется подключить некоторое количество навесных элементов. Одна из возможных схем включения приведена на следующем рисунке.

Рис. 2. Возможная схема включения
Таблица 2. Номиналы элементов схемы включения
| Элемент |
Номинал |
Элемент |
Номинал |
| RA |
8,2 кОм |
CB |
1 мкФ |
| RB |
43 Ом |
CC |
0,033 мкФ |
| RC |
2,2 кОм |
CD |
0,015 мкФ |
| RD |
1,5 кОм |
CE |
4700 пФ |
| CA |
3300 пФ |
CF |
3300 пФ |
Технические требования:
Конструкцию микросхемы выполнить в соответствии с электрической принципиальной схемой по тонкопленочной технологии методом свободных масок в корпусе.
Микросхема должна удовлетворять общим техническим условиям и удовлетворять следующим требованиям:
¨ предельная рабочая температура - 150° С;
¨ расчетное время эксплуатации - 5000 часов;
¨ вибрация с частотой - 5-2000 Гц;
¨ удары многократные с ускорением 35;
¨ удары однократные с ускорением 100;
¨ ускорения до 50.
Вид производства - мелкосерийное, объем - 5000 в год.
Аннотация
Целью данного курсового проекта является разработка интегральной микросхемы в соответствии с требованиями, приведенными в техническом задании. Микросхема выполняется методом свободных масок по тонкопленочной технологии.
В процессе выполнения работы мы выполнили следующие действия и получили результаты:
- произвели электрический расчет схемы с помощью программы электрического моделирования “VITUS”, в результате которого мы получили необходимые данные для расчета геометрических размеров элементов;
- произвели расчет геометрических размеров элементов и получили их размеры, необходимые для выбора топологии микросхемы;
- произвели выбор подложки для микросхемы и расположили на ней элементы, а также в соответствии с электрической принципиальной схемой сделали соединения между элементами;
- выбрали корпус для микросхемы с тем расчетом, чтобы стандартная подложка с размещенными элементами помещалась в один из корпусов, рекомендуемых ГОСТом 17467-79.
Введение
Приведем принципы работы и основные характеристики разрабатываемой микросхемы:
Микросхема К 237 ХА 2 предназначена для усиления и детектирования сигналов ПЧ (промежуточной частоты) радиоприемных устройств не имеющих УКВ диапазона, а также для усиления напряжения АРУ (автоматической регулировки усиления). Широкополосный усилитель ПЧ состоит из регулируемого усилителя на транзисторах Т4, Т5 и Т6. Усиленный сигнал поступает на детектор АМ-сигналов (амплитудно-модулированных сигналов), выполненный на составном транзисторе Т7, Т8. Низкочастотный сигнал с резистора R19, включенного в эмиттерную цепь, подается через внешний фильтр на предварительный усилитель НЧ (низкой частоты), а также через резистор R15 на базу транзистора Т3, входящего в усилитель АРУ. Усиленное напряжение АРУ снимается с эмиттера транзистора Т2. Изменение напряжения на эмиттере транзистора Т2 вызывает изменение напряжения питания транзистора Т1, а следовательно и его усиления.
На частоте 465 кГц коэффициент усиления усилителя ПЧ составляет 1200 - 2500. Коэффициент нелинейных искажений не превышает 3%. Если входной сигнал меняется от 0,05 до 3 мВ, то изменение выходного напряжения не превышает 6дБ. Напряжение на выходе системы АРУ при отсутствии выходного сигнала составляет 3 - 4,5 В. Напряжение питания составляет 3,6 - 10 В. Потребляемая мощность не более 35 мВт.
Анализ задания на проект
Микросхема усиления промежуточной частоты (ПЧ) К 237ХА2 может быть изготовлена по тонкопленочной технологии с применением навесных элементов. Конструкция микросхемы выполняется методом свободной маски, при этом каждый слой тонкопленочной структуры наносится через специальный трафарет. На поверхности подложки сформированы пленочные резисторы, конденсаторы, а также контактные площадки и межэлементные соединения. Пленочная технология не предусматривает изготовление транзисторов, поэтому транзисторы выполнены в виде навесных элементов, приклеенных на подложку микросхемы. Выводы транзисторов привариваются к соответствующим контактным площадкам.
Электрический расчет принципиальной схемы
Электрический расчет производился с помощью системы “VITUS”.
Система VITUS - это компьютерное инструментальное средство разработчика электронных схем. Система VITUS позволяет рассчитать токи, напряжения, мощности во всех узлах и элементах схемы, частотные и спектральные характеристики схемы. Система VITUS объединяет в себе компьютерный аналог вольтметров, амперметров и ваттметров постоянного и переменного тока, генераторов сигналов произвольной формы, многоканального осциллографа, измерителя частотных характеристик.
Система VITUS :
- позволяет описывать принципиальную схему как в графическом виде, так и на встроенном входном языке;
- выводит требуемые результаты расчета в графическом виде;
- снабжена справочником параметров элементов;
- работает под управлением дружественного интерфейса.
Основной задачей электрического расчета является определение мощностей, рассеиваемых резисторами и рабочих напряжений на обкладках конденсаторов. В результате расчета были получены реальные значения мощностей и напряжений, которые являются исходными данными для расчета геометрических размеров элементов.
Результаты расчета приводятся в расчете геометрических размеров элементов.
Данные для расчета геометрических размеров тонкопленочных элементов
Таблица 3. Данные для расчета резисторов
| Резистор |
Рном , Вт |
gR |
 |
Резистор |
Рном , Вт |
gR |
 |
| R1 |
1,41E-6 |
0,2 |
0,1 |
R11 |
4,46E-3 |
0,22 |
0,1 |
| R2 |
3,36E-8 |
0,22 |
0,1 |
R12 |
2,23E-4 |
0,2 |
0,1 |
| R3 |
2,47E-4 |
0,22 |
0,1 |
R13 |
1,79E-5 |
0,2 |
0,1 |
| R4 |
1,98E-4 |
0,22 |
0,1 |
R14 |
1,05E-2 |
0,2 |
0,1 |
| R5 |
8,58E-6 |
0,22 |
0,1 |
R15 |
3,91E-10 |
0,22 |
0,1 |
| R6 |
5,35E-13 |
0,2 |
0,1 |
R16 |
1,27E-6 |
0,2 |
0,1 |
| R7 |
3,21E-5 |
0,2 |
0,1 |
R17 |
3,46E-4 |
0,2 |
0,1 |
| R8 |
3,30E-3 |
0,22 |
0,1 |
R18 |
1,95E-4 |
0,2 |
0,1 |
| R9 |
7,4E-5 |
0,2 |
0,1 |
R19 |
1,97E-4 |
0,2 |
0,1 |
| R10 |
4,51E-5 |
0,2 |
0,1 |
Таблица 4. Данные для расчета конденсаторов
| Конденсатор |
Uраб , В |
 |
 |
| C1 |
2,348 |
0,23 |
0,115 |
Технологическая часть
Последовательность технологического процесса
1. Изготовление масок;
2. Подготовка подложек;
3. Формирование тонкопленочной структуры;
4. Подгонка номиналов;
5. Резка пластин на кристаллы;
6. Сборка;
7. Установка навесных элементов;
8. Контроль параметров;
9. Корпусная герметизация;
10.Контроль характеристик;
11.Испытания;
12.Маркировка;
13.Упаковка.
Методы формирования тонкопленочных элементов
Основными методами нанесения тонких пленок в технологии ГИМС являются: термическое испарение в вакууме, катодное, ионно-плазменное и магнетронное распыления.
Термическое испарение в вакууме 10-3 - 10 -4 Па предусматривает нагрев материала до температуры, при которой происходит испарение, направленное движение паров этого материала и его конденсация на поверхности подложки. Рабочая камера вакуумной установки (Рис. 5, а) состоит из металлического или стеклянного колпака 1, установленного на опорной плите 8. Резиновая прокладка 7 обеспечивает вакуум-плотное соединение. Внутри рабочей камеры расположены подложка 4 на подложкодержателе 3, нагреватель подложки 2 и испаритель вещества 6. Заслонка 5 позволяет в нужный момент позволяет прекращать попадание испаряемого вещества на подложку. Степень вакуума в рабочей камере измеряется специальным прибором - вакуумметром.

Рис. 5. Методы осаждения тонких пленок а) - термическое испарение в вакууме; б) - катодное распыление; в) - ионно-плазменное распыление; 1 - колпак; 2 - нагреватель подложки; 3 - подложкодержатель; 4 - подложка; 5 - заслонка; 6 - испаритель; 7 - прокладка; 8 - опорная плита; 9 - катод-мишень; 10 - анод; 11 - термокатод
Катодным (ионным) распылением (Рис. 5, б) называют процесс, при котором в диодной системе катод-мишень 9, выполненный из распыляемого материала, оседающие в виде тонкой пленки на подложке 4. Ионизация инертного газа осуществляется электронами, возникающими между катодом-мишенью 9 и анодом 10 при U= 3-5 кВ и давлении аргона 1-10 Па.
При ионно-плазменном распылении (Рис. 5, в) в систему анод 10 - катод-мишень 9 вводят вспомогательный источник электронов (термокатод 11). Перед началом работы рабочая камера 1 откачивается до вакуума 10-4 Па и на термокатод 11 подается ток, достаточный для разогрева его и создания термоэлектронного тока (термоэлектронная эмиссия). После разогрева термокатода 11 между ним и анодом 10 прикладывается U=200 В, а рабочая камера наполняется инертным газом (Ar) до давления 10-1 - 10-2 Па - возникает газовый плазменный разряд. Если подать отрицательный потенциал на катод-мишень 9 (3-5 кВ), то положительные ионы, возникающие вследствие ионизации инертного газа электронами, будут бомбардировать поверхность катода-мишени 9, распылять его, а частицы материала оседать на подложке 4, формируя тонкую пленку.
Определенная конфигурация элементов ИМС получается при использовании специальных масок, представляющих собой моно- или биметаллические пластины с прорезями, соответствующими топологии (форме и расположению) пленочных элементов.
Для формирования сложных ТПЭ большой точности применяют фотолитографию, при которой сплошные пленки материалов ТПЭ наносят на подложку, создают на ее поверхности защитную фоторезистивную маску и вытравливают незащищенные участки пленки. Существует несколько разновидностей этого метода. Например, рпи прямой фотолитографии вначале на диэлектрическую подложку наносят сплошную пленку резистивного материала и создают защитную фоторезистивную маску, черз которую травят резистивный слой. Затем эту маску удаляют и сверху наносят сплошную пленку металла (например, алюминия). После создания второй фоторезистивной маски и травления незащищенного алюминия на поверхности подложки остаются полученные ранее резисторы, а также сформированные проводники и контактные площадки, закрытые фоторезистивной маской.
Удалив ненужную более маску, на поверхность наносят сплошную защитную пленку (например, SiO2) и в третий раз создают фоторезистивную маску, открывая участки защитного покрытия над контактными площадками. Протравив защитное покрытие в этих местах и удалив фоторезистивную маску, получают плату ГИМС с пленочными элементами и открытыми контактными площадками.
Использованная литература
1. Методические указания к выполнению курсового проекта по курсу “Конструирование микросхем и микропроцессоров”, МИЭМ, 1988
2. Романычева Э.Т., Справочник: ”Разработка и оформление конструкторской документации РЭА”, Радио и связь, 1989
|